Ветеринарно-санитарные свойства молока, используемого в сыроделии
МИНИСТЕРСТВО СЕЛЬСКОГО ХОЗЯЙСТВА
РОССИЙСКОЙ ФЕДЕРАЦИИ
ФГОУ ВПО
Воронежский государственный
аграрный университет им. К.Д. Глинки
Факультет ветеринарной медицины
Кафедра ветеринарно-санитарной экспертизы и зоогигиены
РЕФЕРАТ
На тему: «Ветеринарно-санитарные свойства молока, используемого в сыроделии»
Выполнила: студентка ФВМ
Проверил
ВОРОНЕЖ-2008 г.
Содержание
1. Введение
2. Химический состав молока
3. Факторы, влияющие на состав и свойства молока
4. Химические свойства молока
5. Требования ГОСТа на молоко коровье, заготавливаемое в хозяйствах
6. Сыропригодность молока
7. Технология производства сыра
8. Пороки сыров
9. Органолептические и лабораторные методы определения качества сыра
10. Заключение
11. Список литературы
1. Введение
В состав молока входят почти все вещества, необходимые для нормальной жизнедеятельности организма. В лечебном питании используется коровье молоко и очень редко - козье, кобылье, овечье. Коровье молоко содержит 3,9% белка, в состав которого входит около 20 аминокислот, лактоглобулин, обладающий антибиотическими свойствами. При кипячении молока часть аминокислот, глобулинов и альбуминов выпадает в осадок, при пастеризации этих изменений не происходит. Молоко содержит 3,7% легко усвояемого жира, богатого высоконенасыщенными жирными кислотами, лецитином и хорошо сбалансированным холестерином.По данным ряда авторов( 6, 7 и др.) в состав коровьего молока входит 4,7% легко всасываемого молочного сахара, минеральные вещества, в том числе кальций, фосфор, относительно много калия и мало натрия, что усиливает выделение мочи. Оно содержит жирорастворимые витамины (А, D, Е) и витамины группы В (В1, В2), обладает свойством ощелачивать внутреннюю среду, является слабым возбудителем желудочной секреции и хорошо усваивается в кишечнике. Некоторые люди не переносят молоко в результате врожденной или приобретенной (при некоторых заболеваниях органов пищеварения) недостаточности фермента лактазы, расщепляющего молочный сахар. Непереносимость молока возможна и при повышенной чувствительности к молочному белку. В этих случаях молоко либо только добавляется в различные блюда, либо же полностью исключается из рациона. Доброкачественное молоко имеет приятный вкус и запах, без осадка. Сыр содержит около 20% легкоусвояемого белка, около 25% молочного жира, много витаминов А, В2, кальция, фосфора, экстрактивных веществ, улучшающих аппетит. В лечебном питании при малокровии, туберкулезе, переломах костей применяются неострые, малосоленые и нежирные сорта сыра (голландский, литовский, степной и др.). Доброкачественный сыр имеет эластическую и однородную консистенцию, недоброкачественный может быть горького вкуса, покрыт плесенью, слизью, а корочка - трещинами. В последние годы в России существенно возросло производство и потребление молока и молочных продуктов. Вместе с тем значительно усложнились технологии производства, схемы закупки, хранения и реализации этих продуктов. В связи с этим одной из важнейших задач ветеринарной службы является правильная организация ветсанэкспертизы молока и молочных продуктов с целью контроля их качества и безопасности. Во избежание возможных ошибок и претензий со стороны поставщиков, производителей и потребителей молока и молочных продуктов в своих действиях и заключениях ветсапэксперт должен руководствоваться действующими нормативными документами.( Смирнов А.В., //Практик.-2006.-№4).
МОЛОКО — полноценный и полезный продукт питания. Оно содержит все необходимые для жизни питательные вещества, нужные для построения организма. Естественное назначение молока в природе заключается в обеспечении питанием молодого организма после рождения. Состав молока различных млекопитающих в целом определяется теми условиями окружающей среды, в которых происходит рост молодого организма. Это особенно четко проявляется в содержании белка и жира, чем больше их в молоке матери, тем быстрее растет ее дитя. Питательность 1 л молока составляет 685 ккал. Калорийность зависит, главным образом, от содержания жира, белка. Благодаря содержанию в молоке важнейших питательных веществ, главным образом белка, углеводов, витаминов, минеральных веществ, оно является и защитным фактором.( Л.А. Бакулина и др., 1981).
1. Химический состав молока
С химической точки зрения молоко представляет собой очень сложное соединение. Упрощенно молоко можно рассматривать как эмульсию жиров в водном растворе, содержащую различные другие компоненты. Химический состав молока различных видов животных значительно отличается по содержанию жиров, белков и других компонентов (табл. 1). Одни из компонентов, входящих в химический состав молока,. находятся в нем в довольно значительных количествах, другие, напротив, в очень малых, что видно из данных таблицы 2. Основными белками молока являются казеин и сывороточные белки — альбумин и глобулин. Казеин [NН2R(СООН)4(СОО)2Са ] находится в молоке в виде коллоидного раствора комплексного соединения казеината кальция в количестве 2,7%. В зависимости от содержания фосфора, кальция, серы и способности свертываться под влиянием сычужного фермента казеин подразделяют на альфа-, бета-, гамма- и каппа- формы. Бета-форма казеина содержит почти половину, а гамма-форма—в 10 раз меньше фосфора в сравнении с альфа-формой. Под влиянием сычужного фермента гамма-форма не изменяется, а альфа-форма и бета-форма коагулируют с образованием сгустка (параказеина). Каппа-форма в достаточной степени не расшифрована. Изоэлектрическая точка казеина находится в пределах рН 4,6— 4,7. Поскольку в составе казеина больше карбоксильных групп и меньше аминных, то по фенолфталеину он имеет кислую реакцию. На нейтрализацию 1 г казеина в растворе нейтральных солей при индикаторе фенолфталеине требуется примерно 8,1 мл децинормального раствора щелочи, На этом основании предложен метод определения количества казеина в молоке (по Маттиопуло), который вполне может удовлетворить ветеринарно-санитарного экс- перта. Осадок казеината кальция, полученный при воздействии на него сычужного фермента (химозина), это соединение, в котором казеин превращается в параказеин, представляющий собой достаточно плотный сгусток приятного сладковатого вкуса. Казеин осаждается слабым раствором кислот (уксусная, молочная и др,) Под воздействием последних казеинат кальция теряет свою химическую структуру, образуя чистый казеин и кальциевую’ соль той кислоты, которая была использована в данной реакции. По такому типу идет реакция при естественном скисании молока под действием молочнокислых микроорганизмов. При этом лактоза расщепляется с образованием молочной кислоты, которая, в свою очередь, вступает в реакцию с казеинатом кальция. В результате этой реакции казеин выпадает в осадок в виде тонких кислых на вкус хлопьев.
Табл 1. Средние показатели химического состава цельного молока различных животных
|
Вид животного |
Содержание в молоке, % |
||||||
|
воды |
сухих веществ |
белка |
жира |
Молочного сахара (углеводов) |
минеральных веществ |
||
|
обще-го |
в том числе казеина |
||||||
|
Корова |
87,3 |
12,7 |
3,5 |
2,8 |
3,8 |
4,7 |
0,7 |
|
Овца |
81,7 |
18,3 |
5,8 |
4,8 |
6,7 |
4,7 |
1,0 |
|
Буйволица |
81,3 |
18,7 |
4,3 |
3,5 |
8,7 |
4,9 |
0,8 |
|
Коза |
84,2 |
15,8 |
4,4 |
3,3 |
5,4 |
4,4 |
0,8 |
|
Верблюдица |
86,4 |
13,6 |
3,5 |
2,6 |
4,5 |
4,9 |
0,7 |
|
Кобыла |
89,7 |
10,3 |
2,2 |
1,2 |
1,2 |
6,5 |
0,4 |
|
Самка северного оленя |
63,3 |
36,7 |
10,3 |
8,3 |
22,5 |
2,5 |
1,4 |
|
Свинья |
84,0 |
16,0 |
7,3 |
_ |
4,6 |
3,1 |
1,0 |
|
Самка зебу |
83,6 |
16,4 |
4,3 |
_ |
7,7 |
3,6 |
0,8 |
|
Самка яка |
82,0 |
18,0 |
5,0 |
_ |
6,5 |
5,6 |
0,9 |
|
Лосиха |
80,0 |
_ |
10,25 |
_ |
9,6 |
_ |
1,8 |
Табл.2.Химический состав коровьего молока (по Г. С. Инихову)
|
Составные части |
Пределы колебаний,% |
Составные части |
Пределы колебаний,% |
|
Вода |
83–89 |
Ферменты |
_ |
|
Сухой остаток |
11–17 |
Лактоза |
4,0–5,5 |
|
Молочный жир |
2,8–6,0 |
Витамины* |
_ |
|
Фосфатиды и стерины |
0,05–0,1 |
Зола** |
0,6–0,8 |
|
Казеин |
2,0–4,0 |
Лимонная кислота |
0,14–0,2 |
|
Альбумин |
0,2–0,6 |
Газы |
5–8 мл |
|
Глобулины и другие азотистые вещества |
0,05–0,2 |
Пигменты*** |
Витамины: А, В ( антирахитический, Е (токоферол), В1 (тиамин), В2 (рибофлавин), В12 (антианемический), РР (никотиновая кислота), С (аскорбиновая кислота) и др. Окись кальция, фосфорная кислота, неорганические соли. Каротин, лактофлавин.
Х
од
реакции схематично протекает так:
NH2*R(СООН)4(СОО)2
*Са + 2СН3СН(ОН)СООН [СН3СН(ОН)СОО]2-Са+
NН2(С00Н)6.
Альбумин содержится
в молоке в количестве около 0,4%. Он
растворен в воде и выпадает в осадок
при тепловой обработке молока в
слабокислом растворе, а также при
длительной пастеризации (температура
6З—65°С, экспозиция 30 мин).
При нагревании молока выше
80°С альбумин денатурируется и теряет
свою способность растворяться в воде.
Эта особенность его положена в основу
лактоальбуминовой пробы при пастеризации
молока при температуре выше 80 °С. В таком
молоке альбумин должен отсутствовать.
Глобулин содержится
в молоке в растворенном состоянии в
количестве около 0,1%, при нагревании в
слабокислом растворе (до 75°С) выпадает
в осадок. При тепловой обработке
(пастеризации) глобулин осаждается
вместе с альбумином. Аминокислотный
состав белков коровьего молока представлен
в таблице 3. Как видно из таблицы, белки
молока содержат все жизненно необходимые
аминокислоты. Нужно подчеркнуть, что
усвояемость этих белков исключительно
высока, она составляет 95—97%. Молочный
жир нейтральный, В нем все
три гидроксильные группы глицерина
замещены жирными кислотами, В молочном
жире находят до 20 насыщенных и ненасыщенных
кислот (табл. 4). Более 75% молекул молочного
жира содержат одну или две ненасыщенные
жирные кислоты, чем и объясняется низкая
температура плавления в сравнении с
тканевым жиром. Отличительная особенность
молочного жира от тканевого и растительного
наличие в нем низкомолекулярных кислот,
способных улетучиваться с водяным
паром: масляной, капроновой и каприновой
(число Рейхерта — Мейссля).
(Х.С.Горегляд,1974).
Табл.3. Аминокислотный состав основных белков коровьего молока (по В. В. Молочникову).
|
Аминокислота |
Содержание аминокислот, % |
||||||
|
казеин |
Лакто-альбу-мин |
Лакто-глобу-лин |
Белки оболочек жировых шариков |
||||
|
среднее |
α-фор-ма |
β-фор-ма |
γ-фор-ма |
||||
|
Глицин |
2,7 |
2,8 |
2,4 |
1,5 |
1,4 |
3,2 |
3,1 |
|
Аланин |
3,0 |
3,7 |
1,7 |
2,3 |
7,4 |
21 |
_ |
|
Валин |
7,2 |
6,3 |
10,2 |
0,5 |
5,8 |
4,1 |
5,7 |
|
Лейцин |
9,2 |
7,9 |
11,6 |
12,0 |
15,6 |
11,5 |
8,7 |
|
Изолейцин |
6,1 |
6,4 |
5,5 |
4,4 |
6,1 |
6,8 |
5,7 |
|
Пролин |
11,3 |
8,2 |
16,0 |
17,0 |
4,1 |
1,5 |
4,7 |
|
Фенилаланин |
5,0 |
4,6 |
5,8 |
5,8 |
3,5 |
4,5 |
5,0 |
|
Цистин |
0,34 |
0,43 |
0,1 |
0,0 |
2,3 |
6,4 |
1,5 |
|
Цистеин |
0,0 |
0,0 |
0,0 |
0,0 |
1,1 |
0,0 |
_ |
|
Метионин |
2,8 |
2,5 |
3,4 |
4,1 |
3,2 |
1,0 |
2,1 |
|
Триптофан |
1,7 |
2,2 |
0,83 |
1,2 |
1,9 |
7,0 |
1,7 |
|
Аргинин |
4,1 |
4,3 |
3,4 |
1,9 |
2,9 |
1,2 |
7,0 |
|
Гистидин |
3,1 |
2,9 |
3,1 |
3,7 |
1,6 |
2,9 |
3,0 |
|
Лизин |
8,2 |
8,9 |
6,5 |
6,2 |
11,4 |
11,5 |
5,9 |
|
Глутаминовая кислота |
22,4 |
22,5 |
23,2 |
22,9 |
19,5 |
12,9 |
12,9 |
|
Аспарагиновая кислота |
7,1 |
8,4 |
4,9 |
4,0 |
11,4 |
18,7 |
4,8 |
|
Серин |
6,3 |
6,3 |
6,8 |
5,5 |
5,0 |
4,8 |
4,0 |
|
Треонин |
4,9 |
4,9 |
5,1 |
4,4 |
5,8 |
5,5 |
6,0 |
|
Тирозин |
6,3 |
8,1 |
3,2 |
3,7 |
3,8 |
5,4 |
3,2 |
Табл 4. Жирные кислоты молочного жира и температура их плавления
|
Насыщенные |
Температура плавления,ºС |
Ненасыщенные |
Температура плавления,ºС |
|
Масляная |
7,9 |
Деценеоновая |
31,5 |
|
Капроновая |
1,5 |
Додеценеоновая |
44 |
|
Каприловая |
16 |
Тетрадецинеоновая |
58 |
|
Каприновая |
31 |
Олиновая |
14 |
|
Лауриновая |
44 |
Линолевая |
11 |
|
Миристиновая |
53,8 |
Линоленовая |
_ |
|
Пальмитиновая |
63 |
Арахидоновая |
49,5 |
|
Стеариновая |
69,5 |
||
|
Диоксистеариновая |
136 |
В теплом молоке жир находится в виде эмульсии, в холодном — суспензии. Его количество в молоке колеблется от 2 до 6%. Так, в молоке коров остфризской породы жира 2,8—3,2%, в молоке сибирского скота более 4,5%. Вместе с тем иногда встречаются отдельные коровы, в молоке которых менее 2% жира. На содержание жира в молоке влияют многие факторы: период лактации, породность, возраст, физическое состояние животного. В Первый месяц лактации содержание жира в молоке несколько Повышено, в Последующие 3—4 месяца понижается. Со второй половины лактации количество жира повышается. Уменьшается количество жира в молоке при нарушении режима кормления и скармливания неполноценного корма, при неправильном доении (неполное выдаивание, шум и т. д.). Жировые шарики можно хорошо видеть под микроскопом при увеличении в 400—500 раз. В 1 мл молока может быть от 2 до 4 млрд. жировых шариков, величина их 2—4 мкм (от 1 до 10). В стародойном молоке жировые шарики в большинстве случаев меньшего размера, чем в молоке других периодов лактации. Лактоза в коровьем молоке составляет 4,7%, в молоке кобылиц—6,7%. Наличие в молоке лактозы имеет большое значение как в технологии молочнокислых продуктов, так и в практике ветсанэкспертизы. Благодаря лактозе в молоке можно вызвать направленное молочнокислое, спиртовое или комбинированное брожение, что широко используется в промышленности. Минеральные соли в молоке составляют около 1 %, в том числе хлористый натрий 0,09%, хлористый калий 0,08, однокалиевый фосфат 0,1, двукалиевый фосфат 0,08, двукальциевый фосфат 0,06, трикальциевый фосфат 0,08, ацетат кальция 0,2, ацетат калия 0,05, двумагниевый фосфат 0,03, ацетат магния 0,04 и кальций, связанный с казеином, 0,05%. Микроэлементы в составе молока обнаруживаются в широком ассртименте: марганец, цинк кобальт, медь, кремний, бром, йод,рубидий, стронций, титан, висмут серебро, радий и многие другие. Ферменты в молоке представлены фосфатазой, пероксидазой, . молоке содержатся гормоны а также иммунные тела неспецифические (лизины, опсонины, агглютинины) и специфичёские (атитоксины). Последние образуются у животных, активно переболевших некоторыми инфекционными болезнями (яуром, бешенством и др.). Газовая фракция молока состоит из углекислоты, кислорода и азота. В молоке находится 50—80 мл газа, в том числе углекислотьг 30—60 мл. Витамины содержатся в молоке в различных количествах, что зависит от поступления их с кормами, от интенсивности образования некоторых из них в организме животного и ют степени разрушения их при обработке и хранении молока. Средние показатели наличия витаминов в молоке следующие: так, в 100 г молока витамина. А содержится 0,02—0,2 мг; 13 — 0,002; Е — 0,06; к— 0,032; В1 —0,05; В2—0,2; Вб—0,1 —0,15; В12—0,1—0,3; Р—0,05—0,4; В3 — 0,28—0,36; С — 0,5—2,8; Н (биотин) — 0,00001—0,00003 мг. Как видно из приведенных данных химического состава молока, оно представляет собой сложную полидисперсную систему. Нужно подчеркнуть, что малейшие внешние воздействия и зменения в физиологическом состоянии животного существенно влияют на физико-химические свойства молока. Это необходимо учитывать при ветсанэкспертизе молока и молочных продуктов. (Х.С.Горегляд,1974).
2. Факторы, влияющие на состав и свойства молока
1. Порода коров
2. Стадия лактации
3. Здоровье коров
4. Режим кормления
5. Другие факторы.
Выход и качество молочных продуктов, определяемые составом молока, структурой и свойствами его компонентов, находятся в большой зависимости от зоотехнических факторов. В некоторых случаях изменение состава и свойств сырого молока под влиянием физиологического состояния животных кормов и др. факторов настолько значительны, что оно становится не пригодным к переработке на молочные продукты.
Порода и возраст животных. Отдельные породы крупного рогатого скота оцениваются по надоям молока и его составу. Это результат многолетней практики разведения крупного рогатого скота, что позволило вывести породы коров с наибольшей молочной продуктивностью. От породы и возраста животного зависит молочная продуктивность, состав, физико-химические и технические свойства молока. Основные породы в нашей стране: черно-пестрая, красная горбатовская, холмогорская и др.
Колебания в составе молока коров одной и той же породы объясняются наследственными факторами, а также различными условиями содержания. Так как по наследству передается только способность к образованию определенного количества молока с примерно постоянным составом (молочная продуктивность), то условия содержания коров имеют большое значение для ее реализации.
Стадия лактации. Процесс образования и выделения молока из молочной железы, называемой лактацией, у коров в среднем составляет 305 дней, т. е. около 10 мес. В нем различают три периода (стадии): молозивный (продолжительностью 5-10 дней после отела), период выделения нормального молока (285-217 дней) и период отделения стародойного молока (7-15 дней перед окончанием лактации). Молозиво и стародойное молоко в результате резкого изменения физиологического состояния животных сопровождается образованием секрета, состав и свойства которого значительно отличаются от нормального молока.
Так, молозиво в 3-5 раз больше содержит белков, чем молокао; в 1,5 раза больше жира и минеральных веществ, фосфолипидов — в 3-5 раз, каротина — в 3,5-4 раза, больше витаминов, макро- и микроэлементов, ферментов (особенно каталазы, пероксидазы), гормонов, лизоцима, лактоферрина, лейкоцитов и пр. Лактозы меньше. Кислотность 40◦Т, плотность 1.037—1,055 г/м3, вязкость 25*10-3 Пас. Оно имеет интенсивный желтый цвет, солоноватый вкус, специфический запах, густую, вязкую консистенцию.
Стародойное молоко характеризуется повышенным количеством лейкоцитов, жира, белков, ферментов (липазы), минеральных веществ и уменьшенным содержанием лактозы. Кислот. 14-16ºТ, а иногда 9-12ºТ, вкус горьковато-солоноватый из-за повышенного количества свободных жирных кислот, образующихся при гидролизе жира и хлоридов.
Молозиво и стародойное молоко не пригодно для промышленной переработки, т. к. оно имеет измененный состав; медленно свертывается сычужным ферментом и является плохой средой для развития молочнокислых бактерий. Продукты из них быстро портятся и имеют неприятный вкус.
Состояние здоровья коров. Болезни ведут к снижению молочной продуктивности животного за счет изменения состава и свойств молока. Наиболее заметные изменения в составе молока вызываются инфицированием вымени, в результате нарушается секреция молока. Мастит — воспаление тканей вымени. Маститы могут быть с ярко выраженными клиническими признаками и скрытые (субклинические). Последние более распространены. Возбудитель проникает в паренхиму, а оттуда в альвеолы. Способность молокообразующих клеток к синтезу казеина, лактозы и жира снижается. Для поддержания осмотического давления ионы крови в большом количестве переходят в молоко.
Частично пораженная ткань становится проницаемой для сывороточных белков. Мастит сказывается на составе молока — снижается общее количество сухих веществ, изменяется количественное соотношение между составными частями молока. Это выражается в снижении содержания жира, лактозы и казеина, а также в повышении содержания сывороточных белков, хлорида и соматических клеток. Меняется жирнокислотный состав триглицеридов молочного жира (повышается содержание высокомолекулярных жирных кислот и понижается количество низкомолекулярных жирных кислот, уменьшаются размеры мицеллорного казеина с одновременным повышением в молоке содержания фракции казеина.
Диапазон изменений зависит от степени заболевания. С ростом интенсивности инфекции состав секрета вымени приближается к составу крови. Оно имеет горьковато-солоноватый вкус. Кислотность понижается до 12ºТ, pH повышается до 6,83-7,19, плотность снижается до 1,024-1,025 г/см3. Электропроводность повышается, а вязкость понижается.
Сборное молоко, поступающее на молокозаводы, часто имеет примесь анормального молока до 6-15% и более, т. е. в 1 мл такого молока содержится более 500 тыс. соматических клеток. А молоко по содержанию соматических клеток различают: в 1 мл
до 500 тыс.
от 500 тыс. до 1 млн.
от 1 млн.
Молоко с повышенным количеством соматических клеток имеет высокую бактериальную обсеменность и, как правило, содержит стафилококки, обладающие повышенной биологической активностью. Следует иметь в виду, что примесь анормального молока может исказить результаты редуктазной пробы (т. е. при этом завышается сортность контролируемого молока), вследствие замедления процесса восстановления метиленового голубого.
Анормальное молоко менее термоустойчиво, плохо свертывается сычужным ферментом, в нем плохо развиваются производственные молочнокислые бактерии. Наиболее чувствительна к примеси анормального молока болгарская палочка, ацидофильная палочка, диацетиллактис, менее чувств. St. lactis и особенно нечувств. St. термофильный. Сгустки из такого молока имеют повышенную вязкость, меньшую плотность и хуже отделяют сыворотку. Сырное тесто из такого молока — слабое, дряблое, медленно созревает, и сыры получаются с пороками вкуса, консистенции и рисунка. Качество масла, творога и кефира при использовании молока с 20-25% маститного снижается, изменяется вкус, запах, консистенция. Поэтому необходимо тщательно контролировать молока на мастит, для чего существует много методов: определение хлор-сахарного числа (у здоровых оно не больше 1,5-2, у больных выше — 6-15); повышается активность каталазы и электропроводность молока. Для подсчета соматических клеток используют микроскоп, счетчики разного рода, подсчет клеток по изменению вязкости молока при добавлении к нему ПАВ (проба с мастопримом — ГОСТ 23453-79).
Режим кормления. Кормление должно быть полноценным по белку и жиру, минеральным веществам и витаминам, которое влияет на продуктивность, состав и свойства молока. Некоторые виды корма изменяют вкус и запах молока (это полынь, сорняки, чеснок полевой) — эти привкусы и обуславливают пороки молока. Или зимой и весной причиной их может быть скармливание животным силоса, кормовой свеклы, капусты, зеленой ржи и пр. Многие летучие соединения кормов: эфиры, спирты, альдегиды и петоны, обладающие специфическим вкусом и запахом, легко и быстро выделяются в рубце жвачных вместе со жвачкой, затем отрыгиваются коровой, попадают в легкие, затем в кровь и молочную железу. И появляются в молоке через 20-30 мин. после дачи корма. Некоторые соединения содержатся в кормах в связанной форме, высвобождаются только при пищеварении и поэтому медленнее (в течение 1-3 ч) всасываются в кровь и поступают в молоко. Например, диметилсульфид образуется из метилцистина, содержится в капусте, турнепсе. Триметиламин (рыбный привкус) — из бетаина, содержится в сахарной свекле, пшенице, ячмене. Интенсивность кормовых привкусов через 2,5-4 часа после кормления уменьшается, т. к. кровь реадсорбирует пахучие вещества из молока. Коровий (хлебный привкус) обусловлен повышением в молоке концентрации кетоновых телацетона, ацетоуксусной и β-оксимасляной кислот.
Поэтому рационы кормления должны быть правильно составлены, исключая некачественные корма, а также нормировать скармливание животным концентрированных, сочных и др. видов кормов. Так, скармливание большого количества льняных и подсолнечников жмыхов повышает в жире ненасыщенность жирных кислот (С>18>), масло вырабатывается из такого молока низкого качества, не стойко в хранении. При увеличении скармливания углеводистых кормов (свеклы, картофеля) в жире повышается количество жирных кислот (С>11>-С>12>), масло приобретает твердую и крошливую консистенцию. Если корма обеднены С>а >(барда, кислый жом, пивные дрожжи, силос, жмыхи и пр.), то может образовываться сычужно-вялое молоко, малопригодное к выработке сыра, и сыр из такого молока имеет ломкую, несвязную, крошливую консистенцию. Таким образом, необходимо достаточно добросовестно относиться качеству кормов.
Время года. Сезонным колебаниям подвергаются жир, белок, в меньшей степени лактоза, хлориды. Жир и белок уменьшаются весной, в начале лета; осенью и зимой — повышаются. Лактоза снижается к концу года при одновременном повышении хлоридов. Но при этом надо учитывать все выше перечисленные факторы.
Влияние доения. Состав молока меняется в процессе доения, и в течение дня, т.е. между доениями. Первые порции менее жирные, в конце — более жирные. Это объясняется затвердеванием крупных жировых шариков в секреторных клетках альвеол при повышении давления в вымени.
При более длительном интервале удой молока увеличивается, а жирность его снижается. В утреннем молоке содержание жира ниже, чем в вечернем, т. к. оно получено после длительного интервала между доениями. Самое низкое содержание жира в молоке, полученном ночью (с 21 часа до 3 часов).
3. Химические свойства молока
1) Влияние химического состава молока на его свойства.
2) Кислотность молока.
3) Буферная емкость молока.
3) Окислительно-восстановительный потенциал.
4) Значение рН в молочной промышленности.
Свойства молока. Свежее натуральное молоко, полученное от здоровых животных, характеризуется определенный физико-химическими и органолептическими свойствами, которые могут резко различаться в начале и конце лактационного периода, под влиянием болезней животных, некоторых видов кормов, при хранении молока в неохлажденном виде и при его фальсификации. Поэтому по физико-химическим и органолептическим свойствам молока можно оценить натуральность и качество заготовляемого сырья, т. е. его пригодность к промышленной переработке.
Все компоненты молока по разному влияют на физико-химические свойства его. Например, от массовой доли белка, дисперсности и гидратационных свойств белков в большей степени зависит вязкость и поверхностное натяжение молока, но почти не зависят величины электропроводности и осмотического давления. Почти все компоненты молока влияют на его плотность и кислотность, минеральные вещества молока значительно влияют на его кислотность, электропроводность, осмотическое давление и температуру замерзания, но не влияют на вязкость и т. д.
Кислотность — титруемая (общая) и активная.
Общая (титруемая) кислотность — выражается в градусах Тернера и определяется титрованием 0,1 н раствором щелочи 100 мл молока в присутствии индикатора фенолфталеина до нейтральной реакции. Кислотность является критерием оценки качества заготовляемого молока по ГОСТ 13264-88 «Молоко коровье» требования при закупках.
Кислотность свежевыдоенного молока составляет 16-18оТ. Она обусловливается кислыми солями — дегидрофасфатами и дегидроцитратами (около 9-13оТ), белками — казеином и сывороточными белками (4-6оТ), углекислотой, кислотами (молочной, лимонной, аскорбиновой, свободными жирными и др. компонентами молока (1-3оТ).
При хранении сырого молока титруемая кислотность повышается по мере развития в нем микроорганизмов, которые сбраживают молочный сахар с образованием молочной кислоты. Повышение кислотности вызывает нежелательные изменения свойств молока, например, снижение устойчивости белков к нагреванию. Поэтому молоко с кислотностью 21оТ принимают как несортовое, а молоко с кислотностью выше 22оТ не подлежит сдаче на молочные заводы.
Кислотность молока зависит от породы животных, от кормовых рационов, возраста, физиологического состояния и т. д. Особенно сильно изменяется кислотность в течение лактационного периода и при заболеваниях животных.
В первые дни после отела кислотность повышена за счет большого содержания белков, солей, через 40-60 дней она достигает физиологической нормы. И перед концом лактации коров имеет пониженную кислотность.
Отклонение естественной кислотности молока от физиологической нормы оказывает влияние на технологические свойства молока. Так, молоко с пониженной кислотностью нецелесообразно перерабатывать в сыры, т. к. оно медленно свертывается сычужным ферментом, а образующийся сгусток плохо обрабатывается.
рН (активная кислотность) — это концентрация водородных ионов. Она выражается отрицательными логарифмом концентрации ионов водорода, обозначается рН. Чем выше концентрация ионов Н>2>, тем ниже значение рН. Для нормального свежего молока рН составляет 6,47—6,67. Такая кислотность благоприятна для устойчивости коллоидной системы молока и развития бактерий. При повышенной активности кислотности развитие микроорганизма замедляется, а при значительность снижении рН прекращается.
Активная кислотность изменяется медленно, чем титруемая, что объясняется буферными свойствами молока. Молоко содержит несколько буферов (белковый, фосфатный, цитратный). Они обеспечивают постоянство рН. Белковый буфер состоит из белков молока (казеина) и натриевой или калиевых солей, которые могут вступать в реакции как с кислотами, так и со щелочами, таким образом нейтрализуя их. В случае добавления или накопления в молоке кислоты ионы Н>2> кислоты связываются солью казеина.
При этом образуется свободный белок, обладающий свойствами слабой кислоты.
NH>3 >NH>3>
R + HCl R + NCl
COONa COOH
диссоциация СООН — слабая, РН молока изменяется незначительно, а титруемая кислотность повышается. Также ведет себя фосфатный буфер
Na>2>HPO>4>+HCl=NaH>2>PO>4>+NaCl
Если бы в молоке не было буферных систем, вряд ли мы смогли бы вырабатывать кисломолочные продукты и сыры. Дело в том, что молочнокислые закваски могут лишь развиваться при определенном рН. Низкие величины рН действуют на них губительно. Следовательно молочная кислота, образующаяся при сбраживании молочного сахара должна каким-то образом нейтрализоваться. И здесь на помощь приходят буферные системы. Но они действуют до тех пор, пока не утратят буферных свойств своих. Изменение рН молока при добавлении к нему кислоты или щелочи произойдет в том случае, если будет превышена буферная емкость систем молока. Под буферной емкостью молока понимают количество кислоты или щелочи, которое необходимо добавить к 100 мм молока, чтобы изменить величину рН на единицу.
Вследствие буферных свойств молока рН кефира, выработанного термостатным способом в конце сквашивания при титруемой кислотности 75-80о составляет лишь 4,85-4,75, а рН сгустка в процессе производства творога жирного при кислотности 58-60оТ — %.15-5,05. При таком рН возможны развитие молочнокислых стрептококков и накопление ароматических веществ. Аналогично при выработке твердых сыров рН сырной массы после прессования при высокой титруемой кислотности. Имеем величину, равную 5,2-5,6, что объясняется большим содержанием в ней белков, буферная способность которых при протеолизе увеличивается.
4. Требования государственного стандарта на молоко коровье, заготовляемое в хозяйствах
В соответствии с требованиями ГОСТ 13264—88 натуральное молоко белого или слабо-кремового цвета, без осадка и хлопьев. Замораживание молока не допускается. Оно не должно содержать ингибирующих и нейтралкзующих веществ (аятибиотиков, анмиака, содьт, перекиси водорода, формалина и др.), а наличие в молоке тяжелых металлов, мышьяка, афлатоксина М и остаточных количеств пестицидов не должно превышать допустимого уровня, утвержденного Минэдравоохранения России. Плотность молока должна быть не менее 1027 кг/м3. Сырое молоко подразделяют на три сорта — высший, первый и второй в соответствии с требованиями, указанными в табл. 24. Молоко, предназначенное для производства продуктов детского питания, стерилизованнЫих продуктов и выработки сычужнЫих сыров, должно отвечать требованиям высшего или первого сорта, но с содержанием соматических клеток не более 500 тыс./см3. Молоко, направляемое на выработку продуктов детского питания и стерилизованных продуктов, по термоустойчивости должно быть не ниже второй группы, а направляемое на выработку сыров — по сьтчужнобродильной пробе соответствовать требованиям не ниже II класса. Содержание спор мезофильньгх анаэробньтх лактатсбраживающих бактерий в таком молоке должно быть не более 10 в 1 см3, а для сыров с высокой температурой второго нагревания не более 2 в 1 см3. Молоко, предназначенное для производства продуктов детского питания, стерилизованных продуктов и сычужных сыров, принимают с надбавкой к закупочной цене. Молоко, отвечающее требованиям высшего, первого или второго сорта, температура которого выше 10°С, принимают как «неохлажденное> со скидкой с закупочной цены.
Табл.5.Требования, предъявляемые к молоку в зависимости от его сорта
-
Показатели
Сорта
высший
первый
второй
Запах, вкус
Свойственные для молока, без посторонних за- пахов и привкусов______
допускается слабовьграженный кормовой запах и привкус в зимне-весенни период года
Кйслотность,°Т
16—18
16—18
16—20
Степень чистоты по эталону, не ниже группы
1
1
2
Бактериальная обсеменеявость, тыс./см
до 300
500
500— 000
Содержание соматическвх юте- ток (не более), тыс./см
500
1
1000
Внешний вид
Однородная жидкость без осадка и хлопьев. Цвет от белого до слабо-кремового.
Массовая доля жира и белка в молоке соответствует базисным нормам. За каждый 0,1% жира и белка выше установленных норм предусматривается надбавка к закулочной цене, а за каждый 0,1% жира и белка ниже базисной нормы.— соответствующие скидки установленной цены. Молоко плотностью 1026 кг/м3, кислотностью 15°Т и от 19 до 21°Т допускается к приемке на основании контрольной (стойловой) пробы первым или вторым сортом, если оно по органолептическим показателям, чистоте, бактериальной обсемененности и содержанию соматических клеток соответствует требованиям стандарта. Результаты анализа контрольной пробы действительны в течение 1 мес.
Молоко, полученное от коров в хозяйствах, неблагополучных по инфекционньтм болезням, и разрешенное для использования в пищу ветеринарньтм законодательством, должно быть профильтровано, подвергнуто термической обработке в хозяйстве сразу после дойки и охлаждено до температуры не выше 1О°С. Не допускается смешиваяие такого молока с молоком, полученным от здоровых животных. Молоко, термически обработанное, относят к несортовому. По качеству оно должно соответствовать требованиям стандарта. Оргаколептические показатели, температуру, плотность, чистоту, кислотность, массовую долю жира, а также эффективность термической обработки определяют в каждой партии молока, а массовую долю белка, содержание соматических клеток, бактериальную обсеменность и наличие ингибирующих веществ — не реже одного раза в декаду. При обнаружении ингибирующих веществ сырое молоко, принятое у хозяйства в день аяализа, относят к несортовому, а подвергнутое в хозяйстве термической обработке оплачивают со скидкой с цены, если по остальным показателям оно соответствует требованиям ГОСТ. Приемку следующей партии молока из хозяйства задерживают до получения результатов анализа на наличие ингибирующих веществ и бактериальной обсемененности. Молоко с наличием ингибирующих веществ, а также молоко сырое, не соответствующее требованиям 2 сорта, из хозяйств, неблагополучных по инфекционным болезням, не отвечающее требованиям стандарта, с наличием нейтрализирующих веществ, тяжелых металлов, мышьяка, афлатоксина М, и остаточных количеств пестицидов, превышающих допустимый уровень, приемке не подлежит. При приемке молока учитывают его базисную жирность, принятую в крае (области). По базисной жирности предприятия государственной молочной промышленности расплачиваются с поставщиками молока. Количество молока фактической жирности пересчитывают на количество молока базисной жирности (Ммб, кг) по формуле Ммб = (Км Жм) Жмб, где Км — масса молока фактической жирности, кг; Жм — массовая доля жира в молоке, %; Жмб — базисная жирность молока, %. Расчеты при сдаче молока верблюдиц, буйволиц, овец, коз, ячих проводят по базисной жирности, установленной для коровьего молока(Сенченко Б.С.,2001)
5. Сыропригодность молока
Молоко, предназначенное для производства сыра, должно быть сыропригодным. Сыропригодность молока характеризуется взаимосвязанными показателями химического, биохимического состава, физико-химическими, технологическими свойствами, микро- биологическими показателями. В соответствии с рекомендациями ВНИИМСа сыропригодное молоко должно иметь следующие показатели: Показатель Норма Массовая доля белка, %, не менее 3 Титруемая кислотность, Т 16 - 18 Плотность, кг/м3 1027 Степень чистоты, группа, не ниже 1 Бактериальная обсемененность, тыс. клеток в 1 мл, не более 500 Количество мезофильных анаэробных лактатсбраживающих 10 бактерий в 1 мл, не более Количество соматических клеток в 1 мд, не более 500 Сычужно-бродильная проба, класс, не ниже ІІ
Массовая доля жира в молоке должна быть более 3,6%, СОМО более 8,4%, а оптимальное соотношение между жиром и белком 1,25 – 1,1; между жиром и СОМО 0,46 – 0,4;между белком и СОМО 0,42 – 0,36(по данным К.Д. Буткуса). Под действием сычужного фермента сгусток молока должен быть плотным. Молоко, плохо свертывающееся сычужным ферментом, образует дряблый, плохо выделяющий сыворотку сгусток. Для исправления такого молока в него вносят хлористый кальций, увеличивают дозу закваски, устанавливают более высокие температуры свертывания и второго нагревания в пределах допустимых нормативов. Пастеризованное молоко также образует слабый сгусток, который медленно выделяет сыворотку. Чтобы получить плотный сгусток, вносят хлористый кальций или смесь двухзамещенного и однозамещенного фосфорнокислого натрия с хлористым кальцием. для оценки сыропригодности молока наиболее важны показатель наличия ингибирующих веществ, класс по пробе на редуктазу, температура, количество мезофильных анаэробных лактатсбраживающих бактерий, класс по сьтчужно-бродильной пробе, титруемая кислотность, количество психотропньтх бактерий аномального молока, колиформ, количество мезофильных микроорганизмов, класс по пробе на брожение и группа чистоты.
6. Микрофлора молока
Молоко - хорошая питательная среда для развития различных микроорганизмов: молочнокислых бактерий, группы кишечной палочки, маслянокислых, пропионовокислых, микрококков и щелочеобразующих бактерий. Одним из основных факторов, определяющих особенности сыра, являются микрофлора заквасок и остаточная микрофлора молока. В табл. 6 приведены основные группы микроорганизмов, влияющих на молоко и качество сыра. Микрококки медленно развиваются в молоке и слабо сбраживают молочный сахар с образованием молочной кислоты. Молоко свертывается только на 3—5-й день при кислотности 35—. 40 °Т. Максимальная кислотность, которую образуют микрококки, 50—60 ◦Т. В результате медленного развития в молоке микрококки вытесняются другими микроорганизмами и не играют существенной роли при производстве сыра. Однако сильное обсеменение молока может быть причиной появления в молоке и сыре горького вкуса. Микрококки встречаются также в сырной слизи. Щелочеобразующие бактерии составляют основную микрофлору сырной слизи. Они разлагают белки и участвуют в созревании дорогобужского, латвийского, ярцевского и других сыров. В молоке могут быть и болезнетворные микроорганизмы. В этом случае оно является переносчиком заразных заболеваний как для самого животного (ящур, бруцеллез, мастит), так и для человека.
Табл.6.
|
МИКРОФЛОРА |
ВОЗДЕЙСТВИЕ МИКРОФЛОРЫ |
|
|
МОЛОКО |
СЫР |
|
|
Молочнокислые стрептококки и молочнокислые палочки |
Свертывают молоко |
Участвуют в созревании сыра |
|
Молочнокислые ароматобразующие бактерии(стрептококки и палочки) |
Слабо свертывают с образованием ароматических веществ |
Участвуют в созревании сыра, влияют на образование рисунка в мелких сырах |
|
Пропионовокислые бактерии |
Некоторые культуры свертывают молоко |
Обусловливают специфический сладковатый привкус крупных сыров и образование рисунка |
|
Бактерии группы кишечной палочки |
Придают хлебный и мыльный привкусы, медленно свертывают молоко |
Вызывают раннее вспучивание сыров и появление неприятного привкуса и запаха масляной кислоты |
|
Маммококки |
Свертывают молоко |
Приобретает горький вкус, мажущую консистенцию |
|
Гнилостные бактерии |
Придают молоку посторонние привкусы |
Образуют гнилостные колодцы на поврежденной корке сыра, а также цветные пятна на корке сыра |
|
Дрожжи |
Придают молоку дрожжевой привкус и вызывают вспенивание |
Вызывают вспучивание сыра при сильном загрязнении молока. Вызывают появление горького вкуса на поверхности мягких сыров |
7. Технология производства сыра
Сыр - высококалорийный белковый продукт, питательная ценность сыра обусловлена наличием легкоусвояемых белков, жиров, пептидов, незаменимых аминокислот, солей Са, Р. Суточная потребность в сыре составляет 100 грамм. Сыр очень популярный продукт среди населения и считается деликатесом. Франция является лидером в производстве сыров, там его называют пищей богов, блюдом королей и насчитывают более 2000 сортов. (Г.Г. Шилер., 1984.).
Технология производства сыра - чрезвычайно сложный биохимический процесс, происходящий под действием микрофлоры и ферментов. Общая технология. Весь процесс производства сыра делится на 3 стадии:
Подготовка молока к свёртыванию.
Свёртывание молока и получение сырной массы.
Созревание сыра.
Сорта и виды сыров.
Сыры делают, в основном, из трех видов молока: коровьего, козьего и овечьего. Самое большое разнообразие сортов - у сыров из коровьего молока. Каждый сыр всегда состоит как бы из двух частей: то, что снаружи (корочка) и то, что внутри (мякоть). Корочка может быть покрыта плесенью (как у камамбера), отмытая от плесени (как у мюнстера), твердая (как у конте) или даже обсыпанная золой (как у иль д'йe).( Г.Г. Шиллер, 1989г.).
Сыры, выпускаемые в нашей стране, классифицируются на :
Сычужные:
1.1 Твердые, прессуемые с низкой температурой второго нагревания( голландский, костромской, ярославский);
Твердые с чеддеризацией (чеддер);
Твердые, прессуемые с низкой температурой второго нагревания и повышенным уровнем молочнокислого брожения (российский);
Твердые, самопрессующиеся с низкой температурой второго нагревания и созревающие при участии микрофлоры сырной слизи (пикантный) ;
Твердые , самопрессующиеся с высокой температурой второго нагревания ( швейцарский, алтайский);
Мягкие, созревающие под действием молочнокислых бактерий и слизеобразующих бактерий и плесеней(любительский, закусочный);
Мягкие, созревающие под действием молочнокислых и слизеобразующих бактерий и плесеней( любительский, закусочный);
Мягкие, созревающие под действием молочнокислых бактерий и плесеней( рокфор, русский камамбер);
Рассольные( брынза, тушинский);
2. Кисломолочные:
2.1 Выдержанные( зеленый);
2.2 Свежие( чайный, кофейный, клинковый);
3. Плавленые. (Алтухов Н.М,, Семенов С.Н., Протченко Е.В, Кустов М.А., 2004 г.).
КЛАССИФИКАЦИЯ: основные представители сыров по видам
|
|
свежие сыры... |
знаменитые представители: Рикотта, Моцарелла, Фета, Маскарпоне |
|
|
неварёные прессованные сыры... |
знаменитые представители: Эдамер, Гауда, Чеддер, Канталь, Пекорино, Реблошон, Мимолет |
|
|
варёные прессованные сыры... |
знаменитые представители: Эмменталь, Пармезан, Грюйер, Конте, Бофор |
|
|
мягкие сыры: с плесневой корочкой... |
знаменитые представители: Камамбер, Бри |
|
|
мягкие сыры: с обмытыми краями... |
знаменитые представители: Эпуасс, Маруаль, Ливаро, Мюнстер, Лимбургский |
|
|
голубые сыры с плесенью... |
знаменитые представители: Рокфор, Горгонзола, Данаблу, Фурм д'Амбер, Блё д'Овернь, Блё де Кос, Блё де Брес |
|
|
сыры из козьего и овечьего молока... |
знаменитые представители: Сент-Мор, Кроттен де Шавиньоль, Шевр, Шабишу дю Пуато |
|
|
плавленные сыры... |
знаменитые представители: Шабцигер, бутербродные плавленные сыры, сыры для аперитива, с добавками (орехи, специи, паприка) |
Процесс производства сыра:
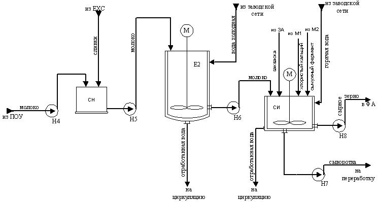
Пастеризованное молоко из ПОУ подается в количестве 300 кг/ч в сепаратор нормализатор СН насосом Н4, где путем разведения сливками нормализуется до положенной жирности. Уровень в сепараторе нормализаторе СН - 0,6 м. Нормализованное молоко насосом Н5 подается в емкость Е2 на временное хранение. В рубашку емкости Е2 подается вода с температурой 4 - 6о С для охлаждения. Кислотность в Е2 не должна превышать 21 - 22 °C. В сыро изготовитель СИ молоко подается в количестве 300 кг/ч насосом Н6. В СИ молоко подогревается до температуры 31 - 34о С горячей воды из заводской сети. Уровень в СИ - 0,6 м. В молоко в СИ добавляется бактериальная закваска, хлористый кальций и сычужный фермент. Смесь перемешивается мешалкой. В результате перемешивания получают сырное зерно, которое насосом Н8 откачивается на дальнейшее формирование в формовочный аппарат ФА. Сычужное свертывание осуществляется при температуре 34о С и рН 5,8 - 6,3. (Савельев А.А., Сорокин М.Ю., Шнейдер Л.К., Крышин А.Т., 2002.).

Подготовка молока к свёртыванию:
Приёмка и оценка качества молока. В сыроделии к качеству сырья предъявляются особые требования. Молоко должно быть сыропригодным: быстро свёртываться, хорошо отделять сыворотку, быть хорошей средой для развития микроорганизмов, желательно повышенное содержание сухих веществ, что повышает выход продукта и понижает расход сырья.
Охлаждение молока до 4°С. Осуществляется для предотвращения развития микрофлоры и порчи молока.
Резервирование молока не более 8 часов. Необходимо для непрерывной работы предприятия.
Подогрев до 40-45С. Осуществляется для уменьшения вязкости молока, а также для перевода тугоплавкой фракции жира в жидкое состояние, что в последствии улучшает процесс очистки и отделения сливок.
Очистка молока.
Сепарирование молока. В процессе сепарирования производится нормализация молока по жиру и отделение сливок.
Нормализация по белку, при необходимости.
Пастеризация при 74 +/-2 °С. Преследует несколько целей:
уничтожение вегетативных форм микроорганизмов.
инактивация ферментов, находящихся в нативном состоянии.
подготовка молока к свёртыванию.
Охлаждение до температуры свёртывания 29 - 32°С.
Оставление смеси.
В подготовленный продукт вносятся:
специально подобранные закваски.
хлорид кальция.
сычужный фермент.
созревшее молоко, при необходимости.
Особое внимание надо уделить закваске, так как от неё в производстве сыра зависит весь процесс созревания. Хлорид кальция необходим для увеличения в молоке ионов кальция, которые в свою очередь связывают белки, что способствует лучшему образованию сгустка. Иногда в производстве используют молоко повышенной зрелости в количестве 15 - 20% от общего количества. Такое молоко также повышает количество ионов кальция, а следовательно и качество сгустка. Созревание молока проводится следующим образом:
Охлаждение пастеризованного молока до 8 - 10С.
Внесение бактериальной закваски 0.1 - 0.3 %.
Созревание 8 - 10 часов до кислотности 20 - 21Т.
Подогрев до 30 С и внесение в общую смесь.
Свёртывание молока и получение сырной массы
Свёртывание молока 30 - 60 мин.
Разрезка сгустка 3 - 10 мм. Нужна для начала отделения сыворотки
Постановка зерна.
Вымешивание сгустка 10 -20мин. Необходимо для убыстрения обезвоживания массы.
Удаление 30% сыворотки
Второе нагревание 38 - 56С. Применяется для интенсификации выделения сыворотки.
Частичная посолка в зерне (внесение воды).
Вымешивание и удаление ещё 30% сыворотки.
Формование. Необходимо для соединения сырного зерна в единый пласт. Существуют 4 способа формования сыра:
из пласта,
из сгустка,
наливом,
насыпью.
Самопрессование зерна. Осуществляется с целью обезвоживания сырного зерна и удаление свободной влаги
Прессование 2 - 6 -12 часов. Цель: - получение замкнутой головки сыра - создание уплотнённой поверхности головки - уменьшение влажности сырной массы - регулирование микробиологического процесса.
Охлаждение сыра.
Посолка. Во время посолки формируются определённые вкусовые достоинства, регулируются микробиологические и биохимические процессы, а также происходит станоновление консистенции продукта. Существуют 4 способа посолки сыра:
солянной гущей,
в рассоле 10 - 12°С,
в зерне,
в сырной массе.
Обсушка и упаковка сыра в полиэтилен или парафин.
Созревание сыра:
В процессе созревания сыра под действием микроорганизмов происходят глубокие преобразования с составными частями сыра. Накапливаются вкусовые и ароматические вещества. В первые 7 дней полностью сбраживается лактоза, далее происходит распад белков до полипептидов и аминокислот. Для большинства сыров температура созревания колеблется от 16 до 28С. Продолжительность процесса от 2 недель до 6 месяцев. В течении всего времени созревания необходим тщательный уход за головками. (Г.Г. Шиллер, 1989г.).
8. Пороки сыров
Пороки сыра могут появиться как вследствие недоброкачественных свойств исходного сырья, так и в результате нарушения условий технологии или в процессе хранения уже готовой продукции. Пороки внешнего вида: подопревшая корка, трещины на корке, повреждение акаром (сьрным клещом), мышеедины — в основном являются результатом небрежного ухода за сырами при их созревании, хранении и перевозке. Пороки вкуса и запаха: нечистый, кормовой, кислый, горьковатый, хлевный — появляются вследствие низкого качества исходного сырья — молока; салистый, прогорклый, затхлый, тухлый — в основном получаются в результате перезревания сыра и небрежного ухода при его хранении; слабо выраженный — наблюдается главным образом у молодых, недозрелых сыров. Пороки консистенции: грубая, твердая, ремнистая, колющаяся, рыхлая, крошливая — зависят от условий производства, от условий хранения, а также иногда и от кормовых условий (значительные дачи коровам жмыхов, барды и пр.). Пороки цвета теста: неравномерный-зависит от неравномерного распределения соли в сыре;
Пороки рисунка: сетчатый (броженый сыр), рваньтй, ноэдреватый, губчатый — в основном являются результатом неправильного брожения сыра или вследствие нарушения температурных условий в сырном подвале, или чаще от низкого качества исходного молока; слепой (отсутствие рисунка) — чаще всего наблюдается в сырах из пастеризовп ного молока и вследствие слишком низкой температуры при созревании. Нередко бичом для производства бывает вспучивание головок сыра, что ведет к появлению многих пороков вкуса, консйстевции и рисунка. Вьюзывается это исключительно низким качеством молока. Иногда сильно вредят сырам в подвале мухи, мыши и сырный клещ (акар). Мухи кладут яички, и образующиеся из них личинки могут портить не только корку, но, проникая через корку, и внутреннюю часть сыра. Как мера борьбы нужно не допускать в подвал проникновения мух. Кроме того, не реже одного раза в неделю следует мыть головки и споласкивать их в известковом растворе. Мышей необходимо уничтожать при помощи мышеловок и другими способами. При постройке подвала надо особенно тщательно следить за устройством полов, стен и потолка, не допуская дыр и щелей. Акар, или сырный клещ, поражает корку сыра, образуя вначале серый налет, а затем придавая всей поверхности головки рябой, изъязвленный вид. Чтобы избежать появления акара, необходимо обеспечить тщательный уход за сыром: своевременно производить мойку, дезинфицировать головки сыра и сырные полки известковой водой, периодически белить стены, потолок подвала и поддерживать в нем соответствующую чистоту. Такие же меры ухода нужно применять и в случаях появления на сырах мокнущей, осповидной плесени. Однако иногда эти меры бывают недостаточны. Тогда сыры следует выдержать 5 минут в воде при температуре 63—65°С, вытереть головки и обмазать их растительным маслом. Следовательно основными мерами предупреждения пороков и повышения качества сыра будут: во-первых, улучшение качества исходного сырья — молока; во-вторых, соблюдение основных условий выработки и Созревания сыра; в-третьих, санитарно-гигиеническое состояние оборудования, инвентаря, помещений завода и подвала. (Карсницкая М.С,, 1951 г.).
9. Органолептические и лабораторные методы определения качества сыра
1 Органолеiютическая оценка сыров проводится по 100-бальююой системе. При этом каждому из показателей отводится определенное число баллов (таблица 1). По данной системе к высшему сорту относятся сыры е общей суммой баллов; 87-100, к первому 75-86 баллов, сыры получившие менее 75 баллов к реализации допускаться не могут. При этом, в зависимости от влда сыра, они должны быть изготовлены из цельного молока, полученного от здоровых вотных, в хозяйствах благополучных но заразным болезням. Вкус и запах типичный для каждого вида, без посторонних прикусов и запахов. Кроме того, обязательным условием ветеринарно-санитарной экспертизы сыров является определение в готовом продукте массовых долей жира. влаги и поваренной соли. Таблица 6 .Балльная оценка качества сыра
-
Показатель
Максимальное количество баллов
Вкус и запах
45
Консистенция
25
Рисунок
10
Цвет теста
5
Внешний вид
10
Упаковка и маркировка
5
2 Определение содержания жира. В чистый молочный жиромер помещают 2 г исследуемого сыра и вливают 19 мл серной кислоты (плотность 1,50 — 1,55) так, чтобы уровень жидкости был ниже основания горлышка жиромера на 4-6 мм. В жиромер добавляют 1 мя изоамилового спирта. Закрывают жиромер сухой резиновой пробкой и помещают его в водяную баню, нагретую до температуры 70 - 75º С, где выдерживают до полного растворения белковых веществ, периодически встряхивая. После полного растворения белка жиромеры помещают пробкой вниз в водяную баню с температурой +65º С на 5 мин, затем — в центрифугу (пробкой к периферии барабана) и центрифугируют 5 мин при 1000 об/мин. После центрифугирования жиромеры вновь помешают в водяную баню с температурой +65 ос на 5 мил. При этом весь жир концентрируется в верхней части жиромера и приобретает температуру 65 °С(при этой температуре калибрована шкала жиромера). Для определения количества жира необходимо, чтобы столбик жира находился в пределах шкалы жиромера. Если же нижняя или верхняя части жира находятся вне шкалы, то ввести столбик в нужное положение следует путем «ввертывания» или очень осторожного «вывертывания» пробки жиромера. Высота жирового столбика учитывается от нижней его границы до нижнего мениска верхней части. Каждое малое деление шкалы жиромера соответствует 1% жира. Массовая доля жира, в среднем находится на уровне 40—50%. 3 Определение содержания влаги. Фарфоровую чашку со стеклянной палочкой и 20 —25 г песка хорошо промытого и прокалённого, помешают на 1 час в сушильный шкаф с температурой 102 105 °С. Не охлаждая, чашку с песком взвешивают с точностью до 0.01 г и затем, отвешивают в всё 5 г продукта. Всё тщательно перемешивают и размещают в сушильном шкафу с температурой 160 - 165 ºС. Через 20 мин чашку вынимают и немедленно взвешивают. содержание влаги (а) в процентах, вычисляют по формуле :
а=(b-c)100 d где а — % влаги, b— масса тигля до нагревания: с — масса тигля с сыром после испарения влаги; d—навеска сыра (г). Процент влаги в различных сырах колеблется от 35 % до 55 % . 4 Определение содержания поваренной соли. 2-3 г сыра помешают в фарфоровый тигель и высушивают в сушильном шкафу, при температуре 120 - 140 °С. до получения осадка тёмно-серого цвета. Полученную массу осторожно измельчают и растворяют в воде температурой 80 Т. Жидкую часть фильтруют через бумажный фильтр. К фильтрату добавляют 1 — 2 капли азотной кислоты (для подкисления) и 0,5 мл 10 % раствора хромовокислого калия. Далее проводят титрование 10 мл фильтрата, раствором азотнокислого серебра(2,906 г азотнокислого серебра растворенного в 100 мл дистиллированной воды) до получения слабого кирпично – красного окрашивания. Количество мл раствора азотнокислого серебра, израсходованного на титрование 10 мл фильтрата, соответствует проценту соли. Как правило, количество соли в сырах составляет 1,3 – 1,8%. (Алтухов Н.М., Семенов С.Н., Протченко Е.В., Кустов М.А., 2004 г).
Заключение
Молоко представляет собой сложную биологическую жидкость, которая образуется в молочной железе самок млекопитающих и обладает высокой пищевой ценностью, иммунологическими и бактерицидными свойствами. Оно является незаменимой полноценной пищей для новорожденных и высокоценным продуктом питания человека всех возрастов. Высокая пищевая ценность молока состоит в том, что оно содержит все вещества (белки, жиры, углеводы, минеральные вещества, витамины, ферменты, гормоны и др.), необходимые для человеческого организма, в оптимально сбалансированных соотношениях и легкоусвояемой форме. Молоко занимает особое место в питании детей, беременных и кормящих грудью женщин, а также пожилых и больных людей. (Шевченко В.В. и др., 2003). Белки молока в организме человека играют роль пластического материала для построения новых клеток и тканей, образования биологически активных веществ — ферментов и гормонов. Высокая биологическая ценность белков молока обусловлена их составом, сбалансированностью аминокислот, хорошей переваримостью и усвояемостью организмом (96—98%), Незаменимые аминокислоты — метионин, триптофан, лейцин, изолейцин, валин и фенилаланин._-содержатся в белке молока в значительно больших количествах, чем в белках мяса, рыбы и растительных продуктов. Биологическая ценность молочного жира обусловлена содержанием в нем ненасыщенных и насыщенных Жирных кислот, наличием фосфолипидов. Биологически важно наличие в молочном жире полиненасыщенны кислот — линолевой, линоленовой, арахидоновой, играющих большую роль в процессах обмена веществ. Эти кислоты участвуют во внутриклеточном обмене, входят в состав нервных клеток, регулируют уровень холестерина в крови, Повышают эластичность сосудов, способствуют синтезу простогландинов, Липиды молока — носители жирорастворимых Витаминов А, D, Е, К, которых мало в других жирах. Хорошей усвояемости МОЛОЧНОГО жира (98%) способствует и низкая температура его плавления (28—36 °С). Велика роль в питании человека и молочных продуктов — кисломолочных, масла, сыров и др. Кисломолочные продукты (кефир, творог, катык, сметана, кумыс, ацидофильное молоко и др.) наряду с высокой пищевой ценностью обладают диетическими и лечебными свойствами (улучшают пищеварение, оказывают терапевтическое действие при желудочно-кишечных заболеваниях, хроническом бронхите, туберкулезе, малокровии, заболеваниях печени, почек, сердечно-сосудистой системы). Масло и сыр обладают высокой пищевой ценностью, обусловленной их химическим составом и хорошей усвояемостью организмом. (Макаров В.А.,1991). Молоко должно отвечать высоким требованиям не только по содержанию питательных веществ, необходимых для обеспечения жизнедеятельности организма, но и соответствовать санитарно-гигиеническим нормам и показателям. Вместе с тем благодаря высокому содержанию питательных, прежде всего белковых, компонентов молоко является практически универсальной средой для основной массы представителей аэробной и факультативноанаэробной микрофлоры, включая патогенные и технологически вредные виды и группы бактерий.Бактериальная обсемененность — это количество микроорганизмов в 1 см3 молока. В молоке могут содержаться бактерии, дрожжи и плесневые грибки. Они попадают в молоко при доении из внешней среды. Повышенная бактериальная обсемененность результат несоблюдения правил гигиены при производстве молока и его хранении. Высокая бактериальная загрязненность приводит к ухудшению вкуса, снижению питательной ценности сырого молока и изготавливаемых из него продуктов, а также способствует значительному сокращению их срока хранения. Многочисленные исследования показывают, что плохо промытая и недостаточно продезинфицированная поверхность доильно-молочного оборудования является основным источником бактериального загрязнения молока. Остатки молока и жира, даже разбавленные водой, которую использовали для мойки, служат прекрасной средой для размножения микробов.(Саломатин С.А.,//Практик. - 2007.-№1.с.22-23.).
В связи с этим в условиях рыночной экономики, многоукладного ведения сельского хозяйства и развития фермерства особое значение приобретают вопросы повышения санитарных показателей молока. Поэтому как в хозяйствах государственного или общественного сектора, так и на молочных фермах, принадлежащих гражданам на правах личной собственности, учитывая возможность массированного микробного обсеменения молока, все технологические процессы его получения и переработки должны осуществляться на высоком санитарном уровне. Максимальное соблюдение ветеринарно-санитарных и гигиенических правил будет обеспечивать не только повышение качества молока, но и ограничивать его контаминацию патогенными микроорганизмами, опасными для человека. (Белоусов В.И. и др.//Ветеринария.-2002.-№5.-с.3-6.)
Список литературы
1.Алтухов Н.М., Семенов С.Н., Протченко Е.В., Кустов М.А. Ветеринарно-санитарная экспертиза кисломолочных продуктов, масла и сыров. Методические указания для студентов факультета ветеринарной медицины. - Воронеж, ВГАУ, 2004 г.
2. Л.А. Бакулина и др. Справочник товароведа продовольственных товаров.: В 2-х томах. Т-2 – М.: Экономика, 1981.
3. Бередихин С.А., Юрин В.Н. Техника и технология производства сливочного масла и сыра. – М.: КолосС, 2007. – 319с.
4. Белоусов В.И., Демидова Л.Д., Миляновский А.Г., Ивановцев В.В. / Санитария производства молока / Белоусов В.И. // Ветеринария. - 2002. - №5. с. 3-6.
5. Горегляд Х.С., В.А. Макаров, И.Е. Чеботарев и др., Под ред. Х.С. Горегляда. Ветеринарно-санитарная экспертиза с основами технологии переработки продуктов животноводства. - 2-е изд., перераб. И доп..-М.: Колос, 1981.
6. Журнал «Молочная промышленность» №4, 2005.
7.Журнал «Молочная промышленность» №3, 2005.
8. Карсницкая М.С. Производство сыра и брынзы в колхозах. - М.: Сельхозгиз, 1951. - 75с.
9. А. Макаров, В.П. Фролов, Н.Ф. Шуклин; Под ред. В.А. Макарова. Ветеринарно-санитарная экспертиза с основами технологии и стардантизации продуктов животноводства.-М.: Агропромиздат, 1991.
10. Савельев А.А., Сорокин М.Ю., Шнейдер Л.К., Крышин А.Т. Некоторые аспекты повышения качества и выхода сыра // Сыроделие и маслоделие. 2002. №1.
11. Саломатин С.А. Основные факторы, определяющие качество молока / С.А. Саломатин // Практик. - 2007. - №1. - с. 22-23.
12. Сенченко Б.С. Ветеринарно-санитарная экспертиза продуктов животного и растительного происхождения.Серия «Технологии пищевых производств»-Ростов-на-Дону:Издательский центр «Март», 2001.
13. Смирнов А.В. Ветеринарно-санитарная экспертиза молока и молочных продуктов./ А.В. Смирнов // Практик.- 2006.-№4.-с.28-31.
14. Г.Г. Шилер. Технология сыра. Справочник. – М.: Легкая и пищевая промышленность, 1984.
15. Шиллер Г.Г.Производство сыра: технология и качество / Пер. с фр. Б.Ф. Богомолова; Под ред. и с предисл. Г.Г. Шиллера. - М.: Агропромиздат, 1989. – 496 с.
16. Шевченко В.В. и др. Товароведение и экспертиза потребительских товаров: Учебник. – М.: ИНФРА-М, 2003.







