Взаємозамінність, стандартизація та технічні вимірювання
ЗМІСТ
Лекція 1. Вступна лекція
Лекція 2. Поняття про розміри, їх відхилення та допуски
Лекція 3. Загальні характеристики з’єднань робочих поверхонь деталей
Лекція 4. Система отвору і система вала
Лекція 5. Взаємозамінність гладких циліндричних з’єднань
Лекція 6. Розрахунок і добір основних відхилень та допусків розмірів рухомих з’єднань
Лекція 7. Розрахунок і добір основних відхилень та допусків розмірів нерухомих з’єднань
Лекція 8. Добір основних відхилень та допуски розмірів для змішаних з’єднань
Лекція 9. Підшипники кочення
Лекція 10. Відхилення та допуски форми поверхонь виробів та їх взаємного розміщення
Лекція 11. Параметри шорсткості поверхонь. Нормування шорсткості поверхонь
Лекція 12. Спеціальні засоби контролю та вимірювання розмірів і якості поверхонь виробів
Лекція 13. Взаємозамінність нарізних з’єднань. Нарізні калібри
Лекція 14. Контроль якості продукції у машинобудуванні
Лекція №1
Тема: Вступна лекція
1.1 Вступ
“Взаємозамінність, стандартизація та технічні вимірювання” (ВС та ТВ) є дисципліною, в якій вивчають здатність будь-якого виробу рівноцінно замінювати інший виріб, так як вони повинні відповідати вимогам креслень, технічним вимогам чи стандартам, в яких наведені марка та стан матеріалу виробу (заготовки, деталі) форма та розміри, якість поверхонь тощо. Важливе місце в ВС та ТВ займає розгляд взаємозамінності гладких циліндричних рухомих, нерухомих і змішаних з’єднань, різьбових з’єднань, відхилень допусків форми поверхонь виробів та їх взаємного розміщення.
“Взаємозамінність, стандартизація та технічні вимірювання” – дає студентам знання про сучасні прогресивні технології, та знайомить їх з перспективами розвитку й вдосконалення технологічних методів обробки матеріалів та спеціальних засобів контролю, вимірювання розмірів і якості поверхонь виробів, що гарантуватиме високу якість продукції.
1.2 Визначення взаємозамінності
Взаємозамінністю виробів (машин, приладів, механізмів, деталей) чи інших видів продукції (сировини, матеріалів), напівфабрикатів називають їхню властивість рівноцінно заміняти при використанні кожної з безлічі екземплярів виробів, їхніх чи частин іншої продукції іншим однотипним екземпляром.
Найбільше широко використовують повну взаємозамінність, що забезпечує можливість зборки (чи заміни при ремонті) будь-яких незалежно виготовлених із заданою точністю однотипних деталей у складальні одиниці, а останніх - у вироби при дотриманні пропонованих до них технічних вимог по всіх параметрах якості.
Взаємозамінними можуть бути деталі, складальні одиниці і вироби в цілому. У першу чергу такими повинні бути деталі і складальні одиниці, від яких залежить надійність і інші експлуатаційні показники виробів (ця вимога, природно, поширюється і на запасні частини).
Повна взаємозамінність можлива тільки коли розміри, форма, механічні, електричні й інші якісні і кількісні характеристики деталей і складальних одиниць після виготовлення знаходяться в заданих межах і зібрані вироби задовольняють технічним вимогам.
При повній взаємозамінності спрощується процес складання, а також ремонт виробів, тому що будь-яка зношена чи поламана деталь чи складальна одиниця може бути замінена новою (запасною).
Повну взаємозамінність економічно доцільно застосовувати для деталей, виготовлених з допусками квалітетів не вище 6.
Іноді для задоволення експлуатаційних вимог необхідно виготовляти деталі і складальні одиниці з економічно не прийнятими чи технологічно важко виконуючими допусками.
У цьому випадку для одержання необхідної точності складання застосовують груповий підбор деталей (селективне складання), регулювання положення деяких частин виробів, прогин і інші технологічні заходи. Таку взаємозамінність називають неповною (обмеженою).
Розрізняють взаємозамінність зовнішню і внутрішню. Зовнішня взаємозамінність - це взаємозамінність покупних виробів за експлуатаційними показниками, а також за розмірами і формою приєднувальних поверхонь.
Наприклад, в електродвигунах зовнішню взаємозамінність забезпечують за частотою обертання вала і потужністю, а також за розмірами приєднувальних поверхонь, у підшипниках кочення - за зовнішнім діаметром, діаметром зовнішнього кільця і внутрішнім, діаметром внутрішнього кільця і їхньою шириною.
Внутрішня взаємозамінність поширюється на деталь, складальні одиниці і механізми, що входять у вироби. Наприклад, кулькові підшипники мають повну зовнішню взаємозамінність, оскільки за своїм призначенням і монтажними розмірами взаємозамінні, але разом з тим окремі їхні частини (внутрішні і зовнішні кільця, кульки) не взаємозамінні між собою, оскільки подаються на складання і конвеєр тільки селективно підібраними комплектами, тобто не мають внутрішньої взаємозамінності (окремі частини кулькового чи роликового підшипників не взаємозамінні).
Рівень взаємозамінності виробництва характеризується коефіцієнтом взаємозамінності (К>з>).

Ступінь наближення К>з> до 1 - є об'єктивним показником механічного рівня виробництва.
Взаємозамінність в металообробній промисловості вперше у світі була здійснена в 1761 році на Тульському, а потім на Іжевському заводах при масовому виготовленні рушниць.
1.3 Види та категорії стандартів
Стандарт – документ, що містить правила для загального й багаторазового застосування, загальні принципи або характеристики, які стосуються діяльності чи її результатів, з метою досягнення оптимального ступеня впорядкованості у певній галузі, розроблений у встановленому порядку на основі консенсусу.
Міжнародний та регіональний стандарти – стандарти, затверджені відповідним та регіональним органами стандартизації.
Національні стандарти – державні стандарти України, запроваджені центральним органом виконавчої влади у сфері стандартизації та доступні для широкого кола користувачів.
Системою допусків та посадок називаються закономірно побудована сукупність допусків і посадок.
Історичні довідки:
1919-1929 – використовували стандарт (усього 4 класи точності);
1935р. – ІSО (міжнародний стандарт);
1977р. – ЕСДП СЕВ – єдина система допусків та посадок країн економічної взаємодопомоги (загальний діапазон номінальних розмірів, охоплених системою – 40000 мм).
Державна система стандартизації (ДСС) в Україні регламентована в основних стандартах:
ДСТУ 1.0-93 ДСС. Основні положення;
ДСТУ 1.2-93 ДСС. Порядок розроблення державних (національних) стандартів;
ДСТУ 1.3-93 ДСС. Порядок розроблення, побудови, викладу, оформлення, узгодження, затвердження, позначення та реєстрації ТB тощо.
Питання для самоперевірки:
Що таке стандарт і стандартизація?
Об’єкти стандартизації.
Які види та категорії стандартів Ви знаєте?
У чому полягає державна стандартизація України?
Перелічіть методи стандартизації.
Перелічіть органи та організації державної стандартизації.
Які Ви знаєте міжнародні організації з стандартизації?
Що таке взаємозамінність і як її забезпечують?
Види взаємозамінності.
Де використовують повну і неповну взаємозамінність?
Наведіть приклади використання повної та неповної взаємозамінності у машинобудуванні.
Лекція №2
Тема: Поняття про розміри, їх відхилення та допуски
2.1 Визначення розмірів, їх відхилень
РОЗМІР - числове значення лінійної величини в обраних одиницях виміру.
ДІЙСНИЙ РОЗМІР - це розмір, установлений виміром із припустимою похибкою.
ГРАНИЧНІ РОЗМІРИ - два гранично припустимих розміри, між якими повинен перебувати або яким може дорівнювати дійсний розмір (найбільші і найменші граничні розміри). Вони визначені вимогами забезпечення взаємозамінності виробів.
НОМІНАЛЬНИЙ РОЗМІР, щодо якого визначаються граничні розміри і який служить початком відліку відхилень (D - отвору, d - вала) і який прийнятий під час проектування.
РОЗРАХУНКОВИЙ РОЗМІР – це розмір, який отримують, наприклад, з умови міцності, тобто:

де


ГРАНИЧНЕ ВІДХИЛЕННЯ - алгебраїчна різниця між граничним і номінальним розмірами (їх два - верхнє і нижнє).
Виміряти розмір - значить порівняти його з величиною, прийнятою за одиницю. Для лінійних розмірів одиницею виміру є МЕТР.
У новій системі одиниць СИ 1 метр виражений у довжинах світлових хвиль атома криптону, тобто пов'язаний із природною величиною. Тепер 1 м = 1 650 763,73 довжин хвиль у вакуумі випромінювання, що відповідає жовтогарячій лінії спектра криптону - 86. У новому еталоні довжина 1 м відтворюється зараз із похибкою 0,002 мкм (а був +, - 0.1 мкм), що менше похибки старого штучного еталона метра в 50 разів. У системі допусків і посадок широко застосовуються частки метра: 1 мм, 1 мкм, (1 мм = 1000 мкм). Далі всі лінійні розміри й граничні відхилення лінійних розмірів на кресленнях, схемах, у розрахунках і завданнях будемо давати в мм, без позначення одиниці виміру.
НУЛЬОВА ЛІНІЯ - лінія, що відповідає номінальному розміру.
2.2 Поняття про допуски
ДОПУСК - різниця між найбільшим і найменшим граничним розмірами або алгебраїчна різниця між верхнім і нижнім відхиленнями.
ПОЛЕ ДОПУСКУ - поле, обмежене верхнім і нижнім відхиленнями, воно є наслідком похибок, отриманих при виготовленні і у результаті контролю деталі. У з'єднанні двох деталей, що входять одна в іншу, розрізняють отвір I і вал II.

"Отвір" і "вал" - терміни, що застосовуються для позначення відповідно внутрішніх і зовнішніх елементів деталей не тільки циліндричних, але й плоских з паралельними площинами.
ВАЛ - d - термін, який умовно застосовується для позначення зовнішніх елементів деталей.
ОТВІР - D - термін, який умовно застосовується для позначення внутрішніх елементів деталей.
ПРИКЛАД: Вал
Ø 16


або

КВАЛІТЕТ - сукупність допусків, що відповідають однаковому ступеню точності для всіх номінальних розмірів (характеризує точність).
ОСНОВНИЙ ВАЛ - вал, верхнє відхилення якого дорівнює нулю.

ОСНОВНИЙ ОТВІР - отвір, нижнє відхилення якого дорівнює нулю.

2.3 Поля допусків отворів і валів в ЕСДП і їхнє позначення на кресленні
Для розмірів від 1 до 3150 мм ДСТ 25347-89 рекомендує велику кількість різних полів допусків, які діляться на:
1) додаткові поля допусків (36 для валів)
2) додаткові поля допусків (32 для отворів)
Щоб зменшити кількість типорозмірів виготовлених деталей і спростити виробництво, у полях допусків 1-го і 2-го рядків виділені для кращого застосування 16 полів допусків для валів і 10 для отворів: d6, h6, js6, n6, p6, r6, s6, f7, h7, h8, h9, d11, H21, H7, IS7, K7, N7, P7, F8, H8, F9, H21.
Кращі поля допусків погоджені з рекомендаціями ІSО, на ці поля в основному орієнтуються організації по виробництву спеціалізованого інструмента й калібрів.

З огляду на похибки обробки, конструктор указує в кресленнях не один, а два гранично припустимих розміри, більший з яких називається найбільшим граничним розміром і позначається d>max>, D>max>, а менший - найменшим граничним розміром d>min>, D>min>. Отож різниця між: d>max> - d>min> = D>max> - D>min> = TD, називається допуском Т.
Допуск на обробку в кресленнях показується у вигляді двох відхилень від номінального розміру. Відхилення позначаються буквами латинського алфавіту: прописними - для отвору, рядковими - для вала.
Верхнім відхиленням ЕS (es) - ekart - відхилення
Super - S
Inter - i
називається різниця між найбільшим граничним розміром і номінальним:
ЕS = D>max> - D
es = d>max> – d
Нижнім відхиленням EI (es) називається різниця між найменшим граничним розміром і номінальним:
ЕI = D>min> - D
ei = d>min> – d
Коли граничний розмір > номінального, на кресленні проставляється "+", навпаки - проставляється "- ", а коли =, то відхилення дорівнює нулю і на кресленні знак не позначається.
ПРИКЛАД побудови полів допусків:

а) ескіз отвору б) схема отвору в) поле допуску отвору
Найбільший граничний розмір дорівнює алгебраїчній сумі номінального розміру й верхнього відхилення:
D>max> = D + ES; d>max> = d + es;
D>max> = 55 + 0,005 = 55,005; d>max> = 55 + (-0,03) = 54,970
Найменший граничний розмір дорівнює алгебраїчнїй cумі номінального розміру й нижнього відхилення:
D>min> = D + EI d>min> = d + ei
D>min> = 55 + 0,020 = 55,020 d>min> = 55 + (- 0.06) = 54.940
Величину допуску Т можна визначити як алгебраїчну величину алгебраїчної різниці між верхнім і нижнім відхиленнями:
TD = ES – EI Td = es – ei
TD = 0,05 – 0,02 = 0,03 Td = - 0,03 – (-0,06) = 0,03
Робітник повинен знати, який найбільший і який найменший розміри можуть бути допущені при обробці, щоб виріб не був забракований. Іншими словами, йому потрібно вказати 2 граничних розміри, між якими повинен перебувати дійсний розмір.
Допуск вказує на ту неточність виготовлення, у межах якої будуть перебувати всі придатні дійсні розміри.
ПРИКЛАД: Припустимо, потрібно виготовити вал. Тому що виконати цей розмір точно не можливо, на кресленні вказується, що d>max> = 30,020 мм, d>min> = 29,990 мм, всі дійсні pозміри, що не виходять за межі, будуть придатні, тобто з точністю до 0,010 мм:
30,030 Брак
30,020
30,010 d>max>=30,020
30,000 d>min>=29,990
29,990 Тd = 0,030
29,980 Брак
Отже, умова придатності деталі зведеться до того, що:


ДЕРЖСТАНДАРТ 2.307-68 ЄСКД передбачає 3 способи нанесення граничних відхилень лінійних розмірів у робочих кресленнях:
1) умовними позначками полів допусків і посадок 18Н6, 60f6, 16r7 і т.д.
2) числовими величинами граничних відхилень:
3) умовними позначками
полів
і праворуч у дужках числовими величинами
граничних відхилень:
.
Останній спосіб кращий, тому що, якщо отвір у системі вала, і отвір і вал мають номінальний розмір, що не відповідає ДЕРЖСТАНДАРТУ 6636-69, то вони повинні мати позначення допусків тільки з допуском
60 r6
;
60F 7
Можливі такі варіанти:

ДСТ 25347-89 містить також раціональні з’єднання полів допусків і квалітетів для отвору і вала.
Питання для самоперевірки:
Як класифікують розміри?
Як класифікують відхилення розмірів?
Що таке номінальний розмір?
Що таке граничний розмір?
Що таке дійсний розмір?
Що таке розрахунковий розмір?
Які Ви знаєте умовні позначення відхилень?
Які Ви знаєте умовні позначення полів допусків розмірів?
Лекція №3
Тема: Загальні характеристики з’єднань робочих поверхонь деталей
3.1 Посадки із зазором
ПОСАДКА - характер з'єднання деталі, обумовлений величиною зазорів, що виходять у них, або натягів.
ДОПУСК ПОСАДКИ - сума допусків отвору й вала.
ЗАЗОР - різниця розмірів отвору й вала, якщо розмір отвору більше розміру вала: S = D - d
НАТЯГ - різниця розмірів вала й отвору до зборки, якщо розмір вала більше розміру отвору:
N = d - D.
ПОСАДКА ІЗ ЗАЗОРОМ
(рухлива) - посадка, при якій забезпечується
зазор у з'єднанні (поле допуску отвору
розташовано над полем допуску вала),
тобто,
D>min>
d>max>.
До посадок із зазором ставляться також посадки, у яких нижня границя поля допуску отвору збігається з верхньою границею поля допуску вала, тобто S>min> = 0. У зв'язку з коливаннями дійсних розмірів з’єднувальних деталей у межах заданих допусків зазори будуть коливатися від найменшого до найбільшого значення.
НАЙБІЛЬШИЙ ЗАЗОР (S>max>) - є позитивна різниця між найбільшим граничним розміром отвору і найменшим граничним розміром вала або алгебраїчна різниця між верхнім граничним відхиленням отвору і нижнім граничним відхиленням вала:

НАЙМЕНШИЙ ЗАЗОР - це позитивна різниця між найменшим граничним розміром отвору і найбільшим граничним розміром вала або алгебраїчна різниця між нижнім відхиленням отвору і верхнім граничним відхиленням вала:

СЕРЕДНІЙ ЗАЗОР (S>cеp>) - середньоарифметичне найменшого і найбільшого зазорів:


Рис.1 Посадка з зазором
3.2 Посадки з натягом
ПОСАДКА З НАТЯГОМ (нерухома) посадка, при якій забезпечується натяг у з'єднанні (поле допуску отвору розташовано над полем допуску вала), тобто D>max> < d>min>. Натяг характеризує ступінь опору взаємному зсуву деталей, тому посадки з натягом задаються в з'єднанні нерухомих деталей машин.
НАЙБІЛЬШИМ НАТЯГОМ (N>max>) - називається позитивна різниця:

НАЙМЕНШИЙ НАТЯГ (N>min>):

СЕРЕДНІЙ НАТЯГ (N>cеp>):


Рис. 2 Посадка з натягом
3.3 Перехідні посадки
ПЕРЕХІДНА ПОСАДКА - посадка, при якій можливе одержання як зазору, так і натягу (поля допуску отвору й вала перекриваються - частково або повністю). У перехідних посадках при найбільшому граничному розмірі вала і найменшому граничному розмірі отвору виходить найбільший натяг, а при найбільшому граничному розмірі отвору й найменшому граничному розмірі вала найбільший зазор, тобто N>max> при d>max> і D>min>, a S>max> при D>max> і d>min>. При оцінці точності з'єднань користуються поняттям ДОПУСКУ ПОСАДКИ, що визначається сумою допусків вала й отвору: Т>пос>= TD + Td=JT
Рис.
3 Перехідна посадка
3.4 Застосування різних посадок залежно від умов роботи деталей
При виборі посадки з гарантованим зазором основним завданням є забезпечення найменшого тертя між дотичними поверхнями вала і втулки, а отже, і найменшого зношування їх.
Посадка з натягом забезпечується силою тертя між поверхнями деталей і залежать від величини натягу. Тому при виборі посадки з N визначають припустимі значення N>max> і N>min>.
У ковзних посадках (Н7/h6, Н6/h5, Н8/H7) S>min> = 0, тому вони перебувають на грані між нерухомими й перехідними посадками. При гарному змащуванні деталі переміщаються відносно один одного вільно (наприклад: напрямні і пиноли у верстатах, поршневі джерела в циліндрах насосів і поршневих машин, що центрують поверхні фланців і кришок, центрування корпуса підшипника з корпусом редуктора, центрування кріплення при точному складанні - H20/H20, H22/H22).
Посадки типу Н7/g6 (пересувні блоки шестірень, у коробці передач), Н7/g5 мають малий гарантійний зазор, що створює гарне центрування деталей і відсутність ударів при зміни навантаження. При гарному змащенні посадки застосовують для з’єднання шийки колін вала із шатуном у поршневому двигуні внутрішнього згоряння, вала ротора турбіни.
Посадки Н7/f7, Н8/f7, Н7/f6 мають великий зазор. Застосовують при з'єднанні деталей, які працюють в основному при помірних і постійних швидкостях і при ненаголошеному навантаженні (наприклад: обертові в підшипниках вали і шпинделі), тобто дієвідміни вал-втулка в підшипниках ковзання.
Посадки Н8/е8, Н7/е7, Н7/е8 мають відносно більші S і застосовують для рухливих з'єднань при великій довжині втулки і частоті обертання 1000 об/хв (наприклад: валів із втулками підшипників у відцентрових насосах, у приводах шліфувальних верстатів і турбогенераторах, валів холостих шківів і вільно обертових коліс, тобто для підшипників ковзання при широко розставлених опорах або в з’єднаннях , багатоопорного вала - число опор > 2).
Посадки H20/d10, Н12/d12 - шарнірне з'єднання (палець-втулка); H8/d9, H9/d9 - мають відносно більші S і застосовуються для з'єднання деталей, що працюють із більшим n (об/хв), коли за умовами роботи деталей виникає неточне центрування (наприклад: у сільськогосподарських, дорожніх та інших машинах, з’єднання поршня із циліндром у компресорі).
Посадки Н7/е8 застосовуються для деталей, що працюють при високих t (у теплових двигунах).
Посадки H7/k6, K7/h6 дають гарну точність центрування й забезпечують швидке складання. Їх застосовують для швидкохідних шківів, коліс редукторів, маховичків, рукояток, настановних коліс.
Питання для самоперевірки:
Класифікація з’єднань за їх характером.
Перелічіть методи добирання відхилень і полів допусків для з’єднань.
Як добирають поля допусків для рухомих з’єднань?
Як добирають поля допусків для нерухомих з’єднань?
Що називається посадкою?
Чим відрізняються посадка з зазором від посадки з натягом?
Що таке натяг?
Що таке посадка з натягом?
Що таке посадка з зазором?
Наведіть приклади визначення полів допуску на кресленнях.
Наведіть приклади використовування різноманітних посадок.
Коли використовуються посадки з зазором?
Що таке допуcк посадки?
Лекція №4
Тема: Система отвору і система вала
4.1 Поняття системи отвору та системи вала
Утворення різних посадок пов'язане з поняттями "посадки в системі отвору» і «посадки в системі вала».
ПОСАДКИ В СИСТЕМІ ОТВОРУ - це посадки, у яких різні зазори або натяги одержують з'єднанням різних валів (наприклад: f, r, n) з основним отвором H (таблиця 1).
ПОСАДКИ В СИСТЕМІ ВАЛА - це посадки, у яких різні зазори або натягу одержують з'єднанням різних отворів (наприклад: F, R, N) з основним валом h (таблиця 2). Графічне зображення системи отвору і системи вала.

Рис. 1 Графічне зображення системи отвору і системи вала
I - поля допусків валів;
II - поля допуску основного отвору Н;
III - поля допусків отворів;
IV - поле допуску основного вала h.
У системі отвору граничні відхилення отвору для всіх посадок однакові, а різні посадки досягаються зміною граничних відхилень валів.
У системі вала граничні відхилення вала для всіх посадок однакові, а різні посадки досягаються зміною граничних відхилень отворів.
У позначення посадки входить номінальний розмір, загальний для з'єднань, за ним треба дріб, у чисельнику якої вказується поле допуску отвору, а в знаменнику - поле допуску вала.
4.2 Приклади посадок системи отвору та системи вала
Наприклад:
ø60 Н7/c8ø60 Н8/d9ø60 Н9/f9 - у системі отворів
ø60 С8/h7ø60 D8/h8ø60F9/h9 - у системі вала
Із прикладів видно, що ту саму посадку можна одержати як в одній, так і в іншій системі. При виборі системи посадок варто враховувати, що найпоширенішою є система отворів, тому що при роботі із цією системою утвориться менше різних за розмірами отворів, значить виробництво зажадає менше різних різальних інструментів для обробки отворів, що безпосередньо формують розміри (свердел, зенкерів, протягань тощо)
Економічно і технологічно вигідніше застосовувати систему вала, коли використовується суцільнотягнений матеріал у вигляді прутка або дроту без подальшої механічної обробки.
Систему вала застосовують також при використанні в конструкціях машин стандартних складальних одиниць і деталей (наприклад: підшипників кочення, валиків тощо), при виготовленні складних конструкцій, коли на одному валу необхідно здійснити кілька посадок різного характеру.
Комбінована система - ø20 R7/m6.
Питання для самоперевірки:
Що таке система отвору, де її використовують?
Що таке система вала, де її використовують?
Яке відхилення називається основним?
Основна різниця між системою вала та системою отвору?
Скільки існує квалітетів? Наведіть приклад їх визначення?
Які посадки найкращі?
Яких посадок більше - із зазором чи з натягом?
Таблиця 1
Рекомендовані посадки у системі вала при номінальних величинах від 1 до 500 мм


Примітка.
-
Переважні посадки
Рекомендовані посадки у системі отвору при номінальних величинах від 1 до 500 мм
|
Основний отвір |
Основні відхилення валів |
||||||||||||||||||
|
a |
b |
c |
d |
e |
f |
g |
h |
js |
k |
m |
n |
p |
r |
s |
t |
u |
x |
z |
|
|
Посадки |
|||||||||||||||||||
|
H5 |
|
|
|
|
|
|
|||||||||||||
|
H6 |
|
|
|
|
|
|
|
|
|
|
|||||||||
|
H7 |
|
|
|
|
|
|
|
|
|
|
|
|
|
|
|
||||
|
H8 |
|
|
|
|
|
|
|
|
|
|
|
|
|
||||||
|
|
|
|
|
||||||||||||||||
|
H9 |
|
|
|
|
|||||||||||||||
|
H20 |
|
|
|||||||||||||||||
|
H21 |
|
|
|
|
|
||||||||||||||
|
H22 |
|
|
Примітка.
-
Переважні посадки
Лекція №5
Тема: Взаємозамінність гладких циліндричних з’єднань
5.1 Положення поля допусків за стандартом
ОСНОВНІ ВІДХИЛЕННЯ - граничні відхилення (верхнє або нижнє), що визначають положення поля допуску щодо нульової лінії.
Для всіх полів допусків, розташованих нижче 0 лінії, основним (найближчим) є верхнє відхилення (es або ЕS). а для полів допусків, розташованих вище 0 лінії - ei або EI – нижнє відхилення.
Усього для валів й отворів передбачено по 28 рядів основних відхилень, які позначаються однією або двома буквами латинського алфавіту – прописні для отворів і рядкові - для валів.
Таблиця 1
-
Поля допусків отворів
A
B
C
D
CD
E
EF
F
G
FG
H
I
IS
K
Поля допусків вала
a
b
c
d
cd
e
ef
f
g
fg
h
i
is
k
Поля допусків отворів
M
N
P
R
S
T
U
Y
X
V
Z
ZA
ZB
ZC
Поля допусків вала
m
n
p
r
s
t
u
y
x
v
z
za
zb
zc
Основний отвір позначається літерою Н (Е1 - О).
Основний вал - h (es = 0).
Ряди основних відхилень від А (а) до Н (h) призначені для утворення посадок із зазором, від I (i) до N (n) - перехідних, і від P (p) до ZC (zс) - з гарантованим натягом.
Для кожного літерного позначення величина і знак основного відхилення, а також допуск наведені в ДЕРЖСТАНДАРТі 25346-89.
Друге (не основне) відхилення визначається із залежностей:
EI(ei) = ES(es) - Т або ES(es) = EI(ei) + Т (рис. 1)

Рис. 1 Основні відхилення
Для валів j й js й отворів J й JS поле допуску розташовується симетрично нульової лінії. Основні відхилення, що позначаються однією і тією ж літерою, однакові за величиною, але протилежні за знаком EI=-es для А-Н, ES = -ei для I-ZC.
Із цього правила зроблене виключення для розмірів понад 3 мм для отворів J, К, М та N з допусками по 3-8 квалітетам і для отворів від Р до ZC з допусками по 3-7 квалітетам, для яких застосовується правило:
ES=~-ei+Δ, де
- різниця між
допуском розглянутого квалітету і
допуском найближчого більш точного
квалітету.
ПОЛЕ ДОПУСКУ В ЕСКД утворюється з’єднанням основного відхилення і квалітету:
для валів: h6, d10, s7, js5; для отворів: Н6, D10, S7, JS5. За основним відхиленням і допуском визначається і друге граничне відхилення, що обмежує дане поле допуску: EI(ei) = ES(es) - Т ES(es) = EI(ei)+T .
Для тих полів допусків, у яких основним відхиленням є верхнє, нижнє визначається:
для вала: es = ei – Td;
для отвору: ES = EI – TD.
Якщо нижнє відхилення є основним, тоді:
для вала: es = ei + Td;
для отвору: ES = EI + TD.
5.2 Одиниця допуску і квалітет
У системі ІSО принципово допускаються будь-які з’єднання основних відхилень і квалітетів. Теоретично для кожного з розмірів до 500 мм з’єднанням до 20 квалітетів і 28 основних відхилень можна утворити більш 520 полів допусків валів і 518 полів допусків отворів. Величина основного відхилення для більшості полів допусків не залежить від КВАЛІТЕТУ (ступеня точності) - це сукупність допусків, що відповідають однаковому ступеню точності для всіх номінальних розмірів.
Квалітет позначається порядковим номером, що зростає зі збільшенням допуску. Всього передбачено20 квалітетів (01, 0, 1, 2, 3, ..., 18).
У цих квалітетів стандартом передбачені посадки. Скорочено допуск по одному із квалітетів позначається латинськими літерами, наприклад Н7.
Допуск посадки IT = ai, де а - коефіцієнт, що залежить від квалітету, i - одиниця допуску.
Практикою встановлено, що труднощі обробки в основному виникають зі збільшенням розмірів деталей за законом кубічної параболи:
i

Тут i - одиниця допуску для номінальних розмірів до 500 мм. D - середньоарифметичний розмір всередині розглянутого інтервалу розмірів.
Так, для 3 мм i = 0.55, а для 500 мм i = 3.89. Тобто величина допуску на виготовлення розміру через i залежить від самого розміру. Для розмірів до 500 мм допуски у квалітетах від 01 до 4 визначені за формулами:
IT 01 = 0.3 +0,008 Ди,
де Ди – середнє геометричне його граничних значень.
IТО = 0,5 + 0,012 Ди
ITI = 0,8 + 0,020 Ди
IT2 = ITI * IТЗ
IТЗ = ITI * IТ3
IТ4=IТЗ * IT5
За цими формулами проводять розрахунок допусків і граничних відхилень для кожного інтервалу номінальних розмірів.
Система допусків та посадок поширюється на розміри до 40000 мм. Вказаний діапазон розбитий на групи:
до 500 мм, 500 - 3150 мм, 3150 - 10000 мм, 10000 -40000 мм - всі вони розбиваються на основні й проміжні інтервали.
Для розмірів до 500 мм установлено 13 основних інтервалів (наприклад: від 10 до 18 мм). Проміжні інтервали введені для відхилень, що утворюють посадки з більшими натягами і зазорами для одержання більш рівномірних зазорів і натягів. Проміжні інтервали починаються з 10 мм (10-14 мм, 14-18 мм).
5.3 Система похибок
Величина допуску не зовсім повно характеризує точність обробки.
Основними джерелами появи відхилень заданих розмірів і форми виробу є похибки:
розмірів;
геометричної форми;
взаємного розташування поверхонь;
пов'язані із чистотою обробки (шорсткості):
Ці 4 групи похибок у процесі виготовлення виникають під дією ряду причин, серед яких слід зазначити:
а)неточність виготовлення устаткування (верстат, прес і т.д.);
б)неточність виготовлення пристосувань для обробки, їхнє зношування;
в)пружні деформації різальних інструментів, їхнє зношування, неточність виготовлення інструмента, температурний вплив;
г)неоднорідність матеріалу, пружні деформації, температурний вплив тощо. Це система технічних похибок;
5 - виміру, включаючи похибки вимірювальних засобів;
6 - залежні від обраної технічної системи й режиму обробки;
7 - коливання припуску на механічну обробку тощо.
Похибки при виготовленні деталей можна поділити на:
систематичні постійні (неправильно настроєний верстат);
систематичні змінні (зношування інструмента);
випадкові похибки.
Якщо систематичні можуть бути виявлені і у ряді випадків усунуті в процесі підготовки виробництва або виготовлення деталей, то виявлення випадкових похибок вимагає вивчення.
Численні досвіди показують, що випадкова похибка виготовлення дуже добре узгоджується із законом нормального розподілу.

Рис. 2 Крива Гауса
Крива показує, що найбільше число - 68% всіх виготовлених деталей мають похибки, близькі до середнього розміру, 27,4% деталей мають відхилення в межах від 1/3 до 2/3 допуску, і тільки незначна кількість деталей - 4,32% - має розміри, близькі до найменших і найбільших граничних розмірів.
Нехай X - випадкова величина
У- щільність імовірності
σ - середньоквадратичне відхилення X
За законом Гауса:

Якщо IT – допуск посадки, то площу, укладену між кривою й віссю X приймають за 1 або за 100%.
Її можна виразити через інтеграл:
,
,
dx=σdz

Беремо половину площі:
- певний інтеграл
функції Лапласа. Його можна знайти в
будь-якому інженерному довіднику: при
z = 3, х = 3σ, 2x =
6σ:
f(3)~0,4987≈0,5
2f(3)≈1=100%
ВИСНОВОК: для похибок, які підкоряються закону Гауса, за зону розсіювання дійсних розмірів, що дорівнює допуску на виготовлення деталей, приймається зона +, -3σ або 6σ. Імовірність цього близька до 100%. Вихід за зону розсіювання становить усього 0.27%.
Приклад: обробляється партія деталей 1000 шт, ІТ- відомий допуск посадки.


де L - дійсний розмір.
Визначимо так названу залишкову похибку:
X=l>1> - L
Згрупуємо дійсні розміри за групами:
40,02 - nl;
40,02-40,01 - n2;
40,01-40,00 – n3;
ni ~ частота появи того самого розміру
Емпірична крива:

Тобто проводиться селективне складання, наприклад: H7/g6

Для збільшення точності і однорідності з’єднання деталі сортують на групи з більше вузькими допусками і складання ведуть за цими групами. Цим методом збирають двигуни внутрішнього згоряння, за цим методом працюють шарикопідшипникові заводи.
Додаткові витрати селективного складання окупаються високим cтупенем автоматизації і механізації виробництва.
Питання для самоперевірки:
Яка одиниця вимірювання використовується для лінійних вимірювань?
Яке відхилення називається основним?
Скільки існує квалітетів? Наведіть приклад їх визначення?
Наведіть приклади визначення полів допуску на кресленнях.
Які причини викликають похибки?
Назвіть види похибок.
В чому сутність селективного складання?
Лекція №6
Тема: Розрахунок і добір основних відхилень та допусків розмірів рухомих з’єднань
6.1 Основні положення

Рис. 1
Найпоширенішим типом відповідальних з'єднань є підшипники ковзання, що працюють з мастилом. Потрібен мінімальний знос, що досягається при рідинному терті, коли поверхні цапфи і вкладеня підшипника повністю розділені шаром мастила (рис. 1) і тертя між металевими поверхнями замінюються внутрішнім тертям в змащувальній рідині.
Положення валу в стані рівноваги буде визначатиcь абсолютним ексцентриситетом з Δ=Д-d - діаметральний зазор. Якнайменша товщина шару мастила, що забезпечує рідинне тертя в з’єднанні:
,
де е – величина абсолютного ексцентриситету взаємного зміщення осей отвору та осі вкладення підшипнику:
Вводимо відносний ексцентриситет:




Тоді:

Одночасно із забезпеченням рідинного тертя необхідно, щоб підшипник володів необхідною несучою здатністю, радіальною силою R (навантаження, діюче на вал, реакція опори). З гідродинамічної теорії змащування:

д
еμ
- коефіцієнт динамічної в'язкості
змащувального мастила (Па∙с);
n - кількість обертів валу (об/хв);
ℓ - довжина з’єднання (втулка контактує з валом);
d - діаметр цапфи валу (мм);
С>R> - безрозмірний коефіцієнт навантаження підшипника, залежний від χ і l/d.
Схема розрахунку:
1. Визначити колову швидкість м/с:

2
.
Обчислити відносний зазор, мм:

3. Визначити діаметральний зазор, мм:

4. Прийнявши Δ за середній зазор, вибираємо стандартну посадку.
5. Розрахувати кутову швидкість ω=πn/30.
6. Визначити коефіцієнт навантаження підшипника:


7. По відношенню l/d і C>R> знайти відносний ексцентриситет χ (таблиця 1).
Таблиця 1
|
Відносний ексцентриситет |
|||||||||||
|
λ |
0,3 |
0,4 |
0,5 |
0,6 |
0.65 |
0.70 |
0.75 |
0,80 |
0.85 |
0,9 |
0,925 |
|
0,2 0,3 0.4 0,5 0,6 0,7 0,8 0,9 1,0 1,1 1,2 1,3 1.5 2 |
0,0237 0,0522 0.0893 0,133 0,182 0,234 0,287 0,339 0,391 0.440 0,487 0,529 0.610 0,763 |
0,0380 0,0826 0,141 0.209 0.283 0.361 0.439 0,515 0.589 0,658 0,723 0,784 0,891 1,091 |
0,0589 0,128 0,216 0,317 0,427 0,538 0.647 0,754 0,853 0,947 1,033 1,111 1,248 1,483 |
0.0942 0,203 0.339 0,493 0,655 0.816 0,972 1,118 1,253 1,377 1,489 1,590 1,763 2,070 |
0,121 0.259 0,431 0,622 0,819 1,014 1,199 1.371 1,528 1,669 2.796 2,912 2.099 2,446 |
0,161 0,347 0.573 0,819 1,070 1,312 1,538 1,745 1,929 2,097 2,247 2,379 2,600 2,981 |
0,225 0,475 0.776 1,098 1,418 1,720 1,965 1,248 2,469 2,664 2,838 2,990 3,242 3.671 |
0,335 0,669 1,079 1,572 2,001 2,399 2,754 3,067 3,372 3,580 3,787 3.968 4,266 4.778 |
0,548 1,122 1,775 2,428 3,036 3,580 4,053 4.459 4,808 5,106 5,364 5,586 5,947 6,545 |
1,034 2,074 3,195 4,126 5,214 6,029 6,721 7.294 7,772 8,186 8.533 8,831 9,304 10,091 |
1,709 3,352 5,055 6,615 7,956 9,072 9.992 10,753 11.38 11,91 12,35 12,73 12,34 12.34 |
8. Обчислити якнайменшу товщину шару мастила , мкм:


9. Для визначення зазору, що забезпечує рідинне тертя, вибрати значення шорсткості поверхні деталей, що з’єднуються:
якщо 0<d<180 мм, то R>ZA> = 6,3; R>ZB> = 3,2;
якщо d>180 мм, то R>ZA> = 10; R>ZB> = 6,3.
10. Визначити запас надійності за товщиною шару мастила :

11. У випадку, якщо К<2, необхідно прийняти меншу висоту нерівностей (R>ZA>; R>ZB>) або змінити посадку і наново провести розрахунок.
12. Виконати схему розташування полів допусків і креслення з'єднання деталей (рис. 2).
6.2 Розгляд приклада рухомого циліндричного з’єднання
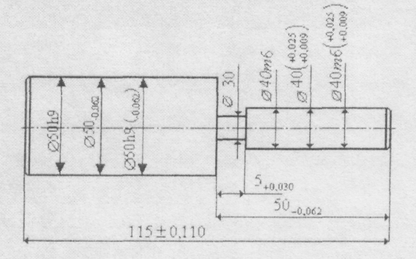
Розв’язання
Дано:
1
.
Визначити колову швидкість валу:

2. Визначити відносний зазор:

де

3. Знаходимо діаметральний зазор:
мкм
4. Прийнявши
за середній зазор, вибираємо стандартну
посадку: 280
Н8/е8

Рис. 2
Перевірка розрахунку.
Визначаємо кутову швидкість валу:

Знаходимо коефіцієнт навантаження підшипника ковзання:

Визначаємо відносний ексцентриситет:

і за таблицею 1

Найменша товщина шару мастила:

де - середній зазор посадки.
Визначення коефіцієнта надійності:

Питання для самоперевірки:
Який порядок розрахунку рухомих з’єднань?
Від яких факторів залежить найменша товщина шару мастила?
Які параметри визначають під час розрахунку рухомих з’єднань?
Який порядок вибору полів допусків і відхилень розмірів робочих поверхонь деталей у рухомих з’єднаннях?
На чому базується скорочений метод розрахунку рухомих з’єднань?
Що таке зазор?
Чим характеризується зазор?
Що таке граничні зазори і як вони визначаються?
Що таке натяг і які умови його утворення?
Які групи посадок існують? Для яких цілей застосовуються посадки кожної групи ?
Як утворюються посадки в системі отвору?
Як утворюються посадки в системі вала?
Яка з систем посадок є переважною і чому?
Як розташовано поле допуску основного отвору в системі отвору?
Як розташовано поле допуску основного вала в системі вала?
Як по взаємному розташуванню полів допусків отвору і вала при графічному зображенні посадки визначити характер з'єднань?
Лекція №7
Тема: Розрахунок і добір основних відхилень та допусків розмірів нерухомих з’єднань
7.1 Визначення натягів
Посадки з натягом призначені для отримання нерухомих з'єднань без додаткового кріплення деталей, хоча іноді використовують шпони, штифтові та інші засоби кріплення.
Відносна нерухомість деталей забезпечується силами зчеплення (тертя), що виникають на контактуючих поверхнях внаслідок їх деформації, створюваної натягом при складанні з'єднання.
Завдяки нерухомості і простоті конструкції деталей і складанні з'єднань ці посадки застосовують у всіх галузях машинобудування (втулки з валами, вкладиші підшипників ковзання з корпусами тощо).

Рис. 1 З’єднання вал-втулка
Тут d, d>1>, d>2> - діаметри деталей, що з’єднуються (вал-втулка). Δ1 - деформація валу при запресовуванні, Δ2 - деформація втулки при запресовуванні, р - питомий тиск поверхонь, що з’єднуються, виникаючи під впливом натягу. Згідно задачі Ламе - визначення Δ і переміщень в товстостінних порожнистих циліндрах, відома залежність:


де Е>1>=Е>2>=0,206∙1012 Па – модулі пружності деталей, що з’єднуються, із сталі 40;
С>1>, С>2> - коефіцієнти, що враховують геометричні розміри деталей, геометрію з’єднання і матеріал, з якого виготовлені деталі.


деμ>1=>μ>2 >≈ 0,3 (для сталі) - коефіцієнти поперечної деформації Пуасона, μ= 0,25 (для чавуну).
Оскільки Δ=Δ>1>+Δ>2 >- це натяг (різниця між діаметром вала і внутрішнім діаметром втулки до складання), то:

Для заданих матеріалів і деталей, що з’єднуються, натяг залежить від тиску Р>min>, який визначають з умови забезпечення нерухомості деталей, що з’єднуються, при експлуатації, тобто з умови міцності з'єднання:
а) при навантаженні осьовою силою Р - відносного зсуву деталей в з'єднанні не відбудеться, якщо розрахункове зусилля дорівнює або менше виникаючих на поверхні сил тертя:

де πdℓ - номінальна площа контакту, а фактична площа контакту залежить від натягу, властивостей матеріалів деталей та ін., що з’єднуються;
f – коефіцієнт тертя (зчеплення) при поздовжньому зсуві деталей.

б) при навантаженні з'єднання крутильним моментом ця умова має вигляд:


де f>2> – коефіцієнт тертя (зчеплення) при відносному обертанні деталей.


c
)
при одночасному навантаженні з'єднання
М>кр>
і зсовуючою силою Р розрахунок треба
проводити за рівнодіючою:

де

деf - коефіцієнт тертя (зчеплення) в з'єднаннях з N залежать від матеріалу, шорсткості їх поверхонь, натягу, виду мастила, напрямки зсуву деталей і ін.
Практично беруть f = 0,085 (при складанні під пресом К=0,25) і f= 0,14 (при складанні з нагріванням охоплюючої деталі або охолоджуванням охоплюваної К= 0,4).
Значить, найменший розрахунковий натяг при осьовому навантаженні:

А при навантаженні крутильним моментом:


Необхідно також забезпечити міцність деталей, що з’єднуються. В цьому випадку розрахунок слід вести по найбільшому тиску Р>доп>. Згідно з теорії найбільших дотичних напружень: умова міцності полягає у відсутності пластичної деформації на контактній поверхні втулки при:

а на поверхні вала при:

де σ>т>= 0,313∙109 Па – межа текучості при розтягуванні. Проте для деталей з пластичних матеріалів при статичному навантаженні допускається пластична деформація. Найбільший розрахунковий натяг, при якому виникає найбільший допустимий тиск Р>доп>.

де p=Р>вт>, якщо Р>вт><Р>вал>; p=Р>вал>, якщо Р>вал><Р>вт>.
П
ричому
вводяться поправки (5 штук), оставляємо
одну -U- на шорсткість поверхні. Для
матеріалів:
-
з однаковими механічними властивостями:
;
- для різних матеріалів
:

деК- коефіцієнти що враховують висоту нерівностей;
R>Z1>, R>Z2> - висота нерівностей поверхні вала і втулки, R>Z> не залежить від діаметра деталей, що з’єднуються, а залежить тільки від методу і режиму обробки, тому вплив висоти нерівностей на натяг тим сильніше, чим менше діаметр і більше R>Z> .
При механічному запресовуванні найбільша міцність з'єднання досягається при малій шорсткості, а при складанні з охолоджуванням або з нагріванням - при великій шорсткості.
7.2 Приклад
Дано:


Розв'язання:
Визначимо найменший розрахунковий натяг:

де


Визначимо допустимий тиск на контактуючій поверхні втулки і вала.

де σ>Т> – границя текучості сталі, Па.
Знайти найбільший розрахунковий натяг, що допускається.

Запроваджуємо поправку на зняття нерівностей поверхні деталей.

Найбільший і найменший функціональні натяги визначаються за формулами:

Вибираємо стандартну посадку, де табличні натяги:



Отже вимоги виконуються, тому відповідь: 250 Н7/u7 – посадка з натягом обрана вірно.
Питання для самоперевірки:
За яких умов визначають граничні значення натягів?
Як добирають поля допусків після визначення граничних значень натягів?
Що таке натяг?
Чим характеризується натяг?
Що таке граничний натяг і як вони визначаються?
Що таке натяг і які умови його утворення?
Які групи посадок існують? Для якої мети застосовуються посадки кожної групи ?
Як утворюються посадки в системі отвору?
Як утворюються посадки в системі вала?
Яка з систем посадок є переважною і чому?
Як розташовано поле допуску основного отвору в системі отвору?
Як розташовано поле допуску основного вала в системі вала?
Як по взаємному розташуванню полів допусків отвору і вала при графічному зображенні посадки визначити характер з'єднань?
Лекція №8
Тема: Добір основних відхилень та допуски розмірів для змішаних з’єднань
8.1 Крива Гауса
При розрахунку ймовірності зазорів і натягів приймають, що розподіл відхилень вала і отвору при обробці підкоряється закону нормального розподілу (кривою Гауса). Нехай х – випадкова величина (зазор S або натяг N), у – щільність ймовірності випадкової величини, σ>s> – середнє квадратичне відхилення х.
За законом Гауса:

Рис. 1 Крива Гауса
Якщо IT – допуск посадки, то площу, укладену між кривою й віссю X приймають за 1 або за 100%.
Її можна виразити через інтеграл:
,
,
dx=σdz

Беремо половину площі:
-
певний інтеграл функції Лапласа.
Його можна знайти в будь-якому інженерному довіднику: при z = 3, х = 3σ, 2x = 6σ:
f(3)~0,4987≈0,5
2f(3)≈1=100%
ВИСНОВОК: для похибок, які підкоряються закону Гауса, за зону розсіювання дійсних розмірів, що дорівнює допуску на виготовлення деталей, приймається зона +, -3σ або 6σ. Імовірність цього близька до 100%. Вихід за зону розсіювання становить усього 0.27%.
Таблиця 1
|
Z |
Ф(Z) |
Z |
Ф(Z) |
Z |
Ф(Z) |
Z |
Ф(Z) |
Z |
Ф(Z) |
Z |
Ф(Z) |
|
0,00 |
0,000 |
0,42 |
0,1628 |
0,84 |
0,2995 |
1,26 |
0,3962 |
1,70 |
0,4554 |
2,28 |
0,4887 |
|
0,01 |
0,0040 |
0,43 |
0,1664 |
0,85 |
0,3023 |
1,27 |
0,3980 |
1,71 |
0,4561 |
2,30 |
0,4993 |
|
0,02 |
0,0080 |
0,44 |
0,1700 |
0,86 |
0,3051 |
1,28 |
0,3997 |
1,72 |
0,4573 |
2,32 |
0,4898 |
|
0,03 |
0,0120 |
0,45 |
0,1736 |
0,87 |
0,3078 |
1,29 |
0,4015 |
1,73 |
0,4582 |
2,34 |
0,4904 |
|
0,04 |
0,0160 |
0,46 |
0,1772 |
0,88 |
0,3106 |
1,30 |
0,4032 |
1,74 |
0,4591 |
2,36 |
0,4909 |
|
0,05 |
0,0199 |
0,47 |
0,1808 |
0,89 |
0,3133 |
1,31 |
0,4049 |
1,75 |
0,4599 |
2,38 |
0,4913 |
|
0,06 |
0,0239 |
0,48 |
0,1844 |
0,90 |
0,3159 |
1,32 |
0,4066 |
1,76 |
0,4608 |
2,40 |
0,4918 |
|
0,07 |
0,0279 |
0,49 |
0,1879 |
0,91 |
0,3186 |
1,33 |
0,4082 |
1,77 |
0,4616 |
2,42 |
0,4922 |
|
0,08 |
0,0319 |
0,50 |
0,1915 |
0,92 |
0,3212 |
1,34 |
0,4099 |
1,78 |
0,4625 |
2,44 |
0,4927 |
|
0,09 |
0,0359 |
0,51 |
0,1950 |
0,93 |
0,3238 |
1,35 |
0,4115 |
1,79 |
0,4633 |
2,46 |
0,4931 |
|
0,10 |
0,0398 |
0,52 |
0,1985 |
0,94 |
0,3264 |
1,36 |
0,4131 |
1,80 |
0,4641 |
2,48 |
0,4934 |
|
0,11 |
0,0438 |
0,53 |
0,2019 |
0,95 |
0,3289 |
1,37 |
0,4147 |
1,81 |
0,4649 |
2,50 |
0,4938 |
|
0,12 |
0,0478 |
0,54 |
0,2054 |
0,96 |
0,3315 |
1,38 |
0,4162 |
1,82 |
0,4656 |
2,52 |
0,4941 |
|
0,13 |
0,0517 |
0,55 |
0,2088 |
0,97 |
0,3340 |
1,39 |
0,4177 |
1,83 |
0,4664 |
2,54 |
0,4945 |
|
0,14 |
0,0557 |
0,56 |
0,2123 |
0,98 |
0,3365 |
1,40 |
0,4192 |
1,84 |
0,4671 |
2,56 |
0,4948 |
|
0,15 |
0,0596 |
0,57 |
0,2157 |
0,99 |
0,3389 |
1,41 |
0,4207 |
1,85 |
0,4678 |
2,58 |
0,4951 |
|
0,16 |
0,0636 |
0,58 |
0,2190 |
1,00 |
0,3413 |
1,42 |
0,4222 |
1,86 |
0,4686 |
2,60 |
0,4953 |
|
0,17 |
0,0675 |
0,59 |
0,2224 |
1,01 |
0,3438 |
1,43 |
0,4236 |
1,87 |
0,4693 |
2,62 |
0,4956 |
|
0,18 |
0,0714 |
0,60 |
0,2257 |
1,02 |
0,3461 |
1,44 |
0,4251 |
1,88 |
0,4699 |
2,64 |
0,4959 |
|
0,19 |
0,0753 |
0,61 |
0,2291 |
1,03 |
0,3485 |
1,45 |
0,4265 |
1,89 |
0,4706 |
2,66 |
0,4961 |
|
0,20 |
0,0793 |
0,62 |
0,2324 |
1,04 |
0,3508 |
1,46 |
0,4279 |
1,90 |
0,4713 |
2,68 |
0,4963 |
|
0,21 |
0,0832 |
0,63 |
0,2357 |
1,05 |
0,3531 |
1,47 |
0,4292 |
1,91 |
0,4719 |
2,70 |
0,4965 |
|
0,22 |
0,0871 |
0,64 |
0,2389 |
1,06 |
0,3554 |
1,48 |
0,4306 |
1,92 |
0,4726 |
2,72 |
0,4967 |
|
0,23 |
0,0910 |
0,65 |
0,2422 |
1,07 |
0,3577 |
1,49 |
0,4319 |
1,93 |
0,4732 |
2,74 |
0,4969 |
|
0,24 |
0,0948 |
0,66 |
0,2454 |
1,08 |
0,3599 |
1,50 |
0,4332 |
1,94 |
0,4738 |
2,76 |
0,4971 |
|
0,25 |
0,0987 |
0,67 |
0,2486 |
1,09 |
0,3621 |
1,51 |
0,4345 |
1,95 |
0,4744 |
2,78 |
0,4973 |
|
0,26 |
0,1026 |
0,68 |
0,2517 |
1,10 |
0,3643 |
1,52 |
0,4357 |
1,96 |
0,4750 |
2,80 |
0,4973 |
|
0,27 |
0,1064 |
0,69 |
0,2549 |
1,11 |
0,3665 |
1,53 |
0,4370 |
1,97 |
0,4756 |
2,82 |
0,4974 |
|
0,28 |
0,1103 |
0,70 |
0,2580 |
1,12 |
0,3686 |
1,54 |
0,4382 |
1,98 |
0,4761 |
2,84 |
0,4976 |
|
0,29 |
0,1141 |
0,71 |
0,2611 |
1,13 |
0,3708 |
1,55 |
0,4394 |
1,99 |
0,4767 |
2,86 |
0,4977 |
|
0,30 |
0,1179 |
0,72 |
0,2642 |
1,14 |
0,3729 |
1,56 |
0,4406 |
2,00 |
0,4772 |
2,88 |
0,4979 |
|
0,31 |
0,1217 |
0,73 |
0,2673 |
1,15 |
0,3794 |
1,57 |
0,4418 |
2,02 |
0,4783 |
2,90 |
0,4980 |
|
0,32 |
0,1255 |
0,74 |
0,2703 |
1,16 |
0,3770 |
1,58 |
0,4429 |
2,04 |
0,4793 |
2,92 |
0,4981 |
|
0,33 |
0,1293 |
0,75 |
0,2734 |
1,17 |
0,3790 |
1,59 |
0,4441 |
2,06 |
0,4803 |
2,94 |
0,4982 |
|
0,34 |
0,1331 |
0,76 |
0,2764 |
1,18 |
0,3810 |
1,60 |
0,4452 |
2,08 |
0,4812 |
2,96 |
0,4985 |
|
0,35 |
0,1368 |
0,77 |
0,2794 |
1,19 |
0,3830 |
1,61 |
0,4463 |
2,10 |
0,4821 |
2,98 |
0,4985 |
|
0,36 |
0,1406 |
0,78 |
0,2823 |
1,20 |
0,3849 |
1,62 |
0,4474 |
2,12 |
0,4830 |
3,00 |
0,49865 |
|
0,37 |
0,1443 |
0,79 |
0,2852 |
1,21 |
0,3869 |
1,63 |
0,4484 |
2,14 |
0,4838 |
3,20 |
0,49931 |
|
0,38 |
0,1480 |
0,80 |
0,2881 |
1,22 |
0,3888 |
1,64 |
0,4495 |
2,16 |
0,4846 |
3,40 |
0,49966 |
|
0,39 |
0,1517 |
0,81 |
0,2910 |
1,23 |
0,309 |
1,65 |
0,4505 |
2,18 |
0,4854 |
3,60 |
0,499841 |
|
0,40 |
0,1554 |
0,82 |
0,2939 |
1,24 |
0,3925 |
1,66 |
0,4515 |
2,20 |
0,4861 |
3,80 |
0,499928 |
|
0,41 |
0,1591 |
0,83 |
0,2967 |
1,25 |
0,3944 |
1,67 |
0,4525 |
2,22 |
0,4868 |
4,00 |
0,499968 |
|
1,68 |
0,4535 |
2,24 |
0,4875 |
4,50 |
0,499997 |
||||||
|
1,69 |
0,4545 |
2,26 |
0,4881 |
5,00 |
0,499997 |
8.2 Приклад розрахунку
Початкові дані: з’єднання Ø 160 H5/js4 – це перехідна посадка.
Визначити граничні відхилення деталей:
Ø160H5: ES = +18; EI = 0
Ø160js4: es = +6; ei = -6
2. Визначити S>min >, S>max> , T>Д> , Т>d >:
S>max> = ES –ei = 0,018 – (- 0,006) = 0,024
S>min >= EJ – es = 0 – 0,006 = -0,006
N>max >= 0,006

T>Д> = ES – EI = 0,018 – 0 = 0,018
Т>d> = es – ei = 0,006 – (-0,006) = 0,012
3. Визначити σ>д>, σ>d>, σ>S>:



Знайти Z:

5. За значенням Z визначити функцію Ф(Z) з таблиці 1.
Ф(Z=2,5) = 0,4938
Розрахувати ймовірність і відсоток зазорів в з’єднанні:
P(S) = 0,5 + 0,4938 = 0,9938
P(S) = 0,9938·100% = 99,38%
Визначити ймовірність і відсоток натягу:
P(N) = 0,5 – 0,4938 = 0,0062
P(N) = 0,0062·100% = 0,62%
8. Визначити найбільші ймовірні зазори та натяги для зображення на рис. 1.
Sp>max> = 3σ>S> + S>m> = 3·0,0036 + 0,009 = 0,0198
Np>max> = 3σ>S> – S>m> = 3·0,0036 – 0,009 = 0,0018
Питання для самоперевірки:
Що таке посадка?
Чим характеризується посадка?
Що таке зазор і які умови його утворення?
Що таке натяг і які умови його утворення?
Які групи посадок існують? Для яких цілей застосовуються посадки кожної групи?
Як утворюються посадки в системі отвору?
Як утворюються посадки в системі вала?
Яка з систем посадок є переважною і чому?
Як розташовано поле допуску основного отвору в системі отвору?
Як розташовано поле допуску основного вала в системі вала?
Як по взаємному розташуванню полів допусків отвору і вала при графічному зображенні посадки визначити характер з’єднань?
Де застосовують змішані з’єднання, як їх добирають?
Як добирають і розраховують поля допусків розмірів робочих поверхонь деталей для змішаних з’єднань?
Лекція №9
Тема: Підшипники кочення
9.1 Система допусків і посадок для підшипників кочення
Підшипники кочення – найбільш розповсюджені стандартні складальні одиниці, виготовлені на спеціалізованих заводах. Вони володіють повною зовнішньою взаємозамінністю по приєднувальних поверхнях, обумовлених зовнішнім діаметром D і внутрішнім діаметром d внутрішнього кільця. Підшипники кочення володіють неповною внутрішньою взаємозамінністю між тілами кочення (кульками, роликами) і кільцями. Внаслідок малих допусків зазорів і малої допустимої різнорозмірності комплекту тіл кочення кільця підшипників і тіла кочення підбирають селективним методом.
Повна взаємозамінність по приєднувальних поверхнях дозволяє організувати їх малосерійний випуск на спеціалізованих заводах, а отже, зробити більш дешевим їхнє виробництво, а також швидко монтувати і заміняти зношені підшипники кочення при збереженні їхньої гарної якості.
Класи точності підшипників кочення.
Якість підшипників визначається:
а) точністю приєднувальних розмірів D, d, ширини кілець «В» (а для роликових радіально-упорних підшипників ще і точністю монтажної висоти Т);
б) точністю форми і взаємного розташування поверхонь кілець підшипників і їхньої шорсткості;
в) точністю форми і розмірів тіл кочення в одному підшипнику і шорсткістю їхніх поверхонь;
г) точністю обертання, що характеризується радіальним і осьовим биттям доріжок кочення і торців кілець.
Допуски і посадки підшипників кочення.
При роботі підшипника кочення завжди одне кільце обертається, а друге залишається нерухомим. Для скорочення номенклатури підшипники виготовляють з відхиленнями розмірів D і d, що не залежать від посадки, по якій їх будуть монтувати. Для всіх класів точності верхнє відхилення приєднувальних діаметрів прийнято рівним нулю. Таким чином, діаметри зовнішнього кільця і внутрішнього кільця прийняті відповідно за діаметри основного вала й основного отвору, а отже, посадку з'єднання зовнішнього кільця з корпусом призначають у системі вала, а посадку з'єднання внутрішнього кільця з валом – у системі отвору. Однак, поле допуску на d розташовано в «мінус» від d , а не в «плюс», як у звичайного основного отвору, тобто не «у тіло» кільця, а вниз від нульової лінії.
9.2 Класифікація та маркування підшипників кочення
Підшипники кочення класифікують по виду тертя:
- підшипники кочення;
- підшипники ковзання.
Переваги:
Підшипники кочення краще, тому що малий коефіцієнт тертя, більша вантажопідйомність при меншій ширині підшипника, мають нескладність монтажу, відходу й обслуговування, незначна витрата мастильних матеріалів.
Недоліки:
Менш довгочасний при високих і більших навантаженнях, більше зовнішніх D, обмежена здатність сприймати ударні навантаження. Класифікацію й маркування підшипників кочення встановлюють за ДСТ 520-71.
Підшипники кочення класифікують:
1 - за формою тіла кочення:
а) кулькові;
б) роликові; ролики можуть бути:
- циліндричні;
- голчасті;
- бочкоподібні;
- конічні;
- кручені.
2- за числом рядів тіл:
а)однорядні;
б)дворядні;
в)чотирирядні.
- за способом компенсації перекосів вала підшипники можуть бути (1. несамоустановлювальні; 2. самоустановлювальні).
- залежно від навантаження діючої на підшипники:
а)радіальні (радіальна R):
б)упорні (осьове навантаження):
в)радіально-упорні.
5- за радіальними розмірами (при однаковому діаметрі внутрішнього кільця) серії:
а) надлегкі:
б) особливо легкі;
в) легкі;
г) середні;
д) важкі.
6- за шириною підшипника серії:
а) вузькі;
б) нормальні;
в) широкі;
г) особливо широкі.
МАРКУВАННЯ на торці кілець підшипника кочення відбивають їхні основні параметри й конструкторські особливості. Перші дві цифри праворуч - внутрішній d підшипника при d < 20 мм; від 20 до 495 мм треба множити на 5 для одержання фактичного розміру у мм.
-
фактичний d, мм
10
12
15
17
j
Маркування
00
01
02
03
ТРЕТЯ - підшипник по d і ширині:
- особливо легка;
- легка;
3 - середня:
4- важка;
5- легка широка;
– порівняно
широка.
ЧЕТВЕРТА - тип підшипника:
- радіальний кульковий однорядний;
- радіальний кульковий дворядний сферичний;
- радіальний кульковий з коротким циліндричними роликами:
- радіальний кульковий дворядний сферичний з бочкоподібними роликами:
4- голчастий:
5- радіальний із крученими роликами:
6 - радіально-упорний, кульковий:
- радіально-упорний роликовий конічний;
- упорний кульковий:
- радіально-упорний роликовий.
П'ЯТА й ШОСТА - конструктивні особливості підшипників.
СЬОМА - серія підшипників по ширині.
Установлено наступні класи точності підшипників 0.6,5.4.2, Т – для кулькових і роликових радіальних і кулькових радіально-упорних.
0, 6, 5,4,2 -для упорних і упорно-радіальних.
0, 6х, 6, 5, 4, 2 - для роликових конічних.
Додаткові класи точності підшипників: 8 і 7 нижче класу точності 0 для застосування за замовленням споживачів у невідповідальних вузлах. Клас точності вказується перед номером підшипника. 6-205 або по ІSО Р6-205 клас підшипника номер підшипника 3622 ДЕРЖСТАНДАРТ 5721-75. Дворядний сферичний радіальний роликовий підшипник серії діаметрів 6, серії ширини 0, із циліндричним отвором із d = 110мм. D =240, B=8O. Діаметри зовнішнього D>m> і внутрішнього d>m> кілець підшипника приймається відповідно за основний Вал (l) і основний Отвір (L). Отже, посадка зовнішнього кільця з корпусом здійснюється в системі вала, внутрішнього з валом - у системі отвору.
Спеціальних полів допусків для утворення посадок з підшипником немає, а виконується ДЕРЖСТАНДАРТ 25347-89. До валів й отворів (у корпусі), оброблюваним під посадки для з'єднання з підшипником, пред'являються певні вимоги за шорсткістю поверхні і геометричною формою циліндра. Так конусоподібність і овальність для класів точності 0 й 6 може становити не більш 0,5 допуску на розмір, а для посадок підшипників класів 4 й 5 < 0,05.
9.3 Особливості полів допуску підшипників кочення
Поля допусків D і d підшипника кочення розташовані нижче нульової лінії. Таким чином, поле допуску D займає таке ж положення, як поле допуску основного вала, а поле допуску d в порівнянні з полем допуску основного отвору перевернено щодо нульової лінії.
Поля допусків, по яких обробляють посадкові поверхні валів і отворів у корпусах у з’єднанні з полями допусків, установленими на D і d підшипників, утворять спеціальні посадки.
Система допусків і посадок підшипників кочення заснована на системі допусків і посадок гладких циліндричних поверхонь з деякими особливостями:
а) значення граничних відхилень на D і d залежать тільки від класу точності підшипників і не залежить від характеру з’єднання підшипника з корпусами і валами (таблиця 1).
Таблиця 1
-
Клас точності
Поля допусків валів
Поле допусків отворів
5 і 4
n5 m5 k5 js5 h5 g5
Г1 Т1 Н1 П1 С1 Д1
N6 M6 K6 Js6 H6
Г1 Т1 Н1 П1 С1
0 і 6
n6 m6 k6 js6 h6 g6 f6
I Т Н П С Д X
P7 N7 M7 K7 Js7 H7 G7 H8 H9
Р Г Т Н Р С Д С3
Оптимальними полями допусків розмірів деталей, що з’єднуються з підшипниками кочення, вважаються ті, котрі забезпечують найменші натяги і зазори.
Рекомендується: Вибираючи поле допусків для розмірів, рекомендують кільцю, що обертається разом з деталлю (валом, корпусом), за допомогою посадки забезпечувати нерухомість з'єднання, а кільцю, що не обертається – рухливість з'єднання. Це забезпечує рівномірність зносу направляючих доріжок унаслідок часткового провертання нерухомого кільця в напрямку руху його рухливого кільця і тіл кочення (кульок, роликів) (таблиця 2, 3, 4, 5). Наприклад:

Рис. 1 Підшипниковий вузол
9.4 Типи навантаження підшипників кочення
При виборі посадок по приєднувальних поверхнях підшипників ураховують величину й напрямок діючих на підшипник навантажень, частоту обертання, тип підшипника, його температуру, умови монтажу і вид навантаження, що залежить від того, обертається чи ні кільце щодо радіального навантаження. Навантаження може бути місцевим, циркуляційним і коливальним. Кільце випробовує місцеве навантаження, якщо воно щодо радіального навантаження не обертається, а навантаження сприймає лише певна ділянка доріжки кочення цього кільця - у цьому випадку посадка призначається із зазором.
При циркуляційному навантаженні кільця радіальне навантаження щодо кільця (або кільце щодо навантаження) обертається. Тіла кочення в процесі обертання передають сприйману ними радіальне навантаження доріжці кочення послідовно по всій окружності. Посадка призначається послідовно. При коливальному навантаженні на кільце одночасно діють постійна по напрямку сила і обертова сила. Характер навантаження, прикладеної до кільця, у кожен момент часу визначається рівнодіючої цих сил, а посадка вибирається із числа щільно рухливих. При обертовому валу з'єднання внутрішнього кільця підшипника повинне бути нерухомим, а по зовнішньому діаметрі підшипника можливий невеликий зазор.
Якщо вал нерухомий, а обертається корпус із зовнішнім кільцем підшипника, то нерухома посадка повинна бути за зовнішнім діаметром підшипника, а за внутрішнім діаметром підшипника може бути і невеликий зазор із валом.
Таблиця 2
Рекомендовані поля допусків валів та отворів корпусів для підшипників кочення з циркуляційно-навантаженим кільцем
|
Діаметр, мм |
P2 кн/м |
|||
|
Поля допусків валів для внутрішнього кільця підшипника |
js5; js6 |
k5; k6 |
m5; m6 |
n5; n6 |
|
Понад 18 до 80 |
до 300 |
300 – 1400 |
1400 – 1600 |
1600 – 3000 |
|
Понад 80 до 180 |
до 600 |
600 – 2000 |
2000 – 2500 |
2500 – 4000 |
|
Понад 180 до 360 |
до 700 |
700 – 3000 |
3000 – 3500 |
3500 – 6000 |
|
Понад 360 до 630 |
до 900 |
900 – 3500 |
3500 – 4500 |
4500 – 8000 |
|
Поля допусків отворів для зовнішнього кільця підшипника |
K6; K7 |
M6; M7 |
№6; №7 |
P7 |
|
Понад 50 до 180 |
до 800 |
800 – 1000 |
1000 – 1300 |
1300 – 2500 |
|
Понад 180 до 360 |
до 1000 |
1000 – 1500 |
1500 – 2000 |
2000 – 3300 |
|
Понад 360 до 630 |
до 1200 |
1200 – 2000 |
2000 – 2600 |
2600 – 4000 |
|
Понад 630 до 1600 |
до 1600 |
1600 – 2500 |
2500 – 3500 |
3500 - 5500 |
Таблиця 3
Рекомендовані поля допусків валів та отворів корпусів підшипників кочення з місцево-навантаженими кільцями
-
Характер навантаження
Тип підшипника
Номінальний діаметр
d або D,
мм
Рекомендовані поля допусків
валів
отворів у нероз’ємному корпусі
Навантаження спокійне або зі зваженими точками та вібрацією, пере навантаження до 150%, при КП = 1.0
Усі типи, крім штампованих голчатих
До 80
h6; h5
H7; H6
Св. 80 до 260
q6; q5
G7; G6
Св. 260 до 500
js6; js5
Навантаження з ударами та вібрацією, пере навантаження до 300% при КП = 1.8
Усі типи, крім штампованих голчатих та роликових конічних дворядних
До 80
h6; h5
JS7; JS6
Св. 80 до 260
H7; H6
Св. 260
q6; q5
Таблиця 4
Точність розмірів внутрішніх кілець підшипників радіальних шарикових та роликових (по СТ СЄВ 774-77)
-
Номінальний діаметр отвору,
d, мм
Середній діаметр отвору внутрішнього кільця, dm
Ширина кільця, В
Класи точності підшипників
0,6,5,4
0
6
5
4
0,6,5,4
Допустимі відхилення, мкм
верхнє
нижнє
нижнє
нижнє
нижнє
верхнє
нижнє
Понад 18 до 30
0
-10
-8
-6
-6
0
-120
Понад 30 до 50
0
-12
-10
-8
-6
0
-120
Понад 50 до 80
0
-15
-12
-9
-7
0
-150
Понад 80 до 120
0
-20
-15
-10
-8
0
-200
Понад 120до180
0
-25
-18
-13
-10
0
-250
Таблиця 5
Точність розмірів внутрішніх кілець підшипників радіальних шарикових та роликових (по СТ СЄВ 774-77)
|
Номінальний зовнішній діаметр, Д, мм |
Середній діаметр отвору зовнішнього кільця, Дm |
Радіальне биття доріжки кочення, мкм |
|||||||
|
Класи точності підшипників |
|||||||||
|
0,6,5,4 |
0 |
6 |
5 |
4 |
0 |
6 |
5 |
4 |
|
|
Допустимі відхилення, мкм |
|||||||||
|
верхнє |
нижнє |
нижнє |
нижнє |
нижнє |
не більше |
||||
|
Понад 50 до 80 |
0 |
-13 |
-11 |
-9 |
-7 |
25 |
13 |
8 |
5 |
|
Понад 80 до 120 |
0 |
-15 |
-13 |
-10 |
-8 |
35 |
18 |
10 |
6 |
|
Понад 120 до 150 |
0 |
-18 |
-15 |
-11 |
-8 |
40 |
20 |
11 |
7 |
|
Понад 150 до 180 |
0 |
-25 |
-18 |
-13 |
-10 |
45 |
23 |
13 |
8 |
|
Понад 180 до 250 |
0 |
-30 |
-20 |
-15 |
-11 |
50 |
25 |
15 |
10 |
|
Понад 250 до 315 |
0 |
-35 |
-25 |
-18 |
-13 |
60 |
30 |
18 |
11 |
Питання для самоперевірки:
Чим відрізняються підшипники кочення від підшипників ковзання?
Які тіла кочення Ви знаєте?
Перелічить серії підшипників кочення.
Як добирають поля допусків поверхонь, що контактують з підшипниками кочення?
Які є способи навантаження кілець підшипників кочення?
Які Ви знаєте способи добирання полів допусків розмірів поверхонь для з’єднань з підшипниками кочення?
Скільки посадочних місць Ви розраховуєте у підшипниковому вузлі?
Як добирають поля допусків поверхонь, що контактують з підшипниками кочення?
Які Ви знаєте способи добирання полів допусків розмірів поверхонь для з’єднань з підшипниками кочення?
Лекція №10
Тема: Відхилення та допуски форми поверхонь виробів та їх взаємного розміщення
10.1 Основні положення
При аналізі точності геометричних параметрів деталей розрізняють такі поверхні:
1. Номінальні (ідеальні);
2. Реальні (дійсні).
Аналогічно варто розрізняти номінальний і реальний профіль, номінальне і реальне розташування поверхні (профілю). Номінальне визначається номінальними лінійними і умовними розмірами, а реальне – дійсними.
Внаслідок відхилень дійсної форми від номінальної один розмір у різних перетинах деталі може бути різним.
Розміри в поперечному перерізі можна визначити змінним радіусом R, відлічуваним від геометричного центра номінального перетину. Цей радіус називають поточним розміром, тобто розміром, що залежить від положення осьової координати X (Б-Б) і кутової координати φ точки, що лежить на вимірюваній поверхні (φ - кутова координата радіуса R>1>).
φ - полярний кут. Контур поперечного перерізу задовольняє умові замкнутості, тобто f (φ) = f (φ+ 2π) (виходить, функція має період 2Т).

Для аналізу відхилень профілю контур перетину дійсної поверхні можна характеризувати сукупністю гармонійних складових із різними частотами.
Для аналітичного зображення дійсного профілю (контуру перетину) поверхні використають розкладання функції погрішностей f(φ) у ряд Фур'є.
Відхилення ΔR січного розміру R (при обраному значенні Х) від номінального (постійного) розміру R>0>, можна виразити залежністю:
ΔR=R-R>0>=f(φ)
Розглядаючи відхилення ΔR радіуса-вектора в полярній системі координат як функцію полярного кута φ, можна представити відхилення контуру поперечного переріза деталі у вигляді ряду Фур'є:
,
де
-
нульовий член розкладання
а>к>, b>к> - коефіцієнти ряду Фур'є коливань гармоніки.
К - порядковий номер. Ряд Фур'є можна представити також у вигляді:
,
де С>к> - амплітуда коливань гармоніки.
φ>k> - початкова фаза.
Функція f(φ) визначається сукупністю величин С>к>, (спектра амплітуд) і φ>k> (спектра фаз).
Далі використаємо ряд з обмеженим числом членів, тобто тригонометричний поліном:

Відповідно до теорії Фур'є, нульовий член розкладання в загальному випадку є середнім значенням f(φ) за період 2π :
,
тобто
-є постійна,
складова відхилення поточного розміру.
1-й член розкладання С>1>cos(φ + φ>1)>, виражає розбіжність центра обертання О с геометричним центром перетину О (ексцентриситет), тобто відхилення розташування поверхні. Тут С>1>, φ>1 >- амплітуда й фаза. Члени ряду, починаючи із 2-го і до К = р утворять спектр відхилень форми деталі в поперечному перерізі.

При цьому 2-й член ряду
- виражає овальність, 3-й
- огранювання із 3-х верховим профілем.
Наступні члени ряду, що мають номер К >
р, виражають хвилястість, при досить
великій кількості членів ряду одержуємо
високочастотні складові, що виражають
шорсткість поверхні.
Аналогічно можна представити відхилення контуру циліндричної поверхні в поздовжньому перерізі, але умова замкнутості контуру в цьому випадку не виконується, де z- змінна, що відлічується уздовж осі циліндра.
Уявивши циліндричну систему координат R, φ , Z і умовно прийнявши, що період Т=2Т, представимо відхилення контуру в поздовжньому перерізі f(z) у вигляді тригонометричного полінома:
,
де 0≤z≤ℓ
при К= 1
;
,
де К- порядковий номер члена.

Перший член розкладання характеризує нахил утворюючого циліндра (конусоподібність).
Другий характеризує опуклість контуру в поздовжньому перерізі. Цей же 2-й - при наявності зсуву фази виражає сідлоподібність тощо.

10.2 Терміни і визначення відхилень і допусків форми
Відхилення форми оцінюється по всій поверхні (по всьому профілі) або на нормованій ділянці. Відлік відхилень форми поверхні виробляється від прилягаючої поверхні, під якою розуміється поверхня, що має форму номінальної поверхні. Параметром для кількісної оцінки відхилень форми є найбільша відстань А від точок реальної поверхні (профілю) до прилягаючої поверхні в межах ділянки.
Відхиленням форми називається відхилення форми реальної поверхні від форми номінальної поверхні. До відхилень форми ставляться відхилення плоских і циліндричних деталей. Плоскі поверхні деталі характеризуються відхиленнями від площинності й прямолінійності (табл. 1).
Таблиця 1
Відхилення від площинності й прямолінійності
|
Зображення відхилення |
Визначення |
Нанесення допусків на кресленні |
|
|
Відхилення від площинності (неплощинність). Найбільша відстань від точок реальної поверхні до прилягаючої площини в межах нормованої ділянки |
Допуск площинності поверхні А 0,01 мм |
|
Зображення відхилення |
Визначення |
Нанесення допусків на кресленні |
Прилягаюча пряма
Р
|
Відхилення від прямоліній-ності (непрямолінійність). Найбільша відстань від точок реального профілю до прилягаючої прямої в межах нормованої ділянки |
Допуск прямолінійності поверхні А 0,01 мм |
Приватними видами відхилення від прямолінійності й площинності є увігнутість і опуклість (табл. 2).
Таблиця 2
Приватні види відхилення від прямолінійності й площинності - опуклість й увігнутість
Зображеннявідхилення |
Визначення |
Нанесення допусків на кресленні |
|
|
Відхилення від площинності (прямолінійності), при якому видалення точок реальної поверхні (реального профілю) від прилягаючої площини (прямій) зменшується від країв до середини |
Допуск площинності поверхні А 0,004 мм, опуклість не допускається |
|
|
Відхилення від площинності (прямолінійності), при якому видалення точок реальної поверхні (реального профілю) від прилягаючої площини (прямій) збільшується від країв до середини |
Допуск площинності поверхні А 001 мм, увігнутість не допускається |
Відхилення форми деталі, що має вид циліндра, характеризуються відхиленням від циліндричності, під якою розуміються відхилення поверхні деталі від ідеального циліндра. Щоб можна було виконувати виміру безпосередньо на виробництві, нормуються два види відхилень: відхилення профілю в поперечному й поздовжньому перерізах.
Таблиця 3
Приватні види відхилень форми циліндричних поверхонь
Найменування відхилення |
Визначення |
|
Відхилення від круглості |
|
|
Овальність
|
Реальний профіль являє собою овальну фігуру, найбільший і найменший діаметри якої вказують на овальність |
|
Огранювання
|
Реальний профіль являє собою багатогранну фігуру |
10.3 Методи й засоби контролю форми і розташування поверхонь
Конусоподібність (величина її) визначається як половина різниці між найбільшим і найменшим діаметрами, отриманими вимірами у двох перерізах по краях деталі або на заданій довжині.
Таблиця 4
Приватні види відхилень форми циліндричних поверхонь
|
Найменування відхилення |
Визначення |
|
Відхилення профілю поздовжнього перерізу |
|
|
Конусоподібність
|
Утворюючі прямолінійні, але не паралельні |
|
Бочкоподібність
|
Утворюючі непрямолінійні, і діаметри збільшуються від країв до середини перерізу |
|
Найменування відхилення |
Визначення |
|
Відхилення профілю поздовжнього перерізу |
|
|
Сідлоподібність
|
Утворюючі непрямолінійні, і діаметри зменшуються від країв до середини перетину |
Бочкоподібність і сідлоподібність визначаються як половина різниці між найбільшим і найменшим діаметрами, обмірюваними в трьох перерізах — по краях і у середині або на заданій довжині. Для контролю конусоподібності, бочкоподібності і сідлоподібності можна використати різні вимірювальні засоби залежно від точності, що вимагається, виміру (штангенциркулі, мікрометри, індикаторні скоби).
Питання для самоперевірки:
Які причини викликають похибки?
Які поверхні називаються реальними та номінальними?
Що таке відхилення від прямолінійності та відхилення від площинності та як вони визначаються?
Що називається відхиленням від циліндричності?
Якими умовними знаками визначають відхилення від форм поверхні?
Що називається відхиленням від паралельності і як воно визначається? Наведіть приклад.
Що називається відхиленням від співвісності? Які воно має види та як визначається? Наведіть приклади.
Назвіть види похибок.
Перерахуйте похибки форми у поздовжньому перерізі.
Перерахуйте похибки форми у поперечному перерізі.
Лекція №11
Тема: Параметри шорсткості поверхонь. Нормування шорсткості поверхонь
11.1 Основні положення
Реальні поверхні, отримані обробкою на металорізальних верстатах (результат вібрації при обробці) або іншим шляхом, зображені рядом виступів і западин різної висоти й форми й порівняно малих розмірів за висотою і шагом.
Ці виступи й западини утворюють нерівності поверхні (мікронерівності). Під шорсткістю поверхні розуміється сукупність мікронерівностей з відносно малими шагами.
Шорсткість поверхні оцінюється по нерівностях профілю, отриманого шляхом перетину поверхні площиною і розглядають у межах обмеженої ділянки, довжина якого називається базовою довжиною.
Параметри, що визначають мікрогеометрію поверхні за ДСТ 2789-73:

Рис. 1 Схема шорсткості поверхні
1- базова довжина (реальна ділянка поверхні, на якій встановлюються параметри);
m - базова лінія, середня лінія.
Любий різальний інструмент - різець, фреза, абразивне коло або абразивна паста - залишає на обробленій поверхні мікроскопічні нерівності - шорсткості. Незважаючи на них, здавалося б, малу величину, вони дуже впливають на експлуатаційні якості машин. По висоті шорсткості судять про чистоту поверхні: чим вона менше, тим поверхня більш чиста. Шорсткості, що залишилися після обробки, заважають щільному зіткненню деталей у з’єднанні. Зіткнення відбувається по вершинах виступів, і дивлячись по тому, як багато точок дотику мають деталі, можна судити про величину так названої контактної поверхні, що завжди менше номінальної. Навіть після тонкого шліфування вона в два-три рази менше номінальної, а при звичайній чистовій обробці різцем дійсна площа торкання складає менш 20 % номінальної.
Від величини шорсткості залежить знос деталей машин, витрата енергії на подолання сил тертя (до 25 % у токарському верстаті), міцність посадок з натягом, опір корозії і навіть міцність деталей. При запресовуванні шорсткості на поверхнях, що з'єднуються, мнучи, зменшують величину натягу, що приводить до зниження міцності з'єднань з натягом. Деталі, оброблені різцем, під дією змінних навантажень руйнуються в два рази швидше, ніж поліровані.
При визначенні необхідної чистоти обробки необхідно враховувати призначення і умови роботи машини в цілому, навантаження, що діють на кожну деталь машини, необхідну посадку, точність обробки тощо. Задача призначення необхідної чистоти поверхні покладена на конструктора.
Контроль і вимірювання шорсткості поверхні
Усі стандартні параметри шорсткості визначаються за профілем поверхні.
Отже, основним є профільний метод оцінки шорсткості, що прийнятий в усім світі (профілометр).
Однак деталі машин контактують один з одним по поверхні і, отже, було б більш правильно оцінювати шорсткість за поверхнею, а не за профілем. Теорія такого методу дуже складна, і в даний час її тільки починають розробляти.
До методу оцінки шорсткості за поверхнею відноситься суб'єктивний метод оцінки шорсткості поверхонь деталей порівнянням зі зразками.
На робочому місці не завжди зручно користуватися існуючими приладами для виміру, тому широко розповсюджений метод контролю шорсткості порівнянням виробу з атестованою деталлю зі стандартним зразком шорсткості. Сутність методу полягає в тому, що візуально або дотиком за допомогою лупи або спеціального мікроскопа порівняння поверхня деталі порівнюється з поверхнею стандартного зразка. При контролі за допомогою мікроскопа порівняння в поле зору мікроскопа одночасно спостерігаються контрольована поверхня і поверхня стандартного зразка при однаковому збільшенні і освітленості.
11.2 Терміни і визначення параметрів шорсткості
Стандарт передбачає шість параметрів:
3 висотних ( R>а>, R>z>, R>max>), 2 шагових S і S>m>, 1- по опорній довжині профілю t>p>.
1 - R>a>- середньоарифметичне відхилення профілю - являє собою середнє арифметичне абсолютних значень відхилень профілю - від середньої лінії в межах базової довжини.
(мкм). Цей параметр дає
більш точну оцінку шорсткості.
2 - R>z>- висота нерівностей профілю по десяти точках - є сума середніх абсолютних відхилень точок п'яти найменших min - Н>min> і п'яти найбільших max - Н>max> профілю в межах базової довжини.


R>max>- найбільша висота нерівностей профілю - це відстань між лініями виступів і западин профілю в межах базової довжини.
S>m> - середній шаг нерівностей профілю - дорівнює середньому арифметичному значенню шагу нерівностей профілю в межах базової довжини:
(мкм)
5- S- середній шаг нерівностей профілю по вершинах - дорівнює середньому арифметичному значенню шагу нерівностей профілю по вершинах у межі базової довжини:
(мкм)
6-
t>p>-
відносна опорна довжина профілю
характеризує в поздовжньому напрямку
фактичну площу контакту на заданому
рівні перерізу профілю:
;
тепер
;
- сума перерізу ділянок.
А можна через Р - рівень перерізу профілів:
- значення рівнів в %
характеризує шорсткість по висоті.
Параметри шорсткості вибирають із урахуванням умов роботи деталей:
для поверхонь, що працюють в умовах тертя, ковзання, кочення і піддаються зношенню - R>a>, R>z> або t>p>;
для поверхонь, що випробовують контактні σ -R>a>, R>z>, t>p>;
при необхідності забезпечити відносну нерухомість з'єднаних деталей - R>a> або R>z>;
для деталей, що випробовують змінні навантаження - R>max>, S>m>, S.
Напрямок нерівностей представляє умовний рисунок, утворений на поверхні різальними елементами інструмента в процесі обробки.
Позначення шорсткості на кресленнях за ДСТ 2.309-73.
Залежно від методу обробки шорсткість позначається одним з трьох знаків (рис. 2):
в
ид
обробки не встановлюється;
поверхня
повинна бути утворена видаленням шару
матеріалу;
поверхня повинна бути утворена без видалення шару матеріалу;

Рис. 2 Схема позначення шорсткості
П
означення
шорсткості однакової для частини
поверхонь виробу, може бути розташоване
в правому верхньому куті креслення
разом з умовною позначкою
Ц
е
означає, що всі поверхні, на зображенні
яких не нанесені позначення шорсткості
або знак повинні мати шорсткість,
зазначену перед умовним позначенням.
Шорсткість поверхні відіграє велику роль у рухливих з'єднаннях деталей, впливає на тертя і знос тертьових поверхонь підшипників, напрямних, повзунів тощо При недостатньо гладких тертьових поверхнях зіткнення між ними відбувається в окремих точках при підвищеному тиску, змащування видавлюється, що особливо важливо для підшипників швидкохідних і точних машинах і приладів, у яких не можна допускати великих зазорів.
Шорсткість поверхні залежить від квалітету обробленої поверхні і впливає на міцність і руйнування деталі, особливо при змінних навантаженнях. Чим «чистіше поверхня, тим менше можливість виникнення поверхневих тріщин від утоми металу.
Зменшення шорсткості поверхні поліпшує антикорозійну стійкість, особливо важливо, якщо не можуть бути використані захисні покриття.
Питання для самоперевірки:
Чому поверхні деталей після обробки виходять шорсткуватими?
Які показники характеризують шорсткість поверхні?
Назвіть висотні параметри шорсткості?
Назвіть крокові параметри шорсткості?
Приведіть приклади позначень напрямків нерівностей на поверхнях.
Приведіть приклади позначення шорсткості на кресленнях.
Назвіть види контролю шорсткості.
На що впливає чистова відділка?
Яку роль грає шорсткість у рухомих з’єднаннях деталей?
Що називається шорсткістю поверхні?
Класифікація калібрів за призначенням.
Які вимоги пред'являються до виготовлення калібрів за конструкцією, за точністю, за шорсткістю робочої поверхні, за матеріалом, щодо експлуатації?
Що таке номінальний розмір калібру?
Як розрахувати виконавчий розмір калібру?
15. Як визначають робочі калібри?
16. Як визначають контрольні калібри?
Лекція №12
Тема: Спеціальні засоби контролю та вимірювання розмірів і якості поверхонь виробів
12.1 Класифікація засобів контролю
Калібрами називають безшкальні міри, призначені для контролю розмірів, форми й розташування поверхонь деталей.
Калібри бувають нормальні й граничні.
Нормальними називають калібри, розміри яких відповідають номінальним розмірам контрольованих деталей.
Граничні калібри мають два робочі розміри: один відповідає найбільшому граничному розміру, другий - найменшому граничному розміру. Один із зазначених розмірів називається прохідним (ПР), інший - непрохідним (НЕ).
Граничними калібрами контролюють гладкі циліндричні, конусні поверхні, нарізні і шліцьові з'єднання, висоти виступів і глибини западин.
За призначенням калібри ділять на дві основні групи:
1) робочі Р-ПР (частково зношені), Р-НЕ (нові);
2) контрольні К-РП, К-НЕ, К-И (контрольні калібри для зношування робочого прохідного калібру).
Контрольні калібри є непрохідними і служать для вилучення з експлуатації внаслідок зношування прохідних робочих скоб. Придатність деталі перевіряють послідовним сполученням прохідного і непрохідного калібрів з деталлю. Граничні калібри застосовують для контролю отворів і валів.
Калібри-пробки для отворів, бувають наступних конструкцій:
а) пробки із вставками із дроту для контролю отворів діаметром від 1 до 3мм.
б) двосторонні пробки, що мають вставки короткими хвостовиками для контролю отворів діаметром від 1 до 50 мм.
в) для контролю отворів діаметром від 30 до 100 мм використають однобічні пробки.
г) для контролю отворів діаметром більше 50 мм використовують пробки із неповним профілем.
д) контроль розмірів від 250 до 1000 мм здійснюють штихмасами.
Калібри-скоби для контролю валів мають різні конструкції. Скоба листова однобічна від 1 до 180 мм, листова двостороння від 1 до 50 мм.
Скоба штампована двостороння від 3 до 100 мм. Скоба регульована (більше 8 квалітету) від 0 до 340 мм.
Скоби виготовляють одно- і двосторонніми з листових заготовок або штампованими. Крім твердих калібрів-скоб, промисловість випускає і регульовані скоби (важільні).
Граничні калібри широко використовують для контролю не тільки діаметральних, але і інших лінійних розмірів. Або перевіряють ширину, висоту, глибину, довжину різних уступів. Вони мають різну конструкцію, що залежить від методу контролю. Контроль лінійних розмірів цими калібрами здійснюють методами "входження", "надвигання", "світлової щілини", "по ризиках".
Шаблони-калібри виготовляють із листового матеріалу. За допомогою цих калібрів контролюють внутрішні і зовнішні розміри, відстані між паралельними поверхнями з допусками за 11 квалітетом.
Комплект робочих граничних калібрів для контролю розмірів гладких циліндричних деталей складається з:
ПР - номінальний розмір якого дорівнює d>mах> або D>min>; їм контролюють граничний розмір, що відповідає максимуму матеріалу об'єкта, що перевіряється.
НЕ - номінальний розмір якого дорівнює d>min> або D>max>; їм контролюють граничний розмір, що відповідає мінімуму матеріалу об'єкта, що перевіряється.
Деталь уважають придатною, якщо прохідний калібр під дією власної ваги або зусилля проходить, а НЕ не проходить по контрольованій поверхні деталі. У цьому випадку дійсний розмір деталі перебуває між заданими граничними розмірами. Якщо прохідний калібр не проходить, деталь можна поправити, а якщо проходить, деталь є непоправним браком, тому що розмір такого вала менше найменшого граничного розміру, що допускає, деталі, а розмір такого отвору більше найбільшого допустимого граничного розміру.
12.2 Вимоги до виготовлення калібрів
Вимоги, пропоновані до виготовлення калібрів:
- за конструкцією:
калібр-пробка для контролю отворів.
калібр-скоба для контролю вала.
- за матеріалом:
1) калібри із інструментальної легованої сталі ХВГ, ШХ6, ШХ15;
2) калібри з вуглецевої сталі У8.
- за робочою поверхнею:
хромування в 5 разів підвищує зносостійкість: виготовляються з 01 по 4 квалітет, мають точність до 4-го знака. Робочі поверхні калібрів мають шорсткість 9-12 класів точності.
Скоби листові і пробки оснащені твердим сплавом, зносостійкість яких в 50-150 разів вище сталевого і в 25-40 разів вище хромованих калібрів, при підвищенні вартості в 3-5 разів.
- щодо експлуатації:
основне правило - калібр повинен вільно проходити в те, що перевіряють.
12.3 Схеми розташування полів допусків
В умовах виробництва контроль діаметрів валів проводять за допомогою калібрів-скоб, які за конструкцією бувають односторонні або двосторонні. Прохідна сторона скоби виготовляється номінально рівною найбільшому граничному розміру контрольованого валу, а непрохідна сторона - номінально рівною якнайменшому граничному розміру валу. Калібри-пробки для контролю отворів також бувають прохідними Р-ПР та непрохідними Р-НЕ. Прохідна сторона пробки виготовляється номінально рівною найменшому граничному розміру контрольованого отвору, а непрохідна сторона – номінально рівною найбільшому розміру отвору.
Розміри прохідних і непрохідних калібрів, як і розмір будь-якого виробу, не можуть бути виготовлені абсолютно точно. Допуски на неточність виготовлення калібрів і допуск на їх знос передбачені спеціальними стандартами. Допуск на знос встановлюється тільки для робочих прохідних калібрів. Встановлені стандартом відхилення для калібрів відлічуються від граничних розмірів деталей.
В діючому стандарті СТ СЄВ 157 – 75 прийняті наступні позначення розмірів і допусків:
D – номінальний розмір виробу;
D>min> – найменший граничний розмір виробу;
D>max> – найбільший граничний розмір виробу;
Т – допуск виробу;
Н – допуск на виготовлення калібрів для отвору;
Н>s> – допуск на виготовлення калібрів із специфічними вимірювальними поверхнями для отвору;
Н>1> – допуск на виготовлення калібрів для валу;
Н>Р> – допуск на виготовлення контрольного калібру для скоб;
Z – відхилення середини поля допуску на виготовлення прохідного калібру для отвору відносно найменшого граничного розміру виробу;
Z>1> – відхилення середини поля допуску на виготовлення прохідного калібру для валу відносно найбільшого граничного розміру виробу;
Y – допустимий вихід розміру зношеного прохідного калібру для отвору за межу поля допуску виробу;
Y>1> - допустимий вихід розміру зношеного прохідного калібру для валу за межу поля допуску виробу;
α – величина для компенсації погрішності контролю калібрами отворів з розмірами понад 180 мм;
α>1> - – величина для компенсації погрішності контролю калібрами валів з розмірами понад 180 мм
Схеми розташування полів допусків калібрів для отворів квалітетів 6, 7 та 9 та номінальних розмірів до 180 мм:

Рис.1
Для валів квалітетів 6, 7 та 8 та номінальних розмірів до 180 мм:

Рис.2
Питання для самоперевірки:
1. Класифікація калібрів за призначенням.
2. Які вимоги пред'являються до виготовлення калібрів: за конструкцією, за точністю, за шорсткістю робочих поверхонь, за матеріалом, щодо експлуатації?
3. Що таке номінальний розмір калібру?
4. Як розрахувати виконавчий розмір калібру?
5. Як визначають робочі калібри?
6. Як визначають контрольні калібри?
Лекція №13
Тема: Взаємозамінність нарізних з’єднань. Нарізні калібри
13.1 Основні положення
Залежно від призначення і виконання функцій різі поділяють на кінематичні, кріпильні, трубні тощо. Вони широко застосовуються у машинобудуванні. А за формою поверхонь, на яких нанесена різь, вона поділяється на метричну, упорну, дюймову, трапецеїдальну тощо. Нарізні з’єднання мають чимало параметрів, до точності яких ставлять вимоги. Для кріпильних нарізних з’єднань вимоги до точності параметрів значно нижче, однак високі вимоги до їх міцності. Для кінематичних нарізних з’єднань, призначених для переміщення робочих органів і механізмів обробних верстатів, високі вимоги висувають як до точності параметрів, так і до їх міцності.
Розглянемо лише метричні нарізні з’єднання, до параметрів яких належать великий, середній та малий діаметри, шаг, кут профілю різі та ін.
13.2 Терміни й визначення
На профілю метричної різі (рис. 1) зазначені всі основні параметри.
Будь-який вид різі характеризується профілем, діаметрами, кроком, ходом та іншими параметрами.
Вісь різі - це лінія, відносно якої утворено гвинтову поверхню різі.
Профілем різі є профіль виступу та канавки у площині, яка проходить через вісь.
Основний профіль різі - це спільний для зовнішньої та внутрішньої різей профіль, який обумовлюється номінальними розмірами його лінійних та кутових елементів і є основою для визначення номінального профілю різі.
Вершина різі являє собою частину гвинтової поверхні, яка з'єднує суміжні сторони різі по верху її виступу.
Зовнішній діаметр різі (D, d) - це діаметр умовного прямого колового циліндра, описаного навколо вершин зовнішньої або западин внутрішньої різі: D - зовнішній діаметр внутрішньої різі (гайка); d - зовнішній діаметр зовнішньої різі (болт).
Внутрішнім діаметром різі (d>1>, D>1>) є діаметр умовного прямого колового циліндра, вписаного в западини зовнішньої або вершини внутрішньої різі: d>1> - внутрішній діаметр болта; D>1> - внутрішній діаметр гайки.
Середній діаметр різі (d>2>, D>2>) - це діаметр умовного циліндра, вісь якого збігається з віссю різі і кожна твірна якого перетинає профіль різі так, що її відрізки, утворені при перетині з канавкою, дорівнюють половині номінального кроку різі.
Номінальний діаметр умовно характеризує розміри різі і використовується при її позначенні.
Крок різі Р являє собою відстань по лінії, яка паралельна осі різі, між двома відповідними точками двох сусідніх витків.
Кут профілю різі α – кут між суміжними бічними сторонами профілю різі у площині осьового перерізу.
Вихідним трикутником різі є трикутник, вершини якого утворюються точками перетину подовження бічних сторін основного профілю різі.
Висота вихідного трикутника Н - це відстань між його вершиною й основою в напрямку, перпендикулярному до осі різі.
Метрична різь (рис. 1) характеризується кутом профілю α = 60°. Найбільш поширені метричні різі з діаметрами від 1 до 600 мм. Основною особливістю профілю метричної різі є те, що його вершини зрізані по внутрішньому діаметру гайки на відстані Н/4, а по зовнішньому діаметру болта - на відстані Н/8 від вершини теоретичного профілю.

Рис. 1 Метрична різь

Рис. 2 Положення полів допусків внутрішньої різі

Рис. 3 Положення полів допусків зовнішньої різі
Кріпильна метрична різь застосовується при роз’ємному з’єднанні запчастин машин. Головне її призначення – забезпечення міцності з’єднань та збереження щільності стику у процесі тривалої експлуатації.
Приклад
Дано: М16х1-6Н/6g - метрична різь з зазором (для з’єднання H/h – риc. 4, 7).
Беремо з ДСТ 24705-81 параметри:
Р=1 мм
D=d=16,000 мм
D>1>=d>1>=14,917 мм
D>2>=d>2>=15,917 мм
D>3>=d>3>=14,773 мм
Знаходимо висоту теоретичного трикутника та вказуємо основні параметри (рис. 4):


Рис. 4 Метрична різь М16х1-6Н/6g
З ДСТ 16093-81 знаходимо граничні відхилення:
(6g)d: es=-26 мкм(7g)D: EI=0
ei=-206 мкмD>2>: EI=0
d>2>: es=-26 мкм ES=160 мкм
ei=-138 мкмD>1>: EI=0
d>1>=es=-26 мкм ES=236 мкм
Допуски розмірів отвору і вала відповідають формулам:
TD=ES-EI
Td=es-ei
Тобто:
TD>2>=160 мкм =0,16 мм
TD>1>=236 мкм =0,236 мм
Td>2>= -26+138=112 мкм = 0,112 мм
Td=-26+206=180 мкм =0,18 мм.
Знайдені допуски розмірів вказуємо на рис. 2, 3.
13.3 Нарізні калібри
Нарізні пробки ПР для контролю гайок і нарізні кільця для контролю болтів є прототипами деталей, що з’єднують. Прийняті по них нарізні деталі забезпечують повну взаємозамінність.
Вгвинчування пробки ПР у гайку показує, що середній діаметр не виходить за встановлений найменший граничний розмір, наявні помилки шагу і кута профілю різі гайки компенсовані відповідним підвищенням середнього діаметра, D>1>>d (зовнішній діаметр гайки не менше зовнішнього діаметра болта). Отже, прохідна пробка контролює наведений середній діаметр D>2 >- це значення середнього діаметра різьблення, збільшене для болта і зменшено для гайки на сумарну діаметральну компенсацію відхилень шагу і кута нахилу бічної сторони профілю, тобто:

а для гайки:
Якщо прохідна пробка НЕ не вгвинчується, то це означає, що середній діаметр гайки не перебільшує встановленого найбільшого граничного розміру. Для зниження впливу помилок шагу і кута профілю на результати контролю непрохідні калібри мають невелике число витків (2,5-3) і малу вимірювальну довжину сторін профілю із притупленням по зовнішньому діаметру, та канавку по внутрішньому діаметру.
Такий профіль різі НЕ пробки пристосований до перевірки тільки середнього діаметра і називається вкороченим. Пробка НЕ, як правило, не повинна вгвинчуватися в гайку, але при нормальній довжині різі допускається вгвинчування до 2-х обертів з одного торця деталі або в сумі з 2-х сторін. Робочими калібрами для перевірки болтів є нарізні ПР і НЕ кільця, а також нарізні скоби.
Для контролю самих робочих калібрів передбачені контрольні калібри у вигляді нарізних пробок, які позначаються:
КПР-ПР і КПР-НЕ
У-ПР і У-НЕ
К-И і КИ-НЕ
КНЕ-ПР і КНЕ-НЕ
Тверді робочі ПР кільця перевіряють контркалібрами - прохідною пробкою, що повинна згвинчуватися - КПР-ПР і непрохідною пробкою, що не повинна згвинчується - КПР-НЕ.
Регульовані робочі нарізні кільця встановлюють по контркалібрам у вигляді настановних пробок: У-ПР - для прохідного нарізного кільця, У-НЕ - для непрохідного кільця.
Зношування робочих кілець і скоб перевіряють контркалібрами:
К-И – прохідних;
КИ-НЕ - непрохідних
Тверді робочі непрохідні кільця перевіряють контркалібрами - прохідною пробкою КНЕ-ПР і непрохідною КНЕ-НЕ.
5) Регульовані робочі скоби перевіряють тільки прохідними пробками КПР-ПР і КНЕ-ПР.
ГОСТ 160ФЗ—SI
Дані положення відповідають ДСТ 24705-81 (рис. 5, 6)

Рис. 5 Положення полів допусків зовнішньої різі з основними відхиленнями d, e, f, g з основним відхиленням h

Рис. 6 Положення полів допусків внутрішньої різі з основними відхиленнями E, F, G з основним відхиленням H
Питання для самоперевірки:
Назвіть основні параметри різі
У чому складається призначення нарізних з’єднань?
Які величини входять у зведений середній діаметр?
Які ступені точності встановлені для середнього та поверхневого діаметрів поверхневої різі?
Яке визначення внутрішньої та поверхневої різі?
Лекція №14
Тема: Контроль якості продукції у машинобудуванні
14.1 Визначення якості продукції машинобудування
Якістю продукції називають сукупність характеристик продукції (процесу, послуг), які стосуються її здатності задовольняти визначені потреби. Характеристика продукції - це об'єктивна її особливість, за якою її відрізняють від інших видів продукції.
Якість виготовлення - це сукупність характеристик процесу виготовлення продукції, від яких залежить відповідність цього процесу та його результатів певним вимогам. Показник якості продукції - це кількісна характеристика однієї чи кількох її властивостей, що визначають її якість за певних умов створення, використання чи споживання.
Галузь науки, яка пов'язана з кількісною оцінкою якості продукції і називається кваліметрія.
Основним завданням цієї науки є обгрунтування номенклатури показників якості продукції, розроблення методів і засобів їх розрахунку, вимірювання, контролю, оптимізації, виділення узагальнених показників якості продукції, використання їх для прогнозування змін якості продукції у часі та просторі, керування рівнем якості продукції різного призначення, створення системи стандартів (ДСТ 180 9001-95; ДСТ І8О 9002-95 тощо).
Серед практичних завдань контролю якості - розроблення методів визначення оптимальних значень показників якості продукції, аналіз вимог до неї, точності вимірювання, порівняння та репрезентативності показників якості, уніфікації методів і засобів визначення окремих властивостей продукції, що зумовлюють її якість.
14.2 Поняття фізичних величин
Фізичні величини та показники якості - не тотожні між собою. За допомогою перших описують властивості, які в сукупності зумовлюють якість продукції. Фізичні величини відображають об'єктивні властивості природи, а показники якості - суспільну потребу за певних умов. Наприклад, маса - фізична величина, а маса виробу - показник його транспортабельності; швидкість - фізична величина, а експлуатаційна швидкість автомобіля чи літака - показники їх призначення; освітленість - фізична величина, а освітленість робочого місця - ергономічний показник якості продукції.
14.3 Приклади відносних показників якості
Абсолютні значення показників якості бувають розмірними й безрозмірними, а відносні - тільки безрозмірними. Наприклад: відносна трудомісткість виготовлення продукції за трудомісткістю виготовлення заготовок (%):
,
де Т>тз> - відносна трудомісткість (%) виготовлення продукції за обсягом трудомісткості виготовлення заготовок Т , нормо-год;
Т - загальна трудомісткість виготовлення продукції, нормо-год.
Відносна вартість продукції за вартістю заготовок (%):

де В>вз> - відносна вартість (%) виготовлення продукції за вартістю виготовлення заготовок В>з>, грн;
В - загальна вартість виготовлення продукції, грн.
Якість продукції є функцією багатьох факторів. Наприклад, якість продукції машинобудування залежить від технічного рівня галузі (досконалості та технологічності конструкції, рівня матеріально-технічного забезпечення виробництва, якості використовуваних матеріалів, заготовок і комплектувальних виробів, енерго- та матеріаломісткості продукції, рівня механізації та автоматизації виробництва, стандартизації, сертифікації тощо), експлуатаційних показників якості продукції (кількості та надійності виконуваних функцій, ремонтопридатності, економічності, ергономічності, безпеки праці, патентної чистоти та захищеності, дизайну тощо).
Контроль якості продукції, стандартизація та метрологія - тісно пов'язані між собою галузі, які доповнюють одна одну та забезпечують об'єктивність оцінки якості праці виробників продукції різних галузей народного господарства, у тому числі хімічного машинобудування.
Кожна властивість може мати кілька характеристик, але тільки найприйнятнішу з них називають мірою.
За міру властивостей фізичних величин беруть лінійні й кутові розміри, масу, час, тиск, швидкість тощо, а мірами властивостей, які означають якість продукції, є показники її якості. Для оцінки властивостей фізичних величин використовують вимірювання геометричних і механічних величин, тиску й вакууму, температури та інших теплофізичних параметрів, частоти та часу, магнітних, електричних, акустичних величин тощо.
Об'єктами вимірювань є не тільки фізичні величини. Наприклад, в економіці поширеним є поняття вартості, яке спільне для всіх видів товарної продукції, хоча кількісно воно є різним для кожної з них. Іншим прикладом може бути ціна, яка колись оцінювалась кількістю різних товарів, а в епоху товарно-грошових відносин - грішми. Вартість і ціна є різними показниками товарної продукції, які відносять не до фізичних величин, а до економічних показників продукції.
Розробляються та запроваджуються у виробництво стандарти й рекомендації, які встановлюють єдину термінологію, методи та засоби вимірювання, контролю та забезпечення заданого рівня якості продукції.
Питання для самоперевірки:
Дайте визначення якості продукції машинобудування.
Чим відрізняються поняття фізична величина, властивість, параметр та показник якості продукції?
Що спільного між фізичною величиною та показниками якості продукції?
Наведіть приклади комплексних показників якості продукції.
Яку властивість продукції називають мірою?
Як визначають показники якості продукції?
1


















;









;





;
;













;
;
;

;








еальний
профіль




