Вытяжная вентиляция птичника
Введение
На животноводческих комплексах промышленного типа, во многих передовых хозяйствах электрофицированны почти все производственные процессы. Используется прогрессивная технология и современные машины. Все больше находят применение новые системы автоматического дистанционного контроля и управления технологическими процессами.
Электрический привод потребляет более двух третей электроэнергии, вырабатываемой в стране. Электропривод сельскохозяйственных машин является основой, на которой базируется комплексная механизация стационарных процессов всех отраслей сельскохозяйственного производства. Опыт эксплуатации животноводческих помещений промышленного типа показывает, что затраты труда на производство молока в 2-3 раза меньше, а число животных одним работником в 1,5-2,5 раза больше, чем на существующих фермах.
Для поддержания оптимального состава воздуха в производственных помещениях необходима систематическая вентиляция с обменом воздуха во всех слоях. В животноводческих помещениях воздух загрязняют выделяемые животными элементы, углекислый газ , сероводород, водяные пары, избыточная теплота, образующийся в помещении аммиак и метан. Неудовлетворительный температурно-влажностный режим и газовый состав воздуха в помещении приводят к снижению яйценоскости кур на 15-20%, а излишняя скорость воздуха, вызывает простудные заболевании.
Интенсификация птицеводства предполагает концентрацию большого поголовья птиц в одном помещении, поэтому без поддержания оптимального уровня микроклимата здесь не обойтись. При этом происходит повышение яйценоскости птиц на 15%, сокращение выбраковки в 2 раза.
Основные цели курсового проектирования являются :
-систематизировать и закрепить теоретические знания и практические навыки по пройденным дисциплинам «электропривод сельскохозяйственных машин», «механизация сельского хозяйства», «инженерная графика», «охрана труда».
-углубить теоретические знания по выбору электропривода вентиляционной установки, для развития профессиональных знаний.
-уметь применять теоретические знания в разработке технологической схемы, схемы электрической расположения в расчете и выборе электропривода вентиляционной установки, силовой сети.
-развить техническую и творческую инициативу, самостоятельность.
-разработать мероприятия по экономии электроэнергии в электроприводе противопожарные мероприятия, мероприятия по электробезопасности и охране труда.
-закрепит методику выбора и проверку пускозащитной аппаратуры электродвигателя, провода и кабеля для питания электроприемеников.
1. Общая характеристика птичника на 10 тыс. голов
Птичник предназначен для содержания кур от 140 дневного возраста с клеточным содержанием.
Размер птичника 96*18*3,8м. Состоит из 2-х изолированных друг от друга залов для содержания кур и подсобных помещений: вытяжной камеры, служебной и инвентарной комнаты, коридоров, гардероба.
На птицеводческих фермах используется клеточное и напольное содержание птиц. Наиболее перспективное клеточное содержание. Куря несушки содержатся в клеточных батареях при искусственном освещении. Птичник оборудован механизированными батареями КБН-1, в в которых имеются механизмы для раздачи кормов, сбора яиц и удаления помета.
Кормление птиц производится кормораздатчиком. Поение птиц осуществляется с помощью скребкового механизма батареи. От батареи помет сбрасывается через люк в полу на транспортер скребковый ТСН-3,0Б, который перегружает его в транспортное средство.
2. Обоснование выбора типа установки
Комплект вентиляционного оборудования «Климат-45» предназначен для создания необходимого воздухообмена в птицеводческих помещениях. В комплект входят низкоаппаратные вентиляторы, позволяющие ступенчато регулировать подачу воздуха.
Комплект «Климат-45» обеспечивает регулирование частоты вращения электроприводов в диапазоне 3:1, автоматический переход на низкую ступень при понижении температуры воздуха в помещении или на высшую ступень при повышении температуры. Так при изменении температуры воздуха автоматический включается и отключается одна из групп вентиляторов. Диапазон регулирования от +5 до +35 0С. Предусмотрено ручное управление вентиляторами, контроль подаваемого напряжения осуществляется сигнальными лампами.
3. Технологическая схема вентиляционной установки в птичнике

Рисунок-1 Технологическая схема вытяжной вентиляции: 1-2 -Вентилятор осевой ВО-7.1; 3-Клапан приточный регулируемый; 4-Вентиляторы приточный крышный или приточная шахта с клапаном;
В комплект вентиляционного оборудования «Климат-45» входят осевые вентиляторы типа ВО-7.1, автоматические выключатели серии АЕ-2000, станция управления вентиляторами ШАП 5701-03-А2Д с панелью первичных преобразователей температуры и автотрансформатором АТ-10. По командам регуляторов температуры изменяется подводимое к электродвигателю вентиляторов через автотрансформатор напряжение и число работающих вентиляторов, вследствие чего изменяется подача вентиляторной установки.
Вентиляторы вытяжной вентиляции разделены на три группы, одна из которых работает постоянно. В зимний период, когда не требуется большого воздухообмена, возможен перепад на нисшую ступень, тоесть работа одной группы вентиляторов, а в летний период года включить остальные группы, если это необходимо для создания нужного воздухообмена.
4. Определение мощности и выбор электродвигателя для привода вытяжной вентиляции
4.1 Расчет мощности и выбор электродвигателя по режиму работы, частоте вращения, типу и исполнению
Вентилятор ВО-7.1 имеет постоянно-продолжительный режим нагрузки, так как нагрузка у вентиляторов всегда одинакова и отключение вентиляторов в птичнике не допустимо, технологический процесс вентиляторов закончен после полного остановки вентиляторов, следовательно, вентилятор будет испытывать продолжительный режим нагрузки.

где ℧-кривая нагрева электродвигателя;
℧уст- установившаяся температура;
Рн- номинальная мощность;
Для того чтобы определить количество вентиляторов типа ВО-7.1 и мощность двигателя, необходимо знать подачу воздуха обеспечивающего вентилятором, если подача одного вентилятора Qв=11000 м3/ч
Определяем часовой воздухообмен Lв в м3/ч ориентировочно по формуле [4, 54]
Lв=G*Lн (1)
где G=22500 –сумарная масса птиц, кг:
Lн – воздухообмен на 1 кг живой массы, м3:
В зимний период воздухообмен составляет
Lв =22500*1,1=24750 м3/ч
В переходный период воздухообмен составляет
Lв=22500*3,6=81000 м3/ч
В летний период воздухообмен составляет
Lв=22500*5,5=123750 м3/ч
Для определения количества вентиляторов выбираем воздухообмен с наибольшим показателем, т.е при Lв=123750 м3/ч. Количество вентиляторов определяется по формуле [5, 150]
N= Lв/Qв (2)
где Qв=11000 – подача одного вентилятора типа ВО-7.1, м3/ч
N=123750/11000=11,25 штук
Выбираю 12 вентиляторов ВО-7.1
Определяем расчетное давление Н (Па)
Н=Y℧2/2*(λl/d+∑β) (3)
где Y=1,2 – плотность воздуха, кг|м2;
℧=12 – скорость движения воздуха в трубе, м|с;
λ=0,02 – коэффициент трения в трубе;
l – длина воздуховода, м;
∑β– сумма коэффициентов местных сопротивлений;
d=0,75 – внутренний диаметр трубы, м;
Н=1,2*122/2(0,02*0,7/0,75+0,29)=26,7 Па
Определяем расчетную мощность электропривода Ррасч в кВт для вентилятора по формуле [4, 56]
Ррасч=Qв*H/(3,6ηвηп) (4)
где Qв – подача вентилятора, м3|ч;
ηв=0,25 – к.п.д. вентилятора;
ηп=1 – к.п.д. передачи;
Ррасч=11000*26,7/(3,6*106*0,25*1)=0,35 кВт
Номинальную мощность двигателя выбирают по условию [4, 56]
Р≥Ррасч*Кз (5)
где Кз=1,1 – коэффициент запаса;
Рн≥Р=1,1*0,35=0,4 кВт
Рн=0,55 кВт
Выбираем электродвигатель АИР71В6У3
Таблица 1 – технические характеристики двигателя
-
Марка
4АПА80А6У2
Мощность при номинальной нагрузке, кВт
0,55
Частота вращения при номинальной нагрузке, об|мин
930
Сила тока статора при номинальной нагрузке, А
2,1
КПД, %
67,5
Коэффициент мощности
0,7
Кратность пускового тока
4
Кратность пускового момента
2
Кратность максимального момента
2,2
Кратность минимального момента
1,8
4.2 Проверка выбранного двигателя по нагреву, перегрузочной способности и по условиям пуска.
По условиям нагрева должно соблюдаться условие
Рн ≥ Ррасч (6)
где Рн – номинальная мощность двигателя, кВт;
Ррасч=0,35 – расчетная мощность, кВт;
0,55 ≥ 0,35
По условии пуска перегрузки должно соблюдаться условие
Мн≥Мпер (7)
где Мн – номинальный момент электродвигателя, Н*м;
Мпер –номинальный момент по условии перегрузки, Н*м;
Определяем номинальный момент электродвигателя, Н*м;
Мн=9550*Рн/n (8)
где Рн – номинальная мощность двигателя, кВт;
n – частота вращения двигателя, мин-1;
Мн=9,55*550/930=5,6 Н*м
Номинальный момент по условию перегрузки
Мпер=Мс/0,75* Кmax, (9)
где Мс – статический момент уставки, Н*м;
Кmax – кратность максимального момента;
Статический момент уставки по формуле [3, 134]
Мс=9,55 Ррасч/nн (10)
где Ррасч=350 Вт - расчетная мощность;
Мс=9,55*350/930=3,5 Н*м
Мпер=3,5/0,75*2,2=2,1 Н*м
5,6 ≥ 2,1
Следовательно условия соблюдаются
Проверяем электродвигатель по условиям пуска с учетом условия
Мн≥Мн.п (11)
где Мн.п. – номинальный момент при пуске, Н*м;
Определяем номинальный момент при пуске
Мн.п=1,25*Мс/(Кmin*u2) (12)
где Кmin =1,8 – кратность минимального момента электродвигателя;
u=0,925 – напряжение на зажимах электродвигателях с учетом его отключения во время пуска в относительных единицах.
Мн.п=1,25*3,5/(1,8*0,952)=2,9 Н*м
5,6 ≥ 2,9
Следовательно выбранный электродвигатель выбран правильно
6 Расчет механической характеристики и продолжительности пуска электропривода вытяжной вентиляции
Определяем моменты двигателя:
Пусковой момент Мп в Н*м
Мп=Мн*Кп (13)
где Кп=2 – кратность пускового момента;
Мн=5,6 – номинальный момент, Н*м;
Мп=5,6*2=11,2 Н*м
Рассчитываем максимальный момент, Н*м;
Мmax=Kmax*Mн (14)
где Kmax=2,2 – кратность максимального момента;
Mн – номинальный момент;
Мmax=2,2*5,6=12,32 Н*м
Рассчитываем минимальный момент, Н*м
Мmin=Kmin*Мн (15)
где Kmin=1,8 – кратность минимального момента;
Мн – номинальный момент, Н*м;
Мmin=1,8*5,6=10,08 Н*м
Определяем номинальное скольжение Sн по формуле [2. 89]
Sн=(n0-nн)/n0 (16)
где n0 – начальная частота вращения ротора, об/мин;
nн=930 – номинальная частота вращения ротора, об/мин;
n0=60f/p (17)
где f=50 – частота сети, Гц;
р – число пар полюсов;
n0=60*50/3=1000 об/мин
Sн=(1000-930)/930=0,075
Определяем критическое скольжение по формуле [2. 90]
Sк=Sн(Кк+
)
(18)
где Кк=2,2 – кратность максимального момента;
Sк=0,075(2,2+
)=0,31
Определяем поправочный коэффициент
ε=(1/Sk+Sk-2M1)/2(M1-1) (19)
где Sk – критическое скольжение, Н*м;
М1=Kmax/Ki=1,1 – приведенный момент;
ε=(1/0,31+0,31-2*1,1)/2(1,1-1)=6,6
Рассчитываем моменты при снижении напряжения в сети на 10% ;
Мi|=0,81*Мi (20)
Мн|=0,81*5,6=4,53 Н*м
Мп|=0,81*11,2=9,07 Н*м
Мmax|=0,81*12,32=9,97 Н*м
Мmin|=0,81*10,08=8,16 Н*м
По упрощенной формуле Клосса определяем рабочий участок механической характеристики
М=2Мmax/(S/Sk+Sk/S) (21)
где S – скольжение;
Sk – критическое скольжение;
Мmax=12,32 – максимальный момент, Н*м;
Таблица 2 – Расчетные данные для построения механической характеристики двигателя
|
Расчетные данные |
Значение скольжения |
||||||||
|
Sн |
Sk |
0,1 |
0,15 |
0,18 |
0,22 |
0,28 |
0,42 |
0,48 |
|
|
S/Sк |
0,24 |
1 |
0,32 |
0,48 |
0,58 |
0,7 |
0,9 |
1,3 |
1,5 |
|
Sк/S |
4,13 |
1 |
3,1 |
2 |
1,7 |
1,4 |
1,1 |
0,7 |
0,6 |
|
S/Sк+Sк/S+2* ε |
17,57 |
15,2 |
16,6 |
15,68 |
15,48 |
15,3 |
15,2 |
15,2 |
15,3 |
|
М, Н*м |
5,6 |
12,32 |
7,2 |
9,9 |
11 |
11,7 |
12,32 |
12,32 |
11,7 |
|
1-S |
0,925 |
0,69 |
0,9 |
0,85 |
0,82 |
0,78 |
0,72 |
0,58 |
0,52 |
|
ω=ω0(1-S) |
96,125 |
72,45 |
94,5 |
89,25 |
86,1 |
81,9 |
75,6 |
60,9 |
54,6 |
|
М|, Н*м |
4,5 |
9,9 |
5,8 |
8 |
8,91 |
9,4 |
9,9 |
9,9 |
9,4 |
Расчет моментов двигателя в Н*м
S=0,1
S/Sк=0,1/0,31=0,32
Sк/S=0,31/0,1=3,1
S/Sк+Sк/S+2* ε =0,31/0,1+0,1/0,31+2*6,6=16,6
М=2Мmax/(S/Sk+Sk/S)=2*12,32/(0,1/0,31+0,31/0,1)=7,2 Н*м
Мi|=0,81*Мi=0,81*7,2=5,8 Н*м
ω=ω0(1-S)=105*(1-0,1)=94,5 рад/с-1
5.1 Расчет механических характеристик рабочей машины
Рассчитывают статический момент, Н*м
Мс=М0+(Мс.н-М0)*(ω/ωн)х (22)
где Мс – момент сопротивления механизма при скорости ωм , Н*м;
М0 –начальный момент сопротивления на приводном валу, Н*м;
Мс.н, – момент сопротивления при номинальной угловой скорости, Н*м;
Х=2 – показатель степени, характеризующий изменение момента сопротивления при изменении угловой скорости.
М0=0,3*Мс.н (23)
М0=0,3*5,6=1,68 Н*м
Таблица 3 – расчетные данные для построения механической характеристики рабочей машины.
|
Расчетная величина |
Значение скольжения |
||||||||||
|
Sн |
0,1 |
0,2 |
0,3 |
0,4 |
0,5 |
0,6 |
0,7 |
0,8 |
0,9 |
1 |
|
|
ω=ω0(1-S) |
97,125 |
94,5 |
84 |
73,5 |
63 |
52,5 |
42 |
31,5 |
21 |
10,5 |
0 |
|
Мс , Н*м |
3,5 |
3,4 |
3,2 |
3 |
2,8 |
2,6 |
2,4 |
2,2 |
2 |
1,8 |
1,6 |
5.2 Построение механических характеристик и определение продолжительности пуска электродвигателя
Рассчитываем момент инерции J, кг*м2;
J=FJJдв (24)
где FJ=3,1 – коэффициент инерции производственного механизма, кг*м2;
Jдв=0,00203 – момент инерции двигателя, кг*м2;
J=0,00203*3,1=0,00629 кг*м2
Рассчитывают
время разгона для каждого участка,
t
[2 , с 121]
ti=J
ωi/Мдинi
(25)
где
ωi
– угловая скорость на участке, рад/с;
Мдин – момент динамический на участке, Н*м;
t1=0,00629 *13,1/6,6=0,012 с
t2=0,00629 *10,5/8,5=0,0077 с
t3=0,00629 *10,5/9,3=0,0071 с
t4=0,00629 *10,5/9=0,0073 с
t5=0,00629 *10,5/7,6=0,0086 с
t6=0,00629 *10,5/7,2=0,0091 с
t7=0,00629 *10,5/6,5=0,010 с
t8=0,00629 *10,5/5,9=0,011 с
t9=0,00629 *10,5/5,4=0,012с
Находим время разгона электродвигателя с, по формуле
t=∑
ti
(26)
t=0,012+0,0077+0,0071+0,0073+0,0086+0,0091+0,010+0,011+0,012=0,0848с
6. Разработка схемы подключения. Выбор аппаратуры управления и защиты, проводов и кабелей силовой сети

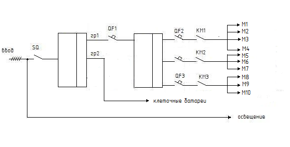
Рисунок 7.1 – схема подключения силовой сети
6.1 Выбираем пускозащитную аппаратуру
6.1.1 Выбираем магнитный пускатель по условию [4, 25]
Uн.п.≥Uн.дв. (27)
Iн.п.≥Iн.дв.
Iн.п.≥Iпуск/6
где Uн.п – номинальное напряжение магнитного пускателя, В;
Uн.дв. – номинальное напряжение электродвигателя, в;
Iн.п. – номинальный ток магнитного пускателя, А;
Iн.дв. – номинальный ток электродвигателя, А;
Iпуск – пусковой ток электродвигателя, А;
Выбор магнитного пускателя КМ1
380=380
10А ≥ 8,4А
10А ≥ 5,6А
Условия выполняются выбираем магнитный пускатель первой величины типа ПМЛ-1110У3 с номинальным током 10А
Выбор магнитного пускателя КМ2, КМ3
380=380
10А ≥ 6,3А
10А ≥ 4,2А
Условия выполняются выбираем магнитный пускатель первой величины типа ПМЛ-1110У3 с номинальным током 10А
7.1.2 Выбираем автоматические выключатели по условию [4, 33]
Uн.а.≥Uн. дв. (28)
Iн.а.≥Iн.дв.
Iн.э.≥Кн.э.∑Iн
Iн.тр.≥Кн.т.∑Iн.дв.
где Uн.а – номинальное напряжение автоматического выключателя, В;
Iн.а – номинальный ток автоматического выключателя, А;
∑Iн.дв. – номинальные токи электродвигателей, А;
Iн.тр – номинальный ток теплового расцепителя, А;
Кн.т – коэффициент надежности теплового расцепителя;
Iн.э – номинальный ток электромагнитного расцепителя, А;
Выбираем автоматический выключатель QF3, QF4
380В = 380В
25А ≥ 6,3А
Iн.э = 6,93
8А ≥ 6,93А
k=0,9
Условия соблюдаются, выбираем автоматический выключатель типа АЕ-2036РУ3 с номинальным током теплового расцепителя Iн.тр=8А и устанавливаем регулятор на 0,9
Выбираем автоматический выключатель QF2
380В = 380В
25А ≥ 8,4А
Iн.э = 9,24А
10А ≥ 9,24А
k=0,9
Условия соблюдаются, выбираем автоматический выключатель типа АЕ-2036РУ3 с номинальным током теплового расцепителя Iн.тр=10А и устанавливаем регулятор на 0,9. Выбираю автоматический выключатель QF1
380В = 380В
25А ≥ 21А
Iн.э = 23,1А
25А ≥ 23,1А
k=0,9
Условия соблюдаются, выбираем автоматический выключатель типа АЕ-2036РУ3 с номинальным током теплового расцепителя Iн.тр=25А и устанавливаем регулятор на 0,9
6.1.3 Выбираем фазочувствительную защиту по условию
Iр.ф ≥Iн.дв. (29)
где Iр.ф – рабочий ток фазочувствительной защиты, А;
Iн.дв. – номинальный ток электродвигателя
16А ≥ 8,4А (А1)
8А ≥ 6,3А (А2, А3)
Условия выполняются, выбираем фазочувствительнуюю защиту типа ФУЗ-4М с рабочим диапазоном тока от 8 до 16А и фазочувствительнуюю защиту типа ФУЗ-3М с рабочим диапазоном тока от 4 до 8А
6.1.4 Выбираем кнопочный пост в цепь управления
По конструктивным особенностям, количеству органов управления, климатическому исполнению и категории размещения выбираем кнопочный пост типа ПКЕ 212-У3.
6.1.5 Выбираем рубильник на ввод щита СПА.
6.1.5.1 Определяем суммарную мощность на вводе щита СПА кВт, по формуле
Рспа = ∑Рн.дв.+∑Рк.б. (30)
где ∑Рн.дв – сумма номинальных мощностей электроприводов вентиляционной установки;
∑Рк.б. – мощность электроприводов клеточных батарей КБН-1
Рспа=6,6+30=36,6 кВт
6.1.5.2 Определяем ток на вводе щита СПА, А, по формуле
Iспа= Рспа/
Ucos
(31)
Где Рспа - суммарная мощность на вводе щита СПА, Вт
U – напряжение питающей сети, В;
Cos
=0,71
– коэффициент мощности;
Iспа=36600/
*380*0,71=78,4
6.1.5.3 выбираем рубильник на вводе щита СПА по условии
Iн ≥ Iспа (32)
где Iн – номинальный ток рубильника, А;
Iспа – ток на вводе щита, А;
100А ≥ 78,4А
Условия выполняются, выбираем рубильник типа РБ-31 с номинальным током 100А
6.2 Выбираем провода и кабели силовой сети
Провода и кабели выбираются в зависимости от категории размещения, условий окружающей среды, вида проводки и способа прокладки. Площадь сечения проводов и кабелей определяют по условиям допустимого нагрева.
6.2.1 Выбираем марку провода на участках от СПА до ШАП и от ШАП до двигателя по условию [4, 121]
Iдоп ≥ Iн.р. (33)
где Iдоп - допустимый ток провода, А;
Iн.р. – номинальный ток теплового расцепителя автоматического выключателя, А;
Выбираем марку провода на участках от ШАП до двигателей
16А ≥ 10А
Условия выполняются, выбираем кабель типа АВРГ 5*2,5, с допустимым током 16А, которому соответствует сечение 2,5мм2
Выбираем марку кабеля на участке от СПА до ШАП
26А ≥ 25А
Условия выполняется, выбираем кабель типа АВРГ 5*6 , с допустимым током Iдоп=26А, которому соответствует сечение 6 мм2
6.2.2 Выбираем марку кабеля на вводе с учетом осветительной нагрузки
6.2.2.1 Находим мощность освещения, Вт, по формуле
Росв=РудS (34)
где Руд=5,8 – удельная мошьность освещения Вт/м2;
S=1728 –площадь основного помещения, м2;
Росв=5,8*1728=10024,4 Вт
6.2.2.2 Находим рабочий ток осветительной нагрузки, А, по формуле
Iосв.р.=Росв/
Ucos
(35)
где Росв – мощность освещения, Вт;
U – напряжение питающей сети, В;
Cos
=0,85
– коэффициент мощности;
Iосв.р.=10024,4/
*380*0,85
=17,9 А
6.2.2.3 Находим установившуюся мощность на вводе, кВт, по формуле
Руст=Рспа+Росв (36)
где Росв – мощность освещения, Вт;
Рспа - суммарная мощность на вводе щита СПА, Вт;
6.2.2.5 Находим установившийся ток на вводе. А, по формуле
Iуст=Iспа+Iосв.р. (37)
где Iспа – ток на воле щита СПА, А;
Iосв.р – рабочий ток осветительной нагрузки, А;
Iуст=78,4+17,9=96,3А
6.2.2.5 Определяем кабель на вводе по условию
Iдоп ≥ Iуст (38)
где Iдоп – допустимый ток кабеля, А;
Iуст – установившийся ток на вводе, А;
105А ≥ 96,3А
Условия выполняются, выбираем кабель марки АВРГ5*50 с допустимым током 105А и сечением 50 мм.2
7 Разработка схемы управления электропривода и ее описание
Схема электрическая принципиальная изображена в графической части проекта (лист1, формат А1)
Принцип управления электродвигателем вентиляторов осуществляется а ручном режиме.
При включении рубильника QS, напряжение подается на автоматический выключатель QF1, при включении которого напряжение подается в цепь управления и силовую цепь. При включении однофазного автоматического выключателя SF запитывается цепь управления, о чем сигнализирует лампа HL1. При нажатии пусковой кнопки SB2, катушка магнитноко пускателя KM1 срабатывает и его блок контакты замыкаются, при этом напряжение подается на электродвигатели М1-М4 и они начинают работать, об этом сигнализирует лампа HL2. При нажатии стоповой кнопки SB1, блок контакты размыкаются, в следствии обесточивания катушки магнитного пускателя. Двигатели отключаются.
Остальные группы вентиляторов работают аналогично.
8. Разработка мероприятий по экономии электроэнергии в электроприводе
Для повышения эффективности сельскохозяйственного производства и снижения затрат на электроэнергию необходимо применять следующие мероприятия:
-анализ расхода электроэнергии предприятиями;
-внедрение энергосберегающих ресурсов и технологий, замена контактных схем управления на бесконтактные;
-учет электропотребления в хозяйстве;
-обоснованный выбор электрооборудования: вентиляторов, пускозащитной аппаратуры, правильный выбор кабелей;
-внедрение автоматизированных систем управления и контроля;
-применение электроустановок с повышенным коэффициентом мощности и КПД;
-применение двигателей новой серии.
Кроме того можно выделить следующие пути экономии электроэнергии в вентиляторных установках:
-автоматизация схем управления;
-полная загрузка рабочей машины;
-уменьшение времени переходных процессов;
-своевременное техническое обслуживание двигателей и вентиляторных установок;
-улучшение условий пуска;
Также можно подсчитать экономию электроэнергии путем замены старых серий электродвигателей на новые в денежном выражении.
9.1 Расчет годовой экономии электроэнергии при замене электродвигателя серии 4А на серию АИР соответствующей мощности
-
Тип двигателя
Рн,,кВт
n,мин-1
Iн,, А
КПД, %
АИР71В6У3
0,55
915
1,74
0,65
4А71В6У3
0,55
930
2,1
0,71
9.2 Определяем расход электроэнергии электродвигателя серии 4А
Эi=РТ/
(39)
где Р=0,55 – номинальная мощность электродвигателя, кВт;
Т=8700 – киловато часов, ч/год;
- КПД двигателя;
Э1=0,55*8700/0,71=6739 кВт/год;
9.3 Определяем расход электроэнергии двигателя серии АИР
Э2=0,55*8700/0,65=7361,5 кВт/год;
9.4 Определение экономии электроэнергии
Э=Э2+Э1 (40)
Э=7361,5-6739 =622,5 кВт/год;
9.5 Определяем экономию в денежном выражении, руб;
С=
Э*а
(41)
где а=1,2 – цена за 1 кВт*ч;
С=1,2*622,5=747 р;
11. Разработка мероприятий по электробезопасности, противопожарные мероприятия, охрана природы
11.1 Мероприятия по электробезопасности при эксплуатации вентиляционных установок
-всю работу производить только по наряду-допуску, распоряжению или в порядке текущей эксплуатации;
-работник осуществляющий ремонт электроустановки, должен быть ознакомлен с целевым инструктажем;
-при выполнении работ нужные для работы токоведущие части и принимают меры, препятствующие ошибочному включению выключателей или других коммутационных аппаратов;
-на приводах ручного и ключа дистанционного управления коммутационными аппаратами вывешивают плакаты безопасности. Запрещающие включение;
-проверяют отсутствие напряжения на токоведущих частях, которые должны быть заземлены на время работы;
-ограждают при необходимости рабочее место и оставшиеся под напряжением части и вывешивают предупреждающие плакаты;
-обязательно заземлять все электроустановки;
-обязательно отдельно выводить защитный нуль;
11.2 Мероприятия по пожарной безопасности
К мероприятиям по пожарной безопасности относится:
-организовывать на подведомственных объектах изучение и выполнение типовых правил пожарной безопасности для промышленных предприятий всеми рабочими и специалистами;
-организовывать на объектах проведение противопожарного инструктажа и занятия по пожарно-технологическому минимуму;
-устанавливать на объектах противопожарный режим и постоянно контролировать его строжайшее соблюдение всеми работниками и обслуживающим персоналом (на каждом объекте на видном месте должна быть вывешена инструкция по противопожарной безопасности);
-периодический проверять состояние пожарной безопасности объектов, наличие и исправность технических средств борьбы с пожарами.
11.3 Охрана природы
Охрана труда –это система законодательных актов, социальных экономических, гигиенических, профилактических мероприятий и средств обеспечения защиты и сохранения здоровья человека и его работоспособности.
При работе вентиляционных установок запрещается:
-пуск неисправной машины;
-работа неисправной машины;
-пуск машины без предварительного предупреждения сигнала;
-начинать разборку машины до полной ее остановки;
Заключение
Разрабатывая тему курсового проектирования, я систематизировал, расширил и углубил свои теоретические знания: ознакомился с достижениями в области проектирования, монтажа и эксплуатации электроустановок вентилирования птицеводческих помещений; приобрел опыт самостоятельного решения задач электрификации; получил навыки использования нормативной, справочной и учебной литературы, подготовил теоретическую базу для дипломного проекта.
Осознал важность создания должного микроклимата в птичниках для повышения продуктивности птиц, уменьшения падежа птиц, а так же увеличение срока службы зданий и установленного в них технологического оборудования.
Приложение
Критерии оценки и самооценки качества выполнения курсового проекта.
-
Исследуемая система
Показатели
Структура
Способности
Количество баллов
Всего
самооценка
Оценка руководителя
Электрооборудование вытяжной вентиляции
-свинарник на 1000 голов.
-электродвигатель
-светильники
-аппараты защиты
-электропроводка
Введение
Описательная часть
Расчетная часть
Организационно-экономическая часть
Заключение
Приложение
Практическая часть
Оформление проекта
Защита проекта
1. Определить актуальность и значимость темы проекта, формулировать цели.
2. Излагать текст с соблюдением правил оформления, кратность и логичность изложения в текстах.
3. Применять теоретические знания в практических расчетах по алгоритму.
4. Разрабатывать мероприятия по экономии электроэнергии по ТБ, ППБ, охране труда, нормам и правилам
5. Саморефлексия. Выводы и рекомендации по использованию материалов проекта.
6. Анализировать выбранное электрооборудование по техническим условиям и токам нагрузки, качество заполнения расчетно-монтажная таблица.
7. Разрабатывать и графический выполнить электрические схемы по ГОСТ.
8. Соблюдать требования ЕСКД и ЕСТД, сроки выполнения проекта.
9. Аргументировать принятое техническое решение.
3-5
6-10
12-15
6-10
3-5
6-10
12-20
6-10
6-10
Оценка : 60 – 75 баллов – оценка удовлетворительно
76 – 90 баллов – оценка хорошо
91 – 100 баллов – оценка отлично
Литература
1 Алиев И.И «Справочник по электротехнике и электрооборудованию» - М: Высшая школа, 2000.-255с.
2 Герасимович Л.С. «Электрооборудование и автоматизация сельскохозяйственных агрегатов и установок» -М: колос, 1980 – 391с.
3 Елисеев В.А. Справочник по автоматизированному электроприводу – М: Агропромизлат, 1990-315с.
4 Каганов И.Л. «Курсовое и дипломное проектирование»
5 Кудрявцев И.Ф. Электрооборудование животноводческих предприятий и автоматизация производственных процессов в животноводстве – М: Колос,1979-368с.
6 Новиков Ю.В. охрана окружающей среды – М: Высшая школа, 1987 – 287с
7 Таран В.П. Техническое обслуживание электрооборудования в сельском хозяйстве-М: Колос. 1975-304с.
8 Яницкий С.В. Электрооборудование сельскохозяйственных агрегатов и установок –СП: Упромиздат, 1993-101с
9. ГОСТ 21.614-88С.17 Изображение условное графическое электрооборудования на планах.
10 ГОСТ 2.710-81 Обозначение буквенное цифровые в схемах
11. ГОСТ 2.721-74 Обозначение условно графические в схемах.
12. Методические рекомендации по оформлению пояснительной записки и графические части курсового проекта.