Дослідження мікрофільтрації (очищення) відпрацьованих моторних масел
Дослідження мікрофільтрації (очищення) відпрацьованих моторних масел
Зміст
Вступ
1. Технологічна схема й параметри установки мікрофільтрації масла
2. Методика дослідження процесу мікрофільтрації масла
3. Результати експериментальних досліджень
3.1 Режими робочого процесу мікрофільтрації відпрацьованих шторних масел
4. Дослідження стабільності технологічного процесу
Вступ
Удосконалювання технології мікрофільтрації очищених відпрацьованих моторних масел проводилося відповідно до Республіканської науково-технічної проблеми на 1991-I996 рр. за завданням 04.01.03 "Розробити й впровадити комплекс мобільних і стаціонарних технічних засобів для збору, очищення, посвітління, стабілізації присадок і використання відпрацьованих автотракторних масел при технічному обслуговуванні механізованих рільничих комплексів в умовах різних організаційно-економічних форм і типорозмірів господарств".
Дійсна робота є спробою рішення ряду теоретичних і прикладних питань техніко-економічної й експлуатаційної оцінки технічних засобів відновлення масел, обґрунтування нових технологій і технічних засобів, здатних з найменшими витратами довести очищені масла до рівня свіжих стандартних масел, а також раціонального їхнього використання в умовах с. - г. підприємств.
Регенероване масло - технічне мастило, одержуване очищенням відпрацьованого масла фізичним, хімічним і фізико-хімічним методами, з експлуатаційним властивостям відновлені до вимог нормативно-технічної документації (ДЕРЖСТАНДАРТ 26098-84).
Температурна стійкість масла - властивість мастильного матеріалу забезпечувати при підвищенні температури низький і стабільний коефіцієнт тертя в умовах граничного змащення. Температурна стійкість масла оцінюється за значенням критичної температури, що визначається експериментально.
Граничне тертя - тертя двох твердих тіл при наявності на поверхнях тертя шаруючи рідини, що володіє властивостям, що відрізняються від властивостей в обсязі. Комплекс фізико-хімічних процесів, що відбуваються в тонких поверхневих шарах зміненого матеріалу й поділяючому їхньому прошарку спричиняється явище граничного тертя.
Миючі властивості - властивості масел, зв'язані зі здатністю диспергирування, нейтралізувати й частково стабілізувати продукти окислювання й згоряння палива, утримуючи їх у зваженому стані.
Щілинні фільтри застосовуються як фільтри грубого очищення. Тонкість очищення коливається в межах 20-125 мкм. Тонкість очищення матер'яних фільтрів становить 8-50 мкм, під час роботи вони втрачають свої механічні властивості під дією кислотних речовин, що перебувають у маслі. Гідравлічний опір таких фільтрів росте в міру забивання пор.
Тонкість очищення картонних фільтрів становить 1-50 мкм. Недоліком їх є недостатній ступінь очищення й неможливість їхньої регенерації, низькі механічні властивості. Аналогічні недоліки властиві й паперові фільтри. Крім того вони можуть працювати лише у вузькому діапазоні температур. Глибинні фільтри, маючи фільтруючі елементи значної товщини, затримують частки забруднень не тільки на поверхні, але й у товщі фільтроелемента. У фільтрів цього типу площа входу рідини відносно невелика.
Розрізняють наступні типи глибинних фільтрів: з волокнистих і зернистих матеріалів; керамічні; металокерамічні; з пористих синтетичних матеріалів.
Фільтри з волокнистих і зернистих матеріалів виготовляють у вигляді ємностей із тканини або металу, наповнених фільтруючим матеріалом. Тонкість очищення цих фільтрів низька й становить 12-30 мкм.
Керамічні фільтри виготовляють із пористої кераміки. Тонкість фільтрації залежить від розмірів зерен наповнювача й становить 0,1-100 мкм. Недоліком їх є можливість вимивання потоком рідини абразивних часток матеріалу. Металокерамічні фільтри виготовляють методами порошкової металургії з металевих, металокерамічних і синтетичних порошків. Залежно від розміру часток порошку й технології виготовлення їхня тонкість фільтрації становить 0,1-100 мкм. Ці фільтри відрізняються високою механічною міцністю, термостійкістю. Їх можна відновлювати методом протипотока.
Енергетикові процесу мікрофільтрування визначає критерій Ейлера, де доцільно замінити фіктивну швидкість фільтрації на питому пропускну здатність перегородки при відповідному перепаді тиску:

Процес поділу системи "масло-мікросуміші" визначається залежністю

Критерій Струхаля є узагальненим показником здатності мікрофільтра затримувати забруднення, що залежить від початкової концентрації забруднень у маслі. Найбільше повно весь спектр забруднень масла характеризує оптична щільність, обумовлена методами фотометрії. Тому в критерій Струхаля замість концентрації забруднень уведемо оптичну щільність забрудненого масла. Коефіцієнт повноти фільтрації можна оцінити по зміні оптичної щільності й тоді вираження (2.13) прийме наступний вид:

де
- оптична щільність
забрудненого масла;
- оптична
щільність фільтрату.
З урахуванням теплового критерію залежність прийме наступний вид:

Залежність дозволяє найбільше повно оцінити процес поділу систем "масло-мікросуміші" і визначити раціональний технологічний регламент роботи, технічного засобу при забезпеченні високої якості масел, що очищають.
Динаміка процесу поділу суміші "масло-мікрозабруднення" багато в чому залежить від зміни проникності фільтра, за рахунок осідання забруднень на його поверхні й порах. Розглянемо процеси взаємодії фільтруючого матеріалу й забруднень.
Використання рівняння фільтрації для нестисливих рідин дає можливість представити основні залежності між кількістю фільтрату, одержуваного за малий проміжок часу з одиниці поверхні фільтра, обсяг якого зворотньопропорційний різниці тиску й зворотньопропорційно в'язкості фільтрату, і сумарним опором осаду й фільтруючої перегородки:

де V - обсяг фільтра;
S - площа фільтра;
- час фільтрації;
- перепад тиску на перегородки;
М - в'язкість масла;
Ro - опору шаруючи осаду;
Rp - опір фільтруючої перегородки.
1. Технологічна схема й параметри установки мікрофільтрації масла
Як показав огляд і аналіз літературних джерел у практиці відомі й застосовуються промислові технології очищення й відновлення відпрацьованих масел, у яких використаються фізичні, фізико-хімічні й хімічні методи. У них застосовується велика кількість спеціальних експлуатаційних матеріалів і реагентів, процес протікає при високих температурах і більших тисках, необхідний твердий контроль режиму роботи установок, потрібні фахівці високої кваліфікації й т.д.
Через складність технологічного процесу, великої кількості технічних засобів у лінії, високій вартості встаткування й видаткових матеріалів, а також недостатньої ефективності при малих і нестабільних обсягах переробки такі технології не знаходять застосування в с. - г. виробництві.
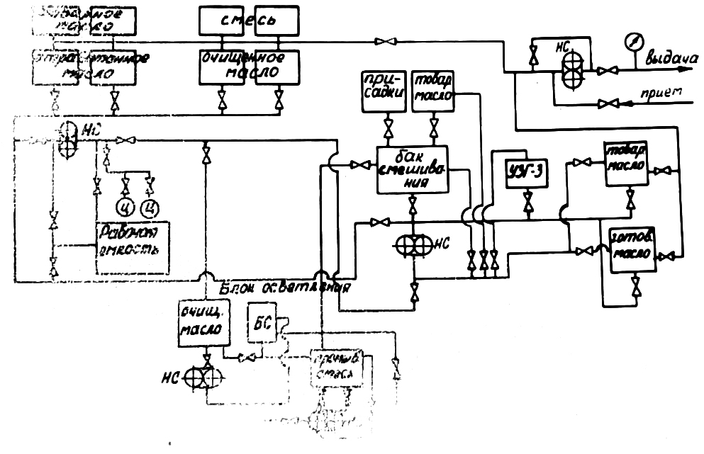
На підставі проведених пошукових досліджень і обґрунтувань була обрана схема технологічного процесу відновлена відпрацьованих масел, що надана на мал. 1.
Схема технологічного процесу відновлення відпрацьованих масел

Мал. 1.
Однієї з операцій відновлення масла в розроблювальній технології є процес очищення методом мікрофільтрації.
Ціль мікрофільтрації - зниження концентрації дрібнодисперсних забруднень у відпрацьованому маслі, тобто доведення його якості до рівня базових товарних масел.
Основні завдання дослідження: вибір мікрофільтра; визначення технологічних параметрів відновлення масел і параметрів технічних засобів для його реалізації; оцінка експлуатаційних властивостей відновлених масел.
Мікрофільтр для очищення масел повинен мати наступні властивості: затримувати частки забруднень розміром від 6-I0-6м і нижче; відновлювати свої сепаруючі властивості після регенерації; витримувати тиск до 2,5 МПа; виготовляти з не дорогого матеріалу. Всією цією вимогою відповідають керамічні мікрофільтри "Вторнефтепродукт", які використалися поряд про іншими при очищенні моторного гаснула, узятого з картерів високофорсований двигунів с. - х. тракторів.
Сутність пропонованої технології полягає в наступній. Відстояне відпрацьоване масло очищається від механічних домішок, води й паливних фракцій на високошвидкісних відцентрових очисниках. Робота протікає при температурі не вище 95°С и тиску на вході в очисник близько 10 МПа.
Очищене масло підігрівається до 60°С и пропускається через мікропори керамічних стрижнів. Така мікрофільтрація через напівпроникні мембрани додатково очищає масло.
Для подальшого поліпшення експлуатаційних якостей у фільтрат масла вводяться присадки або готується суміш їх зі свіжий товарним маслом, з наступною обробкою в ультразвуковому полі. Це дозволяє збільшити зв'язок компонентів присадок з вуглеводними елементами масел на молекулярному рівні, тобто стабілізувати зміст присадок і збільшити строк їхньої служби.
Регенеровані й стабілізовані масла надходять на зберігання й видачу споживачам.
Попередні пошукові й лабораторні дослідження підтверджують ефективність пропонованої технології /1, 78, 79/. За результатами досліджень розроблене вихідні дані ж технічне завдання на проектування установки блоку для мікрофільтрації масел.
Конструктивно блок мікрофільтрів являє собою самостійну установку з баками, насосною станцією" мембранними елементами, електропідігріванням і щитом керування (мал.2,3,4).
Загальний вид блоку мікро фільтрів

Мал. 2.

Мал. 3.

Мал. 4.
Блок мікрофільтрів являє собою зварену рамну конструкцію на якій змонтований основний масляний бак (3) ємністю 600 л. У бак вмонтовані електронагрівники, датчики рівня я температури. Навколо бака встановлені 12 блоків мікрофільтрів (5), у кожному з яких установлені 24 керамічних стрижня. Схема потоків масла в елементах блоку представлена на мал.3.6. Циркуляція масла в блоці мікрофільтрів здійснюється насосною станцією (1). Для очищення блоків мікрофільтрів використається стиснене повітря, подаваний компресором під тиском 0,4 Мпа. До складу блоку входять: щит керування (4), насос для зливу концентрату (7), накопичувальна ємність (6), масло-проводи, запірні арматури, датчик тиску.
Блок має функціональний зв'язок із блоком стабілізації й блоком попереднього очищення масел через мережу трубопроводів із запороттям арматурами.
Основні технічні дані установки
|
Кількість мікрофільтрів, шт |
288 |
|
Робоча поверхня мікрофільтрів, м2 |
8 |
|
Тип елемента фільтрації |
Трубчастий |
|
Матеріал елемента фільтрації |
Кераміка |
|
Середній діаметр пор мікрофільтра, м |
1*10-6 |
|
Пористість елемента мікрофільтра,% |
|
|
Розмір керамічних стрижнів, мм: довжина Зовнішній діаметр Внутрішній діаметр |
800 12 6 |
|
Діаметр масла на вході в елемент, Мпа |
0,5 |
|
Робоча температура, ос |
80 |
|
Селективність,% |
46 |
|
Продуктивність, л/година |
20-30 |
|
Ємність для очищених масел, л |
600 |
|
Ємність для збору концентрату, л |
200 |
|
Живильна мережа, В |
220/380 |
|
Настановна потужність, квт |
18,5 |
Працює установка в режимі фільтрації в такий спосіб (мал.4). Очищене масло з першого блоку насосною станцією цього блоку накачується в робочу ємність блоку мікрофільтрів, для чого відкривають запірний вентиль подачі масла з ємності очищення, на виході з насоса відривають два запірних вентилі магістралі подачі масла в робочу ємність блоку мікрофільтрації. Включають насосну станцію блоку. Процес заповнення йде до досягнення масла верхнього датчика рівня, що виключає насосну станцію блоку очищення. Закривають вентилі магістралі заповнення. На щиті управління блоку мікрофільтрів включають нагрівання масла, установивши на датчику температуру 70°С, ощеривають вентиль напірної магістралі насосної станції блоку мікрофільтрів. По досягненню робочої температури масла 70°С автоматично в роботу включається насосна станція блоку. Тиск у магістралі на вході блоку мікрофільтрів становить 0,7 МПа й підтримується пропускним клапаном. Очищене масло циркулює в блоці мікрофільтрів, проходить через гори керамічних стрижнів, на яких осідають забруднення, і струминним насосом подається в ємність зберігання масла. Тонкість фільтрації в блоці мікрофільтрів до 0,5 • - 10-6 м. Процес триває до зниження продуктивності стрижнів.
У режимі продувки установка працює в такий спосіб. Відкривають запірні арматури магістралі продувки блоку мікрофільтрів, включають у роботу компресорну станцію й під тиском 0,4 Мпа повітря надходить у мікрофільтри. Проходячи через пори керамічних стрижнів протиструмом стиснене повітря звільняє поверхню стрижнів від забруднень, несучи їх у ємність для збору концентрату. По закінченню продувки вимикається компресор і закриваються запірні вентилі на магістралі очищення.
Аналогічним образом очищаються елементи блоку, якщо замість стисненого повітря застосовувати дизпаливо або промивну рідину. Однак при цьому знижується продуктивність установки й підвищуються на експлуатацію блоку.
2. Методика дослідження процесу мікрофільтрації масла
Мета й завдання досліджень полягали в тім, щоб за допомогою настроювання й налагодження всіх блоків установки для мікрофільтрації масла визначити найбільш оптимальні технологічно режими роботи встаткування з метою динамічного й селективного відновлення експлуатаційних показників відпрацьованих масел.
Експеримент містив у собі підготовку до випробувань, настроювання й налагодження всіх елементів установить, контрольно-вимірювальних апаратур, безпосередньо експериментальні дослідження й обробку результатів.
Перед початком проведення експериментальних досліджень установки вироблялася тарировка всіх робітників ємностей; перевірка справності й працездатності всього встаткування; перевірка контрольно-вимірювальних приладів; перевірка герметичності всіх елементів установки.
Для проведення досліджень підготовлялося по 500-600 кг свіжого товарного й відпрацьованого масла марок М10М>2> або М-8У1 а також присадки ВНИИНП-360, КМД і ПМС-200А.
Крім того, була проведена порівняльна оцінка оптичної щільності фільтратів у порівнянні зі свіжий товарним маслом М-10М>2> па фотокалориметрі ФЭК-56ДО.
Оптична щільність першого фільтрату нижче очищеного на центрифузі масла у два рази при довжині хвилі 500 нм; другого фільтрату в 1,5 рази, третього - в 1,2 рази при тій не довжині хвилі. Це дозволяє зробити висновок, що у фільтраті масла знижується кількість забруднюючих часток від 3 мкм і нижче.
Аналіз залежності продуктивності мікрофільтрів від тиску на основі реологічних властивостей колоїдних систем дозволяє зробити висновок, що при обраному вирішило фільтрації відбувається турболентне плин рідини в капілярах мікрофільтра /52/. Тому що турболентний режим мікрофільтрації не є оптимальним, те необхідним додаткові випробування з метою пошуку оптимальних режимів фільтрації на основі більше глибокого вивчення реологічних і інших властивостей колоїдних систем масла.
У результаті проведених досліджень отримані гідравлічні характеристики фільтруємості товарного й відпрацьованого масла М-10М2 через керамічний фільтр. Характеристики дають підставу припустити, що найбільш значний вплив на швидкість фільтрації роблять температурний режим і перепад тиску на поверхні мікрофільтра. Під впливом температури й тиску змінюється в'язкість масла, причому дія цих факторів на процес нерівнозначно. Підвищення тиску приводить до деформації шаруючи осаду на поверхні мікрофільтра, переходу плину фільтра через капіляри з ламінарного режиму до турболентному, тобто підвищується опір фільтрування.
3. Результати експериментальних досліджень
3.1 Режими робочого процесу мікрофільтрації відпрацьованих шторних масел
Для відпрацьовування режиму фільтрації масел на блоці мікрофільтрів були проведені експериментальні дослідження, при яких визначалася продуктивність мікрофільтрів з вуглеграфіту й кераміки, при мікрофільтрації очищеного відпрацьованого масла М-10М>2>. Характеристика мікрофільтрів наведена в табл.2
|
Найменування |
Розміри стрижнів, мм |
Розмір пор, мкм |
Порис- тість,% |
||
|
довжина |
діаметр |
Товщина стінки |
|||
|
Стрижні вугільні вальцьові |
800 |
6,0 |
2,0 |
0,6 |
44,1 |
|
Стрижні вугільні невальцованні |
800 |
6,0 |
2,0 |
1,0 |
38,0 |
|
Стрижні керамічні |
800 |
6,0 |
3,0 |
1,0 |
60,0 |
Як початкові параметри прийнята робоча температура масла 60 і 95°С, швидкість потоку в установці 4 м/с і продуктивність насоса 0,5 • I0-3 м3/c. Отримані дані наведені на мал.1
Аналіз результатів показує, що при фільтрації масла через вуглеграфітні вальцованні стрижні, продуктивність процесу з ростом тиску практично не збільшується. При фільтрації через невальцованні вуглеграфіті стрижні продуктивність росте пропорційно тиску. При фільтрації через керамічні стрижні продуктивність різко збільшується при зміні тиску від 0,1 до 0,5 Мпа, а при подальшому збільшенні тиску приріст продуктивності падає. Керамічні стрижні найбільш сприйнятливі до зміни перепаду тиску на фільтруючій перегородці.
Фільтрати масла M-10Г2 досліджувалися в минаючому світлі. Фільтрат, отриманий через вальцованні вуглеграфітні стрижні, прозорий, має яскраво-червоне фарбування. Це характеризує його як високодисперсний органозоль, тому що поглинаються короткі хвилі, що мають синє фарбування. При цьому радіус часток становить 0,5 мкм і нижче.
Фільтрат масла, отриманий через невальцованні вуглеграфітні стрижні, мутний, має темно-червоне фарбування, що характеризує його як ультрамікрогетерогенний органозоль із радіусом часток від 3 мкм і нижче.
Фільтрат, отриманий через керамічні стрижні, прозорий, має темно-червоне фарбування, що характеризує його як колоїдно-дисперсний органозоль із радіусом часток від 1 мкм і нижче.
Крім того, була проведена порівняльна оцінка оптичної щільності фільтратів у порівнянні зі свіжим товарному маслом М-10М2 на фотокалориметрі ФЭК-56ДО.
Оптична щільність першого фільтрату нижче очищеного на центрифузі масла у два рази при довжині хвилі 500 нм; другого фільтрату в 1,5 рази, третього - в 1,2 рази при тій же довжині хвилі. Це дозволяє зробити висновок, що у фільтраті масла знижується кількість забруднюючих часток від 3 мкм і нижче.
Аналіз залежності продуктивності мікрофільтрів від тиску на основі реологічних властивостей колоїдних систем дозволяє зробити висновок, що при обраному режимі фільтрації відбуваються турболентне плин рідини в капілярах мікрофільтра /52/. Тому що турболентний режим фільтрації не є оптимальним, те необхідні додаткові випробування з метою пошуку оптимальних режимів фільтрації на основі більше глибокого вивчення реологічних і інших властивостей колоїдних систем масла.
У результаті проведених досліджень отримані гідравлічні характеристики фільтруемости товарного й відпрацьованого масла М-10М2 через керамічний фільтр. Характеристики дають підставу припустити, що найбільш значний вплив на швидкість фільтрації роблять температурний режим і перепад тиску на поверхні мікрофільтра. Під впливом температури й тиску змінюється в'язкість масла, причому дія цих факторів на процес нерівнозначно. Підвищення тиску приводить до деформації шаруючи осаду на поверхні мікрофілътра, переходу плину фільтрату через капіляри з ламінарного режиму до турболентного, тобто підвищується опір фільтрування.
Для відпрацьовування режиму фільтрації масел, на блоці мікрофільтрів була проведена серія експериментальних досліджень. Визначалася продуктивність мікрофільтрів (мембран), виготовлених з кераміки, при мікрофільтрації масла М10М>2>, очищеному центрифугування на маслоочисної установці СУОМ-1H.
Протягом роботи блоку продуктивність подачі залишалася практично незмінної. За результатами експерименту побудована графічна залежність зміни продуктивності блоку від тиску й температури (мал.2).
Залежність продуктивності мембрани від тиску й температури.
1-40ос; 2-60 ос; 3-95 ос; 4-120 ос; 5160 ос
Мал.5
Аналіз графіка показує, що при температурі до 95°С и при зміні тиску від 2 до 10 кг/див2 спостерігається експериментальна крапка А, при якій блок досягає найбільшої продуктивності.
При температурі масла понад 95°С продуктивність при росту тиску різко підвищується.
Селективність блоку мікрофільтрів визначається по оптичній щільності фільтрату масла до вихідного, тобто очищеному на центрифугах по формулі:
(1)
де
селективність блоку мікрофільтрів;
1,
2
- оптична щільність вихідного й фільтрату
масла при λ=800 нм.
Залежність селективності блоку мікрофільтрів від температури процесу наведена на мал.3
Залежність селективності мембрани від температури масла.

Мал. 6.
Установлено, що при температурі понад 95°С різко падає проникність фільтрату масла.
Це пов'язане зі зниженням в'язкості масла і його контактом про електронагрівниками, які при даних температурах сприяють збереженню високодисперсних сажистих часток у ньому.
При знижених температурах масла селективність блоку мікрофільтрів зростає, тобто на поверхні мікрофільтра найбільше ефективно затримуються частки мікродомішок.
У табл.3 наведені результати фізико-хімічного аналізу масел при різних режимах фільтрації, які також підтверджують, що при знижених температурах фільтрації знижується концентрація механічних домішок у маслі.
Фізико-хімічні показники фільтра масла М1ОГ2
|
Вид масла |
Зміст мех. домішок,% |
В'язкість кинематич. при 100 ос, мм2/з |
Лужне число, мг КІН/г |
|
Вихідне М1ОГ>2> |
0,0164 |
10,52 |
2,68 |
|
Фільтрат М1ОГ>2> при Т= 40ос |
0,0051 |
9,64 |
2,25 |
|
Фільтрат М1ОГ>2> при Т= 60ос |
0,0073 |
9,81 |
2,28 |
|
Фільтрат М1ОГ>2> при Т= 95ос |
0,0094 |
9,98 |
2,27 |
|
Фільтрат М1ОГ>2> при Т= 120ос |
0,0127 |
10,23 |
2,25 |
|
Фільтрат М1ОГ>2> при Т= 160ос |
0,0158 |
10,75 |
2,26 |
На основі експериментальних даних отримані залежності швидкості фільтрації масла в керамічних мікрофільтрах від часу процесу при різних: режимах фільтрації, які наведені на мал.4.
Експериментальна залежність швидкості мікрофільтрації масла.

Аналіз експериментальних даних і залежностей
(мал.7) показує, що основні закономірності процесу мікрофільтрації протікають відповідно до класичних законів фільтрування пористих глибинних фільтрів.
В початковий період часу мікрофільтрації переважає процес закупорки пор одиничними забрудненнями (залежність V=f (g)).
Надалі із часом
фільтрації відбувається зменшення
діаметра мікропор за рахунок адгезії
мікрозабруднень у них (залежність
)
і утворення шаруючи осаду на поверхні
фільтра

На основі експериментальних даних і розрахунку критериальної залежності Eu=f (Sh) побудована поверхня вибору режимів фільтрації масла (мал.8).
На отриманій поверхні є критична крапка А, що відповідають найбільш раціональному режиму фільтрації масла мікрофільтрами даного типу. Таким чином, у результаті уведених експериментів було отримане підтвердження теоретичних передумов, викладених в 2 главі дійсної роботи.
При цьому встановлено,
що найбільш раціональний режим роботи
для керамічних блоків мікрофільтрів
на маслі М10М2 визначається наступними
параметрами: перепад тиску на перегородці
∆Р=0,5 МПа; температура масла 80оС,
питома продуктивність

Поверхня вибору режимів мікрофільтрації масла.

4. Дослідження стабільності технологічного процесу
Для дослідження стабільності технологічного процесу мікрофільтрації масла була проведена серія спеціальних експериментів.
Блок мікрофільтрів працював на очищеному відпрацьованому маслі при перепаді тиску на перегородці мікрофільтра 0,5 МПа, робочій температурі масла 80ос і часу фільтрації до повної закупорки пор.
На даному режимі визначалася швидкість фільтрації, селективність очищення, світлопроникність, і фізико-хімічні показники фільтра. За отриманими результатами експерименту побудована залежність швидкості фільтрації від часу процесу.
Ресурс роботи керамічних фільтрів визначається залежністю Eu=f (Sh), що представлена на мал.9.
Критериальна залежність Eu=f (Sh) для визначення ресурсу мікро фільтра.

Мал.9
Отриману критериальну залежність Eu=f (Sh) можна розбити на три ділянки. Перша ділянка ОА - визначає раціональний ресурс роботи мікрофільтра, коли процес поділу системи "масло-мікродомішок" найбільш ефективний. Друга ділянка АВ - визначає зону залишкового ресурсу, при якому процес мікрофільтрації економічно доцільний. Третя ділянка ВР - характеризує зону, коли процес економічно не ефективний. У підсумку ресурс мікрофільтра визначається ділянкою ОВ, тобто по досягненню часу, що відповідає крапці В необхідно зупинити процес мікрофільтрації й зробити промивання мікрофільтра.
Для оцінки фільтратів був проведений порівняльний аналіз різних масел марки М10М>2>. Для аналізу були взяті свіже масло з нафтосклада господарства, відпрацьоване масло із двигуна трактора Т-40АМ після 300 мото-годин роботи, очищене масло на установці СУОМ-1М, філътрат очищеного масла й маслі з картера двигуна трактора Т-40АМ після 16 мото-годин роботи. Результати фізико-хімічного аналізу масел представлені в табл.4
Фізико-хімічні показники масел М1ОГ>2>
|
Вид масла |
Зміст мех. домішок,% |
Кінематична в'язкість, сСт |
Температура спалаху, ос |
Щелочне число, мг КІН/г |
Содержание води, % |
Зміст щільність, % |
|
Свіже масло |
0,220 |
10,82 |
204 |
5,66 |
0,07 |
65 |
|
Відпрацьоване масло 300 м/г |
0,410 |
10,56 |
179 |
1,63 |
0,24 |
23 |
|
Очищене масло СУОМ-1М |
0,014 |
10,23 |
181 |
1,61 |
Сліди |
29 |
|
Фільтрат масла, керам. Фільтр |
0,007 |
9,32 |
176 |
0,44 |
Сліди |
58 |
|
Товарне масло 16 м/г роботи |
0,042 |
10,25 |
189 |
4,90 |
0,08 |
32 |
Аналіз даних табл.3 показує, що процес фільтрація очищеного масла дозволяє знизити зміст механічних домішок в 6,5 рази в порівнянні з очищенням відцентровими апаратами й в 2,5 рази поліпшити світлопроникність. Зміст миючих присадок у фільтраті знизилося на 3% у порівнянні з очищеним маслом і на 12% у порівнянні з відпрацьованим. Зміст механічних домішок у товарному маслі майже в 10 разів перевищує припустимі, значення, в'язкість на 2% нижче стандарту.
Фільтрат містить в 2 рази менше механічних домішок і на 10% знижена в'язкість за рахунок деструкції полімерів у процесі експлуатації у двигуні. У цілому показники фільтрату наближаються до відповідних вимог стандарту, а при уведенні в нього композиції присадок буде відповідати стандарту.
По даних видах масел був зроблений спектральний аналіз результати якого представлені на гістограммах (мал.6).
По змісту забруднень і продуктів зношування двигуна (Fe; Al; Cr; Cu; Si) фільтрат зіставимо з товарним маслом і в багато разів піку, чим в очищеному маслі.
Результати порівняльного аналізу дозволяють затверджувати про значну ефективність процесу мікрофільтрації масла керамічними фільтрами й можливості доведення відпрацьованих масел до рівня свіжих товарних.
Результати спектрального аналізу масла М10М2.

Мал.10: 1-товарне масло; 2-фільтрат відпрацьованого масла; 3-відпрацьоване масло; 4-очищене відпрацьоване масло; 5-товарне масло через 16 мото-годин роботи.