Принцип роботи та критерії розвитку зубостругального верстата
Курсова робота
Принцип роботи та критерії розвитку зубостругального верстата
Зміст
Вступ
1. Пристрій і принцип дії зубостругальних верстатів
2. Розрахунок критеріїв
2.1 Критерії розвитку технічних об'єктів
2.2 Розрахунок
2.3 Визначення зміни критеріїв
3. Перспективи подальшого розвитку верстатного встаткування
Висновок
Література
Введення
Конічні зубчасті колеса можна нарізати на універсально-фрезерних і поперечно-стругальних верстатах, але точність конічних зубчастих коліс, нарізаних на цих верстатах, низька, тому для нарізування конічних зубчастих коліс застосовують спеціальні зуборізні верстати.
Верстати для нарізування конічних коліс ділять на верстати, що працюють по методу копіювання, і верстати, що працюють по методу обкатування. У верстатах, що працюють по методу копіювання, використовують один або два різці, які одержують напрямок руху по копіру. Такі верстати застосовують для нарізування конічних зубчастих коліс діаметром до 5000 мм і модулем до 40 мм. Випускають дві моделі таких верстатів - 5А283 і 52ТМ2. Перший працює двома різцями, а другий - одним. Основні технічні дані цих верстатів наведені в табл. 1.
У верстатах, що працюють по методу обкатування, використовують різний різальний інструмент: різці, фрези, резцові головки й протягання. Випускають верстати для нарізування конічних зубчастих коліс по методу обкатування з діаметрами коліс від 5 до 800 мм і модулем від 0,3 до 16 мм.
Таблиця 1
Технічні характеристики верстатів
Параметр 5А283 52ТМ2
Діаметр зубчастих коліс, що нарізується,
мм 1600 3200
Довжина утворюючого початкового конуса,
мм 800 1000
Модуль, мм 30 40
Ширина зубчастого вінця, мм 270 500
1. Пристрій і принцип дії зубостругальних верстатів
Зубостругальний верстат мод. 5А250.
Зубостругальний верстат мод. 5А250 призначений для нарізування конічних коліс із прямими зубами модулем від 1,5 до 8 мм і діаметром до 500 мм. На верстаті можна робити як чорнове, так і чистове зубонарізування. Верстат працює двома стругальними різцями. На верстаті мод. 5А250 можна нарізати конічні колеса з зубами. При чорновому зубонарізуванні верстат може працювати по методу копіювання, а при чистовому зубонарізуванні по методу огинання.
Верстат (мал.2) складається з наступних основних вузлів: станини 1, що представляє собою твердий виливок коробчастої форми, усередині якої розміщені механізми й електроустаткування верстата, передньої бабки 2, у якій розташована колиска 3, на супортах якої закріплюють і встановлюють різці, у певному положенні за допомогою шкал і настановних пристосувань. Колесо, що нарізується, зміцнюють на оправленні, установлюваної в шпинделі ділильної бабки 4 і, що затискається за допомогою гідравлічного затискача патрона. На столі верстата розташована поворотна плита 5, на якій установлена ділильна бабка 4.
Цикл роботи верстата при чистовому зубонарізуванні. Натисканням пускової кнопки здійснюється швидке підведення колеса, що нарізується, включається зворотно-поступальний рух супорта, що несе різці, обертання колеса, що нарізується, і колиски. По закінченні обробки зуба нарізується колесо, що, швидко приділяється назад, колиска починає обертатися у зворотному напрямку, а нарізується колесо, що, продовжує обертатися в ту ж сторону, що й при робочому ході. По закінченні зворотного ходу колиски цикл повторюється.
При чорновому зубонарізуванні робота відбувається в основному так само, як при чистовому, з тією лише різницею, що величина огинання зменшується, а швидке підведення стола заміняють повільною робочою подачею, при якій різці поступово урізаються в заготівлю.
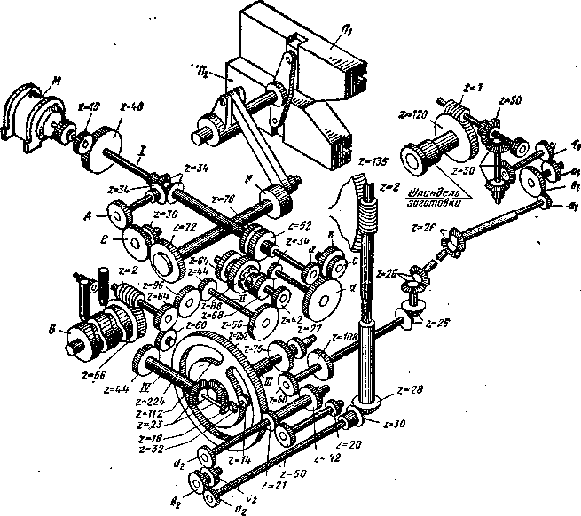
Кінематична схема верстата. На мал.3 наведена кінематична схема верстата, що складає з ряду ланцюгів, до числа яких варто віднести ланцюга головного руху, що забезпечують необхідну швидкість різання, подачі, прискореного переміщення.

Кінематична схема зубостругального верстата мод. 5А250
Ланцюг головного руху. Від електродвигуна (N = 2,8 кВт, п = 1420 об/хв) обертання через колеса 15/48 передається на вал I, з якого через конічні колеса 34/34 на гітару швидкостей зі змінними колесами А и Б, далі через передачу 30/72 на кривошипний вал, на кінці якого перебуває кривошипний диск К, і за допомогою важільної системи, повзунів П1 і П>2> різці одержують зворотно-поступальний рух.
Розрахункові переміщення різців запишемо в такий спосіб,
1420 о/хв - > п дв. хід/хв.
Рівняння розрахункових переміщень запишемо так:
1420 (15/48 34/34 А/В 30/72) = дв. хід/хв.
Вирішуючи рівняння, знаходимо передатне відношення змінних коліс А и В для настроювання гітари головного руху:
A/B=n/185; n=1000 v/2l
де v - швидкість різання, м/хв, обирана по нормативах; l= = b + (6-8) довжина ходу різців, мм; b - довжина зуба, що нарізується, мм.
Верстат постачають набором змінних коліс, що дають можливість установити числа подвійних ходів різців у хвилину в межах 73 - 470. Усього дев'ять різних чисел подвійних ходів різців.
Ланцюг подач (обертання барабана Б). Подачу верстата визначають часом обробки одного зуба в секунду.
Від приводного електродвигуна М, за допомогою колеса, рух передається на вал I, з якого змінними колесами ac/ bd; гітари подач рух через колеса 34/68, фрикційну муфту, колеса 42/56 передається на вал II, з якого зубчастими колесами 44/96 96/64 і черв'ячну передачу 2/66 передається на барабан подач Б, постачений двома канавками для чорнової й чистової нарізки зубів колеса. Барабан подачі робить один оберт за час нарізування зуба, причому робочому ходу відповідає поворот на 160°; або 4/9 оберту, а холостому ходу 200°, або 5/9 оберту.
Розрахунковими переміщеннями в цьому випадку будуть час t нарізування одного зуба в секундах і поворот барабана подач за цей час на величину 4/9 оберту.
Рівняння для визначення передатного відношення змінних коліс гітари подач запишеться так:
S (1420/60 15/48 a/b c/d 34/68 42/56 44/96 96/64 2/66) =4/9
Звідси знаходимо передатне відношення змінних
a/a c/d=7.69/t
Межі величин подач s= 4 - 123 з/зуб. Необхідну величину s вибирають по нормативах.
Ланцюг прискорених переміщень. Від приводного електродвигуна М через колеса 15/48 і 34/34 рух до барабана подач може бути передане
через колеса 76/64 або 52/88 і через фрикційну муфту, колеса 42/56 на вал II, звідки через колеса 44/96 96/64 на черв'ячну передачу 2/66 барабана подач.
Тривалість прискореного холостого ходу колиски можна легко визначити, знаючи, що барабан подач за цей час повинен повернутися на 5/9 оберту.
При передачі 76/64
5/9 66/22 64/96 96/44 56/42 64/76 48/15 60/1420=4 з/ зуб = S xx
При передачі 52/88
5/9 66/22 64/96 96/44 56/42 88/52 48/15 60/1420 = 6 з/ зуб = S xx
При нарізуванні колеса із числом зубів z >= 17 Tx = 4 з/зуб, а при числі зубів, z <= 16 S>ХХ> = 6 з/зуб.
Ланцюг обертання колеса, що нарізується, (розподіл). Цей ланцюг зв'язує обертання розподільного барабана Б с обертанням колеса, що нарізується, у такий спосіб: розподільний барабан Б, черв'ячна передача 66/2, зубчасті колеса 64/60 60/44, конічна передача 23/23, вал III, зубчасті передачі 75/60 або 27/108, конічні пари 26/26, 26/26, 26,26, змінні колеса гітари розподілу a1/b1 c1/d1, конічні колеса 30/30, 30/30, черв'ячна передача 1/120, шпиндель колеса, що нарізується.
Колесо, що нарізується, безупинно обертається в одному напрямку. На верстаті розподіл відбувається через кілька зубів, а не послідовно зуб за зубом, але так, щоб при кожному циклі заготівля поверталася на ціле число зубів z1>ъ> не має загальних множників із числом зубів колеса, що нарізується.
Розрахункові переміщення варто записати в такий спосіб: за час одного оберту розподільного барабана Б заготівля повинна зробити zi/z оберту, де z - число зубів колеса, що нарізується.
Розрахункове рівняння ділильного ланцюга, коли відбувається нарізування конічного колеса по методу обкатування за участю пари коліс 75/60, запишемо так:
1 оберт барабана 66/2 64/60 60/44 23/2375/60 26/26 26/26 26/26 a1/b1 c1/d1 30/30 30/30 * 1/120 = zi / z
Звідки
a1/b1 c1/d1 = 2 zi/z
При методі копіювання, коли в ділильному ланцюзі бере участь пари коліс 27/108, змінні колеса гітари розподілу підбирають по формулі
a1/b1 c1/d1 = 10 zi/z
Ланцюг обкатування. Цей кінематичний ланцюг зв'язує обертання колиски з обертанням колеса, що нарізується. Розрахункові переміщення варто записати в такий спосіб. Коли колиска повернеться на величину - , що нарізується колесо повинне повернутися на величину. Інакше кажучи, коли виробляюче колесо г>0> - повернеться на один зуб, те й нарізати^ся колесо, що, також повинне повернутися на один зуб. Запишемо розрахункове рівняння для колиски й колеса, що нарізується:
1/z0 135/2 28/30 1/102 21/252 224/14 32/16 75/60 26/26 26/26 26/26 i справ 30/30 30/30* 1/120 = 1/z,
звідки
z0/z= 7/4 i справ / i or
де i or - передатне відношення змінних коліс гітари огинання, рівне a2/b2 c2/d2; i справ - передатне відношення змінних коліс гітари розподілу. Підставляючи у формулу z0/z= 7/4 i справ / i or замість i справ = 2 zi/z, одержимо формулу для підбора змінних коліс гітари обкатування
a2/b2 c2/d2 = 7/2 z1/z sin q
де z0= z/ sin q; q - половина кута при. вершині початкового конуса колеса, що нарізується.
Приклад. Необхідно нарізати конічне зубчасте колесо із числом зубів z= 53. Приймемо z=9, тоді нарізування зубів буде відбуватися в наступній послідовності:
10, 19, 28, 37, 46 - 1-й оберт заготівлі;
11, 20, 29, 38, 47 - 2-й. Те ж 3, 12, 21, 30, 39, 48 - 3-й"
13, 22, 31, 40, 49 - 4-й", 14, 23, 32, 41, 50 - 5-й", 15, 24, 33, 42, 51 - 6-й"
16, 25, 34, 43, 52 - 7-й", 17, 26, 35, 44, 53 - 8-й", 9, 18, 27, 36, 45 - 9-й
Реверсивний механізм. Роль реверсивного механізму колиски виконує складене зубчасте колесо (мал.4). Він складається з декількох частин: зубчастого сектора внутрішнього зачеплення a hq, що має 196 зубів; зубчастого сектора зовнішнього зачеплення cde, що має 98 зубів; півкіл аbс і еfq, що мають по 28 зубів. Замкнутий зубчастий контур abcdefqha приводиться в обертання зубчастим колесом, що має 14 зубів. Завдяки такому пристрою при обертанні колеса із числом зубів 14 в одну сторону замкнутий зубчастий контур abcdefqha буде повідомляти складене зубчасте колесо зворотний рух те в одну, то в іншу сторону й тим самим реверсування колиски, що несе різальний інструмент (різці). Частота обертання колеса, що має 14 зубів, за час циклу обробки одного зуба колеса, що нарізується, може бути знайдена з рівняння:
n14= (Zs/14) - 1
n14 - частота обертання колеса, що має 14 зубів, за час одного хитання складеного зубчастого контуру; Zs - число зубів замкнутого контуру:
Zs=196+98+2*28=350
Складене зубчасте колесо

Підставляючи в останню формулу дані, будемо мати
n14 = (350/ 14) - 1= 24 об /цикл.
Це означає, що за 24 частоти обертання колеса, що має 14 зубів, відбувається нарізування одного зуба на заготівлі. Знайдемо число обертів розподільного барабана Б, коли шестірня з 14 зубами зробить 24 об/цикл:
(32/16 44/60 60/64 2/66) - 1 оберт
Таким чином, за час одного хитання складеного колеса розподільний барабан зробить один оберт.
Знайти необхідну частоту обертання колеса із числом зубів, рівним 14, за час циклу нарізування одного зуба можна в такий спосіб: при внутрішнім зачепленні частота обертання її дорівнює (196/14) - 14, при зовнішнім зачепленні 98/14= 7. Коли відбувається перехід від внутрішнього зачеплення до зовнішнього й навпаки, зубчасте колесо z = 14, контактуючи із зубчастим колесом z = 56 (складені дві напівшестірні), працює як планетарна передача, що схематично показано на мал.4, де I - провідна ланка (водило); колеса із числом зубів 56 - нерухливе, а колесо з 14 зубами - ведене. Для знаходження передатного відношення колеса з 14 зубами складемо табл.2.
Таблиця 2 Визначення передатного відношення планетарної передачі
|
Рух |
Ланки системи |
||
|
1 |
56 |
14 |
|
|
е частка частка Сумарне |
+1 0 1 |
+1 1 0 |
+1 56/14 3 |
Отже, коли колесо із числом зубів 14 повністю дожене колесо із числом зубів 56, воно зробить три оберти. При додаванні знак мінус не враховують. Тоді частота обертання колеса із числом зубів z = 14 буде 14 + 7 + 3 = 24 об/цикл.
Гідропривід верстата. Верстат мод. 5А250 для виконання наступних робіт: затискача колеса, що нарізується, на оправленні, перемикання фрикційної муфти, робочого й холостого ходів, підведення й відводу стола й рахунку циклів для вимикання верстата після нарізування всіх зубів колеса. Гідропривід складається з нормалізованих вузлів і працює на мінеральному маслі марки Турбінне 22.
Технологічні можливості верстата характеризуються наступними даними:
Найбільший модуль коліс, що нарізуються, у мм 8
Найбільша довжина утворюючого зубчастого колеса, що нарізується, у мм 57
Кут ділильного конуса зубчастих коліс, що нарізуються,°14 2/ _ 75С 58°
Найбільше передатне відношення ортогональних передач, що нарізується, 4:1
Найбільший діаметр початкової окружності зубчастого колеса, що нарізується, при найбільшому передатному відношенні в мм 500
Найбільша довжина зуба, що нарізується, у мм 22
Числа зубів коліс, що нарізується, 10-80
Габарити верстата в мм:
у плані 1100*1540
висота 1310.
2. Розрахунок критеріїв
2.1 Критерії розвитку технічних об'єктів
Серед параметрів і показників, що характеризують будь-який технічний об'єкт, завжди є такі, які протягом тривалого часу мають тенденцію монотонної зміни або тенденцію підтримки на певному рівні при досягненні своєї межі. Ці показники всіма усвідомлюються як міра досконалості й прогресивності, і вони впливають на розвиток окремих класів технічних об'єктів і техніки в цілому.
Такі параметри й показники називають критеріями розвитку технічних об'єктів. Про їхню важливість можна судити по тім факті, що технічний прогрес в області будь-яких технічних об'єктів звичайно полягає в поліпшенні одних критеріїв без погіршення (у всякому разі без значного погіршення) інших. При формуванні системи критеріїв розвитку повинен задовольнятися ряд умов:
вимірності: за критерій розвитку може бути прийнятий тільки такий параметр технічного об'єкта, що допускає можливість кількісної оцінки по одній зі шкал вимірів;
порівнянності: критерій розвитку повинен мати таку розмірність, що дозволяє зіставляти технічні об'єкти різних часів і країн;
виключення: за критерії розвитку можуть бути прийняті тільки такі параметри технічного об'єкта, які в першу чергу характеризують його ефективність і впливають;
мінімальності й незалежності: вся сукупність критеріїв розвитку повинна містити тільки такі критерії, які не можуть бути логічно виведені з інших критеріїв і не можуть бути їхнім прямим наслідком.
Оцінка технічного рівня і якості виробу здійснюється шляхом порівняльного (порівняльного) аналізу в наступному порядку:
вибирається базовий виріб (ідеальний варіант, аналог або прототип);
виявляються чисельні значення основних техніко-екологічних показників оцінюваного й базового виробів:
розраховуються рівні відносних показників технічного рівня і якості;
розраховується величина узагальнених показників технічного рівня і якості виробів.
Слід зазначити, що головна умова порівняння оцінюваного й базового виробу - порівнянність елементів виробів, ідентичність функціонального призначення.
Як базовий виріб для зіставлення вибирають найкращий, реальний зразок даного виду й типорозміру виробів, наявний у світовій практиці. Він може бути як вітчизняним, так і закордонним і йменується аналогом. Іноді при рішенні завдань по модернізації виробів даного виду як базовий виріб приймають вироби-прототип, що вдосконалюється шляхом усунення наявних недоліків.
В окремих випадках як базовий виріб може бути прийняте встаткування майбутнього - ідеальний варіант. Показники, що характеризують ідеальний варіант по технічному рівні і якості, розраховуються, виходячи із законів розвитку техніки даного виду за критеріями розвитку.
При оцінці технічного рівня і якості виробів значення основного розмірного параметра (продуктивність, робоча поверхня, корисний обсяг і т.д.) не повинні відрізнятися від такого для базового виробу більш ніж на 20%.
2.2 Розрахунок
Таблиця 1. Технічні характеристики
|
Рік |
Найбільше число зубів |
Найбільша ширина зубчастого вінця, мм |
Найбільший модуль коліс, що нарізується, мм |
Число подвійних ходів повзуну (різця, супорта) у хвилину |
|
1969 |
200 |
80 |
8 |
76-450 |
|
1975 |
100 |
150 |
16 |
30-307 |
|
1980 |
200 |
80 |
10 |
76-450 |
|
1985 |
300 |
270 |
30 |
17-127 |
|
1989 |
100 |
18 |
2.5 |
100-810 |
|
1990 |
200 |
80 |
10 |
48-400 |
|
2000 |
100 |
150 |
16 |
34-167 |
|
2004 |
300 |
270 |
30 |
17-127 |
Таблиця 2.
|
Рік |
Потужність електродвигуна, кВт |
Вага, кг |
Габаритні розміри, мм |
||
|
Довжина |
ширина |
Висота |
|||
|
1969 |
5,35 |
7400 |
2200 |
1600 |
1600 |
|
1975 |
6 |
12200 |
2700 |
2270 |
1950 |
|
1980 |
5,9 |
8700 |
2200 |
1600 |
1600 |
|
1985 |
5,35 |
19000 |
3725 |
2920 |
2405 |
|
1989 |
7,5 |
2460 |
1690 |
930 |
1200 |
|
1990 |
12 |
8750 |
2885 |
1980 |
2570 |
|
2000 |
12 |
15100 |
3235 |
2530 |
2200 |
|
2004 |
13 |
19000 |
3785 |
2780 |
2405 |
Аналізуючи представлені дані, можна скласти номенклатуру критеріїв розвитку зубостругальних верстатів. Зробимо розрахунок досліджуваних критеріїв, результати обчислень яких представлені в таблиці 2.
1. Питома матеріалоємність.
К>м> = М / N
де: К>м> - питома матеріалоємність. (кг / мм)
М - маса (кг)
N - величина головного параметра (мм).
2. Питома енергоємність.
Е>у> = P / N
де: Е>у - >питома енергоємність (кВт/м);
P - потужність (кВт);
N - величина головного параметра (м).
3. Питома площа, займана верстатом.
S>y
>= S / E>n>
де: S>y> - питома площа займана Т.о. (м2/ м)
S - площа займана верстатом (м2)
E>n> - одиниця головного параметра (м)
4. Одиниця потужності електродвигуна, що доводиться на одиницю маси верстата.
Таблиця 2. Критерії розвитку.
|
Рік |
Питома матеріалоємність, кг/мм |
Питома енергоємність, квт/м |
Одиниця потужності на одиницю маси, Вт/кг |
Питома займана площа, м2/м |
|
1969 |
120 |
66,9 |
0,72 |
80 |
|
1975 |
81,3 |
71,3 |
0,88 |
40,86 |
|
1980 |
108,8 |
66,5 |
0,6 |
44 |
|
1985 |
70,4 |
48 |
0,54 |
40,29 |
|
1989 |
136,7 |
89 |
4,47 |
87,3 |
|
1990 |
109,4 |
59 |
1,37 |
71,4 |
|
1994 |
100,7 |
70 |
0,79 |
54,6 |
|
1995 |
70,4 |
48 |
0,68 |
38,9 |
|
2005 |
90 |
60 |
1,9 |
53 |
2.3 Визначення зміни критеріїв
З огляду на зміну значень питомої енергоємності верстата, можна простежити тенденцію зниження даного параметра. За допомогою методу апроксимації можна зробити прогноз на 2005 рік, значення параметра складе 60 кВт/м.
За допомогою методу апроксимації тенденцій знаходимо рівень критерію в 2005 році. З певною часткою ймовірності ми можемо затверджувати, що значення критерію знизиться й складе 90 кг/мм.
Отримана крива свідчить про очевидний ріст одиниці потужності, що доводиться на одиницю маси зубостругального верстата. Вдаючись до допомоги методу апроксимації, можна припустити можливе значення даного параметра в 2005 році, що складе 1,9 Вт/кг.
Ріст потужності

За допомогою методу апроксимації тенденцій знаходимо рівень критерію в 2005 році. З певною часткою ймовірності ми можемо затверджувати, що значення критерію знизиться й складе 53 м2/м.
3. Перспективи подальшого розвитку верстатного встаткування
B останні роки велика увага приділяється високошвидкісній обробці здійснюваної зі швидкістю різання приблизно на порядок вище традиційно застосовуваної. При високошвидкісній обробці продуктивність на 40% вище, а трудомісткість на 30% нижче, ніж при звичайній обробці різанням. Крім того, для високошвидкісної обробки характерні малі величини сил різання до ступінь нагрівання обробленої поверхні, тому що майже вся теплота приділяється стружкою.
У цей час високошвидкісній обробці вже можуть піддаватися заготівлі з найпоширеніших конструкційних матеріалів. Однак для широкого впровадження високошвидкісної обробки в машинобудівне виробництво необхідно вирішити досить складні технічні проблеми. Поряд з оптимізацією матеріалу, геометричних параметрів і конструкції різального інструменту, а також режимів різання, до числа таких проблем, зв'язаних властиво з верстатами, ставляться наступні.
1. Розробка вузлів і механізмів верстата, здатних надійно забезпечувати високі швидкості робочих рухів. У першу чергу це ставиться до шпиндельних вузлів.
2. Підвищення динамічних характеристик верстатів і виключення їхніх теплових деформацій. Високі швидкості робочих рухів верстатів приводять до того, що багато вузлів і механізми здатні стати потужними джерелами вібрацій і теплового випромінювання. Так, у шпиндельних вузлах 30-40% потужності привода головного руху перетворюється в теплоту. Крім того, при пуску механізми подач можуть випробовувати прискорення до 5 м/с3, що викликає в приводах інтенсивні перехідні процеси.
3. Створення надійних засобів контролю стану різального інструменту й якості обробки із включенням їх у систему ЧПУ верстата.
4. Оснащення верстатів пристроями для зміни інструмента й заготівель, а також пристроями для видалення стружки.
5. Підвищення вимог по техніці безпеки, що виключають травмування обслуговуючого персоналу до ушкодження верстата стружкою, що летить, осколками різального інструменту й т.п.
Перехід від традиційної обробки до високошвидкісного вимагає зміни конструкції багатьох кутів, механізмів до систем верстата.
Висновок
У своїй курсовій роботі я розробила номенклатуру критеріїв розвитку для зубостругальних верстатів для виготовлення конічних коліс, взявши за основу який-небудь один граничний розмір колеса, що нарізується. Проаналізувала динаміку цих критеріїв по роках випуску верстатів. З'ясувала, за рахунок яких факторів відбулася зміна значень критеріїв. Дала схему верстата, описала його пристрій, принцип роботи. Проаналізувала залежність питомих показників (питомої енергоємності, матеріалоємності) від розмірів верстата.
Література
Половинкин О.І. Основи інженерної творчості. – К., 2003
Великий В.Г. Технічний рівень машин і апаратів: шляхи його підвищення. – К., 1991
Могунов В.И. Металорізальні верстати. Короткий довідник. – К., 2001
Номенклатурний довідник. Універсальні металорізальні верстати, що випускаються підприємствами. – К., 2000
Номенклатурний довідник. Універсальні металорізальні верстати, що випускаються підприємствами. – К., 1997
Шматков В.В., Ничков О.Г. Верстати. – К., 2000
Налчан А.Г. Металорізальні верстати. – К., 1999
Смирнов О.І. Перспективи технології машинобудування. – К., 2000