Основные вопросы, касающиеся автоматической системы управления
1. Регулирование экономичности процесса горения в прямоточном паровом котле по схеме «нагрузка - воздух» с коррекцией по кислороду. Укажите требования, предъявляемые к объекту регулирования, и его динамические свойства. Приведите кривую разгона объекта регулирования и статическую характеристику АСР
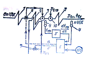
Регулирование экономичности по соотношению задание — воздух с дополнительным сигналом по содержанию О>2> дымовых газах (рис. 11.12). Процентное содержание 0>2> в продуктах сгорания топлива характеризует избыток воздуха и слабо зависит от состава топлива. Поэтому использование 0>2> в качестве входного сигнала автоматического регулятора, воздействующего на расход воздуха, представляется вполне целесообразным. Однако реализация этой схемы затруднена из-за отсутствия надежных и быстродействующих газоанализаторов на кислород. Поэтому в промышленных условиях получили распространение схемы регулирования подачи воздуха не с прямым, а с корректирующим воздействием по 0>2>.
Поддержание избытка воздуха по соотношению теплота — воздух отличается простотой и надежностью, но не является точным. Этот недостаток устраняется в системе регулирования экономичности, действующей, например, по схеме задание — воздух с дополнительной коррекцией по 0>2>, в которой регулятор подачи воздуха изменяет его расход по сигналу от главного или корректирующего регулятора давления 5. Сигнал, пропорциональный расходу воздуха ∆р>в>, как и в других схемах, во-первых, устраняет возмущения по расходу воздуха, не связанные с регулированием экономичности (включение или отключение систем пылеприготовления и т. п.), во-вторых, способствует стабилизации самого процесса регулирования подачи воздуха, так как служит одновременно сигналом жесткой отрицательной обратной связи. Введение дополнительного корректирующего сигнала по содержанию 0>2> повышает точность поддержания оптимального избытка воздуха в любой системе регулирования экономичности. Добавочный корректирующий регулятор 4 по 0>2> в схеме регулирования задание — воздух непосредственно управляет подачей воздуха при топочных возмущениях и обеспечивает поддержание заданного избытка воздуха в зависимости от нагрузки агрегата.

Рис. 11.12. Регулирование подачи воздуха по соотношению:
нагрузка - воздух с коррекци ей по О>2>; 1 - регулятор подачи воздуха; 2 - регулирующий орган; 3 – дифференциатор; 4 - корректирующий регулятор воздуха; 5 - корректирующий регулятор давления перегретого пара (регулятор задания по нагрузке)
2. Как оценивается тепловая нагрузка барабанного парового котла? Как формируется сигнал «по теплу» для барабанного парового котла?
Принципиальная технологическая схема барабанного котла показана на рис. 11.1. Паровой котел в целом по каналу топливо — расход или давление пара служит системой направленного действия. Однако выходные регулируемые величины некоторых участков служат одновременно входными по отношению к другим. Например, расход перегретого пара D>п.п,> являясь выходной величиной по отношению к расходу топлива В>т>, служит входным воздействием по отношению к давлению и температуре перегретого пара: давление пара в барабане p>б>, являясь выходной величиной по отношению к расходу топлива, служит одним из входных воздействий участка регулирования уровня воды в барабане H>б>.
Паровой котел как объект управления представляет собой сложную динамическую систему с несколькими взаимосвязанными входными и выходными величинами (рис. 11.2). Однако явно выраженная направленность участков регулирования по основным каналам регулирующих но воздействий, таким как расход питательной воды D>п.в> - уровень H>б>, расход воды на впрыск D>впр> - перегрев t>п>.>п.>, расход топлива B>т> — давление р>п.п> и др. позволяет осуществлять стабилизацию регулируемых величин с помощью независимых одноконтурных систем, связанных лишь через объект управления. При этом регулирующее воздействие того или иного участка (сплошные линии на рис. 11.2) служит основным способом стабилизации регулируемой величины, а другие воздействия (пунктирные линии) считаются по отношению к этому участку внутренними или внешними возмущениями.
Управляемый процесс парообразования происходит в подъемных трубах циркуляционного контура 2, снабжающихся водой из опускных труб 3 и экранирующих камерную топку 1, в которой сжигается топливо В>т>. Для поддержания процесса горения с заданным коэффициентом избытка α в топку нагнетается вентилятором ДВ воздух Q>B>, предварительно нагретый в воздухоподогревателе 9.
Дымовые газы Q>r>, образовавшиеся в результате процесса горения, отсасываются из топки дымососом ДС. Они проходят через поверхности нагрева экономайзера 8, воздухонагревателя 9 и удаляются в атмосферу через дымовую трубу. Насыщенный пар из барабана 4 поступает в пароперегреватель 5, 6, где перегревается до требуемой температуры за счет радиации факела и конвективного обогрева топочными газами.
Основные регулируемые величины котла — расход перегретого пара D>п.п>, давление р>п>.>п> и температура t>п.п>.
При этом расход пара может изменяться в широком диапазоне, а давление и температура поддерживаются в сравнительно узких пределах допустимых отклонений, что обусловливается требованиями заданного режима работы турбины или иного потребителя теплоты.
Температура перегрева пара может поддерживаться вблизи заданного значения, например, посредством изменения расхода охлаждающей воды D>впр> на пароохладитель 7. Давление пара отклоняется от заданного значения во всех случаях небаланса между количествами потребляемого пара D>п.п >и генерируемого (вырабатываемого) в экранных трубах D>б>. Небаланс устраняется посредством регулирования тепловыделения в топке, главным образом изменением подачи топлива. Кроме названных, следует поддерживать в пределах допустимых отклонений следующие величины: уровень воды в барабане Н>б> (регулируется изменением подачи питательной воды D>п.п>); разрежение в верхней части топки S>T> (регулируется изменением производительности дымососов, отсасывающих дымовые газы из топки); оптимальный избыток воздуха за пароперегревателем α (регулируется изменением производительности дутьевых вентиляторов, нагнетающих воздух в топку); солесодержание котловой воды в пересчете на NaCl (регулируется изменением расхода воды D>np>, выпускаемой из барабана в сепаратор непрерывной продувки).
Система автоматического регулирования барабанного парового котла в целом состоит из отдельных замкнутых систем: 1) давления перегретого пара р>п.п> и тепловой нагрузки D>q> ;2) избытка воздуха в топке, определяемого содержанием О>2> за пароперегревателем,— экономичности процесса горения; 3) разрежения в верхней части топки S>Т>; 4) температуры перегрева пара; 5) питания котловой водой; 6) качества котловой воды.

Рис. 11.1. Принципиальная технологическая схема барабанного парового котла

Рис. 11.2. Схема взаимосвязей между выходными и входными величинами в барабанном котле
3. Регулирование температуры вторичного пара за счет рециркуляции уходящих газов. Укажите требования, предъявляемые к поддержанию температуры вторичного пара, и динамические свойства объекта регулирования. Приведите кривую разгона объекта регулирования и статическую характеристику АСР
Характеристика участка регулирования. На современных мощных паротурбинных установках предусматривается повторный перегрев пара после его расширения в ЦВД турбины. Для этого пар, прошедший через ЦВД, возвращается в котёл, где он нагревается до требуемой температуры и в качестве вторичного пара поступает на вход турбины. Температура вторичного пара также должна поддерживаться с высокой точностью в допустимых пределах при различных нагрузках турбины и изменениях топочного режима.
Способы и схемы регулирования. Регулирование вторичного перегрева пара с помощью впрыска оказывается неэкономичным: пар, образовавшийся в результате испарения охлаждающей воды, не проходит через проточную часть ЦВД турбины, что приводит к снижению КПД теплосиловой установки.
1. Регулирование с помощью паро-парового теплообменника (ППТО). Конструктивно ППТО представляет собой вынесенный из газоходов парового котла корпус, выполненный из трубы большого диаметра (300—400 мм), внутри которого проходят змеевики труб малого диаметра, укрепленные в трубных досках. Внутри змеевиков проходит частично перегретый (до 450—520 °С) первичный или греющий пар D>г>.>п>; внутри трубы большого диаметра встречно проходит вторичный пар D>в.п> с температурой 320—350 °С.
Регулирование температуры вторичного пара производится путем изменений его расхода через ППТО с помощью трехходового клапана и обводного паропровода. В качестве резервного средства регулирования на случай чрезмерного повышения t>в.п> предусматривается аварийный впрыск.
Принципиальная схема автоматической системы регулирования, температуры вторичного пара с помощью ППТО приведена на рис 11.28 (вариант а). Недостаток ППТО — существенная инерция по t>в.п>.
2. Регулирование с помощью газопаро-парового теплообменника (ГППТО). Теплообменник сконструирован по принципу труба в трубе и представляет собой размещенную в газоходе систему змеевиков из труб диаметром 60x3,5 мм, внутри каждой из которых проходят две трубки диаметром 16x3 мм. По трубкам малого диаметра движется первичный или греющий пар; навстречу ему по трубам большого диаметра проходит вторичный пар. Трубы большого диаметра обогреваются топочными газами снаружи, что требует их надежного охлаждения изнутри. В связи с этим через змеевики большего диаметра пропускается весь вторичный пар, и регулирование его температуры осуществляется путем изменения расхода первичного пара. Принципиальная схема регулирования температуры вторичного пара, с помощью ГППТО изображена на рис. 11.28 (вариант б).

Рис. 11.28. Схемы регулирования температуры вторичного пара с помощью паро-парового (пунктирная линия а) или газопарового (пунктирная линия б) теплообменников:
1,3 — ступени вторичного пароперегревателя; 2 — паровой или газопаровой теплообменник; 4 — термопара; 5 — дифференциатор; 6 — регулятор температуры пара на выходе; 7 — пароохладитель; 8 —трехходовой регулирующий клапан; 9 —- обводной клапан; 10 — аварийный впрыскивающий пароохладитель
Способы регулирования с помощью теплообменников экономически целесообразны, при этом ГППТО менее инерционен, чем ППТО. Однако недостаток их состоит в появлении существенных взаимосвязей между системами регулирования первичного и вторичного пара. Кроме того, эти способы не всегда обеспечивают достаточный диапазон регулирования.
3. Регулирование перепуском части пара в обвод конвективной поверхности нагрева вторичного пароперегревателя (паровой байпас).
Принципиальная схема регулирования при использовании парового байпасирования изображена на рис. 11.29.

Рис 11,29. Схема регулирования температуры вторичного пара перепуском части пара помимо холодного пакета пароперегревателя
Конструктивно вторичный — «холодный пакет» 1 размещается в зоне сравнительно низких температур газов, а «горячий пакет» 2 выносится в зону высоких температур газов. Тепловосприятие пароперегревателя регулируется трехходовым клапаном 3, перепускающим часть «холодного» пара, помимо первого пакета, на вход второго. При таком способе регулирования температура вторичного пара практически не зависит от температуры первичного. В то же время диапазон регулирования может быть достаточно широким. ПИ-регулятор температуры 4 действует от двух сигналов — по отклонению температуры на выходе из вторичного пароперегревателя (основного) и дополнительного (исчезающего), сформированного с помощью дифференциатора 5 и датчика 6, установленного после смешения холодного и частично перегретого пара.
На случай чрезмерного повышения t>в.п> предусматривается дополнительный впрыск 7, управляемый автоматическим регулятором 8. Заданное значение t>в.п> основного регулятора 4 устанавливается меньшим, чем у регулятора 8, с тем, чтобы клапан аварийного впрыска 9 в нормальном режиме работы был закрыт. Кроме того, наличие блокировки в электрической схеме управления предусматривает возможность открытия аварийного клапана 9 лишь после полного открытия трехходового клапана 3.
4. Газовое регулирование. Эффективное воздействие на температуру вторичного перегрева пара может быть достигнуто за счет изменения количества теплоты, передаваемой поверхностям нагрева топочными газами. Для того чтобы общий расход топочных газов оставался неизменным, целесообразно воспользоваться перераспределением потока газов между газоходами конвективного перегревателя и водяного экономайзера. Принципиальная схема газового регулирования изображена на рис. 11.30. Регулирующие органы — поворотные заслонки, с помощью которых осуществляется перераспределение газового потока, должны быть выполнены из жаропрочного материала и оборудованы специальной системой воздушного охлаждения. На вход автоматических регуляторов вторичного перегрева при газовом регулировании подаются два сигнала: первый (основной) по t>в.п>, второй упреждающий (исчезающий) по температуре газов перед вторичным перегревателем.

Рис. 11.30. Газовое регулирование температуры вторичного пароперегревателя перераспределением потока газов: 1 — вторичный пароперегреватель; 2 — экономайзер; 3 — поворотные заслонки.
4. В чем заключается особенность барабана котла как объекта регулирования уровня? Какие факторы оказывают влияние на положение уровня в барабане?
Характеристика участка регулирования. Показателем соответствия материального баланса между паром и водой служит уровень в барабане Н>б>. Средний уровень воды должен поддерживаться постоянным при изменении нагрузки. Принято, что максимально допустимые отклонения уровня воды в барабане составляют ±100 мм от среднего значения, установленного заводом-изготовителем. Снижение уровня ниже видимой части водомерного стекла, устанавливаемого на барабане котла, считается «упуском» воды, а превышение его верхней видимой части — «перепиткой». Расстояние между этими критическими отметками составляет 400 мм. Снижение уровня ниже места присоединения опускных труб циркуляционного контура может привести к нарушению питания и охлаждения водой подъемных труб, нарушению их прочности в местах стыковки с корпусом барабана, а в наиболее тяжелом случае— пережогу. Чрезмерное повышение уровня может привести к ухудшению действия внутрибарабанных сепарационных устройств, преждевременному заносу солями пароперегревателя, а также к забросу частиц воды в турбину, что может явиться причиной тяжелых механических повреждений ее ротора и лопаток.
Снабжение барабана водой осуществляется по одной и, реже, двум ниткам трубопроводов питательной воды, одна из которых служит резервной.
Отклонение уровня воды в барабане от среднего значения характеризует наличие небаланса между притоком питательной воды и расходом пара; оно происходит также вследствие изменения содержания пара в пароводяной смеси подъемных труб за счет колебаний давления пара в барабане или изменений тепловосприятия испарительных поверхностей нагрева.
Кривая переходного процесса по уровню в барабане при возмущении расходом питательной воды для парового котла (420 т/ч) приведена на рис. 11.17, а. Динамика этого же участка при возмущении расходом пара показана на рис. 11.17,6.
Выпуклость начального участка кривой разгона при возмущении нагрузкой (увеличением) объясняется снижением давления пара, в свою очередь это приводит к увеличению паросодержания в подъемных трубах циркуляционного контура и росту уровня. Описанное явление носит название набухания или вспучивания.

Рис 11.17. Динамические характеристики котла типа ТП-87 по уровню воды в барабане при возмущениях: а — водой; б — паром
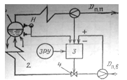
Схема автоматического регулирования. Автоматический регулятор должен обеспечить постоянство среднего значения уровня независимо от нагрузки парового котла и других возмущающих воздействий. В переходных режимах изменение уровня протекает довольно быстро, поэтому регулятор питания должен поддерживать постоянство соотношения расходов питательной воды и пара. Эту задачу выполняет трехимпульсный регулятор питания (рис. 11.18). Регулятор 3 перемещает клапан 4 при появлении сигнала небаланса между расходами питательной воды D>в.п> и пара D>п>.>п>. Помимо того, он воздействует на положение питательного клапана при отклонениях уровня от заданного значения Н>б>. Данная схема имеет широкое применение на крупных энергетических барабанных паровых котлах.

Рис. 11,18. Трехимпульсная АСР питания водой барабанного котла:
1 — барабан; 2 — экономайзер; 3 — регулятор питания; 4 — регулирующий клапан питательной воды