Проектирование привода пластинчатого конвейера
Оглавление
Задание
Введение
1. Описание назначения и устройства проектируемого привода.
2. Выбор электродвигателя и кинематический расчет.
3. Выбор материалов шестерен и колес и определение допускаемых напряжений.
4. Расчет первой ступени редуктора.
5. Расчет второй ступени редуктора.
6. Основные размеры корпуса и крышки редуктора.
7. Расчет ременной передачи.
8. Расчет тяговой звездочки.
9. Расчет быстроходного вала и расчет подшипников для него.
10. Расчет промежуточного вала и расчет подшипников для него.
11. Расчет тихоходного вала и расчет подшипников для него.
12. Расчет приводного вала и расчет подшипников для него.
13. Смазка.
14. Проверка прочности шпоночных соединений.
15. Расчет зубчатой муфты.
16. Сборка редуктора.
Список использованной литературы.
Приложение: спецификация редуктора.
Задание 8
Проект привода пластинчатого конвейера для транспортировки сырья со склада фабрики в цех.
Спроектировать привод пластинчатого конвейера для транспортировки сырья со склада фабрики в цех, состоящий из электродвигателя, клиноременной передачи, цилиндрического прямозубого редуктора, зубчатой муфты, приводного вала и приводных звездочек.

Техническая характеристика привода:
Окружная сила на звездочках F>4>, кН: 40.
Окружная скорость на звездочках V>4>, м/с: 0,05.
Число зубьев звездочки z: 8.
Шаг зубьев звездочки t, мм: 80.
Режим работы: легкий.
Введение
Редуктор является неотъемлемой составной частью современного оборудования. Разнообразие требований, предъявляемых к редукторам, предопределяет широкий ассортимент их типов, типоразмеров, конструктивных исполнений, передаточных отношений и схем сборки.
При выполнении проекта используются математические модели, базирующиеся на теоретических и экспериментальных исследованиях, относящихся к объемной и контактной прочности, материаловедению, теплотехнике, гидравлике, теории упругости, строительной механике. Широко используются сведения из курсов сопротивления материалов, теоретической механики, машиностроительного черчения и т. д. Все это способствует развитию самостоятельности и творческого подхода к поставленным проблемам.
При выборе типа редуктора для привода рабочего органа (устройства) необходимо учитывать множество факторов, важнейшими из которых являются: значение и характер изменения нагрузки, требуемая долговечность, надежность, КПД, масса и габаритные размеры, требования к уровню шума, стоимость изделия, эксплуатационные расходы.
Из всех видов передач зубчатые передачи имеют наименьшие габариты, массу, стоимость и потери на трение. Коэффициент потерь одной зубчатой пары при тщательном выполнении и надлежащей смазке не превышает обычно 0,01. Зубчатые передачи в сравнении с другими механическими передачами обладают большой надежностью в работе, постоянством передаточного отношения из-за отсутствия проскальзывания, возможностью применения в широком диапазоне скоростей и передаточных отношений. Эти свойства обеспечили большое распространение зубчатых передач; они применяются для мощностей, начиная от ничтожно малых (в приборах) до измеряемых десятками тысяч киловатт.
К недостаткам зубчатых передач могут быть отнесены требования высокой точности изготовления и шум при работе со значительными скоростями.
Одной из целей выполненного проекта является развитие инженерного мышления, в том числе умение использовать предшествующий опыт, моделировать используя аналоги. Для курсового проекта предпочтительны объекты, которые не только хорошо распространены и имеют большое практическое значение, но и не подвержены в обозримом будущем моральному старению.
Существуют различные типы механических передач: цилиндрические и конические, с прямыми зубьями и косозубые, гипоидные, червячные, глобоидные, одно- и многопоточные и т. д. Это рождает вопрос о выборе наиболее рационального варианта передачи. При выборе типа передачи руководствуются показателями, среди которых основными являются КПД, габаритные размеры, масса, плавность работы и вибронагруженность, технологические требования, предпочитаемое количество изделий.
При выборе типов передач, вида зацепления, механических характеристик материалов необходимо учитывать, что затраты на материалы составляют значительную часть стоимости изделия: в редукторах общего назначения - 85%, в дорожных машинах - 75%, в автомобилях - 10% и т. д.
Поиск путей снижения массы проектируемых объектов является важнейшей предпосылкой дальнейшего прогресса, необходимым условием сбережения природных ресурсов. Большая часть вырабатываемой в настоящее время энергии приходится на механические передачи, поэтому их КПД в известной степени определяет эксплуатационные расходы.
Наиболее полно требования снижения массы и габаритных размеров удовлетворяет привод с использованием электродвигателя и редуктора с внешним зацеплением.
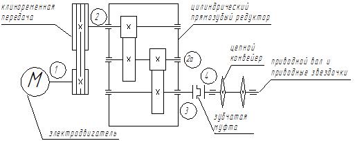
Описание назначения и устройства проектируемого привода
Проектируемый привод предназначен для передачи вращательного движения от электродвигателя к приводному валу пластинчатого конвейера. В состав данного привода входят:
Электродвигатель.
Клиноременная передача.
Цилиндрический прямозубый редуктор.
Зубчатая муфта.
Приводные звездочки.
Рассмотрим более подробно составные части привода. Вращательное движение от электродвигателя через клиноременную передачу передается на быстроходный вал редуктора. В качестве электродвигателя широкое применение получили асинхронные двигатели. В этих двигателях значительное изменение нагрузки вызывает несущественное изменение частоты вращения ротора.
Цилиндрический прямозубый редуктор передает вращательное движение от двигателя к приводному валу, при этом изменяя угловую скорость и крутящий момент.
Зубчатая муфта передает вращательное движение от тихоходного вала редуктора к приводному валу пластинчатого конвейера. Кроме передачи вращательного движения муфта также компенсирует несоосность тихоходного вала редуктора и приводного вала конвейера.
Приводные звездочки установлены на приводном валу и приводят в движение цепи конвейера.
Выбор электродвигателя и кинематический расчет.
Расчет ведем по [1].
Потребляемая мощность привода:
Р>вых >= F>4> · V>4> = 40 · 103 · 0,05 = 2 кВт.
Требуемая мощность двигателя:
Р>э потр> = Р>вых>/ η>общ >, где:
η>общ> = η>р п> · η>ред> · η>м> · η>п> - общий КПД привода.
η>ред> – КПД редуктора.
η>ред> = η>цп>2 · η>п>3
По таблице 1.1 из [1]:
η>цп> = 0,96…0,98; принимаем η>цп> = 0,97 – КПД закрытой цилиндрической передачи;
η>п> = 0,99 – КПД пары подшипников качения.
η>м> = 0,98 – КПД муфты.
η>р п> = 0,94…0,96 – ременная передача; принимаем η>р п> = 0,95.
η>ред> = 0,972 · 0,993 = 0,91
η>общ> = 0,95 · 0,91 · 0,98 · 0,99 = 0,84
Р>э потр> = 2 / 0,84 = 2,38 кВт.
Частота вращения вала электродвигателя:
n>э> = n>вых> · U>р п> · U>1> · U>2> , где:
U>р п> – передаточное число ременной передачи;
U>1> – передаточное число цилиндрической передачи (1 ступень);
U>2> – передаточное число цилиндрической передачи (2 ступень).
По таблице 1.2 из [1] примем рекомендуемые значения передаточных чисел:
U>р п> = 3
U>1> = 4;
U>2> = 3.
n>вых> = 60v / (πD>зв>) = 60 · 0,05 / (3,14 · 0, 204) = 4,68 об/мин
D>зв> = zt>зв> / (π · 103) = 8 · 80 / (3,14 · 103) = 0,204 м
n>э> = 4,68 · 3 · 4 · 3 = 168,5 об/мин
По таблице 24.8 [1] выбираем электродвигатель серии 4А: 112МВ8: Р = 3 кВт; n = 700 об/мин.
Общее передаточное число привода:
U>общ> = U>р п> · U>1> · U>2> = n> >/ n>вых> = 700/4,68 = 149,6
Возьмем U>р п> = 6, тогда:
U>ред> = U>общ> / U>р п> = 149,6 / 6 = 24,93
По таблице 1.3 [1]:
U>1> = U>ред> / U>2> = 24,93 / 4,39 = 5,68
U>2>
= 0,88
= 0,88
= 4,39
Частота вращения валов:
n>дв> = n = 700 об/мин;
n>1> = n>дв> / U>р п> = 700 / 6 = 116,7 об/мин;
n>2> = n>1> / U>1> = 116,7 / 5,68 = 20,55 об/мин;
n>3> = n>вых> = 4,68 об/мин.
Угловые скорости валов:
ω>1> = πn>1> / 30 = 3,14 · 116,7 / 30 = 12,2 рад/с;
ω>2> = πn>2> / 30 = 3,14 · 20,55 / 30 = 2,2 рад/с;
ω>3>= ω>вых> = > >πn>3> / 30 = 3,14 · 4,68 / 30 = 0,49 рад/с.
Вращающие моменты на валах:
Т>вых> = Т>3> = F>4 >D>зв> / 2 = 40 · 103 · 0,204 / 2 = 4080 Н·м;
Т>2> = Т>3> / (η>цп> · U>2>) = 4080 / (0,97 · 4,39) = 958,1 Н·м;
Т>1> = Т>2> / (η>цп> · U>1>) = 958,1 / (0,97 · 5,68) = 173,9 Н·м.
Мощности на валах:
Р>1> = Р · η>р п> · η>п> = 3 · 0,95 · 0,99 = 2,82 кВт;
Р>2> = Р>1> · η>цп> · η>п> = 2,82 · 0,97 · 0,99 = 2,71 кВт;
Р>3> = Р>2> · η>цп> · η>п> = 2,71 · 0,97 · 0,99 = 2,6 кВт;
Р>вых> = Р>3> · η>м> · η>п> = 2,6 · 0,98 · 0,99 = 2,52 кВт.
3. Выбор материалов шестерен и колес и определение допускаемых напряжений
По таблице 2.1 [1] выбираем материалы колеса и шестерни.
Материал колес – сталь 40Х; термообработка – улучшение: 235…262 НВ>2>;
248,5 НВ>СР2>; σ>в> = 780 МПа; σ>т> = 640 МПа; τ = 335 МПа.
Материал шестерен – сталь 40Х; термообработка – улучшение: 269…302 НВ>1>; 285,5 НВ>СР1>; σ>в> = 890 МПа; σ>т> = 750 МПа; τ = 380 МПа.
Допускаемые контактные напряжения и напряжения изгиба для шестерни и колеса принимаем по таблице 2.2 [1]:
[σ]>F>>1> = 1,03HB>CP>>1> = 285,5 · 1,03 = 294 МПа
[σ]>F>>2> = 1,03HB>CP>>2> = 248,5 · 1,03 = 256 МПа
[σ]>H>>1>>max> = 2,8 σ>т> = 2,8 · 750 = 2100 МПа
[σ]>H>>2>>max> = 2,8 σ>т> = 2,8 · 640 = 1792 МПа
[σ]>F>>1>>max> = 2,74 HB>CP>>1> = 2,74 · 285,5 = 782,3 МПа
[σ]>F>>2>>max> = 2,74 HB>CP>>2> = 2,74 · 248,5 = 680,9 МПа
Предел контакта на выносливость:
σ>H>>01> = 2HB>CP>>1> + 70 = 285,5 · 2 + 70 = 641 МПа
σ>H>>02> = 2HB>CP>>2> + 70 = 248,5 · 2 + 70 = 567 МПа
S>H> = 1,2 – коэффициент безопасности [2]
Коэффициент долговечности:
К>Н>>L>>1>
=
;
К>Н>>L>>2>
=
;
Базовое число циклов:
N>H>>01> = 19,9 · 106; N>H>>02> = 16,6 · 106 [2]
Эквивалентное число циклов:
N>H>>Е1> = 60n>1>ct>Σ>K>HE> = 60 · 116,7 · 1 · 6408 · 0,13 = 5,8 · 106
N>H>>Е2> = 60n>2>ct>Σ>K>HE> = 60 · 20,55 · 1 · 6408 · 0,13 = 1,03 · 106
c – число зубьев, находящихся в зацеплении за один оборот.
Коэффициент эквивалентного числа циклов:
K>HE> = 0,13 – легкий режим работы [3].
Суммарный срок службы передачи:
t>Σ> = 356LК>Г>24К>С> = 356 · 10 · 0,3 · 24 · 0,25 = 6408 ч
L = 10 – срок службы передачи при легком режиме работы [3].
К>Г> = 0,3 – коэффициент использования передачи в году [3].
К>С> = 0,25 - коэффициент использования передачи в сутки [3].
К>Н>>L>>1>
=
= 1,23; К>Н>>L>>2>
=
= 1,6
Допускаемые контактные напряжения:
[σ]>H>>1>
=
=
= 657 МПа
[σ]>H>>2>
=
=
= 756 МПа
Для дальнейших расчетов принимаем: [σ]>H> = [σ]>H>>1> = 657 МПа.
4. Расчет первой ступени редуктора
Исходные данные: U>1> = 5,68; Т>2> = 958,1 Н·м; n>2> = 20,55 об/мин.
Межосевое расстояние из условия контактной прочности зубьев:
α>1> =
К>α>(U>1>
+ 1)
= 495 · (5,68 + 1)
= 199,2 мм.
К>α> = 495 – для прямозубых передач, [3].
К>Нβ> = 1 – при постоянной нагрузке.
Принимаем α>1> = 200 мм.
m = (0,01-0,02) α>1> = 2-4 мм, принимаем m = 2 мм.
z>1> = 2α>1> / m(U>1> + 1) = 2 · 200 / 2 · (5,68 + 1) = 30
z>2> = z>1>U>1> = 30 · 5,68 = 170
d>1> = m z>1> = 2 · 30 = 60 мм
d>a1> = d>1> + 2m = 60 + 2 · 2 = 64 мм
d>t1> = d>1> – 2,5m = 60 – 2,5 · 2 = 55 мм
d>2> = m z>2> = 2 · 170 = 340 мм
d>a2> = d>2> + 2m = 340 + 2 · 2 = 344 мм
d>t2> = d>2> – 2,5m = 340 – 2,5 · 2 = 335 мм
b>2> = ψ>ва> · α>1> = 0,315 · 200 = 63 мм
b>1> = b>2> + 5 = 63 + 5 = 68 мм
Коэффициент формы зуба: у>F>>1> = 4,07, у>F>>2> = 3,6 [2].
Усилия в зацеплении:
окружное: F>t>>1> = F>t>>2> = 2Т>1> / d>1> = 2 · 173,9 / 0,06 = 5797 H
радиальное: F>r>>1> = F>r>>2> = F>t>>1> · tgα = 5797 · tg 20° = 2110 H
[σ>F>>1>] / у>F>>1> = 294 / 4,07 = 72 МПа; [σ>F>>2>] / у>F>>2> = 256 / 3,6 = 71 МПа
71<72 – следовательно, расчет на изгиб ведем по зубьям колеса.
Коэффициент нагрузки:
К>F> = К>Fβ> · K>FV> = 1,04 · 1,25 = 1,3
К>Fβ> = 1,04 [1], K>FV> = 1,25 [1].
Напряжение изгиба в зубьях колеса:
σ>F>>2> = F>t>>2> · К>F> · у>F>>2> / b>2> · m = 5797 · 1,3 · 3,6 / 63 · 2 = 215 МПа<[σ]>F>>2> = 256 МПа
Прочность зубьев по изгибу обеспечена.
Напряжение изгиба при перегрузке:
σ>Fmax> = σ>F> · Т>max> / Т>ном> = 215 · 2,2 = 473 < [σ>Fmax>] = 681 МПа
Проверочный расчет зубьев по контактному напряжению:
σ>Н>
=

=

=
595 МПа < [σ]>Н>=657
МПа
К>Н> = К>Нα>· К>Нβ> · К>Н>>V> = 1 · 1 · 1,05 = 1,05
К>Нα> = 1 [2]; К>Нβ> = 1 [2]; К>Н>>V> = 1,05 [2].
Проверка контактных напряжений при перегрузке:
σ>max>
= σ>Н>
·
= 595 ·
= 882 МПа < [σ]>Hmax>
= 1792 МПа
Окружная скорость в зацеплении:
V>1>
=
= 3,14 · 0,06 · 116,7 / 60 = 0,37 м/с
Назначим 8 степень точности изготовления зубьев, [2].
5. Расчет второй ступени редуктора
Исходные данные: U>2> = 4,39; Т>3> = 4080 Н·м; n>3> = 4,68 об/мин.
Межосевое расстояние из условия контактной прочности зубьев:
α>2> =
К>α>(U>2>
+ 1)
= 495 · (4,39 + 1)
= 309 мм.
К>α> = 495 – для прямозубых передач, [3].
К>Нβ> = 1 – при постоянной нагрузке.
Принимаем α>2> = 315 мм.
m = (0,01-0,02) α>2> = 3,15-6,3 мм, принимаем m = 4 мм.
z>1> = 2α>2> / m(U>2> + 1) = 2 · 315 / 4 · (4,39 + 1) = 29
z>2> = z>1>U>2> = 29 · 4,39 = 127
d>1> = m z>1> = 4 · 29 = 116 мм
d>a>>1> = d>1> + 2m = 116 + 2 · 4 = 124 мм
d>t>>1> = d>1> – 2,5m = 116 – 2,5 · 4 = 106 мм
d>2> = m z>2> = 4 · 127 = 508 мм
d>a>>2> = d>2> + 2m = 508 + 2 · 4 = 516 мм
d>t>>2> = d>2> – 2,5m = 508 – 2,5 · 4 = 498 мм
b>2> = ψ>ва> · α>2> = 0,315 · 315 = 100 мм
b>1> = b>2> + 5 = 100 + 5 = 105 мм
Коэффициент формы зуба: у>F>>1> = 4,07, у>F>>2> = 3,6 [2].
Усилия в зацеплении:
окружное: F>t>>1> = F>t>>2> = 2Т>2> / d>1> = 2 · 958,1 / 0,116 = 16518 H
радиальное: F>r>>1> = F>r>>2> = F>t>>1> · tgα = 16518 · tg 20° = 6012 H
[σ>F>>1>] / у>F>>1> = 294 / 4,07 = 72 МПа; [σ>F>>2>] / у>F>>2> = 256 / 3,6 = 71 МПа
71<72 – следовательно, расчет на изгиб ведем по зубьям колеса.
Коэффициент нагрузки:
К>F> = К>Fβ> · K>FV> = 1,04 · 1,25 = 1,3
К>Fβ> = 1,04 [1], K>FV> = 1,25 [1].
Напряжение изгиба в зубьях колеса:
σ>F>>2> = F>t>>2> · К>F> · у>F>>2> / b>2> · m = 16518 · 1,3 · 3,6 / 100 · 4 = 193 МПа<[σ]>F>>2> = 256 МПа
Прочность зубьев по изгибу обеспечена.
Напряжение изгиба при перегрузке:
σ>Fmax> = σ>F> · Т>max> / Т>ном> = 193 · 2,2 = 424 < [σ>Fmax>] = 681 МПа
Проверочный расчет зубьев по контактному напряжению:
σ>Н>
=

=

=
580 МПа < [σ]>Н>=657
МПа
К>Н> = К>Нα>· К>Нβ> · К>Н>>V> = 1 · 1 · 1,05 = 1,05
К>Нα> = 1 [2]; К>Нβ> = 1 [2]; К>Н>>V> = 1,05 [2].
Проверка контактных напряжений при перегрузке:
σ>max>
= σ>Н>
·
= 580 ·
= 860 МПа < [σ]>Hmax>
= 1792 МПа
Окружная скорость в зацеплении:
V>2>
=
= 3,14 · 0,116 · 20,55 / 60 = 0,12 м/с
Назначим 8 степень точности изготовления зубьев, [2].
6. Основные размеры корпуса и крышки редуктора
Толщина стенок:
δ = 0,025α>2> + 3 = 0,025 · 315 + 3 = 11 мм
δ>1> = 0,02α>2> + 3 = 0,02 · 315 + 3 = 9 мм
Принимаем: δ = δ>1> = 11 мм
Толщина поясов стыка: b = b>1> = 1,5δ = 1,5 · 11 = 16 мм
Толщина бобышки крепления на раму:
p = 2,35δ = 2,35 · 11 = 26 мм
Диаметры болтов:
d>1> = 0,03α>2> + 12 = 0,03 · 315 + 12 = 22 мм – М22
d>2> = 0,75d>1> = 0,75 · 22 = 16,5 мм – М16
d>3> = 0,6d>1> = 0,6 · 22 = 13,2 мм – М14
d>4> = 0,5d>1> = 0,5 · 22 = 11 мм – М12
7. Расчет ременной передачи
По номограмме 5.2 принимаем ремень типа Б. Минимально допустимый диаметр ведущего шкива находим из табл. 5.4. [1]
d>1>>min> = 125 мм
Принимаем: d>1> = 125 мм
Диаметр ведомого шкива:
d>2> = d>1> · U>р п> (1 – ε), где ε = 0,015 – коэффициент скольжения.
d>2> = 125 · 6 · (1 – 0,015) = 718,8 мм
Принимаем: d>2> = 710 мм из стандартного ряда.
Фактическое передаточное число:
U>Ф> = d>2> / d>1>(1 – ε) = 710 / (125 · (1 – 0,015)) = 5,9
ΔU =
· 100% = 1,7% < 3%
Ориентировочное межосевое расстояние:
α ≥ 0,55(d>1> + d>2>) + h(H),
где h(H) = 10,5 из [3]
α ≥ 0,55(125 + 710) + 10,5 = 470 мм
Расчетная длина ремня:
L = 2α +
(d>1>
+ d>2>)
+ (d>2>
- d>1>)2
/ 4α =
= 2 · 470 +
(125
+ 710) + (710 - 125)2
/ 4 · 470 = 2433 мм
Принимаем: L = 2500 мм.
Уточнение значения межосевого расстояния:
α =
(2L
- π(d>1>
+ d>2>)
+
)
=
=
(2
· 2500 – 3,14 · 835 +
)
= 510,8 мм
Принимаем: α = 500 мм.
Угол обхвата ремнем ведущего шкива:
α>1> =
180° - 57°
= 180° - 57°
= 113,3°
Определяем допускаемую мощность, передаваемую одним клиновым ремнем:
[P>n>] = [P>0>] C>p> C>α> C>l> C>z> ,
где [P>0>] = 3,82 кВт определяем из табл. 5.5 из условия:
v = π d>1 >n>1> / 60 · 103 = 3,14 · 125 · 700 / 60 · 103 = 4,58 м/с
Из табл. 5.2: C>p> = 1; C>α> = 0,86; C>l> = 1,04; C>z> = 0,98.
[P>n>] = 3,82 · 1 · 0,86· 1,04· 0,98 = 3,35 кВт.
Количество клиновых ремней:
Z = P>ном> / [P>n>] = 3 / 3,35 = 0,89, принимаем: Z =1.
Сила предварительного натяжения:
F>0>
=
=
= 673,3H
Окружная сила:
F>t> = P>ном> · 103 / v = 3 · 103 / 4,58 = 655 H
Силы натяжения:
F>1> = F>0> + F>t> / 2z = 673,3 + 655 / 2 · 1 = 1001 H
F>2> = F>0> - F>t> / 2z = 673,3 - 655 / 2 · 1 = 345,8 H
Cила давления на вал:
F>оп> = 2 F>0 >z sin(α>1>/2) = 2 · 673,3 · 1 · sin(113,3 / 2) = 1124,9 H
Расчет тяговой звездочки
Выберем цепь: М112-1-80-2 ГОСТ 588-81. Шаг цепи: t = 80 мм. Окружная сила на звездочке: F>4> = 40 кН. Скорость тяговой цепи: V>4> = 0,05 м/с. Число зубьев звездочки: Z = 8.
D>Ц> = 21 мм – диаметр элемента зацепления.
Геометрическая характеристика зацепления:
λ = t / D>Ц> = 80 / 21 = 3,81
Шаг зубьев звездочки:
t>Z> = t = 80 мм.
Диаметр делительной окружности:
в шагах: d>t> = cosec (180º / z) = cosec (180 / 8) = 2,6131;
в мм: d>д> = d>t> · t = 2,6131 · 80 = 209 мм.
Диаметр наружной окружности:
D>e> = t(K + K>Z> – 0,31 / λ) = 80(0,7 + 2,41 – 0,31 / 3,81) = 242 мм
К = 0,7 – коэффициент высоты зуба,
K>Z> = ctg (180º / z) = ctg (180º / 8) = 2,41 – коэффициент числа зубьев.
Диаметр окружности впадин:
D>i>
= d>д>
– (D>Ц>
+ 0,175
)
= 209 – (21 + 0,175
)
= 185,47 мм.
Радиус впадины зубьев:
R = 0,5(D>Ц> – 0,05t) = 0,5 · (21 – 0,05 · 80) = 8,5мм.
Половина угла заострения зуба:
γ = 13 - 20º; γ = 16 º
Угол впадины зуба:
β = 2 γ + 360º / z = 2 · 16 + 360º / 8 = 77 º
Ширина зуба звездочки:
b>fmax> = 0,9b>3> – 1 = 0,9 · 31 – 1 = 26,9 мм;
b>fmin> = 0,87b>3> – 1,7 = 0,87 · 31 – 1,7 = 25,27 мм;
b>f> = 26,085 мм.
Ширина вершины зуба:
b = 0,83 b>f> = 0,83 · 26,085 = 21,65 мм.
Диаметр венца:
D>C> = tK>Z> – 1,3h = 80 · 2,41– 1,3 · 40 = 140 мм.
Окружная сила на звездочке: F>4> = 40 кН. Центробежная сила на валы и опоры не передается. Нагрузку на них от полезного натяжения и собственной силы тяжести цепи условно принимают равной: F>r> = 1,15F>t> = 1,15 · 40 = 46 кН.
9. Расчет быстроходного вала и расчет подшипников для него
Диаметр выходного конца вала, исходя из расчета на кручение:
d>1>
=
=
= 32,6 мм
Принимаем: выходной диаметр Ø34 мм, под подшипники – Ø40 мм.
F>t>>1> = 5797 H, F>r>>1> = 2110 H, F>оп> = 1124,9 H, d = 46,5 мм, e = 65,5 мм, f = 195,5 мм.

Определим реакции опор:
R>С>>Y> = F>r>>1> f / (e+f) = 2110 · 195,5 / 261 = 1580 H
R>DY> = F>r>>1> e / (e+f) = 2110 · 65,5 / 261 = 530 H
R>CX> = (F>оп> · (d + e + f) + F>t>>1> · f) / (e+f) =
= (1124,9 · 307,5 + 5797 · 195,5) / 261 = 5668 Н
R>DX> = (F>оп> · d - F>t>>1> · e) / (e+f) = (1124,9 · 46,5 - 5797 · 65,5) / 261 = -1253,9Н
Проверка:
ΣХ = 0: F>оп> – R>CX> + F>t>>1> + R>DX> = 0
1124,9 – 5668 + 5797 – 1253,9 = 0
Суммарные реакции:
R>C>
=
=
= 5884 H
R>D>
=
=
= 1361 H
Материал вала – сталь 40X, НВ = 240, σ>в> = 780 МПа, σ>т> = 540 МПа, τ>т> = 290 МПа,
σ>-1> = 360 МПа, τ>-1> = 200 МПа, ψ>τ> = 0,09, [2].
Расчет вала в опасном сечении на сопротивление усталости.
σ>а> = σ>u> = М>сеч> / 0,1d>1>3 = 272 · 103 / 0,1 · 603 = 12,6 МПа
τ>а> = τ>к >/2 = Т>1> / 2 · 0,2d>1>3 = 173,9 · 103 / 0,4 · 603 = 2 МПа
К>σ> / К>dσ> = 3,8 [2]; К>τ> / К>dτ> = 2,2 [2];
K>Fσ> = K>Fτ> = 1 [2]; K>V> = 1 [2].
K>σ>>Д> = (К>σ> / К>dσ> + 1 / К>Fσ> – 1) · 1 / K>V> = (3,8 + 1 – 1) · 1 = 3,8
K>τ>>Д> = (К>τ> / К>dτ> + 1 / К>Fτ> – 1) · 1 / K>V> = (2,2 + 1 – 1) · 1 = 2,2
σ>-1Д> = σ>-1> / K>σ>>Д> = 360 / 3,8 = 94,7 МПа
τ>-1Д> = τ> -1> / K>τ>>Д> = 200 / 2,2 = 91 МПа
S>σ> = σ>-1Д> / σ>а> = 94,7 / 12,6 = 7,5; S>τ> = τ> -1Д> / τ> а> = 91 / 2 = 45,5
S = S>σ>
S>τ>
/
= 7,5 · 45,5 /
= 7,4 > [S]
= 2,5
Прочность вала обеспечена.
Выбор типа подшипника.
Осевые нагрузки отсутствуют, поэтому берем радиальные шарикоподшипники №308, С = 41 кН, С>0> = 22,4 кН, d×D×B = 40×90×23
Q>A> = R>С> K>δ>> >K>T> = 5884 · 1,3 · 1 = 7649 H
Ресурс подшипника:
L>h> = a>23>(C / Q>A>)m (106 / 60n>1>) = 0,8 · (41 / 7,649)3 · (106 / 60 · 116,7) = 10,8 · 104 ч
10,8 · 104 ч > [t] = 2,5 · 104 ч
Подшипник подходит.
Расчет промежуточного вала и расчет подшипников для него
Диаметр вала, исходя из расчета на кручение:
d>2>
=
=
= 57,6 мм
Принимаем: диаметр под подшипники – Ø60 мм, под колесо – Ø70мм.
F>t>>2> = 5797 H, F>r>>2> = 2110 H, k = 69,5 мм, l = 111,5 мм, m = 88 мм.
F>t>>3> = 16518 H, F>r>>3> = 6012 H.
Реакции опор:
в плоскости xz:
R>FX>> >= (F>t>>2>k + F>t>>3>(k+l))/(k+l+m) =(5797·69,5 + 16518·181)/269 = 12612 Н;
R>EX >= (F>t3>m + F>t2>(m+l))/(k+l+m) =(16518·88 + 5797·199,5)/269 = 9702 Н;
Проверка: R>FX> + R>EX> - F>t>>2> – F>t>>3 >= 12612 + 9702 - 5797 – 16518 = 0.
в плоскости yz:
R>FY>> >= (F>r>>2>k + F>r>>3>(k+l))/(k+l+m) =(2110·69,5 + 6012·181)/269 = 4590 Н;
R>EY >= (F>r3>m + F>r2>(m+l))/(k+l+m) =(6012·88 + 2110·199,5)/269 = 3532 Н;
Проверка: R>FY> + R>EY> – F>r>>2> – F>r>>3 >= 4590 + 2532 – 2110 - 6012 = 0.

Суммарные реакции:
R>F>
=
=
= 13421 H;
R>E>
=
=
= 10325 H;
Опасное сечение – место под колесо второй цилиндрической передачи.
Материал вала – сталь 40Х, НВ = 240, σ>в> = 780 МПа, σ>т> = 540 МПа, τ>т> = 290 МПа,
σ>-1> = 360 МПа, τ>-1> = 200 МПа, ψ>τ> = 0,09, [2].
Найдем значения изгибающих моментов в наиболее опасном сечении:
М>у> = R>EX>(k+l) – F>t>>2>l = 9702 · 0,181 – 5797 · 0,1115 = 1110 Н·м;
М>х> = R>EY>(k+l) – F>r>>2>l= 3532 · 0,181 – 2110 · 0,1115 = 404 Н·м;
М>сеч>
=
=
=
1181 Н·м.
Расчет вала в опасном сечении на сопротивление усталости.
σ>а> = σ>u> = М>сеч> / 0,1d3 = 1181 · 103 / 0,1 · 1163 = 7,6 МПа
τ>а> = τ>к >/2 = Т>2> / 2 · 0,2d3 = 958,1 · 103 / 0,4 · 1163 = 1,5 МПа
К>σ> / К>dσ> = 3,8 [2]; К>τ> / К>dτ> = 2,2 [2];
K>Fσ> = K>Fτ> = 1 [2]; K>V> = 1 [2].
K>σ>>Д> = (К>σ> / К>dσ> + 1 / К>Fσ> – 1) · 1 / K>V> = (3,8 + 1 – 1) · 1 = 3,8
K>τ>>Д> = (К>τ> / К>dτ> + 1 / К>Fτ> – 1) · 1 / K>V> = (2,2 + 1 – 1) · 1 = 2,2
σ>-1Д> = σ>-1> / K>σ>>Д> = 360 / 3,8 = 94,7 МПа
τ>-1Д> = τ> -1> / K>τ>>Д> = 200 / 2,2 = 91 МПа
S>σ> = σ>-1Д> / σ>а> = 94,7 / 7,6 = 12,5; S>τ> = τ> -1Д> / τ> а> = 91 / 1,5 = 60,6
S = S>σ>
S>τ>
/
= 12,5 · 60,6 /
=12,2 > [S]
= 2,5
Прочность вала обеспечена.
Выбор типа подшипника
Осевые нагрузки отсутствуют, поэтому берем радиальные шарикоподшипники №312, С = 81,9 кН, С>0> = 48 кН, d×D×B = 60×130×31
Q>A> = R>F> K>δ>> >K>T> = 13421 · 1,3 · 1 = 17447H
Ресурс подшипника:
L>h> = a>23>(C / Q>A>)m (106 / 60n>2>) = 0,8 · (81,9 / 17,447)3 · (106 / 60 · 20,55) = 6,7 · 104 ч
6,7 · 104 ч > [t] = 2,5 · 104 ч
Подшипник подходит.
Расчет тихоходного вала и расчет подшипников для него
Диаметр выходного конца вала, исходя из расчета на кручение:
d>3>
=
=
= 83,4 мм
Принимаем: выходной диаметр Ø90 мм, под подшипники – Ø100 мм, под колесо - Ø110 мм.
Усилие от муфты:
F>M>
= 250
= 250
= 15968 H
F>t>>4> = 16518 H, F>r>>4> = 6012 H, a = 96 мм, b = 189 мм, с = 83,5 мм.
Реакции от усилий в зацеплении:
R>Ax>(a + b) – F>t4>b = 0; R>Ax> = F>t4>b / (a + b) = 16518 · 189 / 285 = 10954 H
R>Bx> = F>t4> - R>Ax> = 16518 – 10954 = 5564 H
M>x> = R>Bx>b = 5564 · 0,189 = 1052 H · м
R>Ay> = F>r4>b / (a + b) = 6012 · 189 / 285 = 3987 H
R>By> = F>r4> - R>Ay> = 6012 – 3987 = 2025 H
M>y> = R>By>b = 2025 · 0,189 = 383 H · м
Реакции от усилия муфты:
F>M>(a + b + c) – R>AF>>м>(a + b) = 0;
R>AF>>м> = F>M>(a + b + c) / (a + b) = 15968 · 368,5 / 285 = 20646 H
R>BF>>м> = R>AF>>м> - F>M> = 20646 – 15968 = 4678 H

R>A>
=
=
= 11657 H
R>B>
=
=
= 5921 H
Для расчета подшипников:
R>A>' = R>A> + R>AF>>м> = 11657 + 20646 = 32303 H
R>B>' = R>B> + R>BF>>м> = 5921 + 4678 = 10599 H
Опасное сечение I – I. Концентрация напряжений в сечении I – I вызвана напрессовкой внутреннего кольца подшипника на вал с натягом.
Материал вала – сталь 40Х, НВ = 240, σ>в> = 780 МПа, σ>т> = 540 МПа, τ>т> = 290 МПа,
σ>-1> = 360 МПа, τ>-1> = 200 МПа, ψ>τ> = 0,09, [2].
Расчет вала в сечении I - I на сопротивление усталости.
σ>а> = σ>u> = М>AF>>м> / 0,1d>3>3 = 1333 · 103 / 0,1 · 1003 = 13,3 МПа
τ>а> = τ>к >/2 = Т>3> / 2 · 0,2d>3>3 = 4080 · 103 / 0,4 · 1003 = 10,2 МПа
К>σ> / К>dσ> = 3,8 [2]; К>τ> / К>dτ> = 2,2 [2];
K>Fσ> = K>Fτ> = 1 [2]; K>V> = 1 [2].
K>σ>>Д> = (К>σ> / К>dσ> + 1 / К>Fσ> – 1) · 1 / K>V> = (3,8 + 1 – 1) · 1 = 3,8
K>τ>>Д> = (К>τ> / К>dτ> + 1 / К>Fτ> – 1) · 1 / K>V> = (2,2 + 1 – 1) · 1 = 2,2
σ>-1Д> = σ>-1> / K>σ>>Д> = 360 / 3,8 = 94,7 МПа
τ>-1Д> = τ> -1> / K>τ>>Д> = 200 / 2,2 = 91 МПа
S>σ> = σ>-1Д> / σ>а> = 94,7 / 13,3 = 7,1; S>τ> = τ> -1Д> / τ> а> = 91 / 10,2 = 8,9
S = S>σ>
S>τ>
/
= 7,1 · 8,9 /
= 5,5 > [S]
= 2,5
Прочность вала обеспечена.
Выбор типа подшипника.
Осевые нагрузки отсутствуют, поэтому берем радиальные шарикоподшипники №320, С = 174 кН, С>0> = 132 кН, d×D×B = 100×215×47
Q>A> = R>A>' K>δ>> >K>T> = 32303 · 1,3 · 1 = 41994 H
Ресурс подшипника:
L>h> = a>23>(C / Q>A>)m (106 / 60n>4>) = 0,8 · (174 / 41,994)3 · (106 / 60 · 4,68) = 20,2 · 104 ч
20,2 · 104 ч > [t] = 2,5 · 104 ч
Подшипник подходит.
Расчет приводного вала и расчет подшипников для него
Диаметр выходного конца вала, исходя из расчета на кручение:
d>пр>
=
=
= 83,4 мм
Принимаем: выходной диаметр Ø90 мм, под подшипники – Ø100 мм, под тяговую звездочку – Ø110 мм.
Усилие от муфты: F>M>
= 250
= 250
= 15968 H
F>t> = F>4> = 40000 H, F>r> = 46000 H, p = 100 мм, s = 200 мм, t = 200 мм.

Реакции от усилий в зацеплении:
R>Lx>(s + t) – F>t>s = 0; R>Lx> = F>t>s / (s + t) = 40000 · 0,2 / 0,4 = 20000 H
R>Kx> = F>t> – R>Lx> = 40000 – 20000 = 20000 H
M>y> = R>Kx>s = 20000 · 0,2 = 4000 H · м
R>Ly> = F>r>s / (s + t) = 46000 · 0,2 / 0,4 = 23000 H
R>Ky> = F>r> – R>Ly> = 46000 – 23000 = 23000 H
M>x> = R>Ky>s = 23000 · 0,2 = 4600 H · м
Реакции от усилия муфты:
F>M>(s + t + p) – R>LF>>м>(s + t) = 0;
R>LF>>м> = F>M>(s + t + p) / (s + t) = 15968 · 0,5 / 0,4 = 19960 H
R>KF>>м> = R>LF>>м> - F>M> = 19960 – 15968 = 3992 H
R>L>
=
=
= 30480 H
R>K>
=
=
= 30480 H
Для расчета подшипников:
R>L>' = R>L> + R>LF>>м> = 30480 + 19960 = 50440 H
R>K>' = R>K> + R>KF>>м> = 30480 + 3992 = 34472 H
Опасное сечение I – I. Концентрация напряжений в сечении I – I вызвана напрессовкой внутреннего кольца подшипника на вал с натягом.
Материал вала – сталь 40Х, НВ = 240, σ>в> = 780 МПа, σ>т> = 540 МПа, τ>т> = 290 МПа,
σ>-1> = 360 МПа, τ>-1> = 200 МПа, ψ>τ> = 0,09, [2].
Расчет вала в сечении I - I на сопротивление усталости.
σ>а> = σ>u> = М>LF>>м> / 0,1d>4>3 = 1597 · 103 / 0,1 · 1003 = 16 МПа
τ>а> = τ>к >/2 = Т>вых> / 2 · 0,2d>4>3 = 4080 · 103 / 0,4 · 1003 = 10,2 МПа
К>σ> / К>dσ> = 3,8 [2]; К>τ> / К>dτ> = 2,2 [2];
K>Fσ> = K>Fτ> = 1 [2]; K>V> = 1 [2].
K>σ>>Д> = (К>σ> / К>dσ> + 1 / К>Fσ> – 1) · 1 / K>V> = (3,8 + 1 – 1) · 1 = 3,8
K>τ>>Д> = (К>τ> / К>dτ> + 1 / К>Fτ> – 1) · 1 / K>V> = (2,2 + 1 – 1) · 1 = 2,2
σ>-1Д> = σ>-1> / K>σ>>Д> = 360 / 3,8 = 94,7 МПа
τ>-1Д> = τ> -1> / K>τ>>Д> = 200 / 2,2 = 91 МПа
S>σ> = σ>-1>>Д> / σ>а> = 94,7 / 16 = 5,9; S>τ> = τ> -1>>Д> / τ> >>а> = 91 / 10,2 = 8,9
S = S>σ>
S>τ>
/
= 5,9 · 8,9 /
= 4,9 > [S]
= 2,5
Прочность вала обеспечена.
Выбор типа подшипника.
Осевые нагрузки отсутствуют, поэтому берем радиальные шарикоподшипники №320, С = 174 кН, С>0> = 132 кН, d×D×B = 100×215×47
Q>A> = R>A>' K>δ>> >K>T> = 50440 · 1,3 · 1 = 65572 H
Ресурс подшипника:
L>h> = a>23>(C / Q>A>)m (106 / 60n>4>) = 0,8 · (174 / 65,572)3 · (106 / 60 · 4,68) = 2,7 · 104 ч
2,7 · 104 ч > [t] = 2,5 · 104 ч
Подшипник подходит.
13. Смазка
Смазка зубчатых зацеплений осуществляется окунанием одного из зубчатых колес в масло на полную высоту зуба.
Вязкость масла по [2]:
V>1> = 0,37 м/с – V>40°> = 33 мм2/с
V>2> = 0,12 м/с – V>40°> = 35 мм2/с
V>40°ср> = 34 мм2/с
По [2] принимаем масло индустриальное И-Г-А-32, у которого
V>40°>>C> = 29-35 мм2/с. Подшипники смазываются тем же маслом, что и зацепления за счет разбрызгивания масла и образования масляного тумана.
14. Проверка прочности шпоночных соединений
Напряжение смятия:
σ>см> = 2М / d(l – b)(h – t>1>) < [σ]>см> = 120 МПа
Быстроходный вал Ø34 мм, шпонка 10 × 8 × 40, t>1> = 5 мм.
σ>см> = 2 · 173,9 · 103 / 34 · (40 – 10)(8 – 5) = 113 МПа < [σ]>см>
Промежуточный вал Ø70 мм, шпонка 20 × 12 × 100, t>1> = 7,5 мм.
σ>см> = 2 · 958,1 · 103 / 70 · (100 – 20)(12 – 7,5) = 76 МПа < [σ]>см>
Тихоходный вал Ø90 мм, шпонка 24 × 14 × 100, t>1> = 9 мм.
σ>см> = 2 · 4080 · 103 / 90 · (100 – 24)(14 – 9) = 118,3 МПа < [σ]>см>
Тихоходный вал Ø110 мм, шпонка 28 × 16 × 100, t>1> = 10 мм.
σ>см> = 2 · 4080 · 103 / 110 · (100 – 28)(16 – 10) = 106 МПа < [σ]>см>
Приводной вал Ø90 мм, шпонка 24 × 14 × 100, t>1> = 9 мм.
σ>см> = 2 · 4080 · 103 / 90 · (100 – 24)(14 – 9) = 118,3 МПа < [σ]>см>
Приводной вал Ø110 мм, шпонка 28 × 16 × 100, t>1> = 10 мм.
σ>см> = 2 · 4080 · 103 / 110 · (100 – 28)(16 – 10) = 106 МПа < [σ]>см>
15. Расчет зубчатой муфты
В приводе будем использовать зубчатую муфту. Выбор муфты производится в зависимости от диаметра вала и передаваемого крутящего момента по критерию:
Т>расч> = k · Т>дл.> ≤ Т>табл.>
Принимаем k = 1, тогда:
Т>расч> = Т>3> = 4080 Н·м
Диаметр муфты:
d>М>
≥ 10
= 10
= 122 мм
q>M> = 0,2 – 0,25
k>М> = 4 – 6 – при твердости 40-50 HRC
Выбираем зубчатую муфту d>М> = 125 мм, Т = 50000 Н · м, m>м> = 4 мм, z>м> = 56,
b>м> = 35 мм [4].
16. Сборка редуктора
Детали перед сборкой промыть и очистить.
Сначала собираем валы редуктора. Ставим колеса, устанавливаем подшипники, закладываем шпонки.
Далее устанавливаем валы в корпус редуктора.
Закрываем редуктор крышкой и стягиваем стяжными болтами. Устанавливаем крышки подшипников.
После этого редуктор заполняется маслом. Обкатываем 4 часа, потом промываем.
Список использованной литературы
П.Ф. Дунаев, С.П.Леликов – Конструирование узлов и деталей машин, Москва, «Высшая школа», 1984 г.
С.А. Чернавский и др. – Курсовое проектирование деталей машин, Москва, «Машиностроение», 1988 г.
М.Н. Иванов – Детали машин, Москва, «Высшая школа», 1998 г.
А.Е. Шейнблит – Курсовое проектирование деталей машин,
Калининград, «Янтарный сказ», 2002 г.