Проектирование привода силовой установки (работа 3)
Владимирский государственный университет
Кафедра теоретической и прикладной механики
КУРСОВОЙ ПРОЕКТ ПО ДЕТАЛЯМ МАШИН
Проектирование привода силовой установки
Содержание
Задание на курсовую работу
1. Кинематические расчеты
1.1 Выбор электродвигателя
1.2 Передаточное отношение и разбивка его по ступеням
1.3 Скорости вращения валов
1.4 Вращающие моменты на валах
2. Материалы и допускаемые напряжения зубчатых колес
2.1 Назначение материалов и термообработки
2.2 Расчет допускаемых контактных напряжений
2.3 Расчет допускаемых напряжений изгиба
3. Проектный расчет зубчатой передачи
4. Расчет размеров корпуса редуктора
5. Проектный расчет валов
5.1 Тихоходный вал
5.2 Быстроходный вал
5.3 Назначение подшипников валов
6. Уточненный расчет валов (тихоходный вал)
7. Уточненный расчет подшипников тихоходного вала
8. Выбор и проверочный расчет шпоночных соединений
9. Выбор и расчет количества масла
10. Сборка редуктора
Список использованной литературы
Приложение: эскизная компоновка редуктора, спецификация редуктора
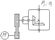
Задание на курсовую работу
Кинематическая схема привода

Мощность на выходном валу: Р>3 >= 3,0 кВт.
Число оборотов выходного вала: n>3> = 100 мин-1.
Срок службы: L> >= 4 года.
Коэффициент нагрузки в сутки: k>с> = 0,66
Коэффициент нагрузки в году: k>г> = 0,7
Режим работы: реверсивный.
Нагрузка: постоянная.
Кинематические расчеты
1.1 Выбор электродвигателя [1]
Общий КПД двигателя:
η = η>к.п.> · η>рем> · η>п>2
η>к.п.> = 0,97 – КПД конической передачи;
η>рем> = 0,9…0,95; принимаем η>рем> = 0,9 – КПД клиноременной передачи;
η>п> = 0,98…0,99; принимаем η>п> = 0,98 – КПД пары подшипников качения.
η = 0,97 · 0,9 · 0,982 = 0,84
Требуемая мощность двигателя:
Р>тр> = Р>3>/ η = 3,0 / 0,84 = 3,57 кВт = 3570 Вт
Передаточное число привода:
U = U>к.п.> · U>рем>
Принимаем: U>к.п. >= 3 - передаточное число конической передачи;
U>рем> = 2 - передаточное число клиноременной передачи.
U = 3 · 2 = 6
Номинальное число оборотов двигателя:
n>дв> = n>2> · U = 100 · 6 = 600 об/мин; n>2> = n>3>
С учетом Р>тр> и n>дв> принимаем 3-хфазный асинхронный двигатель типа: 4А132S8
P>ном> = 4 кВт; L>1> = 80 мм.
n>ном> = 720 об/мин; d>1> = 38 мм.
1.2 Передаточное отношение и разбивка его по ступеням
Фактические передаточные числа привода:
U>ф> = n>ном> / n>2> = 720 / 100 = 7,2
U>к.п. >= 3
U>рем> = U>ф> / U>к.п. >= 7,2 / 3 = 2,4
1.4 Вращающие моменты на валах
Вал двигателя.
Р>дв> = 4 кВт;
n>дв> = n>ном> = 720 об/мин;
Т>дв> = Р>тр> / ω>дв> = 3570 / 75,4 = 47,35 Н·м;
ω>дв> = πn>дв> / 30 = 3,14 · 720 / 30 = 75,4 рад/с.
Быстроходный вал редуктора.
n>1> = n>дв> / U>рем> = 720 / 2,4 = 300 об/мин;
ω>1> = πn>1> / 30 = 3,14 · 300 / 30 = 31,4 рад/с;
Т>1> = Т>дв> · U>рем> · η>рем> · η>п> = 47,35 · 2,4 · 0,9 · 0,98 = 100,23 Н·м.
Тихоходный вал редуктора.
n>2> = n>1> / U>к.п> = 300 / 3 = 100 об/мин;
ω>2> = πn>2> / 30 = 3,14 · 100 / 30 = 10,5 рад/с;
Т>2>= Т>1> · U>к.п> · η>к.п.> · η>п> = 100,23 · 3 · 0,97 · 0,98 = 285,84 Н·м.
2 Материалы и допускаемые напряжения зубчатых колес
2.1 Назначение материалов и термообработки. [1]
Принимаем для конической передачи марку стали и термообработку:
- для шестерни – сталь 35Х, нормализация, твердость 280…300 HВ>1>;
- для колеса – сталь 35Х, улучшение, твердость 260…280 HВ>2>.
Средняя твердость зубьев шестерни:
НВ>СР1> = (280+300)/2 = 290;
Средняя твердость зубьев колеса:
НВ>СР2> = (260+280)/2 = 270.
2.2 Расчет допускаемых контактных напряжений
Действительное число циклов нагружений зуба:
N>Н1> = L · 365 ·24 · n>1> ·60 · k>c> · k>г> · С>1> = 4 · 365 ·24 · 300 ·60 · 0,66 · 0,7 · 3 =
= 87,4 · 107 циклов;
N>Н2> = L · 365 ·24 · n>2> ·60 · k>c> · k>г> · С>2> = 4 · 365 ·24 · 100 ·60 · 0,66 · 0,7 · 1 =
= 9,7 · 107 циклов;
L = 4 года – срок службы, k>с> = 0,66 - коэффициент нагрузки в сутки,
k>г> = 0,7 - коэффициент нагрузки в году,
С>1> = U>к.п. >= 3, С>2> = 1 – число зацеплений зуба за один оборот колеса.
N>HO> = (3…4) · 107 = 3 · 107 циклов – базовое число циклов.
Коэффициент долговечности К>НL>:
К>НL1>
=
=
= 0,66; К>НL2>
=
=
= 0,86
Принимаем: К>НL> = 1.
S>H> = 1,2…1,3 – коэффициент безопасности при объемной обработке.
Принимаем: S>H> = 1,2.
Определим предельные контактные напряжения:
[σ]>Hlim1> = (1,8…2,1) НВ>СР1> + 70 = 2 НВ>СР1> + 70 = 2 · 290 + 70 = 650 МПа;
[σ]>Hlim2> = (1,8…2,1) НВ>СР2> + 70 = 2 НВ>СР2> + 70 = 2 · 270 + 70 = 610 МПа.
Определим допускаемые контактные напряжения:
[σ]>H2>
=
К>НL>
= 650/1,2 = 542 МПа;
[σ]>H3>
=
К>НL>
= 610/1,2 = 508 МПа;
Используем прочность по среднему допускаемому напряжению:
[σ]>H> = 0,5([σ]>H2> + ([σ]>H3>) = 0,5 · (542 + 508) = 525 МПа.
2.3 Расчет допускаемых напряжений изгиба
Действительное число циклов при изгибе:
N>F1> = N>Н1> = 87,4 · 107 циклов;
N>F2> = N>Н2> = 9,7 · 107 циклов;
N>FO> = 4 · 106 циклов – базовое число циклов при изгибе.
Коэффициент долговечности К>FL>:
К>FL1>
=
=
= 0,5; К>FL2>
=
=
= 0,67
Принимаем: К>FL> = 1.
S>F> = 1,7 – коэффициент безопасности при изгибе.
К>Fс> = 1- коэффициент реверсивности.
Определим предельные напряжения при изгибе:
[σ]>Flim1> = 2 НВ>СР1> = 2 · 290 = 580 МПа;
[σ]>Flim2> = 2 НВ>СР2> = 2 · 270 = 540 МПа.
Определим допускаемые напряжения при изгибе:
[σ]>F1>
=
К>FL>
К>Fс>
= 580/1,7 = 341 МПа;
[σ]>F2>
=
К>FL>
К>Fс>
= 540/1,7 = 318 МПа.
Принимаем наименьшее: [σ]>F >= 318 МПа.
Проектный расчет зубчатой передачи
Внешний делительный диаметр колеса [1].
d>e2>
≥
165
Для прямозубых колес:
v>H> = k>HΒ> =1
d>e2>
≥
165
= 240,8 мм
По ГОСТ 6636-69 принимаем d>e2>= 250 мм.
Углы делительных конусов.
δ>2> = arctg(U>к.п.>) = arctg 3 = 71,57º; δ>1> = 90º - δ>2> = 18,43º
Внешнее конусное расстояние:
R>e> = d>e2> / 2sin(δ>2>) = 250 / 2sin 71,57 = 131,8 мм
Ширина зубчатого венца шестерни и колеса:
b = 0,285R>e> = 0,285 · 131,8 = 37,56 мм
Внешний окружной модуль:
m>e>
=

v>F> = 0,85 – для прямозубых колес,
K>Fβ> = 1 для прямозубых колес.
m>e>
=
= 1,58 мм
Число зубьев колеса и шестерни:
z>2> = d>e2> / m>e> = 250 / 1,58 = 158,6, принимаем z>2> = 159.
z>1> = z>2> / U>к.п.> = 159 / 3 = 53.
Передаточное число:
U>ф> = 159 / 53 = 3, отклонение ΔU = 0,02U - допустимо.
Внешние диаметры шестерни и колеса.
Делительные диаметры:
d>e1> = m>e> z>1> = 1,58 · 53 = 83,74 мм;
d>e2> = m>e> z>2> = 1,58 · 159 = 251,22 мм.
Диаметры вершин:
d>ae1> = d>e1> + 2(1 + X>e1>) m>e> cosδ>1>
d>ae2> = d>e2> + 2(1 - X>e2>) m>e> cosδ>2>
X>e1> = 0,34 – коэффициент смещения [1].
d>ae1> = 83,74 + 2 · 1,34 · 1,58 · cos18,43º = 87,76 мм
d>ae2> = 251,22 + 2 · 0,66 · 1,58 · cos71,57º = 251,88 мм
Средние делительные диаметры:
d>1> = 0,857d>e1>= 0,857 · 83,74 = 71,8 мм
d>2> = 0,857d>e2> = 0,857 · 251,22 = 215,3 мм
Проверочный расчет.
Проверка контактных напряжений.
σ>Н>
= 470
≤ [σ]>H>,
где F>t>
=
=
= 2655 H – окружная сила в зацеплении.
V>H> = K>Hβ> = K>Hα> = 1
Величину K>Hv> находим из [1], в зависимости от класса прочности и окружной скорости.
V = ω>2>d>2> / 2 · 103 = 10,5 · 215,3 / 2 · 103 = 1,13 м/с
K>Hv> = 1,04
σ>Н>
= 470
= 452 МПа < [σ]>Н>
= 525 МПа
Проверка напряжения изгиба.
σ>F2
>=
Y>F2>
Y>β>
K>Fα>
K>Fβ>
K>Fv>
≤ [σ]>F>
Y>β> = K>Fα> = K>Fβ> =1, v>F> = 0,85, K>Fv> = 1,01, Y>F2> = 3,63 [4].
z>v2> = z>2> / cos δ>2> = 159 / cos 71,57º = 503,2
σ>F2
>=
3,63 ·
· 1,01 = 193 МПа ≤ [σ]>F>
= 318 МПа
Силы в зацеплении:
F>r1> = F>a2> = F>t> · tgα · cos δ>1> = 2655 · tg 20º · cos18,43º = 907 H
F>a1> = F>r2> = F>t> · tgα · cos δ>2> = 2655 · tg 20º · cos 71,57º = 302 H
Расчет размеров корпуса редуктора
Принимаем корпус прямоугольной формы, с гладкими наружными обечайками без выступающих конструктивных элементов [1].
Материал корпуса – серый чугун СЧ-15.
Толщина стенок:
δ = 1,12
= 1,12 ·
= 4,6 мм.
Принимаем: δ = δ>1> = 8 мм
Толщина поясов стыка: b = b>1> = 1,5δ = 1,5 · 8 = 12 мм
Толщина бобышки крепления на раму:
p = 2,35δ = 2,35 · 8 = 20 мм
Диаметры болтов:
d>1> = 0,03 · 250 + 12 = 19,5 мм – М20
d>2> = 0,75d>1> = 0,75 · 20 = 15 мм – М16
d>3> = 0,6d>1> = 0,6 · 20 = 12 мм – М12
d>4> = 0,5d>1> = 0,5 · 20 = 10 мм – М10
Конструктивно принимаем разъемный корпус, состоящий из крышки и основания, соединенный стяжными болтами.
5. Проектный расчет валов
В качестве материала валов используем сталь 45.
Допускаемое напряжение на кручение:
-для быстроходного вала [τ]>б> = 12 МПа;
-для тихоходного вала [τ]>т> = 20 МПа
5.1 Тихоходный вал
Проектный расчет тихоходного вала
Диаметр выходной:
d>т>
=
=
= 41,3 мм, принимаем d>Т>
= 42 мм.
Диаметр под подшипники принимаем dб>п> = 50 мм.
5.2 Быстроходный вал
Диаметр выходной:
d>б>
=
=
= 34,6 мм, принимаем d>б>
= 35 мм.
Диаметр под подшипники принимаем dб>п> = 45 мм.
5.3 Назначение подшипников валов
Тихоходный вал.
Предварительно выбираем подшипник шариковый радиально-упорный 46210 по
ГОСТ 831-75. Его размеры: d = 50 мм, D = 90 мм, b = 20 мм.
Динамическая грузоподъемность подшипника: С = 40,6 кН.
Статическая грузоподъемность С>о> = 24,9 кН.
Быстроходный вал.
Предварительно выбираем подшипник шариковый радиально-упорный 46109 по
ГОСТ 831-75. Его размеры: d = 45 мм, D = 75 мм, b = 16 мм.
Динамическая грузоподъемность подшипника: С = 22,5 кН.
Статическая грузоподъемность С>о> = 13,4 кН.
Проводим эскизную компоновку редуктора по рекомендациям [1], (см. приложение).
6. Уточненный расчет валов (тихоходный вал)
Размеры вала принимаем из эскизной компоновки.
Силы действующие на вал.
Окружная сила:
F>t>
=
=
= 2655 H
Радиальная сила:
F>r2> = F>t> · tgα · cos δ>2> = 2655 · tg 20º · cos 71,57º = 302 H
Осевая сила:
F>a2> = F>t> · tgα · cos δ>1> = 2655 · tg 20º · cos18,43º = 907 H
Изгибающий момент от осевой силы:
М = F>α2> d>2> / 2 = 907 · 0,2153 / 2 = 97,6 H·м
Усилие от
муфты: F>M>
= 125
= 125
= 2113 H
Определение реакций подшипников и построение эпюр изгибающих и крутящих моментов (рис. 1).
В вертикальной плоскости:
ΣМ>А> = 0 = 97,6 - 302 · 0,036 + R>Bу> · 0,132;
R>Bу> = (302 · 0,036 – 97,6) / 0,132 = -657 H;
ΣМ>В> = 0 = 97,6 + 302 · 0,096 - R>Ау> · 0,132;
R>Ау> = (97,6 + 302 · 0,096) / 0,132 = 959 H;
Проверка: Σy = 0; -657 + 959 – 302 = 0
В горизонтальной плоскости:
ΣМ>А> = 0 = 2655 · 0,036 + R>BХ> · 0,132 – 2113 · 0,202;
R>BХ> = (2113 · 0,202 - 2655 · 0,036) / 0,132 = 2509 H;
ΣМ>В> = 0 = - 2655 · 0,096 - 2113 · 0,070 + R>АХ> · 0,132;
R>АХ> = (2655 · 0,096 + 2113 · 0,070) / 0,132 = 3051 H;
Проверка: ΣХ = 0; - 3051 + 2655 + 2509 – 2113 = 0
R>A>
=
=
= 3198 H
R>B>
=
=
= 2594 H
R>max> = R>A> = 3198 Н
Опасное сечение I – I.
Материал вала – сталь 45, НВ = 240, σ>в> = 780 МПа, σ>т> = 540 МПа, τ>т> = 290 МПа, σ>-1> = 360 МПа, τ>-1> = 200 МПа, ψ>τ> = 0,09, [2].
Расчет вала в сечении I - I на сопротивление усталости.
σ>а> = σ>u> = М>уmax> / 0,1d3 = 147,9 / 0,1 · 0,0503 = 11,8 МПа
τ>а> = τ>к >/2 = T>2> / 2 · 0,2d3 = 285,84 / 0,4 · 0,0503 = 5,7 МПа
К>σ> / К>dσ> = 3,8 [2]; К>τ> / К>dτ> = 2,2 [2];
K>Fσ> = K>Fτ> = 1 [2]; K>V> = 1 [2].
K>σД> = (К>σ> / К>dσ> + 1 / К>Fσ> – 1) · 1 / K>V> = (3,8 + 1 – 1) · 1 = 3,8
K>τД> = (К>τ> / К>dτ> + 1 / К>Fτ> – 1) · 1 / K>V> = (2,2 + 1 – 1) · 1 = 2,2
σ>-1Д> = σ>-1> / K>σД> = 360 / 3,8 = 94,7 МПа
τ>-1Д> = τ> -1> / K>τД> = 200 / 2,2 = 91 МПа
S>σ> = σ>-1Д> / σ>а> = 94,7 / 11,8 = 8,0; S>τ> = τ> -1Д> / τ> а> = 91 / 5,7 = 16,0
S = S>σ>
S>τ>
/
= 8 · 16 /
= 7,2 > [S] = 2,5
Прочность вала обеспечена.
7. Уточненный расчет подшипников тихоходного вала
Подшипник шариковый радиально-упорный 46210 ГОСТ 831-75.
Динамическая грузоподъемность подшипника: С = 40,6 кН.
Статическая грузоподъемность С>о> = 24,9 кН.
Вычислим отношение: F>α> / R>A> = 907 / 3198 = 0,28
F>α> / С>о> = 907 / 24900 = 0,036
По таблице [2] для 0,036 определяем: е = 0,34.
Поскольку 0,28 < е, то принимаем: Х = 1, Y = 0.
R>Е> = (Х R>A> + Y F>α>) · K>δ> · K>т>, где:
K>δ> = 1,1 – считаем нагрузку спокойной;
K>т> = 1, при t ≤ 100°C;
R>Е> = (1· 3198 + 0 · 907) · 1,1 · 1 = 3518 Н
Определяем расчетную грузоподъемность:
С>гр>
= R>Е>
= 3518
= 16165 Н
С > С>гр>
40,6 > 16,165
8. Выбор и проверочный расчет шпоночных соединений
Шпонки выбираем по диаметру вала по ГОСТ 23360-70.
Напряжение смятия:
σ>см> = 2Т / d(l – b)(h – t>1>) < [σ]>см> = 120 МПа
Быстроходный вал Ø35 мм, шпонка 10 × 8 × 45, t>1> = 5 мм.
σ>см> = 2 · 100,23 · 103 / 35 · (45 – 10)(8 – 5) = 54,5 МПа < [σ]>см>
Тихоходный вал Ø60 мм, шпонка 18 × 11 × 45, t>1> = 7 мм.
σ>см> = 2 · 285,84 · 103 / 60 · (45 – 18)(11 – 7) = 88,2 МПа < [σ]>см>
9. Выбор и расчет количества масла
По контактным напряжениям [σ]>H> = 525 МПа и скорости v = 1,13 м/c по [1], принимаем масло индустриальное И-40А.
Количество масла: (0,4…0,8) л на 1 кВт мощности, значит:
V>M> = 4 · 0,6 = 2,4 л
10. Сборка редуктора
Детали перед сборкой промыть и очистить.
Сначала устанавливаем в корпус редуктора быстроходный вал. Подшипники закрываем крышками.
Далее собираем тихоходный вал: закладываем шпонки; закрепляем колесо; устанавливаем подшипники. Собранный вал укладываем в корпус редуктора.
Закрываем редуктор крышкой и стягиваем стяжными болтами. Устанавливаем крышки подшипников.
После этого редуктор заполняется маслом. Обкатываем 4 часа, потом промываем.
Список использованной литературы
А.Е. Шейнблит – Курсовое проектирование деталей машин, Москва, «Высшая школа», 1991 г.
Проектирование механических передач - под ред. С.А. Чернавского, Москва, «Машиностроение», 1984 г.
С.И. Тимофеев – Детали машин, Ростов, «Высшее образование», 2005 г.
Г.Б. Иосилевич – Прикладная механика, Москва, «Машиностроение», 1985 г.