Анализ работы компрессорных установок
1
ФЕДЕРАЛЬНОЕ АГЕНТСТВО ПО ОБРАЗОВАНИЮ
Филиал государственного образовательного учреждения
высшего профессионального образования
«Московский энергетический институт
(технический университет)»
Кафедра Промышленной теплоэнергетики
ВЫПУСКНАЯ РАБОТА
по направлению подготовки бакалавров технических наук:
Тема Анализ работы компрессорных установок
г. Смоленске
Оглавление
Введение
1. Влияние качества охлаждения на эффективность КУ
1.1 Экономия потребляемой мощности при идеальном и реальном охлаждении
1.2 Технико-экономический критерий эффективности охлаждения
2. Анализ систем охлаждения различных типов
2.1 Открытые водооборотные системы охлаждения
2.2 Системы непосредственного воздушного охлаждения
2.3 Системы воздушного охлаждения с промежуточным теплоносителем в закрытом контуре
3. Конструкция элементов систем охлаждения
3.1 Теплообменники компрессорных установок
3.2 Газоохладители низкого и среднего давления
3.3 Газоохладители высокого давления
4. Расчёт системы охлаждения КУ
4.1 Технические характеристики компрессора К-250-61-5
4.2 Расчёт технологической схемы компрессора
4.3 Расчёт ступени охлаждения компрессора
5. Влияние температуры окружающей среды на параметры системы охлаждения компрессора
6. Технико-экономический анализ целесообразности утилизации теплоты сжатия
Заключение
Список литературы
АННОТАЦИЯ
Выпускная работа бакалавра на тему: «Анализ работы компрессорных установок». Автор: студентка группы ЭО1-06 филиала ГОУВПО «МЭИ (ТУ)» в г. Смоленске Куковенкова Екатерина Сергеевна.
В выпускной работе рассмотрены вопросы влияния качества охлаждения на эффективность компрессорной установки, экономии потребляемой мощности при идеальном и реальном охлаждении. Проведён анализ систем охлаждения различных типов; рассмотрены конструкции элементов систем охлаждения - теплообменников компрессорных установок и газоохладителей различных типов.
Проведены расчёты системы охлаждения компрессорной установки, по результатам которых были построены графики, показывающие зависимость параметров компрессорной установки при изменении температуры окружающей среды.
Annotation
Bachelor’s final paper work on the theme: “Analysis of compressor unit’s work”.Author: student of the EO1-06 group of SEIHPE The Smolensk branch of Moscow Power Engineering institute (Technical university) Ekaterina Sergeevna Kukovenkova. In the final paper reviewed issues of influence of cooling quality on compressor unit’s efficiency, saving power consumption with the ideal and real cooling. The analysis of cooling system of various types took place; reviewed element’s constructions of cooling systems - heat exchangers of compressor units and heat exchangers for gas coolers of various types.
Were made calculations of the compressor unit’s cooling systems, on which results were graphs, showing the dependence of compressor unit’s parameters, on the thermal change.
ВВЕДЕНИЕ
Работоспособность, надёжность и экономичность большинства компрессорных установок существенно связаны с отводом теплоты от сжимаемого газа, с охлаждением цилиндра, редукторов, муфт, подшипников и электродвигателей. Комплекс устройств, позволяющих отводить теплоту от охлаждаемых элементов и передавать её окружающей среде, принято называть системой охлаждения. Совершенство системы охлаждения во многом определяет технический уровень компрессорной установки в целом.
Представление об устройстве и функционировании системы охлаждения охватывает широкий круг вопросов. К ним относят: термодинамическая схема компрессора; тип системы охлаждения и вид хладагента; конструкция газо- и маслоохладителей (включая и тип теплопередающей поверхности); компоновка аппаратов; устойчивость эксплуатационных характеристик; надёжность; обеспечение работоспособности в экстремальных условиях (например, при высоких и низких температурах окружающей среды); возможность и целесообразность утилизации теплоты сжатия; методы тепловых и гидравлических расчётов; технико-экономический анализ и оптимизация систем охлаждения.
В большинстве случаев сжатие газа в компрессоре сопровождается процессом охлаждения. При снижении температуры газа уменьшаются энергетические затраты на сжатие. Однако общая эффективность компрессорной установки определяется в результате технико-экономического анализа.
Охлаждение может производиться непосредственно в процессе сжатия или чередуя сжатие и охлаждение. В настоящее время наиболее распространён раздельный или многоступенчатый способ сжатия.
1. ВЛИЯНИЕ КАЧЕСТВА ОХЛАЖДЕНИЯ НА ЭФФЕКТИВНОСТЬ
КОМПРЕССОРНОЙ УСТАНОВКИ
1.1 Экономия потребляемой мощности при идеальном и реальном
охлаждении
Сжатие газа является термогазодинамическим процессом, который в подавляющем большинстве случаев сопряжён с процессом охлаждения. Необходимость в охлаждении связанна, в первую очередь, с соображениями экономичности производства сжатого газа. Из термодинамики следует, что экономические затраты на сжатие уменьшаются при наличии охлаждения. Однако организация процесса охлаждения газа требует собственных затрат, которые в отдельных случаях могут оказаться сопоставимыми с энергетическим выигрышем от охлаждения. Поэтому общая эффективность компрессорной установки должна рассматриваться уже как экономическая категория. В соответствии с этим настоящая глава объединяет термодинамические и технико-экономические аспекты организации охлаждения газа в компрессорных установках.
При отсутствии теплообмена с окружающей средой процесс сжатия газа сопровождается повышением его температуры. Это следствие первого закона термодинамики, в соответствии с которым при адиабатном сжатии (без изменения кинетической энергии газа), вся работа переходит в приращение энтальпии газа, которое для идеального газа соответствует приращению температуры.
Согласно уравнению адиабатного процесса
(1.1)
температура будет тем значительнее,
чем больше отношение давлений π= Р>2>
/Р>1>, и выше
начальная температура газа
.
Охлаждая газ, можно уменьшить рост
энтальпии. При этом работа, затраченная
на сжатие газа, тоже будет уменьшаться.
Когда отводимая теплота во всех точках
процесса равна подводимой энергии,
сжатие будет протекать при постоянной
температуре, равной начальной температуре
газа. Такой процесс называется изотермным.
Он обеспечивает сжатие с наименьшими
затратами энергии.
Газ можно охладить непосредственно в процессе сжатия или попеременно, чередуя сжатие и охлаждение, т. е. разделяя эти два процесса. В настоящее время в технике более распространён раздельный или многоступенчатый способ.
Рассмотрим процессы многоступенчатого адиабатного сжатия с идеальным охлаждением в Т,S-диаграмме на рис. 1.1.

Рис. 1.1. Процессы адиабатного сжатия с идеальным охлаждением в Т, S — диаграмме
Процесс 1-2-4-5 имеет две ступени сжатия 1-2, 4-5 и одно промежуточное охлаждение 2-4. Процесс 1-10-11-12-4-13-14-15 имеет четыре ступени сжатия и три промежуточных охлаждения. С увеличением числа охлаждений площадь под кривой многоступенчатого сжатия уменьшается, приближаясь к площади изотермного процесса. При очень большом числе охлаждений (в пределе бесконечном) оба способа, раздельный и совмещённый, приводят к тождественному результату - изотермному сжатию.
Если в процессе охлаждения температура газа достигает начального значения T>0>, как это изображено на рис. 1.1., то количество отведённой теплоты равно работе, затраченной на сжатие в предыдущей ступени, поскольку энтальпии идеального газа в точках 1,11,4,14,6 одинаковы. Таким образом, при наличии концевого охлаждения (не влияющего на работу сжатия), общее количество отведенной теплоты равно затраченной работе, как и при изотермном процессе. Это положение становится несправедливым для реальных газов. Например, сжатие воздуха с высоким содержанием паров воды. Если начальная температура воздуха 40°С и относительная влажность его 100%, то при охлаждении до исходной температуры количество отведённой теплоты превысит работу сжатия на 30-60%, поскольку к ней добавится теплота конденсации. Однако в большинстве практических случаев, отклонения сжимаемого газа от идеального состояния не велики, и суммарный тепловой поток в системе охлаждения можно оценивать значением потребляемой компрессором мощности. [1].
До сих пор охлаждение сжимаемого газа рассматривалось достаточно абстрактно: полагалось, что теплота должна быть отнята о передана другому телу. При этом не анализировалось, какая часть теплоты может быть реально передана другому телу, как неполнота охлаждения повлияет на процесс сжатия в последующих ступенях, что будет дальше с этой теплотой, имеет ли она какую-нибудь ценность. Прежде всего, рассмотрим возможные пути передачи теплоты. Конечным теплоприёмником является окружающая среда, включающая атмосферу и мировой океан. Температура окружающей среды T>0 >устанавливает предел самопроизвольного охлаждения любого нагретого тела. Охлаждение ниже температуры окружающей среды требует затрат энергии на передачу теплоты от тела с температурой Т < Т>0> окружающей среде. Применительно к компрессору затраты энергии не окупаются снижением работы сжатия на проведение процесса сжатия на уровне Т < Т>о>. Термодинамический анализ показывает, что при самой экономичной организации сжатия (изотермный процесс при Т < Т>0>) и самом экономичном способе передачи теплоты окружающей среде (обратный цикл Карно), суммарная работа будет равна работе изотермного сжатия при температуре окружающей среды Т>о>. Таким образом, изотермное сжатие при температуре окружающей среды является оптимальным термодинамическим процессом. Его работа минимальна и может служить мерилом термодинамического совершенства компрессорной установки. Эффективность охлаждаемых многоступенчатых компрессоров принято оценивать изотермным КПД
,
(1.2)
где Н>из> - изотермная удельная работа, Н>охл> - действительная удельная работа многоступенчатого сжатия, а Н>из> вычисляется при температуре всасывания Т>вс> по формуле
(1.3)
Процесс многоступенчатого сжатия с охлаждением в виде пилообразной линии в T,S - диаграмме на рис. 1.1. состоит из равновесных процессов, изоэнтропного сжатия и охлаждения до температуры окружающей среды при постоянном давлении. В реальных ступенях компрессора конечные скорости сжатия делают процесс неравновесным: возникают трение, вихревые и волновые явления. Часть энергии, подводимой к газу, из-за этого рассеивается и переходит в теплоту.
Отклонение реальных процессов от идеальных показано на рис. 1.2.

Рис.1.2. Процесс политропного сжатия с реальным охлаждением в Т, S – диаграмме
Для достаточно полной передачи
теплоты от охлаждаемого газа к окружающей
среде (в пределе до точки 3' на рис. 1.2.)
без затрат энергии потребовались бы
бесконечно большие газоохладители.
Разумное ограничение размеров аппаратов
приводи к необходимости форсировать
режимы теплообмена: создавать конечные
разности температур между теплоносителями
по всей длине тракта, тратить энергию
на преодоление гидравлических
сопротивлений. Фактически, охлаждение
закончится не в точке 3', а в точке 3 при
сохранении отношения давлений 1-й секции
и конечного давления Р>2>
(рис. 1.2.) работу сжатия второй секции
придётся увеличить как за счёт падения
начального давления от Р>1>
до Р>0 >, так
и за счёт повышения начальной температуры
сжатия от Т>о>
до Т>1>. Выделим
ту часть суммарного увеличения работы
сжатия, которая непосредственно связанна
с неравновесностью процесса охлаждения.
С этой целью представим удельную работу
многосекционного компрессора в виде
,
(1.4)
где
-
недоохлаждение газа до температуры
окружающей среды ТО в аппарате, стоящем
перед i-й
секцией;
-
начальное и конечное давление в i-й
секции;
-
потеря давления в аппарате перед i-й
секцией;
,
где
-
политропный КПД i-й
секции.
Используя разложение по малому
параметру
в
линейном приближении, можно упростить
выражение (1.4)
,
(1.5)
где
-
отношение давлений секции по сечениям
входа и выхода,
-
относительные потери давления. Потери,
связанные с работой газоохладителей,
логично оценить отношением работ
компрессора с реальными и идеальными
аппаратами. Под идеальными будем понимать
аппараты, охлаждающие газ до температуры
окружающей среды
= 0и не имеющие гидравлических потерь
=0. Работа компрессора с идеальными
охладителями при прочих равных условиях
минимальна.
(1.6)
Потери, связанные с не идеальностью
газоохладителей, обозначим через
называют коэффициентом приведенных
потерь охлаждения.
Для охлаждаемого многоступенчатого компрессора
>
>(1.7)
Коэффициент приведенных потерь
охлаждения компрессора для выпускаемых
ныне машин лежит в диапазоне
.
Коэффициенты приведенных потерь
охлаждения i-й
секции
имеют более широкий диапазон:
=1.01-1.12
[1].
Выражения (1.3) - (1.7) позволяют представить изотермный КПД компрессора (1.2) в виде
(1.8)
Сомножитель
в
выражении (1.8) появляется из-за того, что
изотермную
работу [см. формулу (1.3)] принято
определять по температуре всасывания,
тогда как минимальная работа компрессора
с идеальными охладителями [см. формулу
(1.6)] определена по температуре окружающей
среды. В общем случае

Если все секции одинаковы, т.е.
и
,
то
,
(1.9)
Умножая числитель и знаменатель
на
и
вводя обозначение
преобразуем (1.9.) к виду
(1.10)
Из формулы (1.10) видно влияние на
различных факторов:
числа промежуточных охлаждений n
КПД
процесса сжатия

коэффициента
приведенных потерь охлаждения

При устремлении числа охлаждений
к бесконечности n
, z
и выражение (1.10) имеет своим пределом
величину
,
(1.11)
которая для идеальной системы
охлаждения (
)
становится равной
Для иллюстрации соотношения экономии энергий от введения охлаждения и потерь, связанных с организацией, используют величину:
,
(1.12)
где
-
удельная работа неохлаждаемого
компрессора, в котором значение
принято как среднее по отдельным секциям.
Полагая секции одинаковыми и используя обозначения (1.10), приведём (1.12) к виду
(1.13)
1.2 Технико - экономический критерий эффективности охлаждения
Термодинамический анализ позволил выявить влияние системы охлаждения на энергетическое совершенство компрессорной установки. Предельные возможности повышения термодинамической эффективности компрессора с реальными газоохладителями определены выражением (1.11)
В термодинамическом анализе,
естественно, отсутствовала информация
о том, как поведут себя величины
и
с
увеличением числа охлаждений. Однако
проектировщиков систем охлаждения в
конечном счёте интересует не только
термодинамическая эффективность
процесса сжатия газа, сколько сумма
материальных затрат, необходимых для
реализации рассматриваемого процесса
в условиях конкретного способа
производства и эксплуатации компрессорной
установки. Ясно, что полученная при n
max
экономия энергии, расходуемой на процесс
сжатия, будет достигнута ценой роста
затрат на изготовление большого числа
крупных теплообменных аппаратов, на их
транспортировку, обвязку трубопроводами,
размещение на дополнительных
производственных площадях, увеличение
числа контрольно — измерительной
аппаратуры, средств автоматики и т.д.
Поэтому в своём стремлении повысить термодинамическое совершенство компрессорной установки проектировщик оказывается поставленным перед необходимостью соизмерять получаемую при этом выгоду с ценой, которую приходится за неё платить. Иными словами, решающее слово при выборе варианта системы и степени её приближения к термодинамическому идеалу остаётся всегда за комплексно-экономическим анализом. Проведение такого анализа может быть выполнено на основе применяемого в настоящее время универсального технико-экономического критерия, известного в литературе под названием «приведенные затраты».
Сущность этой величины состоит в следующем.
Пусть имеются два варианта, каждый из которых решает поставленную техническую задачу (сжатие газа при заданном расходе до заданного давления). Реализация варианта А требует вложения К>1> рублей, а варианта В - К>2> рублей. Допустим для определённости, что вариант А дороже, т.е. К>1>>К>2>. По этим сведениям ещё не возможно ответить на вопрос о целесообразности реализации более дешёвого варианта. С другой стороны, высокая стоимость реализации первого варианта не может сама по себе служить причиной отказа от него. Важно ответить на вопрос, выгоден ли вариант, требующий повышенных капитальных вложений, т.е. окупится ли эта разница в процессе эксплуатации достаточно быстро [1].
Для характеристики стоимости
окупаемости капитальных вложений
используется величина, называемая
нормативным сроком окупаемости Тн. При
этом предполагается, что если дополнительные
капитальные вложения окупятся в процессе
эксплуатации за срок, меньший, чем Т>н>,
то они являются экономически оправданными.
Иными словами, если эксплуатационные
издержки вариантов соответственно Э>1>
и Э>2>, то при
<
Т>н> первый
вариант будет более эффективным с
экономической точки зрения.
В противном случае - наоборот. Это неравенство можно записать в виде
(1.14)
Величина, обратная нормативному сроку окупаемости, называется нормативным коэффициентом эффективности Е. Величину П = Э + ЕК принято называть приведенными затратами (сумма эксплуатационных издержек и капитальных вложений, отнесённых к одному году нормативного срока окупаемости).
Если сравниваются не два варианта, а несколько, то наиболее эффективным будет тот, у которого приведенные затраты являются минимальными.
Тот факт, что в структуре приведенных затрат фигурируют фундаментальные экономические категории, позволяет применять этот критерий для оптимизации любых конструкций и систем независимо от их особенностей и назначения. Это придаёт большую универсальность приведенным затратам как критерию оценки суммарных достоинств конкурирующих вариантов. Для вычисления приведенных затрат её составляющие должны быть выражены через технические характеристики рассматриваемой конструкции или системы: массу, габаритные размеры, потери энергии и т.п.
Таким образом, несмотря на экономическую природу приведенных затрат, внутреннее содержание этого критерия является техническим. Иными словами, приведенные затраты представляют собой синтетическую величину, характеризующую технические достоинства конструкции или системы в экономической форме. В частности, применительно к системам охлаждения, повышение термодинамического совершенства схемы приводит к снижению затрат энергии на реализацию процесса сжатия и, следовательно, к уменьшению годовых эксплуатационных издержек. Одновременно, как было отмечено выше, растут капитальные вложения на реализацию большого числа аппаратов больших габаритных размеров. Приведенные затраты позволяют оценить суммарный эффект этого
мероприятия. Внутреннее содержание составляющих приведенных затрат зависит от особенностей конкретного инженерного сооружения. При этом, чем полнее учитываются различные категории затрат, тем более обоснованным является результат анализа.
Для компрессорной установки величина К складывается из следующих основных составляющих
К = К>к>+К>г>+К>пр>+К>ст>+К>м>, (1.15)
где К>к> - стоимость компрессора, К>г> - стоимость газоохладителей, К>пр> - стоимость привода, редуктора, муфт, системы автоматики, трубопроводов и т. д., К>ст >- стоимость компрессорной станции (включая электросиловую часть, автоматику и т. п.), К>м> - стоимость монтажа установки.
Эксплуатационные издержки могут быть разделены на две группы:
пропорциональные капитальным вложениям
не зависящие от них
К первой группе относятся амортизационные отчисления и расходы на текущий ремонт и содержание установки:
Э = А-К+А>р>-К, (1.16)
где А — доля годовых амортизационных отчислений, А>р> — доля годовых расходов на ремонт и содержание установки.
От капитальных вложений на компрессорную установку не зависят стоимости энергии на привод компрессора и хладагента (например, оборотной воды)
,
(1.17)
где Ц>э> - цена энергии, руб./(кВт-ч), Ц>в> - цена хладагента, руб./м3, N>k> - потребляемая мощность компрессорной установки, кВт, V>b>> >- расход хладагента, м3/с, Т - время работы установки, ч.
Нормативный коэффициент эффективности Е обычно принимается равным, что соответствует значению нормативного срока окупаемости, примерно в 7 лет.
2. АНАЛИЗ СИСТЕМ ОХЛАЖДЕНИЯ РАЗЛИЧНЫХ ТИПОВ
Энергия привода компрессора тратится на сжатие газа и покрытие механических потерь. Как указывалось выше, энергия сжатия газа при наличии концевого охладителя практически полностью отводится в окружающую среду. Энергия, затрачиваемая на покрытие механических потерь, превращается полностью в теплоту трения узлов компрессора и также должна быть передана окружающей среде. Комплекс оборудования, осуществляющий передачу теплоты от компрессорной установки окружающей среде, называется системой охлаждения. По способу передачи теплоты окружающей среде системы охлаждения компрессорных установок можно разделить на три основных типа:
системы непосредственного охлаждения;
системы с промежуточным теплоносителем;
смешанные системы [1]
Окружающей средой для компрессорных установок является совокупность атмосферного воздуха и воды надземных и подземных водоёмов (морей, озёр, рек, родников, артезианских источников и т.д.). За исключением специальных случаев (например, в судовых установках) теплота компрессорных установок отдаётся воздуху. Поэтому из числа систем непосредственного охлаждения наибольший интерес представляют системы воздушного охлаждения. Системы охлаждения с промежуточным теплоносителем подразделяются на открытые водооборотные (наиболее распространённые в настоящее время) и системы с закрытым контуром для промежуточного теплоносителя. По виду теплообмена сжимаемого газа с промежуточным теплоносителем различают системы рекуперативные и контактные (конвективного и испарительного охлаждения). Смешанные системы охлаждения представляют собой различные комбинации непосредственного охлаждения и охлаждения с промежуточным теплоносителем. Например, газоохладители компрессорной установки работают по схеме с промежуточным теплоносителем, а маслоохладители - по схеме непосредственного охлаждения. В общем случае в состав систем непосредственного охлаждения входят газо- , масло- и водоохладители, в которых отводится теплота от газа, узлов трения, электродвигателя и цилиндров компрессора, а также оборудования для подачи к этом аппаратам воздуха или воды. В системах с промежуточным теплоносителем, к перечисленному добавляются насосы для его транспортировки и аппараты, в которых промежуточный теплоноситель отдаёт теплоту окружающей среде.
Ниже будут рассмотрены основные системы охлаждения: открытая водооборотная; с непосредственным воздушным охлаждением; с воздушным охлаждением промежуточного теплоносителя в закрытом контуре и с утилизацией теплоты компрессорной установки.
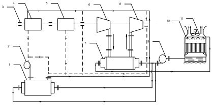
2.1 Открытые водооборотные системы охлаждения
Промежуточным теплоносителем в таких системах является вода. На рис. 2.1 представлена открытая водооборотная система охлаждения многоступенчатого компрессора.

Рис. 2.1. Открытая водооборотная система охлаждения
Газ из ступени сжатия 6 поступает в газоводяной охладитель 7 и далее в ступень 8. Циркуляцию масла в компрессорной установке обеспечивает маслонасос 2. Теплота трения от редуктора 4, муфты 5 и подшипников 3 отводится водой в маслоохладителе 1. После охладителей компрессора вода поступает в открытую градирню 10. В градирне происходит контактный теплообмен воды с окружающим воздухом и одновременно испарительное охлаждение. Воздух в градирне перемещается естественной тягой (башенные градирни) или вентилятором 11 (вентиляторные градирни). Стекающая в нижнюю часть градирни охлаждённая вода возвращается насосом 9 в охладители 1, 7. В установках небольшой мощности вместо градирен иногда используют брызгальные бассейны.
Основные преимущества открытых водооборотных систем связаны с высоким коэффициентом теплоотдачи со стороны воды, определяющем сравнительно небольшие размеры газо- и маслоохладителей, возможность их размещения в непосредственной близости от машин и соответственно малую протяжённость газоводов.
К недостаткам открытых водооборотных систем можно отнести:
высокую стоимость охлаждающей воды;
нестабильность характеристик компрессоров, оснащённых открытыми во- дооборотными системами охлаждения;
нерентабельность утилизации низкотемпературной теплоты, характерной для открытых водооборотных систем.
2.2 Системы непосредственного воздушного охлаждения
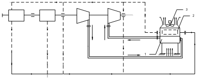
Система непосредственного воздушного охлаждения компрессорной установки представлена на рис. 2.2.
Хладагентом в газоохладителе 1 и маслоохладителе 2 является окружающий воздух, прокачиваемый через теплообменники вентилятором 3. На рис. 2.2. масло- и газоохладитель объединены в блок охладителей с общим вентилятором. В крупных компрессорных установках таких блоков несколько, каждый с автономным вентилятором.

Рис.2.2. Системы непосредственного воздушного охлаждения
Основной причиной, длительное время препятствующей широкому использованию систем воздушного охлаждения в компрессорных установках (КУ), является низкий уровень теплоотдачи со стороны воздуха, приводящий к резкому увеличению теплопередающей поверхности, т.е. металлоёмкости и размеров аппаратов воздушного охлаждения (АВО). Если последствия роста металлоёмкости очевидны, то рост их размеров в силу специфики компоновки теплообменников с компрессорной установкой требует отдельного рассмотрения.
Перевод КУ с водяного на воздушное охлаждение на ряду с ростом размеров ставит проблему подвода и отвода охлаждающего воздуха. Для КУ малой и
средней производительности сравнительно небольшие расходы охлаждающего воздуха не препятствуют размещению АВО непосредственно в машинном зале. Однако крупногабаритные трубчатые АВО с трубами большого диаметра в сочетании с развитыми диффузорами и конфузорами требуют значительного увеличения площади машинного зала и соответственно капитальных вложений на установку. Не решает проблему уменьшения габаритных размеров АВО использование пучков высокооребрённых труб, поскольку при росте компактности за счёт оребрения, со стороны охлаждающего воздуха компактность внутритрубных поверхностей остаётся без изменения. Более того, нередко габаритные размеры АВО с оребрёнными трубами оказываются больше гладкотрубных АВО в связи с увеличением шагов между трубами.
Особые преимущества перевода на непосредственное воздушное охлаждение имеют воздушные КУ, составляющие основу компрессорного парка.
Реализация систем непосредственного воздушного охлаждения КУ потребовала решения двух задач, связанных с диапазоном температур окружающего воздуха. Первая - удаление инея и льда в каналах ПРТ в условиях отрицательных температур. Эта задача решается автоматическим отключением вентилятора при некотором обмерзании каналов и соответствующем росте их сопротивления. Отметим, что скорость таяния льда в потоке горячего воздуха во много раз превышает скорость льдообразования. Вторая задача - обеспечение параметров, обусловленных техническими условиями КУ при температуре наружного воздуха выше +40°С. Поскольку период таких температур даже в самых жарких районах (Ташкент, Красноводск, Ферган) не превышает 1,5 — 2 % общего времени, влияние этих режимов на уровень энергопотребления КУ несущественно. Основная опасность связанна с превышением допустимых в КУ температур, поскольку иногда остановка компрессора приводит к остановке всего технологического процесса. Эта задача решается предварительным испарительным охлаждением атмосферного воздуха.
Заканчивая анализ систем непосредственного воздушного охлаждения, остановимся на двух основных недостатках. Первый - ограниченные возможности утилизации теплоты, отводимой от КУ. В отличии от открытых водооборотных систем теплота может быть использована для отопления компрессорной станции. Этим, однако, приходится ограничиться, поскольку передача нагретого в АВО воздуха даже на относительно небольшие расстояния требует изолированных трубопроводов большого диаметра и мощных центробежных вентиляторов.
Как правило, такая утилизация оказывается нерентабельной. Второй недостаток систем непосредственного воздушного охлаждения связан с протяжённостью газоводов. Дело в том, что ПРТ решили проблему размеров и размещение АВО в машинном зале лишь для КУ малой и средней производительности. Для осевых, центробежных и крупных поршневых компрессоров, смонтированных в машинных залах, размещение АВО в непосредственной близости от компрессоров невозможно из-за больших расходов охлаждающего воздуха, больших габаритных размеров аппаратов и сложности консольной установки колеса вентилятора большого диаметра. Единственно возможная компоновка — вынесение аппарата за пределы компрессорной станции. При этом толстостенные газоводы большого диаметра существенно увеличивают капитальные вложения, а уменьшение их диаметра и соответственно стоимости ведёт к недопустимому росту потерь.
2.3 Системы воздушного охлаждения с промежуточным
теплоносителем в закрытом контуре
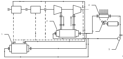
Закрытый контур с промежуточным теплоносителем позволяет устранить основные недостатки не только открытых водооборотных систем, но и систем непосредственного воздушного охлаждения. Схема той системы представлена на рис.2.3. Газ охлаждается в жидкостном охладителе 2, масло — в маслоохладителе 1, а охлаждающая жидкость, циркулирующая с помощью насоса 5 по закрытому контуру, отдаёт теплоту компрессорной установки охлаждающему воздуху в рекуперативном теплообменнике 4 с вентилятором 3.

Рис. 2.3. Система охлаждения с промежуточным теплоносителем в закрытом контуре
Большинство преимуществ закрытого контура связанно с возможностью использования в качестве промежуточного теплоносителя любой очищенной жидкости: дистиллированной воды, антифриза, масла и т.д. Отсутствие опасности солеотлажения и загрязнения теплоперерабатывающей поверхности стабилизирует характеристики КУ, [1] допускает использование высококомпактных поверхностей и снимает ограничения по нагреву теплоносителя (см. п. 2.2.). Как показывают расчёты, оптимальные (по приведенным затратам) перепады температур в закрытом водооборотном контуре лежат в диапазоне от 40 до 100°С. При этом пропорционально перепаду сокращается расход промежуточного теплоносителя и соответственно затраты на его заливку, подпитку и прокачку. В правильно спроектированной системе расход энергии на привод насоса не превышает 0,5% энергии на привод КУ. В итоге, одна из главных статей расхода на охлаждение КУ с открытыми водооборотными системами - затраты на промежуточный теплоноситель (охлаждающую воду) - в системах с закрытым контуром сводится к минимуму. Другим важнейшим следствием высокого уровня температур промежуточного теплоносителя в закрытом контуре является возможность утилизации теплоты КУ. Наиболее целесообразно утилизировать теплоту на отопление зданий. В отличии от системы непосредственного воздушного охлаждения промежуточный теплоноситель позволяет отапливать не только помещение компрессорной станции, но и объекты, расположенные на значительном удалении от станции, поскольку транспортировка жидкого теплоносителя не связанна с большими расходами. Такими объектами могу быть жилые и промышленные здания, теплицы.
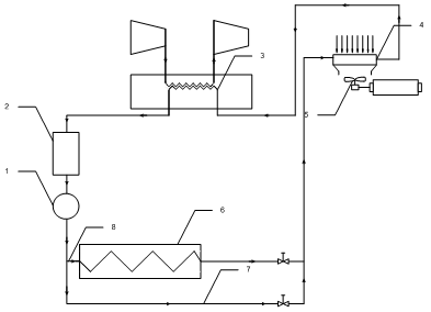
Схема системы охлаждения с утилизацией представлена на рис. 2.4

Рис. 2.4. Система охлаждения с утилизацией теплоты КУ
Промежуточный теплоноситель после газоохладителя 3 поступает в ёмкость 2, откуда либо полностью (зимой), либо частично (весной, осенью) подаётся насосом 1 через трубопровод 8 в отопительную систему 6. Отдав часть теплоты отопительной системе, промежуточный теплоноситель поступает в теплообменник 4, где охлаждается воздухом, подаваемым вентилятором 5. Тепловой поток в теплообменнике 4 в зависимости от температуры окружающего воздуха и соответственно нагрузки отопительной сети можно регулировать поворотам лопастей вентилятора. Для случаев критических нагрузок (резко отрицательные температуры) вентилятор 5 может быть отключён. При этом, естественно, характеристики компрессора ухудшаются. Летом, при отсутствии необходимости в отоплении, промежуточный теплоноситель из коллектора 2 по трубопроводу 7 подаётся прямо в аппарат воздушного охлаждения 4.
Одно из основных достоинств систем охлаждения с закрытой циркуляцией промежуточного теплоносителя - отсутствие протяжённых газоводов. Газожидкостные теплообменники устанавливаются в непосредственной близости от компрессора. Транспортировка теплоносителя, как указывалось, требует минимума затрат.
3. КОНСТРУКЦИЯ ЭЛЕМЕНТОВ СИСТЕМ ОХЛАЖДЕНИЯ
Основными элементами систем охлаждения компрессорных установок являются:
теплообменные аппараты различного назначения (газо-, маслоохладители и др.);
вентиляторы с приводами;
устройства для сепарации влаги;
увлажнители;
насосы и ёмкости.
Широта диапазона рабочих параметров КУ, специфика их изменения в процессе сжатия, тенденции развития КУ и масштабы их выпуска в сочетании с условием унификации и специализации производства предъявляют к конструкциям элементов систем охлаждения вполне определенные требования.
В настоящее время максимальный расход сжатого газа через газоохладитель приблизительно равен 3000 м3/мин., а максимальное давление составляет примерно 250 МПа.
Анализ тенденций развития техники даёт основание предположить, что в ближайшие годы максимальные значения объёмного расхода и рабочего давления газоохладителей вырастут соответственно до 5000 м3/мин. и 700МПа. Большая часть аппаратов работает при объёмном расходе 250 м3/мин. и р<4,0МПа, причём особенно многочисленна группа с расходами менее 10 м3/мин. и давлением до 12МПа[1].
Различие параметров и серийность, естественно, приводят к различным конструктивным решениям газоохладителей и других элементов систем охлаждения. Ниже даётся описание и анализ основных вариантов возможных конструктивных решений различных элементов, используемых в инженерной практике.
3.1 Теплообменники компрессорных установок
Все охладители компрессоров по диапазону давлений и типу можно разбить на три группы:
газоохладители низкого (до 1,2 МПа) и среднего (до 4,0МПа) давлений;
газоохладители высокого давления (свыше 4,0 МПа);
охладители жидкости (масла, воды, промежуточного теплоносителя).
Конструкции теплообменников решающим образом зависят от выбора типа их основного элемента — теплопередающей поверхности, которая может быть выполнена или из труб, или из листового материала. Одной из важнейших характеристик теплопередающей поверхности является её компактность — площадь поверхности в единице объёма пространства, занятого соответствующим теплоносителем или объёма аппарата в целом. Для трубчатых аппаратов минимальные диаметры труб ограниченны значением 8-10 мм, что соответствует компактности поверхности 400-500 м2/м3. Переход на трубы меньшего диаметра ограничен как ростом гидравлических сопротивлений, так и технологическими особенностями заделки труб в трубные решётки [1].
Наиболее эффективным и распространённым способом повышения компактности трубчатых поверхностей является оребрение труб. Наружные рёбра в зависимости от технологии изготовления могут быть цельнокатаными, насадными, ленточными, литыми и т.д. Цельнокатаные рёбра просты в изготовлении, не имеют контактных сопротивлений, неограниченны по материальному исполнению. Стальные цельнокатаные трубы изготавливаются лишь низкорёберными из-за сложности прокатки твёрдых материалов, низкой теплопроводности и низкой эффективности стальных рёбер. Алюминиевые цельнокатаные трубы свободны от этих недостатков. Однако сложность заделки таких труб в трубные решётки резко ограничивает область их применения.
Трубы с насадными рёбрами требуют дорогостоящего припоя, а также не очень стойки с вибрации. Цельнокатаные медные трубы просты в изготовлении, хорошо вальцуются в трубные решётки, надёжны в эксплуатации, однако, дефицитность меди ограничивает широкое применение таких труб. Во многом от этих недостатков свободны литые алюминиевые рёбра (материал несущей трубы - сталь), но производительность этого перспективного метода оребрения пока существенно уступает накатке.
Обычно теплопередающие трубы оребрены лишь с наружной стороны. Процесс внутреннего оребрения значительно сложнее, в связи с чем в теплообменниках компрессоров трубы с внутренним оребрением почти не применяются.
Другой способ повышения компактности теплопередающих поверхностей - создание пластинчатых конструкций. В настоящее время в практике используются два вида пластинчатых теплообменников - пластинчатые и пластинчато-ребристые.
Теплопередающая поверхность в пластинчатом теплообменнике образованна гофрированной пластиной. Теплоноситель течёт в зазоре между гофрами соседних пластин. Несмотря на высокую компактность пластинчатые теплообменники сравнительно редко используются в качестве газоохладителей компрессоров. Объясняется это, прежде всего, весьма высоким уровнем потерь давления охлаждаемого газа в таком аппарате (гофры являются здесь помимо теплопередающих и интенсифицирующими поверхностями). В тоже время такая интенсификация теплообмена для жидкостей может оказаться весьма эффективной, поскольку потери энергии при прокачке жидких теплоносителей существенно меньше, чем газообразных. Так, соотношение потерь энергии для воды и атмосферного воздуха при равных коэффициентах теплоотдачи в одинаковых геометрических системах составляет примерно 10-8 [1].
Второй тип - пластинчато-ребристые теплообменники. Здесь поверхность образуется проставочными листами, гофрированными насадками и ограничивающими элементами. Теплоноситель из коллекторов поступает в каналы, образованные гофрированными насадками и проставочными листами. Теплообмен происходит через стенку, роль которой выполняют проставочные листы и рёбра, образованные гофрированной насадкой. Пластинчато-ребристые теплообменники, обладая чрезвычайно высокой компактностью (1000-5000 м2/м3), свободны от недостатков пластинчатых аппаратов.
Пластинчато-ребристые теплообменные поверхности можно одинаково эффективно использовать в аппаратах воздушного охлаждения, газоводяных и масляных теплообменниках.
3.2 Газоохладители низкого и среднего давления
Как указывалось, это наиболее многочисленная группа газоохладителей. Охлаждаемой средой в таких аппаратах обычно является воздух, рабочие параметры которого лежат в весьма узком диапазоне, что и формирует требования к конструкциям аппаратуры этой группы. Конструкции должны обеспечивать возможность широкой унификации. Специфика теплообмена в процессе сжатия, связанная с изменением давления и объёмного расхода от секции к секции, требует от унифицированной констукции возможности пластинчатого изменения конфигурации (соотношения площади фронта и длины тракта) теплообменного элемента. Наряду с перечисленными требованиями должна быть обеспеченна возможность чистки трактов обоих теплоносителей, коррозионная стойкость, виброустойчивость элементов конструкции, прочность, плотность, неизменность формы теплопередающей поверхности и т.д.
Наибольшим разнообразием отличаются конструкции трубчатых и кожухотрубных теплообменников. Большинство газоводяных кожухотрубных аппаратов имеет цилиндрический корпус. Трубы заделаны в трубные решётки. Поскольку внутренняя поверхность круглых труб достаточно просто очищается от накипи, чаще всего вода подаётся в трубное пространство, газ - в межтрубное, но в некоторых случаях в охладителях поршневых компрессоров газ течёт по трубам, а вода в межтрубном пространстве. Для чистки аппаратов от накипи пучок труб вынимается из корпуса, хотя и при этом мелкий ремонт таких теплообменников затруднителен.
В теплообменниках, использующих расположенные вдоль осей корпуса гладкие трубы, организация нужного режима течения межтрубного теплоносителя (как правило газа) достигается установкой перегородок. Основные недостатки такой конструкции - большие масса и габаритные размеры, а также ограничение возможностей унификации, поскольку уменьшение числа перегородок ухудшает газораспределение, увеличивает перетечки и усиливает вибрацию труб. Снижение массы и габаритных размеров таких аппаратов путём использования поперечно-оребрённых труб связано со значительным усложнением конструкции, поскольку для достижения многоходовости межтрубного пространства необходима установка дополнительных трубных досок.
Значительно большие возможности варьирования площади проходного сечения межтрубного теплоносителя представляют конструкции, в которых трубы установлены поперёк корпуса.
Теплообменник состоит из одной или нескольких одинаковых теплопередающих секций (модулей). Варьируя размеры кожуха, толщину обечайки, число секций и способ их коллектирования, можно получить аппараты для широкого спектра расходов, давлений и физических свойств охлаждаемых газов с конфигурацией, близкой к оптимальной. Это позволяет несколькими унифицированными модулями закрыть практически всю область параметров газоводяных охладителей КУ, в которой кожухотрубные аппараты могут конкурировать с пластинчато-ребристыми. Существенным достоинством газоохладителей с поперечным расположением труб является возможность их компановки в одном корпусе с буферными ёмкостями и влагомаслоотделителями. Это отвечает современным тенденциям создания многоблочных конструкций. Последнее важное преимущество такой конструкции - возможность простой и эффективной чистки водяного тракта.
На прокачку охлаждаемого газа и хладагента в газоохладителях компрессоров расходуется от 3 до 10 % мощности, потребляемой компрессорной установкой. Причём она тем больше, чем больше скорости теплообменивающихся сред. Снижение скоростей приводит к росту габаритных размеров и массы аппаратуры. Поэтому в процессе проектирования стараются назначать такие скорости, чтобы достичь уровня оптимальных приведенных затрат. Низкая удельная металлоёмкость и высокая компактность ПРТ позволяет назначать в них скорости ниже, чем в аппаратах традиционных конструкций и таким образом добиваться снижения приведенных затрат. Помимо этого, применение компактной теплопередающей поверхности позволяет при тех же и даже меньших размерах газоохладителей компрессоров получить более глубокое охлаждение [1].
Механическая чистка ПРТ от загрязнений невозможна из-за большого числа каналов малого эквивалентного диаметра, образованных тонкими стенками. Это делает нецелесообразным их использование в открытых водооборотных системах. Вместе с этим это же обстоятельство позволяет упростить конструкцию ПРТ заменой съёмных коллекторов ПРТ приварными. Очистка поверхностей в таких конструкциях от масляного нагара и загрязнений производится с помощью щелочных растворов.
Таким образом, в газоводяных охладителях низкого и среднего давления открытых водооборотных систем охлаждения компрессоров предпочтение следует отдать кожухотрубным аппаратам с поперечным расположением труб с наружным оребрением при внутритрубном течении воды и межтрубном течении газа. В системах непосредственного воздушного охлаждения компрессоров и в закрытых системах с промежуточным теплоносителем в качестве охладителей на низкое и среднее давление газа наилучшие показатели имеют пластинчато-ребристые теплообменники.
3.3 Газоохладители высокого давления
Известны следующие типы газоводяных охладителей высокого давления:
кожухотрубные;
змеевиковые;
аппараты типа «труба в трубе».
Кожухотрубные теплообменники высокого давления (Р=40МПа) наиболее целесообразно применять в КУ большой производительности.
В таких аппаратах газ течёт внутри гладких стальных теплопередающих труб, которые приварены к массивным трубным решёткам. Охлаждающая вода подаётся в межтрубное пространство. Необходимый режим течения воды обеспечивается поперечными перегородками, насаженными на теплопередающие трубы.
Доступ к наружным поверхностям труб для очистки их от накипи обеспечивается при демонтаже наружного корпуса.
В КУ малых производите л ьностей применяются змеевиковые охладители. Основное преимущество змеевиковых теплообменников - отсутствие трубных решёток. При этом, однако, вследствие большой протяжённости газового тракта возрастают гидравлические потери. Поэтому змеевиковые газоохладители используются лишь в ступенях высокого давления, где относительные гидравлические потери ниже, чем в ступенях низкого давления. Другим недостатком змеевиковых охладителей является сложность организации течения охлаждающего теплоносителя (большинство змеевиковых аппаратов водяные), поскольку обычные перегородки здесь установить весьма сложно. Поэтому, как правило, змеевиковые газоохладители используют в комбинированных конструкциях совместно с обычными кожухотрубными теплообменниками ступеней низкого давления.
Наибольшее распространение в качестве газоводяных охладителей ступеней высокого давления получили аппараты типа «труба в трубе». Газоохладители этого типа выполняются в виде нескольких параллельных секций, соединённых на входе и выходе общими коллекторами. Из соображений прочности охлаждаемый газ течёт по внутренней трубе, а охлаждающая вода - в зазоре между внутренней и наружной трубой. Соседние трубы соединяются между собой съёмными калачами. Основное преимущество таких теплообменников - возможность разборки и чистки. Основной недостаток - большие размеры и металлоёмкость.
4. РАСЧЕТ СИСТЕМЫ ОХЛАЖДЕНИЯ КОМПРЕССОРНОЙ
УСТАНОВКИ
4.1 Технические характеристики компрессора
Компрессор К-250-61-5 предназначен для сжатия и подачи воздуха промышленного назначения по ГОСТ 23467-69 шестиступенчатый трёхсекционный [2]. Система смазки подшипников и муфт - принудительно-циркуляционная.
Смазочное масло Т-30 (ГОСТ 32-74), заменители Т-22 (ГОСТ 32-74), Тп-22 и Тп-30 (ГОСТ 9972-74).
Приводом компрессора служит электродвигатель СТД-3150-23УХЛЧ мощностью 1575 кВт, напряжением 6 и 10 кВ. В агрегате используется повышающий редуктор типа РЦОТ-350-2,55-1 к.
-
Объёмная производительность при 20°С и 0,1013 МПа, м3/мин
254
Массовая производительность, кг/мин
305
Конечное давление (абсолютное), МПа
0,9
Температура воздуха на выходе из нагнетательного патрубка, °С
135
Начальное абсолютное давление, МПа
0,09807
Начальная температура, °С
20
Степень сжатия:
|
в первой ступени компрессора |
2,57 |
|
во второй ступени компрессора |
2,04 |
|
в третьей ступени компрессора |
1,73 |
|
Относительная влажность, % |
50 |
|
Плотность воздуха при начальных условиях, кг/м3 |
1,199 |
|
Температура охлаждающей воды, °С |
20 |
|
Расход охлаждающей воды на концевой и промежуточный воздухоохладители, маслоохладитель и воздухоохладитель электродвигателя, м3/ч |
312 |
Масса, т:
-
компрессора в объёме поставки без главного электродвигателя
и щитов автоматики
29
главного электродвигателя
12,3
редуктора
2,4
воздухоохладителя концевого
1,3
Размеры, м:
-
высота компрессорной установки
4,96
длина компрессорной установки
14,17
ширина компрессорной установки
6,38
высота подвального помещения
3,8
минимальная высота подъёма крюка крана от уровня пола
машинного зала
3,5
частота вращения ротора, мин-1
7625
изотермный КПД
0,65
потребная мощность, кВт
1500
4.2 Расчёт технологической схемы КУ
Первым этапом расчёта технологической схемы компрессорной станции является выбор ступеней компрессора и числа промежуточных охладителей. При увеличении числа охладителей затраты энергии на сжатие воздуха уменьшаются, но при большом числе ступеней охлаждения значительно возрастают аэродинамические потери в них, а следовательно будут расти и затраты энергии на сжатие.
Поэтому с учётом затрат на сооружение охладителей и их эксплуатацию, принято устанавливать следующее число промежуточных охладителей у ЦК:
конечная
степень сжатия
=7,5-12
число промежуточных охладителей - 2
На выбор вида газоохладителей влияет ряд факторов:
диапазон производительности КУ;
вид и параметры сжимаемого газа;
вид системы охлаждения.
Межсекционные охладители входят в комплект поставки КУ. В качестве концевого для К-250-61-5 выбирают воздухоохладитель типа ВОК-79.2.
Из п.4.1. степень сжатия в соответствующих ступенях компрессора:
2.Зная степень сжатия в каждой
ступени компрессора, необходимо под
считать работу сжатия воздуха в каждой
ступени компрессора и конечную
температуру воздуха за ступенями.
Работу адиабатического сжатия в любой ступени многоступенчатого компрессора можно найти
,
(4.1)
где k
= 1,4 - показатель адиабаты для воздуха;
R=287,14
Дж/кг-К — газовая постоянная;
=
0,75 – 0,9 - адиабатический КПД;
- температура воздуха на входе в i-ю
ступень компрессора.



Полная удельная работа сжатия
(4.2)
l>k >= 113940+85998+64532=264470 Дж/кг
Мощность компрессора
,
(4.3)
где G — массовый расход воздуха, кг/мин
,
кг/мин.
0,97
- 0,98 - механический КПД.
кВт
Температура воздуха после ступени компрессора
(4.4)



Количество тепла отданное в промежуточном охладителе можно определить, зная температуру воздуха перед и после охладителя
,
(4.5)
где
= 1.007 кДж/кгК - теплоёмкость воздуха,
= 5.08 кг/с - расход воздуха через компрессор.



Аналогично произведён расчёт при различной температуре окружающей среды. Результаты расчёта сведены в таблицу 4.1.
Таблица 4.1. Результаты расчёта схемы компрессора при различной
температуре окружающей среды
|
t>o>>.>>c>>.>,°C |
Т>вх.к. >>i>, К |
Т>вых.к. >>i>, К |
L>k>, Дж/кг |
N>k>, кВт |
Q>i>, кДж/с |
|
288 |
399 |
567 |
|||
|
15 |
298 |
382 |
260042 |
1363 |
429 |
|
298 |
361 |
322 |
|||
|
293 |
406 |
578 |
|||
|
20 |
303 |
389 |
264470 |
1386 |
439 |
|
303 |
367 |
327 |
|||
|
298 |
413 |
588 |
|||
|
25 |
308 |
395 |
268890 |
1409 |
445 |
|
308 |
373 |
332 |
|||
|
303 |
420 |
598 |
|||
|
30 |
313 |
401 |
273327 |
1432 |
450 |
|
313 |
379 |
337 |
Графически изменение температуры воздуха на выходе из ступени компрессора при изменении температуры окружающей среды показано на рис. 4.1.

Рис. 4.1. График зависимости Т>вых.к.> = f(T>oc>)
4.3 Расчёт ступени системы охлаждения компрессора К-250-61-5
Определим секундный расход сжатого газа
(4.6)

Из процесса сжатия (рис. 4.2.) определим количество тепла, которое отнимается в газоохладителе
,
(4.7)
где
=
1,007 кДж/кгК - теплоёмкость воздуха.


Рис. 4.2. Ступень охлаждения компрессор
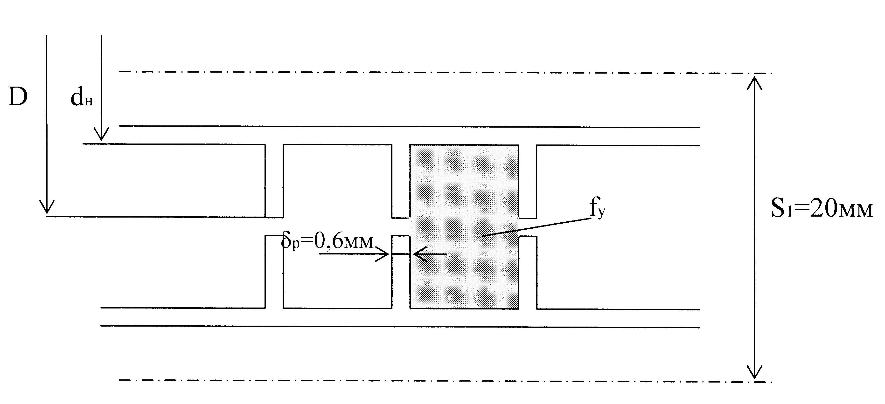
Возьмём для расчёта конструктивные размеры газоохладителя заводского изготовления
;
наружный диаметр оребрения: D=19,2 мм;
толщина ребра S>p> = 0,6 мм;
шаг оребрения t = 2.4 мм;
шаг поперечный S>l> = 20 мм;
шаг продольный S>2> = 18 мм.
Определим число рёбер на 1м длины
(4.8)

Поверхность рёбер
(4.9)

Поверхность 1м длины трубы, свободная от рёбер
(4.10)

Полная внешняя ребристая поверхность
>
>>
>> >(4.11)
>
>
7. Внутренняя поверхность трубы без рёбер
(4.12)


8. Определение площади живого сечения одного межрёберного канала в поперечном ряду пучка (рис. 4.3)

Рис. 4.3. Сечение поперечного ряда
>
>(4.13)
>
>
9. Определим смоченный периметр одного межрёберного канала
(4.14)

10. Определим эквивалентный диаметр
(4.15)

11. Принимая экономическую скорость воздуха w=15 м/с, определим площадь живого сечения пучка ребристых труб для прохода воздуха:
а) средняя определяющая температура:
,
где
-
температура воды на входе в газоохладитель,
t>w>>2>
- температура воды на выходе из
газоохладителя.

б) определяем основные константы для воздуха [3]:
коэффициент
динамической вязкости

коэффициент
теплопроводности

число
Прандтля

определим среднюю плотность воздуха

в)

12. Определим число труб в одном поперечном ряду, при заданной длине L=565 мм.

штук
Принимаем
.
13. Длина обтекания ребристой трубы
(4.18)
м
14. Определим диагональный шаг пучка:

Рис. 4.4. Диагональный шаг пучка
(4.19)

15. Определим коэффициент C>s> для шахматных пучков
(4.20)

16. Определим коэффициент теплоотдачи со стороны воздуха
(4.21)

17. Расчёт КПД ребра
,
(4.22)
где
=
397 Вт/м2К —
коэффициент теплопроводности меди


По номограмме [4] при
и
находим

18. Эффективность ребристой поверхности
(4.23)

19. Площадь живого сечения для прохода воды
(4.24)
,
где
= 995 кг/м3 -
плотность воды; с>р>
= 4.19кДж/кгК - теплоёмкость воды.

кг/с
Принимаем скорость воды
=
2.5 м/с, тогда
м2
20. Определим количество труб в ходе
(4.25)

Принимаем

21. Фактическая скорость течения воды в трубах
(4.26)
м/c
22. Коэффициент теплоотдачи со стороны воды
(4.27)
Вт/м2К
23. Коэффициент теплоотдачи
(4.28)
Вт/м2К
24. Площадь теплопередающей поверхности
(4.29)
м2
25. Определим общее количество труб
(4.30)
штук
26. Количество продольных рядов труб в пучке
(4.31)
штук
Принимаем

27. Определяем фронтальную поверхность для прохода газа
(4.32)
м2
28. Площадь теплопередающей поверхности первого ряда труб
(4.33)
м2
29. Отношение теплопередающей поверхности к фронтальной
(4.34)

Аналогично можно рассчитать первую, вторую и третью ступень охлаждения при различной температуре окружающей среды. Температура воздуха на входе в охладитель, при различной температуре окружающей среды взята из таблицы 4.1.
Результаты расчета сведены в таблицу 4.2.
Таблица 4.2. Результаты расчёта системы охлаждения
|
t>o.c.>,°C |
|
|
|
|
|
|
|
1 ступень охлаждения |
||||||
|
15 |
126 |
25 |
20 |
40 |
6,2 |
103,1 |
|
20 |
133 |
30 |
25 |
40 |
8,4 |
104,9 |
|
25 |
140 |
35 |
30 |
40 |
12,8 |
107,2 |
|
30 |
147 |
35 |
35 |
40 |
26,1 |
109,2 |
|
2 ступень охлаждения |
||||||
|
15 |
109 |
25 |
20 |
40 |
5,1 |
85,6 |
|
20 |
116 |
30 |
25 |
40 |
6,9 |
87,6 |
|
25 |
122 |
35 |
30 |
40 |
10,6 |
88,8 |
|
30 |
149 |
40 |
35 |
40 |
26,6 |
89,8 |
|
3 ступень охлаждения |
||||||
|
15 |
88 |
25 |
20 |
40 |
3,8 |
64,3 |
|
20 |
94 |
30 |
25 |
40 |
5,2 |
65,2 |
|
25 |
100 |
35 |
30 |
40 |
7,9 |
66,3 |
|
30 |
106 |
40 |
35 |
40 |
16,1 |
67,2 |
Графическое изменение площади теплопередающей поверхности при изменении t>o>>.с. >показано на рис.4.5.

Рис.4.5. График зависимости F=f(t>o>>.>>c>>.>)
5. ВЛИЯНИЕ ТЕМПЕРАТУРЫ ОКРУЖАЮЩЕЙ СРЕДЫ
НА ПАРАМЕТРЫ СИСТЕМЫ ОХЛАЖДЕНИЯ КОМПРЕССОРА
Выбрав по таблице 4.2. один из режимов работы системы охлаждения, например, если расход воды по ступеням равен соответственно G>1> = 6.2 кг/с, G>2> = 5.1 кг/с, G>3> = 3.8кг/с (расход воды в системе охлаждения рассчитанный при t>o>>.>>c>>.>=15°C), можно оценить изменение температуры воздуха на выходе из газоохладителя, для данной системы, при изменении температуры окружающей среды.
Уравнение теплового баланса для воздухоохладителя выглядит следующим образом
>
,
>(5.1)
где
- количество теплоты, отданное воздухом
в воздухоохладителе;
- количество теплоты, перешедшее воде;
- коэффициент тепловых потерь (можно
принять равным 1).
Уравнение (5.1.) можно переписать в виде
,
(5.2)
Где
=
10,15 кг/с - расход воздуха в КУ;
- расход воды в i-й
ступени охлаждения.
Из выражения (5.2.)
(5.3)
Расчёт температуры воздуха на выходе из газоохладителя по уравнению (5.3.) сведём в таблицу 5.1.
Таблица 5.1. Влияние температуры окружающей среды на параметры системы охлаждения
-






1 ступень охлаждения
15
6,2
20
40
126
25
20
25
40
133
57
25
30
40
140
90
30
35
40
147
122
2 ступень охлаждения
15
5,1
20
40
109
25
20
25
40
116
53
25
30
40
122
80
30
35
40
149
107
3 ступень охлаждения
15
3,8
20
40
88
25
20
25
40
94
47
25
30
40
100
68
30
35
40
106
90
Графически изменение температуры воздуха на выходе из компрессора при изменении t>o>>.с. >при постоянном расходе воды в системе охлаждения показано на рис.5.1.

Рис. 5.1. График зависимости t>вых>=f(t>o>>.>>c>>.>)
Зная температуру воздуха на выходе из газоохладителя и, следовательно, на входе в последующую ступень сжатия в компрессоре по формулам (4.1), (4.2), (4.3) можно найти работу и мощность компрессора при различной температуре окружающей среды.
Результаты расчёта сведены в таблицу 5.2.
Таблица 5.2. Результаты расчёта мощности компрессора при изменении температуры окружающей среды
-
t>o.c.>,°C
l>1>, Дж/кг
l>2>, Дж/кг
l>3>, Дж/кг
1>k>, Дж/кг
N>k>, кДж/кг
15
117871
85983
64496
268350
1406
20
130529
94062
69258
293849
1540
25
143582
101852
73803
319237
1673
30
156239
109643
78564
344446
1805
Графически изменение мощности компрессора при изменении to.с. показано на рис.5.2.

Рис.5.2. График зависимости N>K> = f(t>o>>.с.>)
6. ТЕХНИКО-ЭКОНОМИЧЕСКИЙ АНАЛИЗ ЦЕЛЕСООБРАЗНОСТИ
УТИЛИЗАЦИИ ТЕПЛОТЫ СЖАТИЯ
Рассмотрим в начале технико-экономические вопросы теплофикации, использующей теплоту сжатия. Сопоставление энергии, потребляемой стационарными КУ, с затратами на теплоснабжение промышленных зданий и сооружений показывает, что использование для этих целей теплоты сжатия позволило бы сократить расход топлива на отопление на 15-20%. Учитывая, что расход условного топлива на отопление промышленных зданий достигает приблизительно 100 млн.т. в год, снижение его на 5% принесло бы ощутимый эффект [1].
Теплоснабжение за счёт теплоты сжатия реализуется по схеме охлаждения КУ промежуточным теплоносителем в закрытом контуре с теплообменниками-утилизаторами. Такими теплообменниками могут служить батареи водяного отопления. Одним из достоинств предлагаемого решения является возможность передачи теплоты с жидким теплоносителем на значительные расстояния. Другое достоинство данной схемы — простота регулирования отопления в зависимости от температуры воздуха: тепловые потоки легко перераспределяются между батареями отопления и АВО.
Ежегодно на отопление и вентиляцию одного кубического метра здания расходуется в среднем приблизительно 250 МДж теплоты. Типовая КС из шести компрессоров К-500-61-1 или К-500-61-5 (при пяти постоянно работающих машинах) может отапливать в зимнее время 600 тыс.м3 зданий при средней продолжительности отопительного сезона 210 дней. Всё это позволит сэкономить 150000ГДж теплоты. Большего эффекта можно достичь включением в систему теплофикации парников и теплиц, особенно для центральных и северных районов России.
Другим способом теплоснабжения промышленных зданий является подогрев воздуха, подаваемого в помещение приточной вентиляцией. В этом случае целесообразно утилизировать теплоту в системе непосредственного воздушного охлаждения КУ. В холодное время года можно отключать группу вентиляторов газоохладителей, используя для подачи воздуха центробежные вентиляторы приточной вентиляции. Основной недостаток такого способа утилизации — заметные потери теплоты и давления в воздушных коммуникациях пи передаче теплоты на значительные расстояния.
Попытки компенсации этих потерь установкой дополнительных вентиляторов и изоляцией воздуховодов сведёт на нет эффект утилизации. Поэтому передача теплоты воздуху в АВО компрессоров наиболее целесообразна для отопления самих компрессорных станций. В отдельных случаях такая утилизация может дать существенный эффект. Так, на КС с газовыми компрессорами для предотвращения загазованности устанавливается высокая кратность циркуляции воздуха через приточно-вытяжную вентиляцию. На подогрев приточного воздуха в этом случае тратят много энергии. Например, на газоохладительных станциях для заправки автомобилей газом (АГНКС) более двух третей всего объёма теплоснабжения расходуется на подогрев воздуха. Даже пи наличии вблизи АГНКС посторонних источников теплоснабжения его стоимость составляет около 20% стоимости полного энергопотребления станции. Учитывая масштабы строительства АГНКС, можно предполагать, что сокращение этой статьи расходов на 2/3, несомненно, принесёт значительный эффект.
При расположении АГНКС вдали от существующих источников теплоснабжения необходимо строить и обслуживать собственную котельную, что значительно увеличивает затраты на АГНКС. В этом случае особенно важным ставится утилизация теплоты сжатия, обеспечивающая 2/3 теплоснабжения станции. Оставшуюся часть можно компенсировать электрообогревом, что при относительно не большом энергопотреблении более целесообразно, чем строительство и эксплуатация котельных.
Теплофикация КС теплотой сжатия в комбинации с компенсирующим электрообогревом будет эффективна практически во всех случаях временно использования КС на промышленных предприятиях (например, на строительстве, в газонефте добыче). Целесообразность утилизации теплоты сжатия КС для нужд теплофикации должна рассматриваться в каждом конкретном случае в зависимости от мощности компрессоров, близости производственных помещений, климатической зоны и т.д.
Попытаемся оценить необходимое снижение годовых эксплуатационных издержек, которое оправдало бы такое сильное увеличение капитальных вложений [1].
Пусть П1=Э1+Е·К1 характеризует переменные составляющие приведенных затрат на компрессор без утилизации теплоты сжатия, а
П2=Э2+Е·К2 - на компрессор с утилизацией.
Уменьшение приведенных затрат ∆П=П1-П2 можно выразить через уменьшение эксплуатационных издержек ∆Э=Э1-Э2 и увеличение капитальных вложений
∆К=К2-К1; ∆П=∆Э-Е·∆К (6.1)
Утилизация рациональна, если ∆П > 0 или
∆Э>Е-∆К (6.2)
Далее учтём переменные составляющие приведенных затрат при включении в систему охлаждения утилизирующего устройства. Будем считать, что стоимости компрессора, компрессорной станции, вентиляторов и потребляемой компрессором энергии не изменяются. Тогда в структуру приведенных затрат попадают лишь стоимости аппаратуры, устройства, вырабатывающего энергию высокого потенциала, выработанной энергии и энергии, потребляемой вентиляторами.
Полученная оценка ограниченна введенными допущениями, принятыми ценами на электроэнергию и на аппаратуру, не учитывая сезонных колебаний температуры охлаждающего воздуха, переменных режимов работы компрессорной установки и т.д. Вместе с тем порядок нижнего предела КПД трансформации теплоты сжатия по выражению (6.2.) позволяет уже на стадии обсуждения идей и методов утилизации дать обоснованные рекомендации дальнейших разработок.
В завершение следует рассмотреть вопрос о возможных потребителях вырабатываемой высокопотенциальной энергии. Поскольку конструктивные особенности компрессоров делают практически невозможным возврат энергии на вал компрессора, то вероятными решениями являются выработка электроэнергии, неглубокого холода, повышение давления масла в дополнительной маслосистеме для реализации гидропривода вспомогательных механизмов.
Основным потребителем электроэнергии на компрессорных станциях с электроприводом установок являются сами компрессоры. Крупные поршневые и турбокомпрессоры обычно имеют привод от электродвигателей с напряжением 6-10 кВ. Средние и мелкие компрессоры — 380В. Энергию низкого напряжения потребляют также вспомогательные механизмы и установки: насосы маслосистем и циркуляционных контуров, вентиляторы АВО, системы управления и сигнализации, осветительная арматура, системы осушки воздуха (при использовании в них холодильных машин), мостовой кран, вентиляция. Так как мощность постоянно работающих устройств, обеспечивающих работоспособность компрессорных установок (вентиляторы АВО, циркуляционные и масляные насосы), не превышают 4% потребляемой компрессором мощности, с учётом КПД электрических преобразователей можно считать, что вспомогательное оборудование компрессорной станции будет полностью обеспечено электроэнергии, выработанной при утилизации теплоты. Однако следует учитывать, что на пути возврата электроэнергии в низковольтную сеть могут возникнуть трудности в подборе стандартного электрического оборудования. Работа на нерасчётных режимах приведёт к снижению его КПД и всего эффекта утилизации. А разработка и освоение нестандартного оборудования (в дополнение к утилизирующему устройству) вообще может сделать нерациональным весь подход. В связи с этим представляет интерес использование энергии высокого потенциала для создания давления масла или иной жидкости в системе гидропривода всех вспомогательных механизмов компрессорной установки.
Наконец, потребность компрессорной станции в дешёвом неглубоком холоде может оказаться решающей при выборе пути утилизации теплоты сжатия. Уменьшение недоохлаждения воздуха в жаркое время года или даже охлаждение ниже температуры окружающей среды позволит снизить потребляемую мощность. Тем самым возникает опосредованный эффект возврата энергии высокого потенциала. Кроме того, некоторые производства требуют тщательной осушки сжатого воздуха. Использование холодильных машин для этой цели с приводов от внешних источников энергии удорожает сжатый воздух. Выработка неглубокого холода на основе утилизации теплоты сжатия позволила бы снизить себестоимость продукции [1].
Таким образом, в большинстве случаев компрессорная станция является хорошим объектом для использования любого полезного эффекта, возникающего на основе утилизации теплоты сжатия.
ЗАКЛЮЧЕНИЕ
По результатам проведенных расчётов были построены графики, показывающие зависимость параметров КУ при изменении температуры окружающей среды. Анализируя эти зависимости можно сделать выводы о работе КУ при переменных условиях окружающей среды.
При увеличении температуры окружающей среды увеличивается температура воздуха на выходе из ступени компрессора (рис.4.1).
При увеличении температуры окружающей среды увеличивается расход хладагента в системе охлаждения, а площадь теплообмена остаётся приблизительно постоянной (рис.4.5).
При постоянном расходе воды в системе охлаждения и изменяющейся температуре окружающей среды увеличивается температура воздуха на выходе из ступени охлаждения. Изменение параметров воздуха на выходе из одной ступени вызывает изменение параметров в последующих ступенях охлаждения (рис.5.1.), а соответственно и увеличение температуры воздуха на выходе из компрессорной установки. Это в свою очередь вызывает увеличение работы и мощности компрессора (рис.5.2).
охлаждение компрессорный мощность теплообменник
Список литературы
Берман Я.А., Маньковский О.Н., и др. Системы охлаждения компрессорных установок. Л.: Машиностроение, 2004г.
Отраслевой каталог. Центробежные компрессорные машины и приводные турбины к ним. М.: Машиностроение, 2007г.
Справочник по теплофизическим свойствам газов и жидкостей. М.: Наука, 1972г.
Бакластов А.Н. Промышленные тепломассообменные процессы и установки. М.: Энергоиздат, 2006г.
Рис В.Ф. Центробежные компрессорные машины. М.: Машиностроение, 1982г.



,
кг/с
,
м2