Усиление металлических балок при реконструкции здания
МИНИСТЕРСТВО ОБРАЗОВАНИЯ РФ
ФЕДЕРАЛЬНОЕ АГЕНСТВО ПО ОБРАЗОВАНИЮ
МОСКОВСКИЙ ГОСУДАРСТВЕННЫЙ СТРОИТЕЛЬНЫЙ УНИВЕРСИТЕТ
Факультет Промышленного и Гражданского строительства
Кафедра металлических конструкций
Курсовая работа по курсу
«Металлические конструкции»
«Усиление металлических балок при реконструкции здания»
Выполнил:
студент гр. Э-15
Казаков Вячеслав Юрьевич
Проверил:
Вершинин В.П.
Москва 2009 г.
Исходные данные.
Шаг балок настила
Пролет балок настила
Толщина железобетонного настила
Плотность бетона
Нормативная временная
распределенная нагрузка
Увеличение временной нагрузки после реконструкции здания
Материал металл. конструкций
балки настила
листовые элементы усиления
бетонная подушка
а = 1,6 м;
l = 6,3 м;
t>n> = 0,2 м;
ρ=24 кН/м3;
Р=16 кН/м2;
60%
сталь класса С245 R>y>=24 кН/см2;
сталь класса С235 R>y>=23 кН/см2;
бетон класса Б20 R>пр>=0,9 кН/см2.
1. Расчет балки настила
1.1 Определение нагрузки и расчетных усилий, воспринимаемых балками настила до реконструкции здания

Балки настила воспринимают следующие нагрузки: постоянная нагрузка - вес настила и собственный вес балки; временная нагрузка - вес оборудования, людей и др.
При определении постоянной нагрузки исходим из того, что настил состоит из железобетонных плит сплошного сечения. Тогда вес 1 м2 настила:
g'=t>n>·ρ =2,20·24=4,8 кН/м2;
где t>n> -толщина плиты (м), ρ=0,24 кН/м3 - объемный вес железобетона.
Собственный вес балки настила приближенно принимаем равным 2% от полной нагрузки на балку:
g"= (P + g') ·0,02=(16+4,8)·0,02=0,416 кН/м2.
Нормативная постоянная нагрузка на балку, приведенная к 1 м2 перекрытия:
g=(g'+g")=4,8+0,416=5,216 кН/м2.
Суммарная (временная и постоянная) погонная нормативная нагрузка:
q>н>=(P + g) ·a=(16+5,216) ·1,6=33,9 кН/м;
где a- шаг балок настила (м).
Суммарная расчетная нагрузка:
q = (P·n>p>+g·n>g>) ·a=(16·1,2+5,216·1,1) ·1,6=39,9 кН/м;
где n>p>=1,2 и n>g>=1,05 - коэффициенты перегрузки для временной и постоянной нагрузки.
Максимальный изгибающий момент в балке от расчетной нагрузки:
;
где l = 6,3 м – пролет балок настила.
Местоположение опорных реакций определяем из условия, что опорное давление распределяется по стене равномерно по всей площадке контакта балки и стены. Глубину заделки балку в стену принимаем 0,3 м.
1.2 Подбор сечения балки настила
Расчет балок производим в предположении упругой или упругопластической работы материала. В этом случае, прочность балок проверяем по следующей формуле:
,
где с>1> - коэффициент, учитывающий развитие пластических деформаций в расчетном сечении балки; R>y> = 240МПа - расчетное сопротивление для С245.
Определяем требуемый момент сопротивления балки, принимая приближенно с>1> =1,1:
.
По
сортаменту прокатных двутавров подбираем
двутавр с W>x>
W>тр>
.
Таблица 1. Характеристики выбранного двутавра. Балка горячекатаная двутавровая по ГОСТ 8239-89
-
№
профиля
Высота
сечения
h, мм
Ширина
полки,
b,мм
Толщина полки,
t,мм
Толщина стенки,
S, мм
Площадь
сечения
см2
Момент инерции
Ix, см4
Момент
сопроти
вления,
Wx, см3
40
400
155
13,0
8,3
72,6
19062
953
Принятое сечение балки проверяем по второму предельному состоянию:

Предельный
относительный прогиб для балок перекрытий
принимается по СНиП II-23-81:
.
Фактический относительный прогиб зависит от геометрических параметров балки и нормативной нагрузки:
.
Принятое сечение удовлетворяет СНиП II-23-81 по прочности и жесткости.
усиление конструкция балка сечение
2. Расчет и конструирование усиления балок
2.1 Определение нагрузок и расчетных усилий, воспринимаемых балками настила после реконструкции здания
По условию задания на проектирование временная нагрузка на перекрытие в результате реконструкции здания увеличивается на 60%:
Р>1>=Р·1,6=16·1,6=25,6 кН/м2.
При определении постоянной нагрузки предполагается, что толщина настила после реконструкции не изменяется, а увеличением массы балки в результате ее усиления можно пренебречь. Погонная нормативная нагрузка на балку:
q>1н>=(Р>1>+ g) ·а=(25,6+5,216)·1,6=49,3 кН/м.
Погонная расчетная нагрузка:
q>1>= (Р>1>·n>p>+g·n>g>) ·a=(25,6·1,2+5,216·1,1) ·1,6=58,3 кН/м.
Максимальный изгибающий момент в балке от расчетной нагрузки:
кНм.
Максимальная поперечная сила:
кН.
Проверка прочности балки на увеличенную нагрузку:

Усиление балок необходимо.
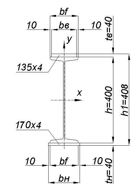
2.2 Усиление балки увеличением сечения
Усиление балки путем увеличения сечения проводится двумя листовыми элементами. Ширину листов принимаем различными для верхнего и нижнего пояса балки - для удобства выполнения сварочных работ. Сварка при этом выполняется в нижнем положении. Площади сечения элементов усиления для верхнего и нижнего поясов проектируем одинаковыми, чтобы центр тяжести сечения балки не смещался, нормальные напряжения от нагрузки в этом случае будут иметь наиболее рациональное распределение. Элементы усиления изготавливаем из материала с расчетным сопротивлением, близким расчетному сопротивлению материала балки.

Расчет усиления ведем с учетом пластической деформации материала, принимаем с>1> =1,1.
Площадь сечения элементов усиления зависит от требуемого момента сопротивления:
;
где R>y> = 230MПa - расчетное сопротивление листовых элементов усиления.
Момент сопротивления сечения связан с моментом инерции и высотой сечения:
;
откуда:
;
в свою очередь:
;
где А>ус> - площадь сечения одного листа усиления:

Ширину верхнего и нижнего листов усиления принимаем с таким расчетом, чтобы разместить фланговые швы. Для этого ширину площадок, на которых располагаются фланговые швы, принимаем 10 мм.
Таким образом, для верхнего листа:
b>в> = (b>f> - 2 · 10) = 155 - 20 = 135мм ,
для нижнего листа:
b>н>= (b>f> + 2 · 10) = 155 + 20 = 175мм ,
При этих размерах b>в> и b>н> требуемая толщина листов:
;
.
Окончательно принимаем: верхний лист - 135 х 4 мм А>ус.в> = 5,4·10-2 м2;
нижний лист - 175 х 4 мм А>ус.н> = 7,0·10-2 м2.
При определении размеров листов усиления их ширину принимаем кратной 10 мм., толщину принимаем по сортаменту.
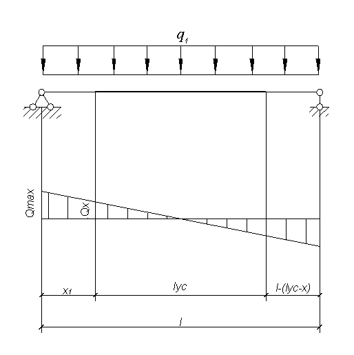
2.3 Определение длины элементов усиления
Теоретическая
длина элементов усиления определяется
длиной участка балки, на котором
выполняется условие М>х>
М>пр>,
где М>х> - изгибающий момент в балке от внешней нагрузки в точке с координатой «х»;
М>пр> - предельный изгибающий момент, который может воспринять балка без элементов усиления.

.
Находим продольный изгибающий момент из условия (принимая с>1> = 1):
М>пр>=W>x>·R>y>=953·10-3·240=228,72кНм.
Для определения теоретического места обрыва усиления решаем уравнение М>х> = М>пр> относительно координаты «х», получаем:

где М>1мах> - максимальный изгибающий момент в пролете от расчетной нагрузки.
После подстановки исходных данных получим:
х>1> = 1,710м; х>2> = 4,589 м.
Фактическую длину элементов усиления принимаем несколько больше теоретической (на 200-300 мм с каждой стороны) для обеспечения полного включения элементов усиления в работу балки.
Поэтому:
l>ус>=l-2x=6,3-2·1,42=3,46
3,5м,
где x=[x>1>-(0,2…0,3)]=1,71-0,29=1,42м
Принимаем длину элементов усиления 3,5 м (кратно 100мм).
2.4 Проверка прочности и жесткости усиленной балки
При проверке прочности усиленной балки геометрические характеристики сечения (момент инерции и момент сопротивления) вычисляем без учета смещения положения центра тяжести двутавра вследствие того, что площади сечения верхнего и нижнего листов усиления практически не отличаются. Момент инерции усиленного сечения:
=23396
см4.
Момент сопротивления:
см3.
Максимальные напряжения в середине пролета :
.
Проверку
жесткости балки можно производить по
геометрическим характеристикам
усиленного сечения с учетом влияния
длины элементов усиления с
помощью коэффициента
,
значения которого зависят от отношения:
;
тогда:

2.5 Расчет поясных швов
Поясные швы, прикрепляющие листовые элементы усиления к нижнему поясу балки, работают на срез от действия поперечной силы. В соответствии со СНиП-II-23-81 расчет угловых швов проводим по двум сечениям: по металлу шва и по границе сплавления металла шва и основного металла. При ручной и полуавтоматической сварке определяющим является расчет по металлу шва. Поэтому для поясных швов условие прочности:
,

где Q>1>>x>> >- максимальная поперечная сила на участке;
S>B>> >- статический момент листа усиления относительноцентра тяжести сечения балки;
J>1 >- момент инерции сечения;
-
коэффициент провара шва ( при ручной
сварке
=
0,7);
-
катет шва;
-
расчетное сопротивление углового шва.
В данной курсовой работе принимаем, что швы выполняются ручной сваркой электродами типа
Э-42А
с
=
180 МПа.
Поперечная сила Q>1>>x> определяется для сечения балки в месте обрыва усиления на расстоянии х от опоры:
кН.
Статический момент листа усиления:
см3.
Требуемый (минимальный) катет шва:
.
Исходя из минимальных требований, принимаем для крепления листовых элементов усиления угловые швы с катетом k>f> = 4мм .
2.6 Расчет опорного узла

В данной курсовой работе нагрузка от перекрытия передается на несущие стены через сравнительно небольшую площадку, размеры которой определяются глубиной заделки балки и шириной нижнего пояса. Возникающие при этом напряжения на площадке контакта балки настила и стены ограничиваются прочностью материала стены. Материал стены в месте контакта - бетон класса Б20 R>пр>=0,9 кН/см2=9MПа - призменная прочность бетона. Напряжение в бетоне от нагрузки принимаем равномерно распределенным по всей площадке.
Условие прочности:
;
.
Напряжение на площадке в месте контакта балки настила и стены не превышает призменной прочности бетона, соответственно условие прочности выполнено.
СПИСОК ИСПОЛЬЗУЕМОЙ ЛИТЕРАТУРЫ
1. МУ «Усиление металлических конструкций». МГСУ 1997
2. Нормативные и справочные материалы по курсовому и дипломному проектированию металлических конструкций. МГСУ 2008-10-10
3. Металлические конструкции. Общий курс. - учебник для вузов. /Г.С.Ведеников, Е.И. Беленя, B.C. Игнатьева и др. Под ред Г.С. Веденикова. 7-е изд. Перераб.и дополн. М. Стройиздат 1998г.
1