Проект червячного редуктора
КУРСОВОЙ ПРОЕКТ
НА ТЕМУ:
«ПРОЕКТ ЧЕРВЯЧНОГО РЕДУКТОРА»
Днепропетровск 2010
Введение
Курсовой проект – самостоятельная конструкторская работа. При выполнении проекта нужно проявить максимум инициативы и самостоятельности.
Цель курсового проекта – углубить теоретические и практические навыки и знания, полученные в процессе обучения, а также закрепить необходимые навыки конструирования, расчета и эксплуатации червячного редуктора.
В данном курсовом проекте необходимо решить следующие задачи:
1. Спроектировать 2 червячные передачи на 5 kH*м на выходном валу.
2. Расчет на прочность.
3. Выбор подшипники из условия Т>СЛ> =10000 часов.
Назначение и область применения привода
Редуктором называют механизм, состоящий из зубчатых или червячных передач, выполненный в виде отдельного агрегата и служащий для передачи мощности от двигателя к рабочей машине.
Назначение редуктора – понижение угловой скорости и повышение вращающего момента ведомого вала по сравнению с валом ведущим.
Редуктор состоит из литого чугунного корпуса, в котором помещены элементы передачи – червяк, червячное колесо, подшипники, вал и пр. Входной вал редуктора посредством зубчато-ременной передачи соединяется с двигателем, выходной посредством муфты – с конвейером.
Червячные редукторы применяют для передачи движения между валами, оси которых перекрещиваются.
Так как КПД червячных редукторов невысок, то для передачи больших мощностей в установках, работающих непрерывно, проектировать их нецелесообразно. Практически червячные редукторы применяют для передачи мощности, как правило, до 45 кВт и в виде исключения до 150 кВт.
2. Расчетная часть
2.1 Спроектировать 2 червячные передачи на 5kH*м на выходном валу
Исходные
данные для расчета: выходная мощность
–
=5
кВт; выходная
частота вращения вала рабочей машины
–
=65 об/мин; нагрузка постоянная; долговечность
привода – 10000 часов.

Рис. 1 – кинематическая схема привода: 1 – двигатель; 2 – клиноременная передача; 3 – червячная передача; 4 – муфта
Определение требуемой мощности электродвигателя
– (2.1)
где:
->
>коэффициент
полезного действия (КПД) общий.
х
(2.2)
где
[3, табл. 2.2]:
-
КПД ременной передачи
-
КПД червячной передачи
-
КПД подшипников
-
КПД муфты


Определяем частоты вращения и угловые скорости валов.
-
угловая скорость двигателя;
-
число оборотов быстроходного вала;
-
угловая скорость быстроходного вала;
-
число оборотов тихоходного вала;
– угловая скорость
тихоходного вала.
Определение мощностей и передаваемых крутящих моментов валов
Определяем мощности на валах
Расчет ведем по [3]
Мощность
двигателя -
Определяем мощность на быстроходном валу
(3.1)

Определяем мощность на тихоходном валу
(3.2)

Определяем вращающие моменты на валах
Определяем вращающие моменты на валах двигателя, быстроходном и тихоходном валах по формуле
(3.3)



Расчет червячной передачи
Исходные данные





Выбор материала червяка и червячного колеса
Для червяка с учетом мощности передачи выбираем [1, c. 211] сталь 45 с закалкой до твердости не менее HRC 45 и последующим шлифованием.
Марка материала червячного колеса зависит от скорости скольжения
(4.1)
м/с
Для венца червячного колеса примем бронзу БрА9Ж3Л, отлитую в кокиль.
Предварительный расчет передачи
Определяем допускаемое контактное напряжение [1]:
[у>н>] =К>HL>С>v>0,9>в>, (4.2)
где С>v> – коэффициент, учитывающий износ материалов, для V>s>=0,75 он равен 1,21
>в>, – предел прочности при растяжении, для БрА9Ж3Л >в>,=500
К>HL> – коэффициент долговечности
К>HL>
=
,
(4.3)
где N=573>2>L>h>, (4.4)
L>h> – срок службы привода, по условию L>h>=10000 ч
N=573х1,03х10000=5901900
Вычисляем по (4.3):
К>HL>
=
К>HL> =1.068
[у>н>] =1.068х1,21х500=646
Число витков червяка Z>1> принимаем в зависимости от передаточного числа при U = 17 принимаем Z>1> = 2
Число зубьев червячного колеса Z>2> = Z>1> x U = 2 x 17 = 34
Принимаем предварительно коэффициент диаметра червяка q = 10;
Коэффициент нагрузки К = 1,2; [1]
Определяем межосевое расстояние [1, c. 61]
(4.5)

Вычисляем модуль
(4.6)

Принимаем по ГОСТ2144–76 (таблица 4.1 и 4.2) стандартные значения
m = 4.5
q = 10
Тогда пересчитываем межосевое расстояние по стандартным значениям m, q и Z>2>:
(4.7)

Принимаем aw = 100 мм.
Расчет геометрических размеров и параметров передачи
Основные размеры червяка.:
Делительный диаметр червяка
(4.8)

Диаметры вершин и впадин витков червяка
(4.9)

(4.10)

Длина нарезной части шлифованного червяка [1]
(4.11)

Принимаем b>1>=42 мм
Делительный угол подъема г:
г =arctg(z>1>/q)
г =arctg (4/10)
г = 21 є48’05»
h>a>=m=4 мм; h>f>=1,2x m=4,8 мм; c=0,2x m=0,8 мм.
Основные геометрические размеры червячного колеса [1]:
Делительный диаметр червячного колеса
(4.12)

Диаметры вершин и впадин зубьев червячного колеса
(4.13)

(4.14)

Наибольший диаметр червячного колеса
(4.15)

Ширина венца червячного колеса
(4.16)

Принимаем b>2>=32 мм
Окружная скорость
(4.17)
червяка
-
колеса
–

Скорость скольжения зубьев [1, формула 4.15]

КПД редуктора с учетом потерь в опорах, потерь на разбрызгивание и перемешивания масла [1, формула 4.14]

Уточняем вращающий момент на валу червячного колеса
(4.18)

По [1, табл. 4.7] выбираем 7-ю степень точности передачи и находим значение коэффициента динамичности Kv = 1,1
Коэффициент неравномерности распределения нагрузки [1, формула 4.26]

В
этой формуле коэффициент деформации
червяка при q
=10 и Z>1>
=2
[1, табл. 4.6]
При незначительных колебаниях нагрузки вспомогательный коэффициент Х=0,6

Коэффициент нагрузки

Таблица 1. Параметры червячной передачи
|
Параметр |
Колесо |
Червяк |
|
m |
4.5 |
|
|
z |
34 |
2 |
|
ha, мм |
4 |
|
|
h>f>, мм |
4,8 |
|
|
с, мм |
0,8 |
|
|
d, мм |
153 |
40 |
|
d>а>, мм |
162 |
48 |
|
d>f>, мм |
142.2 |
30,4 |
|
d>а>>m>, мм |
168.25 |
- |
|
b, мм |
32 |
42 |
|
г |
21є48’05» |
|
|
V, м/с |
0,75 |
0.75 |
|
V>s>>, м/с> |
0.8 |
|
|
F>t>, Н |
6370 |
138 |
|
F>a>, Н |
138 |
6370 |
|
F>r>, Н |
4989 |
2.2 Расчет на прочность
Расчет ведущего вала – червяка
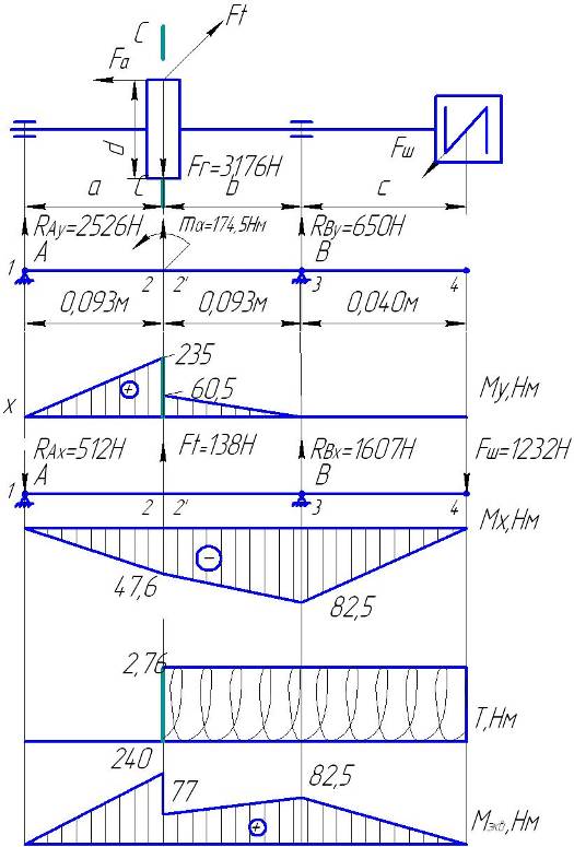
Заменяем вал балкой на опорах в местах подшипников.
Рассматриваем вертикальную плоскость (ось у)
Изгибающий момент от осевой силы Fа будет:
m>а>=[Faxd/2]:
m>а>=6370·4010-3/2=127,4Нм.
Определяем реакции в подшипниках в вертикальной плоскости.
1m>Ау>=0
R>By>·(a+b)+F>r>·a – m>а>=0
R>By>=(F>r>·0,093 – m>а>)/ 0,186=(4989·0,093–127,4)/ 0,186=649,8 Н
Принимаем R>By>=650Н
2m>Ву>=0
R>А>>y>·(a+b) – F>r>·b – m>а>=0
R>А>>y>=(F>r>·0,093+ m>а>)/ 0,186=(4989·0,093+174,5)/ 0,186=2526,2 Н
Принимаем R>А>>y>=2526 Н
Проверка:
F>Ку>=0
R>А>>y> – F>r>+ R>By>=2526–3176+650=0
Назначаем характерные точки 1,2,2’, 3 и 4 и определяем в них изгибающие моменты:
М>1у>=0;
М>2у>= R>А>>y>·а;
М>2у>=2526·0,093=235 Нм;
М>2’у>= М>2у> – m>а>(слева);
М>2’у>=235–174,5=60,5 Нм;
М>3у>=0;
М>4у>=0;
Строим эпюру изгибающих моментов М>у>, Нм.
Рассматриваем горизонтальную плоскость (ось х)
1m>Ах>=0;
F>ш>·(a+b+с) – R>Вх>·(a+b) – F>t>·a=0;
1232·(0,093+0,093+0,067) – R>Вх>·(0,093+0,093) – 138·0,093=0;
R>Вх>=(311,7–12,8)/0,186;
R>Вх>=1606,9Н
R>Вх>1607Н
2m>Вх>=0;
– R>Ах>·(a+b)+F>t>·b+F>ш>·с= 0;
R>Ах>=(12,834+82,477)/0,186;
R>Ах>=512,4Н
R>Ах>512Н
Проверка
m>Кх>=0;
– R>Ах>+ F>t> – F>ш>+ R>Вх>=-512+138–1232+1607=0

Рис. 2. Эпюры изгибающих и крутящих моментов ведущего вала
Назначаем характерные точки 1,2,2’, 3 и 4 и определяем в них изгибающие моменты:
М>1х>=0;
М>2х>= – R>Ах>·а;
М>2х>=-512·0,093=-47,6Нм;
М>3х>= – F>ш> ·с;
М>3х>=-1232·0,067=-82,5Нм
М>4х>=0;
Строим эпюру изгибающих моментов М>х>.
Крутящий момент
Т>I>>->>I>=0;
Т>II>>->>II>=T>1>=F>t>·d>1>/2;
Т>II>>->>II>=2,76Нм
Определяем суммарные изгибающие моменты:





Определяем эквивалентные моменты:







По рис. 2 видно, что наиболее опасным является сечение С-С ведущего вала.
2.3 Выбор подшипников
Так как межосевое расстояние составляет 100 мм для червяка выбираем роликовые подшипники 7309 ГОСТ333–79, а для червячного колеса – 7518 ГОСТ333–79 (рис. 3).

Рис. 3 Подшипник ГОСТ333–79.
Параметры подшипников приведены в табл. 2.
Таблица 2. Параметры подшипников
|
Параметр |
7309 |
7518 |
|
Внутренний диаметр d, мм |
45 |
90 |
|
Наружный диаметр D, мм |
100 |
190 |
|
Ширина Т, мм |
27 |
46.5 |
|
Ширина b, мм |
22 |
36 |
|
Ширина с, мм |
17 |
28 |
|
Грузоподъемность С>r>, кН |
65 |
106 |
Определяем радиальные нагрузки, действующие на подшипники
; (12.1)
; 
Здесь подшипник 2 – это опора А в сторону которой действует осевая сила F>а> (рис. 2).
;
; 
Назначаем тип подшипника, определив отношение осевой силы к радиальной силе того подшипника, который ее воспринимает (здесь подшипник 2)
;
;
Так как соотношение больше 0,35, то назначаем роликовый конический однорядный подшипник средней серии по d>п3>=45 мм.

Рис. 4 Схема нагружения вала-червяка
Определяем осевые составляющие от радиальных нагрузок
S=0,83eF>r> [1, c. 216]
S>1>=0,830,341733; S>1>=489Н;
S>2>=0,830,342577; S>2>=727Н.
Определяем осевые нагрузки, действующие на подшипники.
F>aI>=S>1>;
F>aII>=S>2> +F>aI>;
F>aI>=489Н;
F>aII>=489+723; F>aII>=1216Н.
Определяем эквивалентную нагрузку наиболее нагруженного подшипника II
F>э2>=(ХVF>r>>2>+УF>aII>)K>>K>ф>;
где K>> – коэффициент безопасности;
K>> =1,3…1,5
принимаем K>> =1,5;
K>ф> – температурный коэффициент;
K>ф> =1 (до 100єС)
F>э2>=(0,412577+1,781216)1,51; F>э2>=3195Н=3,2 кН
Определяем номинальную долговечность роликовых подшипников в часах
[1,
c. 211];
Подставляем в формулу (12.2):
;
ч.
По заданию долговечность привода L>hmin>=10000 ч.
В нашем случае L>h>> L>hmin>, принимаем окончательно для червяка подшипник 7309.
Определяем радиальные нагрузки, действующие на подшипники
; 
Здесь подшипник 2 – это опора А в сторону которой действует осевая сила F>а>.
;
;

Назначаем тип подшипника, определив отношение осевой силы к радиальной силе того подшипника, который ее воспринимает (здесь подшипник 2)
;
;
>е
где V – коэффициент вращения, при вращении внутреннего кольца V=1.

Тогда Х=0,4.
Изображаем схему нагружения подшипников. Подшипники устанавливаем враспор.

Рис. 5. Схема нагружения тихоходного вала
Определяем осевые составляющие от радиальных нагрузок
S=0,83eF>r>
S>1>=0,830,3927496; S>1>=2440 Н;
S>2>=0,830,39210426; S>2>=3392 Н.
Определяем осевые нагрузки, действующие на подшипники.
F>aI>=S>1>;
F>aII>=S>2> +F>aI>;
F>aI>=2440Н;
F>aII>=2440+3392; F>aII>=5832Н.
Определяем эквивалентную нагрузку наиболее нагруженного подшипника II
F>э2>=(ХVF>r>>2>+УF>aII>)K>>K>ф>;
где K>> – коэффициент безопасности;
K>> =1,3…1,5 [1, c. 214, табл. 9.19];
принимаем K>> =1,5;
K>ф> – температурный коэффициент;
K>ф> =1 (до 100єС) [1, c. 214, табл. 9.20];
F>э2>=(0,4110426+1,785832)1,51; F>э2>=14550 Н=14,55 кН
Определяем номинальную долговечность роликовых подшипников в часах

Подставляем в формулу (12.2):
;
ч.
По заданию долговечность привода L>hmin>=10000 ч.
В нашем случае L>h>> L>hmin>, принимаем окончательно для червяка подшипник 7518.
3. Выбор системы и вида смазки
Скорость скольжения в зацеплении V>S> = 0.8 м/с. Контактные напряжения >Н >= 510 Н/мм2. По таблице 10.29 из [3] выбираем масло И-Т-Д-460.
Используем картерную систему смазывания. В корпус редуктора заливаем масло так, чтобы венец зубчатого колеса был в него погружен на глубину h>м >(рис. 6):

Рис. 6 Схема определения уровня масла в редукторе
h>м >>max> 0.25d>2 >= 0.25160 = 40 мм;
h>м >>min>> >= m = 4 мм.
При вращении колеса масло будет увлекаться его зубьями, разбрызгиваться, попадать на внутренние стенки корпуса, откуда стекать в нижнюю его часть. Внутри корпуса образуется взвесь частиц масла в воздухе, которым покрываются поверхности расположенных внутри корпуса деталей, в том числе и подшипники.
Объем масляной ванны
V = 0.65P>II> = 0.657 = 4.55 л.
Контроль уровня масла производится пробками уровня, которые ставятся попарно в зоне верхнего и нижнего уровней смазки. Для слива масла предусмотрена сливная пробка. Заливка масла в редуктор производится через съемную крышку.
И для вала-червяка, и для вала червячного колеса выберем манжетные уплотнения по ГОСТ 8752–79. Установим их рабочей кромкой внутрь корпуса так, чтобы обеспечить к ней хороший доступ масла.
Заключение
Во время выполнения курсового проекта, я углубил теоретические, практические навыки и знания, полученные в процессе обучения, а также закрепил необходимые навыки конструирования, расчета и эксплуатации механизма червячного редуктора. А также, решил следующие конструкторские задачи:
1. Спроектировал 2 червячные передачи на 5kH*м на выходном валу.
2. Проверил на прочность.
3. Подобрал подшипники из условия Т>СЛ> =10000 часов.
червячный редуктор передача подшипник
Литература
С.А. Чернавский и др. «Курсовое проектирование деталей машин» М. 1987 г.
Анурьев В.И. Справочник конструктора-машиностроителя: В 3 т. -8-е изд. перераб. и доп. Под ред. И.Н. Жестковой. – М.: Машиностроение, 1999
Шейнблит А.Е. Курсовое проектирование деталей машин: Учеб. пособие. – М.: Высш. шк., 1991
Чернин И.М. и др. Расчеты деталей машин. – Мн.: Выш. школа, 1978
Строганов Г.Б., Маслов Г.С. Прикладная механика: Учеб. для вузов / Под ред. Г.Б. Иосилевича. М.: Высш. шк., 1989.-351 с.