Редуктор программного механизма
Федеральное агентство по образованию
Государственное образовательное учреждение высшего профессионального образования
«Национальный исследовательский Томский политехнический университет»
Факультет - Электрофизический
Направление (специальность) - приборостроение
Кафедра - Точное приборостроение
РЕДУКТОР ПРОГРАММНОГО МЕХАНИЗМА
Пояснительная записка к курсовому проекту
По дисциплине «Основы проектирования приборов и систем»
Студент гр._1Б73
А.Н.Жуйкова
Руководитель
А.Н.Голиков
Томск 2010
Оглавление
Введение
1. Анализ задачи
2. Выбор двигателя
3. Определение общего передаточного отношения
4. Определение геометрических размеров колес. Расчет межосевых расстояний
4.1 Расчет диаметров шестерней и зубчатых колес
4.2 Расчет минимальных диаметров валов. Определение высоты зубчатых колес
5. Определение люфтовой погрешности, вносимой мертвым ходом
5.1 Определение погрешности редуктора
6. Разработка и описание кинематической схемы
7. Связь с внешними устройствами
7.1 Описание конструкции
7.2 Инструкция по сборке
Заключение
Список использованных источников
Приложение А
Реферат
Курсовая работа 23 с. текстового материала, 1 рисунок, 11 источников литературы, 3 листа графического материала.
Ключевые слова: зубчатая передача, расчёт, анализ, передаточное отношение, чертёж.
Данная работа посвящена проектированию редуктора программного механизма. Проведены анализ и необходимые расчёты; использованы типовые подходы и методы, что позволяет изготавливать этот редуктор в серийном производстве.
Курсовая работа выполнена в текстовом редакторе Microsoft Word 7.0, , графическая часть выполнена в программе T-FLEX CAD 11.
Введение
Проект - это комплекс технических документов, относящихся к изделию, предназначенному для изготовления или модернизации, и содержащий чертежи, расчеты, описание с принципиальными обоснованиями и др.
Основные цели проекта:
овладеть техникой разработки конструкторских документов на различных стадиях проектирования;
приобрести навыки самостоятельного решения инженерно – технических задач и умение анализировать полученные результаты;
научиться работать со стандартами, различной инженерной, учебной и справочной литературой (каталогами, атласами, классификаторами ЕСКД).
Основная задача данного курсового проекта – проектирование и разработка документации для редуктора программного механизма.
Редуктором называют механизм, состоящий из зубчатых или червячных передач, выполненный в виде отдельного агрегата и служащий для передачи вращения от вала двигателя к валу рабочей машины.
Проектируемый редуктор служит для перемещения программного механизма, и может быть применим в системах управления летательных объектов. Все необходимые расчёты произведены по типовым методам вручную. В изделии имеются унифицированные детали и сборочные единицы, что экономически выгодно облегчает технологию их изготовления.
Проект рассчитан на серийное производство, так как основан на стандартных методиках и технологиях.
Основные требования, предъявляемые к создаваемому устройству,-надежность, технологичность, ремонтопригодность, минимальные габариты и масса, удобство эксплуатации, экономичность, техническая эстетика. Все эти требования учитывают в процессе проектирования и конструирования.
Пояснительная записка содержит семь основных разделов.
В первом разделе производится анализ задачи, где оцениваются исходные данные проекта, определяется область применения редуктора программного механизма и выбираются методики.
В следующем разделе осуществляется выбор двигателя, который основан на расчёте потребляемой мощности нагрузки и редуктора, и содержится краткое описание и некоторые характеристики выбранного двигателя.
В разделе под номером три определяется общее передаточное отношение механизма, производится расчёт количества ступеней и передаточного отношения каждой ступени.
В четвёртом разделе определяются геометрические размеры колёс и шестерёнок, рассчитывается число их зубьев, диаметры и модули, диаметры валов, межосевое расстояние; рассчитывается мёртвый ход.
В пятом разделе определяется погрешность редуктора и мёртвый ход.
В шестом разделе описывается кинематическая схема. Кинематическая схема редуктора выполняется в программе T-FLEX CAD 11.
В разделе под номером семь рассматривается связь редуктора с внешними устройствами, проводится описание конструкции. Предоставляется инструкция по сборке.
программный механизм колеса редуктор
1. Анализ задачи
В курсовом проекте поставлена основная задача: спроектировать редуктор программного механизма, исходя из требований прилагаемого задания.
Выходной вал редуктора не имеет ограниченное число оборотов, т.к. диапазон перемещения выходного звена ±360
Максимальная скорость выходного звена равна 0.2199 рад/с и является незначительной, что говорит о том, что редуктор тихоходный.
>В данной работе необходимо выполнить условие: напряжение питания постоянное и составляет 27В, что характерно для питающего напряжения на борту летательных аппаратов.>
Зацепление должно быть достаточно точным, так как допустимый мёртвый ход выходного звена должен составлять не более трех угловых минут.
При этом лучше выбирать двигатели с небольшой частотой вращения 2500-4500 об/мин, однако при малых частотах вращения двигателя снижается его к.п.д., увеличиваются его габариты. С увеличением же скорости габариты, момент инерции ротора и стоимость электродвигателя уменьшаются. При этом увеличивается общее передаточное отношение привода, для реализации которого необходимо большое количество передач. Анализ этих требований позволяет наметить необходимую серию двигателей, а расчет мощности позволит определиться с конкретным типом двигателя.
Зная, что имеются нагрузка на выходное звено- 0.09 Нм, можно судить о том, что электродвигатель работает при постоянной статической нагрузке.
2. Выбор двигателя
Правильный выбор мощности электродвигателя для редуктора имеет большое значение на практике. Если использовать редуктор при заниженной мощности двигателя, то это приведёт к уменьшению срока службы двигателя и вызовет его поломку. Использование при завышенной мощности двигателя вызовет систематическую его недогрузку и снижение КПД. Поэтому выбор двигателя должен осуществляться исходя из потребляемой мощности механизма и нагрузки, соответствовать требуемому напряжению питания [3].
Исходными данными для выбора двигателя являются расчетная мощность, которая должна соответствовать номинальной мощности двигателя, эксплуатационные условия и требования, предъявляемые к двигателю, соответствие механической характеристики условиям нагрузки, приведенные в [2].
Коэффициент полезного действия (далее - КПД) цилиндрической зубчатой передачи [2] >зп>=0,9; КПД подшипников скольжения >п.с>>.> = 0,98.
Расчет общего КПД привода для последовательно соединенной системы моментов [2]:
(1)
Мощность на выходном валу рассчитаем по формуле, приведенной в [7]:
,
(2)
где
-
статический момент нагрузки (момент
сил трения, момент от несбалансированности
и т.п.);
J - момент инерции подвижной части нагрузки;
-
угловое ускорение;
- общий
коэффициент полезного действия привода.
Согласно требуемому заданию, есть нагрузки на выходное звено – 0.09 Нм.
Учитывая расчетную мощность двигателя, параметры напряжения питания -27 В, а также требование крепления редуктора торцевое фланцевое, выбран двигатель ДПР-32-Ф5 из таблицы [4].
Двигатели серии ДПР выполняются с возбуждением от постоянных магнитов, с полым бескаркасным якорем. Двигатели объединены в несколько серий, отличающихся друг от друга основными параметрами, режимами работы и условиями эксплуатации. Двигатель каждой серии имеет четыре конструктивных исполнения:
Н1, Н4, Н5 – нормальное с одним выходным концом вала;
Н2, Н7, Н8, Н9 – нормальное с двумя выходными концами вала (размеры концов вала одинаковые);
Ф1, Ф4, Ф5 – фланцевое с одним выходным концом вала;
Ф2, Ф7, Ф8, Ф9 – фланцевое с двумя выходными концами вала.
Кроме двигателей, объединенных в серию, имеются модификации, выполненные в одном конструктивном исполнении (ДПР-32-Ф1-13, ДПР-42-Ф1-05, ДПР-72-Н5-05), а также двигатели с таходатчиком (ТИ или ТС) и с электронными регуляторами частоты вращения (РС), выполненными в виде отдельного блока.
Крепление двигателей исполнения Н производится за корпус с помощью охватывающих его металлических деталей, а исполнения Ф – за фланец.
Регуляторы частоты вращения подразделяются на статические (РС-3) и астатические (РС-0). Для двигателей с астатическими регуляторами напряжения внешней синхронизации (40±3) В частотой (1000±0,25) Гц синусоидальной или прямоугольной формы. Не допускается включение РС на обратную полярность, поскольку это может привести к выходу их из строя.
Режим работы – продолжительный. Двигатели ДПР-Н4, Н7, Ф4, Ф7 могут также работать при повторно-кратковременном реверсивном режиме при питании напряжением синусоидальной формы, амплитудой до 6 В, частотой для двигателей ДПР-42, 52 до 6 Гц, ДПР-62, 72 до 2,5 Гц (продолжительность работы не более 60 мин с последующим перерывам не менее 60 мин).
Двигатели ДПР-Н5, Н9, Ф5, Ф9 предназначены для работы также при питании от широко-импульсного модулятора, обеспечивающего среднее значение напряжения на выходных концах двигателя 20 В, частоту следования импульсов не менее 500 Гц и скважность импульсов не менее 0,2, форма импульса – прямоугольная.
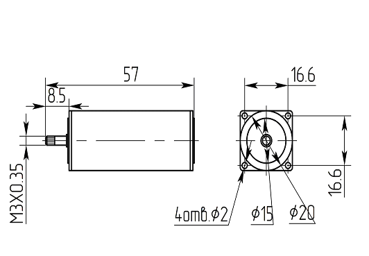
Габаритные и установочные размеры двигателя приведены приложении А.
3. Определение общего передаточного отношения
Общее передаточное отношение редуктора определяется по формуле, приведенной в [3]:
,
(3)
где
общее передаточное отношение редуктора,
-
угловая скорость на входе редуктора,
т.е. угловая скорость двигателя,
-
угловая скорость вращения выходного
вала (нагрузки).


Определим оптимальное число ступеней редуктора и распределение общего передаточного отношения по ступеням по методике, предложенной в [3].
Исходя из условия минимума габаритов и равенства передаточных отношений число ступеней:
.
(4)
Передаточные отношения каждой ступени редуктора равны:
(5)
4. Определение геометрических размеров колес. Расчет межосевых расстояний
Для того чтобы обеспечить технологичность конструкции, наибольшую достижимую точность обработки колес и монтажа их, высокий КПД выбрана передача цилиндрическими прямозубыми колесами внешнего зацепления.
В задании
требуется минимизировать конструкцию,
поэтому выбираем материалы со средними
механическими характеристиками [2]: для
шестерни сталь 45,с твердостью НВ 230,
термическая обработка-улучшение, для
зубчатого колеса – сталь 45, твердость
НВ 210, термическая обработка-улучшение.
Для пары зубчатых колес, передаточное
отношение которых известно и равно
[7]
необходимо назначить число зубьев
малого колеса Z
и определить число зубьев ведомого
колеса
[7].
Назначим
модуль трибки двигателя, равный 0.3. Зная,
что делительный диаметр окружности
.
Число зубьев трибки равно

Число
зубьев ведомого колеса
.
Из конструктивных соображений зададим
число зубьев шестерней и зубчатых колес
следующими:
,
;
;
,
;
;
,
;
;
,
;
;
,
;
.
Расчет модулей зубчатых колес осуществляется по методике, изложенной в [3].
Модуль зубчатых колес определим из условия прочности зуба на изгиб. В малонагруженных передачах модуль выбирают из конструктивных соображений. Из условий прочности зуба на изгиб модуль зубчатого колеса в мм можно определить по формуле [7]:
>
,
(6)
где
- модуль зубчатого колеса,
-
коэффициент запаса, принимается для
прямозубых колес равным 1.4;
M - крутящий момент, действующий на рассматриваемое колесо, [Н ·мм];
-
коэффициент неравномерности нагрузки
по ширине колеса, принимают
= 1...1,15, для нешироких колес значения
меньше;
-
коэффициент, равный отношению ширины
зубчатого венца к модулю
,
его значение лежит в пределах 3
,
меньшие значения выбирают для
малогабаритных колес;
- число
зубьев колеса, для которого рассчитывается
модуль;
Y>F>-
коэффициент формы зуба, зависит от числа
зубьев рассчитываемого колеса значение
которого при
=50...100
лежит в диапазоне 3,73...3,75;
-
допускаемое напряжение материала зуба
на изгиб для колес из пластичных
материалов (НВ
350)
и цветных металлов
Т.к.
материалы сопрягающихся колес разные,
то рассчитывается на прочность то
колесо, для которого больше величина
.
Допускаемое напряжение материала на изгиб определяется по формуле:
,
где
-предел
выносливости материала колеса при
симметричном цикле нагрузки. n
– коэффициент запаса, примем 1.3 [3] Предел
выносливости материалов зубчатых колес
и шестерней определяется по формулам
[3]:
,
(7)
где
-
предел прочности при растяжении, МПа;
Предел прочности при растяжении определим
по таблице, приведенной в [11]:
МПа.
Расчет предела выносливости материалов зубчатых колес и шестерней:
МПа.
Находим допускаемые изгибные напряжения для колеса и шестерни:
;
Расчет крутящих моментов, действующих на рассчитываемые колеса:
(8)


Предварительно
принимая
,

,
вычислим модуль зубчатого зацепления
для последнего колеса:
мм.
По ГОСТ 9563-75, округляя до стандартного
большего значения, принимаем
.
Произведем расчет межосевых расстояний.
Межосевое расстояние А в передачах цилиндрическими зубчатыми колесами вычисляется по следующей формуле[2]:
,
(9)
где
-число
зубьев шестерни;
-число
зубьев колеса.
Расчет межосевых расстояний всех ступеней редуктора:
;
;
;
;
;
;
4.1 Расчет диаметров шестерней и зубчатых колес
Расчет делительных диаметров зубчатых колес и шестерней производится по формуле, приведенной в [2]:
(10)
Расчет делительных диаметров шестерней:
;
;
.
Расчет делительных диаметров зубчатых колес:
;
;
.
Определим наружный и внутренний диаметры шестерёнок и зубчатых колёс по формулам [2]:
(11)
(12)
Расчет наружных диаметров:


Расчет внутренних диаметров:


4.2 Расчет минимальных диаметров валов. Определение высоты зубчатых колес
Основными критериями работоспособности валов являются прочность и жёсткость. При работе валы испытывают деформацию изгиба и кручения. Разработка конструкции вала невозможна без предварительной оценки его диаметра при выбранном материале [4].
Валы изготовлены из стали 45.
Рассчитаем минимальные диаметры валов[6]:
,
(13)
где
-
крутящий момент на валу,
;
-
сдвиговая прочность материала,
.
,
(14)
где
-
предел текучести материала в
[11].
Диаметры валов равны:
;
;
;
;
;
;
Исходя из конструктивных соображений и согласно методикам, приведенным в [3] примем ширину зубчатого венца для шестерней-3 мм, для зубчатых колес-1 мм. Диаметры валов, кроме выходного примем равными 3 мм, а выходного- 5 мм.
Проведенные расчеты по определению числа зубьев, диаметров колес и шестерней, числа ступеней, межосевых расстояний, диаметров валов позволяют произвести компоновку редуктора, представленную на ФЮРА.303225.101.СБ.
5. Определение люфтовой погрешности, вносимой мертвым ходом
Из
таблицы, приведенной в [3], задав квалитет
точности 7 и вид сопряжения H для всех
ступеней, выберем значения бокового
зазора
для значений межосевых расстояний,
лежащих в пределах св.12 до 20 мм равным
30 мкм.
Расчет передаточных отношений:

Расчет составляющих люфтовой погрешности каждой ступени:
';
';
'.
Находим люфтовую погрешность передачи по формуле:

Из расчетов видно, что наибольшую составляющую люфтовой погрешности вносит выходное звено. Погрешность, вносимая мертвым ходом, допустима, т.к. не превышает 3 угловых минут.
5.2 Определение погрешности редуктора
Полученное передаточное отношение является теоретическим, необходимо рассчитать фактическое общее передаточное отношение и определить относительную погрешность редуктора.
Относительная погрешность редуктора определяется по следующей формуле:


Полученная относительная погрешность допустима.
6. Разработка и описание кинематической схемы
Характерными особенностями зубчатых передач, применяемых в приборостроении, являются: большие передаточные отношения при малых габаритах передачи, мелкий модуль, малый вес и недостаточно жёсткая (с точки зрения технологии обработки) конструкция зубчатых колёс. Как правило, эти передачи приводятся в движение маломощными двигателями или от руки, и во многих случаях они работают в приборах, подверженных ударным нагрузкам и вибрациям при изменяющихся климатических условиях.
К зубчатым передачам точных приборов предъявляются высокие требования в отношении кинематической точности, мертвого хода, моментов, легкости, плавности и бесшумности вращения.
С увеличением числа ступеней в маломощных редукторах уменьшается КПД передачи. Поэтому, определяя оптимальное значение из условия минимальных габаритов и округляя полученное до целого, нужно брать меньшее значение ступеней.
Кинематическая схема редуктора программного механизма приведена на ФЮРА.303225.101 КЗ.
Чтобы по возможности ограничить габариты и массу редуктора, исходя из проведенных расчетов, число ступеней редуктора равно 6. Следовательно, для передачи движения от двигателя на выходной вал имеется 12 колес
На выходном валу редуктора имеется нагрузка 0,09Нм.
В качестве опор выбраны подшипники скольжения, а опорами для выходного вала служат подшипники 1000092.
Максимальная скорость выходного звена 2,1 об/мин, максимальное ускорение 0,2 с-2
Редуктор с двумя платами. Исполнение закрытое.
7. Связь с внешними устройствами
Программный механизм представляет собой различные счётно-решающие элементы, датчики, кулачки. Одним из видов этих элементов является синусно-косинусный вращающийся трансформатор (СКВТ). Предполагается использование СКВТ-235, который закрепляется на посадочный диаметр выходного вала редуктора за счёт резьбового соединения. После запуска двигателя и СКВТ произойдёт передача движения за счёт зубчатых зацеплений к выходному валу. СКВТ, вместе с выходным валом будет вращаться. С СКВТ поступят сигналы на преобразователи сигналов.
7.1 Описание конструкции
Редуктор программного механизма представляет собой цилиндрический редуктор с прямозубыми колёсами. В его конструкцию входят корпус и крышка поз.11 и поз.12 соответственно, изготовленные из латуни ЛКС 80-3-3 ГОСТ 1019-87.
Крепление корпуса и крышки осуществляется при помощи винтов поз.16. Цапфы валов и валов- шестерней поз 1, 2, 3, 4, 5 вставляются в корпус и крышку. Валы изготовлены из стали 45 ГОСТ 1050-74 и имеют один диаметр, что удобно и экономично при их изготовлении. Комбинации стали и латуни обеспечивает наименьший момент трения.
На выходном валу установлены радиальные однорядные шарикоподшипники поз.17. Для закрепления шарикоподшипников применяется пластины из стеклотекстолита ГОСТ 12652-74 поз.6 и поз.7. Для снижения момента трения в опорах скольжения и в шарикоподшипнике применяется смазка ВНИИ НП-274 ГОСТ 19337-73. Этот вид смазки применим для маломощных редукторов, малогабаритных прецизионных шарикоподшипников, обладает низкой испаряемостью и высокой механической стабильностью.
Сборочные единицы поз. 1, 2, 3, 4, 5 состоят из вала - шестерни и зубчатого колеса, закреплённого при помощи развальцовки. Зубчатое колесо на валу двигателя поз.10 закрепляется шпонкой поз.18 ГОСТ 8790-79 и гайкой поз.16 ГОСТ 5932-73. Для снижения стоимости редуктора и обеспечения наименьшего момента трения в зубчатых передачах для шестерен выбран материал сталь 45, для колёс - латунь ЛКС 80-3-3 ГОСТ 1019-87.
Зубчатое колесо поз.9 и вал поз.8 обрабатываются совместно: зубчатое колесо насаживается на вал, делается отверстие под штифт. Штифт поз.19 устанавливается в отверстие, концы штифта кернят.
Двигатель поз. 21 крепиться с помощью винтов поз.13. Конструкция закрытого исполнения.
Пластина поз.6 и поз.7 крепится к крышке и корпусу соответственно при помощи винтов поз.15 ГОСТ 1491-80.
Для предохранения крышки поз.12 и корпуса поз.11 от относительного смещения используются штифты поз.20 ГОСТ 3128-70.
7.2 Инструкция по сборке
1. Закрепить подшипники поз.17 в корпусе и крышке поз.11 и поз.12.
2. Закрепить пластины поз.6 и поз.7 на крышке поз.12 и корпусе поз.11 соответственно винтами поз.13
3. Закрепить зубчатое колесо поз.10 к валу двигателя при помощи шпонки поз.18 и гайки поз.16.
4. Закрепить двигатель винтами поз.13.
5. Зубчатое колесо поз.9 закрепить на валу поз.8 штифтом поз.19. Установить в шарикоподшипник поз.17.
6. Валы-шестерни поз.1, 2, 3, 4, 5 установить в опоры скольжения корпуса поз.11.
7. Установить крышку поз12 и прикрутить ее винтами поз.15 и штифтами поз.20.
Заключение
В курсовом проекте спроектирован редуктор программного механизма.
Все требования удовлетворены, и поставленные задачи выполнены. Достигнута необходимая точность работы устройства. В конструкции имеются унифицированные детали. Использованы типовые методы и технологии. Расчёты и чертежи выполнены при помощи компьютерных программ.
В ходе выполнения курсового проекта я научилась основам конструкторского дела, приобрела, навыки и знания правил, методов проектирования на примере проектирования шестиступенчатого цилиндрического редуктора.
Подводя итоги, можно сказать, расчеты передач по таким критериям, как технологичность изготовления, габаритные размеры, экономичность, удобство сборки и монтажа, дает возможность принять оптимальное решение при выборе двигателя и разработке конструкции.
Спроектированный редуктор может производиться в серийном производстве, и применятся в самолётостроении, ракетостроении и в военной промышленности.
Список использованных источников
1. Гурин Л.Б., Нестеренко Т.Г., Плотников И.А. Основы конструирования механизмов приборных систем: Учебное пособие. Ч.3.-Томск: Изд-во ТПУ,2003.-103 с.
2. Дмитриев В.С., Костюченко Т.Г., Слащев И.В. Курсовое проектирование приборных редукторов. Справочное учебное пособие. – Томск: Изд. ТПУ, 2002. -228 с.
3. Элементы приборных устройств: Курсовое проектирование. Учебное пособие для вузов в 2-х ч. Ч.2. Конструирование/ Н.П. Нестерова, А.П. Коваленко, О.Ф. Тищенко и др.; под ред. О.Ф. Тищенко. - М.: Высшая школа, 1978.-232 с.
4. Справочник по электрическим машинам: в 2т. Т.2./ Под общей ред. И.П. Копылова, Б.К. Клокова. – М.: Энергоатомиздат, 1989.-688с.
5. http://standard.tpu.ru СТП ТПУ 2.501-2006. Работы выпускные квалификационные, проекты и работы курсовые. Общие требования и правила оформления.
6. Справочник конструктора точного приборостроения/ Под ред. П.И. Явленского и др.-Л.: Машиностроение, 1989.-792 с.
7. Основы проектирования приборов и систем: Рабочая программа, метод. указания и контрольные задания для студентов спец. 200101 «Приборостроение» и 200106 2Информационно- измерительная техника и технологии» ИДО / Сост. Л.Б. Гурин. –Томск: Изд. ТПУ, 2005.- 19 с.
8. Единая система конструкторской документации. Справочное пособие/ С.С. Брушек, А.А. Волков и др.- М.: Изд-во стандартов 1989. -352 с.
9. ГОСТ 2.301-68-ГОСТ 2.320-68 ЕСКД. Общие правила выполнения чертежей.
10. ГОСТ 2.105-95 ЕСКД. Общие требования к текстовым документам.
11. Ванторин В.Д. Механизмы приборных и вычислительных систем: Учебное пособие для приборостроит. спец. вузов.-М.:Высшая школа, 1985.
Приложение А
Габаритные и установочные размеры двигателя ДПР-32-Ф5

1