Конструирование узлов и деталей машин (работа 1)
Задача №1
Е = 2∙105 МПа, γ = 78 кН/м3,
F = 25 см2, a = 1,4 м,
b = 2,4 м, с = 2,4 м,
Р>1> = 40 кН, Р>2> = 45 кН
λ>I>>->>I> - ? Δl - ?
Решение.
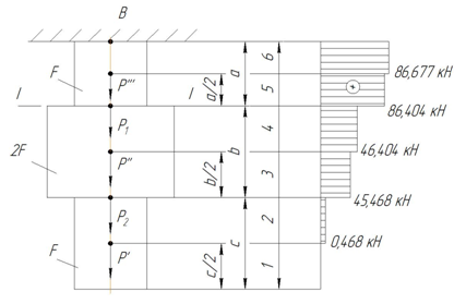
Найдем веса различных частей бруса и нанесем их на схему (рис. 1):
P’ = F∙c∙γ = 0,0025∙2,4∙78 = 0,468 кН
P’’ =2F∙b∙γ = 2∙0,0025∙2,4∙78 = 0,936 кН
P’’’ = F∙a∙γ = 0,0025∙1,4∙78 = 0,273 кН
Данный брус имеет шесть участков нагружения. Возьмем произвольное сечение на участке 1 и, отбросив верхнюю часть бруса, рассмотрим равновесие оставшейся части:
Σz = 0; N>1> = 0.
Возьмем произвольное сечение на участке 2:
Σz = 0; -N>2> + Р’ = 0; N>2> = Р’= 0,468 кН.
Возьмем произвольное сечение на участке 3:
Σz = 0; -N>3> + Р’ + P>2> = 0; N>3> = Р’+ P>2> = 0,468 +45 = 45,468 кН.
Возьмем произвольное сечение на участке 4:
Σz = 0; -N>4> + Р’ + P>2> + P’’= 0; N>4> = Р’+ P>2> + P’’= 0,468 +45 + 0,936 = 46,404 кН.
Возьмем произвольное сечение на участке 5:
Σz = 0; -N>5> + Р’ + P>2> + P’’+ P>1> = 0;
N>5> = Р’+ P>2> + P’’+ P>1> = 0,468 +45 + 0,936 + 40 = 86,404 кН.
Возьмем произвольное сечение на участке 6:
Σz = 0; -N>6> + Р’ + P>2> + P’’+ P>1> + P’’’= 0;
N>6> = Р’+ P>2> + P’’+ P>1> + P’’’= 0,468 +45 + 0,936 + 40 + 0,273 = 86,677 кН.

Перемещение сечения I-I обусловлено изменением длины части бруса, заключенной между сечениями В и I-I и равно алгебраической сумме удлинений отдельных участков:
λ>I>>->>I>
=

Изменение длины бруса найдем, как алгебраическую сумму удлинений отдельных участков:
Δl =

=
= 0,000353 м = 0,353 мм.
Задача №2
Найти угол наклона сечения, для которого нормальное и касательное напряжения равны по абсолютной величине. Тело испытывает линейное напряженное состояние.
Решение.
Так как тело испытывает линейное напряженное состояние, то лишь одно из главных напряжений не равно нулю.
Рассмотрим наклонное сечение (рис. 2) под углом α. В рассматриваемом сечении действует напряжение р>а>, направленное вдоль оси.

Разложим напряжение р>а> на составляющие: касательные напряжения τ>а>, лежащие в плоскости mn и нормальные σ>а>, перпендикулярные плоскости mn. Тогда:
σ>а> = р>а> ∙ cos α,
τ>а> = р>а> ∙ sin α.
Из предыдущих соотношений видно, что σ>а> = τ>а> при α = 45°, cos 45° = sin 45°.
Задача №3
Построить эпюры М>кр>, φ и определить τ>max> для заданного вала с поперечным моментом сечения W>p> для следующей схемы нагружения.
Решение.
Заданный вал имеет три участка нагружения (рис. 3). Возьмем произвольное сечение в пределах участка 1 и отбрасываем правую часть бруса. На оставленную часть бруса действуют моменты М и М>z>I. Следовательно:
М>z>I = -М.
Рассмотрим участок 2:
М>z>II = 3M – M = 2M.
Рассмотрим участок 3:
М>z>III = 3M + M – M = 3M.
Полярный момент сопротивления поперечного сечения для круга:
W>p> = πd3/16.
Вычисляем максимальные касательные напряжения в поперечных сечениях каждого участка.

Знак касательных напряжений обусловлен знаком крутящего момента:



Угол поворота сечения бруса с постоянными (в пределах каждого участка) поперечным сечением и крутящим моментом определяется по формуле:

Эпюру углов поворота сечений строим, начиная от закрепленного конца. В пределах каждого из участков бруса эпюра φ линейна, поэтому достаточно определить углы поворота только для граничных сечений участков.
Угол поворота сечения D равен нулю, так как это сечение закреплено:
φ>D> = 0.
Угол поворота сечения С, равный углу закручивания участка CD:
.
Угол поворота сечения В:
.
Угол поворота сечения А:

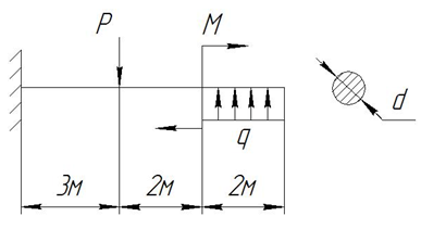
Задача №4
брус сечение напряжение передаточный
[σ] = 160 МПа, q = 10 кН/м,
Р = 10 кН, М = 20 кН∙м
d - ?
Решение.
Балка имеет три участка нагружения. Для первого участка: 0 ≤ z ≤ 2 м; для второго: 2 м ≤ z ≤ 4 м; для третьего: 4 м ≤ z ≤ 7 м (рис. 4). Пользуясь соотношениями:
и
,
строим эпюры.
На участке I действует равномерно распределенная нагрузка, интенсивностью q, следовательно, поперечная сила изменяется по линейному закону от нуля до:
q∙2 = 10∙2 = 20 кН.
На участках II и III эпюра поперечных сил ограничена прямой, параллельной оси балки, так как на этих участках отсутствует распределенная нагрузка.
На участке II:
Q>y>II = q∙2 = 10∙2 = 20 кН.
На участке III:
Q>y>III = q∙2 – P = 10∙2 -10 = 10 кН.
Построим эпюру изгибающих моментов.
На участке I изгибающий момент изменяется по закону квадратной параболы от нуля до :
М>х>I = q∙2∙(2/2) = 10∙2 = 20 кН∙м.
На участках II и III изгибающий момент изменяется по линейному закону, так как на этих участках отсутствует распределенная нагрузка.
В сечении, расположенном бесконечно близко слева от точки приложения момента М:
М>х>II = q∙2∙(2/2) – М = 10∙2 – 20 = 0 кН∙м.
В сечении, расположенном бесконечно близко справа от точки приложения силы Р:
М>х>II’ = q∙2∙(2+(2/2)) – М = 10∙2∙3 – 20 = 40 кН∙м.
В жесткой заделке:
М>х>III = q∙2∙(3+2+(2/2)) – М - P∙3 = 10∙2∙6 – 20 - 10∙3 = 70 кН∙м.
Условие прочности:

Из эпюры М>х>:
maxM>x> = 70 кН∙м.

Для круглого сечения:
.

Задача №5

Z>1>=14
Z>2>=16
n>1>=2000 об/мин
n>3>=900 об/мин
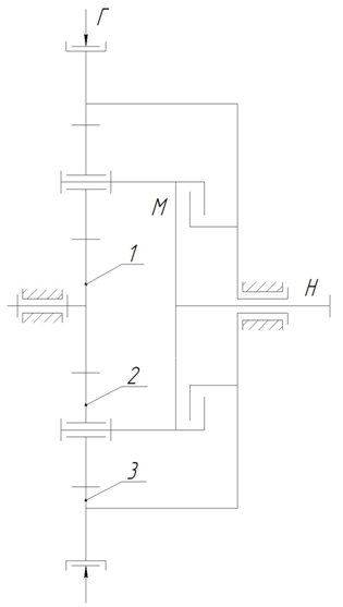
Определить передаточное отношение от входного колеса 1 до водила Н и частоту вращения водила n>Н>:
а) при включенных тормозах Г и выключенной муфте М;
б) при включенной муфте М и выключенных тормозах Г;
в) при выключенных тормозах Г и муфте М и заданных частотах вращения колес 1, 3. Колеса вращаются в противоположных направлениях.
Решение:
1. Рассмотрим кинематическую схему при включенных тормозах Г и выключенной муфте М (рис. 1).
Передаточное отношение:







Определим частоту вращения водила:


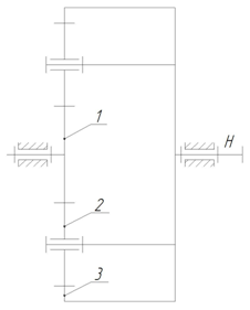
2. Рассмотрим кинематическую схему при выключенных тормозах Г и включенной муфте М (рис. 2).

Определим частоту вращения водила:
n>3> = n>H> = 900 об/мин.
Передаточное отношение:

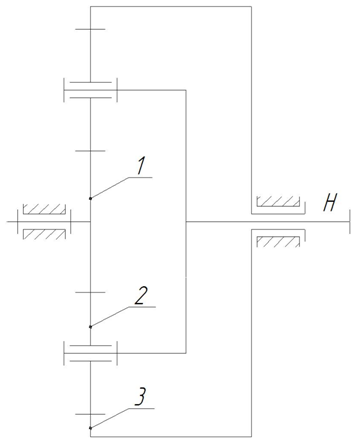
3. Рассмотрим кинематическую схему при выключенных тормозах Г и муфте М (рис. 3).
Определим частоту вращения водила:


Решая уравнение получаем:
n>H> = 1,64 об/мин.
Передаточное отношение:

