Електропривід ручних електричних машин
ЕЛЕКТРОПРИВІД РУЧНИХ ЕЛЕКТРИЧНИХ МАШИН.
ВИМОГИ ДО ЕЛЕКТРОПРИВОДА
Ручна електрична машина (РЕМ) це така машина, в якій головний робочий рух виконується від електричного двигуна або електромагніта, а допоміжний рух та керування машиною — вручну.
У сільському господарстві РЕМ достатньо широко застосовуються для стрижки овець, а також для механізації монтажних, ремонтних та інших слюсарних робіт у ремонтних та деревообробних майстернях. Застосування цих машин значно підвищує продуктивність праці, скорочує частку ро біт, які вимагають значних фізичних зусиль від працівника.
Промисловість випускає більше 100 типів РЕМ, серед яких є свердлильні машини, електричні дискові пилки, шліфувальні машини, електроножиці, електрорубанки, електролобзики, гайковерти, універсальні машини зі змінними насадками та інші.
Оскільки РЕМ працюють у безпосередньому контакті з людиною, до них ставлять такі основні ергономічні вимоги: невелика маса, безпека в роботі, зручність в експлуатації, нормовані величини шуму та вібрації, економічність.
Будь-яка РЕМ складається з електродвигуна або електромагніта, передавального пристрою, робочого інструменту та регулювальних пристроїв, які дають напрямок та глибину свердління, різання, заточування тощо. Є також додаткові складові частини — корпус або рама, підшипники, вимика чі, штепсельні з'єднання, шнури або кабелі.
Маса РЕМ на 70 - 80 % визначається масою електродвигунного пристрою, тому для їх привода застосовують високошвидкісні двигуни, якнайменші за масою. З другого боку, підвищення частоти обертання двигуна для РЕМ з невеликою швидкістю руху робочого органу зумовлює необхідність редукторних передач, які ускладнюють машину і тим самим збільшують масу РЕМ. Тому при конструюванні РЕМ знаходять оптимальний варіант співвідношення маси двигуна (т >в>) та маси редуктора (т>р>) для даної швидкості обертання робо чого органа п (рис. 1). Найменшій загальній масі т„ +т>па >р дв відповідає оптимальна частота обертання електродвигуна.
За робочою напругою і ступенем безпеки згідно з ГОСТ 12.2.013-75 РЕМ виготовляють трьох класів:
клас І — з номінальною напругою вище 42 В і основною ізоляцією деталей, що перебувають під напругою, та штепсельною вилкою із заземлюючим контактом;
клас II — з номінальною напругою вище 42 В і в яких всі деталі, що перебувають під напругою, мають подвійну або посилену ізоляцію без пристрою для заземлення;
клас III — з номінальною напругою до 42 В включно, що живляться від автономних джерел струму або загальної мережі через ізолюючий трансформатор чи перетворювач, напруга холостого ходу якого не перевищує 50 В, а вторинне електричне коло не з'єднане з землею.
Ручні електричні машини розраховані на номінальні на пруги 36, 42, 220, 380 В змінного струму та частоти 50, 200, 400 Гц.
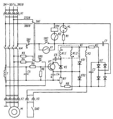
Для підвищення безпеки роботи з РЕМ класу І та запобігання ураженню електричним струмом у виробничих умовах останні приєднують до електричної мережі через захисно-вимикальні пристрої. Схему одного з цих пристроїв И39814 наведено на рис. 2. Датчиком струму витікання є трансформатор Т, первинна обмотка якого увімкнена послідовно в коло захисного нульового проводу. Пристрій підключається до електричної мережі і ручної машини че рез штепсельні з‘єднання XI і Х2. Вмикають пристій на тисканням на кнопку 8В2. При цьому через випрямляч VI подається напруга на об мотку іГІ.2 герконового реле Кі, замикаючий контакт якого шунтує кнопку 8В2. Для вмикання двигуна руч ної машини М натискують на вмонтований у рукоятку машини вимикач 8А2, через який подається напруга на обмотку герконового реле К2. Контакт реле К2 замикає коло котушки магнітного пускача КМ. Головні контакти останнього вмикають двигун М у мережу.

Рис. 1. Залежність маси електродвигуна та редуктора РЕМ від частоти обертання
При пробої ізоляції ручної машини на корпус у нульовому проводі з'являється струм, який індукує є. р. с. у вторинній обмотці датчика трансформатора Т. Під дією цієї є. р. с. відкривається транзистор УТ і тиристор Т^5. Струм, що проходить через обмотку КІЛ герконового реле К1, розмагнічує його, контакт К1 розмикається і знеструмлює котушку магнітного пускача КМ. Останній вимикає ручну машину з мережі. Одночасне гасне лампа НЬ, що сигналізує про вимкнення пристрою. Тривалість спрацювання захисту 0,05 с. Величина струму витоку, при якому спрацьовує захист, не повинна перевищувати 10 мА і регулюється резистором Е1. Для перевірки роботоздатності пристрою натискують на кнопку ЗБЗ, створюючи штучне замикання на корпус. Вимикають пристрій кнопкою ВВІ. Залежно від величини напруги мережі перемикач 8А1 встановлюють у положення "220 В" або "380 В". Згідно з діючою класифікацією умовне позначення РЕМ складається з таких позицій: ИЗ — електричний привід; перша цифра за буквами означає номер групи (

Рис. 2. Схема вмикання ручної електричної машини класу І через захисний пристрій И39814
1 — свердлильні; 2 — шліфувальні та полірувальні; 3 — різена-різні; 4 — ударні та ударно-обертальні; 5 — фрезерні; пилки дискові; 9 — перетворювачі, захисні пристрої); друга цифра — номер підгрупи (0 — прямі; 1 — кутові; 2 - 3 — тор цеві); додатковий індекс З означає особливості машини, в деяких випадках — електронне регулювання швидкості.
ХАРАКТЕРИСТИКА ЕЛЕКТРОДВИГУНІВ, ЩО ВИКОРИСТОВУЮТЬ ДЛЯ ПРИВОДА РЕМ
Для привода РЕМ використовують спеціальні електродвигуни уніфікованої серії, які повинні відповідати таким вимогам: достатньо жорстка механічна характеристика, велика перевантажувальна здатність, механічна міцність, невелика маса.
Ці двигуни поділяють на три основні серії:
а) три- та однофазні асинхронні електродвигуни з корот козамкненим ротором промислової частоти 50 Гц (АН); на пругою 36, 42, 220 та 380 В; потужністю 120, 180 270 400 600, 800 та 1000 Вт;
б) трифазні асинхронні з короткозамкненим ротором час тотою 200 Гц (АП); напругою 36, 42 та 220 В; потужністю ЗО, 50, 80, 120, 180, 270, 400, 600, 800, 1000, 1200, 1600, 2200 Вт;
в) універсальні колекторні промислової частоти (КН) на пругою 220 В; частотою 50 Гц; потужністю 18, ЗО, 50 80 100, 180, 270, 400, 800, 1000, 1200 Вт.
Однофазні асинхронні двигуни з короткозамкненим рото ром залежно від типу пускового пристрою поділяють на: АЕ — з пусковою обмоткою (рис. 3), АУ — з пусковим конденсатором Сп, АТ — робочим конденсатором Ср, АУТ — пусковим та робочим конденсаторами, з електронним регу люванням частоти обертання та реверсування (РР). Механіч ні характеристики цих двигунів наведені на рис. 3, б. Перевагою їх є простота і надійність конструкції, невелика вар тість.
Універсальні колекторні електродвигуни серії КН (рис. '•о, а) можуть працювати як на змінному, так і на постійному струмі, але в основному їх використовують з живленням від мережі змінного струму частотою 50 Гц. Двигуни мають механічну характеристику, яка забезпечує велику перевантажувальну здатність при низьких частотах обертання, тому їх застосовують у РЕМ, де вимагаються великі моменти, а також пуск при повному навантаженні (наприклад, електросвердла, електроножиці тощо).
Недоліком колекторних двигунів є складність конструкції, підвищена витрата міді на їх виготовлення, підвищені вимоги до обслуговування, особливо при роботі в приміщеннях з агресивним середовищем.
Маса електродвигуна при однаковій потужності на валу Р>2> із збільшенням частоти обертання га>дв>, об/хв, та частоти струму живлення /, Гц, зменшується відповідно до рівняння

де т>0> — експериментальний коефіцієнт, для двополюсних трифазних двигунів промислової частоти т>0> =11, для двополюсних двигунів підвищеної частоти (200 Гц) т>0> = 12 - 13.
З цієї точки зору оптимальна частота обертання привідного електродвигуна перебуває в межах 8-12 тис. об/хв. Практично використовують двигуни з частотою обертання від 3000 об/хв (асинхронні з короткозамкненим ротором, частотою 50 Гц) до 12 тис. об/хв (асинхронні частотою 200 Гц та колекторні).

Рис. 3. Схеми вмикання електродвигунів РЕМ колекторного (а), однофазного (б) та їх механічні характеристики
Питомі показники маси для універсальних колекторних двигунів дорівнюють ЗО - 65 Вт/кг, трифазних асинхронних підвищеної частоти 200 Гц — 50 - 80 Вт/кг, асинхронних частоти 50 Гц — 20 - 40 Вт/кг.
За конструктивним виконанням та способом монтажу двигуни РЕМ відносяться до окремої групи (7М9000). Як правило, це вбудовані двигуни, що конструктивно з'єднані з редуктором чи робочим органом як одне ціле. Вихідний вал двигуна може бути виконаний із зубчастою нарізкою і є частиною редуктора (електросвердла тощо). В електрорубанку застосовують спеціальну конструкцію електродвигуна, в якому ротор знаходиться зовні статора і на ньому безпосередньо закріплені робочі ножі.
Потужність привідного двигуна для РЕМ вибирають за максимальним зусиллям на робочому органі та частотою обертання чи лінійного руху робочого органу. Оскільки зу силля подачі робочого органу створюються вручну робітником, то вони можуть коливатися в широких межах, тому, як правило, користуються експериментальними даними і потужність двигуна вибирають зі значним запасом. Так, потужність двигуна для свердлильних електричних машин визна чають за потужністю на свердлі Р>св>, кВт:

де п — частота обертання свердла, об/хв; М>св> — крутний момент на свердлі, Н • м.
М>св> визначають за формулою
де И — діаметр свердла, мм; 5 — подача на один оберт свердла, мм; с, х, у — коефіцієнти, які визначаються експериментально і залежать від фізико-механічних властивостей оброблюваного матеріалу (для чавуну с = 11,6; х = 2,0; у = 0,6; для вуглецевої сталі середньої міцності с = 44; х = 1,8; у = 0,8).
Потужність на валу двигуна складається з Р>св> та потужності холостого ходу машини (20 - ЗО % від Р>св>).
ДЖЕРЕЛА ЖИВЛЕННЯ РЕМ
Ручні електричні машини в польових умовах живляться від пересувних електростанцій невеликої потужності, а за наявності електричної мережі 380/220 В безпосередньо від неї або через знижувальні трансформатори чи перетворювачі частоти.
Знижувальні трансформатори призначені для перетворення трифазної напруги змінного струму 660, 380, 220 В у трифазну напругу 12, 24, 36, 42, 127, 220 та 380 В.
Для живлення РЕМ випускають сухі трансформатори типу ТСЗИ потужністю 0,63; 1,0; 1,6; 2,5 та 4 кВА з різними схемами з'єднання первинних та вторинних обмоток. Для перемикання обмоток трансформатора із "зірки" на "трикутник" і навпаки на клемній дошці є спеціальні перемички. Корпус трансформатора заземлюється приєднанням до нього нульового проводу мережі 220/380 В.
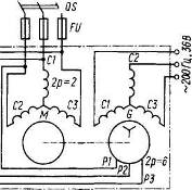
Машинний перетворювач частоти типу ИЗ-9401 призначений для перетворення змінного трифазного струму частотою 50 Гц при напрузі 220 або 380 В у змінний трифазний струм підвищеної частоти 200 Гц при напрузі 36 В.
Перетворювач частоти типу ИЗ-9401 (рис. 4) складається з двополюсного асинхронного двигуна М з короткозамкненим ротором і шестиполюсного асинхронного генератора С з фазним ротором. Ротори двигуна і генератора знаходяться на одному валу і обертаються з однаковою частотою. На валу закріплені три ізольованих одне від одного кільця, до яких приєднані виводи обмоток ротора генератора. На кільця генератора через щітки і на обмотки статора електродвигуна подається напруга мережі 220 або 380 В. Напруга 36 В частотою 200 Гц знімається з обмотки статора генератора. Принцип роботи перетворювача такий. У шестиполюсному роторі магнітне поле обертається з частотою 1000 об/хв навколо ротора. У свою чергу ротор генератора обертається в напрямку обертання магнітного поля з частотою близь ко 3000 об/хв. Тому магніт ні силові лінії перетинають витки нерухомої обмотки статора генератора з часто тою обертання близько 4000 об/хв. У цьому випадку в шестиполюсних обмотках статора виникає напруга змінного струму з частотою близько 200 Гц.
Синхронно-реактивний перетворювач частоти ИЗ-9403 призначений для пере творення трифазного змінного струму частотою 50 Гц і напругою 220/380 В у змінний трифазний струм частотою 200 Гц і напругою 36 В.
Принцип дії перетворювача ґрунтується на виділенні і використанні вищих гармонік магнітного поля (рис. 5).
Перетворювач складається із статора, вертикально розміщеного ротора та підшипникових щитів. У пазах статора розміщені дві трифазні обмотки: одна двополюсна (пер винна) під'єднується до мережі і призначена для створення обертового магнітного поля в машині, друга восьмиполюсна (вторинна) призначена для одержання струму високої частоти.

Рис. 4. Електрична схема перетворювача частоти ИЗ-9401
Магнітна система ротора має особливу форму (рис. 5, б) і спеціально розраховану величину повітряного зазору, завдяки чому в кривій розподілу магнітної індукції в по вітряному зазорі виділяється необхідна четверта гармоніка. Досвід проектування і виготовлення синхронно-реактивних перетворювачів частоти показує, що для виділення четвертої гармоніки поля обриси поверхні магнітних частин ротора можуть бути частинами кола, ексцентричного відносно кола розточки статора. Так, у машині ИЗ-9403 ексцентриситет кола для обрису магнітної частоти ротора становить 2,14 мм.

Рис. 5. Перетворювач частоти ИЗ-9403:
а — схема: б — поперечний переріз ротора, магнітна частина заштрихована; в — форма кривих магнітного потоку: Фі — первинної обмотки, Ф>3> — у повітряно му зазорі, Ф>4> — вторинної обмотки
Для розгону ротора під час пуску в його магнітну частину закладена пускова обмотка у вигляді білячої клітки, виготовленої з алюмінієвих стержнів з короткозамкненими алюмінієвими кільцями. При досягненні ротором підсинхронної частоти обертання вів завдяки реактивному моменту втягується в синхронізм. У робочому режимі ротор обертається синхронно з обертовим магнітним полем, тому підвищена частота змінного струму залишається незмінною.
ОСОБЛИВОСТІ ЕЛЕКТРОПРИВОДІВ РЕМ, ЩО ЗАСТОСОВУЮТЬ У РІЗНИХ ГАЛУЗЯХ СІЛЬСЬКОГО ГОСПОДАРСТВА
електропривід ручна електрична машина
У тваринництві основною ручною електричною машиною є машинка для стрижки овець. Електропривід цієї машинки має два варіанти: від окремого електродвигуна через гнучкий вал та від вмонтованого в рукоятку електродвигуна. Основна механічна частина машинок, відповідно до типів МСО-77Б та МСУ-200, залишається однаковою за виключенням змін у кінематичній схемі в місці приєднання двигуна.
Стригальна машинка включає такі елементи: різальний апарат, до складу якого входять чотиризубий рухомий ніж та дванадцятизуба гребінка, ексцентриковий, натискаючий та шарнірний механізми. Рухаючись по тілу тварини гребінка захоплює та притримує вовну, а ніж, виконуючи 2100 по двійних ходів за хвилину уздовж гребінки, зрізає вовну. За хват машинки — 76,8 мм. Ексцентриковий механізм перетворює обертальний рух двигуна в коливальний рух ножа.
Момент опору машинки залежить від двох складових: моменту різання вовни залежно від подачі та моменту тертя ножа по гребінці залежно від зусилля натискання. Перший момент при зміні швидкості подачі від 0,4 до 1 м/с змінюється від 0,8 до 1,5 Н • м, тобто майже прямо пропорційно, а другий при зміні натискання ножа на гребінку від 100 до 200 Н змінюється в чотири рази (від 0,1 до 0,4 Н • м), тобто від цього моменту опору в основному залежить навантаження двигуна.
Експериментально встановлено, що в машинці з гнучким валом приблизно 10 - 12 % потужності двигуна витрачається на тертя гнучкого вала по кожуху, 30 % — на зрізання вовни і близько 60 % — на холостий хід машинки, включаючи тертя ножа по гребінці. Тому зусилля натискання не повинно перевищувати 200 Н.
Для привода стригальних машинок МСО-77Б застосовують трифазні асинхронні електродвигуни з короткозамкненим ротором типу АД-120 потужністю 120 Вт, синхронною частотою обертання 3000 об/хв, напругою 220/380 В при частоті мережі 50 Гц. Двигун підвішується на кронштейні над робочим столом і через гнучкий вал довжиною 1,6 м передає обертальний рух стригальній машинці. Особливістю конструкції двигуна є те, що він виготовлений без лап зі спеціальним фланцем на одному підшипниковому щиті для кріплення кожуха гнучкого вала. Керують двигуном вручну за допомогою ручного пускача ПНВ-30.
Привід стригальних машинок МСУ-200 здійснюється від спеціальних асинхронних двигунів з короткозамкненим ротором, які під'єднуються до електричної мережі через перетворювач частоти з вихідними параметрами 36 В, 200 Гц. Синхронна частота обертання цих двигунів — 12 000 об/хв, номінальна потужність 90 Вт. Застосування високочастотного двигуна зменшує його масу в 3 рази, а габарити по діаметру та довжині — в 2 рази. З урахуванням ліквідації гнучкого вала маса привода машинки зменшується в 4 рази, а двигун вмонтований у ручку стригальної машинки, що збільшує її маневреність і знімає діє реактивного моменту гнучкого вала на руку стригаля. Зниження напруги на двигуні до 36 В підвищує безпеку праці.
За рахунок зменшення втрат потужності в гнучкому валу потужність двигуна також зменшується.
Для стрижки овець в умовах підприємства застосовують стригальні апарати ЗСА-1Д з машинкою МСО-77Б продуктивністю 8 голів на годину. Один такий стригальний апарат розрахований на підприємство з поголів'ям до 500 овець.
При поголів'ї 10 - 12 тис. овець застосовують агрегат ЗСА-12Г, який складається з 12 апаратів ЗСА-1Д, силової та освітлювальної кабельних мереж, переносного заземлюючого пристрою, розподільного щитка та апарата для заточування ножів машинок.
Агрегат одержує живлення від електромережі або пере сувної електростанції потужністю 4 — 12 кВт з бензиновим або дизельним двигуном.
Високочастотні стригальні агрегати ЗСА-6/200 та ЗСА-12/300 складаються з 6 або 12 стригальних апаратів з машинками МСУ-200 і двигунами МС-200Н, перетворювача ча стоти ИЗ-9401, заточувального апарата ТАЇ, переносної електромережі.
Для спеціалізованих підприємств по вирощуванню овець застосовують стаціонарні стригальні пункти, обладнані, крім того, пресом для вовни, тельфером, транспортерами для вов ни, спеціальними поворотними столами.
У майстернях по ремонту сільськогосподарської техніки та деревообробних майстернях набір РЕМ дуже широкий. Передусім, це електричні свердлильні машини (електродрилі), які поділяються на одно-, двошвидкісні та з електронним регулюванням швидкості. Електропривід цих машин здійснюють від двигунів серії АП частотою струму 200 Гц, потужністю 400, 800, 1230 Вт та колекторних серії КН-11 з частотою змінного струму 50 Гц, потужністю від 200 до 600 Вт. Найбільший діаметр свердла залежно від потужності — від 6 мм (машина ИЗ-1025Б) до 23 мм (ИЗ-1305).
Двошвидкісна свердлильна машина (ИЗ-1202, И9-1205) складається з двигуна КН та двошвидкісного редуктора з механізмом перемикання швидкостей. Перемикання швидкостей — механічне, за допомогою двох пар зубчастих коліс, які можуть переміщуватись в осьовому напрямку при дії на них рукоятки перемикача.
Особливістю електропривода одношвидкісного електросвердла з колекторним двигуном є кінематична схема (рис. 6, б), в якій вал електродвигуна є однією з шестерень редуктора.
Корпус машини та передавальні пристрої повинні мати достатню міцність, оскільки при свердлінні до них прикладаються значні механічні зусилля в осьовому та радіальному напрямках.
Так, при свердлінні отворів діаметром 6-9 мм обертовий момент становить 1 - 2 Н • м, а осьовий (натискання свердла) — 500 -650 Н; при діаметрі 12-14 мм — відповідно 6 - 8 Н • м та 1500 - 2000 Н; при діаметрі 23 мм — 25 - 50 Н • м та 3000 - 4000 Н.
Схема вмикання машини включає штепсельне з"єднан-ня X, курковий двополюсний вимикач (35, фільтр-конденсатор С, обмотку якоря Я та обмотку збудження 03 (рис. 6, а).
Електричні свердлильні машини з електродвигунами серії КРРН11-180/220 (рис. 7) мають електронне регулювання швидкості та реверсування. Максимальний діаметр свердла від 6 до 13 мм, частота обертання шпинделя регулюється в межах 0 - 600; 0 - 840; 0 - 2300 об/хв, споживана потужність 300 - 400 Вт. Живлення від мережі напругою 220 В, часто тою струму 50 Гц.


Рис. 6. Електрична схема вмикання електричної свердлильної машини (а) та її кінематична схема (б)
Електричні ножиці ИЗ-5405; ИЗ-5407 призначені для різання листового металу від 1,25 до 3,5 мм завтовшки, при водяться в дію від колекторного двигуна напругою 220 В частотою струму 50 Гц. Потужність електродвигуна 270 -550 Вт, частота подвійних ходів 1400 - 1500 на хвилину.
Кінематична схема складається з зубчастого редуктора, кривошипа та повзуна, які перетворюють обертальний рух двигуна в коливальний рух робочих органів. На повзуні за кріплюється насадка з твердосплавного матеріалу, що вико нує роль рухомого ножа, протирізальна пластина має таку саму насадку.
Електричні шліфувальні машини ИЗ-2011, ИЗ-2017 при значені для зачищення поверхонь конструкцій зі сталі та чавуну, зварних швів, очищення від корозії та шліфування виробів з металу та інших матеріалів. Електродвигун колекторний КН11 потужністю 1050 Вт, частота обертання шпин деля 3600 об/хв. Робочим органом є шліфувальний круг діа метром 150 мм.
У деревообробних майстернях застосовують ручні електричні дискові пилки ИЗ-5106, ИЗ-5107 тощо, які приводять ся в дію від колекторних двигунів потужністю 600 - 1150 Вт, напругою 220 В та частотою струму 50 Гц. Діаметр диска — від 160 до 200 мм, частота обертання 2800 - 2900 об/хв. Машина забезпечує глибину пропилу до 65 мм.
Для привода електричних довбачів, які призначені для пробивання в древі отворів і гнізд прямокутної форми, шпунтових пазів тощо, використовують як асинхронні двигуни

Рис. 7. Схема керування електрич ною свердлильною ручною машиною з тиристорним регулюванням часто ти обертання
ИЗ-5601 потужністю 1070 ВТ, що працюють від ме режі змінного струму час тотою 50 Гц, напругою 220 В, так і колекторні двигуни КН потужністю 1150 Вт. Робочим органом є безкіне чний ланцюг, на якому за кріплені різальні зуби.
У рослинництві в основному застосовують пересувні машини, які можна віднести як до ручних електричних машин, так і до мобільних електрифікованих. Це — електромотика ЗМ 12А та електрофреза ФС-0,7, описані в розділі "Електропривід мобільних машин".
ПРАВИЛА БЕЗПЕКИ ПРИ ЕКСПЛУАТАЦІЇ РЕМ
Правила безпеки при експлуатації РЕМ в умовах виробництва встановлені ГОСТ 12.2.013-75 "Машины ручные злектрические. Общие требования безопасности".
До роботи з ручними машинами допускаються особи, які пройшли виробниче навчання і мають кваліфікаційну групу з техніки безпеки. Дозволяється експлуатація тільки тих машин, які задовольняють вимогам ГОСТ 12.2.013-75.
При кожній видачі машини в роботу виконують перевірку комплектності, надійності закріплення деталей, зовнішній огляд ізоляційних деталей корпусу і кабелю, перевірку робо ти вимикача та машини на холостому ходу.
У машин класу І перевіряють також справність кола заземлення.
При роботі з машиною класу І слід застосовувати індивідуальні захисні засоби (діелектричні рукавиці, калоші, килими) за винятком таких випадків: машина, і тільки одна, живиться від розподільного трансформатора, автономної установки двигун-генератор або перетворювача часто ти з окремими обмотками, через захисно-вимикальний при стрій.
Машинами класів II і III дозволяється виконання робіт без застосування індивідуальних захисних засобів.
У побутових умовах дозволяється експлуатувати тільки машини класів II і III відповідно до призначення, вказаного у паспорті машини.
Для машин класів І та II різниця потенціалів між землею та будь-яким проводом електричної мережі, до якої приєднується РЕМ, не повинна бути більшою за 250 В. Різниця потенціалів між землею і будь-якою фазою мережі живлення машини III класу не повинна перевищувати 24 В.
Конструкція штепсельного з'єднання машини III класу не повинна допускати суміщення із з'єднаннями, призначеними для машин І та II класів. Конструкція з'єднання на 200 та 400 Гц не повинна допускати суміщення із штепсельними з'єднаннями на 50 Гц.
Опір ізоляції нових машин (після випуску з заводу) від носно корпусу та між обмотками не повинен бути меншим за 100 МОм у холодному стані та 2 МОм при робочій темпера турі двигуна.