Метрология расчет типовых соединений
Содержание
Исходные данные для расчётов
Задание 1. Выбор посадки с зазором
Задание 2. Выбор посадки с натягом
Задание 3. Выбор переходной посадки
Задание 4. Выбор посадок шпоночного соединения
Задание 5. Выбор посадок на шлицевые соединения
Задание 6. Выбор посадок подшипника качения
Задание 7. Расчет резьбового соединения
Задание 8. Расчет исполнительных размеров калибров
Список литературы
Приложение А Графическая документация
Исходные данные для расчётов:
Вариант №16.
Размеры деталей
мм;
мм;
мм;
мм;
мм.
Резьбовое соединение: М8, длина свинчивания
мм.
Подипник качения: 0-418.
Шлицевое соединение: 8х62х72.
Номинальный диаметр под шпонку
мм.
Крутящий момент
Н∙м.
Реакция
Н.
Скорость для
м/с.
Смазка для
:
жидкая.
Вид покрытия для
:
без покрытий.
Вращающееся кольцо ПК:
.
Режим работы ПК: тяжёлый.
Вид центрирования шлицевого соединения:
.
Характер шпоночного соединения: свободное.
Материалы деталей:
1) корпус конструкции – высокопрочный чугун.
2) втулка подшипника скольжения – бронза.
3) вал под втулку подшипника скольжения – конструкционная сталь.
4) остальные детали - конструкционная сталь.
Задание 1. Выбор посадки с зазором
Для соединения с зазором (рисунок 1) в зависимости от диаметра d>4> и скорости вращения V>0> выбрать посадку, определить ее основные параметры, вычертить схему расположения полей допусков, найти минимальный и максимальный зазоры, проставить значение ∅d>4> и обозначение посадки.

Рисунок 1 – Эскиз соединения с зазором
Расчёт
Исходные данные: ∅d>4>=20 мм, V>0>=1,5 м/с, смазка жидкая.
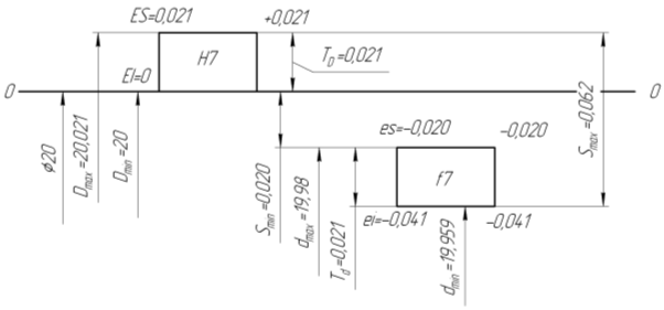
По таблице 1.6 /1/ выбираем предпочтительную посадку ∅20H7/f7. По таблицам 1.2 и 1.4 /1/ находим предельные отклонения:
,

Допуск вала: Td=0,021 мм.
Допуск отверстия: TD=0,021 мм.
Для подшипников скольжения рекомендуется (таблица 1.8 /1/) нормальная степень относительной геометрической точности (ОГТ-А), для которой допуски формы
T>∆>>d>=0,3Td=0,3·0,021=0,0063 мм≈6 мкм.
T>∆>>D>=0,3TD=0,3·0,021=0,0063 мм≈6 мкм.
Предпочтительный параметр шероховатости
Для вала
Ra=0,05Td=0,05·0,021=0,00105 мм≈1,0 мкм.
Для отверстия
Ra=0,05TD=0,05·0,021=0,00105 мм≈1,0 мкм.
Схема расположения полей допусков изображена на рисунке 2.

Рисунок 2 – Схема расположения полей допусков для посадки с зазором
Зазоры:
максимальный S>max>=ES–ei=0,021-(-0,041)=0,062 мм;
минимальный S>min>=EI–es=0-0,020=0,020 мм.
Схема соединения с зазором приведена в приложении А.
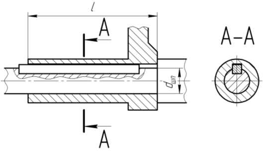
Задание 2. Выбор посадки с натягом
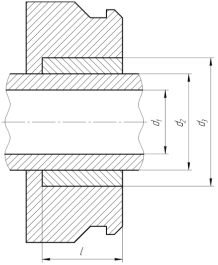
Для втулки, запрессованной в корпус (рисунок 3), в зависимости от конструктивных параметров (d>1>, d>2> и l), воспринимаемого крутящего момента М>к> и сочетания конструкционных материалов выбрать посадку, определить ее основные параметры, вычертить схему расположения полей допусков, найти минимальный и максимальный натяги, проставить значение d>2> и обозначение посадки.

Рисунок 3 – Эскиз соединения с натягом
Расчёт
Исходные данные: ∅d>1>=90 мм; ∅d>2>=135 мм; ∅d>3>=180 мм; l=60 мм; M>k>=7,0 H·м; R>ОС>=90 Н; материалы – бронза + высокопрочный чугун.
1 Находим требуемое минимальное давление

где
– коэффициент трения при запрессовке,
(табл 1.14 /1/)

2 Определяем величину наименьшего расчетного натяга

Где

где
- коэффициент Пуассона для бронзовой
втулки,
(таблица 1.16 /1/)


где
- коэффициент Пуассона для чугунного
корпуса,
(таблица 1.16 /1/)

- модуль Юнга;
Для бронзовой втулки
(таблица 1.16 /1/).
Для чугунного корпуса
(таблица 1.16 /1/).

3 Максимальное допустимое давление

где
- предел текучести,
(таблица 1.16 /1/).

4 Максимальный допустимый натяг



5 Средний натяг, мкм


6 Относительный средний натяг, мкм


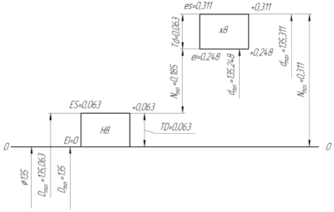
7 По таблице 1.11 /1/ при
находим группу посадок и их параметры
для
Найденные посадки заносим в таблицу 1.
Условию
удовлетворяют все посадки, условию
также удовлетворяют все посадки. Выбираем
посадку

Схема расположения полей допусков представлена на рисунке 4.
Натяги:
максимальный N>max>=es–EI=0,311-0=0,311 мм;
минимальный N>min>=ei–ES=0,248–0,063=0,185 мм.
Таблица 1 – Группа посадок с натягом и их параметры
|
Обозначение посадки |
H7/u7 |
H8/u8 |
H8/x8 |
H8/z8 |
|
|
|
|
|
|
|
мкм |
210 |
233 |
311 |
428 |
|
мкм |
130 |
107 |
185 |
302 |

Рисунок 4 - Схема расположения полей допусков для посадки с натягом
Схема соединения с натягом приведена в приложении А.
Для посадок с натягом (таблица 1.15 /1/) рекомендуется нормальная степень геометрической точности (ОГТ-А), у которой допуски формы
Допуск вала
T>∆>>d>=0,2·Td=0,2·0,063=0,0126 мм≈12,0 мкм.
Допуск отверстия
T>∆>>D>=0,2·TD=0,2·0,063=0,0126 мм≈12,0 мкм.
Предпочтительный параметр шероховатости вала и отверстия
Rz=0,1·T=0,1·0,063=0,0063 мм≈6,3 мкм.
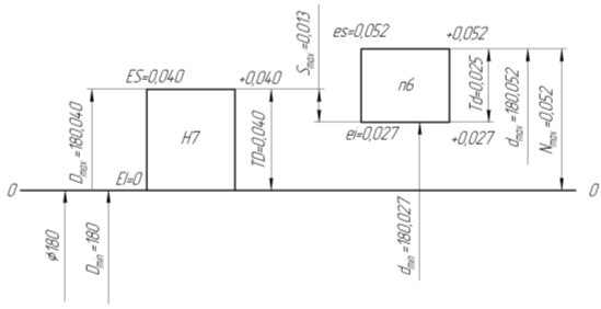
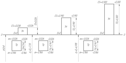
Задание 3. Выбор переходной посадки
Для эскиза переходного соединения (рисунок 5), в зависимости от посадочного диаметра d>3> и вида посадки определить параметры посадки, вычертить схему расположения допусков, найти максимальные зазор и натяг, проставить значение ∅d>3> и обозначение посадки.

Рисунок 5 – Эскиз переходного соединения
Расчёт
Исходные данные: ∅d>3>=180 мм.
Принимаем переходную посадку с вероятным натягом
Выбираем посадку H7/n6 по таблице 1.10/1/.
По таблицам 1.2 и 1.4 /1/ находим предельные отклонения:

Допуски деталей:

Для переходных посадок с вероятным натягом нормы точности аналогичны нормам для посадок с натягом.
Тогда




Параметры шероховатости:
для отверстия


для вала


Схема расположения полей допусков приведена на рисунке 6.

Рисунок 6 – Схема расположения полей допусков для переходной посадки
Схема переходного соединения приведена в приложении А.
Максимальный зазор, мм


Максимальный натяг, мм


Задание 4. Выбор посадок шпоночного соединения
Выбрать посадку на призматическое шпоночное соединение корпусной детали с валом (рисунок 7).

Рисунок 7 – Эскиз шпоночного соединения
Расчёт
Исходные данные: ∅d>шп>=30 мм, l=60 мм, соединение свободное.
По таблице 5.1 /1/ определяем конструктивные
параметры соединения (рисунок 8). Размеры
шпонки:


Рисунок 8 – Размеры шпоночного соединения
В таблице 5.5 /1/ выбираем поля допусков: шпонка – h9, паз вала - Н9, паз втулки – D10.
Результаты записываем в таблицу 2.
Таблица 2 – Поля допусков шпоночного соединения
|
8h9 |
8Н9 |
8D10 |
|
|
|
|
Таблица 3 – Поля допусков шпоночного соединения
|
|
|
|
|
|
|
|
|
|
|
|
Допуска для выше указанных размеров выбраны по таблице 5.2 /1/.
Схема расположения полей допусков представлена на рисунке 9.

Рисунок 9 - Схема расположения полей допусков
Схема шпоночного соединения приведена в приложении А.
По таблице 5.3 /1/ выбираем параметры шероховатости:
Рабочие поверхности шпонки, паза вала и паза втулки – Ra 3,2 мкм.
Нерабочие поверхности шпонки – Ra 8,0 мкм.
Нерабочие поверхности паза вала и паза втулки – Ra 12,5 мкм.
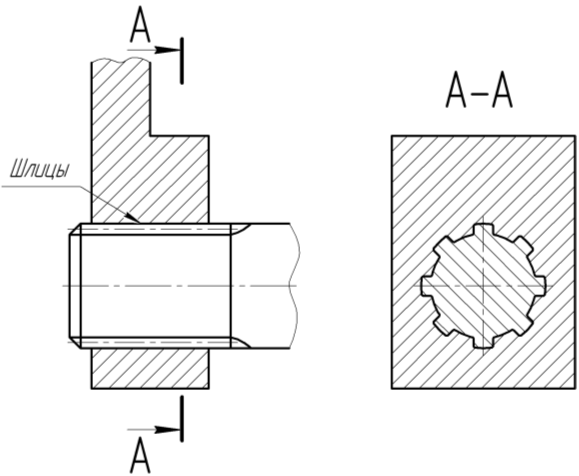
Задание 5. Выбор посадок на шлицевые соединения
Выбрать посадку на шлицевое соединение (рисунок 10).

Рисунок 10 – Эскиз шлицевого соединения
Расчёт
Обозначение соединения: d–8x62x72x12.
Характер соединения: нормальное.
В зависимости от базовой поверхности и характера соединения выбираем посадки по таблицам 5.7, 5.8, 5.9 /1/.
Обозначение соединения получит вид:
d–8x62(H7/g6)x72(H12/a11)x12(D9/h9).
По таблицам 1.2 и 1.4 /1/ находим численные значения допусков:

Схема расположения полей допусков показана на рисунке 11.

Рисунок 11 – Схема расположения полей допусков
Схема шлицевого соединения приведена в приложении А.
Допуски формы и расположения поверхностей находим по таблице 5.16 /1/, параметры шероховатости - по таблице 5.17 /1/.
Цилиндричности по d/o/=0,3T>d>=0,3·0,019=0,0057 мм≈6 мкм.
Соостности d и D=0,2(T>d>+T>D>)=0,2·(0,019+0,19)=0,0418 мм≈40 мкм.
Параллельности ширины паза и зуба //=0,4Т>b>=0,4·0,043=0,0172 мм≈20 мкм.
Симметричности паза втулки и зуба шлица
0,3·Т>b>=0,3·0,043=0,0129 мм≈12 мкм.
Параметры шероховатости
Для центрирующих поверхностей (внутреннего диаметра):
Ra=0,025·T=0,025·0,019=0,000475 мм≈Ra 0,4 мкм.
Для нецентрирующих поверхностей:
Шероховатость наружного диаметра
Ra=0,05·T=0,05·0,19=0,0095 мм≈Ra 10 мкм.
Шероховатость ширины шлица
Ra=0,05·T=0,05·0,043=0,00215 мм≈Ra 2,0 мкм.
Задание 6. Выбор посадок подшипника качения
посадка зазор подшипник втулка
Выбрать посадку подшипника качения (рисунок 12).

Рисунок 12 – Эскиз соединения с подшипником качения
Расчёт
Обозначение подшипника - 0-418, режим работы – тяжёлый, вращающееся кольцо – внутреннее.
Класс точности подшипника – 0.
По таблице 4.1 /1/ находим: d=90 мм, D=220 мм, В=54 мм.
Посадки находим по таблице 4.3 /1/). Предельные отклонения диаметров d и D подшипника - таблицы 4.7 и 4.8, посадочных поверхностей - таблицы 1.2 и 1.4 /1/.
Предельные отклонения диаметров подшипника заносим в таблицу 4.
Строим схему расположения полей допусков и находим допуски формы и расположения поверхностей - таблица 4.5 /1/, параметры шероховатости - по таблице 4.6 /1/.
Схема расположения полей допусков показана на рисунке 13.
Таблица 4 – Предельные отклонения диаметров подшипника
|
d, мм |
L0 |
n6 |
||
|
ВО |
НО |
ВО |
НО |
|
|
90 |
0 |
-0,020 |
+0,045 |
+0,023 |
|
D, мм |
J>S>7 |
|
||
|
ВО |
НО |
ВО |
НО |
|
|
220 |
+0,023 |
-0,023 |
0 |
-0,030 |
|
ES |
EI |
es |
ei |
Допуск формы:

Допуск торцевого биения заплечиков:

Допуск радиального биения:

Параметры шероховатости:

Торцов заплечиков корпуса Ra=2,5 мкм.
Торцов заплечиков вала Ra=2,5 мкм.

Рисунок 13 - Схема расположения полей допусков
Схема соединения с подшипником качения приведена в приложении А.
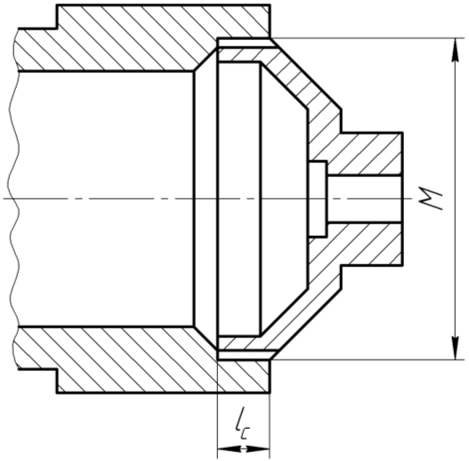
Задание 7. Расчет резьбового соединения
Выбрать посадку на резьбовое соединение (рисунок 14).

Рисунок 14 – Эскиз резьбового соединения
Исходные данные: М8, длина свинчивания
мм; вид покрытия – без покрытий.
Расчёт
1) По назначению изделия, особенностям конструкции и необходимости разборки - сборки выбираем характер посадки резьбы: переходная.
2) По виду покрытия (без покрытий) выбираем основные отклонения для наружной и внутренней резьбы по рекомендациям таблицы 6.6 /1/.
Наружная резьба: Н.
Внутренняя резьба: g.
3) По способу нарезания выбрать класс точности (точный, средний, грубый) по таблице 6.7 /1/.
Способ нарезания резьбы: нарезание резьбы на станке.
Класс точности: средний.
4) По аналогии с подобными конструкциями или по особенностям конструкции выбрать шаг резьбы с учетом рекомендаций таблицы 6.8 /1/.
Шаг резьбы: 1,0 мм.
5) По номинальному диаметру
,
шагу
и длине свинчивания
из таблицы 6.4 /1/ устанавливаем группу
свинчивания: L (большая).
6) По основному отклонению, группе свинчивания и классу точности по таблице 6.5 /1/ выбираем поля допусков наружной и внутренней резьбы:
наружная резьба: 7g.
внутренняя резьба: 7Н.
Записываем условное обозначение посадки резьбового соединения:
М8х1-7H/7g-10.
7) По размеру
и шагу
по таблице 6.2 /1/ вычисляем размеры
и
:


8) По размеру
,
шагу
и полю допуска наружной (7Н) и внутренней
(7g) резьбы по таблицам
6.10 и 6.11 /1/ находим предельные отклонения
на размеры
,
и
.
Предельные отклонения на размер

Предельные отклонения на размер

Предельные отклонения на размер

Предельные отклонения на размер D

Предельные отклонения на размер

Предельные отклонения на размер

Вычерчиваем схему полей допусков (рисунок 15), проставляем необходимые обозначения.

Рисунок 15 - Схема полей допусков на резьбовое соединение
Вычисляем величину зазоров:
Размер
минимальный 0,026 мм; максимальный 0,192 мм.
Размер
минимальный 0,026 мм; максимальный 0,356 мм.
Размер
минимальный 0,026 мм; максимальный 0,466 мм.
9) По классу точности и группе свинчивания задаём параметры шероховатости по таблице 6.3 /1/.
Шероховатость поверхностей соединения Ra=1,6 мкм.
10) Выполняем эскизы деталей и соединений и проставляем на них необходимые обозначения.
Схема резьбового соединения приведена в приложении А.
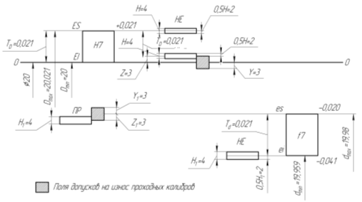
Задание 8. Расчет исполнительных размеров калибров
Расчёт
Рассчитать исполнительные размеры калибров для контроля деталей по посадке с зазором из задания №1 ∅20H7/f7.
1) По условному обозначению посадки по таблице 1.2 и 1.4 /1/ находим номинальный размер и поля допусков ∅20H7/f7:
отверстия ∅20: ES=+0,021; EI=0.
вала ∅20: es=-0,020; ei=-0,041.
2) Предельные размеры отверстия, мм



Предельные размеры вала, мм




3) По номинальному размеру посадки, квалитетам полей допусков отверстия и вала находим числовые значения отклонений и допусков, мкм (таблица 3.1 /1/)


Из таблицы находим нормы точности на допуски формы калибров пробок, скоб и контрольных калибров:
для скоб IT2→2,5 мкм;
для пробок IT2→2,5 мкм.
4) Строим схемы полей допусков на калибры (рисунок 16).

Рисунок 16 – Схема расположения полей допусков на калибры
5) Вычисляем исполнительные размеры калибров, мм
калибров пробок






калибров скоб






6) Предпочтительный параметр шероховатости
Для измерительных поверхностей рабочих калибров:
на калибры-пробки - Ra 0,08 мкм; на калибры-скобы - Ra 0,08 мкм.
Для измерительных поверхностей контрольных калибров:
калибры-пробки - Ra 0,05 мкм; на калибры-скобы - Ra 0,05 мкм.
7) Выполняем эскизы калибров и проставляем на них необходимые обозначения.
Схема калибров приведена в приложении А.
Список литературы
1 Пятирублевый Л.Г. Нормирование точности. Нормы точности. Методические указания по выбору норм точности. Пенза, изд-во ПТИ, 2001. 90 с
2 Рыжаков В.В., Вахрушев В.С., Шиндов В.С. Метрология, стандартизация, сертификация: Сборник практических заданий. – Пенза: Изд-во Пенз. гос. технол. акад., 2005. 56 с.
1




















