Проектирование и разработка приспособления для изготовления отверстий в детали
Министерство образования Российской Федерации
Рязанская государственная радиотехническая академия
Кафедра технологии РЭА
Пояснительная записка
к курсовому проекту по дисциплине
"Проектирование технологической оснастки"
Выполнил: студент гр.152
Дубов А.В.
Проверил: доцент, канд. техн. наук
Коваленко В. В.
Рязань 2004
Содержание
1. Введение
2. Основные этапы проектирования приспособления
2.1 Анализ и сбор исходных данных
2.2 Формулирование служебного назначения приспособления
2.3 Разработка принципиальной схемы приспособления
2.3.1 Базирование заготовок в приспособлении
2.3.2 Определение схемы зажима объекта
2.4 Основные расчеты приспособления
2.4.1 Расчет сил зажима
2.4.2 Расчет приспособления на точность
3. Заключение
4. Библиографический список
1. Введение
Развитие производства во многом определяется техническим прогрессом машиностроения. Увеличение выпуска продукции машиностроения осуществляется за счет интенсификации производства на основе широкого использования достижений науки и техники, применения прогрессивных технологий.
Технологическая оснастка является важнейшим фактором осуществления технического процесса в машиностроении. В промышленности эксплуатируется более 25 миллионов специальных станочных приспособлений. Затраты на изготовление технологической оснастки приблизились к затратам на изготовление металлорежущих станков.
Основную группу технологической оснастки составляют приспособления механосборочного производства. Приспособлениями в машиностроении называются вспомогательные устройства к технологическому оборудованию, используемые при выполнении операций механической обработки, сборки и контроля.
Повышение режимов работы современных станков и механизмов, их качества, надежности и долговечности связано с ужесточением требований к точности деталей машин и механизмов.
Точность механической обработки в значительной степени зависит от станочной оснастки. При обработке заготовки методом пробных проходов точность детали зависит в основном от квалификации рабочих. Применение автоматического метода получения размеров и механизированного закрепления заготовок в приспособлении практически полностью устраняет влияние уровня квалификации рабочего на точность обработки. Качество деталей, в этом случае, в значительной степени зависит от станочного приспособления, его точности, способности сохранять ее в процессе обработки, места приложения и направления усилия зажима и т.д.
Применение приспособлений позволяет: устранить разметку заготовок перед обработкой, повысить точность обработки, снизить себестоимость продукции, облегчить условия работы и обеспечить ее безопасность, расширить технологические возможности оборудования, организовать станочное обслуживание, применить технически обоснованные нормы времени, сократить число рабочих, необходимых для выпуска продукции.
2. Основные этапы проектирования приспособления
2.1 Анализ и сбор исходных данных
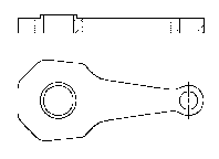
В данной работе требуется спроектировать приспособление для изготовления отверстий в детали типа "РЫЧАГ", эскиз которой приведен в приложении.
Технологический переход: сверление отверстий d = 8+0.3, выдерживая размер R = 20±0.2 и угловые меры равные 40°±1° и 25°±1°.
Вид и материал заготовки: Сталь 40. Она относится к группе среднеуглеродистых качественных сталей, которые применяются после дополнительной обработки (нормализации, улучшения и поверхностной закалки) для самых разнообразных деталей во всех отраслях машиностроения. Эти стали в отожженном состоянии хорошо обрабатываются резанием.
Сталь 40 имеет следующие механические свойства:
σ>в> = 58 кгс/мм2 = 570 Мпа,
δ = 19 %.
Режущий инструмент: сверло спиральное ¢8х132 ГОСТ 886-77Р6М5.
Вспомогательный инструмент: патрон цанговый диаметром до 10 мм.
Тип станка: радиально-сверлильный станок 2525 с рабочим столом 926х1710, с тремя Т-образными пазами, отстоящими на расстоянии 280 мм друг от друга (рис.2.1).
а б

Рис. 2.1. Т-образный паз (а) и рабочий стол (б) радиально-сверлильного станка 2525
Расстояние от верхнего положения шпинделя до плиты 1300 мм, от нижнего положения - 530 мм. Ход шпинделя 300 мм. Наибольший диаметр сверления по стали 35 мм.
Режим резания: подача S = 0.14 мм/об.
2.2 Формулирование служебного назначения приспособления
Приспособление предназначено для установки одной заготовки рычага из стали 40, имеющей габаритные размеры 55 х 124 х 12, в горизонтальной плоскости на три цилиндрических штыря и два установочных пальца с точностью по размеру R с допуском 0.2 мм и допусками на угловые размеры 1°, с прижимом заготовки к установочной базе силой не менее 500 Н.
2.3 Разработка принципиальной схемы приспособления
2.3.1 Базирование заготовок в приспособлении
Базирующими элементами приспособлений называются детали и механизмы, обеспечивающие правильное и однообразное расположение заготовок относительно инструмента.
оснастка приспособление отверстие деталь
Исходя из чертежа детали, для обеспечения заданной точности изготовления отверстий необходимо базировать заготовку по плоскости и двум отверстиям.
Так как операция сверления, приспособление для осуществления которой разрабатывается в данном курсовом проекте, является заключительной при изготовлении данной детали, то ее установка на опоры производится обработанной плоскостью, поэтому выбираем в качестве установочного элемента штыри с плоской головкой. Используем три штыря для установки заготовки в приспособлении. Располагаем их на максимально возможном расстоянии друг от друга для обеспечения наиболее устойчивого положения заготовки.
Базирование заготовки будем осуществлять при помощи двух установочных пальцев: пальца установочного цилиндрического (ГОСТ 12209-66) и пальца установочного ромбического (ГОСТ 12325-69).
При такой установке в приспособление заготовка оказывается лишенной пяти степеней свободы: двух поступательных - вдоль осей OX и OY - и трех вращательных. Перемещение заготовки вдоль оси OZ будет исключено при приложении усилия зажима (рис.2.2).
Так как обрабатываемая заготовка обладает достаточно большой жесткостью, то применение дополнительных опор не требуется.

Рис. 2.2. Схема базирования заготовки в приспособлении
2.3.2 Определение схемы зажима объекта
Силовое замыкание для закрепления заготовки в нашем случае должно быть направлено на горизонтальную установочную плоскость.
Для надежного обеспечения определенности базирования объекта рекомендуется силовое замыкание направлять на каждую из силовых опор. Однако для упрощения приспособления желательно прикладывать силы зажима на одну координатную плоскость, построенную на установочной базе. Эту точку приложения силы выбираем равноудаленной от каждого из установочных элементов.
Так как заготовка имеет небольшую массу и силы, возникающие при обработке, приводят к нарушению положения заготовки, то необходимо применить зажимное устройство.
Зажимное устройство предназначено для устранения возможности вибрации или смещения заготовки относительно установочных элементов приспособления под действием собственного веса и сил, возникающих в процессе обработки.
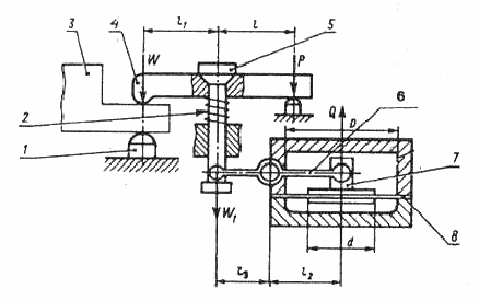
Используем в качестве зажимного устройства комбинированный зажим с пневматическим приводом (рис.2.3). Принцип его действия таков. При подаче сжатого воздуха в нижнюю часть пневмокамеры мембрана 8 прогибается и шток 7, жестко связанный с мембраной, поворачивая рычаг-усилитель 6 на оси, правое его плечо поднимает, а левое - опускает. Рычаг 6 левым плечом опускает стержень 5 с планкой 4 и планка левым плечом зажимает заготовку 3, установленную на опорах 1. При подаче сжатого воздуха в верхнюю часть пневмокамеры мембрана 8 прогибается вниз, и шток 7 поворачивая рычаг-усилитель 6 на оси, перемещает правое его плечо вниз, а левое - вверх. В этом случае рычаг левым плечом поднимает стержень 5, и он прекращает нажим на планку 4 и деталь освобождается. Пружина 2 поднимает прихват 4 и прижимает его к верхней головке стержня 5.

Рис. 2.3. Схема комбинированного зажима с пневматическим приводом
2.4 Основные расчеты приспособления
Основными расчетами приспособления являются расчет сил зажима, определение параметров силового привода и расчеты точности.
2.4.1 Расчет сил зажима
Расчет сил зажима произведем, решив задачу статики на равновесие твердого тела (заготовки) под действием системы внешних сил.
Для этого, во-первых, вычислим силы резания и их моменты, возникающие при сверлении детали, по формулам теории резания металла.
При сверлении на деталь действует осевая сила P вдоль оси сверла и момент резания М>кр>, которые рассчитаем по следующим эмпирическим формулам
М>кр >= 10·С>м>·D2·SY·K>р>, Н·м
Р> >= 10·С>р>·D·SY·K>р>, Н,
где D = 8 мм - диаметр сверла,
S = 0.14 мм/об - подача,
K>p> = (σ / 750) 0.76 = (570 / 750) 0.76 ≈ 0.8 - коэффициент, учитывающий прочностные свойства обрабатываемого материала,
С>р> = 95 - поправочный коэффициент,
С>м> = 0.038 - поправочный коэффициент,
Y = 0.75 - поправочный коэффициент.
Получаем
М>кр >= 10 · 0.038 · 82 · 0.140.75 · 0.8 ≈ 4.5 Н·м,
Р> >= 10 · 95 · 8 · 0.140.75 · 0.8 ≈ 1390 Н.
Найденное значение сил резания для надежности зажима заготовки умножают на коэффициент запаса К, величина которого зависит от условий обработки деталей на станке:
К = К>0> · К>1> · К>2> · К>3,>гдеК>0> = 1.5 - гарантированный коэффициент запаса,
К>1> = 1 - коэффициент, учитывающий величину силы резания в зависимости от обработки,
К>2> = 1.1 - коэффициент, учитывающий затупление инструмента,
К>3> = 1 - коэффициент, учитывающий прерывистость резания.
Получаем
К = 1.5 · 1 · 1.1 · 1 = 1.65.

Рис. 2.4. К расчету силы зажима
Во-вторых, определим силу Q, необходимую для зажима заготовки, для чего составим уравнение статического равновесия твердого тела. Расчет проведем для первого отверстия (рис.2.4). На тело действуют сила резания P и сила закрепления заготовки Q. Тело будет находиться в состоянии равновесия, если будет выполняться равенство
K · M>кр> = f>2> · P/3 · r>1> + f>2> · P/3 · r>2> + f>2> · P/3 · r>3> + f>2> · Q/3 · r>1> + f>2> · Q/3 · r>2> + f>2> · Q/3 · r>3> + f>1> · Q · r>4>
Откуда
Q = [K · M>кр> - f>2> · P/3 · (r>1> + r>2> + r>3>)] / [f>2>/3 · (r>1> + r>2> + r>3>) + f>1> · r>4>] (2.1)
где f>1> = f>2> = 0.1 - коэффициенты трения между поверхностями заготовки и установочными и зажимными элементами;
r>1>, r>2>, r>3>, r>4> - соответствующие длины плеч.
Для первого отверстия r>1> = 33 мм, r>2> = 21 мм, r>3> = 79 мм, r>4> = 46 мм, а значение силы зажима, рассчитанное по формуле 2.1, Q ≈ 140 H.
Для второго отверстия r>1> = 13 мм, r>2> = 36 мм, r>3> = 52 мм, r>4> = 22 мм, а значение силы зажима, рассчитанное по формуле 2.1, Q ≈ 493 H.
Поэтому для надежной фиксации заготовки в приспособлении необходимо приложить силу зажима Q = 500 H.
Для того чтобы создать такое зажимное давление на заготовке, необходимо приложить на шток пневмокамеры силу (рис.2.3)
W = Q·l>3>· (l>1> + l) / (l>2> · l · η)
где η - коэффициент, учитывающий трение в шарнирных соединениях и в пневмокамере; l>2> и l>3> - длины плеч рычага-усилителя;
l>1> и l - длины плеч прижимного рычага (планки).
Принимаем η = 1, l>1> = 50 мм, l>2> = 120 мм, l>3> = 120 мм, l = 50 мм. Тогда
W = 500 · 120 · (50 + 50) / (120 · 50 · 1) = 1000 H.
2.4.2 Расчет приспособления на точность
При расчете приспособления на точность главной задачей является определение погрешности установки ε>у>, которая складывается из трёх составляющих: погрешности базирования ε>б>, погрешности закрепления ε>з> и погрешности положения объекта ε>пр>, обусловленной неточностью установки самого приспособления на технологическом оборудовании. Если предположить, что ε>б>, ε>з> и ε>пр> представляют поля рассеяния случайных величин, то ε>у> может быть рассчитана как
ε>у> = ε>б>2 + ε>з>2 + ε>пр>2
Так как установка осуществляется на жесткий палец с зазором, то погрешность базирования ε>б> рассчитывается по формуле
ε>б> = 2 · e - δ>1> + δ>2> + 2 · Δ
где e - эксцентриситет наружной поверхности относительно отверстия;
δ>1> - допуск на диаметр отверстия; δ>2> - допуск на диаметр пальца;
Δ - минимальный радиальный зазор при посадке заготовки на палец.
В нашем случае e = 0.01 мм, δ>1> = 0.021 мм, δ>2> = 0.061 мм, Δ = 0.040 мм. Тогда
ε>б> = 2 · 0.01 - 0.021 + 0.061 + 2 · 0.040 = 0.14 мм.
Погрешность закрепления ε>з> может быть рассчитана по формуле
ε>з> = (Y>max> - Y>min>) · cosα
где Y>max> и Y>min> - соответственно максимальное и минимальное отклонения положения заготовки под действием силы зажима;
α - угол между фиксируемым размером и направлением действия силы.
В нашем случае ε>з> = 0, так как для фиксируемого размера измерительная база перемещается при зажиме заготовки в собственной плоскости (α = 90°).
Погрешность положения объекта ε>пр> зависит от точности изготовления и степени износа базирующих и установочных элементов. Она может быть рассчитана как
ε>пр> = T - K>T> (K>T1> · ε>б>) 2 + ε>у>2 + ε>з>2 + ε>и>2 + (K>T2> · w) 2
где T = 0.2 - допуск операционного размера; K>T> = 1.1;
K>T1> = 0.85 - коэффициент, зависящий от качества настройки станка;
ε>б> - погрешность базирования в направлении операционного размера;
ε>з> - погрешность закрепления в направлении операционного размера;
ε>у> = 0.02 мм - погрешность установки приспособления на рабочем столе. Определяется величиной зазора в сопряжении шпонка - паз стола;
ε>и> - погрешность износа установочных элементов; рассчитывается по формуле
ε>и> = U>0> · K>1> · K>2> · K>3> · K>4> · К>ф> / N
где U>0> = 0.05 мм - средний износ установочных элементов при усилии зажима 10 кН и числе установок N = 100000;
K>1>, K>2>, K>3>, K>4> - коэффициенты, учитывающие влияние материала заготовки, оборудования, условий обработки и числа установок заготовки. Значения коэффициентов выбираем из таблицы - K>1 >= 0.95, K>2> = 1.25, K>3> = 1, K>4> = 2.4
K>ф> = 1.5.
Тогда ε>и> = 0.05 · 0.95 · 1.25 · 1 · 2.4 · 1.5/100000 = 0.000002 мм.
K>T2> = 0.7;
w = 0.15 мм - экономическая точность обработки (при сверлении по кондуктору w соответствует 12 квалитету по диаметру).
Тогда
ε>пр> = 0.2 - 1.1 (0.85 · 0.14) 2 + 0.022 + 02 + 0.0000022 +
+ (0.7 · 0.15) 2 = 0.083 мм.
Получаем, что
ε>у> = 0.142 + 02 + 0.0832 = 0.163 мм < 0.2 мм.
Следовательно, приспособление, сконструированное с данными элементами, обеспечит заданную точность установки заготовки.
3. Заключение
В ходе выполнения данного курсового проекта было спроектировано приспособление для сверления отверстий в детали типа рычаг по размерам и с точностью, указанными в техническом задании.
Чертежи приспособления и деталировка оригинальных деталей были выполнены в системе параметрического автоматизированного проектирования и черчения T-FLEX CAD.
4. Библиографический список
Андреев Г.Н., Новиков В.Ю., Схиртладзе А.Г. Проектирование технологической оснастки машиностроительного производства: Учеб. пособие для машиностроительных спец. вузов / Под ред. Ю.А. Соломенцева.2-е изд., испр. М.: Высш. шк., 1999.415 с.
Альбом по проектированию приспособлений: Учеб. пособие для студентов машиностроительных специальностей вузов / Б.М. Базров, А.И. Сорокин, В.А. Губарь. М.: Машиностроение, 1991.121 с.
Корсаков В.С. Основы конструирования приспособлений: Учебник для вузов.2-е изд., перераб. и доп. М.: Машиностроение, 1983.431 с.
Станочные приспособления: Справочник. В 2 т. М.: Машиностроение, 1983.
Технологическая оснастка машиностроительных производств: Учеб. пособие: В 2 ч. / Сост. А.Г. Схиртладзе. М.: МГТУ СТАНКИН, 1998.