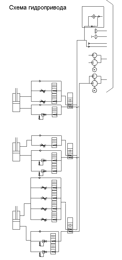
Станочные гидроприводы
Размещено на http://www.
Министерство высшего и профессионального образования РФ
Томский политехнический университет
Контрольная работа по Гидравлике и Гидропневмопривода
Томск – 2011
План
гидроцилиндр трубопровод насос
Исходные данные
Подбор гидроцилиндров
Выбор насосной станции
Подбор регулирующей аппаратуры
Расчёт трубопровода
Расчёт потерь
Расчет регулировочной и механической характеристик
Исходные данные

Привод зажима






Привод поджима



Привод механизма установки и снятия заготовки



Длинна магистрали

Подбор гидроцилиндров
Подбор гидроцилиндра №1.
Расчитаем площадь гидроцилиндра F:

, где P>max >– максимальное усилие, P>max >=2000кг;
р – давление в системе кГс; выбирается из ряда стандартных значений(2,5; 6,3; 10; 16; 20; 25; 32; 40; 50; 63).
Расчетный диаметр поршня гидроцилиндра D>p>:

,где F – площадь гидроцилиндра, мм2;
- постоянная, =3,14;

Выбираем диаметр гидроцилиндра исходя из условий:
, где D>p> – расчётный диаметр гидроцилиндра;
D>в> – выбранный диаметр гидроцилиндра;
Диаметр выбирается из ряда стандартных значений: 32; (36); 40; (45); 50; (56); 63; (70); 80; (90); 100; (110); 125; (140); 160; (180); 200; (220)мм.
Исходя из выше перечисленных условий принимаем D>в>= 6,3см.

Рассчитаем расход Q:

Выбираем гидроцилиндр
ЦРГ
ОСТ2
Г29-1-77
Подбор гидроцилиндра № 2.
Расчитаем площадь гидроцилиндра F:

,где P>max >– максимальное усилие, P>max >=320 кг;
р – давление в системе кГс; выбирается из ряда стандартных значений(2,5; 6,3; 10; 16; 20; 25; 32; 40; 50; 63).

2. Расчетный диаметр поршня гидроцилиндра D>p>:
,где F – площадь гидроцилиндра, мм2;
- постоянная, =3,14;
3
.
Выбираем диаметр гидроцилиндра исходя
из условий:
, где D>p> – расчётный диаметр гидроцилиндра;
D>в> – выбранный диаметр гидроцилиндра;
Диаметр выбирается из ряда стандартных значений: 32; (36); 40; (45); 50; (56); 63; (70); 80; (90); 100; (110); 125; (140); 160; (180); 200; (220)мм.
Исходя из выше перечисленных условий принимаем D>в>= 5см.
Рассчитаем расход Q:


Выбираем гидроцилиндр
ОСТ2 Г29-1-77
Подбор гидроцилиндра № 3.
Расчитаем площадь гидроцилиндра F:

,где P>max >– максимальное усилие, P>max >=80кг;
р – давление в системе кГс; выбирается из ряда стандартных значений(2,5; 6,3; 10; 16; 20; 25; 32; 40; 50; 63).
Расчетный диаметр поршня гидроцилиндра D>p>:
,
где F – площадь гидроцилиндра, см2;
- постоянная, =3,14;

3. Выбираем диаметр гидроцилиндра исходя из условий:
, где D>p> – расчётный диаметр гидроцилиндра;
D>в> – выбранный диаметр гидроцилиндра;
Диаметр выбирается из ряда стандартных значений: 32; (36); 40; (45); 50; (56); 63; (70); 80; (90); 100; (110); 125; (140); 160; (180); 200; (220)мм.
Исходя из выше перечисленных условий принимаем D>в>= 3,2 см.

Рассчитаем расход Q:

Выбираем гидроцилиндр
ОСТ2 Г29-1-77
Выбираем насосную станцию:
Q>1>=14,955 л/мин; P>1>=10 МПа;
Q>2>=1,884 л/мин; P>2>=2,5 МПа;
Q>3>=12,058 л/мин; P>3>=2,5 МПа;
Q>max>=14,955 л/мин; P>max>> >=10 МПа;
Выбираем насосную станцию

|
|
А |
М |
Л |
Г48-8 |
4 |
УХЛ |
4Г49-33 |
3 – исполнение по высоте гидрошкафа;
А – с теплообменником и терморегулятором;
(исполнение по способу охлаждения)
М – один агрегат за щитом;
(исполнение по расположению и количеству насосных агрегатов)
Л – левое распеоложение насосного агрегата;
Г48-8 – обозначение насосной установки;
4 – исполнение по вместимости бака (4-160);
УХЛ – кинематическое исполнение;
БГ12-33М – тип комплеклующего насоса;
4А112МВ6 – тип электодвигателя;
4Г49-33 – номер насосного агрегата;
Подбор регулирующей аппаратуры.
Обратные клапана
Выбираем обратный клапан
Г 51 – 3 2(ТУ2-053-1649-83Е)
Г51-3 – обозначение по классификату станкостроения;
2 – исполнение по условному проходу;
Потери давления 0,25 МПа;
Дроссели
Выбираем дроссель типа ДР – 12(ТУ2-053-1711-84Е):
Максимальный расход – 40л/мин;
Номинальное рабочее давление – 25 МПа;
Условный диаметр прохода 12 мм;
Потери давления 0,3 МПа;
Гидрораспределители
Выбираем гидрораспределитель типа ВЕ10 – 573(ГОСТ 26890 - 86)
Условный диаметр прохода – 10мм;
Номинальный расход масла 20 – 32 л/мин;
Номинальное давление – 32 МПа;
Электронное управление;
Потери давления 0,55 МПа;
Трехпозиционный распределитель.
Выбираем регулятор типа В10 (ГОСТ 26890 - 86)

В |
Е |
10 |
44 |
41/ |
О |
Г24 |
Н |
В – гидрораспределитель золотниковый;
Е – с электронным управлением;
10 – диаметр условного прохода;
44 – исполнение по гидросхеме;
41/ – номер конструкции;
О – без пружинного возврата;
Г24 – постоянный ток (напряжение 24В);
Н – электромагнит (пневмоголовка) с управлением от кнопки;
Потери давления 0,55 МПа;
Расчёт трубопровода
Принимаем материал трубопровода Ст20.
Определение внутреннего диаметра трубопровода

скорость для напорных
магистралей
Vм =4 так как р = 10 МПа



скорость для сливных
магистралей
Vм = 2 так как р = 10 МПа



Определение минимальной толщины стенок трубопровода.


Для напорной магистрали



Для сливной магистрали



Принимаем толщину
стенок трубы для напорной магистрали
0,3мм
и сливной магистрали
0,3мм
Определение наружного диаметра трубы

Для напорной магистрали



Для сливной магистрали



Выбираем трубу по; бесшовная холоднодеформированная прецизионная.
18
1
ГОСТ 8734-75 …………………… [1.с.351
]
Масло

Определение числа Рейнальдса
;
если число Рейнальдса >2300 – поток
турбулентный, если < 2300
ламинарный.
Для напорной магистрали



Для сливной магистрали



Все ветви магистрали имеют ламинарный режим течения жидкости.
Расчёт потерь
Для схемы. 1
Так как для всех трубопроводов режим течения ламинарный то потери в трубопроводах считаются по формуле:

Первый контур:



Второй контур:
Третий контур


Расчет потерь в приводе поджима заготовки.


Местные потери
Для напорной магистрали
Д
ля
сливной магистрали
О
бщие
потери




Расчет регулировочной и механической характеристик.
Механическая характеристика









|
|
V |
f |
V |
f |
V |
|||
|
0,01 |
0,068 |
0,01 |
0,066 |
0,01 |
0,064 |
|||
|
0,02 |
0,136 |
0,02 |
0,132 |
0,02 |
0,129 |
|||
|
0,03 |
0,203 |
0,03 |
0,188 |
0,03 |
0,194 |
|||
|
0,04 |
0,270 |
0,04 |
0,264 |
0,04 |
0,258 |
|||
|
0,05 |
0,338 |
0,05 |
0,330 |
0,05 |
0,323 |
|||
|
0,06 |
0,406 |
0,06 |
0,396 |
0,06 |
0,387 |
|||
|
0,07 |
0,474 |
0,07 |
0,462 |
0,07 |
0,452 |
|||
|
0,08 |
0,574 |
0,08 |
0,528 |
0,08 |
0,517 |
|||
|
0,09 |
0,609 |
0,09 |
0,594 |
0,09 |
0,581 |
|||
|
0,1 |
0,677 |
0,1 |
0,660 |
0,1 |
0,646 |

Регулировочная характеристика.





|
F |
V |
F |
V |
F |
V |
||
|
0 |
0,0341 |
0 |
0,1021 |
0 |
0,204 |
||
|
100 |
0,0335 |
100 |
0,102 |
100 |
0,201 |
||
|
200 |
0,0331 |
200 |
0,1019 |
200 |
0,1986 |
||
|
300 |
0,0326 |
300 |
0,1016 |
300 |
0,1956 |
||
|
400 |
0,0315 |
400 |
0,0947 |
400 |
0,1926 |
||
|
500 |
0,031 |
500 |
0,0932 |
500 |
0,1895 |
||
|
600 |
0,0305 |
600 |
0,0916 |
600 |
0,1864 |
||
|
700 |
0,03 |
700 |
0,09 |
700 |
0,1832 |
||
|
800 |
0,0294 |
800 |
0,0883 |
800 |
0,1767 |
||
|
900 |
0,0286 |
900 |
0,087 |
900 |
0,1689 |

Механическая характеристика

Список использованной литературы
Свешников В.К.,Усов А.А. Станочные гидроприводы: Справочник.: - М.: «Машиностроение», 1988.
Свешников В.К.,Усов А.А. Станочные гидроприводы: Справочник.: - М.: «Машиностроение», 1988.
Свешников В.К. Станочные гидроприводы: Справочник.: - М.: «Машиностроение», 1995.
Анурьев В.И. Справочник Конструктора Машиностроителя. Том 3. – М.: «Машиностроение», 1979.
3
