Проектирование принципиальной схемы следящего гидропривода с дроссельным регулированием скорости
Министерство Науки и Образования Украины
Донбасская Государственная Машиностроительная Академия
Кафедра автоматизации производственных процессов
РАСЧЁТНО-ПОЯСНИТЕЛЬНАЯ ЗАПИСКА
к курсовой работе по дисциплине
«Исполнительные механизмы и регулирующие органы»
Выполнил
студент гр. АПП-04-2
Измайлов А.О.
Руководитель
Чекулаев Е.Ф.
Краматорск 2008
РЕФЕРАТ
Расчетно-пояснительная записка содержит 32 страницы, 8 рисунков, 1 таблицу, 2 приложения и 7 источников.
В данной курсовой работе проектируется следящий гидропривод с дроссельным регулированием скорости движения механизма вращения сверла вертикально-сверлильного станка с дросселями, установленными на входе и выходе из гидродвигателя.
Вертикально-сверлильные станки предназначены для выполнения операций сверления, развертки, зенкования, а также нарезания внутренних резьб, цекования и т.д.
Проектируемый в данной работе гидропривод включает в себя предохранительную аппаратуру, аппаратуру для контроля режимов работы, очистки рабочей среды, а также двусторонний гидравлический замок, облегчающий проведение ремонтно-профилактических работ.
СЛЕДЯЩИЙ ГИДРОПРИВОД, ДРОССЕЛИРУЮЩИЙ РАСПРЕДЕЛИТЕЛЬ, ГИДРАВЛИЧЕСКИЙ ЗАМОК, ПРЕДОХРАНИТЕЛЬНЫЙ КЛАПАН, ТРУБОПРОВОД, ФИЛЬТР, ПРОПОРЦИОНАЛЬНОЕ ЭЛЕКТРИЧЕСКОЕ УПРАВЛЕНИЕ
ВВЕДЕНИЕ
Широкое использование гидроприводов в станкостроении определяется рядом их существенных преимуществ перед другими типами приводов и, прежде всего, возможностью получения больших усилий и мощностей при ограниченных размерах рабочих органов.
Под гидроприводом понимают совокупность устройств (в число которых входит один или несколько объемных гидродвигателей или гидроцилиндров), предназначенную для приведения в движение механизмов и машин посредством рабочей жидкости под давлением.
В качестве рабочей жидкости в станочных гидроприводах используется минеральное масло.
Гидроприводы обеспечивают широкий диапазон бесступенчатого регулирования скорости (при условии хорошей плавности движения), возможность работы в динамических режимах с требуемым качеством переходных процессов, защиту системы от перегрузки и точный контроль действующих усилий.
Применение гидроприводов в станкостроении позволяет упростить кинематику станков, снизить металлоемкость, повысить точность, надежность и уровень автоматизации.
В современных станках и гибких производственных системах с высокой степенью автоматизации цикла требуется реализация множества различных движений. Компактные гидродвигатели легко встроить в станочные механизмы и соединить трубопроводами с насосной установкой, имеющей один или два насоса.
Такая система открывает широкие возможности для автоматизации цикла, контроля и оптимизации рабочих процессов, применения копировальных, адаптивных или программных систем управления, легко поддается модернизации, состоит, главным образом из унифицированных изделий, серийно выпускаемых специализированными заводами.
К основным преимуществам гидропривода следует также достаточно высокое значение КПД, повышенную жесткость и долговечность.
РАЗРАБОТКА ФУНКЦИОНАЛЬНОЙ СХЕМЫ ГИДРОПРИВОДА
Проектируемый гидропривод предназначен для дроссельного регулирования скорости вращения сверла вертикально-сверлильного станка. Общий вид вертикально-сверлильного станка показан на рис. 1.1

Рисунок 1.1 – Общий вид вертикально-сверлильного станка.
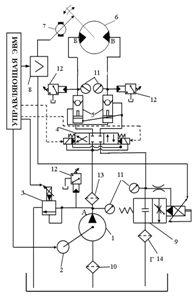
Заданному технологическому процессу соответствует схема гидропривода, представленная на рис 1.2.
С целью обеспечения необходимых параметров гидродвигателя используется дросселирующий распределитель с пропорциональным электрическим управлением, который обеспечивает дроссельное регулирование на входе в гидродвигатель.
гидропривод давление сопротивление потеря

1 — насос с нерегулируемым рабочим обьемом; 2 — приводной электродвигатель; 3 — предохранительный клапан с пропорциональним электрическим регулированием; 4 — гидроразделитель с электрогидравлическим управлением; 5 — односторонний гидравлический замок; 6 — гидродвигатель с нерегулированым рабочим объемом; 7 — тахогенератор; 8 — усилитель; 9 — регулированый дросель з пропорциональным электрическим управлением; 10 - приемный фильтр; 11 — манометры; 12 —реле давления; 13 — напорный фильтр; 14 - сливной фильтр.
Рисунок 1.2 – Функциональная схема следящего гидропривода с дроселем, установленым на выходе из ИМ.
ВЫБОР ГИДРОДВИГАТЕЛЯ И РАСЧЕТ ПАРАМЕТРОВ
Гидравлический двигатель объемного типа выбирается при соблюдении следующих условий:
крутящий момент
;максимальная частота вращения
;минимальная частота вращения
,
где индексом “п” обозначены паспортные значения, индексом “з” – заданные.
Учитывая эти требования,
выбираем аксиально-поршневой гидродвигатель
с нерегулируемым рабочим объемом
,
который имеет такие технические
характеристики:
Давление на входе:
.
Номинальный крутящий
момент:
.
Рабочий объем:
.
Максимальная частота
вращения:
.
Номинальная частота
вращения:
.
Минимальная частота
вращения:
.
Номинальная продуктивность:
.
Номинальная мощность:
.
Объемный КПД:
.
Механический КПД:
.
Общий КПД:
.
Момент инерции вращающихся
масс:
.
Для выбранного типоразмера двигателя определяем такие параметры:
полезный перепад давлений при условии, что давление на выходе гидродвигателя
:
,
где
– необходимый перепад давлений,
;
– давление на входном
патрубке гидропривода,
;
– давление на выходном
патрубке гидропривода,
;
– рабочий объем выбранного
гидродвигателя;
максимальный расход жидкости на входе в гидродвигатель:
,
где
– заданная максимальная скорость
вращения ротора гидродвигателя;
– объемный КПД гидродвигателя;
максимальный расход жидкости на выходе из гидродвигателя:
.
ГИДРАВЛИЧЕСКИЙ РАСЧЕТ ПАРАМЕТРОВ ТРУБОПРОВОДОВ
Гидравлический расчет трубопроводов заключается в выборе оптимального внутреннего диаметра трубы и определении потерь давления по длине трубопровода.
На участках трубопровода АС, СБ и СВ устанавливаются трубы с одинаковым внутренним диаметром трубопровода, а на участке СГ – труба с другим внутренним диаметром.
Расчетные значения внутренних диаметров трубопроводов:
на участках АС, СБ и СВ:
,
где
- допустимая скорость движения в
нагнетательном трубопроводе;
на участке СГ:
,
где
- допустимая скорость движения в сливном
трубопроводе.
Из справочника выбираются трубы из стали 20, которые имеют внутренний диаметр:
на участках АС, СБ и СВ – 28мм
;на участке СГ – 39мм
.
Тогда действительная скорость движения жидкости в трубопроводах:
на участках АС, СБ:
;
на участке ВС:
;
на участке СГ:
.
По справочнику выбирается
тип рабочей жидкости – масло “Индустриальное
20А”, которое имеет такие характеристики:
кинематический коэффициент вязкости
,
плотность
.
Для каждого участка трубопровода рассчитываем число Рейнольдса:
для нагнетательного трубопровода (участок АБ):
;
для трубопровода на участке ВС:
;
для сливного трубопровода (участок СГ):
.
Таким образом, на всех
участках трубопровода будет существовать
турбулентный режим движения жидкости
(т.к.
)
в “гидравлически гладкой” трубе.
Рассчитываем коэффициент сопротивления при турбулентном режиме движения жидкости:
для нагнетательного трубопровода АБ:
;
для трубопровода на участке ВС:
;
для сливного трубопровода (участок СГ):
.
Таким образом, потери давления по длине трубопровода составят:
для нагнетательного трубопровода АБ:
,
где
– длина участка АБ трубопровода, м;
– плотность рабочей
жидкости,
;
– внутренний диаметр
выбранной трубы, м;
для сливного трубопровода ВГ:

где
и
– соответственно длина участков ВС и
СГ трубопровода.
РАСЧЕТ ПОТЕРЬ ДАВЛЕНИЯ В МЕСТНЫХ ГИДРАВЛИЧЕСКИХ СОПРОТИВЛЕНИЯХ
Суммарные потери давления в местных гидравлических сопротивлениях при последовательном их соединении определяются как сумма потерь давления в отдельных сопротивлениях.
Из справочника выбираем значения коэффициентов сопротивления для каждого типа сопротивления:
;
;
;
.
Рассчитываем потери давления жидкости при прохождении местных сопротивлений:
для нагнетательного трубопровода АБ:

для сливного трубопровода ВГ:

ВЫБОР ГИДРОАППАРАТУРЫ И ОПРЕДЕЛЕНИЕ ДЕЙСТВИТЕЛЬНЫХ ПОТЕРЬ ПРИ ПРОХОЖДЕНИИ ЖИДКОСТИ ЧЕРЕЗ АППАРАТЫ
Вся гидроаппаратура выбирается из справочников при соблюдении условий:
,
,
где
и
– соответственно номинальное паспортное
давление гидроаппарата и расчетный
перепад давлений на исполнительном
механизме.
и
– соответственно номинальный паспортный
объемный расход и расчетный максимальный
расход на входе в исполнительный
механизм.
Для выбранного типоразмера аппарата определяется действительная потеря давления при прохождении расчетного расхода через гидроаппарат:
,
где
– потери давления при прохождении через
гидроаппарат номинального паспортного
расхода
;
– действительное значение
расхода жидкости, проходящей через
исполнительный механизм.
Предохранительный клапан с пропорциональным электрическим управлением КРВП -25, который имеет такие характеристики
;
;
;
.
Действительные потери давления:
.
Дросселирующий распределитель с пропорциональным электрическим управлением РП20, который имеет параметры
;

;

;

;

;
;
;
.
Действительные потери давления:
в нагнетательном трубопроводе АБ:
;
в сливном трубопроводе ВГ:
.
Односторонний гидравлический замок КУ-32
;
;
;
.
Определяем потери давления при прохождении жидкости через замок:
в нагнетательном трубопроводе АБ:
;
в сливном трубопроводе ВГ:
.
Напорный фильтр 3ФГМ32
;
;
.
Определяем потери давления при прохождении жидкости через фильтр:
.
Сливной фильтр ФС400
;
;
.
Определяем потери давления при прохождении жидкости через фильтр:
.
Реле давления ВПГ62-11
;
.
Манометры МТП-60
;
класс точности 1.5.
Определяем суммарные потери давления в гидроаппаратуре:
в нагнетательной линии АБ:

в сливной линии ВГ:

РАСЧЕТ СУММАРНЫХ ПОТЕРЬ ДАВЛЕНИЯ В НАГНЕТАТЕЛЬНОМ И СЛИВНОМ ТРУБОПРОВОДАХ
Так как участки сопротивления соединяются последовательно, то суммарные потери давления в нагнетательной и сливной линиях определяются алгебраической суммой всех потерь давления в элементах трубопровода.
Суммарные потери давления рассчитываются:
в нагнетательном трубопроводе АБ:
;
в сливном трубопроводе ВГ:
.
ВЫБОР ИСТОЧНИКА ПИТАНИЯ
Выбрать из справочника источник питания гидросистемы с необходимыми параметрами можно только после определения расчетных значений необходимых давления и расхода на выходе из насосной установки.
Расчетное значение давления на выходе из насоса:
.
Расчетное значение расхода жидкости на выходе определяется:
,
где
–
расчетный расход жидкости на входе
гидродвигатель,
;
– суммарное значение
утечек жидкости через капиллярные щели
кинематических пар аппаратов, расположенных
в нагнетательной линии АБ;
;
– потеря, которая необходима
для функционирования гидравлической
системы управления дросселирующим
распределителем,
.
Тогда продуктивность насоса на выходе:
.
Выбираем насос из справочника при соблюдении таких условий:
давление
;продуктивность
.
На основании этих условий выбираем радиально-поршневой насос РМНА-125, имеющий следующую техническую характеристику:
Давление на входе:
.
Номинальная продуктивность:
.
Рабочий объем:
.
Номинальная частота
вращения:
.
Объемный КПД:
.
Механический КПД:
.
Общий КПД:
.
РАСЧЕТ ВЫСОТЫ ВСАСЫВАНИЯ
Уравнение равновесия давлений во всасывающем трубопроводе:

где
– давление столба жидкости во всасывающем
трубопроводе;
– потеря давления по длине всасывающего
трубопровода;
–
потеря давления при прохождении жидкости
через приемный фильтр.
Расчет высоты всасывания
осуществляется с условием обеспечения
во всасывающем трубопроводе ламинарного
режима движения жидкости
и перепада давлений.
Расход жидкости во всасывающем трубопроводе рассчитывается:
,
где
– номинальное паспортное
значение продуктиности насоса,
;
–
объемный КПД выбранного
насоса.
Из справочника выберем
приемный фильтр ФВСМ80 при соблюдении
условия
,
который имеет параметры
;
;
точность фильтрации 80 мкм.
Потери давления при прохождении через приемный фильтр:
.
Рассчетное значение внутреннего диаметра трубы:
.
Выбирается труба, которая имеет внутренний диаметр d = 100 мм.
Действительная скорость движения жидкости в трубопроводе:
.
Число Рейнольдса:
.
Коэффициент сопротивления:
.
Потери давления при движении жидкости по длине трубопровода:
.
Отсюда определяется высота всасывания:
.
РАСЧЕТ НАГНЕТАТЕЛЬНОГО ТРУБОПРОВОДА НА ПРОЧНОСТЬ
Прочностной расчет трубопровода
заключается в определении толщины
стенки трубы из условий прочности. Труба
рассматривается как тонкостенная
оболочка, подверженная равномерно
распределенному давлению
.
С достаточной для инженерной практики
точностью минимально допустимая толщина
стенки определяется:
,
где
- допустимое напряжение для трубы из
стали 20,
.
Труба выбранная ранее для нагнетательного трубопровода, удовлетворяет требованиям прочности, т.к. ее толщина (4мм) больше минимально допустимой (3,5мм).
ВЫБОР ЭЛЕКТРОДВИГАТЕЛЯ
Расчетная мощность на валу насоса:
,
где
- расчетное значение давления,
;
- общий КПД насоса,
.
По справочнику выбираем асинхронный электродвигатель с короткозамкнутым ротором общепромышленного назначения 5АН280А-6, который имеет такие параметры:
Номинальная мощность:
.
Синхронная частота
вращения:
.
Это удовлетворяет условиям
и
.
РАСЧЕТ МЕХАНИЧЕСКИХ И СКОРОСТНЫХ ХАРАКТЕРИСТИК
Коэффициенты сопротивления
при максимальной проходной площади
дросселя
определяются:




Правильность проделанных
расчетов проверяется определением
максимальной проходной площади дросселя
при заданном крутящем моменте
:

Механические характеристики представляют собой зависимость n = f(М) при постоянном значении проходной площади дросселя S>д> = const, а скоростные характеристики – зависимость n = f(S>д>) при М = cons. Механические и скоростные характеристики строятся по зависимости:
,
об/с.
Максимально возможная скорость вращения вала гидродвигателя:

Максимальный крутящий момент на валу гидродвигателя:

Если не учитывать потери
давления по длине трубопровода и в
местных гидравлических сопротивлениях,
которые мало влияют на значение
коэффициентов
,
,
и
,
то можно определить минимальные проходные
площади дросселей при заданном крутящем
моменте
:

Изменяя значения крутящего момента М и площади дросселей S>д> от минимального значения до максимального, можно построить любое количество механических и скоростных характеристик.
В данном гидроприводе
установлен конкретный насос, который
обеспечивает на выходе расход
.
Это обуславливает максимальную
(граничную) частоту вращения вала
двигателя
.
Расчетные значения, необходимые для построения характеристик, приведены в табл. 11.1. Исходя из этих данных строим механические (рис. 11.1) и скоростные (рис 11.2) характеристи гидропривода.
Таблица 11.1 – Расчет параметров гидропривода.
|
Момент М на валу, Н·м |
Скорость вращения вала n, об/с, при |
||
|
|
|
|
|
|
М>макс>=269.8 |
0 |
0 |
0 |
|
М>З>=253 |
1.345 |
22.781 |
15.798 |
|
0,75·М>З>=189.75 |
2.946 |
- |
- |
|
0,5·М>З>=126.5 |
3.943 |
- |
- |
|
0,25·М>З>=63.25 |
4.734 |
- |
- |
|
М=0 |
5.411 |
- |
- |

Рисунок 11.1 – Механические характеристики гидропривода.

Рисунок 11.2 – Скоростные характеристики гидропривода.
РАСЧЕТ ПАРАМЕТРОВ ПЕРЕДАТОЧНЫХ ФУНКЦИЙ МОДЕЛИ СЛЕДЯЩЕГО ГИДРОПРИВОДА
12.1 Передаточная функция электронного усилителя-сумматора БУ2110
.
12.2 Передаточная функция пропорциональных электромагнитов ПЕМ6–2 дросселирующего распределителя РП20
.
12.3 Расчет жидкости через сопло при среднем положении заслонки гидравлического моста дросселирующего распределителя РП20

12.4 Коэффициент усиления гидравлического моста рассчитывается
– по расходу жидкости:

– по давлению:

12.5 Эффективная торцевая площадь четырехщелевого золотника гидравлического замка

12.6 Динамическая жесткость потока жидкости через четырехщелевой золотник

12.7 Коэффициент передачи гидравлического моста

12.8 Постоянная времени гидравлического моста

12.9 Относительный коэффициент демпфирования колебаний

12.10 Передаточная функция четырехщелевого дросселирующего распределителя

Тогда, передаточная функция дросселирующего распределителя с пропорциональным электрическим управлением имеет вид:

12.11 Передаточная функция гидродвигателя


где
коэффициент передачи реального
гидродвигателя,

коэффициент усиления по
скорости идеального гидродвигателя,
,
коэффициент жесткости
механической характеристики,

коэффициент утечек
жидкости через капиллярные щели
кинематических пар гидродвигателя,

коэффициент усиления по
нагрузке,

приведенный коэффициент
вязкого трения,

постоянная времени
гидродвигателя,

где
– момент инерции вращающихся масс
гидродвигателя и рабочего механизма;
– приведенный модуль
упругости стенок цилиндров гидродвигателя
и жидкости,
.
Относительный коэффициент демпфирования колебаний:

12.12 Передаточная функция обратной связи по скорости
Обратная связь обеспечивается тахогенератором ТД-101. При напряжении на входе в усилитель-сумматор +9В система обратной связи при максимальной частоте вращения вала гидродвигателя на выходе тахогенератора создает напряжение +24 В.
Тогда передаточная функция обратной связи:

Согласно структурной схеме динамической модели следящего гидропривода (рис. 12.1) при помощи пакета MatLab проводим исследование переходного процесса функционирования привода при максимальной скорости движения и отсутствии статического крутящего момента (рис.12.2).

Рисунок 12.1 – Структурная схема динамической модели следящего гидропривода с дроссельным регулированием.

Рисунок 12.2 – График переходного процесса следящего гидропривода с дроссельным регулированием скорости движения.
Из графика переходного процесса мы видим, что система является неустойчивой. Для обеспечения устойчивости переходного процесса, а также для обеспечения требуемых показателей качества системы были предприняты следующие меры:
Увеличен коэффициент передачи блока управления БУ2110:
;Введено корректирующее звено в цепь дросселирующего распределителя. Передаточная функция звена
.
Окончательная структурная схема системы показана на рис. 12.3, а ее график переходного процесса – на рис. 12.4.

Рисунок 12.3 – Скорректированная структурная схема динамической модели следящего гидропривода с дроссельным регулированием.

Рисунок 12.4 – График переходного процесса следящего гидропривода с дроссельным регулированием скорости движения.
Анализ переходного
процесса динамической модели следящего
гидропривода (рис. 12.4) показывает, что
при скорректированных параметрах
система устойчива. Полученная длительность
переходного процесса
с
удовлетворяет заданной в условии
длительности
с.
ВЫВОДЫ
В ходе выполнения курсовой работы приобрели навыки проектирования следящих гидростатических гидроприводов с дроссельным регулированием скорости механизма главного движения станка с дросселем, установленным на выходе из гидродвигатель.
В работе было выполнено: проектирование принципиальной схемы следящего гидропривода с дроссельным регулированием скорости, произведен выбор стандартных элементов гидравлической аппаратура, которая выбирается из справочника при соблюдении определенных условий, рассчитаны потери давления на каждом элементе привода, и в целом по всему гидроприводу, гидравлический расчет трубопроводов, выбор источника питания. Рассчитали трубопровод на прочность, выбрали приводной электродвигатель. Были проведены расчеты и построения механических и скоростных характеристик привода в установившемся режиме, анализ и синтез динамической линеаризованной модели привода с целью обеспечения устойчивости привода по характеру переходного процесса с использованием продукта MatLab.
В ходе анализа модели
гидропривода динамическая система
оказалась неустойчива т.к. переходной
процесс имел колебательный характер.
После введения в систему корректирующего
звена и изменения коэффициента передачи
усилителя
динамическая система стала устойчивой,
время переходного процесса не превышает
заданного.
Таким образом, спроектированный гидропривод можно использовать в станочной промышленности т.к. он соответствует всем требованиям по точности и надежности работы.
ПЕРЕЧЕНЬ ССЫЛОК
Анурьев В.И. Справочник конструктора – машиностроителя: В 3 т. – М: Машиностроение, 1980. – Т. З. – 560 с.
Башта Т.М. и др. Гидравлика, гидромашины и гидроприводы. – М.: Машиностроение, 1982. – 422 с.
Свешников В.К., Усов А. А. Станочные гидроприводы: Справочник. – М.: Машиностроение, 1988. – 512 с.
Попов Д.Н. Динамика и регулирование гидро- и пневмосистем. – М.: Машиностроение, 1988. – 512 с.
Федорец В.О. и др. Гидроприводы и гидропневмоавтоматика. – К.: Высшая школа, 1995. – 464 с.
Чупраков Ю. И. Гидропривод и средства гидропневмоавтоматики. – М.: Машиностроение, 1979. – 232 с.
Чекулаев Е.Ф. Методические указания к курсовой работе по дисциплине «Исполнительные механизмы и регулирующие органы» – Краматорск: ДГМА, 2003. – 88с.


