Конструкция и назначение деталей двухступенчатого редуктора
Федеральное агентство по образованию
Российской Федерации
Санкт-Петербургский государственный горный институт им. Г.В.Плеханова
(технический университет)
Кафедра КГМ и ТМ
«Отчёт по лабораторной работе №1»
Выполнил: студент гр. МЦ-09
Плетнёв М.С.
Проверил: доцент Соколова Г.В
Санкт-Петербург 2011 год.
I. Цель работы
Изучение конструкции цилиндрического двухступенчатого редуктора, измерение его габаритных и присоединительных размеров, определение параметров зубчатого зацепления, расчет допускаемой нагрузки из условия обеспечения контактной выносливости зубчатой передачи.
II. Общие сведения
Зубчатый редуктор - механизм служащий для понижения угловых скоростей и увеличения крутящих моментов, выполненных в виде отдельного агрегата.

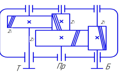
Рис. 1 Кинематическая схема двухступенчатого редуктора.
III. Порядок выполнения работы
Выполнить эскиз редуктора, замерить габаритные и присоединительные размеры редуктора и проставить их на эскизе (рис.2.)
Изучить конструкцию и назначение деталей и составить кинематическую схему редуктора (рис. 1.)
Замерить межосевые расстояния a>w>>Б >и a>w>>Т >.
Расшифровать параметры зубчатых передач, заполняя таблицу 1.
Для обеих ступеней редуктора вычислить передаточные числа:


где z>1> и z>3> – числа зубьев шестерён; z>2> и z>4> – числа зубьев колёс.
Замерить ширину венца b>w> передач и рассчитать коэффициенты ширины:


Рассчитать торцовый модуль m>t> каждой ступени (с точностью до 4-ого знака после запятой):
[мм.]
[мм.]
[мм.]
Рассчитать нормальные модули ступеней m в следующей последовательности: m>стБ>=3,0 ; m>стТ>=4,0.
Задаться предварительным углом наклона линии зуба на делительном цилиндре колеса β*(в данном случае β*=12)
Рассчитать предварительный нормальный модуль передачи m*:
[мм.]
[мм.]
[мм.]
Согласовать полученное значение m* со стандартным рядом модулей.
Рассчитать делительные углы наклона β линии зуба:
[градус]
[градус]
[градус]
Рассчитать делительные диаметры зубчатых колёс d>i>> >(с точностью до 2-го знака после запятой):
[мм.]
[мм.]
[мм.]
Рассчитать диаметры вершин d>ai>> >и впадин d>fi>> >зубчатых колёс (с точностью 2-ого знака после запятой) по формулам:
[мм.]
[мм.]
Быстроходная:
[мм.]
Тихоходная:
+
2◦4=64,57
[мм.]
Рассчитать коэффициент перекрытия ε:



Быстроходной:


Тихоходной:

Допускаемый крутящий момент. Из условий контактной выносливости зубьев определим допускаемый крутящий момент на шестерне тихоходной ступени.
;
где
-
коэффициент, учитывающий неравномерность
распределения нагрузки по ширине
зубчатого венца, зависящий от коэффициента
ширины колеса
от твердости поверхности зубьев и от
расположения колёс по отношению к
опорам:
;
-
для косозубых передач.


Рис. 2 Габаритные и присоединительные размеры редуктора.
цилиндрический двухступенчатый редуктор зубчатая
Расшифровка параметров зубчатых передач цилиндрического двухступенчатого редуктора
|
№ п/п |
Наименование величины |
Значение для ступеней |
Способ определения |
||
|
Быстроходной |
Тихоходной |
||||
|
1 |
Вид зацепления |
цилиндрическая косозубая |
цилиндрическая косозубая |
Осмотр |
|
|
2 |
Межосевое расстояние a>w>,мм |
150 |
200 |
Измерение |
|
|
3 |
Числа зубьев |
шестерни Z>ш> |
Z>1>=13 |
Z>3>=14 |
Подсчёт |
|
колеса Z>к> |
Z>2>=86 |
Z>4>=85 |
|||
|
4 |
Направление линии зуба |
шестерни Z>ш> |
левая |
левая |
Осмотр |
|
колеса Z>к> |
правая |
правая |
|||
|
5 |
Передаточное число ступени U |
6,62 |
6,07 |
|
|
|
6 |
Рабочая ширина передачи b>w>,мм |
60 |
80 |
Измерение |
|
|
7 |
Коэффициент ширины передачи ψ>ba>. |
0,4 |
0,4 |
|
|
|
8 |
Модуль торцовый m>t>, мм |
3,03 |
4,04 |
|
|
|
9 |
Модуль нормальный m, мм |
Для прямозубых передач m=mt. Для определения m косозубых передач выполнить пункты 8.1, 8.2, 8.3. |
|||
|
9a |
Делительный угол наклона β*(предварительный),градус. |
12 |
12 |
β*= 8÷25 |
|
|
9б |
Модуль нормальный стандартный m, мм |
2,94 |
3,92 |
|
|
|
9в |
Модуль нормальный стандартный m, мм |
3,0 |
4,0 |
ГОСТ 9564-60 |
|
|
10 |
Делительный угол наклона расчётный β, градус |
8,06 |
8,06 |
|
|
|
11 |
Делительный диаметр d, мм |
шестерни |
d=39,39 |
d=56,57 |
|
|
колеса |
d=260,61 |
d=343.43 |
|||
|
12 |
Диаметр вершин зубьев шестерен d>ai>*, мм |
||||
|
13 |
Коэффициент смещения инструмента x>i> |
||||
|
14 |
Диаметр вершин d>a>,мм |
шестерни |
d>a >=45,39 |
d>a>=64,57 |
|
|
колеса |
d>a >=266,61 |
d>a>=351,57 |
|||
|
15 |
Диаметр впадин d>f>>, >мм |
шестерни |
d>f>>,>> >=31,84 |
d>f>>,> =46,57 |
|
|
колеса |
d>f>>,>> >=253,11 |
d>f>>,> =333,43 |
|||
|
16 |
Коэффициент перекрытия передачи ε |
|
|
Расчёт |









