Совершенствование метрологического обеспечения измерений в турбокомпрессорном цехе Узюм-Юганской ГКС
Введение
Историческое развитие науки, техники, промышленного производства показало немало моментов, когда метрология становилась действенным инструментом решения важнейших научно-технических, экономических и социальных проблем. Поэтому на современном этапе, при переходе к рыночным отношениям, вопросы повышения точности и достоверности измерительной информации, приобретают постепенное, государственное значение.
В связи с этим остановимся на основных причинах, в силу которых измерения играют такую большую роль в современном производстве. Массовость измерений.
Практически нет никакой области деятельности, где бы все более интенсивно не использовались результаты измерений, испытаний и контроля. Сегодня в стране эксплуатируется более одного миллиарда средств измерений. Более 10 миллионов специалистов различной квалификации, обеспечивают и непосредственно проводят операции измерения, испытаний и контроля. Значимость измерений. Основой любой формы управления предприятием является достоверная информация о количестве и качестве сырья, готовой продукции, информация о коде каждой технологической операции, всего производственного цикла. Только высокая и гарантированная точность результатов измерений обеспечивает правильность принимаемых решений на всех уровнях управления. Универсальность «языка» измерений. Эффективное сотрудничество с зарубежными странами совместная разработка научно-технических программ, дальнейшее развитие торговых отношений – все это требует растущего взаимного доверия к измерительной информации, являющейся по существу основным объектом обмена, основой взаимных расчетов при торговых операциях, заключения контрактов на поставку материалов и оборудования. Здесь высокое качество измерительной информации, ее точность и достоверность, единообразие принципов, способов оценки точности результатов измерений, имеют первостепенное техническое значение. Создание единого подхода к измерениям гарантирует взаимопонимание, возможность унификации и стандартизации методов и средств измерений, взаимного признания результатов измерений, испытаний продукции в международной системе товарообмена.
Важная роль измерений в проблеме повышения качества продукции.
Действительно, результаты измерений, выполненных в процессе макетирования, испытаний, отработки изделий, являются главным источником информации, на основе которой в их конструкцию, технологию изготовления, вносятся соответствующие коррективы. Получение недостоверной информации приводит к снижению качества продукции, авариям, неверным решениям. Низкий уровень контрольных операций, вызываемый недостаточной и неправильно определенной точностью измерений, приводит к увеличению «фиктивного» и «необнаруженного» брака производства, необходимости повторного входного контроля сырья, полуфабрикатов, и как следствие к большим экономическим потерям.
В современных условиях метрологическое обеспечение из чисто прикладного, направленного в основном на обеспечение совершенствования процессов разработки, производства и эксплуатации измерительных приборов, превратилось в активный и реальный инструмент, обеспечивающий создание эффективных технологических процессов, внедрение систем автоматизированного проектирования и управления производственными процессами, оценку и контроль качества готовой продукции.
Особое место в определении современного значения и развития метрологического обеспечения занимает Закон Российской Федерации «Об обеспечении единства измерений», принятый 28 апреля 1993 года Верховным Советом Российской Федерации. Является законодательным актом высшего ранга, который устанавливает основные положения обеспечения единства измерений в стране. По своему содержанию новый Закон носит на себе печать сегодняшнего дня – сложного перехода от централизированной к рыночной экономике.
В соответствии с этим и учетом потребностей экономики построены положения Закона о государственных службах обеспечения единства измерений и метрологических службах государственных органов управления и юридических лиц, установлены метрологические правила и нормы, определен порядок финансирования работ в области обеспечения единства измерений. Водится также совершенно новый, неизвестный нашей практике институт калибровки средств измерений, который урегулирован с использованием международного опыта, приобретенного зарубежными странами в условиях рыночной экономики.
Одна из задач метрологии – с помощью и на основе нового Закона значительно повысить уровень метрологических работ в стране и этим эффективно содействовать проведению реформ в рыночной сфере и на производстве.
Основным видом деятельности ОАО «Тюментрансгаз» является добыча и транспортировка природного газа от месторождений до потребителя. ОАО “Тюментрансгаз” - самое крупное в мире газотранспортное предприятие входит в состав ОАО "ГАЗПРОМ". Головные предприятия принимают газ от месторождений севера Тюменской области: Медвежьего, Уренгойского, Ямбургского, Юбилейного и др. Транспортировку газа по многониточным линиям газопроводов осуществляют линейно-производственные управления (ЛПУ) магистральных газопроводов (МГ). В состав ОАО "Тюментрансгаз" входят 57 подразделений, 29 из них ЛПУ МГ. Общая протяженность магистральных газопроводов диаметром 1020, 1202, 1402 мм - более 27 тысяч километров. В каждое ЛПУ входит от 4 до 8 газокомпрессорных станций (ГКС), расположенные на расстоянии около 100 км друг от друга. В системе "Тюментрансгаз" работает 200 ГКС, в которых установленно 1100 газоперекачивающих агрегатов (ГПА) общей мощностью свыше 14,5 тыс. МВт. За сутки транспортируется 1,3 миллиарда кубических метров газа .
ЛПУ “Комсомольское” содержит 4 ГКС, одной из них является Узюм-Юганская ГКС, в составе которой находится 16 ГПА. Каждый ГПА представляет собой сложный технический комплекс, в состав которого входят газовая турбина, центробежный нагнетатель, система обвязки трубопроводов, система управления технологическим оборудованием.
На ГКС проводится большой объем измерений различных физических величин в интересах учета перекачиваемого газа, обеспечения безопасности труда, охраны природной среды.
Целью данной дипломной работы является разработка рекомендаций по совершенствованию метрологического обеспечения измерений в турбокомпрессорном цехе Узюм-Юганской ГКС.
Дипломная работа содержит введение, шесть разделов и заключение.
В первом разделе дана общая характеристика предприятия и метрологического обеспечения производства, рассмотрен технологический процесс перекачки природного газа.
Анализу состояния метрологического обеспечения производства на Узюм-Юганской ГКС посвящен второй раздел дипломной работы. Рассмотрены измеряемые величины и контролируемые параметры технологического процесса.
В третьем разделе проведено исследование метрологических характеристик средств измерений (СИ), используемых на ГКС, на соответствие их предъявляемым требованиям. На основании метрологической экспертизы технологической документации обоснованы требования к точности измерений, проведена оценка правильности выбора СИ. Рассмотрена организация метрологического контроля за рабочими СИ.
Разработке рекомендаций по совершенствованию метрологического обеспечения (МО) производства в турбокомпрессорном цехе Узюм-Юганской ГКС посвящен четвертый раздел дипломной работы. Рассмотрены вопросы внедрения современной системы управления технологическим оборудованием.
В пятом разделе проведено технико-экономическое обоснование разработанных в дипломной работе предложений.
Рассмотрению вопросов безопасности жизнедеятельности посвящен шестой раздел дипломной работы.
В заключении обобщены и проанализированы результаты, полученные при выполнении дипломной работы.
1. Общая характеристика предприятия и его метрологического обеспечения
1.1 Производство и его метрологическое обеспечение
Метрологическое обеспечение – установление и применение научных и организационных основ, технических средств, правил и норм, необходимых для достижения единства и требуемой точности измерений.
Метрологическое обеспечение (МО) имеет четыре основы:
научная основа – метрология;
организационная основа – метрологические службы;
техническая основа – материальная база обеспечения единства измерений, которая включает в себя:
систему государственных эталонов;
систему передачи размера единиц физических величин от государственных эталонов подчиненным эталонам, от них к рабочим средствам;
систему испытаний и утверждения типа средств измерений (СИ); - систему постановки на производстве и выпуске в обращение СИ; - систему поверки средств измерений; - систему стандартных образцов состава и свойств веществ и материалов; - систему стандартных справочных данных о физических константах и свойствах веществ и материалов.
нормативно-правовая основа – это совокупность документов, включающая в себя: Закон Российской Федерации «Об обеспечении единства измерений»; постановления Правительства РФ, принятые во исполнении этого закона; документы Государственной системы обеспечения единства измерения (ГСИ) – комплекс нормативных документов межрегионального и межведомственного уровня, устанавливающих нормы, требования, правила по обеспечению единства измерений в стране; применяемые в установленном порядке международные и региональные документы.
Основными целями метрологического обеспечения являются:
повышение качества продукции, эффективности управления производством и уровня автоматизации технологических процессов;
обеспечение взаимозаменяемости деталей, узлов и агрегатов, создание необходимых условий для кооперирования производства и развития специализации;
повышение эффективности научно-исследовательских и опытно-конструкторских работ, экспериментов и испытаний;
обеспечение достоверности учета и повышение эффективности использования материальных ценностей и энергетических ресурсов;
повышение эффективности мероприятий по профилактике, нормированию и контролю условий труда и быта людей, охране окружающей среды и рациональному использованию природных ресурсов;
повышение уровня автоматизации управления транспортом и безопасности его движения;
обеспечение высокого качества и надежности связи. Госстандарт России при участии в установленном порядке министерств (ведомств) осуществляет решение следующих основных задач МО;
определение основных направлений развития метрологического обеспечения и путей наиболее эффективного использования научных и технических достижений в этой области;
разработку научно-методических, технико-экономических, правых, организационных основ МО на всех уровнях управления экономикой;
организацию и проведение фундаментальных научных исследований по изысканию и использованию новых физических эффектов с целью создания и совершенствования методов и средств измерений высшей точности и определения значения физических констант;
обеспечение единства измерений в стране, стандартизацию основных положений, правил, требований и норм МО, развитие и совершенствование ГСИ;
установление допускаемых к применению единиц физических величин;
установление системы государственных эталонов единиц физических величин, их создание, утверждение, совершенствование и хранение;
установление единого порядка передачи размеров единиц физических величин от государственных эталонов всем СИ;
разработку межотраслевых программ МО и организацию работ по их осуществлению;
научно-методическое руководство разработкой комплексных программ МО отраслей народного хозяйства;
создание и совершенствование рабочих эталонов и образцовых средств измерения высшей точности, планирование и координацию разработок комплексных поверочных установок и лабораторий;
установление единых требований к метрологическим характеристикам СИ;
поверку СИ;
государственный надзор за производством, исполнением, применением и ремонтом СИ, и соблюдением метрологических правил, требований и норм, а также за деятельностью ведомственных метрологических служб;
организацию и выполнение особо точных измерений;
организацию и осуществление подготовки и повышения квалификации кадров в области метрологии;
организацию и осуществление научно-технической информации в области МО и экспонирования на постоянной выставке СИ, предназначенных для серийного производства и ввоза из-за границы партиями.
В отличие от задач по обеспечению единства измерений, решение которых возложено на органы метрологических служб (МС), в решении дополнительной группы задач МО должны принимать участие различные категории специалистов, производственные подразделения и коллективы:
выбор рациональной номенклатуры измеряемых величин, параметров (конструкторы, разработчики новых материалов, изделий или процессов);
выбор норм точности («потребители» измерительной информации);
метрологическую экспертизу;
планирование и проведение измерений, испытаний и контроля;
обеспечение процессов измерения, испытания, контроля;
поддержание технических средств в исправном состоянии (организации и предприятия осуществляют ремонт СИ, испытание и контроль.
Деятельность по МО любых научных, технических и социальных задач должна строиться на базе определенных технико-экономических показателей, характеризующих ее уровень, эффективность и влияние на общие критерии качества решения этих задач.
Конечная цель МО – свести к рациональному минимуму возможности принятия ошибочных решений по результатам измерений, испытаний, контроля сырья, материалов, изделий и процессов.
1.2 Метрологическая экспертиза
Метрологическая экспертиза – это анализ и оценка технических решений по выбору параметров, подлежащих измерению, установлению норм точности и обеспечению методами и средствами измерений процессов разработки, изготовления, испытания, эксплуатации и ремонта изделий.
Своевременно проведенная метрологическая экспертиза позволяет исключить возможность ошибок в процессе подготовки производства, сократить сроки подготовки документации к производству, гарантировать выпуск качественной продукции, повысить эффективность измерений, их точность и достоверность, способствует применению унифицированных СИ и дает значительный экономический эффект.
Одна из основных задач метрологической экспертизы – оценка оптимальности номенклатуры измеряемых параметров и оптимальности точности их измерения с целью обеспечения эффективности и достоверности контроля качества и взаимозаменяемости.
При проведении метрологической экспертизы необходимо тщательно проанализировать номенклатуру измеряемых параметров, установить возможные корреляционные связи между ними, а так же определить параметры, которые можно не измерять.
Во всех проверяемых документах устанавливают правильность формы записи измеряемых параметров. Каждый нормируемый параметр может быть задан либо номинальным значением с допускаемыми отклонениями, либо предельными значениями, либо максимальным или минимальным значениями. Предпочтительной формой является первая. В двух других случаях эксперт должен требовать указания допускаемой погрешности измерений. При этом если ограничено максимальное значение, то измеряемая величина не должна превышать заданное значение за вычетом погрешности измерений; если же ограничено минимальное значение, то суммируемая величина не должна быть менее суммы заданного значения величины и погрешности измерений.
Не менее важной задачей метрологической экспертизы является установление полноты и правильности требований к средствам измерений и методикам выполнения измерений. При экспертизе большинства технологических документов очень важным является установление, правильно ли выбраны СИ по точности, обеспечивают ли они необходимую производительность контрольно-измерительных операций. При оценке не стандартизированных СИ устанавливают, нет ли возможности их замены серийно выпускаемыми СИ.
Следующей задачей экспертизы является оценка того, позволяет ли конструкция изделия контролировать необходимые параметры в процессе изготовления, испытания, эксплуатации изделия, ремонта.
В связи с переходом на международную систему единиц (SI) важной задачей является установление правильности наименований и обозначений Физических величин и их единиц.
Задачей метрологической экспертизы является так же проверка правильности указаний по проведению измерений для обеспечения безопасности труда.
Экспертиза проводится силами экспертов – метрологов в МС предприятия или привлекаемых из сторонних организаций по договорам.
Для проведения метрологической экспертизы необходимы следующие нормативные документы:
основополагающие документы ГСИ;
стандарты ГСИ и других систем, относящихся к разрабатываемой документации;
стандарты на методы контроля и испытаний;
справочные материалы, относящиеся к разрабатываемой продукции.
При проведении экспертизы могут использоваться автоматизированные базы данных о метрологических характеристиках СИ, об эталонах, каталоги выпускаемых приборов, автоматизированные системы расчета суммарных погрешностей измеряемых параметров.
В документации должны быть заложены требования к точности измерения. Для наиболее ответственных параметров:
Оценка правильности выбора СИ проводится по характеристикам:
возможность использования СИ в заданных производственных условиях;
трудоемкость и себестоимость измерительных операций и метрологического обслуживания.
Результат экспертизы:
эксперт делает пометки на полях проверяемой документации, разработчик вносит изменения с учетом замечаний и, эксперты визируют документы;
при необходимости составляется экспертное заключение, в котором перечисляются все выявленные замечания в документе, предложения по совершенствованию метрологического обеспечения данного процесса.
1.3 Технологический процесс перекачки природного газа
Описание газокомпрессорной станции (ГКС).
Газокомпрессорная станция представляет собой комплекс оборудования, включающий в себя турбокомпрессорные цеха, в каждом из которых находится по 8 турбин, которые в зависимости от режима могут либо работать, либо находится в резерве или ремонте. В каждом цехе имеется щит управления, на котором происходит централизованное управление работой оборудования. Компрессорная станция предназначена для транспортировки потока газа от месторождений до потребителя. Соединения между станциями представляют собой магистральные газопроводы, входящий газ на компрессорной станции компремируется и по системе газопроводов двигается до следующей станции. Примерное расположение компрессорных станций друг от друга около 100 километров.
Газоперекачивающий агрегат ГТК-10-4 с нагнетателем Н 235-21-1.
Газоперекачивающий агрегат, сконструированный и изготовленный на машиностроительном заводе им. В.И. Ленина в г. Ленинграде (НЗЛ), состоит из газотурбокомпрессора и нагнетателя природного газа.
Рабочий процесс ГТК осуществляется следующим образом: атмосферный воздух, пройдя систему фильтров, поступает на вход осевого компрессора. После сжатия в ОК воздух с давлением 0,2-0,4 МПа и температурой 150-200ºС поступает в камеру сгорания, где разделяется на два потока: меньшая часть участвует в процессе горения, большая охлаждает жаровую трубу и смешивается в конце камеры с продуктами сгорания, охлаждая их до величины обусловленной жаростойкостью лопаток и дисков газовой турбины (600-850ºС) ТВД. Мощность ее используется на привод ОК. Затем рабочее тело подается в газовую турбину низкого давления (ТНД) и с температурой (450-530ºС) выбрасывается в атмосферу. Мощность ТНД используется на привод нагнетателя.
Рабочий процесс нагнетателя осуществляется следующим образом: пройдя осушку и очистку, газ поступает на вход центробежного нагнетателя, где он компримируется и поступает на выход.
Режим работы ГПА определяется режимом работы газопровода, параметрами газа на входе и выходе нагнетателя, характеристикой энергопривода нагнетателей, температурными режимами газа, наружного воздуха. Мощность КС, обеспечивающая техпроцесс транспорта газа, складывается из мощностей ГПА всей КС. Мощность ГКТ-10-4 (10000 кВт) с нагнетателем Н-235-21-1, зависит от правильности выбранного режима работы КС, но особенно от точности СИ используемых для контроля основных и вспомогательных параметров ГПА, техпроцесса и вспомогательного оборудования.
2. Анализ состояния метрологического обеспечения оборудования Узюм-Юганской ГКС
2.1 Оборудование компрессорной станции его назначение и состав
Используемая на ГКС система централизованного контроля и управления (СЦКУ-1) «Конотоп» является одной из первых систем управления технологическим оборудованием. Предлагается провести замену системы управления на СЦКУ А-705-15-03 . В отличии от системы «Конотоп» система А-705-15-03 обладает цифровыми приборами, размещенными в одной центральной стойке щита управления, благодаря чему управление системы становится значительно проще и надежнее. С учетом однотипности расположения щитов управления двух систем имеется возможность произвести замену приборов непосредственно в стойках системы «Конотоп». Кроме того, система А-705-15-03 обеспечивает автоматизированное управление оборудованием ГКС.
Система централизованного контроля и управления газотурбинными газоперекачивающими агрегатами А-705-15-03 предназначена для работы в составе систем агрегатной автоматики автоматизированных ГПА на компрессорных станциях магистрального газопровода.
В составе агрегатной автоматики ГПА установка выполняет следующие функции:
сигнализацию отклонений контролируемых параметров от заданных значений на групповых и индивидуальных табло;
индикацию положения запорной арматуры и устройств агрегата на мнемосхеме и табло;
непрерывное измерение и регистрацию значений контролируемых параметров в аналоговой форме;
регистрацию фактов изменения режимов работы, пуска, остановки агрегата, срабатывания автоматических аварийных защит и действий оператора с одновременной фиксацией начала и конца события;
программно-параметрическое управление пуском и остановом агрегата с индикацией режимов работы и этапов управления;
аварийный останов агрегата;
формирование команд на включение звукового сигнала по предупредительному и аварийному отклонению контролируемых параметров;
прием команд дистанционного управления от общецеховой или общестанционной системы централизованного контроля и управления;
выдачу аналоговых и дискретных сигналов и команд в цеховую или общестанционную систему.
Питание установки осуществляется переменным током с напряжением 220 В и постоянным током с напряжением 27 В от резервного источника (аккумуляторных батарей).
Одновременное отключение обоих источников питания недопустимо
В состав установки А-705-15-03 входят:
устройство представления информации (УПИ) А 690-05-03;
устройство нормализации и сигнализации (УНС) А 323-31-05;
устройство логической обработки информации (УЛОИ) А356-32-01;
стойка коммутационная (СК) Б-13.176.19;
стойка монтажного оборудования (СМО) Б-13.176.37,38.
2.2 Блок нормализации и сигнализации
Блок нормализации и сигнализации (БНС) предназначено для преобразования (нормализации) сигналов первичных преобразователей датчиков постоянного и переменного тока в унифицированный выходной сигнал 0-10 В отрицательной полярности, пропорциональный значению контролируемого параметра (температура, давление и т.п.), и для сравнения унифицированных сигналов с уставками предельных значений параметров.
Устройство позволяет принимать по 36 каналам сигналы низкого уровня от первичных преобразователей (термометры сопротивления, термопары, датчики дифференциально-трансформаторные), по 20 каналам унифицированный сигнал 0-10 В. Каждая группа из 28 каналов обеспечивается 30 уставками сигнализации.
Сигналы от первичных преобразователей низкого уровня через колодки присоединения поступают на входы блоков преобразования, с помощью которых преобразуются в линейные унифицированные сигналы 0-минус 10 В, которые являются выходными сигналами устройства.
Кроме того, унифицированные сигналы с выходов блоков преобразования поступают на вход блоков непрерывной сигнализации. В случае отклонения параметра за установленные пределы подается сигнал об отклонении параметра посредством переключения контактов на выходе блоков непрерывной сигнализации и производится засвечивание светодиодов на соответствующем модуле сигнальных усилителей.
Устройство выполнено в унифицированной стойке, имеющей двухстороннее обслуживание. Стойка спереди и сзади закрыта дверками. На дверях расположены ушки для пломбирования.
2.3 Блок логической обработки информации
Блок логической обработки информации (БЛОИ) предназначено для реализации алгоритмов автоматического и поэтапного пуска, нормальной и аварийной остановки. БЛОИ содержит четыре типа ячеек: ячейку релейную многофункциональную, предназначенную для реализации логических функций И, ИЛИ, НЕ от 16 переменных; ячейку временных задержек, предназначенную для формирования временных задержек в диапазоне от 1 до 1800 с и имеющую два формирователя временных задержек; ячейку памяти, предназначенную для хранения значений логических переменных, с восемью элементами памяти; ячейку диодную, предназначенную для реализации схем ИЛИ, с 11 трехходовыми схемами ИЛИ. Выходные сигналы управления исполнительными двухпозиционными механизмами формируются блоками выходных реле, содержащих 16 выходных реле каждый.
Выходные сигналы в виде замыкания нормально разомкнутых контактов через входные разъемы поступают на коммутационное поле устройства, на котором в соответствии с заданным алгоритмом выполнен монтаж способом “накрутка”, соединяющий ячейки релейные, памяти, временных задержек, диодные и блока выходных реле. Соединения выполняются по монтажным таблицам на основе функциональных логических схем, отображающих условия и последовательность выполнения операций по формированию сигналов и команд управления исполнительными механизмами и устройствами агрегата.
Кроме схем управления исполнительными механизмами в процессе автоматического управления БЛОИ содержит схемы, реализующие специальные функции:
- разрешение контроля блоков нормализации и блоков непрерывной сигнализации в режимах “Агрегат в работе” и “Агрегат остановлен”;
- защиту от выдачи ложных команд управления при провалах или отключении напряжения питания и автоматическое продолжение функционирования установки после его восстановления;
- регистрацию сигнала, являющегося первопричиной перехода к режиму “Аварийная остановка”.
2.4 Стойки коммутационного и монтажного оборудования
Стойка коммутационная (СК) предназначена для организации межстоечных связей устройств установки А-705-15-03 с помощью штатных кабелей, а также связи установки с исполнительными механизмами, датчиками и устройствами агрегата.
СК содержит коммутационное поле, образованное четырехгранными штырями, припаянными к клеммам контактов разъемов и колодок, между которыми методом “накрутки” выполняется переменная часть монтажа, учитывающая вариантность схемы подключения устройства к ГПА.
Стойка монтажного оборудования (СМО) служит для размещения приборных средств контроля и регулирования. В состав А-705-15-03 входят две СМО. Стойки имеют элементы крепления приборов, клеммники для монтажа. Приборы, входящие в состав СМО, преобразуют сигналы, поступающие от датчиков вибрации, частоты вращения, наличия пламени в камере сгорания, в аналоговые сигналы 05 мА и дискретные сигналы отклонений указанных параметров от нормы, которые подаются в каналы непрерывного и выборочного измерения, сигнализации, автоматического управления и аварийных защит. Выходные сигналы регулирующих приборов поступают непосредственно на исполнительные механизмы.
2.5 Блок представления информации
Устройство представления информации (БПИ) предназначено для представления информации о состоянии агрегата и управления им. Оно включает:
мнемосхему ГПА;
табло этапов логического управления (ТЭЛУ);
показывающие и регистрирующие приборы;
табло групповой, индивидуальной сигнализации и вызова;
пульт управления;
блок регистрации событий (БРС);
табло контроля исправности и сигнализации неисправностей устройств установки А-705-15-03.
Мнемосхема
Сигналы состояния устройств и положения запорной арматуры агрегата поступают на мнемосхему, расположенную в верхней части стойки УПИ. На мнемосхеме с помощью соответствующих мнемознаков индицируется изменение состояния агрегата при изменении режима его работы. Красным цветом индицируется (горит красная лампа) открытое, включенное состояние запорной арматуры или устройства, зеленым (горит зеленая лампа) - закрытое, выключенное состояние.
Значение мнемознаков:
Загорание красной лампы ТД сигнализирует о включении турбодетандера (клапан 13 открыт).
Красная и зеленая лампы ВПУ сигнализируют соответствуют о включенном или выключенном состоянии валоповоротного устройства.
Загорание красной лампы РДВ сигнализирует о том, что сработало реле давления воздуха и давление воздуха за компрессором достигло 5 МПа.
Красная и зеленая лампы ОПК, БПК сигнализируют открытое и закрытое положение основных приемных и байпасных приемных клапанов воздухозаборного устройства.
Маслоохладитель (ВО). Загорание ламп в каждом ряду имеет следующее значение: левая красная - вентиляторы включены; правая красная - вентиляторы включены на вращение в обратном направлении (“РЕВЕРС”); зеленая - вентиляторы выключены.
Красная и зеленая лампы ПМН, РМН, МНУ1, МНУ2 сигнализируют включенное и выключенное состояние пускового, резервного и маслонасосов уплотнения.
Красная лампа КС сигнализирует о загорании факела в камере сгорания.
Красная лампа Н загорается при включении нагнетателя в работу (обороты ТВД достигли 4200 мин-1, кран 3 закрыт, агрегат в работе).
Красная и зеленая лампы ЗСМ сигнализируют открытие и закрытие задвижки слива масла из маслобака.
Непрерывное аналоговое измерение и регистрация наиболее важных контролируемых параметров (температура за ТНД и перед ТВД, перепад “масло-газ”, давление воздуха за ОК, обороты ТВД и ТНД, давление газа перед нагнетателем и за нагнетателем) осуществляется с помощью показывающих и регистрирующих приборов А-542 и одношкальных узкопрофильных приборов
Шкалы приборов соответствуют пределам измерений контролируемых параметров. Аналоговая регистрация осуществляется на общем поле диаграммной ленты цветом, соответствующим цвету указателя (первый канал синий, второй канал красный). Скорость продвижения диаграммной ленты 40 мм/ч. Одного рулона достаточно для 10 суток непрерывной регистрации.
Табло этапов логического управления (ТЭЛУ) осуществляет индикацию режимов работы, этапов пуска, наличие питающих напряжений и других сигналов, характеризующих состояние агрегата. Состоит из четырех блоков сигнализации. Каждый из блоков имеет пять индикаторов, в которые установлены этикетки с надписями, соответствующими индицируемым сигналам.
Автоматический пуск
Индикатор загорается после нажатия одной из клавиш выбора режима работы и кнопки “ПУСК” и указывает на выполнение операций по автоматическому запуску агрегата. Индикатор гаснет после завершения операций пуска (выполнены операции 4-го этапа пуска) и выхода агрегата в режим работы, или при остановке пуска из-за неисправности. Индикатор вновь загорится после устранения причины, вызвавшей прерывание пуска и нажатия кнопки “повторный пуск”.
Нормальный останов (НО).
Индикатор загорается при нажатии на кнопку “НОРМАЛЬНЫЙ ОСТАНОВ”. Указывает на выполнение операций по нормальной остановке агрегата. Индикатор гаснет после отключения защиты по давлению масла смазки и при возникновении в процессе нормальной остановки аварийной ситуации.
Аварийный останов (АО).
Индикатор загорается при нажатии на кнопку “АВАРИЙНЫЙ ОСТАНОВ.” или срабатывании любой из защит агрегата. После выполнения операций по аварийной остановке агрегата, устранения причины, вызвавшей аварию, индикатор погаснет, если нажать кнопку “ДЕБЛОКИРОВКА”.
Аварийный останов цеховой системы.
Индикатор загорается с началом аварийной остановки, вызванной неисправностью в цеховых системах.
Индикатор загорается при исчезновении переменного напряжения 220 В.
Этап 1 Выполнен
Индикатор загорается при пуске агрегата, если за время менее чем 3 мин выполнятся операции на первом этапе пуска.
Этап 2 Выполнен
Индикатор загорается при пуске агрегата, если за время менее чем 3 мин выполнятся операции второго этапа пуска. Погаснет индикатор Этап 1 Выполнен.
Этап 3 Выполнен
Индикатор загорается при пуске агрегата, если за время менее чем 3 мин выполнятся операции третьего этапа пуска. Погаснет индикатор Этап 2 Выполнен.
Этап 4 Не выполнен
Индикатор загорится, если за 30 мин с начала четвертого этапа пуска не выполнятся операции на четвертом этапе. Произойдет возврат механизмов в положение, соответствующее выполненному второму этапу.
Агрегат в работе
Загорание индикатора свидетельствует о выполнении операций четвертого этапа пуска. Погаснет индикатор Этап 3 Выполнен.
Напряжение на агрегате
Горение индикатора свидетельствует о том, что на установке А-705-15-03 имеются напряжения 220 В и 27 В.
Агрегат готов к пуску
Горение индикатора свидетельствует о наличии предпусковых условий. Индикатор гаснет на первом этапе пуска.
ТД в работе
Индикатор загорается на третьем этапе пуска после открытия клапана 13. На мнемосхеме ТД загорается красная лампа.
Факел зажжен
Индикатор загорается на третьем этапе пуска. На мнемосхеме в мнемознаке камера сгорания (КС) загорается красная лампа.
Защиты отключены
Индикатор загорается при отключении цепей аварийных защит агрегата.
Факел погас
Индикатор загорается при погасании факела в камере сгорания.
Индикатор загорается при обледенении входного направляющего аппарата осевого компрессора в холодное время года. Необходимо включить подогрев всасываемого воздуха и лопаток воздухонаправляющего аппарат (ВНА).
Загрязнение
Индикатор загорается при загрязнении сетки датчика образования льда. Необходимо очистить сетку датчика.
Кран не исправен
Индикатор загорается, если газовые краны агрегата своевременно не переставились или произошла самопроизвольная перестановка кранов 1, 2, 12. Самопроизвольная перестановка этих кранов на работающем агрегате вызывает аварийный останов.
Запрещенные обороты
Индикатор загорается при достижении частоты вращения вала ТВД 2500 мин-1 и гаснет при оборотах ТВД 4200 мин-1. Если агрегат находится в этом интервале оборотов более 5 мин, формируется команда на аварийный останов. Прибор по вызову
Прибор аналоговый, показывающий, многошкальный для избирательного контроля параметров А-511 предназначен для измерения параметров агрегата по вызову. Вызов измеряемого параметра производится нажатием кнопки с наименованием параметра на табло индивидуальной сигнализации и кнопки с названием группы, в которую входит этот параметр. При выборе параметра прибор автоматически устанавливает шкалу, по которой производится отсчет.
Табло групповой и индивидуальной сигнализации и вызова
Групповое и индивидуальное табло сигнализации и вызова состоят из блоков вызова и сигнализации, содержащих элементы коммутации - клавишные переключатели и световые индикаторы, в которых установлены этикетки с надписями, соответствующими контролируемым параметрам.
Все контролируемые параметры агрегата разбиты на группы по их технологической принадлежности - ТВД, ТНД, КОМПРЕССОР, НАГНЕТАТЕЛЬ, МАСЛО, ВОЗДУХ, ТОПЛИВО.
Работа табло групповой и индивидуальной сигнализации осуществляется следующим образом. Сигналы отклонений контролируемых параметров от уставок предельных значений поступают от ячеек блока непрерывной сигнализации УНС и зажигают мигающим светом соответствующий индикатор группового табло. В зависимости от типа уставки загорается индикатор на групповом табло предупредительной или аварийной сигнализации. Одновременно включается звуковая сигнализация. При нажатии клавиши на мигающем индикаторе он перестает мигать и горит ровным светом, а на табло индивидуальной сигнализации загорается индикатор с названием отклонившегося параметра.
При появлении нового отклонившегося параметра в данной группе, независимо от положения клавиш на нем, индикатор вновь загорается и мигает. При возврате контролируемого параметра в норму групповой и индивидуальный индикаторы одновременно гаснут.
Отключить звуковую сигнализацию можно, нажав кнопку “СЪЕМ ЗВУКА” на пульте управления УПИ.
Значения индицируемых сигналов индивидуальной сигнализации:
Температура установочной колодки опорно-упорного (t2С ОУП) подшипника ТНД, компрессора, нагнетателя;
Температура опорной колодки опорно-упорного (t3С ОУП) подшипника ТНД, компрессора, нагнетателя.
Температура опорного (t С ОП) подшипника ТВД, ТНД, нагнетателя.
Предупредительный сигнал поступает при температуре вкладышей подшипников 75С, аварийный при 80С. Можно измерить температуру по вызову шкала 1 (0 - 100С).
Температура масла перед маслоохладителем (t С ПЕРЕД МО)
Температура масла после маслоохладителя (t С ПОСЛЕ МО)
Предупредительный сигнал поступает при температуре масла за маслоохладителем 55 С. Измерение по вызову (0 - 100 С).
7. Частота вращения валов ТВД и ТНД. Аварийный сигнал поступает при частоте вращения ротора ТНД 5250 об/мин. Измерение по вызову оборотов ТВД и ТНД, шкала (0 - 100). Частоте вращения 5200 об/мин соответствует 52 показания прибора.
8. Осевой сдвиг
Осевой сдвиг валов турбины и нагнетателя вперед или назад.
Аварийный сигнал поступает при давлении на реле осевого сдвига 0,1МПа.
9. Давление на смазку подшипников турбины и компрессора.
Предупредительный сигнал поступает при давлении 0,025 МПа, аварийный при 0,02 МПа. Измерение по вызову, шкала (0 – 0,25 МПа).
10. Давление масла на смазку опорно-упорного подшипника нагнетателя.
Аварийный сигнал поступает при давлении 0,15 МПа. Измерение по вызову, шкала (0 – 0,25Мпа).
11. Давление воздуха предельной защиты.
Аварийный сигнал поступает при давлении 0,08 МПа.
12. Перепад давления “масло-газ” в системе уплотнения нагнетателя. Предупредительный сигнал поступает при перепаде давления 0,05 МПа, а после установленной выдержки времени 1 мин - аварийный. Измерение по вызову, шкала (0 – 0, 63 МПа).
13. Расчетная температура продуктов сгорания перед ТВД.
Предупредительный сигнал поступает при температуре 800С, аварийный 810С. Измерение по вызову, шкала (0 - 100). Одному проценту шкалы соответствует температура 11 С. Можно замерить температуру воздуха перед компрессором, выбрав группу “КОМПРЕССОР”, шкала (90 - 100С).
14. Давление воздуха за осевым компрессором.
Измерение по вызову, шкала (0 – 1,0 МПа).
Индикаторы ВИБРАЦИЯ ОП и ВИБРАЦИЯ ОУП не задействованы.
15. Уровень масла в маслобаке агрегата.
Предупредительный сигнал поступает при уровне масла 150 мм от верхней крышки маслобака.
16. Разрежение перед осевым компрессором.
Предупредительный сигнал поступает при перепаде давлений в воздухозаборном устройстве 120 мм. вод. ст.
17. Давление топливного газа.
Аварийный сигнал поступает при давлении 1,0 МПа.
18. Перепад давлений на фильтре в воздухозаборном устройстве компрессора.
Предупредительный сигнал о загрязнении фильтра.
Индикаторы t1С ПОСЛЕ, t2 С ПОСЛЕ, t3 С ПОСЛЕ, t4 С ПОСЛЕ не задействованы.
19. Температура продуктов сгорания после ТНД.
Предупредительный сигнал поступает при температуре 540С, аварийный - 550 С. Измерение по вызову, шкала (0 - 100).
20. Температура воздуха перед и после регенератора.
Измерение по вызову, шкала (0 - 400 С).
21. Уровень масла в гидроаккумуляторе нагнетателя.
Аварийный сигнал поступает при снижении уровня масла.
Индикатор ВИБРАЦИЯ ОУП НАГНЕТАТЕЛЯ не задействован.
22. Давление газа на выходе и входе в нагнетатель.
Измерение по вызову, шкала (0 - 100). Давлению газа 7,6 МПа соответствует 76 на приборе.
Импульсное управление электродвигателем регулятора скорости, обеспечивающее равномерный прогрев турбины. Скорость нарастания или снижения температуры не более 25С в мин.
Измерение по вызову, шкала 5: 0 - 100.
23. Помпаж нагнетателя.
Предупредительный сигнал о вхождении рабочей точки нагнетателя в 10 зону удаления от границы помпажа.
24. Перепад давлений на входном конфузоре нагнетателя.
Измерение по вызову, шкала (0 – 0, 25 МПа).
Индикаторы ОБРЫВ ДАТЧИКА и ПМНС ВКЛ. не задействованы.
Пульт управления
Пульт управления агрегатом предназначен для подачи команд автоматического пуска, нормальной и аварийной остановок; изменения режима работы агрегата; дистанционного управления оборудованием агрегата.
Назначение клавиш пульта управления и действия оператора по управлению агрегатом.
Насос горюче смазочных материалов (ГСМ).
Для заполнения маслобака маслом используется насос ГСМ. При срабатывании предупредительной сигнализации УРОВЕНЬ в маслобаке (МБ) необходимо включить насос для пополнения бака маслом, нажав кнопку “ВКЛ”. При этом над кнопкой загорается индикатор. Когда уровень масла в баке будет нормальный (100 мм от верхней крышки), на табло индивидуальной сигнализации погаснет индикатор.
УРОВЕНЬ В МБ. Необходимо отключить насос ГСМ, нажав на кнопку “ОТКЛ”.
Вентилятор масленного охлаждения (МО).
Для поддержания температуры масла после маслоохладителей в пределах 35 – 50 С необходимо включить вентиляторы маслоохладителей кнопкой “ВКЛ”, предварительно определив их количество в работе включением по месту. После остановки и охлаждения агрегата вентиляторы отключаются кнопкой “ОТКЛ”.
Вентилятор отсоса (ВО).
Вентиляторы отсоса горячего воздуха из-под обшивки агрегата включаются автоматически на третьем этапе пуска и отключаются при остановке агрегата. Об этом сигнализируют соответствующие индикаторы. Вентиляторы отсоса можно включить и отключить дистанционно с пульта управления агрегата кнопками “ВКЛ” и “ОТКЛ”.
Для слива масла из маслобака необходимо открыть задвижку слива масла (ЗСМ), нажав кнопку “ОТКР”. Об открытии задвижки сигнализируют индикатор над кнопкой и загорание красной лампы на мнемосхеме. Для закрытия ЗСМ следует нажать кнопку “ЗАКРЫТИЕ”.
На агрегатах, работающих с комплексными воздухоочистительными установками (КВОУ), включение вентиляторов фильтров-сепараторов происходит автоматически на третьем этапе пуска, при остановке агрегата отключение их. Вентиляторы можно включить и отключить дистанционно кнопками “ВКЛ” и “ОТКЛ”. Сигнализируют о работе вентиляторов индикаторы над кнопками управления.
Режимы работы, этапы
Выбор режима работы агрегата производится нажатием клавиш “Автоматика”, “Проверка поэтапно”, “Проверка автоматическая”.
В режиме Автоматика (автоматический пуск) выполнение операции 1-го – 4-го этапов пуска и переход от этапа к этапу происходит автоматически.
В режиме ПРОВЕРКА АВТОМАТИЧЕСКАЯ (поэтапный пуск) происходит автоматическое выполнение операций отдельных этапов пуска. Переход от выполненного этапа к последующему производится по команде оператора, нажатием на клавиши 1, 2, 3, 4 “ЭТАПЫ”.
В режиме ПРОВЕРКА ПОЭТАПНАЯ (режим контроля) производится проверка работоспособности системы управления и исполнительных механизмов. При этом ручные краны на пусковом (11бис) и топливном (12бис) газе должны быть закрыты.
При нажатии на кнопку “СБРОС” происходит возвращение кнопок режимов работы и этапов в отжатое положение.
УПРАВЛЕНИЕ РЕГУЛЯТОРОМ СКОРОСТИ (РС).
Изменение режима работающего агрегата производится нажатием на кнопки “ВЫШЕ” или “НИЖЕ”.
Загрузка агрегата производится кнопкой “ВЫШЕ”. Кнопку необходимо удерживать нажатой до тех пор, пока агрегат не выйдет на нужный режим. Электродвигатель регулятора скорости при этом работает в импульсном режиме (программное воздействие), обеспечивая изменение температуры с темпом не более 25 С в минуту. Над нажатой кнопкой горит индикатор.
Разгрузка агрегата производится аналогично при нажатии на кнопку “НИЖЕ”, вплоть до выхода агрегата на режим холостого хода (обороты ТНД 3400 мин-1).
ПУСК
При нажатии на кнопку “ПУСК” начинают выполнятся операции в соответствии с выбранным режимом.
НОРМАЛЬНАЯ ОСТАНОВКА
При нажатии на кнопку “НОРМАЛЬНАЯ ОСТАНОВКА” начинают выполняться автоматическая разгрузка агрегата и операции по остановке.
АВАРИЙНАЯ ОСТАНОВКА
При нажатии на кнопку “АВАРИЙНАЯ ОСТАНОВКА” начинают выполняться операции по экстренной остановке агрегата.
ДЕБЛОКИРОВКА
При нажатии на кнопку производятся разблокировка сработавшей защиты и сброс сигнала аварийной остановки.
СЪЕМ ЗВУКА
Звуковой сигнал при срабатывании предупредительной и аварийной сигнализации можно выключить нажатием на кнопку “СЪЕМ ЗВУКА”.
ПОВТОР ПУСКА
При невыполнении операций этапов пуска 1, 2, 3 за контрольное время по 3 мин и 4-го этапа за 30 мин, пуск прекращается. Продолжение пуска возможно только после устранения причин невыполнения этапа. Для продолжения пуска необходимо нажать кнопку “ПОВТОРНЫЙ ПУСК”.
УСТАНОВКА “О”.
Кнопка нажимается для установки схем системы управления в исходное состояние. Это необходимо делать после проведения прогонки каждой защиты, а также перед каждым пуском агрегата.
РЕЗЕРВНЫЙ МАСЛЯННЫЙ НАСОС СМАЗКИ.
Резервный маслонасос включается автоматически на работающем агрегате при срабатывании защиты по давлению масла смазки и невключении пускового насоса. При необходимости резервный насос можно включить дистанционно, нажав кнопку “ПУСК” на работающем агрегате или остановленном агрегате для проверки работоспособности насоса. Отключить резервный насос можно после остановки агрегата или на стоящем агрегате, нажав кнопку “СТОП”.
Пусковой масляный насос смазки (ПМНС).
Пусковой маслонасос включается автоматически на пуске и остановке или при срабатывании защиты по давлению масла смазки на работающем агрегате. При необходимости пусковой насос можно включить дистанционно, нажав кнопку “ПУСК” на работающем агрегате или остановленном агрегате для проверки работоспособности насоса. Отключается ПМНС автоматически в конце пуска после вступления в работу главного насоса или выполнения операций остановки и охлаждения агрегата. Отключить дистанционно насос можно, нажав на кнопку “СТОП” и удерживая ее до тех пор, пока давление масла в системе не упадет ниже 0,05 МПа.
Выбор маслянного насоса уплотнения (МНУ).
Выбор маслонасоса уплотнения МНУ1 или МНУ2 производится нажатием на соответствующие кнопки “1” или “2”. Тем самым системе управления указывается, какой из них будет “рабочий”, а какой “резервный”
Маслонасос уплотнения МНУ1 или МНУ2 включается автоматически при пуске агрегата в зависимости от положения кнопок “ВЫБОР МНУ”. При необходимости можно на работающем агрегате дистанционно включить второй насос или вернуться на первый. На остановленном агрегате можно проверить работоспособность насосов дистанционно, предварительно включив пусковой насос. Отключается МНУ автоматически после остановки агрегата.
Если рабочим выбран МНУ1, то включение его производится нажатием на кнопку “ПУСК”. Если рабочим выбран МНУ2, то включение его производится кнопкой “СТОП”.
Блок регистрации событий
Регистрация событий, поступающих в УПИ, осуществляется блоком регистрации событий (БРС) по 50 параллельным независимым каналам. Запись проводится на электроэрозионной бумаге путем подачи напряжения на соответствующие электроды пишущего узла. В месте контакта электрода с бумагой происходит выжигание покрытия. Таким образом, при протяжке бумаги выполняется запись в виде линий черного цвета.
На передней панели БРС расположены индикаторы с надписями “СЕТЬ”, “НЕИСПРАВНОСТЬ”, “КОНЕЦ БУМАГИ”. В рабочем состоянии горит индикатор “СЕТЬ”, два других должны быть погашены.
Регистрация текущего значения времени производится в двоично-десятичном коде.
Табло контроля исправности и сигнализации неисправностей устройств установки А-705-15-03.
Формирование команд контроля исправности и индикация сигналов неисправностей устройств установки осуществляются с помощью табло контроля на устройство уплотнения информации (УПИ). На табло имеются клавиши, формирующие следующие сигналы контроля исправности: БНС1, БНС О, БН УНС, ЛАМП1, ЛАМП2, ЛАМП3, КОНТРОЛЬ ИЗОЛЯЦИИ, а также индикаторы обобщенной сигнализации неисправности: НЕИСПРАВНОСТЬ ВИБРОАППАРАТУРЫ, КОНТРОЛЬ НАПРЯЖЕНИЙ, НЕИСПРАВЕН БП УПИ, НЕИСПРАВЕН УЛОИ, РАБОТАЕТ РЕЗЕРВ.
Выполнение операций контроля разрешается только на остановленном агрегате или при стационарном режиме работы. В режимах пуска или останова агрегата выполнение операций контроля, кроме проверки ламп, блокируется.
Перед каждым пуском агрегата оператор должен выполнить операции по контролю исправности установки А-705-15-03.
Проверка исправности:
КОНТРОЛЬ БЛОКА НОРМАЛИЗАЦИИ СИГНАЛИЗАЦИИ (БНС 1).
При нажатии на кнопку “БНС 1” в УНС поступает команда установки всех каналов блоков нормализации сигналов в состояние “отклонение”. По этой команде индикаторы табло групповой сигнализации и вызова должны загореться мигающим светом. При нажатии кнопки группового табло на индивидуальном табло должны загореться ровным светом индикаторы всех параметров данной группы.
КОНТРОЛЬ БНС О.
При нажатии на кнопку “БНС О” в УНС поступает команда установки в состояние “норма” всех каналов. По этой команде все индикаторы табло групповой и индивидуальной сигнализации должны погаснуть.
КОНТРОЛЬ БН УНС.
При нажатии на кнопку “БН УНС” все выходы блоков нормализации отключаются от контролируемых параметров и подключаются к контрольному источнику. Все показывающие приборы А-501, А-511, А-542 должны установиться в пределах 50 2 шкалы прибора. Отклонения показания прибора за эти пределы свидетельствуют о неисправности данного канала или прибора.
КОНТРОЛЬ ИЗОЛЯЦИИ
Контролируется сопротивление изоляции цепи постоянного тока 220 В от аккумуляторных батарей.
КОНТРОЛЬ ЛАМП 1
При нажатии на кнопку “ЛАМП 1” все лампы мнемосхемы должны загореться ровным светом.
КОНТРОЛЬ ЛАМП 2
При нажатии на кнопку “ЛАМП 2” все лампы табло индивидуальной сигнализации должны загореться ровным светом
КОНТРОЛЬ ЛАМП 3
При нажатии на кнопку “ЛАМП 3” все индикаторы пульта управления, табло этапов логического управления, групповой сигнализации и табло контроля исправности должны загореться ровным светом.
2.6 Пуск газотурбинной установки
Газоперекачивающий агрегат готовится к пуску по распоряжению начальника смены компрессорной станции после разрешения (указания) центральной диспетчерской службы Объединения. Распоряжения о пуске ГПА обязательно записываются в оперативный журнал начальника смены.
Пуск агрегата не разрешается:
при неисправности хотя бы одной из систем защит ГПА;
неудовлетворительном анализе качества турбинного масла;
обмерзании воздухозаборного устройства компрессора;
понижении по сравнению с минимально допустимым значением сопротивления изоляции цепей электрооборудования;
грязных масляных фильтрах;
разобранных механизмах и трубопроводах агрегата;
отклонении хотя бы одного из параметров работы ГПА от допустимых величин, обнаруженном при его предыдущей эксплуатации и не устраненном к моменту подготовки к пуску;
неисправной системе пожаротушения;
грозе;
дефектах системы регулирования, которые могут привести к забросу температуры газов перед ТВД;
неисправной или пропитанной маслом изоляции горячих поверхностей воздуховодов, газоходов и агрегата;
после аварийной остановки до устранения причины, вызвавшей остановку.
Подготовка к пуску
Перед первым пуском после ревизии или ремонта проверьте наличие соответствующих актов на осмотр, очистку и опрессовку воздушного и газового трактов, настройку регуляторов давления топливного и пускового газа, осмотр и опрессовку маслоохладителей и маслопроводов, наладку оборудования всех агрегатов и систем.
Убедитесь в отсутствии посторонних предметов на площадке обслуживания, в подвальном помещении (нулевой отметке) и на лестницах. Осмотрите оборудование агрегата, основное и вспомогательное, проверьте его исправность и готовность к пуску и нормальной работе. Произведите контрольный анализ смазочного масла.
Подайте оперативное напряжение на щиты управления и линии питания вспомогательных устройств. Проверьте готовность к работе контрольно-измерительных приборов и устройств автоматики. Установите ключи управления вспомогательными устройствами: ПМНС, МНУ1, МНУ2, РМН, вентиляторы 1, 2 комплексной воздухоочистительной установки (КВОУ), ВПУ, ЭМВ-5, вентиляторы отсоса в положение “АВТОМАТИЧЕСКИЙ”, вентиляторы МО в положение “ДИСТАНЦИОННЫЙ”.
Подайте сжатый воздух к блоку очистки пневматической системы регулирования из общестанционного коллектора. Давление воздуха на подаче в систему регулирования должно быть не менее 0,2 МПа.
Откройте основные приемные клапаны (ОПК) воздухозаборного устройства осевого компрессора.
Проверьте уровень масла в баке, он должен быть нормальный (100 мм от верхнего листа рамы-маслобака). Проверьте состояние сетчатых фильтров в маслобаке и при необходимости произведите их очистку. Откройте задвижку 1М на подаче горячей воды в подогреватель масла, откройте задвижку 3М и закройте 2М в системе маслоснабжения. Включите дистанционно пусковой маслонасос. Проверьте наличие утечек масла из системы.
Масло в системе должно подогреваться до температуры 30 С. Отключите ПМНС, закройте задвижки 1М, 3М и откройте 2М.
Наденьте шланги подачи импульсного газа на пневмоприводные краны 1, 2, 4, 5, 11, 12, 9, 10, 15. Подайте импульсный газ на управление кранами турбины и нагнетателя.
Откройте ручные краны 11бис и 12бис на подаче пускового и топливного газа.
Откройте жалюзи аппаратов воздушного охлаждения масла (АВОм).
Откройте групповой кран 6 и необходимые режимные краны для запуска агрегата в нужную группу.
Проверьте выполнение предпусковых условий.
Предпусковые условия
Для запуска агрегата необходимо выполнение следующих условий, характеризующих готовность агрегата к пуску:
краны нагнетателя 1, 2, 4 закрыты; 3, 3бис, 5 открыты;
краны турбины 11,12 закрыты (10, 9 открыты);
стопорный кран (СК) и регулирующий (РК) клапаны закрыты;
регулятор скорости (РС) находится в положении “max”;
ротор ТВД не вращается (n ТВД 10 мин-1);
температура масла за ПМНС не менее 30 С;
нет настройки УЛО;
станция готова к пуску;
есть напряжение на агрегате.
При наличии всех перечисленных условий на устройстве представления информации (УПИ) установки А705-15-03 должны гореть табло: НАПРЯЖЕНИЕ НА АГРЕГАТЕ, АГРЕГАТ ГОТОВ К ПУСКУ.
Выбор режима
Для запуска газоперекачивающего агрегата на пульте управления необходимо нажать следующие кнопки:
УСТАНОВКА О - приводит в исходное состояние схемы системы автоматического управления А-705-15-03;
выбор МНУ 1 или 2 - определяет “рабочий” и “резервный” маслонасос уплотнения;
АВТОМАТИКА - штатный режим автоматического пуска, выполнение операции этапов пуска 1 - 4 и переход от этапа к этапу происходит автоматически;
ПРОВЕРКА АВТОМАТИЧЕСКАЯ - режим поэтапного пуска, переход от выполненного этапа к следующему происходит по команде оператора. Используется для запуска агрегата после ремонта;
этапы 1, 2, 3, 4 - нажимаются в режиме этапного пуска для перехода от выполненного этапа к последующему;
ПУСК - при нажатии начинают выполняться операции по запуску агрегата, загорается на УПИ табло АП.
Операции первого этапа пуска
Открывается электромагнитный вентиль ЭМВ-5 на подаче воздуха в систему регулирования. Давление воздуха управления должно быть 0,14 МПа.
Включается пусковой маслонасос (на мнемосхеме загорается красная лампа ПМН). При повышении давления масла смазки подшипников турбины больше 0,05 МПа и давления масла смазки опорно-упорного подшипника нагнетателя больше 0,3 МПа происходит включение защиты по давлению масла смазки.
Включается электродвигатель регулятора скорости на непрерывное вращение, перемещая регулятор скорости в направление “НИЖЕ”. На УПИ гаснет табло АРЕГАТ ГОТОВ К ПУСКУ.
Включается выбранный маслонасос уплотнения МНУ1 или МНУ2 (на мнемосхеме загорается красная лампа МНУ1 или МНУ2). Давление масла на уплотнение достигает величины больше 0,5 МПа. Появляется перепад “масло-газ” и достигает величины больше 0,1 МПа.
Если менее чем за 3 мин включится защита по давлению масла смазки, давление воздуха управления достигнет величины 0,14 МПа, давление масла уплотнения достигнет величины больше 0,5 МПа, перепад давления “масло-газ” достигнет величины больше 0,1 МПа, на УПИ загорится табло ЭТАП 1 ВЫПОЛНЕН.
Если эти условия не выполнены в течение трех минут, то табло АП погаснет, что свидетельствует о невыполнении операции первого этапа пуска. Дальнейший пуск возможен после устранения неисправности и нажатия кнопки “ПОВТОР. ПУСК”. Табло АП вновь загорится.
Операции второго этапа пуска
Через 90 секунд с момента включения двигателя регулятора скорости РС устанавливается в положение “min”. Давление в линии предельного регулирования повышается и достигает величины 0,14 МПа. Открывается стопорный клапан (на мнемосхеме загорается красная лампа СК). Защита взведена.
Открывается кран 4 (на мнемосхеме загорается красная лампа кр.4). Включается защита по перепаду “масло-газ”. В течение 20 с происходит продувка контура нагнетателя. Закрывается кран 5 (на мнемосхеме загорается зеленая лампа кр.5). В контуре нагнетателя повышается давление газа. При выравнивании давления газа в контуре нагнетателя и входном коллекторе компрессорного цеха и появлении сигнала от реле давления - перепад “газ-газ” на кране 1 меньше 0,2 МПа - открываются краны 1, 2 (на мнемосхеме загораются красные лампы кр.1,2). Закрывается кран 4 (на мнемосхеме загорается зеленая лампа кр.4).
Если менее чем за 3 мин откроются СК, краны 1, 2 и закроется кран 4, то загорится табло ЭТАП 2 ВЫПОЛНЕН и погаснет табло ЭТАП 1 ВЫПОЛНЕН.
Если эти условия не выполнены в течение 3 мин, табло АП погаснет, что свидетельствует о невыполнении второго этапа пуска. После устранения причин невыполнения операций второго этапа дальнейший пуск возможен при нажатии кнопки “ПОВТОР. ПУСК”. Табло АП вновь загорится.
Операции третьего этапа пуска
Включаются вентиляторы циклонов комплексной воздухоочистительной установки (на пульте управления загорается индикатор ВКЛ.). Включается защита по давлению воздуха предельной защиты. Включается электродвигатель валоповоротного устройства “вперед”. Гайка-шестерня ВПУ входит в зацепление с шестерней на валу турбокомпрессора, и ротор страгивается с места. Замыкается контакт ВК1 (на мнемосхеме загорается красная лампа ВПУ). Открывается электромагнитный вентиль ЭМВ-3, подавая масло к расцепному устройству турбодетандера. Шестерня ТД входит в зацепление с шестерней на валу турбокомпрессора. Открывается клапан 13 (на мнемосхеме загорается красная лампа ТД и кр.13, на УПИ загорается табло ТД В РАБОТЕ). Включаются вентиляторы отсоса (на пульте управления загорается индикатор ВЕНТИЛ. ОТСОСА ВКЛ.). Открывается кран 11 и закрывается кран 10 (на мнемосхеме загораются красная лампа кр.11 и зеленая лампа кр.10). Пусковой газ под давлением 1,5 МПа подается к турбодетандеру. Вал турбокомпрессора начинает разгоняться.
При частоте вращения ТВД больше 12 мин-1 контакт ВК1 размыкается, и электродвигатель ВПУ отключается. Затем включается “назад”, и ВПУ выходит полностью из зацепления с шестерней на валу турбокомпрессора. Замыкается контакт ВК2, электродвигатель ВПУ останавливается (на мнемосхеме загорается зеленая лампа ВПУ).
При частоте вращения ТВД 500 - 600 мин-1 и повышении давления воздуха за ОК до 5,0 МПа срабатывает реле давления воздуха (на мнемосхеме загорается красная лампа РДВ).
Включается отсчет времени 20 с и 3 с. Включается запал. Открывается кран 15 (на мнемосхеме загорается красная лампа кр.15), подавая пусковой газ на запальные горелки камеры сгорания. Запальники загораются. По истечении 3 с от момента срабатывания РДВ открывается кран 12, закрывается кран 9 (на мнемосхеме загораются красная лампа кр.12 и зеленая кр.9). Топливный газ под давлением 1,5 МПа подается в камеру сгорания. Загорается факел дежурной горелки (на мнемосхеме загорается красная лампа КС и на УПИ - табло ФАКЕЛ ЗАЖЖЕН). Включаются защита от погасания факела и защита по давлению топливного газа.
По истечении 20 с от момента срабатывания РДВ происходит отключение запала, закрывается кран 15 (на мнемосхеме загорается зеленая лампа кр.15).
Если за 20 с не произойдет появления факела в камере сгорания, то сформируется команда “НЕЗАЖИГАНИЕ” и произойдет возврат механизмов в положение, соответствующее выполненному второму этапу пуска.
Если в течение 3 мин выполнится указанная выше последовательность операций и появятся сигналы: факел зажжен; защиты по давлению воздуха предельной защиты, по давлению топливного газа и по погасанию факела включены - то загорится табло ЭТАП 3 ВЫПОЛНЕН и погаснет табло ЭТАП 2 ВЫПОЛНЕН.
В случае невыполнения операций третьего этапа пуска в течение 3 мин табло АП погаснет. Произойдет возврат механизмов в положение, соответствующее выполненному второму этапу пуска. После устранения причин невыполнения третьего этапа продолжение пуска возможно при нажатии кнопки “ПОВТОР. ПУСК” и наличии следующих условий:
краны 11, 12, 15 закрыты;
клапан 13 закрыт;
регулирующий клапан закрыт;
ПМНС включен;
ротор ТВД не вращается.
Операции четвертого этапа пуска
Прогрев турбины на пламени дежурной горелки 2 - 3 мин. Температура продуктов сгорания за ТНД не менее 100 С.
После прогрева включается электродвигатель регулятора скорости на непрерывное вращение, перемещая РС “ВЫШЕ”. Приоткрывается регулирующий клапан на 1,5 мин. Электродвигатель РС останавливается. Прогрев турбины на пламени основных горелок 1 мин.
Включается программное управление двигателем регулятора скорости, которое обеспечивает постепенное открытие РК и равномерный прогрев турбины с нарастанием температуры на выхлопе со скоростью не более 25С в минуту. На мнемосхеме загорается красная лампа РК.
При достижении ротором ТВД частоты вращения 2500 мин-1 включается реле контроля времени (5 мин) выхода из запрещенной зоны по оборотам. Закрывается электромагнитный вентиль ЭМВ-3, прекращая подачу масла к расцепному устройству турбодетандера. Закрывается клапан 13 (на мнемосхеме загорается зеленая лампа кр.13, на УПИ гаснет табло ТД В РАБОТЕ). Закрывается кран 11, открывается кран 10 (на мнемосхеме загораются зеленая лампа кр.11 и красная лампа кр.10). Прекращается подача пускового газа.
Если в течение 1 мин от момента появления сигнала обороты ТВД 2500 мин-1, клапан 13 не закроется, то произойдет возврат механизмов в положение, соответствующее выполненному второму этапу пуска.
При повышении давления масла за главным маслонасосом до величины более 0,75 МПа, отключается пусковой маслонасос (на мнемосхеме загорается зеленая лампа ПМН).
При достижении ротором ТВД оборотов 4200 мин-1 отключается реле контроля времени выхода из запретной зоны по оборотам, закрываются сбросные клапаны выпуска воздуха после четвертой ступени осевого компрессора. Закрываются краны 3 бис и 3 нагнетателя (на мнемосхеме загораются зеленые лампы кр.3 бис и кр.3). Останавливается электродвигатель регулятора скорости. Обороты ТВД достигают величины 4300 мин-1, а ТНД 3400 мин-1.
Если менее чем за 30 мин с момента начала четвертого этапа пуска закроются краны 3бис, 3 и произойдет закрытие клапана 13 в течение 1 мин после появления сигнала обороты ТВД 2500 мин-1, то загорится табло АГРЕГАТ В РАБОТЕ и погаснут табло АП и ЭТАП 3 ВЫПОЛНЕН.
Если эти условия не выполнились, погаснет табло АП. Это свидетельствует о невыполнении четвертого этапа пуска. Произойдет возврат механизмов в положение, соответствующее выполненному второму этапу пуска. После устранения причин невыполнения четвертого этапа пуска продолжение пуска возможно при нажатии кнопки “ПОВТОРНЫЙ ПУСК” и наличии следующих условий:
краны 11, 12, 15 закрыты;
клапан 13 закрыт; регулирующий клапан закрыт;
пусковой маслонасос включен;
ВПУ в исходном положении;
ротор ТВД не вращается.
Дальнейшее нагружение агрегата производится нажатием на кнопку РС “ВЫШЕ” до частоты вращения ТНД, соответствующей частоте вращения соседнего в группе агрегата. После этого закрывается кран 6.
При повышении температуры масла после маслоохладителя до температуры 45 - 50 С необходимо включить вентиляторы МО.
2.7 Останов газотурбиной установки
Остановки ГПА разделяются на нормальные и вынужденные. Нормальные остановки (НО) могут быть плановыми и внеплановыми. Плановыми называются нормальные остановки, связанные с выводом агрегатов в плановый ремонт, резерв по графику, а также с плановыми остановками компрессорных станций на профилактические ремонты. Внеплановыми нормальными остановками называются остановки, не связанные с отказом ГПА, вспомогательного оборудования, общестанционных систем обеспечения агрегата (электроэнергией, топливным газом и т. п.) и производимые по предварительно принятому решению (остановки по распоряжению диспетчера для поддержания режима газопровода и др.).
Вынужденной остановкой ГПА называется его остановка из-за повреждения (или угрозы повреждения) узлов и деталей, отказов регулирования, автоматики, маслоснабжения и других систем агрегата, выхода из строя вспомогательного оборудования или общестанционных систем обеспечения агрегата.
Вынужденная остановка может быть аварийной и нормальной. Аварийная остановка осуществляется при нажатии кнопки аварийной остановки или срабатывании защит агрегата. При этом происходит мгновенное закрытие стопорного клапана. Вынужденная нормальная остановка производится в тех случаях, когда агрегат может быть разгружен и остановлен в соответствии с порядком нормальной остановки по технической инструкции завода - изготовителя.
Все остановки агрегата должны фиксироваться в эксплуатационном формуляре ГПА с указанием причины остановки и длительности выбега роторов.
Нормальный останов
Нормальный останов происходит по команде оператора при нажатии кнопки “НОРМАЛЬНЫЙ ОСТАНОВ” на пульте управления. На УПИ гаснет табло АГРЕГАТ В РАБОТЕ и загорается табло НО.
Открывается станционный кран 6 (на мнемосхеме загорается красная лампа кр.6). Нагнетатель разгружается на “кольцо”.
Для снижения температуры продуктов сгорания после ТНД со скоростью не более 25 С в минуту включается программное воздействие на электродвигатель регулятора скорости с целью постепенного закрытия регулирующего клапана. После снижения частоты вращения ротора ТНД до частоты вращения 3300 мин-1 происходит перестановка кранов нагнетателя:
- открываются краны 3бис и 3 (на мнемосхеме загораются красные лампы кр.3бис и кр.3);
- закрываются краны 1 и 2 (на мнемосхеме загораются зеленые лампы кр.1 и кр.2);
- открывается кран 5 (на мнемосхеме загорается красная лампа кр.5). Газ из контура нагнетателя через свечу сбрасывается в атмосферу.
При снижении давления масла за главным маслонасосом смазки до 0,45 МПа включается пусковой маслонасос (на мнемосхеме загорается красная лампа ПМН).
Снижение давления воздуха в проточной линии при движении регулятора скорости “НИЖЕ” приводит к закрытию регулирующего клапана (РК). На мнемосхеме загорается зеленая лампа РК. Гаснут основные горелки камеры сгорания.
Подается напряжение на электромагнитные вентили ЭМВ1 и ЭМВ2, они открываются, и происходит сброс воздуха из линии предельного регулирования. Закрывается стопорный клапан (на мнемосхеме загорается зеленая лампа СК). Гаснет факел дежурной горелки в камере сгорания (на УПИ гаснет табло ФАКЕЛ ЗАЖЖЕН). Открываются выпускные клапаны ВВК1, ВВК2 и сбрасывается воздух за компрессором. Выбегают по инерции роторы ТВД и ТНД. Закрывается кран 12, и открывается кран 9 (на мнемосхеме загораются зеленая лампа кр.12 и красная лампа кр.9), газ из топливного коллектора агрегата сбрасывается в атмосферу через свечу. Происходит отключение защит: по давлению воздуха предельной защиты, по давлению топливного газа и по погасанию факела.
После закрытия регулирующего клапана электродвигатель регулятора скорости останавливается. После закрытия стопорного клапана он вновь включается на непрерывное вращение, возвращая регулятор скорости в исходное положение “MAX”. Отключаются вентиляторы в комплексной воздухоочистительной установке. Закрывается электромагнитный вентиль ЭМВ-5, прекращая подачу воздуха в систему регулирования.
При снижении давления газа в полости нагнетателя до величины менее 0,2 МПа и снижении частоты вращения ротора ТВД до величины менее 10 мин-1 отключается защита по перепаду “масло-газ” с последующей остановкой маслонасоса уплотнения (на мнемосхеме загорается зеленая лампа МНУ1 или МНУ2; на УПИ загорается табло АГРЕГАТ ГОТОВ К РАБОТЕ).
Пусковой маслонасос остановится (на мнемосхеме загорится зеленая лампа ПМН) при закрытом СК, давлении газа в полости нагнетателя менее 0,2 МПа, оборотах вала ТВД менее 10 мин-1 (ротор ТВД остановился) и снижении температуры за ТНД до величины менее 100 С. Отключится защита по давлению масла смазки. Выключится вентилятор отсоса (на пульте управления загорается индикатор ВЕНТИЛЯТОР ОТСОСА ОТКЛ.).
Агрегат остановлен, на УПИ гаснет табло НО.
Если регулирующий клапан не закроется своевременно, то через 30 мин после подачи команды на остановку агрегата закроется кран 12, откроется кран 9, сработают электромагнитные вентили ЭМВ1, ЭМВ2, и агрегат остановится аварийно.
Аварийный останов
Аварийный останов (АО) происходит при срабатывании одной из защит агрегата или по команде оператора в случаях:
воспламенения масла;
появления дыма из подшипников;
прорыва газа в машзал;
при появлении постороннего шума в агрегате;
большого расхода масла;
при угрозе безопасности обслуживающему персоналу и оборудованию.
Оператор нажимает красную кнопку на пульте управления или по месту на агрегате. На УПИ гаснет табло АГРЕГАТ В РАБОТЕ и загорается табло АО.
Подается напряжение на электромагнитные вентили ЭМВ1 и ЭМВ2, они открываются, и происходит сброс воздуха из линии предельного регулирования. Закрывается стопорный клапан (на мнемосхеме загорается зеленая лампа СТОПОРНОГО КЛАПАНА (СК)), гаснет факел в камере сгорания (на УПИ гаснет табло ФАКЕЛ ЗАЖЖЕН). Сброс воздуха предельного регулирования приводит к открытию сброса воздуха из проточной линии. Давление в ней падает, закрывается регулирующий клапан (на мнемосхеме загорается зеленая лампа РК) и открываются выпускные клапаны (ВВК1 и ВВК2), сбрасывая воздух за компрессором. Роторы ТВД и ТНД по инерции выбегают.
При снижении давления масла за главным насосом смазки до 4,5 кгс/см2 включается пусковой маслонасос (на мнемосхеме загорается красная лампа ПМН).
Закрывается кран 12, открывается кран 9 (на мнемосхеме загораются зеленая лампа кр.12 и красная лампа кр.9).
После закрытия стопорного клапана включается электродвигатель регулятора скорости на непрерывное вращение и возвращает регулятор скорости из текущего положения в исходное состояние “MAX”. Отключаются вентиляторы в комплексной воздухоочистительной установке. Закрывается электромагнитный вентиль ЭМВ-5, прекращая подачу воздуха в систему регулирования. Газотурбинная установка останавливается.
О










дновременно
с остановкой ГТУ происходит отключение
нагнетателя. Открываются краны нагнетателя
3бис и 3 (на мнемосхеме загораются красные
лампы кр.3 - бис и кр.3), станционный кран
6 (на мнемосхеме загорается красная
лампа кр.6). Закрываются краны 1 и 2 (на
мнемосхеме загораются зеленые лампы
кр.1 и кр.2), после этого открывается кран
5 (на мнемосхеме загорается красная
лампа кр.5). Газ из контура нагнетателя
сбрасывается через свечу в атмосферу.
При снижении давления газа в полости нагнетателя до величины менее 0,2 МПа и снижении частоты вращения ротора ТВД до величины менее 10 мин-1 отключается маслонасос уплотнения (на мнемосхеме загорается зеленая лампа МНУ1 или МНУ2).
Пусковой маслонасос останавливается (на мнемосхеме загорается зеленая лампа ПМН) при закрытом СК, давлении газа в полости нагнетателя менее 0,2 МПа, оборотах вала ТВД менее 10 об/мин (ротор ТВД остановился) и снижении температуры за ТНД ниже 100 С. Выключается вентилятор отсоса (на пульте управления загорается индикатор ВЕНТИЛЯТОР ОТСОСА ОТКЛ.). Агрегат аварийно остановлен.
После устранения причины, вызвавшей аварийную остановку, нажимают на пульте управления кнопку “ДЕБЛОКИРОВКА”. На УПИ гаснет табло АО и загорается табло АГРЕГАТ ГОТОВ К ПУСКУ.
Защита по давлению масла смазки
Включается (становится в дежурный режим) на первом этапе пуска при повышении давления масла на смазку подшипников турбины до 0,05 МПа, опорно-упорного подшипника нагнетателя до 0,3 МПа.
Срабатывает (аварийно останавливает агрегат, находящийся в режиме пуска, работы или нормального останова) при снижении давления масла на смазку подшипников турбины до 0,02 МПа или подшипника нагнетателя до 0,15 МПа.
Отключается (снимается с дежурного режима) по выполнении условий при нормальной или аварийной остановке:
- стопорный клапан закрыт;
- давление газа в полости нагнетателя менее 0,2 МПа;
- обороты вала ТВД менее 1,0 мин-1;
- температура за ТНД менее 100 С.
Защита по перепаду “масло-газ”
Включается на втором этапе пуска при открытии крана 4.
С










рабатывает
при снижении величины перепада давлений
“масло-газ" до 0,05 МПа.
Отключается по выполнении нормальной или аварийной остановки и снижении давления газа в полости нагнетателя до величины менее 0,2 МПа.
Защита по давлению воздуха предельной защиты
Включается при инициализации выполнения операции третьего этапа пуска.
Срабатывает при снижении давления воздуха в линии предельного регулирования до 0,08 МПа (при включенной защите).
Отключается на нормальной остановке при закрытии регулирующего клапана или через 30 мин с начала выполнения операций по нормальной остановке и незакрытии РК. При аварийной остановке отключается при появлении сигнала на аварийный останов агрегата.
Защита по давлению топливного газа
Включается на третьем этапе пуска при повышении давления воздуха за компрессором более 5,0 МПа, открытии крана 12 и через 20 с после включения запала.
Срабатывает при снижении давления топливного газа перед стопорным клапаном до 1,0 МПа.
Отключается на нормальной остановке при закрытии регулирующего клапана или через 30 мин с начала выполнения операций по нормальной остановке и не закрытии РК. При аварийной остановке отключается при появлении сигнала на аварийный останов агрегата.
Защита по погасанию факела
Включается на третьем этапе пуска при открытии крана 12 и появлении сигнала ФАКЕЛ ЗАЖЖЕН.
Срабатывает при погасании факела в камере сгорания на работающем агрегате.
Отключается на нормальной и аварийной остановке при закрытии крана 12.
Защита по оборотам
Агрегат аварийно останавливается при повышении оборотов вала ТВД до 5300 мин-1 или оборотов вала ТНД до 5250 мин-1.
З









ащита
по температуре
Срабатывает:
при повышении температуры вкладышей подшипников до 80 С.
повышение температуры (расчетной) продуктов сгорания перед ТВД до 810 С.
Повышение температуры продуктов сгорания после ТНД до 550 С.
Защита по уровню масла в аккумуляторе масла
Срабатывает при снижении уровня масла в гидроаккумуляторе нагнетателя.
Защита по осевому сдвигу
Срабатывает при повышении давления воздуха в реле осевого сдвига роторов ТВД, ТНД до 0,1 МПа или масла в реле нагнетателя до 0,35 МПа.
Защита по вибрации
Срабатывает при повышении значения виброскорости подшипников турбины до 15 мм/с или амплитуды вибросмещения ротора нагнетателя до 0,06 мм.
Защита по самопроизвольной перестановке кранов.
Срабатывает, если агрегат находится в режиме “АГРЕГАТ В РАБОТЕ” и самопроизвольном закрытии любого из кранов 12, 1, 2.
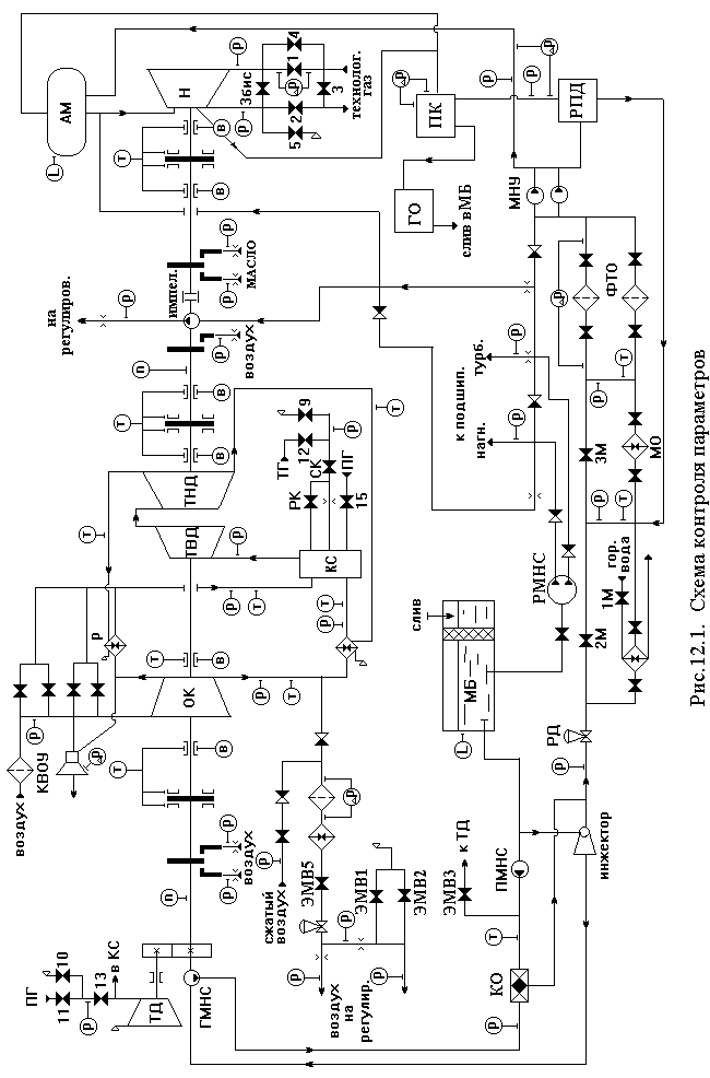
2.8 Параметры турбины и их измерение
На газоперекачивающем агрегате ГТК-10-4 предусмотрено измерение большого числа параметров: температуры, давления, разности давлений, оборотов, уровня. Основная часть параметров измеряется дистанционно с помощью преобразования текущего значения в аналоговый электрический сигнал, который передается на измерительный прибор, установленный на главном щите управления компрессорным цехом. Из числа дистанционно измеряемых выделяется семь наиболее важных параметров, определяющих режим агрегата:
температура продуктов сгорания перед ТВД и за ТНД;
частоты вращения валов ТВД и ТНД;
давление газа до и после нагнетателя;
давление воздуха после компрессора;
перепад давления “масло-газ” в системе уплотнения нагнетателя.
Для измерения этих параметров на устройстве представления информации установки централизованного контроля и управления А-705-15-03 имеются индивидуальные показывающие и регистрирующие приборы. Измерение остальных параметров в установке А-705-15-03 осуществляется преобразованием всех дистанционно измеряемых параметров в аналоговый сигнал с представлением на многошкальном приборе по вызову.
Часть параметров, текущие значения которых изредка могут заинтересовать оператора при нормальной эксплуатации агрегата, измеряются приборами, установленными в машзале вблизи агрегата. Обычно эти приборы одновременно выполняют роль датчиков в цепях управления и защиты, преобразуя измеряемый параметр в дискретный электрический сигнал.
2.9 Измерение температуры
Для измерения температуры вкладышей подшипников, масла и воздуха используются термопреобразователи сопротивления. В этих датчиках использовано свойство проводника, из которого изготовлен чувствительный элемент, изменять свое сопротивление в зависимости от температуры. Сопротивление измеряется вторичным прибором, где преобразуется в аналоговый сигнал электрического тока или в перемещение указателя прибора.
Термопреобразователи сопротивления различаются по типу чувствительного элемента (медные или платиновые), по конструктивному исполнению, инертности и некоторым другим характеристикам. Термопреобразователи типа ТСП-5071 и ТСМ-5071 используются на ГПА для контроля температуры жидких и газообразных сред. Инертность термопреобразователей такого типа лежит в пределах 20 - 40 с. В подшипниках агрегата устанавливаются преобразователи типа ТСП-309, ТСМ-6095 или миниатюрные типа ТСП-410 и ТСМ-410, имеющие наружный диаметр 5 мм. В каждом опорном подшипнике установлено два термопреобразователя, а в каждом упорном - четыре (два в установочных колодках и два в рабочих). Благодаря установке термопреобразователей в непосредственной близости от рабочих поверхностей подшипников и их малой инерционности, измерение и защита осуществляются с большой точностью и быстродействием. В установке А-705-15-03 для каждого преобразователя предусмотрен отдельный канал измерения и защиты с формированием двух специальных сигналов по температуре - предупреждающего и аварийного.
К числу важнейших параметров, по которым судят о режиме агрегата, относится температура продуктов сгорания. Измерение этого параметра и защита от превышения температуры производятся с помощью преобразователей термоэлектрических (термопар). Принцип действия термопар основан на явлении возникновения в контуре, составленном из двух различных проводников, электродвижущей силы (ЭДС), пропорциональной разности температуры холодного и горячего спаев проводников.
Проводники, составляющие термопару - термоэлектроды, соединены на одном конце, а место соединения - горячий спай - помещается в торцевой части корпуса термопары. Конструкция горячего спая определяет инертность термопары. Торцевая часть корпуса изготавливается тонкостенной и заполняется теплопроводным сплавом, например серебряным припоем, что обеспечивает хороший тепловой контакт между корпусом термопары и ее горячим спаем.
Для измерения температуры продуктов сгорания в агрегате ГТК-10-4 применяются малоинерционные хромель-алюмелевые термопары ТХА-280М. Они измеряют температуру продуктов сгорания после ТНД. Для получения температуры перед ТВД производится пересчет в специальном вычислительном устройстве установки А-705-15-03. В выхлопном патрубке ГТУ установлено равномерно по окружности восемь сдвоенных термопар.
Для измерения температуры воздуха до и после регенератора применяются термопары ТХА-0806. Эти термопары обладают большей инерцией, что в данном месте не имеет значения, зато отличаются надежностью и долговечностью.
Для автоматического двухпозиционного регулирования температуры путем замыкания и размыкания контактов электрической цепи при изменении температуры контролируемой среды выше или ниже заданных настройкой пределов используются датчики-реле температуры ТР-ОМ5. Для измерения температуры масла применяется термометр манометрический, показывающий, сигнализирующий, электроконтактный - типа ТПП-СК.
44444
2.10 Измерение давления
Измерение давлений и перепада давлений производится манометрами и дифманометрами, которые устанавливаются на щите вблизи агрегата или по месту.
Для измерения перепада давления на сетке датчика образования льда используется сильфонный дифманометр типа ДСП-778-Н. Принцип действия сильфонного блока основан на зависимости между измеряемым перепадом давления и упругой деформацией винтовых цилиндрических пружин сильфона. Датчик образования льда представляет собой сетку, встроенную в инжектор. Инжектор установлен на наружной стороне камеры воздухоочистительного устройства после пылеулавливающих сеток. К инжектору подводится сжатый воздух из осевого компрессора, который, расширяясь, подсасывает воздух из камеры фильтров. При условиях, благоприятствующих образованию льда на лопатках входного направляющего аппарата осевого компрессора, на сетке датчика образуется лед, что сопровождается увеличением перепада давлений на сетке, который фиксируется дифманометром. Подается предупредительный сигнал, что необходимо включить систему обогрева.
Для дистанционного измерения перепада давлений газа на конфузоре нагнетателя, преобразования его в электрический сигнал и передачи сигнала на вторичный прибор используется дифманометр мембранный типа ДМ.
Для контроля перепада давлений газа на кране 1, “масло-газ” в системе уплотнения нагнетателя, масла на фильтрах тонкой очистки и воздуха на фильтрах в системе регулирования используется реле давления дифференциальное типа РДД-1. Основная задача реле - выдать электрический сигнал при достижении установленного значения. Пределы настройки разности давлений, при которой срабатывает реле, от 0,03 до 0,63 МПа. Статическое давление рабочей среды не более 8,8 МПа.
Степень разрежения перед осевым компрессором определяется с помощью датчика тяги ДТ-250, принцип действия которого основан на уравновешивании силы, создаваемой разрежением контролируемой среды на чувствительный элемент (мембрану), силами упругих деформаций винтовой пружины. Датчик изготавливается с зоной нечувствительности, направленной в сторону повышения (относительно уставки) разрежения контролируемой среды. Установка производится по шкале датчика или по контрольному манометру при прямом срабатывании микропереключателя.
Защита по осевому сдвигу осуществляется с помощью двух электроконтактных манометров (осевой сдвиг ТНД - одним манометром), нормально разомкнутые контакты, которых запараллелены и замыкаются в зависимости от направления смещения. Смещение вала и увеличение давления при уменьшении зазора более заметны, чем уменьшение давления при увеличении зазора.
Для непрерывного преобразования давлений газа на входе и выходе нагнетателя в пропорциональный электрический сигнал используются взрывозащищенные манометры типа МП с выходным электрическим аналоговым сигналом 0-20 мА постоянного тока. Датчики построены на принципе электрической силовой компенсации и состоят из трех унифицированных блоков: измерительного блока, электросилового преобразователя и полупроводникового усилителя.
Для непрерывной выдачи информации о давлении масла смазки в виде унифицированного сигнала - взаимной индуктивности 010 мГ - используется манометр типа МЭД. Принцип действия датчика основан на деформации манометрической пружины при наличии избыточного давления.
Для контроля давления и перепадов давления используются также преобразователи тензорезисторные взрывозащищенные типа “Сапфир”. Они обеспечивают непрерывное преобразование давления (избыточного или абсолютного) и разности давлений в унифицированный выходной сигнал 0-20 мА. Преобразователи состоят из двух функциональных устройств: первичного преобразователя, блока питания и защиты.
Принцип действия преобразователя основан на использовании тензоэффекта в полупроводниках. Воздействие измеряемого параметра вызывает изменение сопротивления тензорезисторов, нанесенных на чувствительный элемент тензомодуля, который размещен внутри измерительного блока первичного преобразователя. Это изменение сопротивления тензорезисторов преобразуется с помощью встроенного электронного устройства в пропорциональный токовый выходной сигнал первичного преобразователя. Указанный выходной сигнал преобразуется в унифицированный токовый сигнал 0-20 мА.
2.11 Измерение частоты вращения турбин
Для измерения частоты вращения валов ТВД и ТНД используется комплекс тахометрических преобразователей с сигнализаторами “Турбина”. Он выдает аналоговые сигналы постоянного тока 0-5 мА, пропорциональные частоте вращения валов, и формирует двоичные сигналы для использования в системе защиты и управления газоперекачивающего агрегата (ГПА).
Комплекс защиты состоит из первичных тахометрических преобразователей, блока наблюдения и управления, измерительного прибора М1731, отградуированного в оборотах в минуту. В состав блока наблюдения и управления входят измерительные тахометрические преобразователи, сигнализаторы с фиксированными уставками и сигнализатор остановки.
Первичный тахометрический преобразователь работает совместно с зубчатым колесом, установленным на валу. Принцип действия первичного преобразователя - магнитоиндукционный, основан на индуцировании ЭДС на выводах катушек при изменении магнитного потока в результате изменения зазора между торцами магнитопровода и зубчатым индуктором при вращении последнего. При прохождении зуба зубчатого колеса над полюсами первичного тахометрического преобразователя на блок выходных трансформаторов поступают импульсные сигналы, которые трансформируются на выходы соответствующих узлов. Преобразователь измерительный преобразует входной импульсный сигнал в аналоговый постоянного тока от 0 до 5 мА, который затем подается на измерительный прибор.
Работа сигнализаторов с фиксированными уставками и сигнализатора остановки основана на сравнении частоты сигналов первичных преобразователей с частотой сигналов опорного генератора (генератора уставок).
2.12 Измерение уровня масла
Для сигнализации об изменении уровня масла в маслобаке установлен поплавковый сигнализатор с двумя конечными выключателями. Один конечный выключатель сигнализирует о максимально допустимом уровне, а второй - о минимально допустимом уровне.
Для сигнализации о снижении уровня масла в гидроаккумуляторе масла нагнетателя используется датчик уровня жидкости типа ДУЖЭ-200.
2.13 Контроль погасания факела в камере сгорания
Контроль факела осуществляется прибором “Пламя”, работающим по принципу обнаружения низкочастотных (6 Гц) пульсаций пламени в камере сгорания. Конструктивно прибор состоит из фотодатчиков типа ФД-2 и вторичного устройства. Прибор обеспечивает быстродействующую защиту турбины от срыва факела в камере сгорания, а также выдает сигнал в систему управления о появлении факела при пуске ГПА.
В качестве чувствительного элемента фотодатчика, преобразующего пульсации светового потока в электрический сигнал, используется фоторезистор типа ФСА-Г1. Датчики устанавливаются напротив специальных смотровых окон камеры сгорания так, чтобы расстояние между окном и защитным стеклом датчика было в пределах 100-200 мм. Это необходимо для предохранения фоторезистора от нагрева прямым излучением факела. От датчика электрический сигнал поступает на вторичный прибор, где с помощью разделительного конденсатора выделяется переменная составляющая, возникающая из-за пульсации яркости пламени в камере сгорания, что делает схему нечувствительной к излучению горячих стенок камеры сгорания, которое сохраняется и после погасания факела.
Во время эксплуатации следует периодически проверять работоспособность прибора на работающем агрегате путем перекрытия светового потока к фотодатчику, отключив предварительно цепи защиты системы управления ГПА.
2.14 Измерение вибрации
Измерение и защита по вибрации осуществляется с помощью двух типов виброаппаратуры. Для контроля вибрации подшипников компрессора и турбины используется устройство контрольно-сигнальное виброизмерительное типа ВВК-331 или ТКВ-1М, а для контроля вибрации нагнетателя - контрольно-сигнальная аппаратура КСА-15.
Виброаппаратура ВВК-331 предназначена для контроля параметров стационарных не импульсных вибраций и формирования аналоговых и дискретных сигналов, зависящих от эффективного значения виброскорости подшипников ГТУ. Виброаппаратура состоит из пьезоэлектрических измерительных датчиков 2ВП-1 и электронного блока. Диапазон измеряемых частот от 20 до 1000 Гц. Каждый канал измерения имеет аналоговый выход 0-5 мА.
Вибропреобразователь 2ВП-1 состоит из датчика и усилителя. Датчики устанавливаются на крышках подшипников таким образом, чтобы была возможность измерять вибрацию в двух направлениях, перпендикулярных к оси агрегата: вертикальном и горизонтальном. Принцип действия датчика основан на пьезоэлектрическом эффекте, выражающемся в возникновении на поверхности кристалла электрических зарядов, пропорциональных силе сжатия или растяжения, действующей на кристалл. Сигнал от датчика поступает на усилитель, который устанавливается не дальше 10 м от датчика. Усилитель предназначен для нормирования коэффициента преобразования и согласования выходного сопротивления пьезопластины с линией связи Вибропреобразователь и вторичного блока.
От усилителя на электронный блок подается сигнал, пропорциональный виброускорению, который интегрируется в блоке, и получается сигнал, пропорциональный виброскорости. Представление информации о вибрации производится на показывающем приборе со шкалой, градуированной в миллиметрах на секунду. Сигналы о предупредительной и аварийной величинах передаются в систему управления ГПА.
Контрольно-сигнальная аппаратура КСА-15 предназначена для измерения и сигнализации о превышении заданных уровней вибросмещения. Конструктивно аппаратура представляет контейнер, в который входят четыре блока вибросмещения, блок осевого сдвига, блок питания и пять вихретоковых преобразователей.
Преобразователь состоит из катушки, располагаемой на месте измерения, и генератора, соединенного с катушкой кабелем. Преобразователь вихретоковый предназначен для преобразования значения зазора между торцом преобразователя и объектом контроля в выходное напряжение. Преобразователь питается постоянным напряжением 24 В, которое генератор преобразует в сигнал частотой 1-2 МГц, поступающий на катушку. Катушка излучает высокочастотный сигнал в окружающее пространство в виде магнитного поля. При отсутствии металла вблизи катушки нет потерь мощности высокочастотного сигнала. При приближении проводящего материала к рабочему торцу катушки вихревые токи, генерируемые в поверхности ротора нагнетателя, приводят к потере мощности сигнала и пропорциональному уменьшению выходного сигнала генератора. Выходное напряжение генератора поступает на выход вибропреобразователя и передается в блок вибросмещения. Блок вибросмещения производит измерение размаха вибросмещения, обеспечивает индикацию размаха вибросмещения на стрелочном приборе и передачу сигналов о предупредительной и аварийной величине в систему управления ГПА.
2.15 Сигнализатор помпона нагнетателя
Помпаж центробежного нагнетателя природного газа представляет собой периодическое изменение расхода вплоть до противотока, сопровождающееся гидравлическими (акустическими) ударами, и приводит к разрушению подшипников и покрывающих дисков колес. Сопутствующее помпажным толчкам изменение нагрузки на нагнетатель вызывает колебание частоты вращения ТНД и ТВД, может привести к вынужденной остановке ГПА из-за срабатывания автомата безопасности ТНД или защиты по температуре перед ТВД.
Обнаружение помпажного режима работы нагнетателя осуществляется сигнализатором помпажа СП-100. Он воспроизводит линию режимов близкой к помпажной границе, используя импульсы по перепаду давления газа на входном конфузоре и разности давлений на нагнетателе.
Под воздействием разности давлений на конфузоре
Н = РВС() - РВС(-),
зависящей от расхода газа через нагнетатель, и разности давлений между нагнетанием и всасыванием
Р = РН - РВС(-)
сильфоны развивают усилия, которые сравниваются на рычажной системе.
Сигнализатор воспроизводит характеристику
Р=К
Н,
где К - коэффициент пропорциональности, зависящий от положения корректора. Этому же уравнению подчиняется и граница помпажа нагнетателя. Изменяя положение корректора, настраивают сигнализатор на выдачу сигнала при приближении режима работы нагнетателя к помпажной зоне.
В настоящее время широкое распространение получила система противопомпажной защиты фирмы Компрессор Контролс Корпорейшн (“ССС”). Система решает задачу антипомпажной защиты и регулирования режима работы центробежного нагнетателя природного газа. Осуществляется это путем измерения перепада давлений на всасе нагнетателя и перепада давлений на входе и выходе. Сигналы от датчиков поступают в электронный регулятор, который в режиме реального времени производит вычисление положения рабочей точки нагнетателя на его газодинамической характеристике.
Исполнительным органом системы является антипомпажный клапан (АПК), который врезан в линию рециркуляции газа (пусковое кольцо) вместо крана 6 или параллельно ему.
Постоянное определение положения рабочей точки нагнетателя на его характеристике обеспечивает изменение состояния АПК в зависимости от режима работы газоперекачивающего агрегата, т.е. постоянно регулируется перепуск газа с выхода на вход нагнетателя, чем и обеспечивается его устойчивая работа в зависимости от режима работы компрессорного цеха и магистрального газопровода в целом.
3. Исследование метрологических характеристик си на соответствие их предъявляемым требованиям
3.1 Метрологическая экспертиза технологической документации
К числу основных задач метрологической экспертизы технической документации в соответствии с МИ 2267-93 относятся:
определение оптимальности номенклатуры измеряемых параметров при контроле с целью обеспечения эффективности и достоверности контроля качества и взаимозаменяемости;
оценка обеспечения конструкцией изделия возможности контроля необходимых параметров в процессе изготовления, испытания, эксплуатации и ремонта изделий;
установление соответствия показателей точности измерений требованиям эффективности и достоверности контроля и взаимозаменяемости;
установление соответствия показателей точности измерений требованиям обеспечения оптимальных режимов технологических процессов;
установление полноты и правильности требований к средствам измерений и методикам выполнения измерений;
оценка правильности выбора средств измерений и методик выполнения измерений;
выявление возможности преимущественного применения унифицированных, автоматизированных средств измерений, обеспечивающих получение заданной точности измерений, необходимой производительности;
оценка обеспечения применяемыми средствами измерений минимальной трудоемкости и себестоимости контрольных операций при заданной точности;
установление преимущественного применения стандартных или наличие аттестованных методик выполнения измерений;
оценка соответствия производительности средств измерений производительности технологического оборудования;
определение целесообразности обработки на ЭВМ результатов измерений, наличие стандартных или специальных программ обработки и соответствия требованиям, предъявляемым к обработке результатов измерений, а так же к формам предоставления результатов измерений, контроля испытаний;
установление правильности наименований и обозначения физических величин и их единиц;
установление правильности указаний по организации и проведению измерений для обеспечения безопасности труда.
Одна из основных и важнейших задач метрологической экспертизы техдокументации установление оптимальности номенклатуры контролируемых параметров, которые основаны на выборе критериев оптимизации и решается совместно с разработчиком документации.
Таблица 1. Контролируемые параметры
|
Контролируемый параметр |
Номинальное значение |
Единица измерения |
Применяемые СИ,их метрологические характеристики |
Измерительные приборы |
|
Температура подшипника турбодетандера |
70±10 |
ºС |
ТТ (0-100) ц.д.=1º |
|
|
Температура подшипников ОК, ТВД, ТНД, нагнетателя |
70±10 |
ºС |
ТСМ-50М ГОСТ 6651-84 кл.д. В (0-100) БН кл.т. 0,5; (0-100) |
А-511 кл.т. 0,5 (0-100) |
|
Температура воздуха перед регенераторами |
150±10 |
ºС |
ТХА-68 ГОСТ6616-89 кл.д. В (0-100) БН кл.т 0,5 (0-400) |
А-511 кл.т 0,5 (0-100) |
|
Температура воздуха в трубопроводах после регенераторов №1,2 |
360±10 |
ºС |
ТХА-68 ГОСТ 6616-89 кл.д. С (0-1100) БН кл.т. 0,5; (0-400) |
А-511 кл.т. 0,5 (0-400) |
|
Температура продуктов сгорания в трубопроводах после ТНД к регенераторам №1,2 |
480±10 |
ºС |
ТХА-68 ГОСТ 6616-89 кл.т.В (0-1100) БН кл.т. 0,5 (0-600) |
А-511 кл.т. 0,5 (0-400) |
|
Температура воздуха в трубопроводе перед ОК |
15±5 |
ºС |
ТСМ-50М кл.д. С ГОСТ 6651-84 (-50-100) БН кл.т. 0,5 (-50-100) |
А-511 л.т. 0,5 (0-600) |
|
Температура масла в трубопроводе пред маслоохладителем |
60±5 |
ºС |
ТСМ-50М кл.д. С ГОСТ 6651-84 (0-100) БН кл.т. 0,5 (0-100) |
А-511 кл.т. 0,5 (-50-100) |
|
Температура масла в Трубопроводе после маслоохладителя |
50±5 |
ºС |
ТСМ-50М кл.д. С ГОСТ 6651-84 (0-100) БН кл.т. 0,5 (0-100) |
А-511 кл.т. 0,5 (0-100) |
|
Осевые сдвиги ОУП, ТНД, ТВД, нагнетателя |
1,5±0,5 0,15±0,05 |
кгс/см2 МПа |
ЭКМ1У кл.т.1,5 (0÷10) (0÷1,0) |
|
|
Скорость вращения роторов |
4800±200 |
об/мин |
Тахометр 435.155.009 кл.т.1,0 (0-600) «Турбина» кл.т. (0-600) |
А-501 кл.т.1,0 (0-600) |
|
Давление газа после кр №12 |
15±1 1,5±0,1 |
кгс/см2 МПа |
ЭКМ1У кл.т.1,5 (0÷25) (0÷2,5) |
|
|
Давление газа на турбодетандере после кр №11 |
15±1 1,5±0,1 |
кгс/см2 МПа |
ЭКМ1У кл.т.1,5 (0÷25) (0÷2,5) |
|
|
Давление воздуха перед камерой сгорания |
0,005±0,001 0,0005±0,0001 |
кгс/см2 МПа |
ДТ-250-21 (0,0025-0,25) (0,00025-0,025) кл.т. 1,0 |
|
|
Давление воздуха после СК |
3±0,5 0,3±0,05 |
кгс/см2 МПа |
МТИ кл.т.0,6 (0÷6) (0÷0,6) |
|
|
Давление продуктов сгорания перед ТВД |
3±0,5 0,3±0,05 |
кгс/см2 МПа |
МП4У2 кл.т.1,5 (0÷4) (0÷0,4) |
|
|
Давление масла после импеллера |
9±1 0,9±0,1 |
кгс/см2 МПа |
МОШ 160 кл.т. 1,5 (0÷16) (0÷16) |
|
|
Давление масла на смазку подшипников нагнетателя |
3±1 0,3±0,1 |
кгс/см2 МПа |
ЭКМ1У кл.т.1,5 (0÷1,0) (0÷10) |
|
|
Давление газа перед нагнетателем |
52±5 5,2±0,5 |
кгс/см2 МПа |
(0÷100) МТ100Р кл.т. 0,5 (0÷10,0) БН кл.т. 0,5 (0÷100) |
А-511 кл.т. 0,5 (0÷100) |
|
Давление газа после нагнетателя |
70±5 7,0±0,5 |
кгс/см2 МПа |
(0÷100) (0÷10) МТ100Р кл.т. 0,5 БН кл.т.0,5 (0-100) |
А-511 кл.т. 0,5 (0÷100) |
|
Перепад давления газа на кр. №1 |
2±1 0,2±0,1 |
кгс/см2 МПа |
СПД 10/120г кл.т. 2,0 (1÷6,3) |
|
|
Перепад давления в маслопроводе высокого давления в полости нагнетателя |
3±0,5 0,3±0,05 |
кгс/см2 МПа |
СПД 10/120г кл.т. 2,0 (1÷6,3) |
А-542 кл.т. 0,5 (0-6,3) |
|
Давление масла высокого давления |
54±5 5,4±0,5 |
кгс/см2 МПа |
ВЭ 16РБ кл.т. 1,5; (0-100) |
|
|
Давление масла перед маслоохлаждением |
6±1 0,6±0,1 |
кгс/см2 МПа |
МТП160кл.т.1,5 (0÷10) |
|
|
Давление масла на смазку подшипников турбины и компрессора |
1,5±0,2 0,15±0,02 |
кгс/см2 МПа |
ЭКМ1У кл.т.1,5 (0÷2,5) |
|
|
Давление масла перед клапаном |
12±1 1,2±0,1 |
кгс/см2 МПа |
МТП160 кл.т. 1,5 (0÷16) |
|
|
Давление масла после инжектора |
1,0±0,2 0,1±0,02 |
кгс/см2 МПа |
МОШ160 кл.т.1,5 (0÷16) |
|
|
Давление масла после газомаслянного насоса |
1,1±0,2 11±2 |
кгс/см2 МПа |
ЭКМ1У кл.т.1,5 (0÷25) кгс/см2 |
|
|
Давление проточного воздуха |
0,1±0,02 1,0±0,2 |
кгс/см2 МПа |
МТП160кл.т.1,5 (0÷2,5) |
|
|
Давление воздуха предельной защиты |
1,45±0,1 0,145±0,01 |
кг/см2 МПА |
ЭКМ1Укл.т.1,5 (0÷2,5) |
|
|
Давление воздуха постоянного давления |
1,4±0,05 0,14±0,005 |
кгс/см2 МПа |
МТП160 кл.т.1,5 (0÷2,5) |
|
|
Давление воздуху в цеховом коллекторе |
0,25±0,05 2,5±0,5 |
кгс/см2 МПа |
ЭКМ1У кл.т.1,5 (0÷10) |
|
|
Температура газа на выходе нагнетателя |
30±5 |
ºС |
ТСМ-50М кл.д. С (0-100) БН кл.т. 0,5 (0-100) |
А-511 кл.т. 0,5 (0-100) |
|
Контроль содержания СН в воздухе |
(0÷1,0) ±0,003 |
% |
ДМГ2-45 (0÷1,5)% кл.т. 0,2 |
ГАЗ1М (0÷1,5)% кл.т. 0,2 |
|
Расход топливного газа |
4730 |
м 3/2 |
ДМ3585М (0÷5000) Кл.т. 1,5 ∆Р=0,4 кгс/см2 ДК25-80 Dс.у.= 40мм |
А-511 кл.т. 0,5 (0÷5000) |
3.2 Обоснование точности измерений
метрологический экспертиза технологический газ
Следует заметить, что контроль данных параметров необходим для нормального функционирования и безаварийной работы газоперекачивающего агрегата ГТК-10-4 с нагнетателем Н-235-21-1.
Докажем, что контроль данных параметров необходим:
Температура подшипников ГТК (70±10)ºС зависит от состояния трущихся частей, состояния масла, системы маслоохлаждения. При повышении t >80ºС происходит остановка ГТК по аварии, так как может произойти выплавление рабочей поверхности (баббит), что приведет к разрушению конструкции турбоагрегата.
Температура воздуха на всасе осевого компрессора зависит от температуры наружного воздуха. Если не подогревать всасывающийся воздух на входном направляющем аппарате при t нагр.±5ºС то велика вероятность того, что на входном направляющем аппарате и лопатках ОК будет намерзать лед, что приведет к помпажу ОК.
Температура и давление воздуха до и после регенератора влияют на нагрузку агрегата, частоту вращения валов, коэффициента передачи тепла, теплообмена. Наличие регенерации увеличивает КПД установки на всех режимах. Нормальная регенерация (70-75%) сокращает расход топлива на 18-20%.
Температура продуктов сгорания за ТНД (480±10)ºС и температура газов перед турбиной 780 ºС влияют на КПД установки. Резкие скачки температур или повышение сверх номинальных значений могут привести к тепловым деформациям частей турбины, в результате чего может возникнуть понижение прочности материала и его свойств, ГТК выходит из строя.
Температура масла до и после маслоохладителя контролируется в связи с тем, что при понижении ил повышении температуры сверхдопустимой утрачиваются качества необходимые для смазки подшипников т/а и других трущихся частей, что может привести к аварии турбоагрегата.
Контроль осевых сдвигов роторов (Р<3 кгс/см) предотвращает разрушение конструкции агрегата.
Контроль за скоростью вращения валов ТВД и ТНД позволяет определить степень загрузки турбоагрегата, предотвращает работу турбоагрегата на запрещенных, технологическим процессам, оборотах (n<5300). Позволяет понижать или повышать обороты, тем самым менять многие параметры т/а. Соблюдать алгоритм пуска, нормального останова, аварийного останова.
Контролируя давление топливного газа после кр №12, мы предотвращаем аварийный останов т/а, а так же работу т/а на недопустимом давлении (Рр >10/кгс/см).
Контроль давления пускового газа после кр №11 необходим, так как Р<14 кгс/см не сможет вращать турбодетандер, соответственно ОК и ТВД на необходимых по алгоритму пуска оборотах.
Контроль давления воздуха перед камерой сгорания позволяет предотвратить взрыв в камере сгорания и гарантирует вентиляцию при пуске турбоагрегата, при невыполнении команды «Запал».
Необходимое давление воздуха перед камерой сгорания позволяет достаточно охладить жаровую трубу, а так же предоставляет необходимое количество воздуха на смешивание с газом.
Контроль Р воздуха за ОК является основным параметром работы турбины. В зависимости от давления воздуха за ОК контролируется давление проточного воздуха, открытие регулирующего клапана, температура перед ТВД и после ТНД.
Контроль Р масла после импеллера необходим, так как масло после импеллера поступает в систему регулирования. Существует зависимость между Р этого масла и подачей топлива в камеру сгорания. По давлению за импеллером можно рассчитать обороты ТНД.
Контроль давления масла на смазку подшипников нагнетателя необходим, так как при недостаточном давлении (Р<1,2 кг) недостаточен размер масляного клина между подшипником и валом нагнетателя, возможен задир баббитового слоя.
Давление газа перед и после нагнетателя контролируется для расчета степени сжатия, контроля количества перекачиваемого газа, предотвращает Помпаж нагнетателя при работе в зоне запрещенных обратов на степени сжатия.
Перепад давления масло-газ очень важный параметр с точки зрения техники безопасности. Контроль за этим параметром позволяет предотвратить выброс газа в машзал, в маслобак. Отсутствие контроля привело бы к печальным последствиям.
Недостаточное Р МБД приводит к исчезновению перепада масло-газ и другим последствиям. Давление масла высокого давления должно превышать давление газа. Регулируется регулятором перепада (РПД).
Охлаждение масла в маслоохладителе важно, так как контролируемое давление (Р1=6кгс/см2) позволяет в полной мере охлаждать весь объем масла в системе маслоснабжения.
Давление масла за ТМН (11±2 кгс/см2) позволяет подавать масло во все системы смазки турбоагрегата (т/а).
Контроль давления воздуха постоянного давления, воздуха предельной защиты, проточного воздуха, необходим, так как все эти линии входят в систему регулирования и влияют на процессы, происходящие в турнике, изменяются в связи с нагрузкой нагнетателя. С помощью этих параметров осуществляется пуск и останов т/а.
При повышении температуры на выходе нагнетателя газ разогревает изоляцию трубопровода. Контроль за этим параметром позволяет не допустить этой аварийной ситуации.
Важнейшим является контролирование загазованности в помещении нагнетателей. Установка ГАЗ 1 М позволяет своевременно обнаружить утечку газа и устранить ее.
Расход топливного газа контролируется ДМ 3585 М. Позволяет определить количество потребляемого топливного газа.
3.3 Организация метрологического контроля за рабочими средствами измерений
Метрологическая служба (МС) предприятия является частью МС РАО «ГАЗПРОМ». Возглавляется ведущим инженером производственного отдела и автоматизации метрологии. Создается приказом генерального директора предприятия.
Руководство деятельностью МС службы предприятия «Тюментрансгаз» осуществляется ведущим инженером-метрологом производственного отдела КАиМ. Ведущий инженер-метролог по КАиМ является главным метрологом предприятия «Тюментрансгаз».
Основной задачей МС предприятия является осуществление технического и огранизационно-методического руководства работами по метрологическому обеспечению производства в подразделениях предприятия, а так же для непосредственного выполнения работ по МО.
В своей деятельности МС предприятия руководствуется стандартами и инструкциями Госстандарта, приказами и распоряжениями по предприятию, настоящих органов, а так же настоящим положением.
Метрологическая служба предприятия проводит свою работу над техническим и организационным, методическим руководством головной МС РАО «ГАЗПРОМ» - ДАО «ГАЗАВТОМАТИКА».
Ответственность за состояние метрологического обеспечения производства несет главных инженер предприятия.
Государственный надзор за МОП, состоянием, применением средств, измерением, соблюдении метрологических правил, требований и норм, а так же за деятельностью МС предприятия, осуществляет Госстандарт и его территориальные органы.
К основным задачам МС относятся:
обеспечение единства и требуемой точности измерения, повышение уровня метрологического обеспечения, в первую очередь измерение расхода газа;
организация и проведение калибровки и ремонта средств измерений, находящихся в эксплуатации на предприятии;
проведение метрологической аттестации методик выполнения измерений, а так же участия в аттестации средств испытания и контроля;
проведение метрологической экспертизы технических зданий, конструкторской и технологической документации и других нормативных документов;
изучение эксплуатационных свойств средств измерений, направление материалов по итогам этой работы в базовые организации МС по закрепленным видам деятельности и в организации-изготовители этих средств измерений составление и согласование с органами Госстандарта графиков проверки СИ и обеспечения своевременного представления на поверку;
осуществление метрологического надзора и применением СИ, эталонами, применяемыми для калибровки СИ, соблюдением метрологических правил и норм, нормативных документов по обеспечению единства измерений на предприятии;
участие в установленном порядке в работе отраслевых, межотраслевых, международных комиссий по решению проблем МО.
В обязанности МС входит:
проведение систематического анализа состояния измерений на предприятии, разработка на его основе программ совершенствования МО на планируемый период и контроль за их выполнением;
изучение потребностей подразделений предприятия в СИ эталонах, подготовка предложений по их разработке и приобретению;
внедрение стандартов ГСИ и других НТД, отраслевых стандартов, разработка и внедрение стандартов предприятии, регламентирующих вопросы МО;
организация эксплуатации СИ количество и качество газа не магистральных газопроводах, газо-измерительных станциях, ГИС собственных нужд, включая вопросы комплектации и ввода в эксплуатацию строящихся ГИС;
организация повышения квалификации специалистов лаборатории метрологии подразделений предприятия;
участие в установлении рациональной номенклатуры измеряемых параметров, оптимальных норм точности измерений при контроле параметров технологических параметров;
содействие органам Госстандарта при осуществлении или Госнадзора за составлением, применением, организации поверки средств измерений, а так же за деятельностью МС предприятия, реализация их предложений и замечаний;
выполнение расчетов экономической эффективности работ в области МО. Определение влияния этих работ на технико-экономические показатели производственной деятельности предприятия;
ведение постоянной работы по расширению использования вычислительной техники для повышения эффективности работы МС, уменьшения рутинного труда специалистов МС;
соблюдение правил техники безопасности и правил технической эксплуатации на объектах предприятия в соответствии с ЕСУОТ.
Права МС:
выдавать обязательные для подразделений предприятия, предписаний и указаний по вопросам состояния и применения СИ;
готовить предложения руководству предприятия об отмене принятых руководителями подразделений приказов, распоряжений и указаний в области МО, противоречащих Закону РФ «Об обеспечении измерений», государственным, отраслевым стандартам и стандартам предприятия;
привлекать отделы и подразделения предприятия, так же специалистов сторонних организаций к выполнению работ по МО;
вносить предложения руководству предприятия о поощрении специалистов МС, добиваться высоких показателей в работе, а так же в привлечении к ответственности лиц, виновных в нарушении метрологических правил и норм.
3.4 Перечень средств измерений подлежащих поверке и калибровке
Парк средств измерений Узюм-Юганской ГКС периодически согласно утвержденных графиков проходит поверку и калибровку. Далее в табл. 2 указан парк средств измерений, подлежащих обязательной поверке и калибровке.
Таблица 2. Перечень СИ Узюм-Юганской ГКС, подлежащих поверке и калибровке
|
Наименование СИ |
Средства проверки, (калибровки) |
НТД |
МПИ (МКИ) |
Вид МК, где |
|
ТХА-68 кл.д. В (0-100)ºС |
Установка УПСТ-2 |
ГОСТР 50343-92 Гост 8.338-78 |
1 раз в 12 мес. |
Калибровка |
|
ТСМ- 50М кл.д.С. (0-100)ºС |
Установка УПСТ-2 |
ГОСТР 50353-92 Гост 8.461-82 |
1 раз в 12 мес. |
Поверка ПМЛ |
|
БН-блок нормализ. кл.т. 0,5 |
Магазин сопротивлений МСР-60М кл.т. 0,02 Потенциометр пост.I ПП-70 кл.т. 0,05 |
ГОСТ 7003-74 ГОСТ 9245-68 |
1раз в 18 мес. |
Калибровка |
|
А-511 кл.т. 0,5 |
Цифровой вольтметр кл.т. 0,05 (200-2000)мВ переключатель на 8 положений. |
ГОСТ 8711-78 |
1 раз в 12 мес. |
Калибровка |
|
А-542 кл.т. 0,5 |
Вольтметр универсальный. Щ1516 кл.т. 0.005 Маг. сопр. Р4831 ист.пит. Б5-47 (0-30)В Перем. резистор |
ГОСТ 8711-78 ГОСТ 23737-79 ИП1 ИП2 |
1 раз в 12 мес. |
Калибровка |
|
А-501 кл.т. 1,0 |
Обр. цифр. вольтметр. пост. тока кл.т. 0.1 – не хуже (0-1) В; (0-10)В Обр. катушка сопротивл. Р331 кл.т. 0.01 Rо=1000м-1шт. |
ГОСТ 8.280-78 |
1 раз в мес. |
Калибровка |
|
«Турбина» кл.т. 1.0 (0-6000) об/мин |
Образцовый цифровой вольтметр Щ1412 кл.т. 0.1 Частотомер 43-54 |
1 раз в 24 мес. |
Калибровочная лаборатория |
|
|
ГАЗ 1 М |
Образцовый цифровой вольтметр, поверочная газовая смесь |
1 раз в 12 мес. |
ПМЛ поверка |
|
|
ДМ 3583 |
Напоромер НМП |
1 раз в 18 мес. |
МИ 333-83 |
Калибровочная лаборатория |
|
ДК 25-80 |
Микрометр МК Штангенциркуль ШЦ 11 |
1 раз в 12 мес. |
ПМЛ поверка |
|
|
МТ 100 |
Манометр грузопоршневой МП-600 (10-600) кгс/см2 Милливольтметр универсальный |
1 раз в 12 мес. |
МИ 1997-89 |
Калибровочная лаборатория |
|
МОШ 160 |
Комплект манометров МП-6;МП-60;МП-600; МО11202 |
1 раз в 12 мес. |
МИ 2102-90 |
Калибровочная лаборатория |
|
МТП 160 |
Комплект манометров МП-6;МП-60;МП-600; МО 11202 |
1 раз в 12 мес. |
МИ 2102-90 |
Калибровочная лаборатория |
|
ЭКМ 1 У |
Комплект манометров МП-6;МП-60;МП-600; МО 11202 |
1 раз в 12 мес. |
МИ 2145-91 |
Калибровочная лаборатория |
|
ВЭ 16 Рб |
Комплект манометров МП-6;МП-60;МП-600; МО 11202 |
1 раз в 12 мес. |
МИ 2145-91 |
Калибровочная лаборатория |
|
МТИ |
Комплект манометров МП-6;МП-60;МП-600; МО 11202 |
1 раз в 12 мес. |
МИ 2102-90 |
Калибровочная лаборатория |
|
МО |
Комплект манометров МП-6;МП-60;МП-600; МО 11202 |
1 раз в 12 мес. |
МИ 2145-91 |
ПМЛ поверка |
3.5 Оценка правильности выбора СИ
При выборе СИ для контроля техпроцесса необходимо учитывать совокупность их метрологических и экономических показателей, причем точность СИ должна быть достаточно высокой по сравнению с требуемой точностью измерения контролируемого параметра.
Недостаточная точность приводит к возникновению фиктивного, необнаруженного брака контроля, а измененная – повышает трудоемкость и стоимость контролируемых операций, а, следовательно, ведет к увеличению затрат.
При проведении оценки правильности выбора СИ требуется проверить два условия:
А
Б
где
А – контролируемый параметр и допускаемые отклонения
Б – диапазон измерения прибора
Основная предельно допустимая погрешность комплекта определяется по формуле:
Δруком=
для СИ t (ТЭП)
=
- для СИ давления
Δру
ком=
для СИ t (ГПС)
а). Тº подшипника турбодетандера.
Термометр технический ТТ; диапазон измерений (0 - 100)ºС; ц.д.=1ºС
Для термометра технического стеклянного условия
б).Тº подшипников ОК, ТВД, ТНД, нагнетателя.
Первичный преобразователь
ТСМ М; кл.д.О; (0-100)ºС – по ГОСТ 850353-92
Нормирующий преобразователь
БН; кл.т.0,5; (0-100)ºС – из технического описания.
Измерительный прибор
А-511 кл.т.0,5 (0-100)ºС – из технического описания
Условие выполняется, следовательно диапазон А511 выбран верно.
Д
где Д=(80-60)=20ºС

∆ºТСМ=0,955ºС
∆Iн=0,24ºС
∆ºБН=0,5ºС
∆ºА511=0,5ºС
К=1.1 при дав. Вер. 0,95

Условие выполняется, прибор А-511 выбран верно.
в). Температура воздуха в воздуховодах перед регистраторами №1,2
Первичный преобразователь: ТХА - 68 (0-1100)ºС; кл.доп. В
Нормирующий преобразователь; БН (0-400)ºС; кл.т.0,5
Измерительный прибор: А-511 (0-400)ºС; кл.т. 0,5
А
Б,
где А=(150±10)ºС
Б=(0-400)ºС
- условие не выполняется, диапазон шкалы
прибора выбран неверно, но так как в
процессе работы контролируемый параметр
может меняться целесообразно оставить
прибор с ВПИ=400ºС.

где Д – поле допуска на контролируемый параметр

∆ºТХА=±
ºС
по кл.допуска В при t=150ºС
по справочным данным
С
С
К=1,1 при доверительной вероятности 0,95
С
С
Условие выполняется, прибор выбран верно.
г). Тº воздуха в воздуховодах после регенераторов № 1,2.
Первичный преобразователь: ТХА - 68; кл.д. В; (0-400)ºС
Нормирующий преобразователь: БН кл.т. 0,5; (0-400)ºС
Измерительный прибор: А511; кл.т. 0,5 (0-400)ºС

Условие выполняется, диапазон прибора выбран верно.

где Д – поле допуска на контролируемый параметр

К=1,1 при доверительной вероятности 0,95

Условие выполняется, следовательно измерительный прибор выбран верно.
д). Температура продуктов сгорания в трубопроводах после ТНД к регенераторам №1,2
Первичный преобразователь: ТХА - 68; кл.д. В; (0-1100)ºС
Нормирующий преобразователь: БН; кл.т.0,5; (0-600)ºС
Условие выполняется, измерительный прибор А-511 выбран верно.
е). Температура воздуха в трубопроводе перед ОК.
Первичный преобразователь: ТСМ – 50М; кл.д. С; (-50-100)ºС ГОСТ 6651-78
Нормирующий преобразователь: БН; кл.т.0,5; (-50-100)ºС
Измерительный прибор: А-511; кл.т.0,5; (-50-100)ºС
Условие не выполняется, диапазон шкалы А511 выбран не верно.
Так как в произведенном процессе параметр может меняться, целесообразно оставить прибор с ВПИ и (-50+100)ºС.
Условие выполняется, следовательно, прибор А-511 выбран верно.
ё). Температура масла в трубопроводе перед МО.
Термопреобразователь: ТСМ - 50М; кл.д.С; (0-100)ºС
Нормирующий преобразователь: БН кл.т.0,5 (0-100)ºС
Измерительный прибор: А511 кл.т.0,5; (0-100)ºС
Условие выполняется, диапазон А-511 выбран верно.

Условие выполняется, следовательно, прибор А511 выбран верно.
ж). Температура масла в трубопроводе после МО.
Термопреобразователь: ТСМ-50М; кл.д.С; (0-100)ºС
Нормирующий преобразователь: БН кл.т.0,5; (0-100)ºС
Вторичный прибор А511; кл.т.0,5; (0-100)ºС

Условие не выполняется, диапазон прибора выбран неверно, но так как в производственном процессе параметр может изменяться, нужно оставить прибор с ВПИ 100ºС.

Условие выполняется, следовательно, прибор выбран верно.
з). Осевой сдвиг, ОУП, ТНД, ТВД, нагнетателя.

Условие не выполняется, шкала прибора выбрана неверно. Так как в производственном процессе параметр может меняться, целесообразно оставить измерительный прибор с ВПИ 10 кгс/см2.

Условие выполняется, манометр ЭКМ1У выбран верно.
и). Скорость вращения роторов.
Таходатчик 435,155,009 кл.т. 1,0; (0-6000) об/мин
Комплекс «Турбина» кл.т. 1,0; (0÷6000) об/мин
Прибор А-501 кл.т. 1,0; (0÷6000) об/мин

Условие выполняется, диапазон прибора выбран верно.
4. Выводы и рекомендации по совершенствованию турбокомпрессорного цеха
Анализируя выше изложенный материал, разработаем следующее рекомендации для улучшения технологического процесса, совершенствования измерений в турбокомпрессорном цехе. Произведено описание наиболее важных процессов, происходящих в турбине. Указаны основные контролируемые параметры необходимые для нормальной работы ГПА и процесса сжатия газа. В спецчасти произведена метрологическая экспертиза технической документации процесса сжатия и транспортировки газа. Произведен анализ оптимальности номенклатуры измеряемых и контролируемых параметров, обоснованы требования к точности измерений.
Произведена оценка правильности выбора СИ, на основании оценки составлено экспертное заключение, в котором изложено заключение на рассмотренную документацию, предложены замены средств измерений на более совершенные. Приведены технические характеристики вновь предложенных СИ, указаны их преимущества. Далее в дипломной работе отражена деятельность МС предприятия «Тюментрансгаз», ее деятельность, основные задачи и обязанности.
Приведены нормы техники безопасности при работе с различными КИП.
В заключении произведено технико-экономическое обоснование и рассчитан экономический эффект от внедрения нового СИ.
Основные результаты метрологической экспертизы приведены в таблице 2.
В процессе перекачки газа контролируются все необходимые параметры.
Не все СИ, применяемые для контроля определены правильно, шкалы СИ не удовлетворяют условию А ≥ ⅔ Б диапазона измерений, что приводит к увеличению погрешности.
Рекомендуется заменить прибор А511 (каналы измерения температуры ТВД, ТНД, масла до и после охлаждения, воздуха на входе осевого компрессора), прибор А542 (каналы измерения температуры ТВД и ТНД, давления осевого компрессора, перепада давления «масло-газ»), прибор А501 (каналы измерения скорости вращения ТВД и ТНД, давления входа и выхода газа) на современные цифровые приборы АЭ511А, АЭ542А, АЭ501А соответственно.
На некоторые параметры отсутствуют номинальные значения и поле допуска.
Рекомендуется установить предельное значение (не выше 7,5 МПа) давления газа на выходе ГКС с автоматическим управлением защитой от превышения выходного давления.
С учетом выше изложенных рекомендаций необходимо произвести замену системы управления «Конотоп» на более современную и надежную систему А-705-15-03.
В технической инструкции (ТИ) единицы давления выражены во внесистемных единицах – кгс/см2 .
При последующей разработке рекомендуется внести в документацию изменения и дополнения, а именно указать предельное давление на выходе ГКС, единицы измерения давления выразить в единицах SI (Па, кПа, Мпа).
Таблица 4. Результаты метрологической экспертизы технической документации
|
Замечания |
Предложения |
|
Давление выражено во внесистемных единицах: кгс/см2 |
Давление выразить в единицах системы СИ (Па, МПа, КПа) |
|
Заменить прибор А-511 как устаревший (многошкальный аналоговый) |
Заменить прибором АЭ511А (аналогово-цифровым многошкальный). Аналог-А511. |
|
Заменить прибор А-542 как устаревший (двухканальный аналоговый, с индикацией по шкале, самопишущий). |
Заменить прибором АЭ542А (аналогово-цифровым, двухканальным, с индикацией измерения в цифровом виде, с запоминанием информации с ретроспективой. В электронной памяти по алгоритму, с привязкой к реальному масштабу времени). Аналог А-542. |
|
Заменить А-501, как устаревший (аналоговый, ленточный с индикацией по шкале). |
Заменить прибором АЭ501А (аналогово-цифровым с цифровой индикацией). Аналог А-501. |
|
Р газа до и после нагнетателя контролируется в условиях, когда датчик не защищен от метеорологических условий. |
Обеспечить t окр.среды близко к нормальной или перенести датчик в нормальные условия. |
|
Отсутствуют допуски на контрольные параметры. |
Установить нормирующие значения и Допуски на контрольные параметры. |
5. Организационно-экономический раздел
Разработка сетевого графика
Одним из проявлений системного подхода при организации работ является сетевой график – графическое изображение работ и событий с расчетными параметрами. Работами называются любые процессы, приводящие к достижению определенных результатов (событий), событиями называются результаты произведенных работ, необходимых и достаточных для последующих работ или работы. Любая последовательность работ в сетевом графике, в которой конечное событие одной работы совпадает с начальным событием следующей за ней работы - называется путем.
Для расчета временных параметров сетевого графика нумеруются перечень событий и работ в таблице.
Таблица 5
|
№ |
События |
№ |
Работы |
|
0 |
Диагностика установки и постановка вопроса о модернизации |
0 – 1 |
Рассмотрение вопроса о модернизации установки |
|
1 |
Решение вопроса о модернизации |
1 – 2 1 - 3 |
Изучение литературы Изучение номенклатуры рынка сбыта |
|
2 |
Литература изучена |
2 - 4 |
Согласование вопроса с руководством |
|
3 |
Номенклатура рынка сбыта изучена |
3 - 4 |
Согласование вопроса с руководством |
|
4 |
Вопрос согласован |
4 – 5 4 – 6 |
Приобретение компонентов Приобретение расходных материалов |
|
5 |
Приобретение радиодеталей |
5 – 7 |
Усовершенствование схемы |
|
6 |
Расходные материалы приобретены |
6 – 7 |
Усовершенствование схемы |
|
7 |
Усовершенствование схемы |
7 - 8 |
Замена радиокомпонентов |
|
8 |
Радиодетали заменены |
8 - 9 |
Настройка весов |
|
9 |
установка настроена |
9 - 10 |
Разработка программы испытаний |
|
10 |
Программа испытаний разработана |
10 -11 |
Согласование программы испытаний |
|
11 |
Программа согласована |
11- 12 11- 13 |
Поведение испытаний Исследование МХ |
|
12 |
Испытания проведены |
12 –14 12- 15 |
Разработка МВИ Разработка инструкции по эксплуатации |
|
13 |
МХ исследованы |
13- 16 |
Обработка результатов измерений |
|
14 |
МВИ разработана |
14- 19 |
Оформление технического отчета |
|
15 |
Инструкция по эксплуатации разработана |
15- 19 |
Оформление технического отчета |
|
16 |
Обработка результатов измерений произведена |
16- 17 |
Разработка методики поверки |
|
17 |
Методика поверки разработана |
17- 18 |
Согласование методики поверки с ГУ «Урал-Тест» |
|
18 |
Методика поверки согласована |
18- 19 |
Оформление технического отчета |
|
19 |
Технический отчет оформлен |
19- 20 |
Согласование сроков поверки с ГУ «Урал-Тест» |
|
20 |
Сроки поверки установлены |
20- 21 |
Проведение поверки |
|
21 |
Поверка произведена. Результаты положительные. |
Далее рассчитывается таблица по длительности или продолжительности работы.
Таблица 7
|
Коды работ |
t прод |
Трнj |
Троj |
Тпнj |
Тпоj |
Rj |
|
0-1 |
4 |
0 |
4 |
0 |
4 |
0 |
|
1-2 |
1 |
4 |
5 |
4 |
7 |
2 |
|
1-3 |
4 |
4 |
7 |
4 |
7 |
0 |
|
2-4 |
3 |
5 |
10 |
7 |
10 |
0 |
|
3-4 |
3 |
7 |
10 |
7 |
10 |
0 |
|
4-5 |
4 |
10 |
14 |
10 |
14 |
0 |
|
4-6 |
4 |
14 |
16 |
14 |
16 |
0 |
|
5-7 |
2 |
14 |
16 |
14 |
16 |
0 |
|
6-7 |
2 |
14 |
16 |
14 |
16 |
0 |
|
7-8 |
2 |
16 |
18 |
16 |
18 |
0 |
|
8-9 |
3 |
18 |
21 |
18 |
21 |
0 |
|
9-10 |
1 |
21 |
22 |
21 |
22 |
0 |
|
10-11 |
3 |
22 |
25 |
22 |
25 |
0 |
|
11-12 |
5 |
25 |
20 |
25 |
38 |
8 |
|
11-13 |
5 |
25 |
30 |
25 |
30 |
0 |
|
12-14 |
1 |
30 |
31 |
38 |
39 |
8 |
|
12-15 |
1 |
30 |
31 |
38 |
39 |
8 |
|
13-16 |
3 |
30 |
33 |
30 |
33 |
0 |
|
16-17 |
1 |
33 |
34 |
33 |
34 |
0 |
|
17-18 |
5 |
34 |
39 |
34 |
39 |
0 |
|
18-19 |
2 |
39 |
41 |
39 |
41 |
0 |
|
14-19 |
2 |
31 |
41 |
39 |
41 |
0 |
|
15-19 |
2 |
31 |
41 |
39 |
41 |
0 |
|
19-20 |
3 |
41 |
44 |
41 |
44 |
0 |
|
20-21 |
1 |
44 |
45 |
44 |
45 |
0 |
Трнj – раннее начало работы
Троj – раннее окончание работы
Тпнj – позднее начало работы
Тпоj – позднее окончание работ
Rj – резерв времени событий, рассчитываемый по формуле: Rj = Тпj – Трj (11)
Расчет себестоимости. Расчет эксплуатационных расходов.
Результаты расчетов основных и вспомогательных материалов приведены в таблице.
Таблица 8
|
Наименование материала |
Сортировка материала |
Норма расхода на изделие, гр. |
Цена за единицу, руб./кг. |
Общая сумма затрат, руб. |
Обоснование цены |
|
Припой |
ПОС-61 |
5 |
680 |
3,4 |
Каталог изделий «Промэлектроника» |
|
Канифоль |
КС-1 |
5 |
200 |
1 |
|
|
Спирт этиловый |
ГОСТ 18300-87 |
50 |
125 |
6,25 |
|
|
Паста |
КТП-1 |
1 |
2500 |
2,5 |
|
|
Итого: |
13,15 |
Результаты расчета затрат на покупные и комплектующие изделия приведены в таблице.
Таблица 9
|
Наименование покупных материалов |
Количество |
Цена за единицу, руб. |
Общая сумма, руб. |
Обоснование цены (номера, год издания ценников и прейскурантов) |
|
Микросхема ОР400 |
2 |
250,56 |
501,12 |
Каталог изделий «Промэлектроника» |
|
Микросхема 7805 |
1 |
8,56 |
8,56 |
|
|
Микросхема 7815 |
1 |
8,84 |
8,84 |
|
|
Микросхема 7915 |
1 |
9,5 |
9,05 |
|
|
Конденсатор SR-50-2200 |
3 |
19,49 |
58,29 |
|
|
Конденсатор SR-50-22 |
3 |
0,80 |
2,40 |
|
|
Батарея Varta |
3 |
564 |
564 |
|
|
Итого: |
1152,27 |
Результаты расчета основной заработной платы приведены в таблице
Таблица 10
|
Часовая тарифная ставка, руб./ч |
Количество рабочих часов, ч. |
Всего по тарифу |
Премия 40% |
Районный коэффициент 15% |
Итого |
|
28 |
90 |
2520 |
1008 |
529,2 |
4057,2 |
Результаты расчета прочих затрат приведены в таблице
Таблица 11
|
Дополнительная заработная плата |
Отчисления на социальное страхование |
Цеховые расходы |
Общезаводские расходы |
Внепроизводственные расходы |
Итого |
|
|
% |
10 |
38,6 |
30 |
15 |
15 |
|
|
Руб. |
405,72 |
1566,08 |
1217,10 |
608,58 |
608,58 |
4406,12 |
Таблица 13
|
Наименование оборудования |
Стоимость оборудования |
Ресурс работы |
Амортизационные отчисления, руб./ч. |
Время работы |
Расходы на эксплуатацию |
|
Паяльник |
110 |
500 |
4 |
0,22 |
0,88 |
|
Мультиметр |
320 |
5000 |
68 |
0,064 |
4,35 |
|
Термокамера |
1500 |
2000 |
2 |
7,5 |
15 |
|
Итого: |
20,23 |
Результаты расчета себестоимости приведены в таблице
Таблица 14
|
Наименование статей затрат |
Сумма, руб. |
% от полной себестоимости |
|
Основные и вспомогательные материалы |
1315 |
0,14 |
|
Покупные и комплектующие материалы |
1152,27 |
1188 |
|
Электроэнергия |
50,03 |
0,52 |
|
Основная заработная плата |
4057,20 |
41,83 |
|
Дополнительная заработная плата |
405,72 |
4,18 |
|
Отчисления на соц. страхование |
1566,88 |
16,15 |
|
Расходы по содержанию и эксплуатации оборудования |
20,23 |
0,21 |
|
Цеховые расходы |
1217,10 |
12,55 |
Таким образом, себестоимость модернизации составляет 9699,74 руб. Амортизационные отчисления составят 96999,74/4=2424,9 руб./год.
Новая электронная установка 2-го класса стоит 3800 у.е. Считая курс по состоянию на 12.01.03, стоимость новой установки составляет 121600 руб. Срок службы основные фирмы изготовители (Mettler, Penver, Pivotecs и др.) ограничивают 8 годами, после чего сохранение метрологических характеристик не гарантируется, а амортизационные отчисления составляют
121600/8=13713,25 руб./год.
На компрессорной станции эксплуатируется 16 установок типа А-705-15-03, из которых модернизации подверглось 3 штуки. Суммарный экономический эффект при этом составляет 33863,05 руб.
6. Вопросы безопасности жизнедеятельности
Требования техники безопасности и промышленной санитарии турбокомпрессорного цеха.
Общие требования по технике безопасности при обслуживании компрессорных станций.
Обвязочные газопроводы, находящиеся на территории и в цехах компрессорной станции, характеризуются высокими давлениями транспортируемого газа, как в самих газопроводах, так и в аппаратах, установках и других коммуникациях, из которых возможен выход газа при нарушении герметичности фланцевых соединений и арматуры, а также возможными образованиями пирофорных соединений в пылеуловителях, отстойниках, емкостях и других местах. Вредными для организма человека являются повышенная температура, вибрация оборудования и шумы в компрессорных цехах, поэтому при выполнении любых работ в производственных помещениях, внутри аппаратов, сосудов и на других коммуникациях КС от персонала требуется строгое соблюдение правил техники безопасности и организация безопасных условий труда.
К работе на КС допускаются лица не моложе 18 лет, прошедшие вводный инструктаж, обучение безопасным приемам и методам работы, инструктаж на рабочем месте по правилам внутреннего распорядка, технике безопасности при эксплуатации технологического оборудования по профессиям и выполнении отдельных видов работ, правилам пожарной безопасности на КС и успешно сдавшие экзамены на допуск к самостоятельной работе. Весь персонал должен уметь оказывать первую помощь пострадавшим.
Лицам, не занятым эксплуатацией или ремонтом газоперекачивающих агрегатов (ГПА) и их оборудования, запрещается заходить в помещения компрессорных цехов или блок боксы контейнерного типа, на площадки стационарных коллекторов, узлы подключения КС без разрешения руководства КС. Каждый работник должен немедленно сообщить своему непосредственному начальнику о нарушениях правил и инструкций, а также о неисправностях оборудования, защитных устройств и т.п. Ответственность за соблюдение правил техники безопасности несет весь персонал КС в соответствии с выполняемыми обязанностями.
Персонал должен быть обеспечен средствами индивидуальной защиты в соответствии с типовыми отраслевыми нормами и характером выполняемой работы.
Содержание горючих газов и паров в воздухе производственных помещений при эксплуатации не должно превышать 5% их нижнего предела взрываемости. Помещения, где возможно образование опасных газовоздушных смесей, в соответствии с проектом оборудуются сигнализаторами до взрывоопасных концентраций газов, сблокированных с автоматикой включения аварийной вентиляции. Первый сигнал (звуковой) подается от сигнализатора при достижении содержания горючего газа в воздухе помещения или в одном из возможных мест его скопления, равной 10% его НПВ (около 0,5% по метану), при одновременном автоматическом включении аварийной вытяжной вентиляции. По этому сигналу необходимо принять меры по обнаружению места утечки газа и ее ликвидации. При содержании горючего газа в помещении сверх 20% его НПВ (1% по метану) эксплуатация оборудования должна быть прекращена автоматически. Запрещается эксплуатировать компрессорный цех с выключенной или неисправной системой контроля загазованности. Работоспособность автоматической сигнализации и автоматическое включение аварийной вентиляции проверяются персоналом еже сменно.
Эксплуатация ГПА должна быть прекращена в случаях, оговоренных техническими инструкциями по эксплуатации отдельных типов агрегатов, в том числе при неисправности запорной и регулирующей арматуры, контрольных приборов, кнопок управления и сигнализации на щите управления, маслонасосов или масляных фильтров; снижении уровня масла в маслобаке или давления масла в системе ниже допустимого значения; значительных утечках масла или газа; отключенных автоматических защитах; в случае возгорания ГПА и др. обстоятельствах, угрожающих целостности оборудования и жизни обслуживающего персонала. Обнаруженные неисправности нельзя устранять на работающем ГПА.
Газоперекачивающий агрегат, остановленный для вывода его в резерв или для ремонта, должен быть немедленно отключен от технологических, пусковых, топливных и импульсных газопроводов. При грозе запрещается пуск ГПА и проведение переключений на технологической обвязке и силовом электрооборудовании.
Дежурный персонал КС при приеме смены обязан проверить действующие или подготовленные к пуску установки с целью обнаружения возможных неисправностей или дефектов; получить информацию от сдающих смену о технологических особенностях и режимах работы оборудования, а также сведения об исправности защитных устройств и приспособлений; немедленно сообщить вышестоящему руководителю или диспетчеру о всех замеченных нарушениях или необычных условиях работы КС или ГПА при приеме смены.
Прием и сдача смены во время производимых переключений, при операциях по пуску или остановке оборудования, как правило, не разрешаются.
Техника безопасности при эксплуатации ГПА и оборудования компрессорного цеха
Обслуживание оборудования компрессорного цеха производится на объектах действующих магистральных газопроводов высокого давления, во взрывоопасных помещениях и связано с эксплуатацией тяжело нагруженных быстроходных агрегатов с высокой температурой продуктов сгорания.
Поэтому обслуживающий персонал должен твердо знать правила обращения с природным газом и его основные свойства:
неодорированный природный газ бесцветен, не имеет запаха, легче воздуха;
при содержании метана в воздухе в пределах от 5 до 15% образуется взрывоопасная концентрация;
природный газ, скапливающийся в закрытом помещении, вытесняет воздух и удушающе действует на человека;
предельно допустимое содержание газа в помещениях не должно превышать 1%.
Курение на компрессорной станции, в машинном зале и других производственных помещениях категорически запрещается. Должны быть выделены специальные помещения и отведены места для курения.
Полы помещений должны быть сухими и чистыми. Пролитое масло нужно немедленно и насухо вытереть. Полы, ограждения и перекрытия должны содержаться в полной исправности. Все помещения цеха, включая проходы и площадки, должны иметь освещенность, обеспечивающую возможность правильного и безопасного обслуживания агрегатов дежурным персоналом. Должно быть обеспечено хорошее освещение всех приборов, а также проходов, лестниц и всех тесных мест вблизи горячих поверхностей.
Промасленные обтирочные материалы необходимо складывать в секционный металлический ящик и убирать из цеха в конце каждой смены.
При подготовке агрегата к пуску необходимо:
произвести наружный осмотр агрегата, убрать с оборудования, площадок обслуживания и переходов инструменты, ветошь и прочие предметы;
произвести все операции по подготовке ГПА к пуску в соответствии с технической инструкцией завода-изготовителя;
проверить наличие и исправность всех ограждений и предохранительных устройств, все вращающиеся механизмы должны быть закрыты предохранительными кожухами;
проверить исправность покрытий горячих частей агрегата;
проверить наличие и исправность противопожарного оборудования;
При пуске агрегата должны соблюдаться следующие требования техники безопасности:
запрещается присутствие посторонних лиц в машинном зале и галерее нагнетателей (аналогично в помещениях цехов контейнерного типа);
пуск ГПА разрешается только по распоряжению старшего сменного инженера-диспетчера;
вход людей в камеры воздушных фильтров при пуске и во время работы агрегата категорически запрещается;
во избежание ожогов запрещается касаться горячих неизолированных поверхностей ГПА;
производство ремонтных работ на работающем агрегате запрещено.
Организация безопасности при проведении экспериментальных исследований
При проведении экспериментальных исследований в турбокомпрессорном цехе должны быть проведены следующие мероприятия:
а) отключено питание цепей управления кранами топливного, пускового и технологического газа, вывешены плакаты на центральном и местных щитах "Не включать, работают люди";
б) закрыты отборы импульсного газа, обеспечен видимый разрыв на подводе импульсного газа к узлам управления, установлены заглушки на штуцерах гидробаллонов и пневмоцилиндров кранов, импульсный газ стравлен;
в) сняты шланги или трубки подвода импульсного газа к гидробаллонам или пневмоцилиндрам всех кранов, переключатель (при наличии) установлен в положение "Ручное управление", снята ось рукоятки насоса ручного управления краном;
г) сняты штурвалы или ручки управления с задвижек и кранов № 4 бис, 12 бис;
д) шланги, трубки, штурвалы, рукоятки насосов должны быть сданы на хранение на главный щит управления (ГЩУ);
е) на кран № 4 установлен блок-замок;
ж) установлены силовые стальные заглушки, толщиной не менее 6 мм, во фланцевые соединения после задвижки № 12 бис (по ходу газа);
з) краны № 1, 2, 4, 4 бис, 11, 12, 12 бис должны быть закрыты, вывешены таблички "Не открывать", краны № 3, 3 бис, 5, 9, 10 открыты, вывешены плакаты "Не закрывать".
Кроме перечисленных мероприятий, производится также отключение вспомогательного электрооборудования, исключающее возможность его ошибочного включения во время производства ремонтных работ (валоповоротное устройство, пусковой и резервный насосы, винтовые масляные насосы уплотнения и др.). Щиты управления агрегатом обесточиваются и вывешиваются плакаты "Не включать, работают люди".
Вывод агрегата в ремонт должен быть зафиксирован в оперативном журнале сменного инженера. Сменный инженер обязан в течение смены проводить проверку состояния запорной арматуры и органов управления ГПА, и несет ответственность за правильное содержание органов управления запорной арматуры.
Все экспериментальные работы в машинном зале и галерее нагнетателей могут производиться только с разрешения начальника газокомпрессорной службы и по согласованию со сменным инженером.
При разборке и сборке агрегатов, для подъема деталей и узлов ГПА, используются специальные грузозахватные приспособления, которые перед началом производства работ подвергаются внешнему осмотру. Для подъема деталей разрешается пользование грузоподъемными средствами, исключительно соответствующей грузоподъемности и своевременно прошедшими проверку, согласно действующим правилам Госгортехнадзора. Допускаемая грузоподъемность и срок проверки должны быть указаны на оборудовании и приспособлении.
Подъем и перемещение деталей должны производиться под руководством лиц, ответственных за перемещение грузов, назначенных приказом по предприятию. Все крановщики и стропальщики должны иметь удостоверения в соответствии с правилами Госгортехнадзора.
Перед началом работ по подъему необходимо проверить исправность грузоподъемных средств и тормозящих устройств. Перед подъемом деталей необходимо проверить прочность застроповки. Запрещается загромождать деталями проходы около ремонтируемых машин и действующего оборудования, а также проходы, необходимые для нормальной эксплуатации цеха.
При выемке и установке роторов застроповку их следует производить специальным приспособлением. При перекосах, заеданиях или задеваниях дальнейший подъем ротора должен быть немедленно прекращен до выяснения и полного устранения обнаруженных ненормальностей.
При укладке ротора на козлы, для предохранения от скатывания под шейки ротора должны быть подложены деревянные брусья с вырезами, в которые проложены листы прессшпана; шейки ротора необходимо смазать консистентной смазкой. Козлы, применяющиеся при ремонтных работах, должны быть рассчитаны на соответствующие нагрузки.
При проведении работ на маслопроводах следует руководствоваться следующими положениями;
а) пролитое масло необходимо немедленно убрать;
б) электродуговая сварка должна производиться дипломированными сварщиками;
в) промывка масляных баков легковоспламеняющимися жидкостями (ЛВЖ) запрещается.
В течение всего периода экспериментальных работ между машинным залом и галереей нагнетателей должна быть установлена разделяющая диафрагма. Отсутствие разделительной диафрагмы допускается только при работах, связанных с центровкой и сборкой промежуточного вала.
При окончании экспериментальных работ необходимо тщательно осмотреть места проведения работ и удалить все посторонние предметы и инструмент.
После этих мероприятий проводится анализ экспериментальных работ с оформлением соответствующих актов подтверждающих целесообразность проведения данных мероприятий.
Производственная санитария.
Общие требования к объектам транспортировки газа На объектах МГ с возможным загрязняющим влиянием на окружающую среду должны предусматривать регламентацию ПДВ в соответствии с Основами законодательства Союза ССР и союзных республик, Законом Союза ССР об охране атмосферного воздуха, Основами законодательства Союза ССР и союзных республик о здравоохранении, ГОСТ 17.2.3.02-78 Охрана природы. Атмосфера и Правилами охраны поверхностных вод от загрязнения сточными водами. Для объектов МГ вблизи населенных мест должны быть установлены санитарно-защитные зоны в соответствии с СН 245-71. Допускается в санитарно-защитной зоне между жилыми районами и производственными объектами размещать объекты с меньшим, чем у данного объекта классом вредностей при условии, что между размещаемыми объектами и жилыми районами будет сохранена требуемая санитарно-защитная зона.
Территория санитарно-защитной зоны должна быть благоустроена и озеленена. Уровни загрязнения воздуха приземного слоя атмосферы на границе санитарно-защитных зон не должны превышать ПДК населенных мест по каждому из вредных факторов технологического процесса на данном объекте. Уровни производственного шума в населенных пунктах на границе санитарно-защитных зон не должны превышать 45 дБ (по #M12291 5200291ГОСТ 12.1.003-83#S «Шум. Общие требования безопасности»). Систему утилизации промышленных стоков, жидких отходов, шлаков и других отходов объектов следует создавать в каждом конкретном случае в соответствии с проектом и местными условиями с учетом требований "Правил охраны поверхностных вод от загрязнения сточными водами" и "Земельного законодательства ".
Содержание производственных и санитарно-бытовых помещений В производственных помещениях объектов МГ должны соблюдаться требования, предусмотренные #M12291 5200291ГОСТ 12.1.003-83#S «Шум. Общие требования безопасности»; СН 245-71, ГОСТ 12.1.005-76 «Воздух рабочей зоны. Основные санитарно-гигиенические требования», СНиП «Отопление, вентиляция и кондиционирование воздуха»; #M12291 871001211СНиП II-12-77#S «Защита от шума. Нормы проектирования»; ГОСТ 12.1.012-78 «Вибрация. Общие требования безопасности»; СНиП II-4-79 «Естественное и искусственное освещение. Нормы проектирования».
Санитарно-бытовые помещения и их оборудование должны отвечать требованиям соответствующих СНиПов и санитарных норм. Руководство предприятия обязано обеспечить соответствие числа санитарно-бытовых помещений и их оснащенность условиям работы и числу работающих. Организация работ, режимов труда и отдыха рабочих в условиях повышенной вредности должна соответствовать Типовым внутрисменным режимам труда и отдыха рабочих промышленных предприятий. Запрещается развешивать для сушки одежду, а также класть какие-либо горючие материалы на горячие поверхности трубопроводов или оборудования. Для сушки одежды и обуви должны быть оборудованы сушилки. Работник до начала работы обязан проверить состояние своего рабочего места, а также исправность, соответствие предназначенного для предстоящей работы оборудования, инструмента, материалов, СИЗ и СКЗ и в случае обнаружения неисправностей, принять меры к их устранению. Проходы, выходы, лестничные клетки, тамбуры, коридоры, запасные выходы, средства пожаротушения и аварийные склады не должны загромождать какими-либо предметами, материалами и оборудованием. Не допускается устройство кладовых, мастерских под маршами лестничных клеток. Резервное оборудование, материалы и прочие ценности должны складировать в специально отведенных для этой цели помещениях или местах. Двери в помещениях должны открываться в направлении ближайших выходов наружу. Входы в помещения в местностях с суровым климатом должны иметь плотно закрывающиеся и запирающиеся двери, защитные стенки и другие устройства для экономии тепла и предупреждения сквозняков и резких колебаний температуры в помещении. Производственные и бытовые помещения, а также территории на площадках основных и вспомогательных цехов и служб должны постоянно содержать в порядке и чистоте. Разлитые горючие продукты необходимо своевременно убирать, а загрязненную ими территорию следует зачищать, удаляя загрязненный грунт, смывать водой или засыпать чистым грунтом. Запрещается очистка полов, каналов, конструкций с помощью ЛВЖ.
Створки оконных переплетов, а также створки фонарей должны быть снабжены устройствами для легкого и быстрого открытия и закрытия.
Фонари производственных помещений должны быть оборудованы дистанционным управлением или площадками с лестницами для обслуживания оконных фрамуг.
Уровни звука (шума) и эквивалентные уровни звука в производственных помещениях и на территории объектов не должны превышать допустимый уровень по #M12291 5200291ГОСТ 12.1.003-83#S.
Технологическое оборудование, устанавливаемое на объектах МГ, по своим характеристикам должно удовлетворять требованиям санитарных норм.
Расположение аппаратуры в производственных помещениях, а также трубопроводов должно обеспечивать безопасность их обслуживания, ремонта и осмотра. Зоны с уровнем звука выше 85 дБ должны быть обозначены знаками безопасности. Работающих в этих зонах администрация обязана снабжать СИЗ, подобранными по ГОСТ 12.4.051-78 "Средства индивидуальной защиты органа слуха. Общие технические условия". Запрещается даже кратковременное пребывание в зоне с уровнями звукового давления, превышающими 135 дБ, любой из нормируемых октавных полос частот.
До приемки в эксплуатацию объектов МГ в процессе их пуско-наладки должны быть проверены шумовые характеристики установленного оборудования и уровни звука в помещениях объектов, на территории промплощадок и на границе селитебной территории.
Если в результате измерений будет выявлено, что уровни звукового давления на рабочих местах и зонах обслуживания технологического оборудования превышают значения, допустимые по #M12291 5200291ГОСТ 12.1.003-83#S, необходимо провести экспертизу строительного проекта и направить рекламации заводу-изготовителю, проектной или строительной организации. Методы измерения шума на рабочих местах и шумовых характеристик оборудования должны соответствовать государственным и отраслевым стандартам. Если уровни звукового давления на рабочих местах и в зонах обслуживания технологического оборудования превышают значения, допустимые по #M12291 5200291ГОСТ 12.1.003-83#S, необходимо провести соответствующую экспертизу и принять меры для снижения шума в условиях эксплуатации, предусмотренные #M12291 871001211СНиП II-12-77#S. Уровень звука в производственных помещениях необходимо контролировать в плановом порядке, а также после капитального ремонта и реконструкции технологического оборудования, в том числе систем вентиляции. Персонал КС и ГРС, работающий в условиях повышенного шума, подлежит периодическому медицинскому обследованию с аудиометрической проверкой состояния слуха. Уровни общей технологической вибрации, транспортной вибрации, передающейся на руки работающих при использовании виброинструмента, не должны превышать ДУ по ГОСТ 12.1.012-78 "Вибрация. Общие требования безопасности". Вибробезопасные условия труда должны быть обеспечены: применением вибробезопасного оборудования и инструмента; применением средств виброзащиты, снижающих воздействие на рабочих вибрации на путях ее распространения;
организационно-техническими мероприятиями (поддержание в условиях эксплуатации технического состояния машин и механизмов на уровне, предусмотренном НТД на них; введение режимов труда, регулирующих продолжительность воздействия вибрации на рабочих; вывод работников из мест с превышением допустимого уровня по вибрации). Уровни звукового давления и вибрации подлежат проверке с занесением полученных данных в паспорт санитарно-технического состояния условий труда. В производственных помещениях содержание вредных газов и паров в воздухе рабочей зоны не должно превышать ПДК рабочей зоны. Поступление вредных веществ в помещение и их распространение в рабочей зоне необходимо предотвращать путем рационального размещения объектов и организации производственного процесса (герметизация, теплоизоляция, вывод продувочных линий за пределы помещения, исключения возможности разлива продуктов, качественная работа вентиляции и канализации, контроль воздушной среды). Производственные помещения должны иметь устройства для проветривания (открывающиеся створки в оконных переплетах или фонарях и др.). Площадь и число открывающихся створок определяются проектом. Освещенность рабочих мест, проходов между оборудованием, мостков, лестниц, переходов, щитов управления и контрольно-измерительных приборов, устройство рабочего, в том числе местного аварийного, эвакуационного освещения, а также территории промплощадок должна соответствовать допустимым нормам по СНиП II-4-79. Естественное и искусственное освещение". Светотехнические установки и светильники, устанавливаемые в рабочих помещениях, должны соответствовать категории пожаровзрывоопасности помещения, поддерживаться в технически исправном состоянии и иметь дистанционное управление. В помещениях должны быть приняты меры к максимальному использованию естественного освещения. Окна в них должны быть полностью остеклены и содержаться в чистоте. При наличии на объектах оборудования, являющегося источником производственных вредностей сверх допустимых санитарных норм, в производственных помещениях должны быть установлены СКЗ, предотвращающие или снижающие воздействие на работников вредных производственных факторов до допустимых норм. Меры по улучшению условий труда и снижению влияния вредных производственных факторов должны быть выявлены при паспортизации и включены в соответствующие разделы Комплексного плана улучшения условий, охраны труда и санитарно-оздоровительных мероприятий. Санитарно-бытовые помещения необходимо ежедневно убирать и проветривать.
Гардеробные, душевые и другие санитарно-бытовые помещения и устройства необходимо периодически дезинфицировать.
Промышленно-санитарная лаборатория На предприятиях транспорта газа организуются промышленно-санитарные лаборатории. Функции, оснащенность и штатная численность их определяется приказом руководителя предприятия в соответствии с "Положением о промышленно-санитарной лаборатории в газовой промышленности". Методы обследования условий труда, используемые лабораторией, должны соответствовать ГОСТам, ОСТам, правилам и другим НТД и ОРД. Лаборатория создается для изучения санитарно-гигиенических условий труда и охраны окружающей среды, выдачи практических рекомендаций по нормализации и исключению воздействия вредных и опасных производственных факторов на работающих, население и окружающую среду. Лаборатория выполняет плановый и аварийный контроль за содержанием вредных веществ в воздухе рабочей зоны помещений, промплощадок, территории объектов, в санитарно-защитной зоне за уровнем шума, вибрации, освещенности и других, сточными водами и очистными сооружениями, а также за чистотой почвы, водоемов. Лаборатория проводит санитарно-техническую паспортизацию условий труда в соответствии с перечнем паспортизируемых объектов. По результатам работы лаборатории руководство предприятия совместно с профсоюзным комитетом разрабатывает и осуществляет меры по улучшению безопасности и оздоровлению условий труда.
Противопожарные мероприятия Организация работ по обеспечению пожарной безопасности на объектах Персональную ответственность за обеспечение пожарной безопасности объектов газовой промышленности в соответствии с действующим законодательством несут руководители предприятий, организаций и подразделений, являющиеся юридическими лицами.
Примечание.
Ответственных лиц за пожарную безопасность отдельных территорий, зданий, сооружений, помещений, цехов, участков, технологического и инженерного оборудования, электросетей и т.п. назначает своим приказом руководитель предприятия, организации и подразделения. Возложенная ответственность за обеспечение пожарной безопасности должна быть отражена в должностных инструкциях.
Ответственность за обеспечение пожарной безопасности арендуемых зданий, помещений и сооружений несут арендаторы или арендодатели в соответствии с договором аренды.
Каждый работающий на объекте обязан знать и выполнять установленные для объекта #M12291 9012376правила пожарной безопасности#S, не допускать действий, которые могут привести к пожару, сообщать руководителю об обнаруженных нарушениях требований пожарной безопасности. Руководитель предприятия, организации обязан;
организовать выполнение противопожарных мероприятий, изложенных в данных Правилах, а также указаний ОАО "Газпром" по вопросам пожарной безопасности и предписаний Государственной противопожарной службы, предусматривать для этих целей необходимые ассигнования с учетом норм положенности ;
установить порядок и организовать изучение персоналом данных Правил и разработанных на их основе инструкций, проведение на объекте противопожарных инструктажей и занятий по пожарно-техническому минимуму;
решать в установленном порядке вопросы создания пожарной охраны, осуществлять их материально-техническое обеспечение и содержание занимаемых зданий и сооружений;
организовать добровольные пожарные дружины и пожарно-техническую комиссию, обеспечить их работу в соответствии с действующими положениями (Приложения 2 и 3);
представлять по требованию должностных лиц Государственной противопожарной службы сведения и документы о состоянии пожарной безопасности, в том числе о пожарной опасности производимой ими продукции, а также о происшедших пожарах и их последствиях;
оказывать содействие пожарной охране при тушении пожара на объекте, установлении причин и условий возникновения и развития пожара;
по каждому случаю происшедшего на объекте пожара организовать разработку и осуществление необходимых профилактических противопожарных мероприятий;
сообщать о происшедших пожарах, гибели людей и материальном ущербе в порядке, установленном "Инструкцией по расследованию и учету пожаров на объектах ОАО "Газпром".
Отчет о происшедших пожарах должен быть согласован с территориальным органом государственной противопожарной службы (УГПС). Руководители структурных подразделений предприятий, организаций и лица, назначенные приказом ответственными за пожарную безопасность, обязаны:
знать пожарную опасность технологического процесса;
следить за выполнением установленного на объекте противопожарного режима;
обеспечить строгое соблюдение всеми работниками (обслуживающим персоналом) цеха, участка, установки установленных требований пожарной безопасности;
не допускать ведения работ с применением открытого огня без оформления в установленном порядке разрешения (наряда-допуска, приложение 10), обеспечить исправное содержание и постоянную готовность к действию имеющихся средств пожаротушения, связи и сигнализации. На основе данных Правил, других нормативных документов, а также указаний Газпрома по вопросам пожарной безопасности на каждом объекте (цехе, участке, установке и т.п.) должны быть разработаны, исходя из специфики пожарной опасности производства, инструкции о мерах пожарной безопасности, отвечающие требованиям. Инструкции согласовываются с Государственной противопожарной службой и утверждаются руководителем объекта (главным инженером).
Работники объекта обязаны:
знать и соблюдать требования данных Правил и разработанных на их основе инструкций по пожарной безопасности, а также соблюдать и поддерживать установленный противопожарный режим;
уметь пользоваться средствами пожаротушения и знать место их расположения;
в случае обнаружения пожара: немедленно сообщить о нем в пожарную охрану; организовать эвакуацию из здания (помещения) или опасной зоны всех работающих, не занятых ликвидацией пожара;
в случае угрозы для жизни людей немедленно организовать их спасение, используя для этого все имеющиеся силы и средства; прекратить все работы, не связанные с мероприятиями по ликвидации пожара; при необходимости вызвать медицинскую службу;
организовать отключение электроэнергии (кроме аварийного и эвакуационного освещения), остановку транспортирующих устройств, агрегатов, аппаратов, коммуникаций, систем вентиляции и проведение других мероприятий, способствующих предотвращению распространения пожара;
обеспечить защиту людей, принимающих участие в тушении пожара, от возможных обрушений конструкций, поражений электрическим током, отравлений, ожогов;
принять возможные меры к эвакуации имущества, приступить к тушению пожара имеющимися на объекте, участке или на рабочем месте средствами пожаротушения (огнетушитель, кошма пожарная, внутренний пожарный кран и др.), принять меры по вызову к месту пожара непосредственного руководителя данного объекта (цеха, участка, склада и т.п.) или другого должностного лица. На каждом объекте (цехе, установке, помещении) на видном месте должна быть установлена табличка с указанием номеров телефонов вызова пожарной охраны, должности и фамилии лица, ответственного за пожарную безопасность объекта. Организация и проведение обучения мерам пожарной безопасности, противопожарных инструктажей и занятий по программам пожарно-технического минимума К самостоятельной работе специалисты, рабочие и служащие объектов могут быть допущены только после прохождения подготовки по изучению правил и инструкций по пожарной безопасности для предприятия, цеха, производственного участка, установки, здания или сооружения.
Противопожарная подготовка ИТР, рабочих и служащих должна проводиться в соответствии и включать противопожарный инструктаж (вводный, первичный на рабочем месте, повторный, внеплановый и текущий) и занятия по пожарно-техническому минимуму.
Лица, привлекаемые к ликвидации аварий и тушению пожаров на объектах Газпрома, к ликвидации и тушению газовых (газонефтяных) фонтанов, должны иметь соответствующую подготовку. Вводный противопожарный инструктаж следует проводить в специальных помещениях, оборудованных необходимыми наглядными пособиями и плакатами, инструкциями и макетами, образцами первичных средств пожаротушения, схемами стационарных установок пожаротушения и связи, имеющихся в помещениях, на установках, в цехах, зданиях и сооружениях объектов.
По окончании инструктажа следует провести проверку знаний и навыков, полученных инструктируемым. С лицами, знания которых оказались неудовлетворительными, следует провести повторный инструктаж с обязательной последующей проверкой знаний комиссией.
После проведения вводного противопожарного инструктажа проводивший его руководитель должен сделать отметку в сопроводительной записке или приемном листе о проведении инструктажа, а лицо, прошедшее инструктаж, расписаться в специальном журнале, а также в карточке регистрации инструктажей по охране труда, пожарной безопасности и охране окружающей среды. Первичный противопожарный инструктаж дополняет вводный и его надлежит проводить непосредственно на рабочем месте после ознакомления инструктируемого с основами технологического процесса производства на своем рабочем месте, усвоения терминологии и изучения своего участка работы, изучения устройства первичных средств пожаротушения и правил их применения.
Первичный инструктаж следует также проводить при переводе рабочих и служащих из одного цеха в другой, применительно к пожарной опасности данного цеха, лаборатории, установки.
В отдельных случаях вводный и первичный инструктажи могут проводиться одновременно.
Противопожарные инструктажи могут проводиться одновременно с инструктажами по охране труда. Последующие инструктажи по пожарной безопасности проходят все рабочие независимо от квалификации, образования, стажа выполняемой работы не реже 1 раза в полугодие. Последующие инструктажи могут проводиться одновременно с проведением инструктажей по технике безопасности.
Данные о проведенных последующих инструктажах следует записывать в "Журнал противопожарного инструктажа на рабочем месте". При нарушении работающими правил и инструкций по пожарной безопасности, изменений или применении других видов сырья и материалов в технологических процессах, влияющих на пожарную опасность, проводят внеплановые инструктажи. При выполнении работ, не связанных с прямыми обязанностями по специальности, или работ, на которые оформляется наряд-допуск (разрешение), производят целевой инструктаж по пожарной безопасности. Порядок и категория специалистов для проведения занятий по пожарно-техническому минимуму определяет приказ руководителя предприятия.
Занятия по пожарно-техническому минимуму проводятся непосредственно на производственных участках по группам с учетом категории специалистов.
Примерная программа проведения занятий по пожарно-техническому минимуму с рабочими, ИТР и служащими промышленных предприятий приведена в Приложении 8. По окончании прохождения программы пожарно-технического минимума работающие должны сдать экзамен. Результаты проведения экзаменов по пожарно-техническому минимуму оформляются протоколом, в котором указываются оценки по изученным темам.
Экзамены принимает постоянно действующая комиссия, назначаемая приказом руководителя предприятия, под председательством главного инженера или руководителя объекта.
Проверку знаний по пожарно-техническому минимуму допускается проводить совместно с проверкой знаний норм и правил по технике безопасности. Руководители, должностные лица и рабочие, привлекаемые к ликвидации аварий и тушению пожаров на объектах морских нефтегазовых предприятий, к ликвидации и тушению газовых (газонефтяных) фонтанов, должны иметь соответствующую практическую подготовку. На объектах морского нефтегазового предприятия должны быть разработаны и утверждены руководителем предприятия графики проведения тренировок персонала в соответствии с разработанным на предприятии расписанием по тревогам и оперативными планами ликвидации возможных аварий и пожаров. Оперативные планы составляются в соответствии с действующими правилами и инструкциями.
Запрещается допускать к работе лиц, не ознакомленных под роспись с расписанием по тревогам, планом ликвидации аварий и тушения пожара. На морском нефтегазовом предприятии должен вестись ежедневный по фамильный учет людей, находящихся на объекте.
Руководитель объекта или его заместитель обязаны ознакомить с правилами пожарной безопасности под роспись в специальном журнале всех лиц, прибывающих на объект предприятия для выполнения временных или других работ, а также с действиями по сигналам тревог.
Основные требования пожарной безопасности
для предприятий и организаций Содержание территории, проездов, подъездов Строительство временных зданий и сооружений, устройство стоянок транспорта, а также хранение тары, оборудования и материалов в местах, не предусмотренных генпланом на территории предприятия, не допускается. Не допускается закрывать наглухо ворота въездов на территорию. На воротах въездов, закрытых на замок, должна быть надпись, указывающая постоянное место хранения ключей, у таких въездов следует предусматривать сигнализацию вызова охраны или дежурного персонала. Территория предприятий (организаций) в пределах противопожарных разрывов между зданиями, сооружениями и открытыми установками и складами должна своевременно очищаться от горючих отходов, мусора, тары, опавших листьев, сухой травы и т.п.
Горючие отходы, мусор и т.п. следует собирать на специально выделенных площадках в контейнеры или ящики, а затем вывозить. Места разлива легковоспламеняющихся и горючих жидкостей должны засыпаться песком с последующим его уборкой и вывозом в специальные места биологической очистки или уничтожения.
Территорию объекта следует отделять от прилегающих лесных, торфяных или степных массивов минерализованной полосой, шириной не менее 6 м. В качестве такой полосы может служить также дорожное полотно. На территории объекта в местах, где возможно скопление горючих газов или паров ЛВЖ, должны быть установлены предупреждающие и запрещающие дорожные знаки. Въезд на территорию объектов, имеющих взрывопожароопасные и взрывоопасные производства, следует допускать только при наличии специального пропуска. Движение транспорта по территории таких объектов без искрогасителей запрещается. На проходной должен быть запас искрогасителей для основных типов автомобилей и тракторов. Для курения на территории взрывопожароопасного объекта следует отводить специальные места, оборудованные урнами или бочками с водой для окурков. Территорию предприятия следует оборудовать знаками безопасности согласно ГОСТ 12.4.026-76 "Цвета сигнальные и знаки безопасности" и в соответствующих местах плакатами по безопасному проведению работ или надписи:
"Взрывоопасно", "Огнеопасно", "Курить воспрещается", "Вход посторонним воспрещен" и т.п.
Извлечения из дороги, проезды, подъезды и проходы к зданиям, сооружениям, открытым складам и водоисточникам, используемые для пожаротушения, подступы к стационарным пожарным лестницам и пожарному инвентарю должны быть всегда свободными, содержаться в исправном состоянии, а зимой - быть очищенными от снега и льда.
О закрытии дорог или проездов для их ремонта или по другим причинам, препятствующим проезду пожарных машин, необходимо немедленно сообщать в пожарную охрану.
На период закрытия дорог в соответствующих местах должны быть установлены указатели направления объезда или устроены переезды через ремонтируемые участки и подъезды к водоисточникам. Разведение костров, сжигание отходов и тары не разрешается в пределах установленных нормами проектирования противопожарных разрывов, но не ближе 50 м до зданий и сооружений.
Сжигание отходов и тары в специально отведенных для этих целей местах должно производиться под контролем обслуживающего персонала. Территория предприятий, баз, складов и других объектов должна иметь наружное освещение, достаточное для быстрого нахождения противопожарных водоисточников, наружных пожарных лестниц, входов в здания и сооружения. Переезды и переходы через внутри объектовые железнодорожные пути должны быть свободны для проезда пожарных автомобилей и иметь сплошные настилы на уровне головок рельсов. Стоянка вагонов без локомотивов на переездах не разрешается. Количество переездов через пути должно быть не менее двух.
Заключение
В дипломной работе на основании анализа технологического процесса и метрологического обеспечения при перекачке природного газа разработаны рекомендации по совершенствованию измерений в турбокомпрессорном цехе Узюм-Юганской газокомпрессорной станции.
Основные результаты полученные при выполнении дипломной работы заключаются в следующем:
В результате метрологической экспертизы технической документации установлено следующее:
В процессе перекачки природного газа измеряются и контролируются все необходимые параметры ГКС.
Рекомендуется установить предельные значения (не выше 7,5 Мпа) давления газа на выходе ГКС с автоматическим управлением защиты от превышения выходного давления.
Рекомендуется ввести в документацию измерения и дополнения а именно,
результаты измерения давления выразить в системе Si (Па; кПа;Мпа.)
На основании анализа метрологических характеристик средств измерений и оценки правильности их выбора, рекомендуется заменить:
Прибор А511 ( каналы измерения температуры ТВД, ТНД, масла до и после охлаждения, воздуха на входе осевого компрессора.) Заменить на АЭ511А цифровой прибор данного класса.
Прибор А542 ( каналы измерения температуры ТВД, ТНД, давления осевого компрессора ,перепада давления «масло-газ».) Заменить на АЭ542А цифровой прибор данного класса.
Прибор А501 ( каналы измерения скорости вращения ТВД,ТНД, давления входа и выхода газа.) Заменить на АЭ501А цифровой прибор данного класса.
С учетом выше приложенных рекомендаций предложено произвести замену систему управления «Конотоп» на более современную и надежную систему А-705-15-03, позволяющую производить управление ГКС централизованно и более оперативно.
Проведено технико-экономическое обоснование разработанных рекомендаций , внедрение рекомендаций на трех газокомпрессорных агрегатах из 16 имеющихся на станции, дает годовой экономический эффект в размере 33863 рублей.
Литература
Закон РФ «Об обеспечении единства измерений»
Яковлев Ю.Н., Глушкова О.Г. и др. Метрологическая экспертиза технической документации. –М: Изд-во стандартов, 1986.
Рейх И.Н. и др. Метрологическое обеспечение производства. –М.: Изд-во стандартов, 1988.
ПР 50.2.002-94 «ГСИ. Порядок осуществления государственного надзора за выпуском, состоянием и применением СИ, аттестованными методами выполнения измерений, эталонами, соблюдением метрологических правил и норм».
ПР 50.2.006-94 «ГСИ. Порядок проведения поверки средств измерений»
ПР 50.2.015-94 «ГСИ. Порядок определения стоимости метрологических работ».
ПР 50.2.016-94 «ГСИ. Российская система калибровки. Требования к выполнению калибровочных работ».
ПР 50-723-93 «ГСИ. Типовое положение о метрологических службах государственных органов управления РФ и юридических лиц».
Р РСК 001-95 «Порядок регистрации государственных научных метрологических центров и органов ГМС в качестве аккредитирующих органов в Российской системе калибровки».
МИ 2267-93 «ГСИ. Обеспечение эффективности измерений при управлении технологическими процессами. МЭ техдокументации».
МИ 2284-94 «ГСИ. Документация поверочных лабораторий».
МИ 2309-95 «ГСИ. Метрологический контроль и надзор, осуществляемые МС юридических лиц».
ТО-169. «Техническое описание ГТК-10-4. Техпроцесс».