Автомат для дозарядки АБ
Министерство образования РФ
ТЮМЕНСКИЙ ГОСУДАРСТВЕННЫЙ НЕФТЕГАЗОВЫЙ УНИВЕРСИТЕТ
КАФЕДРА ИНФОРМАТИКИ И ВЫЧИСЛИТЕЛЬНОЙ ТЕХНИКИ
ПОЯСНИТЕЛЬНАЯ ЗАПИСКА
к курсовой работе по дисциплине
«Электроника и схемотехника»
на тему: «Автомат для дозарядки АБ»
Выполнил:
Астафьев М. А.
Руководитель:
Гурьева Л. В.
Тюмень
2004
Реферат
Данный отчёт содержит 20 страниц, 2 таблицы, 4 рисунка и один чертёж, выполненный на отдельном листе формата А3. Для его создания были использованы 5 источников литературы.
В данном отчёте рассматривается устройство, предназначенное для дозарядки и полной зарядки аккумуляторных батарей. Цель отчёта исследовать устройство и принцип работы с подробным описанием назначения каждого элемента схемы.
Перечень ключевых слов, использованных при написании отчёта, включает в себя следующие понятия: БЛОК ПИТАНИЯ, РЕЛЕ, СТАБИЛИЗАТОР НАПРЯЖЕНИЯ, ФОРМИРОВАТЕЛЬ ПРЯМОУГОЛЬНЫХ ИМПУЛЬСОВ, УПРАВЛЯЕМЫЙ ГЕНЕРАТОР, ТАЙМЕР, КОМПОРАТОР, УЗЕЛ УПРАВЛЕНИЯ РЕЛЕ.
СОДЕРЖАНИЕ
Реферат 2
Введение 4
1. ТЕХНОЛОГИЧЕСКАЯ ЧАСТЬ 5
2. ОПИСАНИЕ ФУНКЦИОНАЛЬНОЙ СХЕМЫ 8
3. ОПИСАНИЕ ПРИНЦИПИАЛЬНОЙ СХЕМЫ 10
4. ПЕРЕЧЕНЬ ЭЛЕМЕНТОВ К ЭЛЕКТРИЧЕСКОЙ СХЕМЕ 16
5. НАЗНАЧЕНИЕ ЭЛЕМЕНТОВ СХЕМЫ 17
Заключение 18
Список используемых источников 19
ПРИЛОЖЕНИЕ 1. Принципиальная схема 20
Введение
В настоящее время радиотехника и радиоэлектроника рассматриваются как сугубо практические дисциплины, призванные решать бытовые проблемы современного общества.
Поэтому в данной работе рассматривается автомат для дозарядки АБ, необходимый автомобилисту в подержании полной заряженности аккумуляторной батареи при эксплуатации. Автоматы для дозарядки АБ широко используется среди любителей и профессиональных автомобилистов.
Существует большое количество автоматических зарядных устройств в продаже и описанных в радиолюбительской литературе, но они прекращают зарядку батареи либо по истечению определенного времени, либо по достижении на клеммах батареи определенного (порогового) значения напряжения. В рамках этих функциональных особенностей автоматов и других факторов (природные условия, состоянии батареи) не удается произвести качественную дозарядку аккумуляторных батарей.
Имеются другие, более надежные признаки получения АБ полного заряда. Это прекращение (при постоянстве величины зарядного тока) роста напряжения на клеммах батареи, а также прекращение увеличения плотности электролита.
Практика показывает, что с достаточной точностью можно ограничиться одним из этих признаков, т.е. контролем за ростом напряжения на батарее, и при его прекращении и постоянстве величины напряжения в течение определенного времени выключать зарядное устройство.
Конечно, зарядное устройство, использующее этот принцип, более сложно, чем простой пороговый автомат, однако его преимущества очевидны.
ТЕХНОЛОГИЧЕСКАЯ ЧАСТЬ
Большая часть деталей устройства размещена на печатной плате размерами 75x100 мм (рис.1.1), выполненной из одностороннего фольгированного стеклотекстолита толщиной 1,5 мм. Плата, трансформатор Т1, реле К1 и конденсатор С1 с резистором R1 смонтированы на П-образном шасси из дюралюминия толщиной 2 мм, размерами 20x90x215 мм. Диоды VD1 ...VD4 размещены в основании шасси на отдельных небольших радиаторах с поверхностью охлаждения каждого 10 см2. Кнопка SB1, светодиоды НL1, HL2 предохранители FU1, FU2 и клеммы XI, Х2 вынесены на лицевую панель размерами 95x110x220 мм, выполненную из дюралюминия толщиной 2 мм. В шасси устройства и верхней части задней стенки корпуса просверлены отверстия 05 мм для циркуляции воздуха.

Рис 1.1
Все постоянные резисторы, используемые в зарядном устройстве — МЛТ, а подстроенные (R19, R22) —СПЗ-38. Резисторы матрицы (R11...R18) желательно подобрать так, чтобы сопротивления двух соседних резисторов отличались друг от друга ровно в два раза. Если такой возможности нет, можно обойтись и без подбора резисторов, однако в этом случае, возможно, не будет обеспечена равномерность изменения напряжения на выходе матрицы, что, впрочем, мало повлияет на работу устройства в целом. Резисторы с сопротивлениями, выходящими из стандартного ряда (R12, R17, R18), можно составить из двух последовательно включенных резисторов стандартных номиналов.
Конденсатор С1 — типа МБГЧ с номинальным напряжением 250 В. При использовании металлобумажных конденсаторов других типов (МБГО, МБГП и др.) их номинальное напряжение должно быть не менее 400.. .500 В. Конденсатор С2 — К50-29, СЗ — К52-1 Б, С4 — К53-4, остальные конденсаторы — КМ-5 или КМ-6. Вообще, устройство некритично к выбору элементов. Так, в качестве С2...С4 могут быть использованы оксидные конденсаторы любых типов, подходящие по емкости и номинальному напряжению.
Стабилизатор напряжения 78L09 (DA1) можно заменить любым отечественным микросхемным стабилизатором напряжения на 9 В, например КР1157ЕН902. В качестве DA2 можно использовать компаратор К521САЗ, однако это потребует изменения трассировки печатной платы.
Диоды выпрямительного моста VD1...VD4 должны допускать прямой ток не менее 2 А. В случае, когда не исключаются ошибочные подключения аккумуляторной батареи в обратной полярности, лучше применить диоды с некоторым запасом по допускаемому прямому току, особенно в импульсе. Можно порекомендовать диоды серии КД206, КД213.
Диоды КД106А (VD5, VD6) можно заменить диодами серий КД105, Д226, Д237; остальные —диодами серий Д220, Д223, Д311, Д312. Вместо стабилитрона КС522А (VD8) можно применить КС220Ж или два последовательно включенных стабилитрона Д814В.
В качестве VT1 можно применить любой маломощный n-p-n транзистор с постоянным напряжением коллектор-эмиттер не менее 30 В и коэффициентом передачи тока базы более 40. Подойдут транзисторы указанной на схеме серии КТ3102 с любым буквенным индексом кроме Г и Е, КТ315Г, КТ312В. Вместо КТ608Б можно применить транзисторы из серий КТ503, КТ807.
В устройстве использовано реле РКМП, с сопротивлением обмотки 600 Ом и током срабатывания 20 мА.
Можно использовать любое реле с одной группой нормально разомкнутых контактов, допускающих коммутацию переменного напряжения 220 В, с коммутируемым током не менее 0,3 А. Реле должно надежно срабатывать при напряжении не более 12 В и токе 20..40 мА. Подойдут реле РЭС22. Применимы реле РЭС6, у которых неиспользуемую группу контактов желательно немного отогнуть для уменьшения тока срабатывания.
Кнопка SB1 — КМ1, КМ2-1. В качестве предохранителей FU1, FU2 желательно использовать быстродействующие плавкие вставки ВПЗТ-2, которые можно заменить на ВП1.
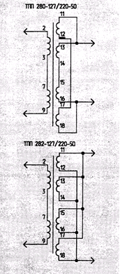
В зарядном устройстве применен унифицированный трансформатор ТПП277-127/220-50 с номинальной мощностью 72 Вт и током вторичных



обмоток
3,2 А. Можно применить и другие
унифицированные трансформаторы,
рассчитанные на работу от сети частотой
50 Гц и напряжением 127/220 В: ТПП280, ТПП281,
ТПП282, ТН52, ТН53, ТН54, ТН56, ТН57. Если
устройство предназначается только для
работы с аккумуляторной батареей 6СТ-55,
то при зарядном токе 2,75 А подойдет также
трансформатор ТН49-127/220-50. Схемы
включения трансформаторов приведены
на рис.1.2.

Рис. 1.2.
Правильно собранное устройство налаживания не требует. Следует лишь установить необходимые уровни напряжений на входах компаратора. Для этого устанавливают движки резисторов R19 и R22 в нижнее по схеме положение. Подключают к клеммам Х1 и Х2 аккумуляторную батарею, включают устройство в сеть, нажимают кнопку SB1 и убеждаются в срабатывании реле К1.
Измеряют напряжение на клемме Х1. Затем, подключив вольтметр к верхнему по схеме выведу резистора R22, передвигают его движок до тех пор, пока вольтметр не покажет величину напряжения, равную 0,45 напряжения на Х1. После этого вольтметр подключают к выходу резистивной матрицы (общей точке соединения резисторов R11...R18) и резистором R19 устанавливают напряжение 5,0 В.
При такой регулировке диапазон контролируемого напряжения на заряжаемой аккумуляторной батарее составляет (с учетом допустимых соотношений входных напряжений компаратора и напряжения питания) от 11,1 до 17,3 В, что вполне достаточно для выбранной величины зарядного тока. Следует иметь в виду, что падение напряжения на проводах, соединяющих устройство с аккумуляторной батареей, не должно превышать величины 1 В.
В заключение производят, в случае необходимости, регулировку зарядного тока подбором емкости конденсатора С1, которую выполняют подключением к его выводам подходящих по номинальному напряжению конденсаторов емкостью 0,5...1 мк.
2. ОПИСАНИЕ ФУНКЦИОНАЛЬНОЙ СХЕМЫ
Функциональная схема устройства представлена на рисунке 2.1.
Функциональная схема автомата для дозарядки АБ
Рис. 2.1
Блок питания:
Блок питания подает напряжение на аккумуляторную батарею и стабилизатор напряжения.
Стабилизатор напряжения:
Обеспечивает питанием цифровую часть устройства.
Формирователь прямоугольных импульсов:
Формирует импульсы с частотой 50 Гц.
Управляемый генератор:
Образует ступенчато возрастающего напряжения, используемого в качестве опорного для компаратора.
Компаратор:
Сравнивает опорное напряжение с напряжением на аккумуляторных клеммах.
Таймер:
Определяет периодичность контроля за ростом напряжения на заряжаемой аккумуляторной батареи.
Узел управления реле:
Вырабатывает сигнал на выключение устройства при постоянстве напряжения на батарее в течение заданного времени.
Реле:
Отключает устройство от сети 220 вольт.
3. ОПИСАНИЕ ПРИНЦИПИАЛЬНОЙ СХЕМЫ
На срок службы автомобильной аккумуляторной батареи (АБ) значительное влияние оказывает степень ее заряженности. Желательно, чтобы большую часть времени батарея была полностью заряжена. В процессе эксплуатации обычно наблюдаются колебания степени заряженности АБ около некоторого среднего значения, называемого установившейся степенью заряженности. Ее величина зависит от многих факторов. Следует отметить, что зимой установившаяся степень заряженности, как правило, значительно ниже, чем летом. Низкая степень заряженности в условиях холодного климата является главной причиной интенсивного "оплывания" активной массы с электродов аккумуляторной батареи и сокращения ее срока службы.
Возникает необходимость в зарядном устройстве, с помощью которого за то время, пока автомобиль находится в гараже (в большинстве случаев за ночь), можно было бы довести степень заряженности аккумуляторной батареи до полной.
Вполне закономерен вопрос: "Почему нельзя использовать для этой цели, существующие автоматические зарядные устройства?"
Дело в том, что большинство имеющихся в продаже или описанных в радиолюбительской литературе автоматических зарядных устройств прекращают зарядку батареи либо по истечении определенного времени (10... 12 часов), либо по достижении на клеммах батареи определенного (порогового) значения напряжения.
Первые предназначены в основном для проведения полного цикла зарядки батареи от нулевой степени заряженности. Что касается вторых, то известно, что величина порогового напряжения зависит от целого ряда факторов: "возраста" батареи, величины зарядного тока, плотности электролита, его температуры и т.д.
Например, при неизменном зарядном токе, одной и той же величине напряжения на клеммах аккумуляторной батареи будет соответствовать 50% ее заряженности при температуре электролита -10.°С и 95% заряженности при температуре электролита +30°С.
С целью исключения несрабатывания устройства автоматического отключения, устанавливается заведомо заниженная величина порогового напряжения (как правило, в пределах 14,3...14,5 В). Однако даже при зарядном токе, численно равном 0,05 емкости батареи, напряжение на ее клеммах при полном заряде может достигать величины 15,9...16,2. В. В результате аккумуляторная батарея остается не дозаряженной в течение всего времени эксплуатации, что приводит к необратимой сульфитации электродов и сокращению ее срока службы.
Существуют другие, более надежные признаки получения АБ полного заряда. Это прекращение (при постоянстве величины зарядного тока) роста напряжения на клеммах батареи, а также прекращение увеличения плотности электролита.
Практика показывает, что с достаточной точностью можно ограничиться одним из этих признаков, т.е. контролем за ростом напряжения на батарее, и при его прекращении и постоянстве величины напряжения в течение не менее двух часов выключать зарядное устройство.
Конечно, зарядное устройство, использующее этот принцип, более сложно, чем простой пороговый автомат, однако его преимущества очевидны. Исключается возможность не отключения устройства от сети из-за установки повышенного значения "порога", а также недозаряд батареи вследствие преждевременного отключения зарядного устройства.
Очевидно, что для дозарядки батареи вполне достаточно иметь устройство, обеспечивающее выходной ток, равный току второй ступени режима зарядки, рекомендуемому инструкцией по эксплуатации стартерных аккумуляторных батарей (равный, в амперах, 0,05 емкости батареи в ампер-часах). Снижение величины зарядного тока благоприятно сказывается на аккумуляторной батарее. Как отмечается в, при этом повышается общий КПД процесса зарядки и обеспечивается более полный заряд АБ. В жаркое время года зарядку можно проводить, не опасаясь превысить допустимую температуру электролита. Немаловажен и тот факт, что заметно уменьшаются масса и габариты зарядного устройства.
Вместе с тем, проведение полной зарядки аккумуляторной батареи (от нулевой степени заряженности), которая, как правило, может понадобиться не чаще одного-двух раз в год при контрольном разряде батареи с целью оценки ее состояния, займет с таким зарядным устройством не более 21...22 часов. В большинстве случаев это удобно (вечером поставил на зарядку — вечером, через сутки, получил полностью заряженную батарею).
Устройство не боится кратковременных замыканий в цепи нагрузки и обрывов в ней. Приняты меры для защиты устройства при ошибочном подключении аккумуляторной батареи в обратной полярности.
Авторский вариант устройства предназначен для работы с аккумуляторной батареей 6СТ-60, поэтому зарядный ток выбран равным 3 А. Для использования устройства с наиболее распространенной батареей 6СТ-55, достаточно снизить величину тока зарядки до 2,75 А.
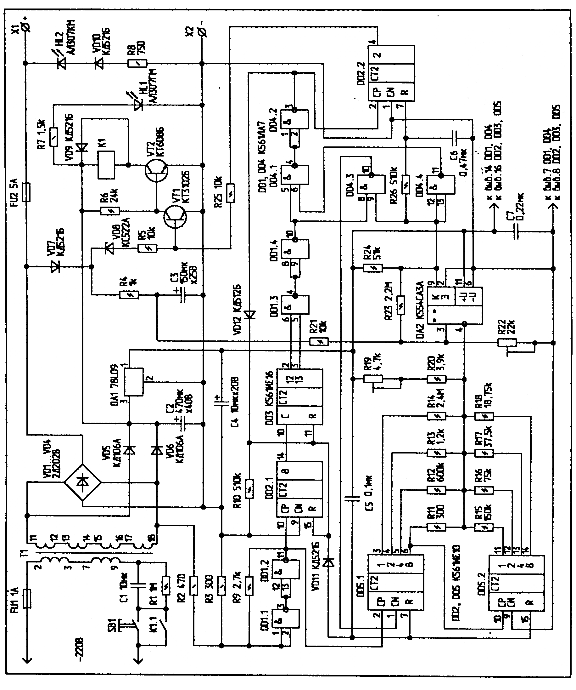
Схема зарядного устройства приведена на рис.3.1. Она содержит блок питания, выполненный по простой и хорошо зарекомендовавшей себя схеме с гасящим конденсатором. Микросхемный стабилизатор напряжения DA1 обеспечивает питанием цифровую часть устройства. На элементах DD1.1 и DD1.2 собран формирователь прямоугольных импульсов частотой 50 Гц. Счетчики DD2.1, DD3 совместно с элементами DD1.3, DD1.4 образуют таймер, определяющий периодичность контроля за ростом напряжения на заряжаемой аккумуляторной батарее. Двоичные счетчики DD5.1 и DD5.2 совместно с резистивной матрицей R11...R20 образуют управляемый генератор ступенчато возрастающего напряжения, используемого в качестве опорного для определения с помощью компаратора DA2 прекращения роста напряжения на аккумуляторной батарее. Двоичный счетчик DD2.2 вырабатывает сигнал на выключение устройства при постоянстве напряжения на батарее в течение заданного времени. На транзисторах VT1, VT2 собран узел управления реле К1.

Рис.3.1
Светодиод HL1 зеленого цвета индицирует включение устройства. Светодиод HL2 красного цвета зажигается при ошибочном подключении батареи в обратной полярности. После исправления ошибки потребуется сменить предохранитель FU2.
Проследим работу устройства. Перед включением его в сеть необходимо подключить к зажимам Х1 и Х2 аккумуляторную батарею. Далее нажимают кнопку SB1. Через замкнутые контакты кнопки и конденсатор С1 на трансформатор Т1 подается напряжение сети. Ко вторичной обмотке трансформатора подключен выпрямительный мост на диодах VD1...VD4, с которого снимается пульсирующее напряжение, создающее ток зарядки аккумуляторной батареи. Два диода этого моста совместно с диодами VD5, VD6 образуют второй выпрямительный мост, постоянное напряжение с которого после сглаживания конденсатором СЗ подается для питания узла на транзисторах VT1, VT2. Цифровая часть устройства залитана от микросхемного стабилизатора DA1, обеспечивающего высокую стабильность и низкий уровень пульсаций выходного напряжения.
Начинается зарядка аккумуляторной батареи. Через диод VD7 пульсирующее напряжение поступает на фильтр низких частот R4-C3, снижающий пульсации до уровня, при котором они не оказывают заметного влияния на работу компаратора DA2. С конденсатора СЗ постоянное напряжение, пропорциональное напряжению на клеммах заряжаемой батареи, через резистивный делитель напряжения R21-R22 поступает на неинвертирующий вход компаратора DA2 (вывод 3). На инвертирующий вход компаратора (вывод 4) поступает напряжение с резистивной матрицы R11...R20. В момент включения устройства дифференцирующая цепь C5-R10 формирует импульс положительной полярности, который обнуляет все счетчики, за исключением DD2.2. Поэтому напряжение на выходе резистивной матрицы минимально и заведомо меньше напряжения, поступающего на вывод 3 DA2. На выходе компаратора (вывод 9) при этом высокий уровень, который через резистор R26 поступает на вход R (вывод 7) счетчика DD2.2, обнуляя также и его. Напряжение низкого уровня с выхода DD2.2 (вывод 4) через резистор R25 поступает на базу транзистора VT1, закрывая его. Транзистор VT2 при этом открывается, срабатывает реле К1 и своими контактами блокирует контакты кнопки SB1.
Через резистивный делитель R2-R3 на формирователь прямоугольных импульсов, выполненный на элементах DD1.1 и DD1.2, поступает пульсирующее напряжение частотой 50 Гц. С выхода, формирователя импульсы подаются на входы счетчиков DD2.1 и DD5.1. Счетчик DD2.1 совместно со счетчиком DD3 и элементами DD1.3, DD1.4 образуют таймер, отсчитывающий часовые промежутки времени. С целью некоторого упрощения схемы, цикл выбран равным примерно 65 минутам, что практически не влияет на режим зарядки аккумуляторной батареи.
Пока таймер не отсчитал заданный интервал времени, на выходе элемента DD1.4 будет присутствовать логический "0" и, следовательно, на выходе элемента DD4.3 и входе CN (вывод 1) счетчика DD5.1 будет логическая "1", запрещающая работу счетчика. Через час на выходе элемента DD1.4 появится напряжение высокого уровня. Элемент DD4.3 переключится и разрешит работу счетчика DD5.1, а также связанного с ним счетчика DD5.2. На выходе резистивной матрицы начнет формироваться ступенчато возрастающее (в такт входным импульсам) напряжение. Его минимальная величина (при логическом "0" на всех выходах счетчиков) выставляется резистором R19 в процессе регулировки, а максимальная — практически равна напряжению питания счетчиков DD5.1, DD5.2. Весь диапазон выходного напряжения матрицы разбит на 256 ступеней по 16...18 мВ.
Компаратор DА2 сравнивает напряжение на своем неинвертирующем входе, которое пропорционально напряжению на аккумуляторной батарее, с напряжением на выходе матрицы. Как только эти напряжения сравняются, компаратор переключится, и на его выходе появится напряжение низкого уровня. Элемент DD4.3 также переключится, и логическая "1" с его выхода запретит работу счетчика DD5.1. Таким образом, на инвертирующем входе компаратора зафиксируется напряжение, пропорциональное напряжению на заряжаемой аккумуляторной батарее на данный момент времени.
При переключении компаратора переключится логический элемент DD4.4. Логическая "1" с его выхода поступит на вход (вывод 6) элемента DD4.1, на втором входе которого (вывод 5) также присутствует логическая "1". Элементы DD4.1, DD4.2 переключатся, высокий уровень напряжения с выхода DD4.2 через диод VD12 обнулит счетчики DD2.1 и DD3, возвращая их и связанные с ними логические элементы DD1.3. DD1.4, DD4.1, DD4.2 в исходное состояние.
Импульс положительной полярности с выхода элемента DD4.2 поступит также на вход СР счетчика DD2.2 (вывод 2), однако счетчик не изменит своего состояния, поскольку на его входе R (вывод 7) в течение некоторого времени, определяемого постоянной разряда конденсатора С6 через резистор R26, поддерживается высокий уровень напряжения.
По мере зарядки аккумуляторной батареи напряжение на ней постепенно увеличивается. Пропорционально увеличивается напряжение на неинвертирующем входе компаратора DA2. Когда оно превысит напряжение на
инвертирующем входе, компаратор переключится, на его выходе вновь появится напряжение низкого уровня, и при появлении на выходе элемента DD1.4 логической "1" описанный выше процесс повторится вновь.
Так будет продолжаться до тех пор, пока рост напряжения на аккумуляторной батарее не прекратится (строго говоря — пока изменение напряжения на неинвертирующем входе компаратора не выйдет за пределы текущей "ступеньки" на выходе резистивной матрицы R11...R20). В этом случае появление на выходе элемента DD1.4 напряжения логической "1" не вызовет переключения элемента DD4.3. Счетчики DD5.1, DD5.2 и компаратор останутся в прежнем состоянии, конденсатор С6 разряжен. Поэтому импульс положительной полярности, поступивший с выхода элемента DD4.2 на выход СР счетчика DD2.2, будет им "учтен". При повторении (через час), той же ситуации, на выходе 2 (вывод 4) счетчика появится напряжение высокого уровня, которое поступит через резистор R25 на базу транзистора VT1, что вызовет отпускание якоря реле К1 и отключение устройства от сети.
Если в течение второго часа напряжение на аккумуляторной батарее увеличится настолько, что это вызовет переключение компаратора DA2, то появившееся на его выходе напряжение высокого уровня через резистор R26 обнулит счетчик DD2.2. Таким образом, выполняется требуемое инструкцией по эксплуатации батарей условие неизменности напряжения на заряжаемой аккумуляторной батарее в течение двух часов подряд.
Положительная обратная связь, введенная в компаратор через делитель R23-R22, создает небольшой гистерезис, что способствует более четкому переключению компаратора в условиях медленно меняющегося входного напряжения и обеспечивает защиту от помех, вызываемых небольшими пульсациями напряжения на его входах.
При случайном отключении аккумуляторной батареи от клемм зарядного устройства, напряжение на вторичной обмотке трансформатора Т1 и выходе моста VD1...VD4 резко возрастает. Открывается стабилитрон VD8, что приводит к открыванию транзистора VT1 и выключению устройства.
С целью защиты диодов VD1...VD4 при случайном подключении аккумуляторной батареи в обратной полярности, в устройство введен предохранитель FU2.
4. ПЕРЕЧЕНЬ ЭЛЕМЕНТОВ К ЭЛЕКТРИЧЕСКОЙ СХЕМЕ
Перечень входящих в состав рассматриваемой электрической схемы активных элементов и микросхем, на основе которых эти элементы выполнены, приведён в Таблице 4.1.
Перечень элементов к электрической схеме
Таблица 4.1
|
№ |
Обозначение на принципиальной схеме |
Условное обозначение микросхемы |
Кол-во |
Примечание |
|
1. |
DD1, DD4 |
K561ЛА7 |
8 |
Двухвходовой элемент И |
|
2. |
DD2, DD5 |
К561ИЕ10 |
5 |
Два синхронных двоичных счетчика-делителя (без дешифратора) |
|
3. |
DD3 |
К561ИЕ16 |
1 |
Счетчик пульсации |
|
4. |
DA1 |
78L09 |
1 |
Стабилизатор напряжения |
|
5. |
DА2 |
К554СА3А |
1 |
Компаратор |
|
6. |
VD1…VD4 |
2Д202В |
1 |
Двухполупериодная мостовая схема |
|
7. |
VD5, VD6 |
КД106А |
2 |
Диоды |
|
8. |
VD7, VD9, VD10, VD11, VD12 |
КС522А |
5 |
Диоды |
|
9. |
VD8 |
КС522А |
1 |
Стабилетрон |
|
10. |
VT1 |
КТ3102Б |
1 |
Транзистор |
|
11. |
VT2 |
КТ608Б |
1 |
Транзистор |
|
12. |
К1 |
РЭС22 |
1 |
Реле |
5. НАЗНАЧЕНИЕ ЭЛЕМЕНТОВ СХЕМЫ
Назначение каждого из элементов рассматриваемого ключа описано в Таблице 5.1.
Назначение элементов схемы
Таблица 5.1
Обозначение элемента |
Назначение элемента |
|
Т1 |
Преобразует напряжение 220 вольт в 14,5 вольт |
|
VD5,VD6,С3 |
Образуют питание узла на транзисторах |
|
VD1..VD4, |
Выпрямляет переменное напряжение |
|
VD7,R4,C3,R21,R22 |
Снимается напряжение пропорциональное напряжению на клеммах аккумулятора |
|
DA1 |
Питает цифровую часть устройства, обеспечивая высокую стабильность и низкий уровень пульсаций напряжения |
|
DD1.1,DD1.2, R9 |
Формирует прямоугольные импульсы 50 Гц |
|
DD2.1,DD3,DD1.3,DD1.4 |
Образуют таймер, определяющий периодичность контроля за ростом напряжения |
|
DD5, R11-R18 |
Образуют управляемый генератор ступенчатого возрастающего напряжения |
|
DA2 |
Сравнивает опорное напряжение с напряжением на аккумулятора |
|
DD2.2 |
Вырабатывает сигнал на выключение устройства при постоянстве напряжения на батарее в течение заданного времени |
|
VT1,VT2,R6,R7,VD9,R5, VD8,R25 |
Собран узел управления реле |
|
С1,R1 |
Собран фильтр для гашения искры на контактах |
|
C5,R10 |
Формирует импульс положительной полярности, который обнуляет все счетчики. |
|
R2,R3 |
Резистивный делитель |
|
DD4.3 |
Запрещает или разрешает работу счетчикам DD5.1,DD5.2 |
|
R19 |
Выставляется минимальная величина напряжения на выходе резистивной матрицы |
|
DD4.2,DD4.1,DD4.4,VD12 |
Обнуляет счетчики |
|
C7,C4 |
Фильтр по питанию |
|
HL1,HL2 |
Индикаторы для контроля работы устройства |
|
R8,VD10 |
Контролирует правильность подключения аккумулятора |
|
С6,R26 |
Поддерживает высокий уровень напряжения в течении некоторого времени |
Заключение
В данной курсовой работе изучено и подробно описано устройство, и принцип действия. В автомате для дозарядки АБ, определены функции каждого элемента системы и установлены их взаимосвязи. Среди достоинств рассматриваемой схемы можно выделить функциональность, некритичность к выбору элементов, удобство и высокую экономическую эффективность использования.
Список используемых источников
ГОСТ 7.32-91 (НСО 5966-82) Отчёт по научно-технической работе: структура и правила оформления.
Цифровые и аналоговые интегральные микросхемы: Справочник - М.: Радио любитель, 2000.
Якубовский С.В. Баранов Н.А. и др. Аналоговые и цифровые интегральные микросхемы - М.: Радио и связь, 1985.
Лачин В.И., Савёлов Н. С. Электроника.-Л.; «Феникс», 2002.
Шило В.Л. Популярные цифровые микросхемы. – Ч.: Металлургия, 1988.