ИМПУЛЬСНЫЙ УСИЛИТЕЛЬ (работа 2)
Министерство образования Российской Федерации
ТОМСКИЙ ГОСУДАРСТВЕННЫЙ УНИВЕРСИТЕТ
СИСТЕМ УПРАВЛЕНИЯ РАДИОЭЛЕКТРОНИКИ (ТУСУР)
Кафедра радиоэлектроники и защиты информации (РЗИ)
ИМПУЛЬСНЫЙ УСИЛИТЕЛЬ
Пояснительная записка к курсовому проекту по дисциплине
Схемотехника и АЭУ
Студент гр. 180
__________Курманов Б.А.
______________
Руководитель
Доцент кафедры РЗИ
_____________Титов А.А.
_____________
2003
Реферат
Курсовая работа 29с., 12 рис., 3 табл., 2 источника.
УСИЛИТЕЛЬНЫЙ КАСКАД, ТРАНЗИСТОР, КОЭФФИЦИЕНТ ПЕРЕДАЧИ, ЧАСТОТНЫЕ ИСКАЖЕНИЯ, НАПРЯЖЕНИЕ, МОЩНОСТЬ, ТЕРМОСТАБИЛИЗАЦИЯ, СКВАЖНОСТЬ, КОРРЕКТИРУЮЩАЯ ЦЕПЬ, ОДНОНАПРАВЛЕННАЯ МОДЕЛЬ.
Целью данной работы является приобретение навыков аналитического расчёта усилителя по заданным требованиям.
В процессе работы производился расчёт параметров усилителя, анализ различных схем термостабилизации, были рассчитаны эквивалентные модели транзистора, рассмотрены варианты коллекторной цепи транзистора.
В результате работы получили принципиальную готовую схему усилителя с известной топологией и известными номиналами элементов.
Пояснительная записка выполнена в текстовом редакторе Microsoft Word 2002.
СОДЕРЖАНИЕ
|
1.Введение |
5 |
|
2.Предварительный расчет усилителя |
6 |
|
2.1 Расчет рабочей точки |
6 |
|
3. Выбор транзистора |
8 |
|
4. Расчет схемы термостабилизации |
9 |
|
4.1 Эмиттерная термостабилизация |
9 |
|
4.2 Пассивная коллекторная термостабилизация |
11 |
|
4.3 Активная коллекторная термостабилизация |
12 |
|
5. Расчёт параметров схемы Джиаколетто |
13 |
|
6. Расчет высокочастотной индуктивной коррекции |
15 |
|
7. Промежуточный каскад |
17 |
|
7.1 Расчет рабочей точки. Транзистор VT2 |
17 |
|
7.1.1 Расчет высокочастотной индуктивной коррекции |
20 |
|
7.1.2 Расчет схемы термостабилизации |
21 |
|
7.2 Транзистор VT1 |
22 |
|
7.2.1 Расчет схемы термостабилизации |
24 |
|
8. Искажения вносимые входной цепью |
25 |
|
9. Расчет С>ф>, R>ф>, С>р> |
26 |
|
10. Заключение |
28 |
|
Литература |
29 |
Министерство образования Российской Федерации
Томский Университет Систем Управления и Радиоэлектроники (ТУСУР)
Кафедра радиоэлектроники и защиты информации (РЗИ)
Утверждаю
Зав. кафедрой РЗИ
_____В.И.Ильюшенко
ТЕХНИЧЕСКОЕ ЗАДАНИЕ № 2
на курсовое проектирование по дисциплине “Схемотехника АЭУ”
студенту гр.180 Курманову Б.А.
Тема проекта Импульсный усилитель
Сопротивление генератора Rг = 75 Ом.
Коэффициент усиления K = 25 дБ.
Длительность импульса 0,5 мкс.
Полярность "положительная".
Скважность 2.
Время установления 25 нс.
Выброс 5%.
Искажения плоской вершины импульса 5%.
Амплитуда 4В.
Полярность "отрицательная".
Сопротивление нагрузки Rн = 75 Ом.
Условия эксплуатации и требования к стабильности показателей усилителя 20 - 45 °С.
Срок сдачи проекта на кафедру РЗИ 10.05.2003.
Дата выдачи Задания 22.02.2003.
Руководитель проектирования _____________
Исполнитель ______________
1.Введение
Импульсные усилители нашли широкое применение. Особенно широко они применяются в радиотехнических устройства, в системах автоматики, в приборах экспериментальной физики, в измерительных приборах.
В зависимости от задач на импульсные усилители накладываются различные требования, которым они должны отвечать. Поэтому усилители могут различаться между собой как по элементной базе, особенностям схемы, так и по конструкции. Однако существует общая методика, которой следует придерживаться при проектировании усилителей.
Задачей представленного проекта является отыскание наиболее простого и надежного решения.
Для импульсного усилителя применяют специальные транзисторы, имеющие высокую граничную частоту. Такие транзисторы называются высокочастотными.
Итогом курсового проекта стали параметры и характеристики готового импульсного усилителя.
2.Предварительный расчет усилителя
2.1 Расчет рабочей точки
Исходные данные для курсового проектирования находятся в техническом задании.
Средне статистический
транзистор даёт усиление в 20 дБ, по
заданию у нас 25 дБ, отсюда получим, что
наш усилитель будет иметь как минимум
2
каскада. Однако исходя из условия разной
полярности входного и выходного сигнала
число каскадов должно быть нечетным,
следовательно число каскадов составит
3.
Структурная схема многокаскадного усилителя представлена на рис.2.1

Рисунок 2.1 - Структурная схема усилителя
По заданному напряжению на выходе усилителя рассчитаем напряжение коллектор эмиттер и ток коллектора (рабочую точку).
Iко=
Uкэо=
Рассмотрим два варианта реализации схемы питания транзисторного усилителя: первая схема реостатный каскад, вторая схема дроссельный каскад.
Дроссельный каскад:
Схема дроссельного каскада по переменному току представлена на рисунке 2.2.

Рисунок 2.2 - Схема дроссельного каскада
Rн=75 (Ом).
Расчетные формулы:
(2.1)
(2.2)
(2.3)
(2.4)
Исходя из формул 2.1 - 2.4 вычислим напряжение Uкэо и ток Iко.


Eп = Uкэо = 4В
Pвых =
Вт
Pпотр =
Вт
η =

Резистивный каскад:
Схема резистивного каскада по переменному току представлена на рисунке 2.3.

Рисунок 2.3 - Схема резистивного каскада
Rк=75(Ом), Rн=75 (Ом), Rн~=37,5 (Ом).
Исходя из формул 2.1 - 2.4 вычислим напряжение Uкэо и ток Iко.


Eп = Iко*Rк+Uкэо = 8,4В
Pвых =
Вт
Pпотр =
Вт
η =

Результаты выбора рабочей точки двумя способами приведены в таблице 2.1.
Таблица 2.1.
|
E>п>,> >(В) |
I>ко>, (А) |
U>ко>, (В) |
P>вых.>,(Вт) |
P>потр.>,(Вт) |
P>Rк>,(Вт) |
η |
|
|
R>к> |
8,4 |
0,0587 |
4 |
0,107 |
0,496 |
0,255 |
0,22 |
|
L>к> |
4 |
0,0293 |
4 |
0,107 |
0,117 |
0,91 |
3. Выбор транзистора
Выбор транзистора осуществляется с учётом следующих предельных параметров:
P>Rк> ≤ P>к доп>*0,8
I>ко> ≤ 0,8*I>к max>
f>в>(10-100) ≤ f>т>
U>кэо> ≤ 0,8*U>кэ доп>
Исходя из данных технического
задания
.
Тогда верхняя граничная частота
оконечного каскада:
(3.1)
fТ>(10..100) f>в>,
fT=140МГц.
Этим требованиям полностью соответствует транзистор 2Т602А. Параметры транзистора приведены в таблице 3.1.
Таблица 3.1 - Параметры используемого транзистора
|
Наимено-вание |
Обозначение |
Значения |
|
Ск |
Емкость коллекторного перехода |
4 пФ |
|
Сэ |
Емкость эмиттерного перехода |
25 пФ |
|
Fт |
Граничная частота транзистора |
150 МГц |
|
Βо |
Статический коэффициент передачи тока в схеме с ОЭ |
20-80 |
|
Tо |
Температура окружающей среды |
25оС |
|
Iкбо |
Обратный ток коллектор-база |
10 мкА |
|
Iк |
Постоянный ток коллектора |
75 мА |
|
Тперmax |
Температура перехода |
423 К |
|
Pрас |
Постоянная рассеиваемая мощность (без теплоотвода) |
0,85 Вт |
Далее рассчитаем выберем схему термостабилизации.
4. Расчет схемы термостабилизации
4.1 Эмиттерная термостабилизация
Эмиттерная стабилизация применяется в основном в маломощных каскадах, и получила наиболее широкое распространение. Схема эмиттерной термостабилизации приведена на рисунке 4.1.

Рисунок 4.1 - Схема эмиттерной термостабилизации
Расчёт произведем поэтапно:
1.
Выберем напряжение эмиттера
,
ток делителя
и напряжение питания
;
2.
Затем рассчитаем
.
Напряжение
эмиттера
выбирается равным порядка
.
Выберем
.
Ток
делителя
выбирается равным
,
где
-
базовый ток транзистора и вычисляется
по формуле:
(мА); (4.1.1)
Тогда:
(мА) (4.1.2)
Напряжение
питания рассчитывается по формуле:
(В)
Расчёт величин резисторов производится по следующим формулам:
Ом; (4.1.3)
(4.1.4)
(Ом); (4.1.5)
(Ом); (4.1.6)
Данная методика расчёта не учитывает напрямую заданный диапазон температур окружающей среды, однако, в диапазоне температур от 0 до 50 градусов для рассчитанной подобным образом схемы, результирующий уход тока покоя транзистора, как правило, не превышает (10-15)%, то есть схема имеет вполне приемлемую стабилизацию.
4.2 Пассивная коллекторная термостабилизация

Рисунок 4.2 - Схема пассивной коллекторной термостабилизации.
Пусть U>Rк>=10В
Rк=
(Ом); (4.2.1)
Еп=Uкэо+U>Rк>=10+10=20В (4.2.2)
Rб=
=5,36 (кОм) (4.2.3)
Ток базы определяется Rб. При увеличении тока коллектора напряжение на Uкэо падает и следовательно уменьшается ток базы, а это не даёт увеличиваться дальше току коллектора. Но чтобы стал изменяться ток базы, напряжение Uкэо должно измениться на 10-20%, то есть Rк должно быть очень велико, что оправдывается только в маломощных каскадах.
4.3 Активная коллекторная термостабилизация

Рисунок 4.3 - Схема активной коллекторной термостабилизации
Сделаем так чтобы Rб зависело от напряжения Ut. Получим что при незначительном изменении тока коллектора значительно изменится ток базы. И вместо большого Rк можно поставить меньшее на котором бы падало небольшое (порядка 1В) напряжение.
Статический коэффициент передачи по току первого транзистора о1=30. U>R4>=5В.
R4=
=
=85
(Ом) (4.3.1)
(4.3.2)
I>ко1>
= I>бо2 > =

P>рас1 >= U>кэо1>*I>ко1 >= 5*1,68*10-3 = 8,4 мВт

R2=
=
=2,38
(кОм) (4.3.3)
R1=
=
=672
(Ом) (4.3.4)
R>3>
=
(Ом) (4.3.5)
Еп = U>кэо2>+U>R4> = 10+5 = 15В (4.3.6)
Данная схема требует значительное количество дополнительных элементов, в том числе и активных. При повреждении емкости С1 каскад самовозбудится и будет не усиливать, а генерировать, т.е. данный вариант не желателен, поскольку параметры усилителя должны как можно меньше зависеть от изменения параметров его элементов. Наиболее приемлема эмиттерная термостабилизация.
5. Расчёт параметров схемы Джиаколетто

Рисунок 5.1 - Эквивалентная схема биполярного транзистора (схема
Джиаколетто)
Ск(треб)=Ск(пасп)*
=4
=8,9
(пФ), где
Ск(треб)-ёмкость коллекторного перехода при заданном Uкэ0,
Ск(пасп)-справочное значение ёмкости коллектора при Uкэ(пасп).
rб=
=33,5
(Ом); gб=
=0,03
(Cм), где (5.1)
rб-сопротивление базы,
-справочное
значение постоянной цепи обратной
связи.
rэ=
=
=0,835
(Ом), где (5.2)
Iк0 в мА,
rэ-сопротивление эмиттера.
gбэ=
=
=0,039,
где (5.3)
gбэ-проводимость база-эмиттер,
-справочное
значение статического коэффициента
передачи тока в схеме с общим эмиттером.
Cэ=
=
=41
(пФ), где (5.4)
Cэ-ёмкость эмиттера,
fт-справочное значение
граничной частоты транзистора при
которой
=1
Ri=
=1333
(Ом), где (5.5)
Ri-выходное сопротивление транзистора,
Uкэ0(доп), Iк0(доп)-соответственно паспортные значения допустимого напряжения на коллекторе и постоянной составляющей тока коллектора.
gi=0.75(мСм).
(5.6)
где К>0> - коэффициент усиления резисторного каскада
(5.7)
где τ>в> - постоянная времени верхних частот резисторного каскада
(5.8)
где τ - постоянная времени верхних частот
(5.9)
где S>0> - крутизна проходной характеристики
(5.10)
где С>вх> - входная динамическая емкость каскада
(5.11)
(5.12)

(5.13)
где f>в> - верхняя граничная частота
Из формул 5.6 - 5.11 получим:

(Ом)




(См)
- верхняя граничная частота
при условии что на каждый каскад
приходится по 0,75 дБ искажений.
Данное значение верхней граничной частоты не удовлетворяет требованиям технического задания, поэтому потребуется введение коррекции.
6. Расчет высокочастотной индуктивной коррекции
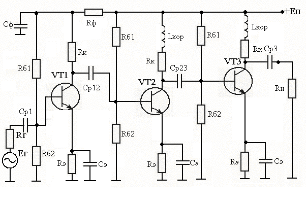
Схема высокочастотной индуктивной коррекции представлена на рисунке 6.1.

Рисунок 6.1 - Схема индуктивной высокочастотной коррекции
Высокочастотная индуктивная коррекция вводится для коррекции искажений АЧХ вносимых транзистором. Корректирующий эффект в схеме достигается за счет возрастания сопротивления коллекторной цепи с ростом частоты усиливаемого сигнала и компенсации, благодаря этому, шунтирующего действия выходной емкости транзистора.
Коэффициент усиления
каскада в области верхних частот, при
оптимальном значении
равном:
,
описывается выражением:
,
где
;
;
Очевидно что при неизменном R>к> коэффициент усиления К>0> - не изменится.
;
>в>
,
и
параметры
рассчитанные по формулам 5.7, 5.8, 5.9.
L>к> = 75*6.55*10-9 =4.9*10-9 (Гн)
τ>к>
=

f>в> каскада равна:

7. Промежуточный каскад
7.1 Расчет рабочей точки. Транзистор VT2

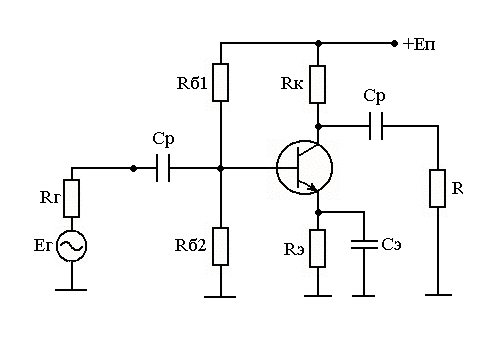
Рисунок 7.1 - Предварительная схема усилителя
Возьмем Rк = 800 (Ом).
(Ом)
В


Кроме того при выборе транзистора следует учесть: f>в>=14 (МГц).
Этим требованиям соответствует транзистор КТ339А. Однако данные о его параметрах при заданном токе и напряжении недостаточны, поэтому выберем следующую рабочую точку:
I>ко>= 5мА
U>кэо>=10В
Таблица 7.1 - Параметры используемого транзистора
|
Наимено-вание |
Обозначение |
Значения |
|
Ск |
Емкость коллекторного перехода |
2 пФ |
|
Сэ |
Емкость эмиттерного перехода |
4 пФ |
|
Fт |
Граничная частота транзистора |
300 МГц |
|
Βо |
Статический коэффициент передачи тока в схеме с ОЭ |
100 |
|
Tо |
Температура окружающей среды |
25оС |
|
Iк |
Постоянный ток коллектора |
25 мА |
|
Тперmax |
Температура перехода |
448 К |
|
Pрас |
Постоянная рассеиваемая мощность (без теплоотвода) |
0,26 Вт |
Рассчитаем параметры эквивалентной схемы для данного транзистора используя формулы 5.1 - 5.13.
Ск(треб)=Ск(пасп)*
=2
=1,41
(пФ), где
Ск(треб)-ёмкость коллекторного перехода при заданном Uкэ0,
Ск(пасп)-справочное значение ёмкости коллектора при Uкэ(пасп).
rб=
=17,7
(Ом); gб=
=0,057
(Cм), где
rб-сопротивление базы,
-справочное
значение постоянной цепи обратной
связи.
rэ=
=
=6,54
(Ом), где
Iк0 в мА,
rэ-сопротивление эмитера.
gбэ=
=
=1,51(мСм),
где
gбэ-проводимость база-эмитер,
-справочное
значение статического коэффициента
передачи тока в схеме с общим эмиттером.
Cэ=
=
=0,803
(пФ), где
Cэ-ёмкость эмиттера,
fт-справочное значение
граничной частоты транзистора при
которой
=1
Ri=
=1000
(Ом), где
Ri-выходное сопротивление транзистора,
Uкэ0(доп), Iк0(доп)-соответственно паспортные значения допустимого напряжения на коллекторе и постоянной составляющей тока коллектора.
gi=1(мСм).

(Ом) (7.1)

(7.2)

– входное сопротивление
и входная емкость нагружающего каскада.

(7.3)


(См)
- верхняя граничная частота
при условии что на каждый каскад
приходится по 0,75 дБ искажений. Желательно
ввести коррекцию.
7.1.1 Расчет высокочастотной индуктивной коррекции
Схема высокочастотной индуктивной коррекции представлена на рисунке 7.2.

Рисунок 7.2 - Схема высокочастотной индуктивной коррекции
промежуточного каскада
Высокочастотная индуктивная коррекция вводится для коррекции искажений АЧХ вносимых транзистором. Корректирующий эффект в схеме достигается за счет возрастания сопротивления коллекторной цепи с ростом частоты усиливаемого сигнала и компенсации, благодаря этому, шунтирующего действия выходной емкости транзистора.
Расчетные формулы:
,
,
где
;
;
При неизменном R>к> коэффициент усиления не будет изменятся.
;
τ ,τ>в> и S>0> рассчитываются по 5.7, 5.8, 5.9.
(Гн)
с
=
- верхняя граничная частота корректированного
каскада при условии что на каждый каскад
приходится по 0,75 дБ искажений.
7.1.2 Расчет схемы термостабилизации
Используем эмиттерную стабилизация поскольку был выбран маломощный транзистор, кроме того эмиттерная стабилизация уже применяется в рассчитываемом усилителе. Схема эмиттерной термостабилизации приведена на рисунке 4.1.
Порядок расчета:
1.
Выберем напряжение эмиттера
,
ток делителя
и напряжение питания
;
2.
Затем рассчитаем
.
Напряжение
эмиттера
выбирается равным порядка
.
Выберем
.
Ток
делителя
выбирается равным
,
где
-
базовый ток транзистора и вычисляется
по формуле:
(мА);
Тогда:
мА
Напряжение
питания рассчитывается по формуле:
(В)
Расчёт величин резисторов производится по следующим формулам:
(Ом);
(кОм);
(кОм);
В диапазоне температур от 0 до 50 градусов для рассчитанной подобным образом схемы, результирующий уход тока покоя транзистора, как правило, не превышает (10-15)%, то есть схема имеет вполне приемлемую стабилизацию.
7.2 Транзистор VT1
В качестве транзистора VT1 используем транзистор КТ339А с той же рабочей точкой что и для транзистора VT2:
I>ко>= 5мА
U>кэо>=10В
Возьмем Rк = 100 (Ом).
Рассчитаем параметры эквивалентной схемы для данного транзистора используя формулы 5.1 - 5.13 и 7.1 - 7.3.
Ск(треб)=Ск(пасп)*
=2
=1,41
(пФ), где
Ск(треб)-ёмкость коллекторного перехода при заданном Uкэ0,
Ск(пасп)-справочное значение ёмкости коллектора при Uкэ(пасп).
rб=
=17,7
(Ом); gб=
=0,057
(Cм), где
rб-сопротивление базы,
-справочное
значение постоянной цепи обратной
связи.
rэ=
=
=6,54
(Ом), где
Iк0 в мА,
rэ-сопротивление эмитера.
gбэ=
=
=1,51(мСм),
где
gбэ-проводимость база-эмитер,
-справочное
значение статического коэффициента
передачи тока в схеме с общим эмитером.
Cэ=
=
=0,803
(пФ), где
Cэ-ёмкость эмитера,
fт-справочное значение
граничной частоты транзистора при
которой
=1
Ri=
=1000
(Ом), где
Ri-выходное сопротивление транзистора,
Uкэ0(доп), Iк0(доп)-соответственно паспортные значения допустимого напряжения на коллекторе и постоянной составляющей тока коллектора.
gi=1(мСм).

(Ом)

нс
– входное сопротивление
и входная емкость нагружающего каскада.



(См)
- верхняя граничная частота
при условии что на каждый каскад
приходится по 0,75 дБ искажений. Данное
значение f>в>
удовлетворяет техническому заданию.
Нет необходимости в коррекции.
7.2.1 Расчет схемы термостабилизации
Как было сказано в пункте 7.1.1 в данном усилителе наиболее приемлема эмиттерная термостабилизация поскольку транзистор КТ339А является маломощным, кроме того эмиттерная стабилизация проста в реализации. Схема эмиттерной термостабилизации приведена на рисунке 4.1.
Порядок расчета:
1.
Выберем напряжение эмиттера
,
ток делителя
и напряжение питания
;
2.
Затем рассчитаем
.
Выберем
.
Ток
делителя
выбирается равным
,
где
-
базовый ток транзистора и вычисляется
по формуле:
(мА);
Тогда:
мА
Напряжение
питания рассчитывается по формуле:
(В)
Расчёт величин резисторов производится по следующим формулам:
(Ом);
(кОм);
(кОм);
8. Искажения вносимые входной цепью
Принципиальная схема входной цепи каскада приведена на рис. 8.1.

а) б)
Рисунок 8.1 - Принципиальная схема входной цепи каскада
При условии аппроксимации входного сопротивления каскада параллельной RC-цепью, коэффициент передачи входной цепи в области верхних частот описывается выражением:
,
где
; (8.1)
; (8.2)
; (8.3)
–
входное
сопротивление и входная емкость каскада.
Значение
входной цепи рассчитывается по формуле
(5.13), где вместо
подставляется величина
.

(Ом)
(с)

9. Расчет С>ф>, R>ф>, С>р>
В принципиальной схеме усилителя предусмотрено четыре разделительных конденсатора и три конденсатора стабилизации. В техническом задании сказано что искажения плоской вершины импульса должны составлять не более 5%. Следовательно каждый разделительный конденсатор должен искажать плоскую вершину импульса не более чем на 0.71%.
Искажения плоской вершины вычисляются по формуле:
,
(9.1)
где τ >и> - длительность импульса.
Вычислим τ>н>:
Тогда:

τ>н> и С>р> связаны соотношением:
, (9.2)
где R>л>, R>п> - сопротивление слева и справа от емкости.
Вычислим С>р>. Сопротивление входа первого каскада равно сопротивлению параллельно соединенных сопротивлений: входного транзисторного, Rб1 и Rб2.
R>п>=R>вх>||R>б1>||R>б2>=628(Ом)
(Ф);
Сопротивление выхода первого каскада равно параллельному соединению Rк и выходного сопротивления транзистора Ri.
R>л>=Rк||Ri=90,3(Ом)
R>п>=R>вх>||R>б1>||R>б2>=620(Ом)
(Ф);
R>л>=Rк||Ri=444(Ом)
R>п>=R>вх>||R>б1>||R>б2>=48(Ом)
(Ф);
R>л>=Rк||Ri=71(Ом)
R>п>=R>н> =75(Ом)
(Ф);
где С>р1> - разделительный конденсатор между Rг и первым каскадом, С>12> - между первым и вторым каскадом, С>23> - между вторым и третьим, С>3> - между оконечным каскадом и нагрузкой. Поставив все остальные емкости по 479∙10-9Ф, мы обеспечим спад, меньше требуемого.
Вычислим R>ф> и С>ф >(U>RФ>=1В):
(9.3)
(Ом)
(Ф) (9.4)
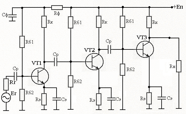
10. Заключение
В данном курсовом проекте разработан импульсный усилитель с использованием транзисторов 2Т602А, КТ339А, имеет следующие технические характеристики:
- верхняя граничная частота 14МГц;
- коэффициент усиления 64 дБ;
- сопротивление генератора и нагрузки 75 Ом;
- напряжение питания 18 В.
Схема усилителя представлена на рисунке 10.1.

Рисунок 10.1 - Схема усилителя
При вычислении характеристик усилителя использовалось следующее программное обеспечение: MathCad, Work Bench.
Литература
Полупроводниковые приборы. Транзисторы средней и большой мощности: Справочник/ А.А. Зайцев, А.И. Миркин, В.В. Мокряков и др. Под редакцией А.В. Голомедова.-М.: Радио и Связь, 1989.-640с.
Расчет элементов высокочастотной коррекции усилительных каскадов на биполярных транзисторах. Учебно-методическое пособие по курсовому проектированию для студентов радиотехнических специальностей / А.А. Титов, Томск: Том. гос. ун-т систем управления и радиоэлектроники, 2002. - 45с.