Полупроводниковые приборы (работа 2)
Полупроводниковые приборы.
Техника полупроводниковых приборов стала самостоятельной областью электроники. Замена электронных ламп полупроводниковыми приборами успешно осуществлена во многих радиотехнических устройствах.
На всем протяжении развития радиотехники широко применялись кристаллические детекторы, представляющие собой полупроводниковые выпрямители для токов высокой частоты. Для выпрямления постоянного тока электрической сети используют купроксные и селеновые полупроводниковые выпрямители. Однако они непригодны для высоких частот.
Ещё в 1922 г. сотрудник Нижегородской радио лаборатории О.В. Лосев получил генерирование электрических колебаний с помощью кристиллического детектора и сконструировал приёмник “Кристадин”, в котором за счет генерации собственных колебаний получалось усиление принимаемых сигналов. Он имел значительно большую чувствительность, нежели обычные приемники с кристаллическими детекторами. Открытие Лосева, к сожалению, не получило должного развития в последующие годы. Полупроводниковые триоды, получившие названия транзисторов, предложили в 1948 г. американские ученые Бардин, Браттейн и Шокли.
По сравнению с электронными лампами у полупроводниковых приборов имеются существенные достоинства:
Малый вес и малые размеры.
Отсутствие затраты энергии на накал.
Большой срок службы (до десятков тысяч часов).
Большая механическая прочность (стойкость к тряске, ударам и другим видам механических перегрузок).
Различные устройства (выпрямители, усилители, генераторы) с полупроводниковыми приборами имеют высокий КПД, так как потери энергии в самих приборах незначительны.
Маломощные устройства с транзисторами могут работать при очень низких питающих напряжениях.
Вместе с тем полупроводниковые приборы в настоящее время обладают следующими недостатками:
Параметры и характеристики отдельных экземпляров приборов данного типа имеют значительный разброс.
Свойства приборов сильно зависят от температуры.
Работа полупроводниковых приборов резко ухудшается под действием радиоактивного излучения.
и т.д.
Транзисторы могут работать почти во всех устройствах, в которых применяются вакуумные лампы. В настоящее время транзисторы успешно применяются в усилителях, приёмниках, передатчиках, генераторах, измерительных приборах, импульсных схемах и во многих других устройствах.
Виды проводимости
Полупроводники представляют собой вещества, которые по своей удельной электрической проводимости занимают среднее место между проводниками и диэлектриками. В современных полупроводниковых приборах широко используется такие полупроводники, как германий, кремний, селен, арсенид галлия и др.
Для полупроводников характерен отрицательный температурный коэффициент электрического сопротивления. При возрастании температуры сопротивление полупроводников уменьшается, а не увеличивается, как у большинства твердых проводников. Кроме того, электрическое сопротивление полупроводников сильно зависит от количества примесей в полупроводников сильно зависит о таких внешних воздействий, как свет, электрическое поле, ионизирующее излучение и др.
Принципы работы полупроводниковых диодов и транзисторов связаны с тем, что в полупроводниках существует электропроводность двух видов. Так же, как и металлы, полупроводники обладают электронной электропроводностью, которая обусловлена перемещением электронов проводимости. При обычных рабочих температурах в полупроводниках всегда имеется электроны проводимости, которые очень слабо связаны с ядрами атомов и совершают беспорядочное тепловой движение между атомами кристаллической решетки. Эти электроны под действием разности потенциалов могут получить дополнительное движение в определенном направлении, которое и является электрическим током. Полупроводники обладают также дырочной электропроводимостью, которая не наблюдается в металлах. Отсутствие электрона в атоме полупроводника, т.е. наличие в атоме положительного заряда, назвали дыркой. Этим подчеркивают, что в атоме не хватает одного электрона, т.е. образовывалось свободное место. Дырки ведут как элементарные положительные заряды.
Электронно-дырочный переход
Область на границе двух полупроводников с различными типами электропроводности называется электронно-дырочным или р-n переходом. Электронно-дырочный переход обладает свойством несимметричной проводимости, т.е. представляет собой нелинейное сопротивление. Работа почти всех полупроводниковых приборов, применимых в радиоэлектронике, основана на использовании свойств одного или нескольких p-n переходов.


Пусть внешнее напряжение
отсутствует (рис.1). Так как носители
заряда в каждом полупроводнике совершают
беспорядочное тепловое движение, т.е.
имеют некоторые тепловые скорости, то
и происходит их диффузия (проникновение)
из одного полупроводника в другой. Как
и в любом другом случае диффузии, на
пример наблюдающейся в газах и жидкостях,
носители перемещаются оттуда, где их
концентрация велика, туда, где их
концентрация мала. Таким образом, из
полупроводника n-типа
в полупроводник p-типа
диффундируют электроны, а в обратном
направлении из полупроводника p-типа
в полупроводник n-типа
диффундируют дырки. Это диффузионное
перемещение носителей показано на
рисунке 1 сплошными стрелками. В результате
диффузии носителей по обе стороны
границы раздела двух проводников с
различным типом электропроводности
создаются объемные заряды различных
знаков. В области n
возникает положительный объемный заряд.
Он образован положительно заряженными
атомами донорной примеси и прошедшими
в эту область дырками. Подобно этому в
области p
возникает отрицательный объемный заряд,
образованный отрицательно заряженными
атомами акцепторной примеси и пришедшими
сюда электронами. На рисунке1 для
упрощения носители и атомы примесей
показаны только в области перехода.
Между образовавшимися объемными зарядами возникают так называемая контактная разность потенциалов U = и электрическое поле. Направление вектора напряженности этого поля Е показано на рисунке1.Перемещение неосновных носителей зарядов под действие поля, называемое дрейфом носителей. Каждую секунду через границу в противоположных направления диффундирует определенное количество электронов и дырок, а под действием поля такое же их количество дрейфует в обратном направлении.
Перемещение носителей за счет диффузии называют диффузным током, а движение носителей под действием поля представляет собой ток проводимости. В установившемся режиме, т.е. при динамическом равновесии перехода, эти токи противоположны по направлению. Поэтому полный ток через переход равен нулю, что и должно быть при отсутствии внешнего напряжения.
Полупроводниковый диод.
Электронно-дырочный переход представляет собой полупроводниковый диод.
Нелинейные свойства диода видны при рассмотрении его вольтамперной характеристики. Пример такой характеристики для диода небольшое мощности дан на рис.2. Она показывает что прямой ток в десятки миллиампер получается при прямом напряжении порядка десятых долей вольта. Поэтому прямое сопротивление имеет величину не выше десятков ом. Для более мощных диодов прямой ток составляет сотни
миллиампер и больше при таком же малом напряжении, а R соответственно снижается до единиц ом и меньше.
Участок характеристики для обратного тока, малого по сравнению с прямым током, обычно показывают в другом масштабе, что и сделано на рисунке выше. Обратный ток при обратном напряжении до сотен вольт у диодов небольшой мощности составляет лишь единицы или десятки микроампер. Это соответствует обратному сопротивлению до сотен килоом и больше.
Полупроводниковые диоды подразделяются по многим признакам. Прежде всего следует различать точечные, плоскостные и поликристаллические диоды. У точечных диодов линейные размеры, определяющие площадь p-n перехода, такого же порядка как толщина перехода, или меньше ее. У плоскостных диодов эти размеры значительно больше толщины перехода.
Точечные диоды имеют малую емкость p-n перехода и поэтому применяются на любых частотах вплоть до СВЧ. Но они могут пропускать токи не более единиц или нескольких десятков миллиампер. Плоскостные диоды в зависимости от площади перехода обладают емкостью в десятки пикофарад и более. Поэтому их применяют на частотах не более десятков килогерц. Допустимый ток в плоскостных диодах бывает от десятков миллиампер до сотен ампер и больше.
Основой точечных и плоскостных диодов являются пластинки полупроводника, вырезанные из монокристалла, имеющего во всем своем объеме правильное кристаллическое строение. В качестве полупроводниковых веществ для точечных и плоскостных диодов применяют чаще всего германий и кремний, а в последнее время также и арсенид галлия и карбид кремния.
Поликристаллические диоды имеют p-n переход, образованный полупроводниковыми слоями, состоящими из большого количества кристаллов малого размера, различно ориентированных друг относительно друга и поэтому не представляющих собой единого монокристалла. Эти диоды бывают селеновыми, меднозакисные (купроксные) и титановые.
Принцип устройства точечного диода показан на рисунке 3(а). В нем тонкая заостренная проволочка(игла) с нанесенной на нее примесью приваривается при помощи импульса тока к пластинке полупроводника с определенным типом электоропроводности. При этом из иглы в основной полупроводник диффундируют примеси которые создают в нем область с другим типом проводимости. Это процесс наз. формовкой диода. Таким образом, около иглы получается мини p-n переход полусферической формы. Следовательно, принципиальной разницы между точечными и плоскостными диодами нет. В последнее время появились еще так называемые микро плоскостные или
микросплавные диоды, которые имеют несколько больший по плоскости p-n переход, чем точечные диоды(б).
Плоскостные диоды изготавливаются, главным образом, методами сплавления диффузии. Для примера на рисунке 4.а) показан принцип устройства сплавного германиевого диода. В пластинку германия n-типа вплавляют при температуре около 500 градусов каплю индия, которая сплавляясь с германием, образует слой германия p-типа.
Область с электропроводностью p-типа имеет более высокую концентрацию примеси, нежли основная пластинка сравнительно высокоомного германия, и поэтому является эмитером. К основной пластинке германия и к индию припаиваются выводные проволочки, обычно из никеля. Если за исходный материал взят высокоомный германий p-типа, то в него вплавляют сурьму и тогда получается эмитерная область n-типа.
Следует отметить, что сплавным методом получают так называемые резкие или ступенчатые p-n переходы, в которых толщина области изменения концентраци примесей значительно меньше толщины области объёмных зарядов, существующих в переходе.
Типы диодов.
По назначению полупроводниковые диоды подразделяются на выпрямительные диоды малой, средней и большой мощности, импульсные диоды и полупроводниковые стабилитроны.
Выпрямительные диоды малой мощности. К ним относятся диоды, поставляемые промышленностью на прямой ток до 300мА. Справочным параметром выпрямительных диодов малой мощности является допустимый выпрямительный ток(допустимой среднее значение прямого тока),который определяет в заданном диапазоне температур допустимое среднее за период значение длительно протекающих через диод импульсов прямого тока синусоидальной формы при паузах в 180 (полупериод) и частоте 50 Гц. Максимальное обратное напряжения этих диодов лежит в диапазоне от десятков до 1200В.
Выпрямительные диоды средней мощности. К этому типу относятся диоды, допустимое среднее значение прямого тока которых лежит в пределах 300мА-10мА. Большой прямой ток этих по сравнению с маломощными диодами достигается увеличением размеров кристалла, в частности рабочей площади p-n перехода. Диоды средней мощности выпускаются преимущественно кремниевыми. В связи с этим обратный ток этих диодов при сравнительно большой плоскости p-n перехода достаточно мал(несколько десятков микроампер). Теплота, выделяемая в кристалле от протекания прямого и обратного токов в диодах средней мощности, уже не может быть рассеяна корпусом прибора.
Мощные (силовые) диоды. К данному типа относятся диоды на токи от 10А и выше. Промышленность выпускает силовые диоды на токи 10,16,25,40 и т.д. и обратные напряжения до3500 В. Силовые диоды имеют градацию по частоте охватывают частотный диапазон до десятков килогерц.
Мощные диоды изготовляют преимущественно из кремния. Кремниевая пластинка с p-n переходом, создаваемым диффузным методом, для таких диодов представляет собой диск диаметром 10-100мм и толщиной 0,3-0,6 мм.
Транзистор.
Транзистор, или полупроводниковый триод, являясь управляемым элементом, нашел широкое применение в схемах усиления, а также в импульсных схемах. Отсутствие накала, малые габариты и стоимость, высокая надежность- таковы преимущества, благодаря которым транзистор вытеснил из большинства областей техники электронный лампы.
Биполярный транзистор представляет собой трехслойную полупроводниковую структуру с чередующимися типом электропроводности слоев и содержит два p-n перехода. В зависимости от чередования слоев существуют транзисторы типов p-n-p и n-p-n (рисунок 5). Их условное обозначение на электронных схемах показано на том же рисунки. В качестве исходного материала для получения трехслойной структуры используют германий и кремний.
Трехслойная транзисторная структура создается по сплавной или диффузионной технологии, по которой выполняется и двухслойная структура проводниковых диодов. Трехслойная транзисторная структура типа p-n-p, выполненная по сплавной технологии Пластина полупроводника n-типа является основанием, базой конструкции. Два наружных p-слоя создаются в результате диффузии в них акцепторной примеси при сплавлении с соответствующим материалом. Один из слоев называется эмитерным, а другой- коллекторным . Так же называются и p-n-переходы создаваемые этими слоями со слоем базы, а также внешние выводы от этих слоев.
Функция эмиттерного перехода – инжектирование (эмитирование) носителей заряда в базу, функция коллекторного перехода – сбор носителей заряда, прошедших через базовый слой. Чтобы носители заряда, инжектируемые эмиттером и проходящий через базу, полнее собирались коллектором, площадь коллекторного перехода.

В транзисторах типа
n-p-n функции всех трех
слоев и их названия аналогичны, изменяется
лишь тип носителей заряда, проходящий
через базу:
в приборах типа p-n-p
–
э
то
дырки ,в приборах типа n-p-n
–это электроны
Полупроводниковая структура транзистора типов p-n-p и n-p-n
С

уществуют
три способа включения транзистора:
с общей базой (ОБ), с общим эмиттером
(ОЭ), и общим коллектором (ОК). Различие
в способах включения зависит от того,
какой из выводов транзистора является
общим для входной и выходной цепей. В
схеме ОБ общей точкой входной и выходной
цепей является база, в схеме ОЭ- эмиттер,
в схеме ОК – коллектор.
В силу того, что статические характеристики транзистора в схемах ОЭ или ОК примерно одинаковы, рассматриваются характеристики только для двух способов включения : ОБ или ОЭ.
Представление транзистора схемой замещения (эквивалентной схемой) необходимо для проведения расчетов цепей с транзисторами. Особый интерес представляет схема замещения в физических параметрах, в которых все ее элементы связаны с внутренними (физическими) параметрами транзистора. Использование такой схемы замещения создает удобство и наглядность при анализе влияния параметров прибора на показатели схем с транзисторами.
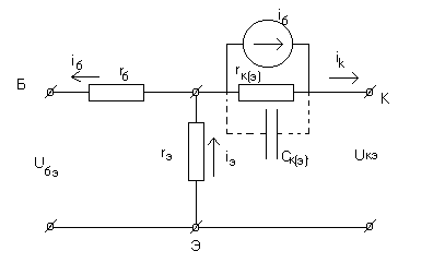
Ниже рассматриваются схемы замещения транзисторов ОБ и ОЭ для переменных составляющих токов и напряжений применительно к расчету схем с транзисторами, работающими в усилительном режиме, в частности усилительных каскадов. Такие схемы замещения справедливы для линейных участков входных и выходных характеристик транзистора, при которых параметры транзистора можно считать неизменными. В этом случае используют так называемые дифференциальные параметры транзистора, относящиеся к небольшим приращениям напряжения и тока. Наиболее точно структуру транзистора при этом отображает Т-образная схема замещения.
Т-образная схема замещения транзистора ОБ показана на рисунке ниже ,По аналогии со структурой транзистора она представляет собой сочетание двух контуров: левого, относящегося к входной цепи (эмиттер -база), и правого, относящегося к выходной цепи (коллектор -база). Общим для обоих контуров является цепью базы с сопротивлением r.

Литература:
И. П. Жеребцов “Основы электроники”
Ю.С. Забродин “Промышленная электроника”
И.М. Викулин “Физика полупроводниковых приборов”