Разработка эквалайзера (работа 1)

Ñîäåðæàíèå
1. Òåõíè÷åñêîå çàäàíèå.
1.1. Íàèìåíîâàíèå è îáëàñòü ïðèìåíåíèÿ.
1.2. Îñíîâàíèå äëÿ ðàçðàáîòêè.
1.3. Òåõíè÷åñêèå òðåáîâàíèÿ.
2. Äîêóìåíòû ýñêèçíîãî ïðîåêòà.
2.1. Ââåäåíèå.
2.2. Íàçíà÷åíèå è îáëàñòü ïðèìåíåíèÿ.
2.3. Îáîñíîâàíèå ñòðóêòóðíîé ñõåìû.
3. Äîêóìåíòû òåõíè÷åñêîãî ïðîåêòà.
3.1. Îáîñíîâàíèå ñõåìîòåõíè÷åñêèõ ðåøåíèé.
3.2. Ðàñ÷åòû, ïîäòâåðæäàþùèå ðàáîòîñïîñîáíîñòü èçäåëèÿ.
3.3. Ïîðÿäîê íàñòðîéêè èçäåëèÿ.
4. Ñïèñîê ëèòåðàòóðû.
1.
Òåõíè÷åñêîå çàäàíèå
1.1. Íàèìåíîâàíèå è îáëàñòü ïðèìåíåíèÿ èçäåëèÿ.
Ðàçðàáàòûâàåìûé ãðàôè÷åñêèé ýêâàëàéçåð ïðåäíàçíà÷åí äëÿ ñîãëàñîâàíèÿ ýëåêòðîàêóñòè÷åñêèõ ïàðàìåòðîâ áûòîâîãî àóäèîêîìïëåêñà, â ÷àñòíîñòè, àêóñòè÷åñêîé ñèñòåìû è àêóñòè÷åñêîãî îôîðìëåíèÿ ïîìåùåíèÿ ìåòîäîì ðåãóëèðîâêè ôîðìû àìïëèòóäíî-÷àñòîòíîé õàðàêòåðèñòèêè êîýôôèöèåíòà ïåðåäà÷è â ðàáî÷åì äèàïàçîíå ÷àñòîò.
1.2. Îñíîâàíèå äëÿ ðàçðàáîòêè.
Îñíîâàíèåì äëÿ ðàçðàáîòêè ÿâëÿåòñÿ çàäàíèå, âûäàííîå êàôåäðîé ðàäèîïðèåìà è îáðàáîòêè ðàäèîòåõíè÷åñêîé èíôîðìàöèè.
1.3. Òåõíè÷åñêèå òðåáîâàíèÿ.
|
¹ ï/ï |
Ïàðàìåòð èëè õàðàêòåðèñòèêà |
Åä. |
Íîðìà |
Èñòî÷íèê |
|
1 |
Íîìèíàëüíûé äèàïàçîí ÷àñòîò ïðè ñïàäå À×Õ íà êðàÿõ äèàïàçîíà 3 äÁ |
Ãö |
10...30000 |
ÃÎÑÒ 24838-87 |
|
2 |
Êîýôôèöèåíò ãàðìîíèê ïðè âõîäíîì íàïðÿæåíèè 1 íà ÷àñòîòàõ 100, 1000 è 10000 Ãö, íå áîëåå |
% |
0.05 |
ÃÎÑÒ 24838-87 |
|
3 |
Íîìèíàëüíîå âõîäíîå íàïðÿæåíèå |
 |
1 |
Ðåêîìåíä. |
|
4 |
Ìàêñèìàëüíîå âõîäíîå íàïðÿæåíèå |
 |
4 |
- |
|
5 |
Äèàïàçîí ðåãóëèðîâàíèÿ òåìáðà âî âñåõ ÷àñòîòíûõ ïîëîñàõ |
äÁ |
±16 |
- |
|
6 |
Îòíîøåíèå ñèãíàë/øóì ïðè âõîäíîì íàïðÿæåíèè 1 Â |
äÁ |
80 |
ÃÎÑÒ 24863-87 |
|
7 |
Êðàòíîñòü ðåãóëèðîâêè ðåçîíàíñíûõ ÷àñòîò è äîáðîòíîñòåé |
ðàç |
2 |
Ðåêîìåíä. |
|
8 |
Ìàêñèìàëüíàÿ ïîãðåøíîñòü óñòàíîâêè ðåçîíàíñíûõ ÷àñòîò è äîáðîòíîñòåé |
% |
5 |
- |
|
9 |
Ñðåäíåå âðåìÿ íàðàáîòêè íà îòêàç |
÷àñ |
11000 |
ÃÎÑÒ 15150-69 |
2.
Äîêóìåíòû
ýñêèçíîãî ïðîåêòà
2.1. Ââåäåíèå.
 ñîâðåìåííûõ óñèëèòåëÿõ, òþíåðàõ è ìàãíèòîôîíàõ èìåþòñÿ ðåãóëÿòîðû òåìáðà, êîòîðûìè îáû÷íî â çíà÷èòåëüíîé ñòåïåíè ðåãóëèðóåòñÿ îñíîâíàÿ ÷àñòü ñïåêòðà çâóêîâûõ ÷àñòîò. Ýòè ðåãóëÿòîðû ïðèãîäíû äëÿ íåáîëüøèõ èçìåíåíèé òîíàëüíûõ çíà÷åíèé çâóêîâûõ ïðîãðàìì, íî îíè ìàëîýôôåêòèâíû äëÿ èñïðàâëåíèÿ íåäîñòàòêîâ ãðîìêîãîâîðèòåëåé è ïîìåùåíèé äëÿ ïðîñëóøèâàíèÿ. Ïîñêîëüêó àìïëèòóäíî-÷àñòîòíàÿ õàðàêòåðèñòèêà îáû÷íîãî ãðîìêîãîâîðèòåëÿ èìååò çíà÷èòåëüíóþ íåðàâíîìåðíîñòü â ðàçëè÷íûõ òî÷êàõ çâóêîâîãî äèàïàçîíà, ýêâàëàéçåð, â ñèëó ñâîèõ îñîáûõ ÷àñòîòíûõ õàðàêòåðèñòèê, â áîëüøåé ñòåïåíè ñïîñîáåí âíåñòè íåîáõîäèìóþ êîððåêöèþ, ÷åì îáû÷íûå ðåãóëÿòîðû òåìáðà.
Ýêâàëàéçåð ïîçâîëÿåò â çíà÷èòåëüíîé ñòåïåíè ñêîìïåíñèðîâàòü íåðàâíîìåðíîñòü àìïëèòóäíî-÷àñòîòíûõ ÷àðàêòåðèñòèê àêóñòè÷åñêèõ ñèñòåì, íåñîâåðøåíñòâî àêóñòè÷åñêèõ ñâîéñòâ ïîìåùåíèé, âîçðàñòíûå èçìåíåíèÿ ñëóõà, îñóùåñòâëÿòü êîððåêöèþ ìàãíèòîôîííûõ çàïèñåé äëÿ óëó÷øåíèÿ èõ êà÷åñòâà. Ýêâàëàéçåð ïîâûøàåò êà÷åñòâî âîñïðèÿòèÿ çâóêîâîé ïðîãðàììû, ïîýòîìó îí ÿâëÿåòñÿ íåîòúåìëåìûì çâåíîì ñîâðåìåííûõ ñèñòåì âûñîêîêà÷åñòâåííîãî çâóêîâîñïðîèçâåäåíèÿ.
2.2. Íàçíà÷åíèå è îáëàñòü ïðèìåíåíèÿ.
Ýêâàëàéçåð ãðàôè÷åñêèé äåñÿòèïîëîñíûé ïðåäíàçíà÷åí äëÿ èñïîëüçîâàíèÿ â ñîñòàâå áûòîâîãî çâóêîâîñïðîèçâîäÿùåãî êîìïëåêñà àïïàðàòóðû âûñøåé è ïåðâîé ãðóïï ñëîæíîñòè.
2.3.
Îáîñíîâàíèå ñòðóêòóðíîé ñõåìû.
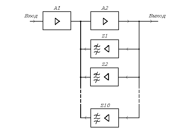
Ñóùåñòâóþò äâà îñíîâíûõ òèïà ýêâàëàéçåðîâ: ïàðàìåòðè÷åñêèå è ãðàôè÷åñêèå.  êà÷åñòâå áàçîâîé â ðàçðàáàòûâàåìîì ïðîåêòå âûáðàíà ñõåìà ãðàôè÷åñêîãî ýêâàëàéçåðà, ïîñêîëüêó íåñìîòðÿ íà òî, ÷òî ïðè ðàâíûõ ìàòåðèàëüíûõ çàòðàòàõ íà èçãîòîâëåíèå ïàðàìåòðè÷åñêèé ýêâàëàéçåð îáåñïå÷èâàåò ëó÷øèå âîçìîæíîñòè ðåãóëèðîâêè, ÷åì ãðàôè÷åñêèå, ýêñïëóàòàöèÿ ïàðàìåòðè÷åñêîãî ýêâàëàéçåðà òðåáóåò âûñîêîé êâàëèôèêàöèè ïîëüçîâàòåëÿ.
Ãðàôè÷åñêèå ýêâàëàéçåðû äåëÿòñÿ íà äâà îñíîâíûõ òèïà ïî ñïîñîáó êîððåêöèè ñèãíàëà:
- óñòðîéñòâà ñ ôèëüòðàìè â öåïè ïðÿìîãî ñèãíàëà;
- óñòðîéñòâà ñ ôèëüòðàìè â öåïè îáðàòíîé ñâÿçè.
 êà÷åñòâå áàçîâîé âûáðàíà ñõåìà ñ ôèëüòðàìè â öåïè îáðàòíîé ñâÿçè, òàê êàê äëÿ óñòðîéñòâà ñ ôèëüòðàìè â öåïè ïðÿìîãî ñèãíàëà ðåðóëèðîâêà â îäíîì êàíàëå âûçûâàåò èçìåíåíèå ïàðàìåòðîâ äëÿ äðóãîãî êàíàëà, ÷òî óõóäøàåò òåõíè÷åñêèå è ýêñïëóàòàöèîííûå õàðàêòåðèñòèêè.
Äëÿ íàèáîëåå ïîëíîé êîððåêöèè ÷àñòîòíûõ èñêàæåíèé, âíîñèìûõ â çâóêîâîé ñèãíàë ÀÑ è àêóñòè÷åñêèìè õàðàêòåðèñòèêàìè ïîìåùåíèé ïðîñëóøèâàíèÿ, íåîáõîäèì, êàê ìèíèìóì, äåñÿòèïîëîñíûé ýêâàëàéçåð [4].
Äëÿ óñòðàíåíèÿ âçàèìíîãî âëèÿíèÿ ðàçðàáàòûâàåìîãî óñòðîéñòâà è ïðåäûäóùèõ êîìïîíåíòîâ áûòîâîãî àóäèîêîìïëåêñà öåëåñîîáðàçíî íà âõîäå óñòàíîâèòü áóôôåðíûé êàñêàä, êîòîðûé ìîæíî ñîâìåñòèòü ñ ôèëüòðîì âåðõíèõ ÷àñòîò ñ ÷àñòîòîé ñðåçà 20 Ãö (ðîêîò-ôèëüð, êîòîðûé îñîáåííî àêòóàëåí ïðè ïðîñëóøèâàíèè ãðàìçàïèñåé).
Òàêèì îáðàçîì, âûáðàíà ñòðóêòóðíàÿ ñõåìà: äåñÿòèïîëîñíàÿ ñ ôèëüòðàìè â öåïè îáðàòíîé ñâÿçè è áóôôåðíûì êàñêàäîì íà âõîäå.


3.
Äîêóìåíòû òåõíè÷åñêîãî ïðîåêòà
3.1. Îáîñíîâàíèå ñõåìîòåõíè÷åñêèõ ðåøåíèé.
Ïîñòðîèòü äåñÿòèïîëîñíûé ýêâàëàéçåð íà áàçå îáû÷íûõ íèçêîäîáðîòíûõ ïîëîñîâûõ ôèëüòðîâ ñëîæíî. Èç-çà ðàçáðîñà íîìèíàëîâ ðåçèñòîðîâ è êîíäåíñàòîðîâ ïîëó÷èòü òî÷íîå ñîîòâåòñâèå ðåàëüíûõ è ðàñ÷åòíûõ ïàðàìåòðîâ è À×Õ òàêèõ ôèëüòðîâ î÷åíü òðóäíî. Ïðè ýòîì, ÷òîáû íàñòðîèòü äåñÿòèïîëîñíûé ýêâàëàéçåð ñ òî÷íîñòüþ ±10% ïî âñåì êàíàëàì, íåîáõîäèì íå òîëüêî ïðåäâàðèòåëüíûé ïîäáîð íîìèíàëîâ ýëåìåíòîâ äî ñáîðêè, íî è äîïîëíèòåëüíàÿ èõ êîððåêöèÿ óæå â ãîòîâîì ôèëüòðå. Íà ïðàêòèêå êàæäûé ôèëüòð ïðèõîäèòñÿ íàñòðàèâàòü â ìàêåòíîì âàðèàíòå è òîëüêî ïîñëå ýòîãî óñòàíàâëèâàòü íà þáùóþ ìîíòàæíóþ ïëàòó. Òàêàÿ íàñòðîéêà îòíèìàåò ìíîãî âðåìåíè, òðåáóåò âûñîêîé êâàëèôèêàöèè, ñïåöèàëüíûõ ïðèáîðîâ è áîëüøîãî ÷èñëà èñïîëüçóåìûõ äëÿ ïîäáîðà ýëåìåíòîâ, ÷òî â èòîãå ïðèâîäèò ê óäîðîæàíèþ óñòðîéñòâà â ïðîöåññå ïðîèçâîäñòâà.
Òàêèì îáðàçîì, ïðèìåíåíèå îáû÷íûõ íèçêîäîáðîòíûõ ôèëüòðîâ íåöåëåñîîáðàçíî.
Ðàññìàòðèâàåìîå ñõåìîòåõíè÷åñêîå ïîñòðîåíèå ôèëüòðà ïîçâîëÿåò ïîëó÷èòü îïòèìàëüíûå ïàðàìåòðû (íåîáõîäèìîå ïðîèçâåäåíèå óñèëåíèÿ íà ÷óâñòâèòåëüíîñòü, ìèíèìàëüíûé øóì è ìàêñèìàëüíûé äèíàìè÷åñêèé äèàïàçîí [3]).
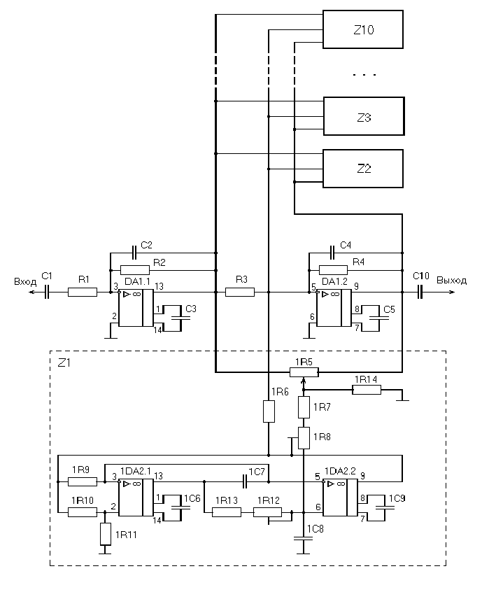
 êà÷åñòâå àêòèâíûõ ýëåìåíòîâ ñõåìû ïðèìåíÿþòñÿ ìèêðîñõåìû Ê157ÓÄ2, êîòîðûå ñîäåðæàò ïî äâà ÎÓ, ÷òî óìåíüøàåò ãàáàðèòíûå ðàçìåðû èçäåëèÿ.
Íà ñõåìå ïîêàçàí òîëüêî îäèí ÷àñòîòíûé êàíàë, îñòàëüíûå åìó èäåíòè÷íû.
3.2.
Ðàñ÷åòû, ïîäòâåðæäàþùèå ðàáîòîñïîñîáíîñòü
èçäåëèÿ.
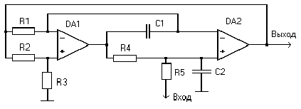
Ïðèâåäåì ïðèíöèïèàëüíóþ ñõåìó ôèëüòðà, êîòîðûé èñïîëüçóåòñÿ â öåïè îáðàòíîé ñâÿçè ýêâàëàéçåðà:

Ðèñ. 3.1 Âûñîêîäîáðîòíûé ôèëüòð. Ñõåìà ýëåêòðè÷åñêàÿ ïðèíöèïèàëüíàÿ.
Îñíîâíûå ðàñ÷åòíûå ïàðàìåòðû ôèëüòðîâ ðàçðàáàòûâàåìîãî óñòðîéñòâà [3]:

Ðàññìàòðèâàåìîå ñõåìîòåõíè÷åñêîå ïîñòðîåíèå ôèëüòðà ïîçâîëÿåò ïîëó÷èòü îïòèìàëüíûå ïàðàìåòðû (íåîáõîäèìîå ïðîèçâåäåíèå óñèëåíèÿ íà ÷óâñòâèòåëüíîñòü, ìèíèìàëüíûé øóì è ìàêñèìàëüíûé äèíàìè÷åñêèé äèàïàçîí [3]), â òîì ñëó÷àå, åñëè åìêîñòü Ñ1=Ñ2=Ñ, à ñîïðîòèâëåíèÿ ðåçèñòîðîâ ðàâíû R>0>=1/(2··f>ð>·Ñ). Ðåçèñòîð R5 îáåñïå÷èâàåò òðåáóåìóþ äîáðîòíîñòü. Åãî ñîïðîòèâëåíèå îïðåäåëÿåòñÿ âûðàæåíèåì [3]:
R5=R>0>·Q>ð>.
Òî÷íûé ïîäáîð R>0> íå òðåáóåòñÿ, äîñòàòî÷íî âûáðàòü ðåçèñòîð ñî ñòàíäàðòíûì íîìèíàëîì R>d>, áëèçêèì ê R>0>. Ðàçíîñòü ìåæäó ýòèìè ñîïðîòèâëåíèÿìè ìîæíî ñêîìïåíñèðîâàòü, ïîäîáðàâ íîìèíàë ðåçèñòîðà R4 ðàâíûì (R>0>)2/R>d>.
Èñõîäÿ
èç îïèñàííûõ âûøå çàâèñèìîñòåé ìîæíî
ðàñ÷èòàòü ïàðàìåòðû ôèëüòðîâ ýêâàëàéçåðà.
Âûáåðåì äåñÿòü ðåçîíàíñíûõ ÷àñòîò
ôèëüòðîâ ãðàôè÷åñêîãî ýêâàëàéçåðà,
ïðè÷åì êàæäàÿ ïîñëåäóþùàÿ ÷àñòîòà âäâîå
áîëüøå ïðåäûäóùåé: 30, 60, 120, 240, 480, 960, 1920,
3840, 7680 è 15360 Ãö.
Ðàñ÷èòàåì ôèëüòð äëÿ ðåçîíàíñíîé ÷àñòîòû 30 Ãö:
R>0>=1/(2··f>ð>·Ñ).
Âûáåðåì Ñ=1 ìêÔ.
Òîãäà R>0>=1/(2··30·1·10-6); R>0>=5305.32.
Âûáèðàåì çíà÷åíèå ñîïðîòèâëåíèé ðåçèñòîðîâ, ðàâíîå 5.1 êÎì.
Àíàëîãè÷íî ðàñ÷èòûâàåì îñòàëüíûå ôèëüòðû. Ðåçóëüòàòû ðàñ÷åòîâ ïðèâåäåíû â òàáëèöå 3.1.
Òàáëèöà 3.1
|
Íîìèíàëû ýëåìåíòîâ |
×àñòîòà íàñòðîéêè ôèëüòðà, Ãö |
|||||||||
|
ôèëüòðà |
30 |
60 |
120 |
240 |
480 |
950 |
1920 |
3840 |
7680 |
15360 |
|
C, ìêÔ |
1 |
0.5 |
0.22 |
0.1 |
0.068 |
0.033 |
0.015 |
0.0068 |
0.0033 |
0.0015 |
|
R, Îì |
5.1 |
5.6 |
6.2 |
6.8 |
4.7 |
5.1 |
5.6 |
6.2 |
6.2 |
6.8 |
Àíàëèç ïðèâåäåííûõ âûðàæåíèé f>ð>, Q>ð> è Ê>ð> ïîêàçûâàåò, ÷òî ðåçîíàíñíóþ ÷àñòîòó è äîáðîòíîñòü ìîæíî ðåãóëèðîâàòü ñîîòâåòñòâåííî ðåçèñòîðàìè R4 è R5, èñêëþ÷èâ ïîäáîð íîìèíàëîâ äðóãèõ ïàññèâíûõ ýëåìåíòîâ. Ïðåäåëû ðåãóëèðîâêè ïåðâîãî ïàðàìåòðà ±400% (äàëüíåéøåå èõ ðàñøèðåíèå ìîæåò ïîâëå÷ü çà ñîáîé ñàìîâîçáóæäåíèå ôèëüòðà íà ðåçîíàíñíîé ÷àñòîòå), âòîðîãî - 0...20 (âåðõíåå çíà÷åíèå îãðàíè÷åíî âõîäíûì ñîïðîòèâëåíèåì ÎÓ).
Çàâèñèìîñòü
÷àñòîòû îò èçìåíåíèÿ ñîïðîòèâëåíèÿ
ðåçèñòîðà R4 ïðåäñòàâëåíà íà ðèñ. 3.2.
Ðèñ.
3.2 Ðåãóëèðîâêà ÷àñòîòû ôèëüòðà ðåçèñòîðîì
R4.
Çàâèñèìîñòü äîáðîòíîñòè îò èçìåíåíèÿ ñîïðîòèâëåíèÿ ðåçèñòîðà R5 ïðèâåäåíÿ íà ðèñ. 3.3.
Ðèñ
3.3 Ðåãóëèðîâêà äîáðîòíîñòè ôèëüòðà
ðåçèñòîðîì R5.
Ðåãóëèðîâî÷íûå
õàðàêòåðèñòèêè ýêâàëàéçåðà, ïðèâåäåííû
íà ðèñ.
3.4.
Ðèñ
3.4 Ðåãóëèðîâî÷íûå õàðàêòåðèñòèêè
ýêâàëàéçåðà.
Àìïëèòóäíî-÷àñòîòíàÿ õàðàêòåðèñòèêà áóôôåðíîãî êàñêàäà ïðåäñòàâëåíà íà ðèñ. 3.5.
Ðèñ
3.5 Àìïëèòóäíî-÷àñòîòíàÿ õàðàêòåðèñòèêà
áóôôåðíîãî êàñêàäà.
Äàííûå ðàñ÷åòû áûëè ïðîèçâåäåíû äëÿ ôèëüòðà ñ ðåçîíàíñíîé ÷àñòîòîé 960 Ãö ñ ïîìîùüþ ÑÀÏÐ MICRO-CAP III ôèðìû Spectrum Software.
3.3.
Ïîðÿäîê íàñòðîéêè èçäåëèÿ.
Ïåðåä íàëàæèâàíèåì ýêâàëàéçåðà îòêëþ÷àþò åãî ôèëüòðû îò ÎÓ DA1, çàòåì ïîäàþò íà íèõ íàïðÿæåíèå ïèòàíèÿ è ïðîâåðÿþò ïîñòîÿííîå íàïðÿæåíèå íà èõ âûâîäàõ. Åñëè â êàêîì ëèáî ôèëüòðå îíî ïðåâûñèò ±20 ìÂ, çàìåíÿþò ñîîòâåòñòâóþùèé ÎÓ.
Òàê ïîñòóïàþò è â ñëó÷àå ñàìîâîçáóæäåíèÿ ôèëüòðà, ðàçóìååòñÿ, ïðîâåðèâ ïðåäâàðèòåëüíî ïðàâèëüíîñòü ìîíòàæà. Ïîñëå ýòîãî íà âõîä êàæäîãî èç ôèëüòðîâ ïîî÷åðåäíî ïîäàþò ñèíóñîèäàëüíûé ñèãíàë ñ ÷àñòîòîé, ðàâíîé ðåçîíàíñíîé ÷àñòîòå ôèëüòðà, è, ïîäêëþ÷èâ ê åãî âûõîäó ìèëèâîëüòìåòð ïåðåìåííîãî òîêà èëè îñöèëëîãðàô, ðåçèñòîðîì R12 íàñòðàèâàþò ôèëüòð ïî ìàêñèìóìó íàïðÿæåíèÿ íà åãî âûõîäå. Äëÿ óñòàíîâêè òðåáóåìîé îïòèìàëüíîé äîáðîòíîñòè ôèëüòðîâ Q>ð>=1,4, êîòîðàÿ âûáðàíà èç óñëîâèÿ ìèíèìóìà øóìîâ, íà èõ âõîäû òàêæå ïîäàþò ñèíóñîèäàëüíûé ñèãíàë ñ ÷àñòîòîé, ðàâíîé ðåçîíàíñíîé. Èçìåðèâ íàïðÿæåíèå íà âûõîäå ôèëüòðà, óâåëè÷èâàþò èëè óìåíüøàþò ÷àñòîòó âäâîå è ðåçèñòîðîì R8 óñòàíàâëèâàþò íà âûõîäå ôèëüòðà â÷åòâåðî ìåíüøåå íàïðÿæåíèå.
Ïîñëå íàñòðîéêè ôèëüòðà ïåðåìåííûå ðåçèñòîðû R8 è R12 ìîæíî çàìåíèòü ïîñòîÿííûìè, ïîäîáðàâ èõ ñîïðîòèâëåíèå ñ òî÷íîñòüþ ±3%. Ïðîâåäÿ ýòó îïåðàöèþ äëÿ âñåõ ôèëüòðîâ, ñîåäèíÿþò èõ ñ ÎÓ DA1 è ðåçèñòîðàìè R5.


4.
Ñïèñîê ëèòåðàòóðû
1. Ãàë÷åíêîâ Ë., Âëàäèìèðîâ Ô. Ïÿòèïîëîñíûé àêòèâíûé.-Ðàäèî, 1982, ¹ 7, ñ. 39-42.
2. Çûêîâ Í. Ìíîãîïîëîñíûå ðåãóëÿòîðû òåìáðà.-Ðàäèî, 1978, ¹ 5, ñ. 40-41.
3. Ìîøèöå Ã., Õîðí Ï. Ïðîåêòèðîâàíèå àêòèâíûõ ôèëüòðîâ.-Ì.: Ìèð, 1984.
4. Ñóõîâ Í.Å., Áàòü Â.È. Òåõíèêà âûñîêîêà÷åñòâåííîãî çâóêîâîñïðîèçâåäåíèÿ.-Êèåâ: Òåõíèêà, 1985.
5. ÃÎÑÒ 24388-88. Óñèëèòåëè ñèãíàëîâ çâóêîâîé ÷àñòîòû. Îáùèå òåõíè÷åñêèå óñëîâèÿ.
6. ÃÎÑÒ 24838-87. Àïïàðàòóðà ðàäèîýëåêòðîííàÿ áûòîâàÿ. Âõîäíûå è âûõîäíûå ïàðàìåòðû.
7. ÃÎÑÒ 24863-87. Ìàãíèòîôîíû áûòîâûå. Îáùèå òðåáîâàíèÿ.
|
|
|||
|
Íàèìåíîâàíèå |
Êîë. |
Ïðèìå÷àíèå |
|
|
|
|||
|
Íàèìåíîâàíèå |
Êîë. |
Ïðèìå÷àíèå |
|
Ïîç.
îáîçíà÷åíèå
Ïîç.
îáîçíà÷åíèå