Расчет корректирующих цепей широкополосных усилительных каскадов на полевых транзисторах
РАСЧЕТ КОРРЕКТИРУЮЩИХ ЦЕПЕЙ ШИРОКОПОЛОСНЫХ УСИЛИТЕЛЬНЫХ КАСКАДОВ НА ПОЛЕВЫХ ТРАНЗИСТОРАХ
Цель работы – получение законченных аналитических выражений для расчета коэффициента усиления, полосы пропускания и значений элементов корректирующих цепей наиболее известных и эффективных схемных решений построения усилительных каскадов на полевых транзисторах (ПТ). Основные результаты работы – вывод и представление в удобном для проектирования виде расчетных соотношений для усилительных каскадов с простой индуктивной и истоковой коррекциями, с четырехполюсными диссипативными межкаскадными корректирующими цепями второго и четвертого порядков, для входной и выходной корректирующих цепей. Для усилительного каскада с межкаскадной корректирующей цепью четвертого порядка приведена методика расчета, позволяющая реализовать заданный наклон его амплитудно-частотной характеристики с заданной точностью. Для всех схемных решений построения усилительных каскадов на ПТ приведены примеры расчета.
1 ВВЕДЕНИЕ
Расчет элементов высокочастотной коррекции является неотъемлемой частью процесса проектирования усилительных устройств. В известной литературе материал, посвященный этой проблеме, не всегда представлен в удобном для проектирования виде. В этой связи в статье собраны наиболее известные и эффективные схемные решения построения широкополосных усилительных устройств на ПТ, а соотношения для расчета коэффициента усиления, полосы пропускания и значений элементов корректирующих цепей даны без выводов. Ссылки на литературу позволяют найти, при необходимости, доказательства справедливости приведенных соотношений.
Особо следует отметить, что в справочной литературе по отечественным ПТ [1, 2] не приводятся значения элементов эквивалентной схемы замещения ПТ. Поэтому при расчетах следует пользоваться параметрами зарубежных аналогов [2, 3] либо осуществлять проектирование на зарубежной элементной базе [3].
2 ИСХОДНЫЕ ДАННЫЕ ДЛЯ РАСЧЕТОВ
В соответствии с [4, 5, 6], предлагаемые ниже соотношения для расчета усилительных каскадов на ПТ основаны на использовании эквивалентной схемы замещения транзистора, приведенной на рисунке 2.1,а, и полученной на её основе однонаправленной модели, приведенной на рисунке 2.1,б.
|
|
|
|
а) |
б) |
Рисунок 2.1
Здесь С>ЗИ> – емкость затвор-исход, С>ЗС> – емкость затвор-сток, С>СИ> – емкость сток-исток, R>ВЫХ> – сопротивление сток-исток, S – крутизна ПТ, С>ВХ >=.C>ЗИ >+С>ЗС>(1+SR>Э>), R>Э>=R>ВЫХ>R>Н>/(R>ВЫХ>+R>Н>), R>Н> – сопротивление нагрузки каскада на ПТ, C>ВЫХ>=С>СИ>+С>ЗС>.
3 РАСЧЕТ НЕКОРРЕКТИРОВАННОГО КАСКАДА С ОБЩИМ ИСТОКОМ
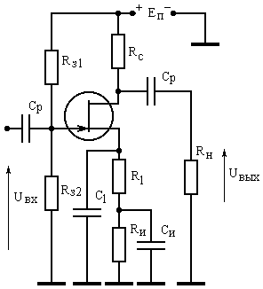
3.1 ОКОНЕЧНЫЙ КАСКАД
Принципиальная схема некорректированного усилительного каскада приведена на рисунке 3.1,а, эквивалентная схема по переменному току - на рисунке 3.1,б.
|
|
|
|
а) |
б) |
Рисунок 3.1
В соответствии с [6], коэффициент усиления каскада в области верхних частот можно описать выражением:
> >, (3.1)
где > >; (3.2)
> >; (3.3)
> >; (3.4)
> >; (3.5)
> >; > > - текущая круговая частота.
При заданном уровне частотных искажений
(3.6)
верхняя частота f>В> полосы пропускания каскада равна:
, (3.7)
где
.
Входное сопротивление каскада на ПТ, без учета цепей смещения, определяется входной емкостью:
> >. (3.8)
Пример 3.1. Рассчитать f>B>, R>C>, C>ВХ> каскада, приведенного на рисунке 3.1, при использовании транзистора КП907Б (С>ЗИ>=20 пФ; С>ЗС>=5 пФ; С>СИ>=12 пФ; R>ВЫХ>=150 Ом; S=200 мА/В [7]) и условий: R>Н>=50 Ом; Y>B>=0,9; K>0>=4.
Решение.
По известным K>0>
и S
из (3.2) найдем: R>Э>=20
Ом. Зная R>ВЫХ>,
R>Н>
и R>Э>,
из (3.3) определим: R>С>
= 43 Ом. По (3.4) и (3.5) рассчитаем: С>0>=17
пФ; > >=
.
Подставляя известные > >
и Y>В>
в (3.7), получим: f>B>=227
МГц. По формуле (3.8) найдем: С>ВХ>=45
пФ.
3.2 ПРОМЕЖУТОЧНЫЙ КАСКАД
Принципиальная схема каскада приведена на рисунке 3.2,а, эквивалентная схема по переменному току - на рисунке 3.2,б.
|
|
|
|
а) |
б) |
Рисунок 3.2
Коэффициент усиления каскада в области верхних частот описывается выражением (3.1), в котором значения R>Э> и С>0> рассчитываются по формулам:
> >; (3.9)
> >, (3.10)
где С>ВХ> – входная емкость нагружающего каскада.
Значения f>B> и С>ВХ> каскада рассчитываются по соотношениям (3.7) и (3.8).
Пример 3.2. Рассчитать f>B>, R>C>, C>ВХ> каскада, приведенного на рисунке 3.2, при использовании транзистора КП907Б (данные транзистора в примере 3.1) и условий: Y>B>=0.9; K>0>=4; входная емкость нагружающего каскада - из примера 3.1.
Решение.
По известным K>0>
и S
из (3.2) найдем: R>Э>=20
Ом. Зная R>Э
>и R>ВЫХ>,
из (3.9) определим: R>C>=23
Ом. По (3.10) и (3.4) рассчитаем С>0>=62
пФ; > >=
.
Подставляя известные > >
и Y>B>
в (3.7), получим: f>B>=62
МГц. По формуле (3.8) найдем: С>ВХ>=45
пФ.
3.3 РАСЧЕТ ИСКАЖЕНИЙ, ВНОСИМЫХ ВХОДНОЙ ЦЕПЬЮ
Принципиальная схема входной цепи каскада приведена на рисунке 3.3,а, эквивалентная схема по переменному току - на рисунке 3.3,б.
|
|
|
|
а) |
б) |
Рисунок 3.3
Коэффициент передачи входной цепи в области верхних частот описывается выражением [6]:
> >,
где > >; (3.11)
> >; (3.12)
> >;
С>ВХ> – входная емкость каскада на ПТ.
Значение f>B> входной цепи рассчитывается по формуле (3.7).
Пример 3.3. Рассчитать K>0> и f>B> входной цепи, приведенной на рисунке 3.3, при условиях : R>Г>=50 Ом; R>З>=1 МОм; Y>B>=0,9; C>ВХ> – из примера 3.1.
Решение.
По (3.11) найдем: K>0>=1,
по (3.12) определим: > >=
.
Подставляя > >
и Y>B>
в (3.7), получим: f>B>=34,3
МГц.
4 РАСЧЕТ КАСКАДА С ВЫСОКОЧАСТОТНОЙ ИНДУКТИВНОЙ КОРРЕКЦИЕЙ
Принципиальная схема каскада с высокочастотной индуктивной коррекцией приведена на рисунке 4.1,а, эквивалентная схема по переменному току - на рисунке 4.1,б.
|
|
|
|
а) |
б) |
Рисунок 4.1
Коэффициент усиления каскада в области верхних частот можно описать выражением [6]:
> >,
где K>0>=SR>Э>; (4.1)
> >;
> >;
> >;
> >;
> >;
> >.
Значение > >, соответствующее оптимальной по Брауде амплитудно-частотной характеристике (АЧХ) [6], рассчитывается по формуле:
> >. (4.2)
При заданном значении Y>B> верхняя частота полосы пропускания каскада равна:
> >. (4.3)
Входная емкость каскада определяется соотношением (3.8).
При работе каскада в качестве предоконечного все перечисленные выше соотношения справедливы. Однако R>Э>, R>0> и С>0> принимаются равными:
> >, (4.4)
где С>ВХ> – входная емкость оконечного каскада.
Пример 4.1. Рассчитать f>B>, L>C>, R>C>, C>ВХ> каскада, приведенного на рисунке 4.1, при использовании транзистора КП907Б (данные транзистора - в примере 3.1) и условий: Y>B>=0,9; K>0>=4; каскад работает в качестве предоконечного; входная емкость нагружающего каскада - из примера 3.1.
Решение.
По известным K>0>
и S
из (4.1) найдем: R>Э>=20
Ом. Далее по (4.4) получим: R>C>=23
Ом; R>0>=
150 Ом; C>0>=62
пФ; > >=
.
Подставляя C>0>,
R>C>,
R>0>
в (4.2), определим: L>C>>опт>=16,3
нГн. Теперь по формуле (4.3) рассчитаем:
f>B>=126
МГц. Из (3.8) найдем: C>ВХ>=45
пФ.
5 РАСЧЕТ КАСКАДА С ИСТОКОВОЙ КОРРЕКЦИЕЙ
Принципиальная схема каскада с истоковой коррекцией приведена на рисунке 5.1,а, эквивалентная схема по переменному току - на рисунке 5.1,б.
|
|
|
|
а) |
б) |
Рисунок 5.1
Коэффициент усиления каскада в области верхних частот можно описать выражением [6]:
> >,
где K>0>=SR>Э>/F; (5.1)
> >; (5.2)
> >;
> >;
> >;
> >.
Значение С>1опт>, соответствующее оптимальной по Брауде АЧХ, рассчитывается по формуле:
> >. (5.3)
При заданном значении Y>B> верхняя частота полосы пропускания каскада равна:
> >. (5.4)
Входная емкость каскада определяется соотношением:
> >. (5.5)
При работе каскада в качестве предоконечного все перечисленные выше соотношения справедливы. Однако R>Э> и С>0> принимаются равными:
> >, (5.6)
где С>ВХ> – входная емкость оконечного каскада.
Пример 5.1. Рассчитать f>B>, R>1>, С>1>, С>ВХ> каскада, приведенного на рисунке 5.1, при использовании транзистора КП907Б (данные транзистора - в примере 3.1) и условий: Y>B>=0,9; K>0>=4; каскад работает в качестве предоконечного; входная емкость нагрузочного каскада - из примера 3.1.
Решение.
По известным K>0>,
S,
R>Э>
из (5.1), (5.2) найдем: F=7,5
; R>1>=32,5
Ом. Далее получим: С>0>=62
пФ; > >=
.
Из (5.3) определим С>1опт>=288
пФ. Теперь по формуле (5.4) рассчитаем:
f>B>=64,3
МГц. Из (5.5) найдем: С>ВХ>=23,3
пФ.
6 РАСЧЕТ ВХОДНОЙ КОРРЕКТИРУЮЩЕЙ ЦЕПИ
Из приведенных выше примеров расчета видно, что наибольшие искажения АЧХ обусловлены входной цепью. Для расширения полосы пропускания входных цепей усилителей на ПТ в [8] предложено использовать схему, приведенную на рисунке 6.1.
|
|
|
|
а) |
б) |
Рисунок 6.1
Коэффициент передачи входной цепи в области верхних частот можно описать выражением:
> >,
где > >; (6.1)
> >;
> >;
> >;
> >;
С>ВХ> – входная емкость каскада на ПТ.
Значение L>3опт>, соответствующее оптимальной по Брауде АЧХ, рассчитывается по формуле:
> >. (6.2)
При заданном значении Y>B> и расчете L>Зопт> по (6.2) верхняя частота полосы пропускания входной цепи равна:
. (6.3)
Пример 6.1. Рассчитать f>B>, R>З>, L>З> входной цепи, приведенной на рисунке 6.1, при условиях: Y>B>=0,9; R>Г>=50 Ом; С>ВХ> – из примера 3.1; допустимое уменьшение К>0> за счет введения корректирующей цепи – 2 раза.
Решение.
Из условия допустимого уменьшения К>0>
и соотношения (6.1) найдем: R>З>=50
Ом. Подставляя известные С>ВХ>,
R>Г>
и R>З>
в (6.2), получим: L>Зопт>=37,5
нГн. Далее определим: > >=
;
> >=
.
Подставляя найденные величины в (6.3),
рассчитаем: f>B>=130
МГц.
7 РАСЧЕТ ВЫХОДНОЙ КОРРЕКТИРУЮЩЕЙ ЦЕПИ
В рассматриваемых выше усилительных каскадах расширение полосы пропускания связано с потерей части выходной мощности в резисторах корректирующих цепей (КЦ) либо цепей обратной связи. От выходных каскадов усилителей требуется, как правило, получение максимально возможной выходной мощности в заданной полосе частот. Из теории усилителей известно [9], что для выполнения указанного требования необходимо реализовать ощущаемое сопротивление нагрузки для внутреннего генератора транзистора равным постоянной величине во всем рабочем диапазоне частот. Этого можно достигнуть, включив выходную емкость транзистора в фильтр нижних частот, используемый в качестве выходной КЦ. Схема включения выходной КЦ приведена на рисунке 7.1.
|
|
|
|
а) |
б) |
Рисунок 7.1
При работе выходного каскада без выходной КЦ модуль коэффициента отражения > > ощущаемого сопротивления нагрузки внутреннего генератора транзистора равен [9]:
> >. (7.1)
Уменьшение выходной мощности относительно максимального значения, обусловленное наличием C>ВЫХ>, составляет величину:
> >, (7.2)
где > >– максимальное значение выходной мощности на частоте > > при условии равенства нулю С>ВЫХ>; > > – максимальное значение выходной мощности на частоте > > при наличии С>ВЫХ>.
Использование фильтра нижних частот в качестве выходной КЦ при одновременном расчете элементов L>1>, C>1> по методике Фано [9] позволяет обеспечить минимально возможное, соответствующее заданным C>ВЫХ> и f>B>, значение максимальной величины модуля коэффициента отражения > > в полосе частот от нуля до f>B>.
В таблице 7.1 приведены нормированные значения элементов L>1>, C>1>, C>ВЫХ>, рассчитанные по методике Фано, а также коэффициент > >, определяющий величину ощущаемого сопротивления нагрузки R>ОЩ>, относительно которого вычисляется > > [9].
Таблица 7.1
|
|
|
|
> > |
> > |
|
0,1 |
0,18 |
0,099 |
0,000 |
1,000 |
|
0,2 |
0,382 |
0,195 |
0,002 |
1,001 |
|
0,3 |
0,547 |
0,285 |
0,006 |
1,002 |
|
0,4 |
0,682 |
0,367 |
0,013 |
1,010 |
|
0,5 |
0,788 |
0,443 |
0,024 |
1,020 |
|
0,6 |
0,865 |
0,513 |
0,037 |
1,036 |
|
0,7 |
0,917 |
0,579 |
0,053 |
1,059 |
|
0,8 |
0,949 |
0,642 |
0,071 |
1,086 |
|
0,9 |
0,963 |
0,704 |
0,091 |
1,117 |
|
1,0 |
0,966 |
0,753 |
0,111 |
1,153 |
|
1,1 |
0,958 |
0,823 |
0,131 |
1,193 |
|
1,2 |
0,944 |
0,881 |
0,153 |
1,238 |
|
1,3 |
0,927 |
0,940 |
0,174 |
1,284 |
|
1,4 |
0,904 |
0,998 |
0,195 |
1,332 |
|
1,5 |
0,882 |
1,056 |
0,215 |
1,383 |
|
1,6 |
0,858 |
1,115 |
0,235 |
1,437 |
|
1,7 |
0,833 |
1,173 |
0,255 |
1,490 |
|
1,8 |
0,808 |
1,233 |
0,273 |
1,548 |
|
1,9 |
0,783 |
1,292 |
0,292 |
1,605 |
|
2,0 |
0,760 |
1,352 |
0,309 |
1,664 |
Истинные значения элементов рассчитываются по формулам:
(7.3)
Расчет частотных искажений, вносимых выходной цепью оконечного каскада, приведен в разделе 3.1. При использовании выходной КЦ частотные искажения, вносимые выходной цепью, определяются соотношением:
> >. (7.4)
Коэффициент усиления каскада с выходной КЦ определяется выражением (3.2).
Пример 7.1. Рассчитать выходную КЦ для усилительного каскада на транзисторе КП907Б (данные транзистора - в примере 3.1) при R>Н>=50 Ом, f>B>=200 МГц. Определить R>ОЩ>, уменьшение выходной мощности на частоте f>B> и уровень частотных искажений, вносимых выходной цепью при использовании КЦ и без нее.
Решение.
Найдем нормированное значение С>ВЫХ>:
> >= =>
>= 1,07. Ближайшее значение
коэффициента
в таблице 7.1 равно 1,056. Этому значению
соответствуют:
=1,5;
=0,882;
> >=0,215; >
>=1,382. После денормирования
по формулам (7.3) имеем: >
>=35,1 нГн; > >=24
пФ; R>ОЩ>=36,2
Ом. Используя соотношения (7.1), (7.2), найдем,
что при отсутствии выходной КЦ уменьшение
выходной мощности на частоте f>B>,
обусловленное наличием С>ВЫХ>,
составляет 2,14 раза, а при ее использовании
- 1,097 раза. При отсутствии выходной КЦ
уровень частотных искажений, вносимых
выходной цепью, определяется соотношением
(3.7). Для условий примера 7.1 >
>=
.
Подставляя в (3.7) известные >
> и f>B>,
получим: Y>B>=>
>=0,795. При наличии
выходной КЦ из (7.4) найдем: Y>B>>
>= 0,977.
8 РАСЧЕТ ДИССИПАТИВНОЙ МЕЖКАСКАДНОЙ КОРРЕКТИРУЮЩЕЙ ЦЕПИ ВТОРОГО ПОРЯДКА
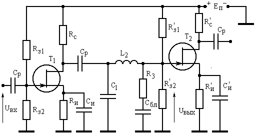
Принципиальная схема усилителя с межкаскадной КЦ второго порядка приведена на рисунке 8.1,а, эквивалентная схема по переменному току - на рисунке 8.1,б. [10].
|
|
|
а) |
|
|
|
б) |
Рисунок 8.1
Коэффициент усиления каскада на транзисторе T>1> в области верхних частот можно описать выражением [11, 12]:
> >, (8.1)
где K>0>=SR>Э>; (8.2)
> >;
> >;
> >;
> >;
> >
– сопротивление сток-исток транзистора
T>1>;
> >; >
>; > >;
> >; >
> – нормированные
относительно > >
и > > значения
элементов > >,
> >, >
>, > >,
> >; >
>=> >;
;
– нормированная частота; >
> – текущая круговая
частота; > >
– высшая круговая частота полосы
пропускания разрабатываемого усилителя;
> > – входная
емкость транзистора Т>2>;
> > – выходная
емкость транзистора T>1>.
В таблице 8.1 приведены
нормированные значения элементов
,
> >, >
>, вычисленные для ряда
нормированных значений >
>, при двух значениях
допустимой неравномерности АЧХ >
>.
Таблица 8.1 получена с помощью методики проектирования согласующе-выравнивающих цепей транзисторных усилителей, предполагающей составление и решение системы компонентных уравнений [13], и методики синтеза прототипа передаточной характеристики, обеспечивающего максимальный коэффициент усиления каскада при заданной допустимой неравномерности АЧХ в заданной полосе частот [14].
Таблица 8.1
|
> > |
|
|
||||
|
|
> > |
> > |
|
> > |
> > |
|
|
0,01 |
1,597 |
88,206 |
160,3 |
2,02 |
101 |
202,3 |
|
0,05 |
1,597 |
18,08 |
32,061 |
2,02 |
20,64 |
40,47 |
|
0,1 |
1,597 |
9,315 |
16,03 |
2,02 |
10,57 |
20,23 |
|
0,15 |
1,597 |
6,393 |
10,69 |
2,02 |
7,21 |
13,5 |
|
0,2 |
1,596 |
4,932 |
8,019 |
2,02 |
5,5 |
10,1 |
|
0,3 |
1,596 |
3,471 |
5,347 |
2,02 |
3,856 |
6,746 |
|
0,4 |
1,595 |
2,741 |
4,012 |
2,02 |
3,017 |
5,06 |
|
0,6 |
1,594 |
2,011 |
2,677 |
2,02 |
2,177 |
3,373 |
|
0,8 |
1,521 |
1,647 |
2,011 |
2,02 |
1,758 |
2,53 |
|
1 |
1,588 |
1,429 |
1,613 |
2,02 |
1,506 |
2,025 |
|
1,2 |
1,58 |
1,285 |
1,351 |
2,02 |
1,338 |
1,688 |
|
1,5 |
1,467 |
1,178 |
1,173 |
2,02 |
1,17 |
1,352 |
|
1,7 |
1,738 |
1,017 |
0,871 |
2,015 |
1,092 |
1,194 |
|
2 |
1,627 |
0,977 |
0,787 |
2,00 |
1,007 |
1,023 |
|
2,5 |
1,613 |
0,894 |
0,635 |
2,03 |
0,899 |
0,807 |
|
3 |
1,61 |
0,837 |
0,53 |
2,026 |
0,833 |
0,673 |
|
3,5 |
1,608 |
0,796 |
0,455 |
2,025 |
0,785 |
0,577 |
|
4,5 |
1,606 |
0,741 |
0,354 |
2,025 |
0,721 |
0,449 |
|
6 |
1,605 |
0,692 |
0,266 |
2,024 |
0,666 |
0,337 |
|
8 |
1,604 |
0,656 |
0,199 |
2,024 |
0,624 |
0,253 |
|
10 |
1,604 |
0,634 |
0,160 |
2,024 |
0,598 |
0,202 |
При известных значениях
> >, >
>, > >,
> >, >
> расчет межкаскадной КЦ
состоит из следующих этапов. Вычисление
> >. Нормирование
значения > >
по формуле: > >.
Нахождение по таблице 8.1 ближайшего к
вычисленному табличного значения >
>. Определение по таблице
8.1 соответствующих значений
,
> >, >
> и их денормирование по
формулам:
;
> >; >
>. Вычисление значения >
>:
.
При использовании рассматриваемой КЦ в качестве входной > > принимается равной нулю, > > принимается равным > >, а коэффициент передачи входной цепи на средних частотах рассчитывается по формуле (3.11).
В случае необходимости
построения нормированной частотной
характеристики проектируемого
усилительного каскада значения >
>, > >,
> >,
следует подставить в (8.1) и найти модуль
> >. Реальная
частотная характеристика может быть
найдена после денормирования коэффициентов
> >, >
>, > >
по формулам: > >;
> >; >
>.
Пример 8.1.
Рассчитать межкаскадную КЦ усилительного
каскада, приведенного на рисунке 8.1, его
> > и >
> при использовании
транзисторов КП907Б (данные транзистора
- в примере 3.1) и условий: f>B>=100
МГц; входная емкость нагружающего
каскада - из примера 3.1; допустимая
неравномерность АЧХ -
дБ,
> >=1 кОм.
Решение.
По известным > >,
> > и >
> найдем: > >=
=
=3,67.
Из таблицы 8.1 для неравномерности АЧХ
дБ
и для ближайшего табличного значения
нормированной величины >
>, равного 3,5, имеем:
=2,025,
> >=0,785, >
>=0,577. Денормируя
,
> > и >
>, получим:
=24,8
пФ; L>2>=162
нГн; R>3>=75
Ом. Теперь по (8.2) рассчитаем: K>0>=9,5.
Вычитая из
величину > >,
определим: С>1>=
=7,8 пФ. Из (3.8) найдем: С>ВХ>=72,5
пФ.
10 РАСЧЕТ ДИССИПАТИВНОЙ МЕЖКАСКАДНОЙ КОРРЕКТИРУЮЩЕЙ ЦЕПИ ЧЕТВЕРТОГО ПОРЯДКА
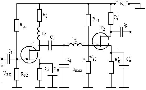
Принципиальная схема усилителя с межкаскадной корректирующей цепью четвертого порядка [15] приведена на рисунке 9.1,а, эквивалентная схема по переменному току - на рисунке 9.1,б.
|
|
|
а) |
|
|
|
б) |
Рисунок 9.1
Несмотря на то, что КЦ содержит пять корректирующих элементов, конструктивно ее выполнение может оказаться проще выполнения КЦ второго порядка.
Коэффициент усиления каскада на транзисторе T>1> в области верхних частот можно описать выражением [14]:
> >, (9.1)
где > >; (9.2)
> >;
> >;
> >;
> >;
;
> >;
R>ВЫХ1> – сопротивление сток-исток транзистора T>1>; С>ВХ2> – входная емкость транзистора T>2>; > >, > >, > >, > >, > > – нормированные относительно > > и > > значения элементов L>1>, R>2>, C>3>, C>4>, L>5>, соответствующие преобразованной схеме КЦ, в которой значение C>ВЫХ1> равно нулю, а значение С>ВХ2> равно бесконечности; С>ВЫХ1> – выходная емкость транзистора T>1>; > >; > > – нормированная частота; > > – текущая круговая частота; > > – высшая круговая частота полосы пропускания разрабатываемого усилителя.
В таблице 9.1 приведены
нормированные значения элементов L>1>,
R>2>,
C>3>,
C>4>,
L>5>,
вычисленные для случая реализации
усилительного каскада с различным
наклоном АЧХ, лежащим в пределах
дБ, при допустимом значении
равном
дБ и
дБ, и при условии равенства нулю значения
С>ВЫХ1> и
бесконечности - значения С>ВХ2>.
Таблица 9.1 получена с помощью методики проектирования согласующе-выравнивающих цепей транзисторных усилителей, предполагающей составление и решение систем компонентных уравнений [13], и методики синтеза прототипа передаточной характеристики, обеспечивающего максимальный коэффициент усиления каскада при заданной допустимой неравномерности АЧХ в заданной полосе частот [14].
Таблица 9.1
|
Наклон АЧХ, дБ |
> >= |
> >= |
||||||||
|
> > |
> > |
> > |
> > |
> > |
> > |
> > |
> > |
> > |
> > |
|
|
-6 |
2,40 |
1,58 |
5,85 |
2,34 |
0,451 |
2,43 |
1,21 |
6,75 |
2,81 |
0,427 |
|
-5 |
2,47 |
1,63 |
5,53 |
2,39 |
0,426 |
2,43 |
1,22 |
6,49 |
2,90 |
0,401 |
|
-4 |
2,49 |
1,65 |
5,23 |
2,48 |
0,399 |
2,41 |
1,20 |
6,24 |
3,03 |
0,374 |
|
-3 |
2,48 |
1,64 |
4,97 |
2,60 |
0,374 |
2,36 |
1,18 |
6,02 |
3,20 |
0,348 |
|
-2 |
2,42 |
1,59 |
4,75 |
2,74 |
0,351 |
2,32 |
1,16 |
5,77 |
3,36 |
0,327 |
|
-1 |
2,29 |
1,51 |
4,59 |
2,93 |
0,327 |
2,30 |
1,15 |
5,47 |
3,50 |
0,309 |
|
0 |
2,09 |
1,38 |
4,49 |
3,18 |
0,303 |
2,22 |
1,11 |
5,23 |
3,69 |
0,291 |
|
+1 |
1,84 |
1,21 |
4,49 |
3,52 |
0,277 |
2,08 |
1,04 |
5,08 |
3,93 |
0,273 |
|
+2 |
1,60 |
1,05 |
4,52 |
3,91 |
0,252 |
1,88 |
0,94 |
5,02 |
4,26 |
0,253 |
|
+3 |
1,33 |
0,876 |
4,69 |
4,47 |
0,225 |
1,68 |
0,842 |
4,99 |
4,62 |
0,234 |
|
+4 |
2,69 |
1,35 |
3,34 |
3,29 |
0,281 |
1,51 |
0,757 |
4,97 |
5,02 |
0,217 |
|
+5 |
2,23 |
1,11 |
3,43 |
3,67 |
0,257 |
1,32 |
0,662 |
5,05 |
5,54 |
0,198 |
|
+6 |
1,76 |
0,879 |
3,65 |
4,27 |
0,228 |
1,10 |
0,552 |
5,29 |
6,31 |
0,176 |
Для расчета нормированных значений элементов L>1>, R>2>, C>3>, C>4>, L>5>, обеспечивающих заданную форму АЧХ с учетом реальных нормированных значений С>ВЫХ1> и С>ВХ2>, следует воспользоваться формулами пересчета [14]:
(9.3)
где С>ВЫХ1Н>,
С>ВХ2Н> –
нормированные относительно R>ВЫХ1>
и
значния С>ВЫХ1>
и С>ВХ2>.
При известных значениях
,
R>ВЫХ1>,
С>ВЫХ1>, С>ВХ2>,
расчет межкаскадной КЦ состоит из
следующих этапов. Вычисление нормированных
значений С>ВЫХ1>
и С>ВХ2> по
формуле: С>Н>=>
>. Определение табличных
значений элементов > >,
> >, >
>, > >,
> > по заданному
наклону и требуемой неравномерности
АЧХ. Расчет L>1>,
R>2>,
C>3>,
C>4>,
L>5>
по формулам пересчета (9.3) и их
денормирование.
При использовании рассматриваемой КЦ в качестве входной С>ВЫХ1> принимается равной нулю, R>ВЫХ1> принимается равным R>Г>, а коэффициент передачи входной цепи на средних частотах рассчитывается по формуле:
> >. (9.4)
В случае необходимости
построения нормированной частотной
характеристики проектируемого
усилительного каскада значения
,
,
> >, >
>, > >
следует подставить в (9.1) и найти модуль
K>U>.
Реальная частотная характеристика
может быть рассчитана после денормирования
коэффициентов > >,
> >, >
>, > >,
> > по формулам:
> >; >
>; > >;
> >; >
>.
Пример 9.1.
Рассчитать межкаскадную КЦ усилителя,
приведенного на рисунке 9.1, его K>0>
и С>ВХ> при
использовании транзистора КП907Б (данные
транзистора - в примере 3.1) и условий:
f>B>=100
МГц; входная емкость нагружающего
каскада - из примера 3.1; допустимая
неравномерность АЧХ -
дБ; наклон АЧХ - 0 дБ.
Решение.
Из таблицы 9.1 для неравномерности АЧХ
+ 0,5 дБ и наклона
АЧХ, равного 0 дБ, имеем:
=2,22;
=1,11;
> >=5,23; >
>=3,69; > >=0,291.
Нормированные значения С>ВЫХ1>
и С>ВХ2> равны:
С>ВЫХ1Н>= =>
>=1,6; С>ВХ2Н>=>
>=4,24. Подставляя найденные
величины в (9.3), получим: L>1>>H>=2,22;
R>2Н>=1,11;
С>3Н>=14,6;
С>4Н>=0,587;
L>5Н>=0,786.
Денормируя полученные значения,
определим: L>1>=>
>=530 нГн; R>2>=>
>=167 Ом; С>3>=>
>=154 пФ; С>4>=6,2
пФ; L>5>=187
нГн. Теперь по (9.2) рассчитаем: K>0>=11,86.
Из (3.8) найдем: С>ВХ>=84,3
пФ.
ЛИТЕРАТУРА
Перельман Б.Л. Новые транзисторы: Справочник. – М.: Солон, 1996.
Петухов В.М. Полевые и высокочастотные биполярные транзисторы средней и большой мощности и их зарубежные аналоги: Справочник. – М.: КУБК-а, 1997.
Полевые транзисторы: Справочник. – Faber. STM. Publications, 1997.
Шварц Н.З. Усилители СВЧ на полевых транзисторах. – М.: Радио и связь, 1987.
Никифоров В.В., Кулиш Т.Т., Шевнин И.В. К проектированию широкополосных усилителей мощности КВ- УКВ- диапазона на мощных МДП-транзисторах // В сб.: Полупроводниковые приборы в технике связи / Под ред. И.Ф. Николаевского. – М.: Радио и связь. -1993.- Вып. 23.
Мамонкин И.Г. Усилительные устройства: Учебное пособие для вузов. – М.: Связь, 1977.
Никифоров В.В., Максимчук А.А. Определение элементов эквивалентной схемы мощных МДП-транзисторов // В сб.: Полупроводниковая электроника в технике связи / Под ред. И.Ф. Николаевского. – М.: Радио и связь.- 1985.- Вып. 25.
Никифоров В.В., Терентьев С.Ю. Синтез цепей коррекции широкополосных усилителей мощности с применением методов нелинейного программирования // В сб.: Полупроводниковая электроника в технике связи / Под ред. И.Ф. Николаевского. – М.: Радио и связь. - 1986. - Вып. 26.
Широкополосные радиопередающие устройства / Алексеев О.В., Головков А.А., Полевой В.В., Соловьев А.А. / Под ред. О.В. Алексеева. – М.: Связь, 1978.
Титов А.А., Ильюшенко В.Н., Авдоченко Б.И., Обихвостов В.Д. Широкополосный усилитель мощности для работы на несогласованную нагрузку // ПТЭ. - 1996. - №2. - С.68-69.
Шварц Н.З. Линейные транзисторные усилители СВЧ. – М.: Сов. радио, 1980.
Бабак Л.И., Дьячко А.Н., Дергунов С.А. Расчет цепей коррекции мощных сверхширокополосных транзисторных СВЧ-усилителей // Полупроводниковая электроника в технике связи /Под ред. И.Ф. Николаевского. – М.: Радио и связь. - 1988. - Вып. 27.
Бабак Л.И., Шевцов А.Н., Юсупов Р.Р. Пакет программ автоматизированного расчета транзисторных широкополосных и импульсных УВЧ- и СВЧ-усилителей // Электронная техника. Сер. СВЧ-техника. - 1993. - №3. - С.60-63.
Титов А.А. Расчет диссипативной межкаскадной корректирующей цепи широкополосного усилителя мощности // Радиотехника. - 1989. - №2. - С.88-90.
Жаворонков В.И., Изгагин Л.Н., Шварц Н.З. Транзисторный усилитель СВЧ с полосой пропускания > > МГц // Приборы и техника эксперимента. – 1972. - №3. - С.134-135.





















дБ
дБ


дБ
дБ