Расчет полупроводникового выпрямителя с фильтром и транзисторного усилителя
МАТИ - Российский Государственный Авиационный Технологический
Университет им. К. Э. Циолковского
Кафедра “Микропроцессорные системы, электроника и электротехника”
Курсовая работа
“Расчет полупроводникового выпрямителя с фильтром и транзисторного усилителя”
по дисциплине “Схемотехника”
Группа: 6ПВК-II-28
Студент: Гаврилин Дмитрий
Вариант: А-4
Выполнил “ “ 199 г.
Сдано на кафедру “ “ 199 г.
Проверил “ “ 199 г.
Группа: 6ПВК-II-28
Студент: Гаврилин Дмитрий
Вариант: А-4
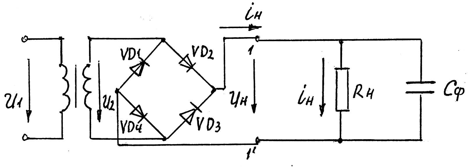
1.1 Расчет полупроводникового выпрямителя с фильтром.
1.2 Расчётная схема согласно варианту:

1.3 Исходные данные согласно варианту:
> >
> >
Примечание: U>нср> - среднее напряжение на нагрузке; I>нср> - средний ток через нагрузку; q>ф> - коэффициент пульсации выпрямителя с фильтром.
Значения коэффициентов расчета электрических величин.
|
Коэффициенты расчета |
||||||
|
Вид выпрямителя |
К>1> |
К>2> |
К>3> |
К>4> |
m |
q |
|
Двухполупериодный |
1.57 |
1.57 |
1.10 |
0.80 |
2.00 |
0.67 |
Примечание. К>1> - коэффициент расчета U>д>>max>; К>2> - коэффициент расчета I>д>>max>; К>3> - коэффициент расчета U>2>; К>4> - коэффициент расчета P>p>; m - номер основной гармоники (гармоники наинизшей частоты) выпрямленного тока; q - коэффициент пульсации выпрямителя без фильтра.
1.4 Расчёт сопротивления нагрузки R>Н > и средней мощности P>н>, выделяемой на нагрузке.
> >
1.5 Расчёт максимального обратного напряжения на диоде U>д>>max >и максимального прямого тока через диод I>д>>max>.
> >
1.6 Расчёт действующих значений напряжений на первичной U>1> и вторичной U>2> обмотках трансформатора, коэффициента трансформации по напряжению n>U>, потребляемой мощности трансформатора P>p>.
> > > >
1.7 Расчёт коэффициента фильтрации S>кф >и ёмкости фильтра С>ф>.
> >
1.8 Расчёт постоянной времени >ф> переходного процесса в фильтре
> >
1.9 Выбор полупроводникового диода по результатам расчета.
В соответствии с полученными результатами был выбран выпрямительный диод (кремниевый) из «Справочника по электронике»
|
Ток, мА |
Напряжение, В |
||||
|
Тип выпрямительного диода |
максимальный средний выпрямительный I>вп.ср.>>ma>, мА |
постоянный обратный ток I>орб>, мА |
максимальное постоянное обратное U>обр.>>max>, В |
постоянное прямое U>пр>, В |
Диапазон рабочих температур |
|
КД202А |
5*103 |
0.8 |
35 |
0.9 |
-60 +130 |
1.10 Графики работы выпрямителя с фильтром по расчётным данным в масштабе.
Группа: 6ПВК-II-28
Студент: Гаврилин Дмитрий
Вариант: А-4
2.1 Расчёт транзисторного усилителя
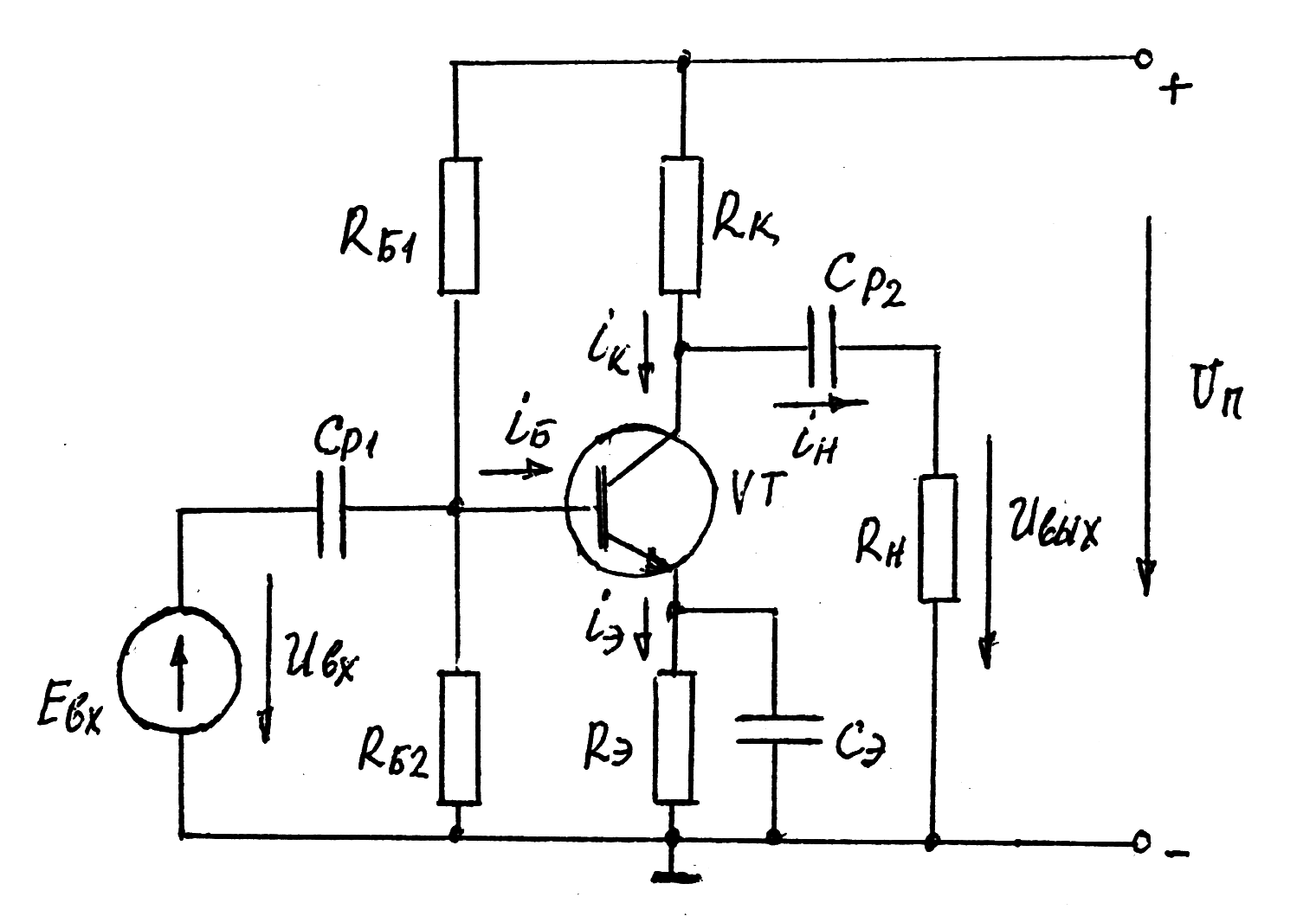
2.2 Расчётная схема транзисторного усилителя .

На схеме обозначены:
U>п> - постоянное напряжение питания усилителя;
R>к> - резистор в цепи коллектора;
R>э> - резистор в цени обратной отрицательной связи по току;
C>э> - конденсатор, шунтирующий резистор R>э> по переменному ток;
R>Б1>,R>Б2> - резисторы делителя напряжения а цепи базы;
C>Р1>,C>Р2> - разделительные конденсаторы в цепях входного и выходного сигналов, соответственно;
R>н> - резистор нагрузки;
E>вх> - действующее значение ЭДС источника входного сигнала;
U>вх> - действующее входное синусоидальное напряжение (входной сигнал);
U>вых> - действующее выходное синусоидальное напряжение (выходной сигнал);
i>к > - ток коллектора;
i>Б> - ток базы;
i>Э> - ток эмиттера;
i>н> - ток нагрузки.
2.3 Исходные данные для расчёта согласно варианту.
U>п>= 20 В (напряжение питания), >В>= 3. 104 Гц (высшая частота полосы частот усиливаемого сигнала) , I >км>= 0.03 А; Е>вх>=0.01 в;
R> >>н>= 800 Ом
2.4 Предварительный выбор транзистора по таблице 6.
Используются неравенства
I>км> < I’ >км>> >; U>п>> >< U’> кэм>> >; >в> < > >>гр>
(где I>км> - максимальный ток коллектора транзистора; U>п> - постоянное напряжение питания усилителя; >в> - верхняя рабочая частота усилителя.)
Так как для транзистора КТ-801 , который имеет параметры
I’ >км> = 2 ; U’> >>кэм>> >=60 ; > >> >>гр> =107 , неравенства выполняются , то
выбираем транзистор КТ-801 (0.03 < 2; 20 < 60; 3 . 104 < 107)
Значения параметров транзистора
(справочные данные)
|
Тип |
I’>км>, А |
U’>кэм>, В |
P’>км>, Вт |
>r>, Гц |
h>11>, Ом |
h>21>, - |
h>12>, - |
h>22>, См |
|
|
5 |
КТ801 |
2.00 |
60 |
5.00 |
107 |
100 |
60 |
0.005 |
10-1 |
2.5 Расчет параметров режима покоя
а) Коллекторный ток покоя;
I>кп>> >= 0.5 I>км> = 0.5 . 0.03 = 0.015 А
б) Ток покоя базы
> >
где h >21> - коэффициент усиления по току из таблицы 6.
в) Ток покоя эмиттера;
I>ЭП> = I>КП> + I>БП > = 0.015 + 0.00025 = 0.01525 А
г) Напряжение покоя эмиттера (эмиттер - масса);
U>ЭП >= (0.1 0.2) / U>П >= 0.2 / U>П >= 0.2 / 20 = 0.01 В
д) Напряжение покоя коллектора - эмиттера;
U>КЭП>=0.5*U>П> - U>ЭП>=10-0.01=9.99 В
е) Мощность, выделяемая на транзисторе в режиме покоя(мощность рассеяния);
P>ТП>=U>КЭП>*I>КП>=9.99*0.015=0.149 Вт
2.6 Расчёт цепи R>Э>, С>Э> обратной отрицательной связи по постоянному току;
а) Расчёт Rэ (сопротивление резистора в цепи обратной отрицательной связи)
> >
б) Расчёт Сэ (емкость конденсатора в цепи обратной отрицательной связи)
> >
2.7 Проверка правильности выбора трансформатора по мощности рассеяния, используя неравенство P>ТП> < P’ >КМ>> >(> >где P’ >КM >=5 Вт из таблицы 6 для транзистора КТ-801, а P>ТП> = 0.149 из расчетов)
0.149< 5.00
неравенство выполняется следовательно транзистор выбран правильно .
2.8 Расчёт сопротивления R>K> в цепи коллектора.
> >
2.9 Расчёт сопротивлений R>Б1>, R>Б2> делителя напряжения в цепи базы и напряжения смещения U>БЭП>
R>б1> = h>21 >. R>К >= 60 . 1300= 78000 = 78 кОм
R>б2> 0.25 . R>б1> = 0.25 . 78000 = 19.5 кОм
> >
Напряжение смещения на базе
U>БЭП> = U>RБ1 >- U>ЭП >= 4 - 0.01 = 3.99 В
2.10 Расчёт коэффициентов усиления усилителя .
а) По напряжению
> >
где , h>21>=60 - коэффициент усиления по току транзистора
h>11>=100 - входное сопротивление транзистора
> >h>22>=10-1 - выходная проводимость транзистора из таблицы 6.
б) По току
K >i >= h>21 >= 60
в) По мощности
> >
2.11 Расчёт входного R>ВХ> и выходного R>ВЫХ> сопротивлений усилителя
> >
> > Ом
2.12 Расчёт выходного напряжения
> >
2.13 Построение входной > > , выходной > >
и переходной > > характеристик в масштабе
2.14 Построение в масштабе временных графиков процесса усиления с использование исходных и расчетных данных и характеристик, построенных в п. 2.10.
При этом > >
> >
1