Расчет силового трансформатора (работа 1)
МИНИСТЕРСТВО ОБЩЕГО И
ПРОФЕЕССИОНАЛЬНОГО ОБРАЗОВАНИЯ
РОССИЙСКОЙ ФЕДЕРАЦИИ
МОСКОВСКИЙ ГОСУДАРСТВЕННЫЙ ИНСТИТУТ
РАДИОТЕХНИКИ ЭЛЕКТРОНИКИ И АВТОМАТИКИ
(ТЕХНИЧЕСКИЙ УНИВЕРСИТЕТ)
Курсовой проект
по предмету:
“Электротехника”.
Тема:
“Расчет силового трансформатора ”
Студент: Чубаков А.С.
Группа: ВАИ-6-00
Преподаватель: Плотников С.Б.
МОСКВА 2002
ВВЕДЕНИЕ.
Трансформатор – устройство, предназначенное для изменения величины переменного напряжения, - является практически обязательным структурным элементом источника вторичного электропитания. При наличии первичного источника, вырабатывающего переменное напряжение, трансформатор достаточно часто включается в источник вторичного электропитания в качестве входного элемента. В этом случае трансформатор называется силовым, и его функциональное назначение заключается в преобразовании входной системы переменного напряжения (однофазной или трехфазной) в одну или несколько других систем переменных напряжений, используемых для питания соответствующих потребителей постоянного и переменного тока. В системах питания электронной аппаратуры применяют силовые трансформаторы малой мощности ( не более 4 кВ-А для однофазных и 5 кВ-А для трехфазных систем переменного тока). Они в большинстве случаев работают при низких напряжениях на обмотках (до 1кВ), синусоидальной или близкой к синусоидальной форме преобразуемого напряжения и частоте, равной 50 Гц (частота промышленной сети).
Электронная аппаратура, как правило, требует наличия постоянного напряжения питания одного или нескольких уровней. Поэтому в источниках вторичного электропитания силовой трансформатор работает совместно с одним или несколькими выпрямителями – устройствами, преобразующими системы переменных напряжений в постоянные по полярности и пульсирующие по величине (выпрямленные) напряжения. Выпрямители могут быть регулируемыми и нерегулируемыми. Первые реализуются на базе управляемых полупроводниковых вентилей – тиристоров, вторые – на базе неуправляемых вентилей – диодов. Нерегулируемые выпрямители не обеспечивают стабилизацию выходных напряжений. При колебаниях напряжения источника электропитания, а также при изменении тока в любой из нагрузок, получающих питание от силового трансформатора, величина напряжения, снимаемого с нерегулируемого выпрямителя, изменяется.
Вместе с тем, нерегулируемы выпрямители широко применяются в системах питания электронной аппаратуры в случаях, когда отсутствуют жесткие требования со стороны соответствующих потребителей постоянного тока, или, если такие требования есть, когда предусмотрено включение стабилизаторов постоянного напряжения в цепи питания потребителей.
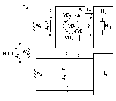
В данной курсовой работе представлен расчет однофазного низковольтного силового трансформатора малой мощности как структурного элемента источника вторичного электропитания, работающего в длительном режиме. Трансформатор имеет ряд обмоток. Первичная обмотка с числом витков w>1 >подключена к источнику электропитания, вырабатывающему переменное синусоидальное напряжение U>1 >и частотой 400 Гц. С двух групп вторичных обмоток с числами витков w>2 >и w>3> снимаются переменные напряжения соответственно U>2> и U>3> той же частоты. Вторичная обмотка с числом витков w>2> через соответствующий нерегулируемый выпрямитель В и выпрямленное напряжение U>0>, снабжает электроэнергией нагрузку H>3>, имеющую чисто активный характер, требующую питание постоянным током. Однофазная вторичная обмотка с числом витков w>3> подключена непосредственно к нагрузке H>3>, получающей питание переменным током, частота которого совпадает с частотой источника. На рис. схемы протекают следующие токи: i>1> – переменный ток, потребляемый первичной обмоткой трансформатора; i>2>- переменный ток в фазе вторичной обмотки с числом витков w>2>; i>0> – постоянный по направлению и пульсирующий по величине (выпрямленный) ток, питающий нагрузку H>3>; i>3> – переменный ток, протекающий во вторичной обмотке с числом витков w>3> и нагрузке H>3>.
Возможное наличие реактивных элементов в цепи нагрузки H>3> учитывается коэффициентом мощности cosφ>3>, равным отношению активной составляющей мощности к полной мощности, потребляемой нагрузкой.
Начальные данные:
|
Напряжение источника электропитания |
U>1> |
24 B |
|
Частота напряжения источника электропитания |
ƒ |
400 Гц |
|
Схема выпрямителя B в цепи питания |
Однофазная мостовая |
|
|
Напряжение на нагрузке H>2> |
U>0> |
12 В |
|
Ток в нагрузке H>2> |
I>0> |
4,16 A |
|
Характер нагрузок H>2 > |
Активный |
|
|
Напряжение на нагрузке H>3> |
U>3> |
36 В |
|
Ток в нагрузке H>3> |
I>3> |
0,277 A |
|
Коэффициент мощности нагрузки H>3> |
cosφ>3> |
0,35 |
|
Температура окружающей среды |
t>0> |
30 0C |
|
Макс. Температура нагрева трансформатора |
t>Tmax> |
120 0C |
|
Режим работы |
длительный |

1. РАСЧЕТ ВЫПРЯМИТЕЛЕЙ И ЭЛЕКТРОМАГНИТНЫЙ РАСЧЕТ ТРАНСОРМАТОРА.
01. По соотношению величин напряжений и токов в трансформаторе и выпрямителе рассчитаем среднее значение прямого тока через диод I>Dn>>р,>>cp> и наибольшее мгновенное значение обратного напряжения на диоде U>Do>> бр,>>u>>,>>n>> >:
I>Dn>>р>>,cp>=0,5I>0>=2,08 A
U>Do >>бр>>,u,n> =1,57U>0>=18,84 U
02. Для выпрямителя B выбирается диод типа КД202А
(I>n>>р,>>cp>> >>max>=3 A, U>o>> бр,>>u>>,>>n>> >>max>=50 B)
Для выпрямителя определяем среднее значение прямого напряжения на диоде U>Dn>>р,>>cp>> = >0,9 B
03. Среднее значение прямых напряжений на выпрямителе B равно
U>Bcp>=2* U>Dn>>р,>>cp>; U>Bcp>==2*0,9=1,8 B
04. Действующее значение номинального напряжения на фазе обмотки трансформатора, работающего на выпрямителе B:
U>2>=1,11(U>0>+U>B>>ср>); U>2>=1,11(12+1,8)=15,3 B
и номинальный ток в нем:
I>2>=1,11I>0>; I>2>=1,11*4,16=4,6 A
05. Коэффициент трансформации, характеризующий взаимно-индуктивную связь между первичной обмоткой и фазой вторичной обмотки, на выпрямителе B:
k>1/2>=U>1>/ U>2>; k>1/2>=24/15,3=1,57
06. Действующее значение номинального тока в первичной обмотке, обусловленное передачей мощности от источника электропитания в цепи нагрузки вторичной обмотки, на выпрямителе B:
I>1/2>=1,11I>0>/k>1/2>; I>1/2>=1,11*4,16/1,57=2,94 A
07. Действующее значение номинального тока в первичной обмотке трансформатора:
I>1>= I>1/2>+( U>3>* I>3>)/ U>1>; I>1>=2,94+(36*0,277)/24=3,35 A
08. Расчетная мощность трансформатора
S>T>=0,5(U>1>I>1>+m>2>U>2>I>2>+ U>3>I>3>);
S>T>=0,5(24*3,35 +15,3 *4,6 +36*0,277)=80,4 B*A
09. Выбирается броневой ленточный магнитопровод из стали марки 3422,
Δ>C>=0,1 mm
10. Выбираем ориентировочные величины электромагнитных нагрузок: амплитуды магнитной индукции в магнитопроводе трансформатора B>m>=1,34 Тл и действующее значение плотности тока в обмотке j=4,4 A/mm2
11. Определяем значение коэффициента заполнения магнитопровода сталью k>c>=0,88
12. Выбирается ориентировочное значение коэффициента заполнения окна магнитопровода медью k>0 >=0,249
13. Конструктивный параметр, представляющий собой произведение площади поперечного сечения магнитопровода S>C> и площади окна под обмотки S>0>
S>C>S>0>=( S>T>100)/(2,22*ƒ*B>m>*j*k>c>*k>0>);
S>C>S>0>=( 80,4 *100)/(2,22*400*1,36 *4,6*0,88*0,249)= 6,6 см4
14. Выбираем типоразмер магнитопровода – ШЛ12х16 (S>C>S>0>=6,9см4); a=12 mm; b=16 mm; c=12 mm; h=30 mm; S>C>=1,92 см2; S>0>=3,6см2; l>M>=10,4 см; m>c>=135 г;
15. Выбираем ориентировочные значения падения напряжения на первичной обмотке, выраженного в процентах от номинального значения U>1>, Δ U>1%>=3,5% и падений напряжения во вторичных обмотках, в % от соответствующих номинальных значении U>2 >и U>3 >равные друг другу Δ U>2,3%>=4,4%
16. Число
витков
;
=57
17. Число витков на выпрямителе B:
;
=36
Число витков на вторичной обмотке подключенной непосредственно к нагрузке H>3 >:
;
=85
18. Площади поперечных сечений обмоточных проводов без изоляции для всех обмоток трансформатора рассчитываются по формулам:
q>1пр>= I>1>/j; q>1пр>=3,35/4,6=0,7283 мм2
q>2пр>= I>2>/j; q>2пр>=4,6 /4,6= 1 мм2
q>3>>пр>= I>3>/j; q>3>>пр>=0,277/4,6=0,0602 мм2
19. Выбирается марка обмоточных проводов ПЭВТЛ-1 (t>Tmax> до 1200)
20. Габариты провода:
d> 1пр>=0,96 мм; q>1пр>=0,7238 мм2 ;d>1из>= 1,02 мм;
d> 2пр>=1,16 мм; q>2пр>=1,057 мм2 ;d>2из>= 1,24 мм;
d> 3пр>=0,27 мм; q>3пр>=0,05726 мм2 ;d>3из>= 0,31 мм;
21. Действующие значения плотности тока во всех обмотках трансформатора:
j>1>=I>1>/ q>1>>пр>; j>1>=3,35/0,7238=4,63 A/мм2;
j>2>=I>2>/ q>1>>пр>; j>1>=4,6 /1,057 =4,35 A/мм2;
j>3>=I>3>/ q>1пр>; j>1>=0,277/0,05726 =4,84 A/мм2;
22. Удельные потери мощности в магнитопроводе трансформатора
P>Суд>= P>Суд>>H>> >(B>m>/В>mH> )2; P>Суд>=15,4 Вт/кг
23. P>c>=P>Суд >*m>c>*10-3; P>c>=15,4*135*10-3=2,08 Вт
24. Потери мощности в обмотках
P>M>=ρ(0,9*
j>1>2*
*
q>1>>пр>+1,1(j>2>2*m>2>*
*q>2>>пр>+
j>3>2*
*q>3>>пр>))*
l>M>
(1+α(t>Tmax>-20))*10-2;
P>M>=0,0175(0,9* 4,63 2*57* 0,7238+1,1(4,35 2*0,135*36*1,057+ 4,84 2* 85*0,0602))* 10,4 (1+0,00411(120-20))*10-2=2,66 Вт
25. Суммарные потери мощности в трансформаторе
P>T>=P>C>+P>M>; P>T>=2,08+2,66=4,74 Вт
26. КПД трансформатора
;
=92,8%
27. 
=81,4%
2. ТЕПЛОВОЙ РАСЧЕТ ТРАНСФОРМАТОРА.
01. Превышение температуры трансформатора над темпер. окружающей среды:
∆t>T>=P>T>R>T>, где R>T> тепловое сопротивление трансформатора.
∆t>T>=4,74*9,40=44,56 град/Вт
02. Установившаяся температура нагрева трансформатора:
t>T>=t>0>+∆t>T>; t>T>=30+44,56=74,56 0C
Установившаяся температура нагрева трансформатора не превышает максимально допустимого значения t>Tmax>=1200C
3. КОНСТРУКТИВНЫЙ РАСЧЕТ ТРАНСФОРМАТОРА.
01. Выбирается бескаркасная намотка обмоток трансформатора (на гильзу.)

02. Ширина внутреннего прямоугольного отверстия изолирующей гильзы:
α>r>> >=α+2δ>p>, где δ>p> величина радиального зазора между гильзой и несущим катушку стержнем магнитопровода.
α>r>> >=12+2*1=14 мм
03. Толщина гильзы в радиальном направлении выбирается ∆>r>=1 мм
05. Габаритная высота гильзы H>r>=h-2δ>0>, где δ>0>=0,5 мм величина осевого зазора между щечкой каркаса или торцевой поверхностью гильзы и ярмом магнитопровода.
H>r>=30-1=29 мм
06. Составляется план размещения обмоток в окне магнитопровода.

07. В качестве электроизоляционного материала применяем пропиточную бумагу ИЭП-63Б, β>мо>=0,11 мм
08. Чисто слоев изоляционного материала:
n>K>>вн> = U>1>/(m>k>*175), для броневого трансформатора число стержней магнитопровода m>k>=1
n>K>>вн> = 24/(1*175)=1
09. Толщина внутренней изоляции катушки
∆>K>>вн> = n>K>>вн>*β>mo>;
∆>K>>вн> = 1*0,11=0,11 мм
10. Высота слоя первичной обмотки
h>1>=H>r>-2∆h>1>, где ∆h>1>=1,5 – толщина концевой изоляции первичной обмотки.
h>1>=29-2*1,5=26 мм
11. Число витков в одном слое первичной обмотки
w>1сл>=k>y>*h>1>/d>1из>, где k>y>=0,9 – усредненное значение коэффициента укладки
w>1сл>=0,9*26/1,02=22
12. Число слоев первичной обмотки в катушке
n>1сл>= w>1>/(m>k>*w>1сл>);
n>1сл>=57/(1*22)=3
13. Определяем максимальное действующие значение между соседними слоями первичной обмоткой:
U>1mc>=2*U>1>*w>1>>сл>/w>1>;
U>1>>mc>=2*24*22/57=18,5 B
14. В качестве материала для выполнения межслоевой изоляции в первичной обмотке выбирается кабельная бумага марки К-120; β>1мс>=0,12 мм;
U>1мс >>max>=71 B
15. Число слоев межслоевой изоляции между соседними слоями первичной обмотки:
n>1мс> =U>1мс>/ U>1мс >>max>;
n>1мс> =18,5 / 71=1
16. Толщина межслоевой изоляции между соседними слоями первичной обмотки:
∆>1мс>= n>1мс>*β>1мс>;
∆>1мс>=1*0,12 =0,12 мм
17. Толщина первичной обмотки в катушке с учетом межслоевой изоляции:
a>1>=k>p>[n>1сл>* d>1из>+( n>1сл>-1) ∆>1мс>], где k>p>=1,15 – усредненное значение разбухания;
a>1>=1,15 [3* 1,02+( 3-1) *0,12]= 3,79 мм
18. Напряжение, определяющее толщину межобмоточной изоляции между данной обмоткой и предыдущей:
U>2мо>=max(U>1>/m>k>;m>21>*U>21>/m>k>)=24 В;
19. Число слоев межобмоточной изоляции, поверх которой наматывается данная обмотка:
n>2мо>=2, т.е. межобмоточная изоляция выполняется в два слоя
20. Толщина межобмоточной изоляции, поверх которой наматывается данная обмотка:
∆>2>>мо>=n>2>>мо>*β> мо>;
∆>2>>мо>=2*0,11=0,22 мм
21. Высота слоя обмотки, работающей на выпрямителе B:
h>2>=h>1>-2∆h>2,3> , где ∆h>2,3>=0,25 мм - приращение толщины концевой изоляции каждой из вторичной обмоток по отношению к концевой изоляции предыдущей обмотки:
h>2>=26-2*0,25=25,5 мм
22. Для вторичной обмотки, работающей на выпрямитель, число витков одом слое обмотки:
w>2сл>=k>y>*h>2>/d>2из>;
w>2сл>=0,9*25,5/1,24=18
23. Число слоев вторичных обмоток, работающих на выпрямитель, в катушке:
n>2сл>=m>2>*w>2>/(m>k>*w>2сл>);
n>2сл>=1*36/(1*18)=2
24. Максимальное действующее напряжение между соседними слоями:
U>2>>мс>=m>2>*U>2>/m>k> ;
U>2>>мс>=1*15,3/1=15,3 В
25. Для вторичной обмотки, работающей на выпрямитель, выбираем электроизоляционный материал: кабельная бумага марки К-120;
β>2мс>=0,12 мм; U>2мс>>max>=71B
26. Для вторичной обмотки, работающей на выпрямитель, число слоев межслоевой изоляции между соседними слоями обмотки:
n>2мс>=U>2м>/U>2мс>>max>;
n>2мс> =15,3/71=1
27. Для вторичной обмотки, работающей на выпрямитель, толщина межслоевой изоляции соседними слоями обмотки:
∆>2>>мс>=n>2>>мс>*β>2>>мс>;
∆>2>>мс>=1*0,12=0,12 мм
28. Толщина каждой из вторичной обмотки, работающей на выпрямитель, в катушке с учетом межслоевой изоляции:
a>2>=k>p>(n>2>>сл>*d>2>>из>+( n>2>>сл> -1) ∆>2>>мс>)
a>2>=1,15(2*1,24 +(2-1) 0,12)= 2,99 мм
29. Для вторичной обмотки, подключенной непосредственно к нагрузке H>3>, находится напряжение, определяющее толщину межобмоточной изоляции между данной обмоткой и предыдущей:
U>3>>мо>>1>=max(m>2z>*U>2z>/m>k>;U>3>/m>k>);
U>3мо1>=36 В
30. Для вторичной обмотки, работающей непосредственно на нагрузку, определяем число слоев межобмоточной изоляции, поверх которой наматывается данная обмотка:
n>3мо>=2
31. Для вторичной обмотки, работающей на нагрузку, толщина межобмоточной изоляции, поверх которой наматывается данная обмотка:
∆>3мо>=n>3мол>*β>мо>;
∆>3мо>=2*0,11=0,22 мм
32. Для каждой вторичной обмотки, работающей на нагрузку, определяется высота слоя обмотки:
h>3>=h>1>-2(Z+ξ)∆h>2,3>> >
h>3>=26-2(1+1)0,25=25 мм
33. Для каждой вторичной обмотки, работающей на нагрузку, число витков в одном слое обмотки:
w>3>>сл>=k>y>*h>3>/d>3>>из>;
w>3сл>=0,9*25/0,31=72
34. Число слоев вторичной, работающей на нагрузку, в катушке
n>3сл>= w>3>/(m>k>*w>3сл>);
n>3сл>= 85/(1*72)=2
35. Для каждой из вторичной обмотки, работающей на нагрузку, определяется максимальное действующее напряжение между соседними слоями:
U>3мс>=U>3>/m>k>;
U>3мс=>36/1=36 В
36. Для вторичной обмотки, работающей на нагрузку, выбираем электроизоляционный материал: телефонная бумага КТ-50, его толщина
β>3мс>=0,05 мм; U>3мс>>max>=57 B
37. Для вторичной обмотки, работающей на выпрямитель, число слоев межслоевой изоляции между соседними слоями обмотки:
n>3мс>=U>3мс>/U>3мс>>max>;
n>3мс> =36/57=1
38. Для вторичной обмотки, работающей на нагрузку, толщина межобмоточной изоляции, поверх которой наматывается данная обмотка:
∆>3мс>=n>3мс>*β>3мс>;
∆>3мс>=1*0,05=0,05 мм
39. Толщина каждой из вторичной обмотки, работающей на выпрямитель, в катушке с учетом межслоевой изоляции:
a>3>=k>p>(n>3сл>*d>3из>+( n>3сл> -1) ∆>3мс>)
a>3>=1,15(2*0,31+(2-1) 0,05)= 0,77 мм
40. Число слоев изоляционного материала наружной изоляции катушки:
n>K>>нар>=2
41. Толщина наружной изоляции катушки:
∆>K>>ар>= n>K>>нар>*β>мо>;
∆>K>>ар>= 2*0,11=0,22 мм
42. Толщина катушки в радиальном направлении с учетом изоляции на гильзе, межобмоточной изоляций и наружной изоляции катушки:
a>k>=∆>K>>вн>+a>1>+∆>2>>мо>+a>2>+∆>3>>мо>+a>3>+∆>K>>нар> a>k=>0,11+3,79+0,22+2,99+0,22+0,77+0,22=8,32 мм
43. Ширина свободного промежутка в окне магнитопровода: зазор между наружной боковой поверхностью катушки и боковым стержнем магнитопровода:
δ=c-( δ>p>+∆>r>+a>k>);
δ=12-(1+1+8,32)= 1,68 мм
Вывод: обмотка трансформатора нормально укладываются в окне магнитопровода, следовательно расчет трансформатора можно считать завершенным.
5. ЛИТЕРАТУРА:
1. Курс лекций по электротехники Плотникова С.Б.
2. Петропольская Н.В., Ковалев С.Н., Цыпкин В.Н., Однофазные силовые трансформаторы в системах электропитания электронной аппаратуры.
МИРЭА, Москва 1996 г.
3. Бессонов Л.А. Теоретические основы электротехники. М., Высшая школа, 1978 г.