Резисторный каскад предварительного усиления на биполярном транзисторе
Министерство образования Российской Федерации
Институт переподготовки кадров
Уральского государственного технического университета
Кафедра микропроцессорной техники
Оценка проекта
Члены комиссии
Резисторный каскад предварительного усиления на биполярном транзисторе
Курсовой проект
Пояснительная записка
Руководитель доц., к.т. н. И.Е. Мясников
Слушатель гр. СП-923 А.Б. Любимов
2000
Реферат
Курсовая работа оформлена на 35 страницах машинописного текста, содержит 18 рисунков, 16 источников использованной литературы и 5 приложений.
Курсовая работа рассчитана по следующим данным:
Задача 1
Рассчитать резисторный каскад предварительного усиления на биполярном транзисторе. Транзистор включен по схеме с общим эмиттером и должен иметь эмиттерную стабилизацию точки покоя. Развязывающий фильтр (C>ф>, R>ф>) отсутствует. Питание цепей смещения и коллекторных цепей осуществляется от общего источника.
U>вх>=0,1 В
U>н>=2 В
R>i>=5 кОм
R>н>=3 кОм
C>н>=50 пФ
f>н>=20 Гц
f>в>=2 Мгц
М>н>=1,2 дБ
М>в>=1,5 дБ
Необходимо выполнить следующее:
Начертить принципиальную электрическую схему каскада;
Выбрать тип транзистора;
Выбрать режим работы транзистора по постоянному току (U>ок>, I>ок>, I>об>, U>обэ>);
Рассчитать номиналы резисторов R>1>, R>2>, R>к>, R>э> и выбрать их тип;
Рассчитать номиналы конденсаторов C>1>, C>2>, C>э > и выбрать их тип;
Определить коэффициент усиления каскада по напряжению K>U> на средней частоте рабочего диапазона;
Составить эквивалентные схемы каскада и рассчитать частотную характеристику каскада в диапазоне от 0,1f>н> до 3f>в>, построить ее.
Задача 2
Используя данные, полученные при решении задачи 1, рассчитать частотную характеристику каскада для заданных ниже изменений. Начертить полученную характеристику на одном графике с частотной характеристикой задачи 1 и сделать вывод о влиянии заданного изменения на вид частотной характеристики.
Ввести в схему элемент ВЧ коррекции дросселем L=0,01 мГн, начертить принципиальную схему получившегося каскада.
Задача 3
Зная напряжение питания усилителя, рассчитать транзисторный стабилизированный источник напряжения компенсационного типа.
U>вых>=12 В
I>вых>=10 мА
a>вых>= b>вых>=0.1 %
a>вх>= b>вх>=15 %
Ключевые слова:
Усилитель, транзистор, конденсатор, резистор, частота, диод, обратная связь, напряжение, ток, емкость, сопротивление, входная характеристика, выходная характеристика, коэффициент усиления, эквивалентная схема, частотная характеристика, частотная коррекция, амплитудные значения.
Содержание
Введение
1. Литературный обзор
1.1. Общие понятия...…………...................................................................5
1.2. Типы усилителей.............……..............................................................5
2. Основная часть
2.1. Расчет каскада предварительного усиления.............................……...6
2.1.1. Принципиальная схема каскада...................................…......…........6
2.1.2. Выбор транзистора..........................................................…..............6
2.1.3. Выбор режима работы транзистора по постоянному току и
расчет номиналов элементов усилителя...........................................…......7
2.2. Расчет амплитудно-частотной характеристики.........................….....10
2.3. Расчет частотной характеристики
каскада с элементом ВЧ коррекции............................................................14
2.4. Расчет стабилизированного источника напряжения
компенсационного типа..............................................................................15
2.5 Расчет выпрямителя..............................................................................18
Заключение
Литература
Приложения
Введение
Общие понятия
В современной технике широко используется принцип управления энергией, позволяющий при помощи затраты небольшого количества энергии управлять энергией, но во много раз большей. Форма как управляемой, так и управляющей энергии может быть любой: механической, электрической, световой, тепловой и т.д.
Частный случай управления энергией, при котором процесс управления является плавным и однозначным и управляемая мощность превышает управляющую, носит название усиления мощности или просто усиления; устройство, осуществляющее такое управление, называют усилителем.
Очень широкое применение в современной технике имеют усилители, у которых как управляющая, так и управляемая энергия представляет собой электрическую энергию. Такие усилители называют усилителями электрических сигналов.
Управляющий источник электрической энергии, от которого усиливаемые электрические колебания поступают на усилитель, называют источником сигнала, а цепь усилителя, в которую эти колебания вводятся, - входной цепью или входом усилителя. Источник, от которого усилитель получает энергию, преобразуемую им в усиленные электрические колебания, назовем основным источником питания. Кроме него, усилитель может иметь и другие источники питания, энергия которых не преобразуется в электрические колебания. Устройство, являющееся потребителем усиленных электрических колебаний, называют нагрузкой усилителя или просто нагрузкой; цепь усилителя, к которой подключается нагрузка, называют выходной цепью или выходом усилителя.
Усилители электрических сигналов (далее просто усилители), применяются во многих областях современной науки и техники. Особенно широкое применение усилители имеют в радиосвязи и радиовещании, радиолокации, радионавигации, радиопеленгации, телевидении, звуковом кино, дальней проводной связи, технике радиоизмерений, где они являются основой построения всей аппаратуры.
Кроме указанных областей техники, усилители широко применяются в телемеханике, автоматике, счетно-решающих и вычислительных устройствах, в аппаратуре ядерной физики, химического анализа, геофизической разведки, точного времени, медицинской, музыкальной и во многих других приборах.
Типы усилителей
Усилители делятся на ряд типов по различным признакам. По роду усиливаемых электрических сигналов усилители можно разделить на две группы:
– усилители гармонических сигналов, предназначенные для усиления периодических сигналов различной величины и формы, гармонические составляющие которых изменяются много медленнее длительности устанавливающихся процессов в цепях усилителя.
– усилители импульсных сигналов, предназначенные для усиления непериодических сигналов, например непериодической последовательности электрических импульсов различной величины и формы.
По ширине полосы и абсолютным значениям усиливаемых частот усилители делятся на ряд следующих типов:
– усилители постоянного тока или усилители медленно меняющихся напряжений и токов, усиливающие электрические колебания любой частоты в пределах от низшей нулевой рабочей частоты до высшей рабочей частоты.
– усилители переменного тока, усиливающие колебания частоты от низшей границы до высшей, но неспособные усиливать постоянную составляющую сигнала.
– усилители высокой частоты (УВЧ), предназначенные для усиления электрических колебаний несущей частоты, например принимаемых приемной антенной радиоприемного устройства.
– усилители низкой частоты (УНЧ), предназначенные для усиления гармонических составляющих не преобразованного передаваемого или принимаемого сообщения.
Усилители низкой частоты характеризуются большим отношением высшей рабочей частоты к низшей, лежащим в пределах 10 - 500 для усилителей звуковых частот и превышающим 105 для некоторых типов видео усилителей. Усилители с высшей рабочей частотой порядка сотен килогерц и выше, одновременно имеющие большое отношение высшей рабочей частоты к низшей, обычно называются широкополосными усилителями.
Избирательные усилители усиливают электрические сигналы в очень узкой полосе частот.
Из трех типов транзисторных каскадов для усиления напряжения пригодны два: каскад с общей базой и каскад с общим эмиттером. Каскад с общим коллектором может быть применен в многокаскадных системах, однако непосредственного усиления напряжения такой каскад не дает и выполняет вспомогательную роль.
Для усиления напряжения звуковых частот наиболее пригоден каскад с общим эмиттером, так как он имеет более высокое входное и более низкое выходное сопротивления по сравнению с каскадом с общей базой.
Расчет каскада предварительного усиления
Принципиальная схема каскада
>>Принципиальная схема каскада предварительного усиления представлена на рис.1 приложения 1.
Выбор транзистора
Для резисторного каскада транзистор выбирают по трем параметрам: верхней граничной частоте f>>, величине тока покоя коллектора I>K0>, и наибольшему допустимому напряжению коллектора U>КЭ доп>.
Граничная частота передачи тока базы f>> должна более чем в 5 раз превышать заданную верхнюю частоту усилителя f>в>:
f>>>
>5
f>в>
= 107
Гц.
Ток покоя коллектора выбирается из условия
I>К доп >> I>К0 >> 1.5 I>н>,
где
I>н >= U>н >/ R>н >= 667 мкА.
Напряжение питания усилителя Е>к> должно быть выбрано исходя из значения наибольшего допустимого напряжения коллектора, т.е. меньше 0.8 U>КЭ доп>.
Поставленным требованиям удовлетворяет транзистор КТ315Б. Его параметры:
– f>>> >= 250 Мгц
– I>К доп >= 100 мА >> 1.5 I>н >= 1 мА
– U>КЭ доп >= 25 В. Зададимся Е>К> = 12 В < 0.8U>КЭ доп> = 20 В.
Выбор режима работы транзистора по постоянному току и расчет номиналов элементов усилителя
Сначала по семейству выходных характеристик транзистора (рис.2 приложения 1) выберем рабочую точку. Для этого построим нагрузочную прямую по переменному току: выберем значение максимального тока коллектора I>К макс> таким образом, чтобы точка, соответствующая выбранной величине, располагалась по меньшей мере над пятью - шестью кривыми i>K >= f (U>K>) при i>Б> = const, приведенными в справочнике. Из этих соображений выбираем значение
I>K макс >=15 мА.
Значение максимального напряжения на коллекторе U>K макс >= Е>К>. Ток I>К0> можно взять равным половине I>К макс>:
I>K0 >= 0.5 I>K макс> = 8 мА.
Рассчитываем сопротивление в цепи эмиттера R>Э>. Для этого прежде всего зададимся падением напряжения на нем:
U>Rэ> = 0.2 E>К >= 2.4 В,
Отсюда
R>Э> = U>RЭ >/ I>Э0 > U>RЭ >/ I>K0 >= 300 Ом.
Теперь с помощью выбранной рабочей точки определяем напряжение покоя между коллектором и эмиттером:
U>КЭ0> = 5.5 В.
По входной характеристике (рис.3 приложения 1) находим: ток покоя базы, напряжение покоя между базой и эмиттером, и входное сопротивление каскада (по переменному току):
I>Б0 >= 0.1 В,
U>БЭ0 >= 0.47 В,
R>ВХ ОЭ> R>ВХ ~ >= 860 Ом.
Сопротивление в цепи коллектора R>K> рассчитываем аналогично R>Э>, задавшись напряжением на нем:
U>Rк >= E>K >– U>Rэ >– U>КЭ0 >= > >4.1 В,
R>K >= U>Rэ >/ I>K0 >= 510 Ом.
Расчет делителя произведем, задавшись значением R>2>:
R>2 >= 10 R>вх ОЭ >= 8.6 кОм,
Затем рассчитываем R>1> с помощью следующего выражения:
(E>К> – (U>Rэ> – U>БЭ0>)) R>2> R>вх>
R>1 >= –––––––––––––––––––––– = 20 кОм,
(U>Rэ> – U>БЭ0>) (R>2> + R>вх>)
где
U>Rэ> + U>БЭ0>
R>вх >= –––––––––– = 28.7 кОм.
I>Б0>
Сопротивление нагрузки цепи коллектора переменному току R>K0 >образовано параллельным соединением R>Н > и R>К >и равно
1
R>К~> = –––––––––– = 436 Ом.
1 1
–– + ––
R>К >R>Н>
Максимальный ток нагрузки равен
U>Н>
I>НМ >= –––– = 4.6 мА,
R>К>
масимальный входной ток каскада
I>НМ >4.6
I>вх м >= ––– = ––– = 0.09 мА,
>мин> 50
отсюда коэффициент усиления каскада по току
U>Н>
К>I >= –––––– = 7.4.
R>Н >I>вх м>
Максимальное входное напряжение
U>вх м >= I>вх м> R>вх ОЭ> = 0.077 В,
откуда получаем коэффициент усиления по напряжению
U>Н>
K>U> = –––– = 26.
U>вх м>
Для расчета разделительных конденсаторов С>р1 >и С>р2> необходимо задаться коэффициентом частотных искажений на нижней рабочей частоте М>НР>, вносимых этим конденсатором, распределяя заданные допустимые искажения M>Н >= 1.2 дБ между разделительным С>р >и блокировочным С>Э> конденсаторами. Пусть
М>НР >= М>НЭ >= 0.6 дБ = 1.07 раза,
тогда
0.159
С>р1>>,>>2 > –––––––––––––––––––– = 6 мкФ,
f>н> (R>К >+> >R>Н>) М>НР>2 – 1
a __________________
0.16 (1+S”>ЭС> R>Э>)2 – М>НЭ>2
С>Э > ––––––––––––––––––––––––– = 6000 мкФ,
f>н >R>Э > М>НЭ>2 – 1
где
1 + >макс>
S”>ЭС >= ––––––––––– = 0.1 См,
R>ист >+ R>вх ОЭ>
где
R>i >R>дел>
R>ист >= –––––––– = 2.7 кОм,
R>i >+ R>дел>
где, в свою очередь,
R>1 >R>2>
R>дел >= –––––––– = 6 кОм.
R>1 >+ R>2>
Теперь рассчитаем коэффициент частотных искажений на верхней рабчей частоте M>В>
_____________
M>В> = 1 + ( 2 f>В >>В> ) ;
здесь
>В >= С>0 >R>экв> ,
где
0.16
С>0 > С>вх дин >= ––––––– + С>К >(1 + К>U>) = 1.9 · 10–10> >Ф,
f>>> >R>вх ОЭ>
где С>К >для выбранного транзистора С>К >= 7 пФ. Далее
R>вх ОЭ> R>ист>
R>экв >= –––––––––– = 0.65 кОм.
R>вх ОЭ> + R>ист>
Отсюда значение >В> = 0.012мкс и M>В >= 1.18, или в децибелах М>В >=1.5 дБ, что соответствует поставленной задаче.
Расчет амплитудно-частотной характеристики каскада
Нашей задачей является выяснение поведения АЧХ каскада в его полосе пропускания и в прилегающих к ней областях. Диапазон охваченных расчетом частот простирается от 0.1 f>В >до 3 f>В>, т.е. от 2 Гц до 6 Мгц.
Эквивалентная схема каскада для расчета АЧХ на низких ( = 10 ... 10000 рад/с) частотах представлена на рис.4 приложения 1.
Коэффициент усиления каскада по напряжению
U>Н>
K>U> = –––– ,
U>ВХ>
где
U>Н> = I>Н >R>Н>,
где
U>Rк>
I>Н >= ––––––––– ,
1
R>Н >+ ––––
jC>2>
где
U>Rк> = i>К >R>К> = (SU>1 >– i>н>) R>К>.
Подставим это выражение в предыдущее и после несложных преобразований получим
jC>2> S R>К>
I>н >= ––––––––––––––––– U>1>.
jC>2> (R>К >+ R>Н>) + 1
Теперь серией последовательных шагов найдем U>ВХ >в зависимости от U>1>:
напрэжение на R>Э>
I>Э> S U>1 >+ g>вх >U>1>
U>Rэ> = ––– = ––––––––––––,
g>Э> 1
jC>Э >+ –––
R>Э>
напряжение на R>дел>
S + g>вх >
U>Rдел> = U>1 >+ U>Rэ >= U>1> + –––––––––––– U>1>>,>
1
jC>Э >+ –––
R>Э>
ток делителя
i>дел> = U>Rдел> / R>дел>
входной ток каскада
i>вх >= U>1> g>вх >+ i>дел>
теперь
i>вх>
U>вх >= ––––– + U>Rдел> ;
jC>2>
откуда после подстановок i>вх>>,> U>Rдел> и серии преобразований получаем
[1 + jR>Э>С>Э >+ (S + g>вх>) R>Э>] (1 + jC>1 >R>дел>)
g>вх >+ ––––––––––––––––––––––––––––––––––––
R>дел >(1 + jR>Э>С>Э>)
U>вх >= ––––––––––––––––––––––––––––––––––––––––––– U>1>.
jC>1>
Наконец, подставляем найденные U>вх >и I>Н >R>Н >в формулу для К>U>, а затем, перейдя к численным значениям номиналов элементов и упростив полученное выражение, найдем модуль К в следующем виде:
_______________
К>U> = (a2 + b2) / (c2 + d2) .
здесь
a = –0.11 2>,>
b = –0.19 3,
c = 137.3 – 1.56 2,
d = 73.9 – 0.0014 3.
График АЧХ каскада на низких частотах представлен на рис.7,8,9 приложения 1.
Эквивалентная схема каскада для расчета АЧХ на средних ( = 10000 ... 100000 рад/с) частотах представлена на рис.5 приложения 1.
Коэффициент усиления каскада по напряжению
U>Н>
K>U> = –––– ,
U>ВХ>
где
U>Н> = S U>ВХ >(R>К> || R>Н>).
Подставляя последнее выражение в формулу для К>U>, получим
S R>К >R>Н>
K>U> = –––––––– = 140.
R>К> +> >R>Н>
Таким образом, мы видим, что на средних частотах заданного диапазона коэффициент усиления по напряжению не зависит от частоты и равен 140.
График АЧХ каскада на низких частотах представлен на рис.10 приложения 1.
Эквивалентная схема каскада для расчета АЧХ на высоких ( = 105 ... 4·107 рад/с) частотах представлена на рис.6 приложения 1.
Коэффициент усиления каскада по напряжению
U>Н>
K>U> = –––– .
U>ВХ>
Ток в цепи коллектора
h>21Э> I>1> = i>Cвых> + i>Rк >+ i>Rн >+ i>Cн >,
или
h>21Э> I>1> = U>Н >(g>Cвых> + g>Rк >+ g>Rн >+ g>Cн>),
откуда
h>21Э> I>1>
U>Н> = ––––––––––––––––––– .
g>Cвых> + g>Rк >+ g>Rн >+ g>Cн>
Здесь ток I>1 >можно представить в виде
I>1> = U>ВХ> g>вх> ,
а, следоваательно,
h>21Э> g>вх>
К>U> = ––––––––––––––––––– .
g>Cвых> + g>Rк >+ g>Rн >+ g>Cн>
Здесь
g>Cвых> + g>Cн> = j (C>вых >+ С>н>),
где C>вых >= С>К> = 7 пф, а С>н >= 50 пф,
1
g>н >= –– ,
R>Н>
следовательно
h>21Э> g>вх>
К>U> = ––––––––––––––––––––––– .
1 1
j (C>вых >+ С>н>) + –– + ––
R>Н >R>К>
Подставляя численные значения номиналов и находя модуль коэффициента усиления, имеем
________
К>U> = a / (b2 + c2) ,
где
а = 320,
b = 2.29,
c = 0.57 · 107> >.
Из полученного выражения легко видеть, что при увеличении частоты коэффициент усиления падает, что и изображено на рис 11,12 приложения 1 (АЧХ каскада на высоких частотах).
Расчет частотной характеристики каскада с элементом ВЧ коррекции
Для поднятия АЧХ каскада на высоких частотах в цепь коллектора транзистора вводят элемент ВЧ коррекции в виде дросселя с индуктивностью L. В нашем случае необходимо ввести L = 0.01 мГн.
Схема такого каскада представлена на рис.1 приложения 2.
Расчет резистивного каскада с вышеупомянутыми изменениями в целом аналогичен расчету каскада без коррекции для высоких частот (см. п. 2.2), за исключением того, что в выражение для проводимости коллекторной ветви схемы будет входить кроме R>К> также еще и сопротивление дросселя, зависящее от частоты: jL.
Эквивалентная схема для нижеследующего расчета представлена на рис.2 приложения 2.
Итак, коэффициент усиления каскада по напряжению
h>21Э> g>вх>
К>U> = ––––––––––––––––––– .
g>Cвых> + g>Rк >+ g>Rн >+ g>Cн>
Здесь
g>Cвых> + g>Cн> = j (C>вых >+ С>н>),
где C>вых >= С>К> = 7 пф, а С>н >= 50 пф,
1
g>н >= –– ,
R>Н>
а
1
g>к> = –––––––––,
R>К> + jL
Подставляя выражения для проводимостей в выражение дла К>U>, а затем приведя получившееся выражение к стандартному виду, имеем:
h>21Э> g>вх>
K>U >= ––––––––––––––––––––––––––––––––––––––––––––––––––––––.
j [ (C>вых >+ С>н>) – L / (R>К>2 + 2 L2)] + 1 / R>Н> + R>К> / (R>К>2 + 2 L2)
Отсюда, подставив значения констант и упростив полученне выражение, найдем модуль коэффициента усиления каскада по напряжению в виде
________
К>U> = a / (b2 + c2) ,
где
а = 320 · 10–3,
1
b = 3.33 · 10–4 + ––––––––––––––––––––,
510 + 1.96 · 10–132
10–5
с = 4 · 10–10 – –––––––––––––––––.
2.6 · 10–5 +10–102
Полученная зависимость коэффициента усиления от частоты представлена на одном рисунке (рис.3,4 приложения 2) с АЧХ каскада без коррекции. Рисунок наглядно показывает преимущества каскада с коррекцией перед каскадом без коррекции – АЧХ каскада остается линейной далеко за пределами заданной верхней граничной частоты.
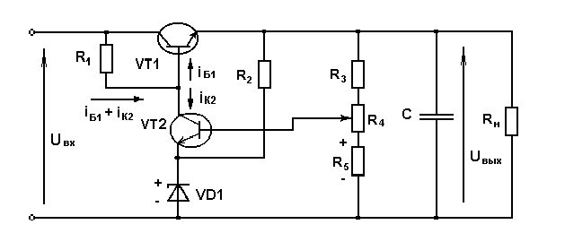
Расчет компенсационного стабилизированного источника напряжения компенсационного типа
Для нормальной работы усилителя на него необходимо подавать устойчивое постоянное напряжение питания. Так как для реализации этого условия простого выпрямителя переменного напряжения недестаточно, между последним и усилительным устройством ставят стабилизатор напряжения, который сглаживает пульсации напряжения питания, тем самым обеспечивая корректную работу усилительного устройства.
Компенсационный стабилизатор напряжения представляет собой управляемый делитель входного напряжения, состоящий из сопротивления нагрузки и регулирующего элемента, работающего в линейном (усилительном) режиме. Выходное напряжение стабилизатора сравнивается с эталонным (опорным) и возникающий при этом сигнал рассогласования усиливается усилителем и воздействует на регулирующий элемент стабилизатора таким образом, чтобы выходное напряжение стремилось достичь эталонного уровня.
Принципиальная схема компенсационного стабилизатора напряжения приведена на рис.1 приложения 3.
Исходные параметры стабилизатора следующие:
– нестабильность входного напряжения a>вх>...................................0.15
– нестабильность выходного напряжения а>вых>...............................0.001
– выходное напряжение U>вых>, В.......................................................12
Максимальный выходной ток I>вых> есть сумма токов делителя и коллектора, т.е.
E>К>
I>вых >= I>дел >+ I>К0 >= ––––––– + I>К0 >= 8.4 мА,
R>1 >+ R>2>
или, с запасом,
I>вых >= 10 мА.
Входное напряжение стабилизатора выберем из условия
U>вх> – U>вх >> U>вых> + U>вых> ,
или
U>вх> (1 – a>вх>)> >> U>вых> (1 + а>вых>),
или, подставив числа,
U>вх> > 14.2 В.
Выберем значение входного напряжения с запасом:
U>вх >= 18 В.
Далее, максимальное напряжение эмиттер-коллектор транзистора VT1
U>КЭ1макс> = U>вх> + U>вх >– U>вых> + U>вых> = 8.7 В.
Выберем транзистор VT1 таким же, как и транзистор усилителя: КТ315Б. Для него
U>КЭ1макс> = 8.7 В < U>КЭ макс доп> = 25 В,
а
I>К1> I>н макс> = 10мА < I>К доп> = 100мА.
Выберем опорный стабилитрон из соображений, что напряжение на нем должно быть меньше минимального выходного напряжения стабилизатора:
U>оп >< U>вых> – U>вых >.
Выбираем стабилитрон КС168А, т.к. его опорное напряжение – 6.8 В – удовлетворяет поставленному условию. Теперь выберем транзистор VT2, задавшись максимальным напряжением коллектор-эмиттер:
U>КЭ2макс> = U>вых макс> – U>оп> = U>вых> + U>вых >– U>оп >= 5.2 В.
Из соображений технологической простоты и стоимости выберем транзистор таким же, как и предыдущий – КТ315Б – так как он удовлетворяет поставленному условию.
Номиналиный ток стабилитрона I>ст>>.>> ном> = 20мА. Зададимся I>Э2> = 10 мА, тогда
| U>вых> – U>оп> |
R>2> = –––––––––––– = 0.51 кОм,
I>ст>>.>> ном> – I>Э2>
а
| U>вх> – U>н макс>|
R>1> = ––––––––––––– = 0.6 кОм.
I>Б1 макс> – I>К2>
Здесь
I>н макс>
I>Б1 макс> = ––––––– = 0.2 мА.
>1> + 1
Теперь рассчитаем сопротивления делителя R>3>R>4>R>5> .
| U>вых мин> – U>оп> |
R>3> = ––––––––––––– = 1.8 кОм,
I>дел>
где
I>К2>
I>дел >= 15...20 ––– = 3мА;
>2>
далее,
| U>вых макс> – U>оп> |
R>4> = ––––––––––––– = 1.8 кОм,
I>дел>
а
| U>оп> |
R>5> = –––––––– = 1.8 кОм.
I>дел>
Расчет выпрямителя
Выпрямитель источника напряжения строится по схеме, и изображенной на рис. 2 приложения 3. Трансформатор Т понижает напряжение сети до 18 В, диоды V1-V4, включенные по мостовой схеме, выпрямляют это напряжение, а конденсатор фильтра C>ф> сглаживает его пульсации.
Нагрузкой выпрямителя является стабилизатор напряжения питания усилителя, отсюда имеем исходные параметры для расчета выпрямителя:
U>н> = 18 В,
I>н >>макс> = 0.1 А.
Далее, зная ток нагрузки, определяем максимальный ток, текущий через каждый диод выпрямительного моста:
I>VD> = 0.5 · А · I>н>> max >= 0.12 А
Здесь А ~ 2.4.
Т. о., для выпрямителя можно использовать диоды серий Д7, Д226, Д229 с любыми буквенными обозначениями, поскольку их средний выпрямленный ток и обратное напряжение значительно больше расчетных.
Выбираем диоды Д226Б.
Обратное напряжение диодов должно быть в 1.5 раза больше напряжения источника питания:
U>обр >= 1.5 · U>н> = 27 В
Емкость фильтрующего конденсатора определяют по формуле:
I>н>
С>ф> = 3200 · ––––––––– [мкФ],
(U>н> · K>п> )
где K>п> – коэффициент пульсаций выпрямленого напряжения – обычно берется равным 0.01, откуда
С>ф> = 2000 мкФ.
Номинальное напряжения конденсатора С>ф> берем равным 25В.
Теперь произведем электрический расчет трансформатора блока питания. Габаритная мощность трансформатора
P>Г> = U>Н> I>Н >/ = 2.25 Вт.
Здесь = 0.8 – коэффициент полезного действия трансформатора. Им мы задаемся.
Далее, площадь сечения сердечника составит
–––
S = 1.2 P>Г >= 1.8 см.
Легко видеть, что в данном случае имеет смысл использовать магнитопровод с минимальной площадью сечения сердечника, поэтому принимаем магнитопровод УШ15x15 (площадь поперечного сечения принимается равной 2,25 см2).
Далее, рассчитываем число витков на 1 вольт:
k
n = –– = 18,
S
где k берется равным 40. Теперь число витков первичной обмотки
W>I> = U>I> · n = 3960,
а вторичной
W>II> = U>I> · n = 324.
Ток первичной обмотки
P>Г>
I>I> = ––– = 8.2 мА.
U>I>
Выберем для обеих обмоток провод ПЭВ-2. Диаметр провода первичной обмотки
––
d>I> = p I>I > = 0.06 мм,
где p = 0.69 для выбранного типа провода. Диаметр провода вторичной обмотки
––
d>II> = p I>II > = 0.1 мм.
Таким образом, для первичной и вторичной обмоток трансформатора можно использовать провод диаметром 0,1…0,12 мм.
Заключение
В результате выполнения курсового задания я разобрался в принципах работы усилителя электрических сигналов, научился рассчитывать резисторный каскад предварительного усиления, частотные характеристики такого каскада, а также транзисторный стабилизатор напряжения.
Список литературы
1. Бурин Л. И., Васильев В. П., Каганов В. И. под редакцией Линде Д. П. Справочник по радиоэлектронным устройствам; том 2. – М.: Энергия. 1978. –440 с.
2. Гершунский Б. С. Расчет основных электронных и полупроводниковых схем на транзисторах. – К.: Изд. Киев ун-та. 1968. –422 с.
3. Изюмов Н. М., Линде Д. П. Основы радиотехники, 2-е издание, переработанное. – М.-Л.: Энергия. 1965. –480 с.
4. Лавриненко В. Ю. Справочник по полупроводниковым приборам; 8-е издание, переработаное. – К: Техніка. 1977. –376 с.
5. Редзько К. В., Досычев А. Л. Сборник задач и упражнений по радиоприемным устройствам. – М.: Высшая школа. 1981. –296 с.
6. Скаржепа В. А., Новацкий А. А., Сенько В. И. Электроника и микроэлектроника: лабораторный практикум. – К.: Высшая школа. 1989. –297 с.
7. Терещук Р. М., Терещук К. М., Седов С. А. Полупроводниковые приемно-усилительные устройства: Справочник радиолюбителя, 4-е издание, стереотипное. – К.: Наукова думка 1989. –800 с.
8. Терещук Р. М., Терещук К. М., Чаплинский А. Б., Фукс Л. Б., Седов С. А. Малогабаритная радиоаппаратура: Справочник радиолюбителя, 3-е издание, переработанное и дополненое. – К.: Наукова думка. 1975. –600 с.
9. Усатенко С. Т., Каченюк Т. К., Терехова М. В. Графическое изображение электрических схем: Справочник. – К.: Техника. 1986. –120 с.
10. Цыкин Г. С. Электронные усилители, 3-е издание, дополненое. – М.: Связь. 1965. –512 с.
11. Цыкина А. В. Усилители. – М.: Связь. 1972. –360 с.
12. Беляев С.В., Кабызев Г.Н. Усилительные устройства. –М.: МВГУ, 1977, - 98 с.
13. Фишер Дж.Э., Гетланд Х.Б. Электроника от теории к практике. - М.: Энергия, 1980, - 398 с.
14. Борисов В.Г. Кружок радиотехнического конструирования. - М.: Просвещение, 1990, - 224 с.
15. Манаев Е.И. Основы радиоэлектроники. - М.: Радио и связь, 1985, - 488 с.
16. Скаржепа В.А. и др. Электроника и микросхемотехника. Лабораторный практикум. - К.: Вища школа, 1989, - 279 с.
Приложение 1

Рис.1. Принципиальная схема усилительного каскада

Рис.2. Выходная характеристика транзистора КТ315Б.

Рис.3. Входная характеристика транзистора КТ315Б.

Рис.4. Эквивалентная схема каскада для расчета АЧХ на низких частотах.

Рис.5. Эквивалентная схема каскада для расчета АЧХ на средних частотах.

Рис.6. Эквивалентная схема каскада для расчета АЧХ на высоких частотах.

Рис 7. АЧХ каскада в диапазоне 10 ... 100 рад/с.

Рис 8. АЧХ каскада в диапазоне 100 ... 1000 рад/с.

Рис 9. АЧХ каскада в диапазоне 103 ... 104 рад/с.

Рис 10. АЧХ каскада в диапазоне 104 ... 105 рад/с.

Рис 11. АЧХ каскада в диапазоне 105 ... 2 · 106 рад/с.

Рис 12. АЧХ каскада в диапазоне 2 · 106 ... 4 · 107 рад/с.
Приложение 2

Рис.1. Принципиальная схема усилительного каскада с элементом ВЧ коррекции.

Рис.2. Эквивалентная схема каскада для расчета АЧХ на высоких частотах.

Рис 3. АЧХ каскада с коррекцией и без коррекции в диапазоне 105 ... 2 · 106 рад/с.

Рис 4. АЧХ каскада с коррекцией и без коррекции в диапазоне 2 · 106 ... 4 · 107 рад/с.
Приложение 3

Рис.1. Принципиальная схема стабилизатора напряжения питания

Рис.2. Принципиальная схема выпрямителя
Спецификация 1
Усилительный каскад
|
Обозначение |
Наименование |
Кол-во |
Примечание |
|
Резисторы |
|||
|
R>э> |
МЛТ - 0.125 - 300 5% |
1 |
|
|
R>к> |
МЛТ - 0.125 - 510 5% |
1 |
|
|
R>1> |
МЛТ - 0.125 - 20к 10% |
1 |
|
|
R>2> |
МЛТ - 0.125 - 8к6 10% |
1 |
|
|
Конденсаторы |
|||
|
С>к> |
К 50 - 6 - 15 - 6F |
2 |
|
|
С>э> |
К 50 - 6 - 15 - 6000F |
1 |
|
|
Транзисторы |
|||
|
VT |
КТ315Б |
1 |
Спецификация 2
Стабилизатор напряжения
|
Обозначение |
Наименование |
Кол-во |
Примечание |
|
Резисторы |
|||
|
R>1> |
МЛТ - 0.125 - 600 5% |
1 |
|
|
R>2> |
МЛТ - 0.125 - 510 5% |
||
|
R>3>,R>4> |
МЛТ - 0.125 - 1к8 5% |
2 |
|
|
R>5> |
МЛТ - 0.125 - 2к2 5% |
1 |
|
|
Диоды |
|||
|
VD1 |
КС168А |
1 |
|
|
Транзисторы |
|||
|
VT1,VT2 |
КТ315Б |
2 |
Спецификация 3
Источник питания
|
Обозначение |
Наименование |
Кол-во |
Примечание |
|
Конденсаторы |
|||
|
С>ф> |
К 50 - 6 - 25 - 2000F |
1 |
|
|
Диоды |
|||
|
V1,V2,V3,V4 |
Д226Д |
4 |