Синтез логической функции и анализ комбинационных схем
МІНІСТЕРСТВО ОСВІТИ І НАУКИ УКРАїНИ
СУМСЬКИЙ ТЕХНІКУМ ХАРЧОВОї ПРОМИСЛОВОСТІ
П О Я С Н Ю В А Л Ь Н А З А П И С К А
ДО КУРСОВОї РОБОТИ
НА ТЕМУ:
«Синтез логічної функції та аналіз комбінаційних схем»
по курсу
“Прикладна теорія цифрових автоматів”
Керівник роботи: Оксана ВалеріївнаКущенко
Роботу виконав студент групи е-03: Андрій Сергійович .Зігуля
2000
РОЗГЛЯНУТО НА ЗАСІДАННІ ЦИКЛОВОї КОМІСІї
ЕЛЕКТРОННО-ОБЧИСЛЮВАЛЬНОї ТЕХНІКИ
“ ” 2000р. ПРОТОКОЛ № .
голова комісії О.І.Перелука
Сумський технікум харчової промисловості
Спеціальності 5.091504 “Обслуговування комп`ютерних та інтелектуальних систем і мереж”
Курс Група Семестр .
З А В Д А Н Н Я
НА КУРСОВУ РОБОТУ
1
.Тема
роботи:
2
.Термін
здачі студентом закінченої роботи:
3
.Вихідні
дані до роботи:
З
міст
пояснювальної записки (перелік питаннь,
що підлягають розробці):
4
.Перелік
графічного матеріалу (з точним вказанням
обов`язкових креслень):
Дата видачі: 2000р.
Дата закінчення: 2000р.
Студент: .
Консультант: .
Викладач-керівник: .
Зміст
|
Сторінка |
Вступ
Значення імпульсної техніки в радіоелектроніці
Імпульсні режими роботи відіграють велику роль в радіоелектроніці. Імпульсний метод роботи дає можливість знайти принципіальне і поруч з цим просте рішення такої важливої задачі, як вимірювання відстанейй за допомогою радіоволн, що викликало розвиток імпульсної радіолокації. Цей же принцип використовується в радіонавігації (в імпульсних системах управління літаками, а також визначення виссоти їхнього польоту). Імульсні методи роботи дають змогу зробити кодирований зв`язок, який відрізняється високою скритністю і захищеністю від завад, а також багатоканальний зв`язок на одній волні. Широко використовуються імпульсні режими у телебаченні, де сигнали зображення і синхронізації являються імпульсними, радіотелеуправлінні повітряними апаратами, в космічній радіоелектронній і електронній апаратурі, в інформаційно-вимірювальній техніці і при різних областях науки і техніки.
Важливу виконуючу роль відіграють імпульсні методи роботи у сучасних ЕОМ і різних цифрових автоматах, при автоматичній обробці інформації.
В широко розвинених каскадах таких автоматів виконуються різні функціональні перетворення імпульсних сигналів, передаючих інформацію і виконуються потрібні логічні операції над імпульсами за допомогою спеціальних логічних схем і пристроїв селекції імпульсів. Таким шляхом виконується виділення імпульсних сигналів , несучих інформацію, аналіз і впізнавання потрібного змісту інформації і форматування сигналів для регістрації обработаної інформації або для управління роботою пристроїв, реалізуючих прийняту інформацію.
Розвиток автоматичних методів обробки інформації тісно пов`язаний з розвитком швидкодіючих ЕОМ і цифрових автоматів на основі широкого використання напівпровідникових пристроїв і високо надійних мікро-електронних схем, також працюючих в імпульсному режимі.
1. Переведення чисел в різні системи счислення
Існують два способи перекладу чисел з однієї позиційної системи числення з основою h в іншу з основою h*. Вони відрізняються один від одного системою числення, в якій виробляються дії над числами в процесі перекладу.
Розглянемо перший спосіб перекладу з використанням арифметики початкової системи числення. Для цього способу порядок перекладу цілих чисел відрізняється від перекладу дробів. Для того щоб перевести ціле число Х з системи з основою h в нову систему з основою h*, необхідно послідовно ділити задане число і що виходять в процесі розподілу приватні на основу нової системи h*, виражену в колишній (початкової) системі, доти, поки останнє приватне не виявиться менше нової основи h*. Результат перекладу запишеться у вигляді послідовності цифр, записаних зліва направо починаючи з останнього приватного і кінчаючи першим залишком (тобто число молодшого розряду є перший залишок і т. д.). Всі арифметичні дії в процесі розподілу числа виготовляються в початковій h-системі.
Задані 5ть десяткових цифр перевести в коди:
д
війковий:
1
.1.1
4 2

- 4 2 2
0
2 1
0
4>(10)>=100>(2)>
1




.1.2
6 2

- 6 3 2
0
2 1
1
6>(10)>=110>(2)>
1

.1.3
8 2


- 8 4 2
2
0
4 2 1

0 2
0
8>(10)>=1000>(2)>
1

.1.4
12 2


- 12 6 2
2
0
6 3 1

0 2
1
12>(10)>=1100>(2)>
1

.1.5
15 2


- 14 7 2
2
1
6 3 1

1 2
1
15>(10)>=1111>(2)>
вісімковий:
4>(10)>=4>(8)>
6>(10)>=6>(8)>
8>(10)>=10>(8)>
12>(10)>=14>(8)>
15>(10)>=17>(8)>
шістнадцятковий:
4>(10)>=4>(16)>
6>(10)>=6>(16)>
8>(10)>=8>(16)>
12>(10)>=С>(16)>
15>(10)>=F>(16)>
2.Виконання арифметичних дій в різних позиційних системах
2.1 До першого числа додати четверте:
Додавання у різних системах счисленя відбувається по аналогії з додаванням у десятковому коді, але за один десяток в різних системах числення вважається різне число, наприклад у восмирічній 10>(10)>=8>(8)> і т.д.
2.1.1 0100>(2)>+1100>(2)>=100000>(2)>
1
0100


+ 1100
10000
2.1.2 4>(8)>+8>(8)>=16>(8)>
4
+ 8
16
2.1.2 4>(16)>+С>(16)>=10>(16)>
4
+ С
10
2.2 помножити друге число на третє:
Множення, у різних системах счисленя, також відбувається по аналогії з множенням у десятковому коді, але за один десяток в різних системах числення вважається різне число.
2.2.1 0100>(2)>1100>(2)>=0110000>(2)>
0100

1100
0000
+ 1000
+ 1000
+ 0000
0110000
2.2.2 14>(8)>6>(8)>=92>(8)>
3
14
6
110
2.2.3 С>(16)>6>(16)>=48>(16)>
3
12



6
72
16
+ 64 4
8
2.3 відняти двійковий код 2го числа від 5 у прямому зворотньому та додатковому коді:
2.3.1 віднімання в прямому коді:
1111
0110
1001 3 2 1 0
Перевірка -> 15>(10)>-6>(10)>=9>(10)> 1001>(2)>=23+30=8+1=9>(10)>
2.3.2 віднімання у зворотньому коді:
0 1111
1
0110
1
01000
1

1001
2.3.3 віднімання у додатковому коді:
1111
0110
1001
0110 – прямий код
1001 – зворотній код
1010 – додатковому коді
3.Побудова таблиці становищ та аналітичного виразу логічної функції
2.4 Скласти таблицю станів з двох кодів:
|
х>1>х>2>х>3>х>4> |
У |
|
|
1 2 3 4 5 |
0 1 0 0 0 1 1 0 1 0 0 0 1 1 0 0 1 1 1 1 |
0 0 1 1 1 |
3. За складеною таблицею і заданою функцією у:
3.1 Знаййти аналітичний вираз логічної функції за допомогою СДНФ:
_ _ _ _ _
f=x>1 >x>2 >x>3 >x>4> x>1 >x>2 >x>3 >x>4> x>1 >x>2 >x>3 >x>4>
3.2 Знаййти аналітичний вираз логічної функції за допомогою СКНФ:
_ _ _
f=(x>1>x>2>x>3>x>4>)(x>1>x>2>x>3>x>4>)
3.3 Мінімізувати отримані логічні функції використовуючи карти Карно та закони булевої алгебри:
_ _ _ _ _
СДНФ: f=x>1>x>3>x>4>(x>2>x>2>)x>1>x>2>x>3>x>4>=x>1>x>3>x>4>x>1>x>2>x>3>x>4>
СКНФ:
f=x>1>x>1>x>2>x>1>x>3>x>1>x>4>x>2>x>1>x>2>x>2>x>3>x>2>x>4>x>3>x>1>x>3>x>2>x>3>x>4>x>4>x>1>x>4>x>2>x>4>x>3>x>4>
Карта Карно:
|
1 |
1 |
||
|
1 |
|||
Мал.1

Мал.2
3.5 Записати отримане рівняння:
_ _
y=x>1>x>3>x>4>x>1>x>2>x>3>x>4>
4.Мінімізація логічних функцій в різних базисах
Мінімізація – називається пошук коротких форм представлення, перемикаючих функцій для скорочення числа фізичних елементів призначених для реалізації цих функцій.
Мінімізація досягається за допомогою законів булевої алгебри.
Існує декілька законів:
Аналітичний.
Графічний.
3.6 Синтезувати мінімізовану функцію в базисах И-НЕ, И-ИЛИ-НЕ, ИЛИ-НЕ.
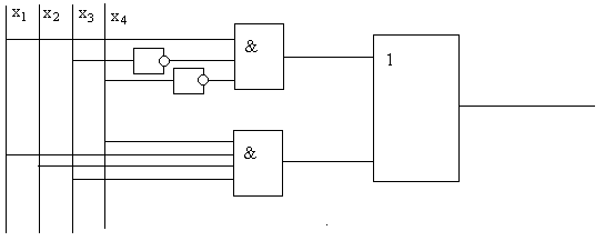
И-ИЛИ-НЕ

Мал.3 Базис И-ИЛИ-НЕ
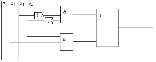
И-НЕ

Мал.4 Базис И-НЕ

_
_
y=x>1>x>3>x>4>x>1>x>2>x>3>x>4>
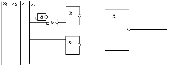
ИЛИ-НЕ



_ _
y=x>1>x>3>x>4>x>1>x>2>x>3>x>4>

Мал.5 Базис ИЛИ-НЕ
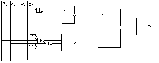
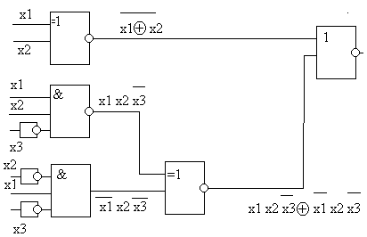
5.Аналіз заданої схеми
Проаналізувати задану схему:
намалювати задану схему:

Мал 6. Задана схема.
скласти аналітичний вираз функції заданої схеми:
_ _ _
y
=(x>1>x>2>)((x>1>x>2>x>3>)(x>1>x>2>x>3>))
Висновок
При виконанні цієї курсової роботи я закріпив той матеріал, який ми проходили по курсу “Прикладна теорія цифрової автоматизації”. Також зрозумів практичне примінення синтезу логічних функцій та аналізу комбінаційних схем.
Література:
1. Я.С.Ицхоки, Н.И.Овчинников “Импульсные и цифровые устройства” Москва “Советское радио” 1973.
2. Б.А.Трахтенброт “Алгоритмы и вычислительные автоматы” Москва “Советское радио” 1974
3. О.В.Кущенко “Конспект лекцій з предмету: “Прикладна теорія цифрових автоматів”” Суми СТХП 2000