Теория электрических цепей (работа 3)
СОДЕРЖАНИЕ:
1 Перечень сокращений и условных обозначений 2
2 Задание на курсовую работу 3
3 Комплексная схема замещения 6
4 Расчет токов по законам Кирхгофа 9
5 Расчет токов по МКТ и КУП 11
5.1 Расчет токов по МКТ 11
5.2 Расчет токов по МУП 13
5.3 Сравнение токов в ветвях цепи 15
6 Расчет напряжений на пассивных элементах цепи 16
7 Проверка выполнения баланса мощностей 17
8 Построение графика изменения комплексного потенциала 18
10 Список использованной литературы 19
11 Приложение 1 20
12 Приложение 2 21
13 Приложение 3 22
1 ПЕРЕЧЕНЬ СОКРАЩЕНИЙ И УСЛОВНЫХ
ОБОЗНАЧЕНИЙ:
МКТ - метод контурных токов.
МУП - метод узловых потенциалов.
КДЗ - комплексное действующее значение.
2 Задание на курсовую работу.
Целью данной работы является анализ электрической цепи гармонического тока.
Задание:
Для заданного графа ЭЦ (рисунок 1) изобразить электрическую схему цепи для мгновенных значений;
Изобразить комплексную схему замещения;
На основании законов Кирхгофа составить систему уравнений для расчета комплексных действующих значений токов во всех ветвях цепи;
Определить комплексные действующие значения токов ветвей по МКТ и МУП.
Результаты расчетов свести в таблицу.
Проверить выполнение условия баланса мощностей в цепи;
В масштабе построить график изменения комплексного потенциала вдоль внешнего контура схемы.

Рисунок 1. Расширенный граф цепи.
-
1
1'
1''
2
2'
2''
3
3'
3''
R1
L1
C1
R2
--
C2
R3
L3
C3
4
4'
4''
5
5'
5''
6
6'
6''
-e4
R4
L4
J5
R5
C5
--
L6
C6
Таблица 1. Элементы ветвей.

Рисунок 2. Электрическая цепь.
Элементы изображённые на схеме рассчитываются исходя из номера варианта и номера группы. В моём случае n=18, m =1 (т.к. Вариант - 18, а группа - 9011).




Мгновенные значения источников рассчитываются следующим образом:


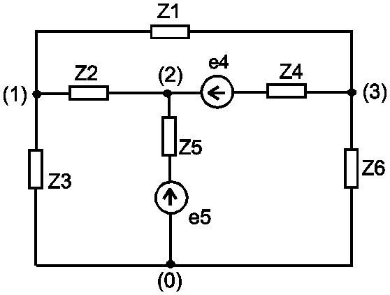
3 Комплексная схема замещения.
Необходимым этапом расчета сложных электрических цепей переменного тока является изображение комплексной схемы замещения. На этой схеме реактивные элементы замещаются комплексными сопротивлениями, источники напряжения (или тока) имеют мгновенные значения.

Рисунок 3. Комплексная схема замещения.
Ветвь 1:


Ветвь 2:



Ветвь 3:


Ветвь 4:


Ветвь 5:



Ветвь 6:


4 Расчет токов по законам Кирхгофа.
Зададим произвольные направления токов в ветвях цепи:

Рисунок 4. Положительные направления токов.
Для расчетов по законам Кирхгофа требуется знать действующие значения источников. Комплексное действующее значение можно рассчитать по формуле /1/:

где :

Рассчитаем их:


Получили систему уравнений:


Для расчета системы уравнений воспользуемся программой - MathCAD 2000 Professional. Распечатка решения приведена в Приложении 1.
Решение системы уравнений:

5 Расчет токов Методом Контурных Токов и Методом Узловых потенциалов.
Расчет токов Методом Контурных Токов.
Суть данного метода заключается в том, что вместо реально действующих токов в ветвях цепи, находят контурные токи. В основе этого метода лежит второй закон Кирхгофа. Однако в отличие от расчета токов по первому и второму Кирхгофа данный метод позволяет сократить количество уравнений.
Прежде всего, зададим произвольные направления контурных токов:

Рисунок 5. Положительные направления контурных токов.
Составим систему уравнений по второму закону Кирхгофа, учитывая действующие значения ЭДС:



Для расчета системы уравнений воспользуемся программой - MathCAD 2000 Professional. Распечатка решения приведена в Приложении 2.
Р
ешив
систему уравнений, получили следующие
контурные токи:
З
адав
направления токов, как и в решении по
законам Кирхгофа (см. рисунок 4), получили
следующие значения токов:
Метод Узловых Потенциалов.
Данный метод основан на первом законе Кирхгофа и на законе Ома. Он позволяет сократить число уравнений.

Рисунок 6. Узлы электрической цепи.
Составим уравнения по первому закону Кирхгофа:

Примем за ноль потенциал узла (0) т.е. 0 = 0.
Тогда токи в ветвях, согласно закону Ома:

Где: g>k>=1/Z>k> - проводимость, k = 0…6.
Подставив токи в уравнения составленные по первому закону Кирхгофа, получили систему уравнений:

После несложных преобразований система принимает вид:

Система уравнений содержит всего три неизвестных (1, 2, 3). Для расчета системы уравнений воспользуемся программой - MathCAD 2000 Professional. Распечатка решения приведена в Приложении 3.
Р
ешив
систему уравнений и учитывая, что 0
= 0 получили потенциалы:
В
оспользовавшись
уравнениями для расчета токов, получили:
Сравнение токов в ветвях цепи.
"Сведём" токи полученные в различных решения в таблицу:
|
i |
По Кирхгофу |
МКТ |
МУП |
|
1 |
-1,013 + 0,653j |
-1,013 + 0,653j |
-1,013 + 0,653j |
|
2 |
-4,759 + 1,591j |
-4,759 + 1,592j |
-4,754 + 1,591j |
|
3 |
3,746 - 0,939j |
3,746 - 0,939j |
3,746 - 0,939j |
|
4 |
0,507 - 0,806j |
0,507 - 0,806j |
0,507 - 0,806j |
|
5 |
-5,266 + 2,398j |
-5,266 + 2,398j |
-5,266 + 2,398j |
|
6 |
1,52 - 1,459j |
1,52 - 1,459j |
1,52 - 1,459j |
Таблица 2. Сравнение токов.
Небольшую разницу в значениях токов можно объяснить разной степенью точности вычислений и округлений.
Расчет напряжений на пассивных элементах
цепи:
Для расчета напряжений на элементах цепи воспользуемся законом Ома в комплексной форме:

Д
ля
нашей схемы получается:
7 Проверка выполнения баланса мощностей.
Условие баланса мгновенных мощностей может быть сформулировано следующим образом: сумма мгновенных мощностей, отдаваемых всеми источниками, равно сумме мгновенных мощностей, потребляемых всеми приемниками энергии.
Проверим выполнение этого условия для нашей схемы:
Учитывая то, что все токи округлены до третьего знака после запятой а также то, что вычисления в MathCAD-е также обладают погрешностью, можно сказать что баланс выполняется.
7 Построение графика изменения комплексного
потенциала.
8 Список использованной литературы:
В. П. Попов.
" Основы теории цепей"
Москва, "Высшая школа", 1985г.
Г. В. Зевеке, П. А. Ионкин, А. В. Нетушил, С. В. Страхов.
" Основы теории цепей"
Москва, "Энергоатомиздат", 1989г.
А. К. Лосев.
" Теория линейных электрических цепей"
Москва, "Высшая школа", 1987г.