Тиристорные устройства для питания автоматических телефонных станций
4
Содержание
|
Задание к дипломному проекту |
2 |
|
|
Введение |
6 |
|
|
1 |
Электропитающие устройства АТС |
9 |
|
1.1. |
Электрические машины постоянного тока |
9 |
|
1.2. |
Электрические машины переменного тока |
9 |
|
1.3. |
Трансформаторы |
10 |
|
1.4. |
Источники вторичного питания |
11 |
|
1.5. |
Вентили |
12 |
|
1.6. |
Аккумуляторы |
14 |
|
1.7. |
Выпрямители |
14 |
|
1.8. |
Преобразователи постоянного тока |
22 |
|
1.9. |
Электохимические элементы |
23 |
|
1.10. |
Непосредственные преобразователи энергии |
24 |
|
1.10.1. |
Термоэлектрические генераторы |
24 |
|
2. |
ВУТ |
26 |
|
2.1. |
Технические данные |
27 |
|
2.2. |
Силовая часть |
33 |
|
2.3. |
Система управления |
35 |
|
2.4. |
Конструкция |
38 |
|
3. |
Управляемые выпрямители на тиристорах |
40 |
|
3.1. |
Тиристоры |
42 |
|
4. |
Расчет управляемого выпрямителя на тиристорах |
53 |
|
5. |
Экология |
61 |
|
5.1. |
Защита от воздействия электромагнитного поля промышленной частоты |
61 |
|
5.2. |
Защита от радиоактивных излучений |
64 |
|
6. |
Охрана труда |
68 |
|
6.1. |
Санитарные нормы |
68 |
|
6.2. |
Организация рабочего места |
69 |
|
6.3. |
Освещение рабочего места |
71 |
|
6.4. |
Электробезопасность |
74 |
|
6.5. |
Шум и вибрация |
77 |
|
6.6. |
Микроклимат рабочей зоны |
80 |
|
6.7. |
Пожарная безопасность |
80 |
|
6.8. |
Особенности тушения пожара в электроустановках |
82 |
|
6.8.1. |
Огнетушители |
83 |
|
6.9. |
Защита от воздействия электромагнитного поля |
85 |
|
6.10. |
Режим работы |
88 |
|
7. |
Экономика |
90 |
|
7.1. |
Экономическое обоснование внедрения тиристорного выпрямителя типа ВУТ |
90 |
|
7.2. |
Капитальные вложения |
90 |
|
7.3. |
Эксплуатационные расходы |
92 |
|
7.4. |
Прибыль |
93 |
|
Литература |
96 |
Введение
Курс «Электропреобразовательные устройства РЭС» является одной из первых инженерных дисциплин специальности «Радиотехника», обеспечивающей подготовку радиоинженера в области силовых радиоэлектронных устройств, входящих в комплекс радиоэлектронных средств (РЭС) различного назначения.
Особенностью курса является то, что радиоинженеру независимо от его узкой специализации приходится не только выбирать, но и проектировать силовые устройства РЭС, такие, как стабилизирующие источники вторичного электропитания (ИВЭП) и их функциональные звенья (стабилизаторы напряжения и тока, преобразователи напряжения и т. д.).
Изучение этих общих для РЭС различного вида устройств, которые не связаны с формированием, усилением и обработкой колебаний радиочастоты, а служат для обеспечения работоспособности функциональных звеньев системы, решающих радиотехнические задачи, и составляет содержание курса «Электропреобразовательные устройства РЭС».
Круг электрических преобразователей, используемых в радиоэлектронике, достаточно широк. Так, электрический выпрямитель применяется для преобразования энергии переменного электрического тока, потребляемой от сети, в энергию постоянного электрического тока, требующуюся для питания РЭС. Преобразователи энергии постоянного электрического тока в энергию переменного тока называют инверторами. Устройства, питающиеся от сети постоянного тока и создающие на своем выходе также постоянный ток, но с другим напряжением, называют преобразователями напряжения (конвертерами). На переменном токе аналогичную задачу решают с помощью трансформаторов.
Когда необходимо поддержание постоянства выходного напряжения (тока), применяют стабилизаторы напряжения (тока). Используют как стабилизаторы постоянного напряжения (тока), так и стабилизаторы переменного напряжения (тока).
Преобразователями электрической энергии в механическую являются электрические двигатели, которые в радиотехнике позволяют осуществить перемещение антенн, а также настройку узлов РЭС и др. Обратное преобразование механической энергии в электрическую происходит в электрических генераторах, которые в некоторых радиоэлектронных системах являются первичными источниками электрической энергии для электропитания входящих в данную систему средств.
Характеристики электропреобразовательных устройств отражаются на характеристиках самих РЭС. Прежде всего, это относится к массогабаритным показателям (часто ИВЭП составляют до 60 % массы и объема аппаратуры), а также к надежности функционирования. Неисправности или неправильная работа источника приводят к полному отказу в работе РЭС. Именно по этим причинам проектирование источников вторичного электропитания проводят радиоинженеры.
Важными являются также и вопросы электромагнитной совместимости электропреобразовательных устройств с РЭС как той системы, в которой они используются, так и с РЭС других систем, работающих одновременно с первой.
Целью настоящего курса является ознакомление студентов с принципами построения эффективных преобразовательных устройств и методами проектирования их основных узлов с учетом конкретных требований к РЭС.
Количественный рост различных радиоэлектронных устройств и устройств связи, все более широко применяющихся в различных отраслях народного хозяйства, связан с увеличением потребляемой суммарной мощности источников электропитания. Разработка и создание рациональных источников электропитания становится актуальной проблемой.
Рассмотрение начинается с электрических машин и трансформаторов, так как они широко применяются в аппаратуре предприятий связи.
В главах, посвященных источникам вторичного электропитания, рассмотрена их работа, даны структурные схемы, а также расчетные соотношения для отдельных функциональных узлов. Подробно разобраны проблемы проектирования источников вторичного электропитания и приведены расчеты выпрямителей (на емкостную и индуктивную нагрузку), стабилизаторов параметрического и компенсационного типов на полупроводниковых приборах.
В разделе по электрохимическим источникам питания рассмотрены принципы действия гальванических элементов и аккумуляторов. Для преобразователей энергии приведены технические данные. Описание организации электроснабжения и особенностей распределения энергии, передающих и приемных радиоцентров, а также оборудования подстанций включает необходимый иллюстративный материал.
Защита источников вторичного электропитания в настоящее время приобретает важную роль из-за использования в них полупроводниковых приборов, весьма чувствительных к перегрузкам. Поэтому большое внимание уделено способам и схемам защиты источников вторичного электропитания.
Электропитающие устройства АТС.
1.1. Электрические машины постоянного тока.
Электрические машины, используемые в технике связи, при всем их разнообразии подразделяются на две группы:
1)генераторы - электрические машины, с помощью которых вырабатывается электрическая энергия;
2)двигатели - электрические машины, с помощью которых электрическая энергия преобразуется в механическую.
Принцип действия электрического генератора основан на законе электромагнитной индукции, который формулируется так: «При всяком изменении магнитного потока, пронизывающего проводящий контур, в этом контуре наводится электродвижущая сила (ЭДС)». Использование этой ЭДС позволяет преобразовывать механическую энергию в электрическую.
Если магнитный поток пересекает проводник, по которому течет электрический ток, то на этот проводник будет действовать механическая сила, это позволяет преобразовывать электрическую энергию в механическую. Электрическая машина, работающая на этом принципе, является двигателем.
По виду потребляемой или вырабатываемой электрической энергии электрические машины подразделяются на машины постоянного и переменного тока.
1.2. Электрические машины переменного тока.
Электрические машины переменного тока подразделяются на синхронные и асинхронные. У синхронных машин частота вращения ротора определяется выражением:
n=
,
т. е. число оборотов в минуту п
и частота f
в герцах наводимой ЭДС связаны
между собой прямо пропорциональной
зависимостью (частота вращения ротора
и частота наводимой ЭДС синхронны);
р - число пар полюсов
машины. Синхронные машины наиболее
часто используются в качестве генераторов.
Синхронные двигатели менее распространены,
и их используют там, где требуется
постоянство частоты вращения при
изменении нагрузки, а также в качестве
компенсаторов для повышения коэффициента
мощности электрических систем.
У асинхронных машин нет синхронности между частотой вращения ротора и частотой вращения магнитного поля. Асинхронные машины чаще используют в качестве двигателей.
1.3. Трансформаторы.
Трансформатором называется статическое электромагнитное устройство, с помощью которого происходит преобразование переменного напряжения одних параметров в переменное напряжение других параметров. В общем случае трансформатором преобразовывается не только величина напряжения, но и его форма, частота и т. д. Но наибольшее применение находят трансформаторы, в которых переменное напряжение преобразовывается по величине в напряжение, необходимое для питания той или иной установки. Эти трансформаторы называются трансформаторами питания (силовыми трансформаторами). Кроме трансформаторов питания существуют специальные трансформаторы - автотрансформаторы, измерительные трансформаторы, пик-трансформаторы и др. В настоящей главе рассматриваются лишь трансформаторы питания устройств связи и радиотехнических устройств.
Трансформаторы можно классифицировать по различным признакам. Различают их по мощности: маломощные (десятки вольт-ампер), средней (сотни вольт-ампер), и большой мощности (до нескольких тысяч киловольт-ампер); по конструкции: броневые, стержневые, бронестержневые, тороидальные; по числу фаз: однофазные, многофазные; по виду охлаждения: с естественным, воздушным и с масляным охлаждением.
Трансформаторы, питающиеся от однофазной сети переменного тока, называются однофазными, от трехфазной - трехфазными.
Как правило, при питании маломощных потребителей применяются однофазные трансформаторы питания, а в мощных питающих установках применяются трехфазные или многофазные трансформаторы.
1.4. Источники вторичного электропитания.
Источники электропитания подразделяются на первичные и источники вторичного электропитания (ИВЭ). К первичным относятся непосредственные преобразователи различных видов энергии в электрическую, а к источникам вторичного электропитания - преобразователи электрической энергии одного вида в электрическую энергию другого вида.
В качестве первичных источников применяются: энергосистема с тем или иным номинальным напряжением (сеть переменного или постоянного тока), химические источники тока (гальванические элементы, батареи), термо- и фотоэлектрические, акустические, топливные, биологические, атомные, механические преобразователи энергии в электрическую.
Наибольшее применение из первичных источников электроэнергии имеет сеть переменного тока, а из источников вторичного электропитания - выпрямители, стабилизаторы и преобразователи.
С помощью выпрямителя энергия переменного тока преобразуется в энергию постоянного тока. Ввиду разнообразия радиоэлектронной аппаратуры схемные и конструктивные решения выпрямителей различны. Выпрямители могут быть выполнены в виде отдельного блока, стойки или могут входить в общую конструкцию изделия (усилителя, приемника и т. д.).
Основное назначение стабилизатора - поддерживать постоянным выходное напряжение или ток в нагрузке. Стабилизатор с выпрямителем образует стабилизированный источник вторичного питания. Преобразователи, применяемые в источниках питания, служат в основном для преобразования напряжения постоянного тока в напряжение переменного тока или напряжение постоянного тока другого номинала.
1.5. Электрические вентили и их параметры.
Как выше отмечалось, для преобразования переменного тока в постоянный необходим прибор с односторонней (вентильной) электрической проводимостью. Такие приборы называются вентилями. В зависимости от принципа действия вентили можно подразделить на механические и электрические. Механические вентили в радиоаппаратуре практически не применяются в силу присущих им недостатков: громоздкость конструкции, наличие контактов, работа которых вызывает значительные электрические помехи как в цепях питания, так в цепях радиоаппаратуры, относительно малая надежность.
Для питания радиоустройств применяются электрические вентили. По характеру проводимости и способу воздействия на пропускаемый ток электрические вентили делятся на электровакуумные (кенотронные, ионные или газоразрядные) и полупроводниковые, управляемые и неуправляемые.

Рис. 1.1. Вольтамперная характеристика идеального вентиля (а), реального (б).
Основные свойства любого вентиля характеризуются с помощью вольтамперной характеристики, представляющей собой зависимость тока от напряжения, приложенного к вентилю I=f(U). На рис. 1.1, а изображена вольтамперная характеристика идеального вентиля. Из этой характеристики видно, что при сколь угодно малом приложенном напряжении U>пр> ток через идеальный вентиль течет только в одном направлении. Это объясняется тем, что сопротивление идеального вентиля в прямом направлении будет равно R>i>>пр>=0. При любых обратных напряжениях U>об>>р> вентиль имеет сопротивление R>i>>обр> =.
Реальный вентиль имеет вольтамперную характеристику, показанную на рис. 1.1,б, из которой видно, что при обратных напряжениях, близких к пробивному U>проб>. ток через вентиль в обратном направлении может быть значительным, а сопротивление в прямом направлении не равно нулю.
1.6. Аккумуляторы
В аккумуляторах происходит превращение электрической энергии в химическую, а затем - химической в электрическую. Аккумуляторы не производят электрическую энергию, они ее лишь накапливают при заряде и расходуют на подключенную нагрузку при разряде. Процесс отдачи накопленной энергии основан на обмене электронов между электродами при активном участии электролита. В электропитании устройств связи находят применение кислотные и щелочные аккумуляторы.
1.7. Выпрямители и фильтры.
Электрический выпрямитель широко применяют как наиболее универсальный преобразователь переменного тока в постоянный.
Выпрямление в электрическом выпрямителе достигается вследствие включения в его состав электрического вентиля, который пропускает ток преимущественно в одном направлении, (рис. 1.2, а).
При рассмотрении процессов выпрямления характеристику вентиля идеализируют, представляя ее (рис. 1.2, б) линейной ломаной кривой 1 (идеальный вентиль), 2 (идеализированный вентиль с потерями) или 3 (идеализированный вентиль с потерями и порогом выпрямления).
В качестве вентилей в настоящее время применяют в основном полупроводниковые диоды. Порог выпрямления кремниевых диодов лежит в пределах 0,4-0,8 В, а германиевых 0,15-0,2 В. Для низковольтных выпрямителей (выпрямленное напряжение менее 10 В) порог выпрямления кремниевых вентилей составляет заметную часть выходного напряжения; его следует учитывать при расчетах, выбирая в качестве расчетной модель вентиля с порогом выпрямления. Для выпрямителей с выходным напряжением более 10 В можно проводить расчет и на основе модели вентиля без порога выпрямления.
Угол наклона спрямленной характеристики вентиля с потерями определяет внутреннее сопротивление вентиля r>в>.
Значения сопротивлений r>в>, применяемых в настоящее время вентилей, составляют от десятков (слаботочные диоды) до долей Ом (сильноточные диоды).
Прямой ток вентиля ограничен его разогревом из-за потерь электрической мощности, пропорциональных падению напряжения на вентиле. При обратном напряжении вентиль пропускает хотя и малый, но отличный от нуля обратный ток. Этим током, как правило, пренебрегают.
Следует отметить, что малый обратный ток соответствует обратному напряжению, не превосходящему некоторого значения. За этим пределом обратный ток резко возрастает и вентиль пробивается. Это обстоятельство ограничивает значение обратного напряжения, которое может быть приложено к вентилю.
Схема простейшего электрического выпрямителя (рис. 1.3) содержит трансформатор, вентили и нагрузку.
Трансформатор необходим для преобразования напряжения сети в напряжение, удобное для дальнейшего выпрямления и гальванической развязки нагрузки выпрямителя от сети.
В общем случае трансформатор имеет m1 обмоток (фаз) в первичной цепи и m фаз во вторичной цепи.
В приведенной схеме как первичные, так и вторичные обмотки соединены звездой. В подавляющем большинстве схем вторичные обмотки именно так и соединяют. Что же касается первичных обмоток, то они могут соединяться и в многоугольник.

Рис. 1.2. Вольт-амперная характеристика вентиля.
Рис. 1.3. Вентиль.
К концу каждой из вторичных обмоток подсоединен анод вентиля. Катоды всех вентилей подсоединены к сборной шине, которая и является одним (в данном случае положительным) выводом выпрямителя. Второй вывод выпрямителя (отрицательный) берут от средней точки звезды вторичных обмоток трансформатора. К этим выводам и подключают нагрузку выпрямителя.
Из-за нелинейности характеристик вентилей ток в каждой из вторичных обмоток может проходить только в одну сторону. Через нагрузку проходит суммарный ток всех фаз (вентилей) вторичной обмотки, имеющий значительную постоянную составляющую (выпрямленный ток).
Если изменить полярность включения всех вентилей на обратную, т. е. подсоединить их катодами к концам вторичных обмоток, а анодами к сборной шине, то выпрямленное напряжение изменит свою полярность.
Для уменьшения переменных составляющих в выходном напряжении между нагрузкой и выпрямителем включают фильтр, называемый сглаживающим. Необходимость в фильтре вызвана тем, что мгновенная мощность переменного тока пульсирует во времени, а мгновенная мощность постоянного тока неизменна. Следовательно, для получения на выходе постоянного тока в выпрямителе должен быть элемент, запасающий избыток (по отношению к среднему значению) мощности в те моменты, когда мощность переменного тока близка к максимуму, и отдающий этот запас в нагрузку в моменты, соответствующие минимуму мгновенной мощности переменного тока.
Накопление (запасание) мощности можно осуществить лишь в реактивных элементах (катушках индуктивности или конденсаторах), поэтому фильтр должен содержать в своем составе хотя бы один такой элемент.

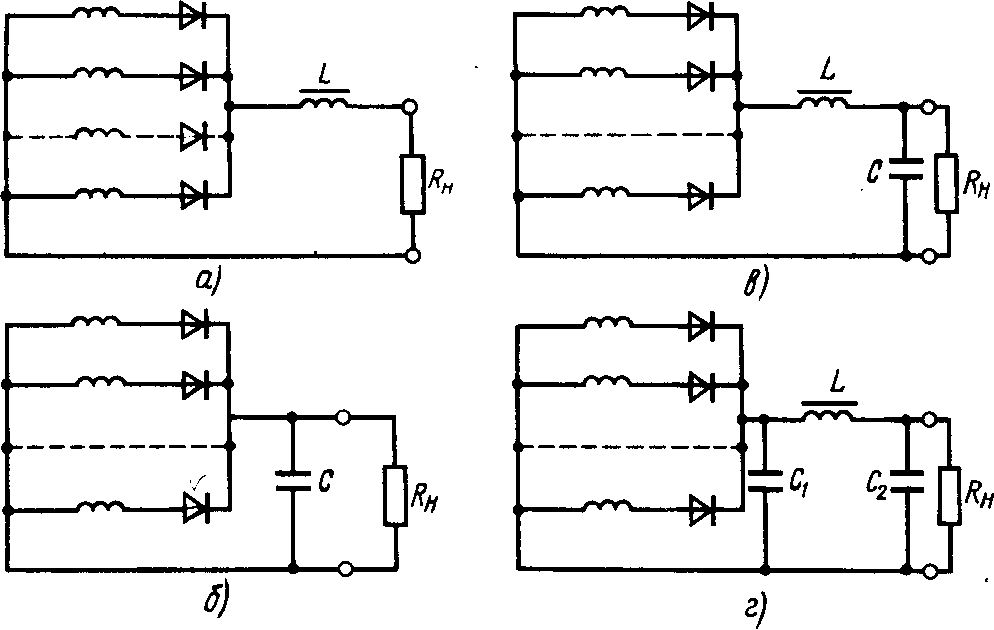
Рис. 1.4 Схемы выпрямителей, содержащих один накопительный элемент.
Из двух схем выпрямителей, содержащих один накопительный элемент (рис. 1.4, а, б), практическое применение находит лишь схема с конденсатором.
У схемы с дросселем нельзя получить малое выходное сопротивление для переменных составляющих тока нагрузки. Связано это с тем, что индуктивность дросселя L, по которому проходит весь ток нагрузки, для хорошего сглаживания пульсаций должна быть значительной. А при большой индуктивности дросселя на нем возникают большие падения напряжения при изменениях тока нагрузки.
С целью получения малого выходного сопротивления фильтра для переменных составляющих тока нагрузки его схему усложняют, включая второй реактивный элемент-конденсатор C (рис. 1.4, в).
Аналогичный фильтр для дополнительного сглаживания пульсаций (дроссель L и конденсатор С) можно подключать и к выпрямителю с емкостным накопителем (рис. 1.4, б).
Его схема для последнего случая показана на рис. 1.4, г.
Чем больше число фаз выпрямленного переменного напряжения, тем чаще и с меньшей амплитудой пульсирует мгновенная мощность переменного тока. Поэтому в многофазном выпрямителе снижается как запасаемая в реактивностях фильтра мощность, так и время, на которое она запасается, что. приводит к уменьшению габаритов и массы накопительных элементов.
При увеличении частоты переменного напряжения сокращается время, на которое запасается энергия в фильтре, что позволяет опять-таки уменьшить размеры и массу фильтра.
При большом числе фаз выпрямляемого напряжения можно добиться достаточно качественного выпрямления и без фильтра.
Включение того или иного фильтра на выход выпрямителя существенно сказывается на процессах, происходящих в самой выпрямительной схеме (вентилях и трансформаторе). Это объясняется тем, что цепи постоянного и переменного токов в электрическом выпрямителе связаны через вентили. Поэтому включение реактивного элемента в цепь постоянного тока выпрямителя сказывается на значении и форме тока в обмотках трансформатора, т. е. в цепи переменного тока.
Характер процессов в выпрямителе задается тем реактивным элементом, который создает основное сопротивление переменной составляющей выпрямленного тока. Прочие реактивные элементы фильтра не меняют картины процесса, а сказываются лишь на некоторых его количественных характеристиках.
Именно поэтому практически одинаковы форма и значения токов в обмотках трансформатора у схем, приведенных на рис. 1.4, б, г, так как на конденсаторе С в последней схеме получается уже практически выпрямленное напряжение (его емкость большая) и дроссель L создает лишь несколько большее постоянство тока разряда конденсатора С1. Поэтому конденсатор С1 относят к выпрямителю, а дроссель L, и конденсатор C2 рассматривают как отдельные фильтрующие звенья.
Все схемы выпрямителей можно разбить на две группы, отличающиеся друг от друга характером реактивности первого элемента фильтра и, следовательно, формой токов в обмотках трансформатора. Эти группы следующие:
а) выпрямитель, нагрузка которого начинается с индуктивного элемента (рис. 1.4, в);
Выпрямленное напряжение E>0> - напряжение на выходных зажимах выпрямителя - содержит не только постоянную составляющую E>0>, но и ряд гармоник выпрямляемого переменного напряжения (рис. 1.5), т. е. пульсирует. Коэффициентом пульсаций называют отношение пикового напряжения переменной составляющей выпрямленного напряжения E>m> к его постоянной составляющей E>0>:
k>п>=E>m>/E>0>=(e>0max>-e>0min>)/(2E>0>) (1.1.)
Представив выпрямленное напряжение рядом Фурье, т. е. как сумму постоянной составляющей и ряда гармоник с амплитудами Е>mk>, можно оценить качество выпрямления по коэффициентам пульсаций для каждой из гармоник:
k>п>>r>=E>mk>/E>0 >(1.2.)
Такая оценка удобна в том случае, когда в результате последующей фильтрации выпрямленного напряжения большая часть гармоник сильно ослабляется и на нагрузке оказываются отличными от нуля лишь напряжения одной или двух гармоник.
К преимуществам электрического выпрямителя относятся: универсальность принципа преобразования, заключающегося в том, что он пригоден для получения как высоких, так и малых напряжений и токов; значительный КПД преобразования; относительно небольшие габариты и масса; возможность выпрямления переменных токов повышенной частоты; отсутствие подвижных частей и, следовательно, быстроизнашивающихся и вибрирующих деталей, а также переключаемых контактов и связанных с переключением искрения и истирания контактов; малый уровень радиопомех; значительный срок службы и высокая надежность; отсутствие при работе шума, выделения газов и дыма; не критичность к условиям эксплуатации; относительно низкая стоимость.
Вместе с тем электрическому выпрямителю свойственны и недостатки:
чувствительность к изменению значения и формы выпрямляемого напряжения; необходимость фильтрации выходного напряжения; относительная сложность защитных устройств.
Рассмотрение процессов в выпрямительных схемах, проводимое далее, имеет своей целью не всестороннее описание этих процессов, а только получение расчетных соотношений. Поэтому сначала нужно определить цель электрического расчета, а затем, следуя этой цели, строить расчетные формулы.
Выпрямитель в основном собирают из готовых изделий. Только трансформатор и дроссель фильтра не являются покупными узлами, входящими в выпрямитель, но и их выполняют на типовых сердечниках с использованием нормализованных обмоточных проводов.

Рис.1.5. Гармоники выпрямленного напряжения.
При проектировании выпрямителя сначала выбирают готовые изделия (вентили, конденсаторы), а затем проверяют их режимы работы. Если электрический режим выбранных изделий удовлетворяет паспортным данным и запасы по предельным показателям приемлемы, то считают, что первый этап завершен успешно. После этого определяют исходные данные для расчета трансформаторов и дросселей и, проведя их расчет, уточняют показатели режима, полученные на первом этапе. В заключение рассчитывают показатели выпрямительного устройства.
Если же по каким-либо причинам электрические режимы, оцененные на первом этапе, оказываются неприемлемыми (перегрузка, большие запасы по предельным показателям), то подбирают другие изделия с более подходящими параметрами и снова проводят расчет выпрямителя.
Таким образом, расчетные формулы используются дважды: на первом этапе проектирования - выборе готовых изделий - как ориентировочные, а на втором этапе - расчете показателей - как поверочные. Ни в том, ни в другом случае не требуется высокой точности расчета. Сначала формулы используются для прикидки, а затем для оценки запасов по режимам. Поэтому в дальнейшем выводить будем только те формулы, которые определяют поверяемые показатели режимов. Они должны быть упрощенными, с точностью не ниже 10 %, что удовлетворяет целям поверки.
Режим электрических вентилей характеризуют средним прямым выпрямленным током, максимальными значениями прямого тока и обратного напряжения. Помимо этих величин для последующего теплового расчета необходимо определить и мощность, выделяющуюся в виде теплоты в вентиле, которая пропорциональна действующему значению тока, проходящему через вентиль.
Режим работы электрических конденсаторов характеризуют максимальным рабочим постоянным напряжением, которое должно быть (с определенным запасом) ниже пробивного, и значением переменной составляющей напряжения, которая должна быть меньше допустимой для данного типа конденсатора.
Для расчета трансформатора и дросселя необходимо знать напряжения на их обмотках, действующие значения токов в обмотках и постоянный ток подмагничивания.
1.8. Преобразователи постоянного тока.
Если в качестве первичных источников питания применяются аккумуляторы, гальванические элементы, термогенераторы, атомные и солнечные батареи, т. е. источники, чаще всего используемые для питания нестационарной аппаратуры, то возникает необходимость преобразования постоянного напряжения одного номинала в постоянное или переменное напряжение другого номинала. Эти напряжения можно получить от нескольких источников постоянного напряжения или от одного источника через гасящие резисторы и резисторы-делители. Неприемлемость этих способов очевидна из-за малого КПД, больших габаритов и массы. Эти причины и вызвали появление различных преобразователей постоянного тока электромашинных (умформеров), вибрационных и полупроводниковых.
В настоящее время полупроводниковые преобразователи практически вытеснили электромашинные и вибрационные из-за своих малых габаритов и массы, большого срока службы, высокого КПД (до 85-90%), высокой надежности, большой механической прочности и ряда других преимуществ.
К недостаткам полупроводниковых преобразователей следует отнести подверженность влиянию температуры окружающей среды.
1.9. Электрохимические источники тока
Гальванические элементы являются первичными химическими источниками, в которых химическая энергия непосредственно преобразуется в электрическую. Их работа основана на использовании свойства положительных ионов металлов переходить в растворы кислот и щелочей, называемых электролитами.
Наиболее распространен электролит в пастообразном состоянии. При погружении в него металла в результате химического взаимодействия атомы металла переходят в электролит, теряя часть своих электронов. Поэтому на металлическом электроде возникает избыток электронов и относительно электролита создается разность потенциалов, которая зависит от химической активности металла. Таким образом, если в электролит поместить две металлические пластины с различной химической активностью, то между ними будет создаваться ЭДС, определяемая разностью потенциалов положительного электрода и электролита. Металл, менее активный химически, будет иметь более высокий потенциал относительно металла более активного. Например, если в электролит поместить медную и цинковую пластины, то положительным электродом будет медная пластина, а отрицательным-цинковая. Величина ЭДС зависит от материала электродов и концентрации электролита и не зависит от размеров и конструкции электродов.
Применение находят следующие гальванические элементы: 1) марганцево-цинковые (МЦ), малогабаритные, герметизированные; 2) воздушно-марганцево-цинковые (ВМЦ); 3) окисно-ртутные, отличающиеся постоянством выходного напряжения во времени; 4) медно-окисные с большим сроком службы (до двух десятков лет); 5) ртутно-цинковые (РЦ) малых габаритов; 6) серебряно-окисные и серебряно-цинковые.
Наибольшее применение для питания аппаратуры связи находят сухие элементы типа МЦ и ВМЦ. Недостатком элементов типа ВМЦ являются узкий температурный интервал их работы и большая чувствительность к перегрузкам, хотя они по сравнению с элементами МЦ имеют меньшие габариты при одинаковой емкости.
1.10. Непосредственные преобразователи энергии.
1.10.1. Термоэлектрические генераторы.
Принцип работы таких генераторов основан на явлении термоэлектричества, сущность которого заключается в следующем. Если соединить (спаять) несколько проводников из разных металлов и поддерживать места их соединения при различных температурах T>1> и T>2>, то на свободных концах появится термоэлектродвижущая сила, величина которой составит Е = (T>1>-T>2>), где . - коэффициент, зависящий от материала контактируемых проводников.
Образование термо-ЭДС можно объяснить тем, что в местах контактов проводников с разной температурой создается различная концентрация электронов, что приводит к перемещению электронов из зоны с повышенной концентрацией электронов (горячий спай) в зону с более низкой концентрацией (холодный спай). Перемещение электронов из одной зоны в другую, в свою очередь, приводит к появлению разности потенциалов. Одновременно с перемещением электронов происходит теплообмен между горячим и холодным проводниками. Из-за высокой теплопроводности металлов и низкого значения коэффициента к термо-ЭДС, получаемая при металлических проводниках, очень мала.
Применение полупроводниковых материалов с разной проводимостью (типа р и п) позволяет резко увеличить термо-ЭДС. Так, если у чистых металлов коэффициент термо-ЭДС а. не превышает 100 мкВ на 1° С, то у полупроводников он достигает 1000 мкВ/1° С. Меньшая теплопроводность полупроводников позволяет получить большую разность T>1> - T>2>, что также увеличивает термо-ЭДС и КПД генератора.
В настоящее время проводятся работы по созданию термогенераторов, использующих солнечную энергию, отработанные газы автомобилей, тракторов, котельных, атомных реакторов и т. д. Промышленностью выпускаются термоэлектрогенераторы типа УГМ80М с выходной мощностью до 100 Вт, типа УГМ200К и УГМ200Тмощностью до 200 Вт. Последовательно-параллельное включение термогенераторов УГМ80 позволяет обеспечивать мощность потребителя до 200 Вт, а включение УГМ200 - до 3 кВт. Указанные термоэлектрогенераторы снабжены устройством токовой и тепловой защиты.
2. Устройство выпрямительное типа ВУТ70/600
Устройcтво выпрямительное тиристорное (в дальнейшем именуемое ВУТ) с автоматической стабилизацией выпрямленных напряжения и тока предназначается для питания аппаратуры связи одновременно с автоматическим зарядом и подзарядом кислотных аккумуляторных батарей, а также для питания аппаратуры связи без аккумуляторных батарей в статическом режиме работы.
Примечание. При статическом режиме работы не допускается, скачкообразное изменение нагрузки на ЭПУ более чем на 10% от установленного значения, включение и отключение параллельно работающих ВУТ, а также работа на импульсную нагрузку и нагрузку, имеющую отрицательное входное сопротивление.
Устройства разработаны следующих типов: ВУТ 31/60 и ВУТ 90/25 - с условной мощностью 2 кВт, ВУТ 31/125 и ВУТ 67/60 - с условной мощностью 4 кВт, ВУТ 31/250, ВУТ 67/125, ВУТ 152/50 и ВУТ 280/25 - с условной мощностью 9 кВт, ВУТ 31/500 и ВУТ 67/250 - с условной мощностью 16 кВт, ВУТ 70/600 - с условной мощностью 40 кВт.
ВУТ с номинальным напряжением 24В применяются для питания аппаратуры линейно-аппаратных цехов (ЛАЦ) междугородных телефонных станций (МТС) и обслуживаемых усилительных пунктов (ОУП) линий междугородной телефонно-телеграфной связи, для питания аппаратуры телеграфов и районных узлов связи (РУС). ВУТ с номинальным напряжением 60В применяются для питания аппаратуры автоматических телефонных станций (АТС) городской телефонной сети, аппаратуры, междугородной автоматики, питания, аппаратуры телеграфов и РУС. ВУТ 152/50 применяются для питания моторных цепей. ВУТ 280/25. применяются для питания резервных цепей РРЛ станций.
ВУТ предназначаются для эксплуатации в закрытых отапливаемых и вентилируемых помещениях с температурой окружающего воздуха от +5 до +40°С и относительной влажностью его до 80% (при +25°С) при отсутствии в окружающем воздухе вредных примесей, вызывающих коррозию.
2.1. Технические данные.
Основные электрические параметры ВУТ приведены в табл. 1.
Таблица 1 Основные технические параметры ВУТ.
|
Тип ВУТ |
Выходная мощность, кВт |
Выпрямленное напряжение, В |
Выпрямленный ток, А |
||||
|
Услов-ная |
Макси-мальная |
Мини-мальное |
Номи-нальное |
Макси-мальное |
Номи-нальный |
Мини-мальный |
|
|
1 |
2 |
3 |
4 |
5 |
6 |
7 |
8 |
|
ВУТ 31/60 |
2 |
1,86 |
22 |
24 |
31 |
60 |
6 |
|
ВУТ 90/25 |
2 |
2,25 |
56 |
60 |
90 |
.25 |
1,25 |
|
ВУТ 31/125 |
4 |
3,88 |
22 |
24 |
31 |
125 |
12,5 |
|
ВУТ 67/60 |
4 |
4,2 |
56 |
60 |
70 |
60 |
3,0 |
|
ВУТ 31/250 |
9 |
7,75 |
22 |
24 |
31 |
250 |
25 - |
|
ВУТ 67/125 |
9 |
8,75 |
56 |
60 |
70 |
125 |
6,25 |
|
ВУТ 31/500 |
16 |
15,5 |
22 |
24 |
31 |
500 |
50 |
|
ВУТ 67/250 |
16 |
17,5 |
56 |
60 |
70 |
250 |
12,5 |
|
ВУТ 70/600 |
40 |
42,0 |
56 |
60 |
70 |
600 |
30 |
|
ВУТ 152/50 |
9 |
7,6 |
126 |
- |
152 |
50 |
2,5 |
|
ВУТ 280/25 |
9 |
7,0 |
226 |
- |
280 |
25 |
2,5 |
Питание ВУТ осуществляется от трехфазной сети переменного тока номинальной частоты 50 Гц и номинального напряжения 380 или 220 В для ВУТ с условной мощностью 2, 4, 9 кВт и, только - 380В для ВУТ с условной мощностью 16 и 40 кВт. При включении в сеть с номинальным напряжением 380 В к устройству подключается «нулевой» провод сети.
ВУТ выполняют предъявляемые к ним требования при отклонениях частоты от 105 до 95 % номинального значения и напряжения сети переменного тока от 112,5 до 85% номинального значения.
ВУТ работают в двух режимах:
- в режиме стабилизации напряжения;
- в режиме стабилизации тока.
РУТ обеспечивают стабилизацию выпрямленного напряжения с точностью ±1 % от установленного значения при одновременном изменении:
напряжения и частоты питающей сети в пределах тока нагрузки в пределах от номинального до минимального значений выпрямленного тока, указанных в табл. 1.
Стабилизированное напряжение на выходе ВУТ устанавливается в пределах от минимального до максимального значений, указанных в табл. 1, а для ВУТ 90/25 в пределах от 56 до 76 В.
ВУТ обеспечивают стабилизацию выпрямленного тока с точностью 20% от номинального выпрямленного тока при установке тока в пределах от 30 до 100% номинального значения. Указанная точность стабилизации сохраняется при изменениях выпрямленного напряжения в пределах от минимального до максимального значений, указанных в табл. 1, отклонениях напряжения и частоты питающей сети переменного тока в пределах.
При заряде аккумуляторной батареи вручную для устройств с номинальным напряжением 60В (кроме ВУТ 90/25) выпрямленное напряжение может быть повышено до 74 В, для устройств с номинальным напряжением 24В - до 36В, для ВУТ 152/50 - до 170-В, для ВУТ 28Е1/25- до 320В, при этом выпрямленный ток, установленный на номинальное значение, может снижаться до половины величины номинального тока.
Величина пульсации выпрямленного напряжения, измеренная на выходных клеммах ВУТ в любом режиме работы. (при работе на активную нагрузку), для ВУТ с номинальным напряжением 24В не превышает 10х10 в полосе частот от 300 Гц и выше и 0,1 В для частот до 300 Гц, а для ВУТ с номинальным напряжением 60В не превышает 2х 10 псофометрических, 0,015В для частот от 300 Гц и выше и 0,25В для частот до 300Гц, для ВУТ 152/50 не превышает 3 В, для ВУТ 280/25 не превышает 0,25 В для частот до 300Гц и 15 мВ для частот от 300 Гц и выше.
При номинальном напряжении питающей сети и максимальной выходной мощности коэффициенты полезного действия и коэффициенты мощности не менее величин, указанных в табл. 2.
Таблица 2 Таблица коэффициентов ВУТ.
|
Тип устройства |
Коэффициент полезного действия |
Коэффициент мощности |
|
ВУТ 31/60 |
0,79 |
0,65 |
|
ВУТ 90/25 |
0,84 |
0,68 |
|
ВУТ 31/125 |
0,8 |
0,66 |
|
ВУТ 67/60 |
0,85 |
0,69 |
|
ВУТ 31/250 |
0,8 |
0,67 |
|
ВУТ 67/125 |
0,85 |
0,7 |
|
ВУТ 31/500 |
0,8 |
0,67 |
|
ВУТ 67/250 |
0,87 |
0,7 |
|
ВУТ 70/600 |
0,87 |
0,7 |
|
ВУТ 152/50 |
0,87 |
0,65 |
|
ВУТ 280/25 |
0,87 |
0,65 |
При сбросах и набросах тока нагрузки, равных 10% от установленного значения тока ВУТ, выпрямленное напряжение должно оставаться в пределах ±6%, а для ВУТ 70/600 в пределах 4±6%, установленной величины выпрямленного напряжения.
Система автоматики ВУТ обеспечивает:
- включение в работу при появлении напряжения питающей сети, если ВУТ выключилось в результате пропадания этого напряжения;
- ограничение выходного тока в режиме стабилизации напряжения до (105+10) % номинального значения при перегрузке ВУТ током ограничения и выше;
- изменение установки выпрямленного напряжения с (2,3-2,35) В на элемент аккумуляторной батареи до 2,2 В на элемент;
- включение резервного ВУТ (в случае необходимости) для заряда аккумуляторной батареи;
- включение резервного ВУТ взамен любого рабочего, если ВУТ выключилось, в результате неисправности.
Система защиты ВУТ обеспечивает автоматическое выключение ВУТ в случаях:
- перегорания сигнальных предохранителей;
- повышения выпрямленного напряжения до (115±5) % номинального значения, а для ВУТ 90/25 до-(115±5) % от 76В; для ' ВУТ 152/50 и ВУТ 280/25 до (115±5) % максимального значения;
- короткого замыкания на выходе ВУТ иди повышения выпрямленного тока до 300 % и выше номинального значения без замедления;
- в режиме стабилизации напряжения повышения выпрямленного тока до (220±10) % номинального значения с замедлением более 10Омс;
- в режиме стабилизации тока повышения выпрямленного тока (120 ±5) % номинального значения без замедления;
- пропадания выпрямленного напряжения;
- при неравномерном распределении тока между двумя блоками тиристоров от 40 до 60 А только для ВУТ 70/600.
ВУТ рассчитаны на параллельную работу на общую нагрузку в количестве четырех устройств.
В режиме стабилизации тока допускается работа пяти устройств.
При этом выполняются следующие требования:
- стабилизация выпрямленного напряжения сохраняется с точностью ±1 %, при параллельной работе свыше двух ВУТ точность стабилизации может ухудшаться до ±2 %;
- ток нагрузки между параллельно работающими ВУТ в пределах изменения нагрузки от 100 до (30—35) % номинального значения тока одного ВУТ распределяется равномерно с точностью 20 % номинального значения тока одного ВУТ; при номинальном токе нагрузки, ток нагрузки между параллельно работающими ВУТ устанавливается с точностью 10% номинального значения;
- при повышении выпрямленного напряжения осуществляется селективное отключение только неисправного ВУТ;
- ВУТ с номинальным напряжением 60В, ВУТ 152/50 и ВУТ 280/25 , включаются и выключаются на параллельную работу автоматически в зависимости от величины станционной нагрузки;
- ВУТ с номинальным напряжением 24В включаются на параллельную работу вручную.
Допускается параллельная работа в режиме стабилизации напряжения более четырех устройств без равномерного распределения нагрузок между ними при ухудшении КПД комплекта выпрямительных устройств.
В ВУТ предусмотрена местная и дистанционная сигнализация. В зависимости от выполняемых функций ВУТ можно разделить на три основные части:
- собственно выпрямитель или силовую часть ВУТ;
- систему управления тиристорами;
- систему автоматики, защиты, сигнализации и параллельной работы.
Рис.2.1. Устройство выпрямительное типа ВУТ.
Устройство выпрямительное ВУТ 70600 (и дальнейшем именуемое ВУТ) выполнено по принципиальной электрической схеме, основное отличие данного ВУТ от выпрямительных устройств с условной мощностью 2, 4, 9 и 16кВт - большая выходная мощность - 42 кВт (условная - 40 кВт). Поэтому для уменьшения искажении питающей сети, вносимых ВУТ с такой выходной мощностью, его силовая часть выполнена по 12-фазной схеме (у выпрямительных устройств меньшей мощности - схема выпрямления - 6-фазная). Кроме того, введена схема выравнивания токов нагрузки между двумя параллельно включенными 6-и фазными схемами выпрямления с точностью 10-15А предусмотрено защитное отключение ВУТ при неравномерном – 40-60 А - распределение тока между этими схемами. По спектральному составу пульсации ВУТ соответствует требованиям аппаратуры МТ 20, 25. В разделах настоящего технического описания излагаются только те особенности схемы ВУТ, которые свойственны данному ВУТ, а также приводится описание конструкции ВУТ, поскольку она имеет существенные отличия.
2.2. Силовая часть
В ВУТ для преобразования переменного тока в постоянный применена 12-фазная схема выпрямления с параллельным включением двух полностью управляемых (симметричных) трехфазных мостовых схем (6-фазных) на тиристорах через уравнительный дроссель. Регулирование и стабилизация выпрямленных напряжении и тока осуществляется изменением момента включения тиристоров, т. е. изменением его угла регулирования а. Для получения заданных выходных параметров угол регулирования а изменяется в определенных пределах: от а>min> до а>max>. Отпирание тиристоров двух 6-фазных схем выпрямления осуществляется от управляющих сигналов, создаваемых системой управления.
Силовая часть ВУТ (собственно выпрямитель) состоит из трансформаторов тока ТA1......ТA10, двух силовых трансформаторов ТV1 и ТVЗ, двух тиристорных .мостов VТ1......VТ6 и VТ14......VТ19, собранных по схеме Ларионова (трехфазная мостовая схема выпрямления), уравнительного дроселя L1 и L2 и фильтровых конденсаторов С4......С9 и С40 по С51. Каждая 6-фазная схема выпрямления состоит их силового трансформатора ТV1 (ТV3) и тиристорного моста V'Т1......VТ6 (VТ14......VТ19). Вторичные обмотки силовых трансформаторов VТ1 и VТЗ соединенных в треугольник и подключенных к основному трехфазному выпрямительному мосту на тиристорах. Первичные обмотки силовых трансформаторов рассчитаны на напряжения 380 В. Первичные обмотки силового трансформатора VТ1 соединены в треугольник, а первичные обмотки силового трансформатора VT3 - в звезду. Благодаря такому включению первичных обмоток осуществляется сдвиг их вторичных обмоток на 30 электрических градусов.
Две 6-фазные схемы через уравнительный дроссель соединены; параллельно. Сложение выпрямленных напряжений со сдвигом фаз питающих напряжений на 30 электрических градусов даст в результате выпрямленное напряжение с частотой пульсации 600 Гц (12-фазиая схема выпрямления). Уравнительный дроссель обеспечивает независимую работу двух схем Ларионова.
В цепь каждой фазы ВУТ между главными контактами магнитного пускателя КМ2 и первичными обмотками силовых трансформаторов включены первичные обмотки трансформаторов тока ТА1......ТА6, вторичные обмотки которых через выпрямительные мосты подключены к цепям автоматики защиты и параллельной работы.
Трансформаторы тока ТА7 и ТА9 включены в разрыв линии вторичной обмотки трансформаторов ТV1 и ТVЗ и являются датчиками тока устройства для выравнивания токов. Трансформаторы тока ТА8 н ТА10 включены в разрыв линии вторичной обмотки трансформаторов TV1 и TV3 и являются датчиками тока защиты от неравномерного распределения тока нагрузки между двумя 6-фазными схемами выпрямления.
Выпрямленное напряжение с шести катодов двух мостов плюсовым полюсом подается на выходную клемму, а минусовым полюсом с анодов трех тиристоров двух мостов через уравнительный дроссель - на двухзвенный фильтр, осуществляющий сглаживание пульсации до заданной нормы. Каждое звено фильтра состоит из дросселя фильтра к конденсаторов, которые защищены силовыми предохранителями F1……F4. Параллельно силовым предохранителям установлены сигнальные предохранители соответственно F5......F8. Ток и напряжение на выходе ВУТ измеряются амперметром и вольтметром класса точности 1,5. Для автоматического включения и выключения со стороны переменного тока в ВУТ установлен магнитный пускатель КМ2. Для отключения ВУТ со стороны переменного тока при проведении профилактических и ремонтных работ, а также в случае аварии в ВУТ установлен ремонтный разъединитель. На выходе ВУТ в минусовом полюсе установлен силовой предохранитель F20, выполняющий помимо своего основного назначения, роль однополюсового рубильника, при помощи которого ВУТ может быть отключен от минусового полюса нагрузки, для этой же цели служит перемычка между клеммами Х2: 10 и Х2: 11.
Для уменьшения уровня радиопомех на входе ВУТ установлены конденсаторы С1......СЗ, а на выходе - С38, С39, С60.....С67.
2.3. Система управления.
Конструктивно элементы системы управления размешены в двух одинаковых специальных блоках управления (АЗ и А4) и в блоке выравнивания токов и зашиты БВТ и 3).
Блок управления.
Блок управления АЗ управляет тиристорами VТ1......VТ6, блок управления А4 - тиристорами VТ14.....VТ19. Управляющие импульсы, вырабатываемые блоком управления АЗ, сдвинуты относительно импульсов вырабатываемых блоком правления А4, на 30 электрических градусов.
Первичные обмотки трансформаторов Т1......ТЗ блока управления АЗ соединяются в соответствии с соединением первичных обмоток силового трансформатора ТV1 в треугольник (устанавливаются перемычки между клеммами 1 - 2, 5 - 6 и 9 - 10), блока управления А4 в соответствии с соединением первичных обмоток трансформатора ТVЗ - в звезду (устанавливаются перемычки между клеммами 3 - 4, 7 - 8 и 11 - 12).
Усилитель постоянного тока и устройство выравнивания токов.
Усилитель постоянного тока и устройство выравнивания токов установлены в блоке выравнивания токов и защиты.
Усилитель постоянного тока служит для сравнения выходного напряжения или тока (сигнала обратной связи) с величиной опорного напряжения и для усиления сигнала рассогласования. Усилитель постоянного тока является общим для двух блоков управления АЗ и А4.
Усилитель постоянного тока состоит из источника опорного напряжения; входного каскада и двух операционных усилителей выполненных на микросхемах Д1 и Д2 и двух выходных каскадов.
В качестве источника опорного напряжения входного сигнала используются дна кремниевых стабилитрона V13 и V14. Резистор R39 предназначен для ограничения тока стабилитронов. Диоды V17 и V18 предназначены для температурной компенсации. Входной каскад состоит из транзистора V9, резисторов (R19,R20,R22,R23,R32,R34 и R37), конденсаторов C12, и C15. Операционные усилители на микросхемах Д1 и Д2 дополнены резисторами обратной связи R24 и R25, конденсаторами С9 и С10 с соответствующими резисторами R20 и R21 с корректирующими цепочками из конденсаторов С5 и С6, резисторами R13......R14.
Выходной каскад (в скобках указано обозначение второго выходного каскада) состоит из транзистора V10 (V11), резисторов R28 (R29), R35 (R36), R40 (R41) и диодов V6 (V5). Нагрузкой выходного каскада является резистор V48, установленный на блоке управления АЗ (А4). Питание входного и оконечного каскадов осуществляется от стабилизированного источника питания блоков управления (источники запараллелены).
Устройство для выравнивания токов между параллельно включенными 6-фазными схемами выпрямления состоит из выпрямительного моста VI (V2), резисторов R47, R1 (R2), нагрузочного резистора R49 (R50), Г-образного RС -фильтра, состоящего из резистора R5 (R6) и конденсатора С1 (С2), нагрузочного резистора R9 (R10) - в скобках указаны обозначения для второй 6-фазной схемы.
Датчиками контролируемого тока являются трансформатор тока ТА7 для одной 6-фазной схемы и ТА9 - для другой. Напряжение, снимаемое со вторичных обмоток трансформаторов тока поступает соответственно на выпрямительные мосты V1 и V2.
Принцип работы устройства для выравнивания токов между параллельно включенными 6-фазными схемами выпрямления заключается в сравнении токов нагрузки двух схем и сложении их разности с сигналом, поступающим с усилителя постоянного тока. Суммарный сигнал воздействует на фазосдвигающие устройства двух блоков управления. В фазосдвигающих устройствах управляющие импульсы сдвигаются на угол регулирования, необходимый для стабилизации напряжения и тока с заданной в ТЗ точностью и для равномерной загрузки двух параллельно включенных 6-фазных схем выпрямления.
Усилитель постоянного тока совместно с устройством для выравнивания токов работает следующим образом. Напряжения, снимаемые с конденсаторов С1 (для моста VI) и С2 (для моста V2), алгебраически складываются (вычитаются), и суммарное напряжение подается к нагрузочным резистора R9 и R10. Напряжение, снимаемое с нагрузочного резистора R9 (R10) одним полюсом через резистор R13 (R14) поступает на инвертирующих вход 4 микросхемы Д1 (Д2), а другим полюсом на не инвертирующий вход 5 микросхемы Д1 (Д2). Одновременно на вход 5-микросхем Д1 и Д2 поступает напряжение с выхода входного каскада УПТ.
При равномерном распределении токов нагрузки между двумя 6-фазными схемами выпрямления напряжения, снимаемые с резисторов R9 и R10, равны следовательно, равны нулю и напряжения, поступающие на входы 4 и 5 микросхем Д1 и Д2. Режим работы микросхем Д1 и Д2 определяется только режимом работы входного каскада УПТ. В этом случае, если на вход УПТ поступает увеличенное напряжение (сигнал обратной связи), то резко увеличивается ток через стабилитроны V13 и V14, возрастает напряжение смешения на резисторе R37. Транзистор V9 еще больше открывается. На входы 5 микросхем Д1 и Д2 поступает уменьшенное напряжение в результате чего напряжение сигнала на выходной клемме 10 микросхем Д1 и Д2 также уменьшается, транзисторы V10 и V11 выходных каскадов закрываются, и напряжение на их нагрузочных резисторах R48 уменьшается. При уменьшении входного напряжения напряжение на нагрузочных резисторах R48 увеличивается.
При неравномерном распределении токов нагрузки между двумя 6-фазными схемами (например, напряжение на выпрямительном мосте V1 -большое напряжения на выпрямительном мосте V2) напряжение на конденсаторах этих схем также соответственно различное (напряжение на конденсаторе С1 больше напряжения на конденсаторе С2). В результате алгебраического сложения этих напряжении через нагрузочные резисторы R9 и R10 начинает протекать корректирующий ток. При этом на инвертирующий вход микросхемы Д1 поступает напряжение положительной полярности через резистор R13 , а на тот же вход микросхемы Д2 – через резистор R14 – отрицательной полярности. В результате напряжение на входе 5 по отношению ко входу 4 у микросхемы Д1 меньше, а у микросхемы Д2 больше. Следовательно, напряжение сигнала на выходе микросхемы Д2 увеличится, а на выходе микросхемы Д1 уменьшается, транзистор V10 выходного каскада закроется, а транзистор V11 еще больше откроется, напряжение на нагрузочном резисторе R48 блока управления АЗ уменьшится, а на R48 блока управления А4 - увеличится.
Настройка равномерного распределения токов (выравнивание) между 6-фазными схемами осуществляется переменным резистором R47.
2.4. Конструкция.
Конструктивно ВУТ, как и выпрямительные устройства с условной мощностью 2, 4, 9 и 16 кВт, выполнен в виде шкафа прислонного типа сборной конструкции с габаритными размерам: 2000Х 1100Х 742 мм. Масса ВУТ - не более 1100 Кг. в левой части шкафа внизу расположены в два ряда друг под другом силовые трансформаторы ТV1 и ТVЗ. в правой части таким же образом расположены блоки тиристоров. На передней балке установлены трансформаторы тока ТА7......ТА10.
В правой части в третьем ряду установлены два дросселя фильтра и уравнительный дроссель, над ними - блоки с фильтровыми конденсаторами (4 блока), еще выше - два блока управления, блок выравнивания тока и защиты, силовой предохранитель F20. За предохранителем установлен шунт амперметра. Над силовыми трансформаторами расположен блок реле. В верхней части шкафа установлены пускатель переменного тока, трансформаторы тока ТА1......ТА6, конденсаторы для уменьшения уровня радиопомех, дроссели блоков управления. Над ними размешаются ремонтный разъединитель Q, клеммники постоянного и переменного тока, разъемы для параллельной работы и входящие в комплект запасных частей кронштейны и планки для укрепления шип переменного тока.
Спереди шкаф закрывается внизу двумя съемными заглушками, а вверху - двумя дверьми со специальными замками. Над левой дверью шкафа установлена откидная панель сигнализации с сигнальными лампочками, тумблером, рукояткой ремонтного разъединителя Q. Над правой - откидная панель с измерительными приборами. Сзади ВУТ закрывается шестью съемными заглушками.

Рис.2.2. Допускаемые действующие значения переменных составляющих напряжения питания 60 В.
Управляемые выпрямители на тринисторах.
Широкое применение тринисторов объясняется их следующими преимуществами по сравнению с тиратронами:
1) большей экономичностью из-за отсутствия накала и малого падения напряжения (около 2 В) в проводящем состоянии;
2) меньшим временем перехода тринистора в непроводящее состояние (т. е. меньшим временем восстановления), что уменьшает вероятность пробоя;
3) меньшей
мощностью управления. Схемы управляемых
выпрямителей на тринисторах и на
тиратронах аналогичны. Силовой
трансформатор (рис. 3.1, а)
имеет две вторичные обмотки: основную
или силовую 1 и управления 2. Угол
регулируется с помощью фазосдвигающей
цепи R1L, содержащей
индуктивность в виде дросселя насыщения.
Изменяя индуктивность дросселя
подмагничивающим током, можно создавать
сдвиг по

Рис. 3.1. Схема однополупериодного управляемого выпрямителя на тринисторе (а), диаграммы напряжения и тока в его цепях (б)
фазе между напряжением u>2> вторичной обмотки 1 и управляющим напряжением u>у> или током управления вторичной обмотки 2 i>у> (рис. 3.1,б). Отпирание тринистора происходит в тот момент, когда управляющее напряжение становится положительным, а запирание обеспечивается подачей отрицательного напряжения на анод тринистора во время отрицательной полуволны напряжения вторичной обмотки. Управляющее напряжение снимается с резистора R1 и подается между катодом и управляющим электродом тринистора. Резистор R2 служит для ограничения тока управляющего электрода.
Кривые напряжений и токов двухполупериодного управляемого выпрямителя (рис. 3.2, а). Вторичная обмотка трансформатора TP2 имеет средний отвод, от которого управляющее напряжение подается на тринистор T1. На второй тринистор управляющее напряжение подается от точки соединения фазосдвигающей цепи R3C. Угол регулируется реостатом R3. Диоды Д3, Д4 служат для замыкания цепей управления тринисторов. При положительном полупериоде напряжения ток управляющего электрода тринистора Т1 проходит от точки 3 по резистору R1, тринистору Т1, диоду, Д4 и резистору R3 к точке 1. В следующий полупериод открывается тринистор Т2, и его ток управления проходит через диод Д3.
В однофазной мостовой схеме выпрямления ток нагрузки протекает одновременно через два включенных последовательно вентиля, поэтому, чтобы регулировать выпрямленное напряжение, достаточно включить два тринистора. На входе индуктивно-емкостного сглаживающего фильтра ставится обратный диод Д5(нулевой), который за счет ЭДС самоиндукции дросселя при запирании тринистора замыкает цепь нагрузки. В результате этого уменьшаются пульсации выпрямленного напряжения и повышается cos . В маломощных выпрямителях нулевой диод можно не применять.

Рис. 3.2. Мостовая однофазная схема выпрямителя.
3.1. Тиристоры.
Тиристором называется электропреобразовательный полупроводниковый прибор с тремя или более p-п-переходами, используемый для переключения, в вольт-амперной характеристике которого имеется участок отрицательного дифференциального сопротивления.
Простейшим тиристором является динистор - неуправляемый переключающий диод, представляющий собой четырехслойную структуру типа р-п-р-п (рис. 3.3, а). Здесь, как и у других типов тиристоров, крайние n-p-n-переходы называются эмиттерными, а средний p-n-переход - коллекторным. Внутренние области структуры, лежащие между переходами, называются базами. Электрод, обеспечивающий электрическую связь с внешней n-областью, называется катодом, а с внешней p-областью - анодом. При включении динистора по схеме, приведенной на рис. 3.3,а, коллекторный p-n-переход закрыт, а эмиттерные переходы открыты. Сопротивления открытых переходов малы, поэтому почти все напряжение источника питания приложено к коллекторному переходу, имеющему высокое сопротивление. В этом случае через тиристор протекает малый ток (участок 7 на рис. 3.3, а).
Если увеличивать напряжение источника питания, ток тиристора увеличивается незначительно, пока это напряжение не приблизится к некоторому критическому значению, равному напряжению 1 включения и>вкл>. При напряжении и>вкл> в динисторе создаются условия для лавинного размножения носителей заряда в области коллекторного перехода. Происходит обратимый электрический пробой коллекторного перехода (участок 2 на рис. 3.3,б). В n-области коллекторного перехода образуется избыточная концентрация электронов, а в p-области - избыточная концентрация дырок. С увеличением этих концентраций снижаются потенциальные барьеры всех переходов динистора. Возрастает инжекция носителей через эмиттерные переходы. Процесс носит лавинообразный характер и сопровождается переключением коллекторного перехода в открытое состояние. Рост тока происходит одновременно с уменьшением сопротивлений всех областей прибора. Поэтому увеличение тока через прибор сопровождается уменьшением напряжения между анодом и катодом. На ВАХ этот участок обозначен цифрой 3. Здесь прибор обладает отрицательным дифференциальным сопротивлением. Напряжение на резисторе возрастает и происходит переключение динистора.
После перехода коллекторного перехода в открытое состояние ВАХ имеет вид, соответствующий прямой ветви диода (участок 4). После переключения напряжение на динисторе снижается до 1 В. Если и дальше увеличивать напряжение источника питания или уменьшать сопротивление резистора R, то будет наблюдаться рост выходного тока, как в обычной схеме с диодом при прямом включении.

Рис.3.3, Рис.3.4 Схемы включения тиристоров и их вольт-амперные характеристики.
При уменьшении напряжения источника питания восстанавливается высокое сопротивление коллекторного перехода. Время восстановления сопротивления этого перехода может составлять десятки микросекунд.
Напряжение U>вкл> при котором начинается лавинообразное нарастание тока, может быть снижено введением не основных носителей заряда в любой из слоев, прилегающих к коллекторному переходу. Дополнительные носители заряда вводятся в тиристоре вспомогательным электродом, питаемым от независимого источника управляющего напряжения (U>упр>). Тиристор со вспомогательным управляющим электродом называется триод-ным, или тринисторным. Схема включения тринистора показана на рис. 3.4. Возможность снижения напряжения U при росте тока управления, показывает семейство ВАХ.
Если к тиристору приложить напряжение питания, противоположной полярности (рис. 3.4), то эмиттерные переходы окажутся закрытыми. В этом случае ВАХ тиристора напоминает обратную ветвь характеристики обычного диода. При очень больших обратных напряжениях наблюдается необратимый пробой тиристора.
В отличие от рассмотренных несимметричных тиристоров в симметричных обратная ветвь ВАХ имеет вид прямой ветви. Это достигается встречно-параллельным включением двух одинаковых четырехслойных структур или применением пятислойных структур с четырьмя p-n-переходами.
Тиристоры имеют широкий диапазон применений (управляемые выпрямители, генераторы импульсов и др.), выпускаются с рабочими токами от долей ампера до тысяч ампер и с напряжениями включения от единиц до тысяч вольт.
Регулировка выходного напряжения выпрямителя может осуществляться разными способами. Регулируемый трансформатор или автотрансформатор, включенный в схему выпрямителя, дает возможность изменять амплитуду переменного напряжения, подводимого к вентилям, и тем самым устанавливать желаемое выпрямленное напряжение.
Однако такие трансформаторы громоздки и имеют малую надежность из-за переключаемых или скользящих контактов.
Регулировка постоянного напряжения на нагрузке, достигаемая делителем напряжения или реостатом, включенным между выходом выпрямителя и нагрузкой, связана с большими потерями мощности.
Свободным от этих недостатков является метод, основанный на управлении вентилями выпрямителя. В качестве управляемых вентилей в настоящее время широко применяют тиристоры.
Моментом включения тиристора можно управлять подавая управляющий импульс тока на n-р-переход, прилегающий к катоду.
При прохождении тока нагрузки через открытый тиристор все три его n-р-перехода смещены в прямом направлении и управляющий электрод перестает влиять на процессы, происходящие в тиристоре. При спадании прямого тока тиристора до нуля после рассасывания заряда неосновных носителей в базовых областях тиристор запирается и управляющие свойства восстанавливаются.

Рис.3.5 Схемы включения тиристора и его вольт-амперная характеристика.
В схеме, содержащей источник питания Е, тиристор VS и резистор нагрузки R (рис. 3.5, а), возможны два устойчивых состояния, одно из которых соответствует открытому, а второе - закрытому тиристору. Наложение характеристики цепи резистор - источник на характеристики тиристора (рис. 3.5, б) позволяет получить прямые токи отключенного (точка А и включенного (точка В) тиристора. Повышение напряжения источника от 0 до E при I>у>=0 вызывает перемещение рабочей точки по нижней ветви характеристики до точки А. Если подать управляющий импульс тока амплитудой и длительностью, достаточной для поддержания этого тока на время открывания тристора, то рабочая точка перейдет в точку, соответствующую открытому состоянию тиристора.

Рис.3.6 Наложение характеристики цепи резистор - источник на характеристики тиристора
Спад открывающего импульса тока в цепи управления не влияет на процессы в открытом тиристоре, его рабочая точка остается в положении В. Восстановление управляющих свойств тиристора произойдет лишь при его обесточивании на время, большее времени его закрывания.
В открытом состоянии тиристор пропускает очень большие токи (до нескольких сотен ампер) и оказывает им малое сопротивление. В этом его преимущество. Применяя тиристоры, следует иметь в виду, что скачкообразное изменение сопротивления в момент открывания может привести к очень большим броскам тока. Особенно велики эти броски в тех схемах, где нагрузка R шунтируется конденсатором.
Зарядка конденсатора через открывшийся тиристор может вывести последний из строя. Поэтому для уменьшения бросков тока последовательно с тиристором включают дроссель. В выпрямительных схемах тиристоры лучше работают при активной нагрузке или при нагрузке, начинающейся с индуктивного элемента.
В управляемый выпрямитель тиристор вводят как обычный вентиль, а к его управляющему электроду подводят от цепи управления (ЦУ) импульсы, включающие тиристоры с запаздыванием на угол относительно выпрямляемого напряжения (рис. 3.6).
Через тиристор VS1, включающийся в момент, соответствующий t = на выход выпрямителя передается напряжение первой фазы вторичной обмотки e>21>. При t= напряжение e>21>> >становится отрицательным, однако тиристор запереться не может, так как это привело бы к обрыву тока, проходящего через дроссель L. Индуктивность дросселя L выбирают большей критической, чем и поддерживают непрерывный ток. Поэтому в те моменты, когда e>21>> >отрицательно, на дросселе L наводится ЭДС самоиндукции с полярностью и значением, обеспечивающими напряжение на катоде, меньше e>21>>.>
При t=+ открывается тиристор VS2, через который на выход передается напряжение e>22>, являющиеся на данном этапе положительным. Ток дросселя переходит на вторую фазу, а тиристор VS1 оказавшись обесточенным и смещенным в обратном направлении, запирается и т. д. Таким образом, напряжение на выходе выпрямителя e>0> создается лишь теми частями напряжений вторичных полуобмоток E21 и E22, которые соответствуют открытому состоянию тиристоров.
Напряжение на нагрузке, получающееся почти равным постоянной составляющей напряжения e>0>, подводимого к фильтру LС, растет при умень-

Рис.3.7 Схема регулировки выпрямления напряжения.
шении угла и спадает при его увеличении. Регулировка выпрямленного напряжения, достигаемая изменением фазы управляющих импульсов, не связана с гашением избытка мощности в самом регулируемом выпрямителе, что является основным его преимуществом.
Схемы выпрямления с тиристорами такие же, как обычных выпрямителей. Основное внимание далее уделяется двухфазным схемам выпрямителей.
Для простоты полагаем падение напряжения на открытом тиристоре много меньшим рис. 3.7 выпрямленного напряжения, а токи утечки (прямой ток при закрытом тиристоре и обратный ток при отрицательном напряжении) - малыми по сравнению с током нагрузки. Это позволит считать тиристор идеальным (прямое падение напряжения в режиме насыщения, прямой и обратный токи утечки, а также ток отключения в нем равны нулю). Такие упрощения не приведут к большой погрешности, так как ток через вентиль схемы определяется сопротивлением нагрузки, а не фазы. По этой же причине можем считать идеальными дроссель L и трансформатор, т. е. пренебречь индуктивностью рассеяния и активными сопротивлениями их обмоток.
С
(3.1)
(3.4)
(3.5)
начала рассмотрим одну первую фазу регулируемого выпрямителя (рис. 3.7). Нагрузку выпрямителя полагаем состоящей из дросселя L и конденсатора С, образующих фильтр, и активной нагрузки R, а выходное напряжение - постоянным и равным е>0>. Исходя из графика рис. 3.6 запишем

Здесь принято, что в силу идеальности трансформатора и вентиля напряжение e>0> совпадает с ЭДС первой фазы трансформатора e>21> в интервале
<t<+: (3.2)
e>0>=e>21 >(3.3.)
Падение напряжения на дросселе L равно разности напряжений e>21> и E>0>, и, следовательно, его ток

П
остоянную
интегрирования определим из условия
баланса постоянных токов. Среднее
значение тока i>L>
на интервале α+
должно быть равно току нагрузки. Подставив
найденное таким образом значение C,
получим
Выпрямленное напряжение получается, если тиристор каждой из фаз открыт до тех пор, пока не вступит в работу следующая фаза. Однако это верно лишь в том случае, когда ток дросселя к моменту открывания вентиля следующей фазы положителен и напряжение, получаемое в момент включения с включающейся фазы, больше напряжения на конденсаторе. Последнее условие выполняется при а> 32,5°, что обеспечивает рост тока дросселя сразу после включения тиристора.
П
(3.6)

одставив в t=+ запишем это условие в виде
Т
(3.7)

ак как е>о> определяется выражением, условие непрерывности тока в дросселе можно записать иначе:
О
(3.8)

но и должно выполняться для углов > 32,5°. Если индуктивность дросселя L- меньше L>кр>, где
и
(3.9)

ли сопротивление нагрузки выпрямителя больше R>max> где
то ток в дросселе станет равным нулю раньше, чем откроется тиристор второй фазы. Как только ток станет равным нулю, тиристор обесточится и выключится. Такой режим не очень выгоден, так как связан с большими переменными составляющими токов тиристов и обмоток трансформатора. Поэтому чаще всего индукчивность дросселя L выбирают такой, чтобы при максимально возможном сопротивлении нагрузки удовлетворялось условие непрерывности тока.
В
(3.10)

режиме непрерывного тока дросселя ток фазы приближается по форме к прямоугольной (рис. 3.8,а,б). Его действующее значение без учета пульсаций
Д
(3.11)

ействующее значение тока первичной обмотки, в которую трансформируются, не перекрываясь во времени, токи двух фаз, получается в раз больше, чем тока nl>r>, т. е.

Рис.3.8 Ток дроселя.
По форме ток первичной обмотки в каждый из полупериодов повторяет ток фазы, равный току i>L> (рис. 3.8, в). Первая гармоника этого тока при малых пульсациях сдвинута на угол а. относительно напряжения на первичной обмотке.
Т
аким
образом, при тиристорный выпрямитель
потребляет от сети не
только активный, но и реактивный ток.
Это является недостатком такого
выпрямителя.
П
(3.12)

олный перепад пульсаций на выходном конденсаторе С найдем так же, как и при исследовании неуправляемого выпрямителя. В результате получим выражение:
Здесь коэффициент () является функцией угла .
Подводя итог, отметим следующие особенности схемы тиристорного регулируемого выпрямителя:
1)снижение выходного напряжения в теристорном выпрямителе достигается благодаря уменьшению отбора мощности от сети переменного тока; оно не связано с гашением значительной ее части в выпрямителе;
2)при регулировке выпрямитель потребляет не только активную, но и реактивную мощностью сети переменного тока;
3)при изменении угла регулирования от 0 до 0,5 выходное напряжение меняется от максимума до 0;
4)пульсация выпрямленного напряжения заметно возрастает с ростом угла регулирования;
5
(3.13)

)режим непрерывного тока в дросселе нарушается, если не соблюдается отношение
4. Расчет управляемого выпрямителя на теристорах.

Рис. 4.1 Принципиальная схема выпрямителя с индуктивной нагрузкой к примеру расчета.
Рис. 4.2 Принципиальная схема управляемого выпрямителя к примеру расчета.
В управляемом выпрямителе создаются значительные пульсации напряжения, для уменьшения которых обычно применяют многозвенный сглаживающий фильтр. Коэффициент пульсаций на входе фильтра зависит от угла регулирования :
(4.1.)

где К = 1 для первой гармоники частоты пульсаций.
Для уменьшения коэффициента пульсаций можно применить коммутирующие диоды.
Пример. Исходные данные:
1. Пределы регулирования выпрямленного напряжения U’>0> = 70100 В.
2. Сопротивление нагрузки Rн = 100 Ом =const, При регулировании ток нагрузки изменяется от I>0max>= U’>0max>/Rн = 100:
100 = 1 А до I>0min>= 70:100 = 0,7 А.
3. Коэффициент пульсаций напряжения на нагрузке К>пвых> = 0,2%.
4. Напряжение сети 220 В частоты 50 Гц.
Расчет:
1. Для сравнительно небольшой мощности Р>0тах> =U’>0>I>0> = 100 • 1 = 100 Вт выбираем однофазную мостовую схему выпрямления с Г-образным LС-фильтром (рис. 4.2).
2. Основные параметры выпрямителя при максимальном выходном напряжении U’>0> = 100 В, т. е. при α = 0
Uдр=0,1U’о =0,1x100=10 В при Р0=100 Вт; (4.2.)
U0=U'о+Uдр=100+10=110В; U2=1,11U0 =1,11x110=122В; (4.3.)
I2=0,707I0=0,707x1=0,707A; Kтр=U2/U1=122/220=0,555; (4.4.)
I1=IоKтр=1x0,555=0,555A; Pтип=1,11U0I0=1,11x110x1=122BA; (4.5.)
I0в=0,5I0=0,5x1=0,5A; ImB=I0=1A; (4.6.)
Uобр=1,57U0=1,57x100=173В; Kпвх=0,67(67%); (4.7)
3
(4.8)


.
Определение основных параметров
выпрямителя при минимальном выходном
напряжении, т. е. при α= α >мах>
(4.9)
(4.10)
(4.11)
(4.12)
(4.13)
(4.14)
(4.15)
(4.16)







(4.17)
(4.18)


4. Выбор типа вентилей. В мостовой схеме для упрощения управления выбраны два вентиля неуправляемых и два тринистора. Выбираем вентили по максимальному обратному напряжению U>обр>>m> = 173 В и максимальному значению выпрямленного тока I>0>>в> = 0,5 А и I >0>>вн> = 0,626 А.
Выбираем диоды типа Д242Б (U>обр.доп>> >= 200 В; I>о> = 2 А). Выбираем тринисторы типа КУ201Ж (U>обр.доп>> >= 200 В; Iо = 2 А, I>упр тах>> >= 0,2 А).
5. Определение коэффициента сглаживания:
q=К>п.вх>/К>п.вых>=1,51:0,002=755. (4.19)
П
(4.20)

ринимаем двухзвенный фильтр с коэффициентом сглаживания одного звена:
П
(4.21)

ринимаем двухзвенный фильтр с коэффициентом сглаживания одного звена:
6
(4.22)

. Определение элементов каждого звена фильтра:
А
(4.23)
(4.24)


мплитуда переменного напряжения на конденсаторе первого звена С>1>:
В
(4.25)

ыбираем конденсатор типа К50-12 емкостью С1=С1==50 мкф, U>раб>=250В:
(4.26)
U>~m>>конд>=6%; U>раб> =0,06x250 =15,2 В > 6,1 В.И
(4.27)

ндуктивность дросселя
7
(4.28)



. Проверка условия отсутствия резонансных явлений в фильтре
(4.29)

8. Расчет элементов цепи управления.
Р
(4.30)



асчет цепи управления сводится к определению элементов фазосдвигающей цепи RC или LC (или расчету магнитного усилителя), выбору диодов Д3, Д6 и расчету трансформатора Тр2
Конденсатор С3 выбирается емкостью в десятки - сотни микрофарад при частоте сети 50 Гц. Выбираем два конденсатора типа К52-3 по 80 мкФ, включенные параллельно с рабочим напряжением U>раб> = 90 В; U>~m>>доп> = 35% U>раб> = 0,35 x 90 = 31,5 В.
Для построения регулировочной характеристики задаются углом α>0> = 10, 20, 30 и т, находят величину R3 табл. 6 значение U’>0α>- Результаты расчетов сведены в табл. 3.
Таблица 3 Характеристики угла а>0>.
|
α>0> |
10 |
20 |
30 |
40 |
46 |
|
Rз=1/ωСtgφ, Ом |
220 |
113 |
74 |
55 |
47 |
|
U’>0α>=U’>0>cosα, В |
98,5 |
94 |
06,6 |
76,6 |
70 |
Тринисторы КУ201Ж выбираем с запасом по току более чем вдвое, поэтому максимальное значение управляющего тока необходимо уменьшать до величины I>упрампл> =0,09 А.
9. Выбираем резистор Rз = 270 Ом типа СП5-2ТА на 2 Вт.
М
(4.31)
(4.36)

ощность, рассеиваемая резистором:
Выбираем ограничительные резисторы R1 = R2 = 11 Ом типа МЛТ-0,125:
А
(4.32)
(4.33)


мплитуда переменного напряжения на половине вторичной обмотки трансформатора Тр2
Выбор диодов Д1, Д4 производится по току I>упрампл> и напряжению U>’~m>> >Выбираем диоды типа Д202 (Uобр = 100 В; I>0>>в> = 0,4 А), у которых
R
(4.34)
i≈ U>пр>/I>упр.ампл >= 1: 0,09 = 11 Ом.У
(4.35)

точняем амплитуду переменного напряжения:
U>’~m>=I>упр.ампл>(R1+R3>max>+R>i>)=0,09(11+270+11)=26,2В.
З

атем
проводится конструктивный расчет
трансформатора Тр2
для данных:
В
(4.38)
(4.37)

случае применения фазосдвигающей цепи
LR3 задаются величиной
L, дросселя и находят
пределы изменения величины резистора
R3 из
выражения
Если необходимы более широкие пределы регулирования напряжения, то помимо переменного резистора используют дроссель насыщения, Если регулирующим элементом служит магнитный усилитель, то проводятся выбор его магнитопровода и расчет его обмоток.
М
(4.39)

аксимальный КПД выпрямителя
Т
(4.40)

аблица 4 Коэффициент пульсаций.
|
Нагрузка |
Коэффициент пульсации Кп, % |
|
|
Анодные (коллекторные) цепи |
Сеточные (базовые) цепи |
|
|
1 |
2 |
3 |
|
1. Выходные каскады: |
||
|
Радиотелеграфных передатчиков |
0,5-3 |
0,05-0,3 |
|
Радиотелефонных передатчиков |
0,05-0,1 |
0,01-0,05 |
|
Радиовещательных и телевизионных передатчиков |
0,02-0,05 |
0,01-0,05 |
|
2. Промежуточные каскады: |
||
|
Радиотелеграфных передатчиков |
0,15-0,5 |
0,05-0,2 |
|
Радиотелефонных передатчиков |
0,02-0,1 |
0,01-0,1 |
|
Радиовещательных и телевизионных передатчиков |
0,01-0,05 |
0,01-0,05 |
|
3. Задающие генераторы (возбудители) передатчиков |
0,001-0,01 |
0,001-0,01 |
|
4. Мощные каскады усиления низкой частоты |
||
|
Передатчиков и приемников (двухтактная схема) |
0,5-3 |
|
|
5. Усилители низкой частоты(однотактная схема) |
0,05-0,1 |
Продолжение таблицы 4
|
1 |
2 |
|
6. Каскады усиления высокой частоты радиоприемников |
0,01-0,05 |
|
7. Цепи накала электронных ламп постоянным током: |
|
|
прямого накала |
0,01-0,05 |
|
Косвенного накала |
0,5-4 |
|
8. Цепи питания ускоряющих электродов электронно-лучевых трубок |
0,01-0,1 |
|
9. Цепи питания микрофонов |
0,00001-0,0001 |
Таблица 5 Таблица расчета U>др.>
|
P>о>,Ватт |
U>др>=I>о> R>др> |
|
|
Fc=50 Гц V |
fc=400 Гц |
|
|
До 10 |
0,2 —0,15 |
0,08 —0,065 |
|
10—30 |
0,15 —0,12 |
0,065—0,05 |
|
30—100 |
0,12 —0,09 |
0,05—0,035 |
|
100—300 |
0,09 —0,06 |
0,035—0,025 |
|
300—1000 |
0,06 —0,045 |
0,025—0,018 |
|
1000—3000 |
0,045—0,03 |
0,018—0,012 |
|
3000—10 000 |
0,03 —0,02 |
0,012—0,009 |
Таблица 6 Параметры схемы выпрямления.
|
№ п/п |
Параметр |
Значения параметра в зависимости от схемы выпрямления |
||||
|
Двухполу-периодная со средней точкой |
Однофазная мостовая |
Трехфаз-ная |
Трехфазная мостовая |
|||
|
1 |
2 |
3 |
4 |
5 |
6 |
7 |
|
1 |
Действующее значение напряжения вторичной обмотки U2 |
2x1,11U>0>> > |
1,11xU>0> |
0,815U>0>> > |
0,43U>0> |
0,74U>0> |
Продолжение таблицы 6
|
1 |
2 |
3 |
4 |
5 |
6 |
7 |
|
2 |
Действующий ток вторичной Обмотки I2 |
0,707I>0> |
0,707 I>0> |
0,58 I>0> |
0,815 I>0> |
0,47 I>0> |
|
3 |
Действующий ток первичной обмотки I1 |
I>o>K>тр> |
I>o>K>тр> |
0,47 I>o>K>тр> |
0,815 I>o>K>тр> |
0,47 I>o>K>тр> |
|
4 |
Типовая мощность трансформатора Ртип |
1,34I>о>U>о> |
1,11 I>о>U>о> |
1,35 I>о>U>о> |
1,05 I>о>U>о> |
1,05 I>о>U>о> |
|
5 |
Подмагничивание трансформатора |
Нет |
Нет |
Есть |
Нет |
Нет |
|
6 |
Среднее значение тока вентиля Iов |
0,5 I>0> |
0,5 I>0> |
0,33 I>0> |
0,33 I>0> |
0,33 I>0> |
|
7 |
Действующее значение тока вентиля I>в> |
0,707 I>0> |
0,707 I>0> |
0,58 I>0> |
0,58 I>0> |
0,58 I>0> |
|
8 |
Амплитудное значение тока вентиля I>m>>в> |
I>0> |
I>0> |
I>0> |
I>0> |
I>0> |
|
9 |
Обратное напряжение на вентиле U>обр>>m> |
3,14 |
1,57U>о> |
2,09 U>о> |
1,05 U>о> |
1,05 U>о> |
|
10 |
Число вентилей N |
2 |
4 |
3 |
6 |
6 |
|
11 |
Частота пульсаций f>п> |
2fc |
2fс |
3fс |
6fс |
6fс |
|
12 |
Расчетный коэффициент К>т> |
7 |
5,2 |
6,6 |
2,5 |
7,6 |
|
13 |
Расчетный коэффициент К>L> |
5,5x10-3 |
6,4x10-3 |
3,3x10-3 |
10-3 |
3x10-3 |
|
14 |
Падение напряжения на ак- тивном сопротивлении ∆U>T> трансформатора |
I>о>R>тр> |
I>о>R>тр> |
I>о>R>тр> |
2 I>о>R>тр> |
0,67 I>о>R>тр> |
|
15 |
Падение напряжения на реактивном сопротивлении трансформатора ∆U>x> |
2I>о>fсL>s> |
2 I>о>fсL>s> |
3 I>о>fсL>s> |
6 I>о>fсL>s>> > |
4 I>о>fсL>s> |
5. Экология
5.1. Защита от воздействия электромагнитного поля промышленной частоты
Влияние поля на здоровье людей. В процессе эксплуатации электроэнергетических установок - открытых распределительных устройств (ОРУ) и воздушных линий (ВЛ) электропередачи напряжением 400 кВ и выше - отмечено ухудшение состояния здоровья персонала, обслуживающего эти установки. Субъективно это выражается в ухудшении самочувствия работающих - повышенная утомляемость, вялость, головные боли, плохой сон, боли в сердце и т. п.
Специальные наблюдения и исследования, проводимые в Советском Союзе и за рубежом, позволили установить, что фактором, влияющим на здоровье обслуживающего персонала, является электромагнитное поле, возникающее в пространстве вокруг токоведущих частей действующих электроустановок. В электроустановках напряжением менее 400 кВ также возникают электромагнитные поля, но менее интенсивные и, как показывает длительный опыт эксплуатации таких установок, не оказывающие отрицательного влияния на биологические объекты.
Интенсивное электромагнитное поле промышленной частоты вызывает у работающих нарушение функционального состояния центральной нервной системы, сердечной деятельности и системы кровообращения. При этом наблюдаются повышенная утомляемость, снижение точности рабочих движений, изменение кровяного давления и пульса, возникновение болей в сердце, сопровождающихся сердцебиением и аритмией, и т. п.
Эффект воздействия электромагнитного поля на биологический объект принято оценивать количеством электромагнитной энергии, поглощаемой этим объектом при нахождении его в поле. Электромагнитное поле можно -рассматривать состоящим из двух полей: электрического и магнитного. Можно также считать, что в электроустановках электрическое поле возникает при наличии напряжения на токоведущих частях, а магнитное - при прохождении тока по этим частям.
При малых частотах, в том числе при 50 Гц, электрическое и магнитное поля практически не связаны между собой, поэтому их можно рассматривать отдельно друг от друга и также отдельно рассматривать влияние, оказываемое ими на биологический объект. Исходя из этого, определена поглощаемая телом человека энергия электрического и магнитного полей. При этом в любой точке электромагнитного поля, возникающего в электроустановках промышленной частоты, поглощенная телом человека энергия магнитного поля примерно в 50 раз меньше поглощенной им энергии электрического поля. Вместе с тем измерениями в реальных условиях установлено, что напряженность магнитного поля в рабочих зонах ОРУ и ВЛ напряжением до 750 кВ включительно не превышает 20 - 25 А/м, в то время как вредное действие магнитного поля на биологический объект проявляется при напряженности 150 - 200 А/м.
Это позволило сделать вывод, что отрицательное действие на организм человека электромагнитного поля в электроустановках промышленной частоты обусловлено электрическим полем; магнитное же поле оказывает незначительное биологическое действие и в практических условиях им можно пренебречь.
Электрическое поле электроустановок частотой 50 Гц можно рассматривать в каждый данный момент как электростатическое поле, т. е. применять к нему законы электростатики. Это поле создается между двумя электродами (телами), несущими заряды разных знаков, на которых начинаются и оканчиваются силовые линии.
Поле электроустановок является неравномерным, т. е. напряженность его изменяется вдоль силовых линий. Вместе с тем оно обычно несимметричное, поскольку возникает между электродами различной формы, например между токоведущей частью и землей или металлической заземленной конструкцией.
Поле воздушной линии электропередачи является, кроме того, плоскопараллельным, т.е. форма которого одинакова в параллельных плоскостях, называемых плоскостями поля. В данном случае плоскости поля перпендикулярны оси линии.
Процесс биологического действия электрического поля на организм человека изучен недостаточно. Предполагается, что нарушение регуляции физиологических функций организма - изменение кровяного давления, пульса, нарушение сердечного ритма - обусловлено воздействием поля на различные отделы нервной системы. При этом повышение возбудимости центральной нервной системы происходит за счет рефлекторного действия поля, а тормозной эффект вызывается прямым воздействием поля на структуры головного и спинного мозга. Считается, что кора головного мозга, а также промежуточный мозг особенно чувствительны к воздействию электрического поля.
Предполагается также, что основным материальным фактором, вызывающим такие изменения в организме, является индуцируемый в теле ток и в значительно меньшей мере - электрическое поле.
Наряду с биологическим действием электрическое поле обусловливает возникновение разрядов между человеком и металлическим предметом, имеющим иной потенциал, чем человек.
Если человек стоит непосредственно на земле или на токопроводящем заземленном основании, то потенциал его тела практически равен нулю, а если он изолирован от земли, то тело оказывается под некоторым потенциалом, достигающим иногда нескольких киловольт.
Очевидно, что прикосновение человека, изолированного от земли, к заземленному металлическому предмету, так же как и прикосновение человека, имеющего контакт с землей, к металлическому предмету, изолированному от земли, сопровождается прохождением через человека в землю разрядного тока, который может вызвать болезненные ощущения, особенно в первый момент. Часто прикосновение сопровождается искровым разрядом.
В случае прикосновения к изолированному от земли металлическому предмету большой протяженности (трубопровод, проволочная ограда на деревянных стойках и т. п.) или большого размера (например, крыша деревянного здания) ток через человека может достигать значений, опасных для жизни.
5.2. Защита от радиоактивных излучений
Защита от радиоактивных излучений состоит из комплекса организационных и технических мер, осуществляемых экранированием источников излучения или рабочих мест, удалением источников от рабочих мест и сокращением времени облучения. Доза облучения D тем меньше, чем меньше время облучения t и чем больше расстояние от источника облучения до работающего r :
D=I>>Mt/r2, (5.1)
где I>>—ионизационная постоянная данного радиоактивного изотопа, Р/(мКи-ч/см2); М—активность источника излучения, мКи.
Организационные меры определяются детальным анализом условий работы. Для проведения работ по возможности следует выбирать радиоактивные изотопы с меньшими периодами полураспада и энергией, дающими меньший уровень активности отходов. Применение приборов большей точности также дает возможность применять меньшие активности. На предприятиях составляются подробные инструкции, в которых указываются порядок и правила проведения работ, обеспечивающие безопасность. Специальные герметические хранилища радиоактивных изотопа обеспечивают защиту от излучения. Открытые источники излучения и все облучаемые предметы должны находиться в строго ограниченной зоне, пребывание в которой персонала разрешается только в особых случаях и минимальное время. На контейнеры, оборудование, двери помещений и другие места наносится предупредительный знак радиационной опасности
красный.
красный.
желтый. красный.
Рис. 5.1 Знак радиационной опасности
Предупреждение профессиональных заболеваний обеспечивается медицинским контролем за состоянием здоровья и неприемом на работу лиц, страдающих заболеваниями внутренних органов, поражаемых излучением.
Технические меры защиты заключаются в экранировании, при помощи которого можно снизить облучение на рабочем месте до любого заданного уровня. В основе защитного экранирования лежит определение материала и необходимой толщины экрана для поглощения излучения.
Для а-частиц, имеющих небольшую длину пробега, слой воздуха в несколько сантиметров, одежда, резиновые перчатки являются достаточной защитой. Для защиты от Р-частиц для экранов применяют материалы с небольшим атомным номером (алюминий, плексиглас). Для защиты от Р-частиц высоких энергий используют экраны из свинца с внутренней облицовкой из материалов с малым атомным номером, так как при прохождении Р-частиц через вещество происходит не только ионизация и возбуждение атомов, но и возникает тормозное излучение в виде рентгеновских или гамма-излучений.
Толщину защитного экрана d>> от -частиц рассчитывают по формуле
d>>=l>>/ (5.2)
где - длина пробега частиц, г/см2 (1 г/см2 характеризует слой вещества, имеющий массу 1 г при сечении 1 см2); - плотность вещества экрана, г/см3.
Гамма-излучение хорошо поглощается элементами с высоким атомным номером и высокой плотностью (свинец, вольфрам).
Расчет экранов для защиты от гамма-излучений можно провести по формулам, справочникам и номограммам. При этом следует иметь в виду, что ослабление интенсивности потока зависит от его геометрических данных - узкий или широкий пучок. Ослабление потока гамма-излучений от точечного источника происходит по экспоненциальному закону
I>d>=I>e>-d (5.3)
где I>d> -интенсивность потока, ослабленного слоем вещества, толщиной d, см; I - начальная интенсивность потока; β - линейный коэффициент ослабления 1 см-1 для узкого пучка монохрoматического излучения.
На практике определяют толщину поглотителя, необходимую для ослабления интенсивности потока в любое число раз, по номограмме (рис. 5.2).

Рис.5.2 График прохождения излучения.
Защитные экраны могут быть стационарные, передвижные, разборные, настольные. Однако такие экраны экранируют лишь ту сторону, которая обращена к работающему и не защищают от рассеянного излучения. Более совершенной защитой является применение вытяжных шкафов, камер и боксов, оборудованых шпаговыми манипуляторами, приточно-вытяжной вентиляцией и душевым устройством для облива внутренней поверхности камеры.
Средства индивидуальной защиты дополняют основные меры защиты. Они предохраняют от попадания радиоактивных загрязнений на кожу и внутрь организма, защищают от а-частиц и по возможности от β-частиц. От у-частиц и нейтронного излучения индивидуальные защитные средства, как правило, не защищают. В зависимости от активности изотопов в качестве спецодежды используются хлопчатобумажные халаты, шапочки, резиновые перчатки или хлорвиниловые комбинезоны, ботинки, очки, респираторы или специальные пластикатовые пневматические костюмы с принудительной подачей в них воздуха. Материалы, применяемые для средств индивидуальной защиты, должны легко дезактивироваться.
6. Охрана труда
6.1. Санитарные нормы для производственных и вспомогательных помещений
Выбор типа производственного помещения определяется технологическим процессом, возможностью борьбы с шумом, вибрациями и загрязнением воздуха. Наличие больших оконных проемов и фонарей должно обеспечивать хорошую естественную освещенность. В помещении обязательно устройство вентиляции.
Объем и площадь производственного помещения, которые должны приходиться на каждого работающего по санитарным нормам, должны быть не менее 15 м3 и 4,5 м2 соответственно. Высота производственных помещений не должна быть менее 3,2 м. Стены и потолки необходимо сооружать из малотеплопроводных материалов, не задерживающих осаждение пыли. Полы должны быть теплыми, эластичными, ровными и нескользкими. Если работы связаны с применением ядовитых веществ (например, цианистые соли, ртуть, свинец), то к внутренней отделке предъявляются специальные требования.
В помещениях с большим выделением пыли (шлифование, размол) следует предусматривать уборку помещений при помощи пылесосов или гидросмыва. Полы не должны, пропускать в помещение грунтовых вод, вредных газов. В помещениях, где рабочие места обслуживаются стоя, полы должны быть малотеплопроводными. При необходимости допускаются полы со значительной теплопроводностью (бетонные, керамические), но при условии укладки на пол на рабочих местах деревянных щитов или теплоизолирующих ковриков. В помещениях, где применяются агрессивные и вредные вещества, полы изготовляются из материалов, устойчивых в отношении химического действия этих веществ (например, метлахская плитка) и не допускающих их сорбции. Для отведения пролитых на пол агрессивных и вредных жидкостей предусматриваются стоки в канализацию.
К вспомогательным помещениям электростанций и подстанций относятся административно-конторские и санитарно-бытовые помещения, помещения общественных организаций, здравпункты, пункты питания. Вспомогательные помещения, как правило, следует размещать в пристройках к производственным зданиям или в отдельно стоящих зданиях. В некоторых случаях вспомогательные помещения допускается размещать внутри производственных зданий, если этому не препятствует характер производственных процессов, санитарно-гигиенические требования и принятые конструктивные решения.
При устройстве бытовых помещений (гардеробные, души, уборные и т. п.) в отдельных зданиях они должны соединяться с производственными зданиями отапливаемыми переходами.
Высота этажей вспомогательных помещений должна быть 3,3 м. Высоту бытовых и административно-конторских помещений, расположенных в производственных зданиях (например, на антресолях), допускается принимать не менее 2,5 м от пола до потолка и не менее 2,2 м от пола до низа выступающих конструкций.
6.2. Организация рабочего места на электростанциях и в электрических сетях
Рабочее место - это зона приложения труда определенного работника или группы работников (бригады). Организация рабочего места заключается в выполнении ряда мероприятий, обеспечивающих рациональный и безопасный трудовой процесс и эффективное использование орудий и предметов труда, что повышает производительность и способствует снижению утомляемости работающих.
Правильный выбор рабочей позы (с возможностью ее перемены) исключает или сводит к минимуму вредное влияние выполняемой работы на организм человека. Руки рабочего (оператора), находящегося в позе «стоя» или «сидя», совершают движения в пределах определенной максимальной зоны. Чтобы эти движения были экономными, без излишнего напряжения, для рук рекомендуется определенная рабочая зона, в пределах которой и следует размещать органы управления производственным оборудованием (например, станком, рукоятками и рычагами грузоподъемной» машины, ключами и кнопками управления электрическими аппаратами и машинами и др.
Удобное и рациональное расположение материалов, инструментов и приспособлений позволяет исключить лишние движения. Инструменты и обрабатываемые материалы и изделия следует располагать на рабочем месте с учетом их применения: более часто употребляемые предметы размещаются в оптимальной рабочей зоне достигаемости рук без наклонов туловища; редко употребляемые в более отдаленной зоне. Этот принцип применим и к технической документации оперативного (дежурного) персонала электростанций и подстанций. Дежурный у щита управления периодически делает записи в различные ведомости и журналы, которые находятся у него на столе пульта (щита) управления.
Таким образом, при организации рабочего места необходимо выполнять требования эргономики, т. е. учитывать все факторы, влияющие на эффективность действий человека-оператора при обеспечении безопасных приемов его работы.
Среди мероприятий, направленных на создание рациональных условий трудового процесса, важное значение имеет режим труда и отдыха. Особенно это относится к работе производственного персонала, выполняющего однообразную работу на станках с ручным управлением (штамповка, резка металла, сверление и др.).
Четкий ритм труда обусловливает нормальное функционирование организма человека в процессе работы с минимальной затратой нервной и мышечной энергии. Ритмичный труд менее утомителен и обеспечивает большую безопасность труда. Все нарушения трудового ритма в течение рабочего дня (организационные неполадки, отсутствие нужных деталей, инструментов, технической документации и др.) ведут к снижению работоспособности и к быстрой утомляемости.
6.3. Освещение рабочего места.
Неправильная эксплуатация так же, как и ошибки, допущенные при проектировании и устройстве осветительных установок в пожаро- и взрывоопасных цехах (неправильный выбор светильников, проводов), могут привести к взрыву, пожару и несчастным случаям. Кроме того, при неудовлетворительном освещении снижается производительность труда и увеличивается брак продукции.
Нормирование естественного освещения производится при помощи коэффициента естественной освещенности или сокращенно КЕО:
е=(Ев/Ен)100%, (6.1)
где е - коэффициент естественной освещенности, %; Ев - освещенность внутри помещения, лк; Ен -одновременная освещенность рассеянным светом снаружи, лк.
Освещенность помещения естественным светом характеризуется коэффициентами естественной освещенности ряда точек, расположенных в пересечении вертикальной плоскости характерного разреза помещения и горизонтальной плоскости, находящейся на 1 м над уровнем пола и принимаемой за условную рабочую поверхность (рис. 6.1).
Минимальный КЕО в зависимости от точности работы при верхнем и комбинированном освещении нормируется в пределах от 10 до 2, а при одном боковом освещении в мин – от 3,5 до 0,5.
Таблица 7 Нормы наименьшей освещенности рабочих поверхностей для газоразрядных источников света
|
Освещенность, лк |
|||||||
|
Характеристика зрительной работы по степени точности |
Наименьший размер объекта различения, мм |
Разряд зрительной работы |
Подразряд зрительной работы |
Контраст объекта различения с фоном |
Характе-ристика фона |
Система комбинированного освещения |
Система общего освещения |
|
Наивыс- шей точ- ности |
Менее 0,15 |
а |
Малый |
Темный |
5000 |
1500 |
|
|
б |
Малый, |
Средний, |
4000 |
1250 |
|||
|
Средний |
темный |
||||||
|
I |
в |
Малый, |
Светлый, |
2500 |
750 |
||
|
Средний, |
средний, |
||||||
|
Большой |
темный |
||||||
|
г |
Средний, |
Светлый, |
1500 |
400 |
|||
|
Большой, |
светлый, |
||||||
|
Большой |
средний |
Если работа связана с повышенной опасностью травматизма, размещением деталей на движущихся поверхностях, если напряженная зрительная работа производится непрерывно в течение рабочего дня или различаемые объекты расположены от глаз далее чем на 0,5 м, нормы освещенности повышаются на одну ступень согласно специальной шкале освещенностей. Так, в указанных случаях наибольшая освещенность для зрительной работы 1а может быть повышена до 6000 и даже до 7500 лк.
Бесперебойность действия осветительной установки обеспечивается устройством трех видов освещения: рабочего, аварийного и освещения безопасности (эвакуационного).
• Рабочее освещение предназначено для создания необходимых условий работы и нормальной эксплуатации здания или территории. При погасании рабочего освещения временное продолжение работы обеспечивается аварийным освещением.
• Аварийное освещение предусматривается в тех случаях, если погасание рабочего освещения может вызвать: взрыв, пожар, отравление людей, длительное нарушение технологического процесса, нарушение работы таких объектов, как электрические станции, узлы радиопередачи и связи и т. п.
Светильники такого освещения должны создавать на рабочих поверхностях 5% освещенности, нормированной для данного вида работ при системе общего освещения, но не менее 5 лк при газоразрядных лампах и 2 лк - при лампах накаливания.
• Питание светильников аварийного освещения осуществляется от независимого источника электроэнергии, напряжение на котором сохраняется при исчезновении его на других источниках (трансформаторы, питаемые от двух электростанций, генераторы с самостоятельным первичным двигателем, аккумуляторные батареи).
Выполнение аварийного освещения возможно двумя способами: из числа светильников общего освещения небольшая часть выделяется для аварийного освещения либо для него устанавливаются дополнительные светильники. В обоих случаях в светильниках аварийного освещения допускается применение ламп накаливания; люминесцентные лампы допускаются при температуре окружающей среды, не ниже +10°С и уровне напряжения не менее 90% номинального.
Освещение безопасности (эвакуационное) предусматривается в производственных помещениях при наличии опасности возникновения травматизма для эвакуации людей из помещения. Светильники такого освещения должны обеспечивать по линии основных проходов в помещениях освещенность не менее 0,5 лк, которая позволяет отключить силовое оборудование, прекратить работу и если это необходимо, покинуть рабочее помещение. Система освещения безопасности питается от электрических сетей, независимых от сетей рабочего освещения, начиная от шин подстанций.
6.4. Электробезопасность.
Электроустановками называются установки, в которых производится, преобразуется, распределяется и потребляется электроэнергия. В различных электроустановках имеется различная опасность поражения людей электрическим током, так как параметры электроэнергии, условия эксплуатации электрооборудования и характер среды помещений, в которых оно установлено, весьма разнообразны. Комплекс защитных мер должен соответствовать виду электроустановки и условиям применения электрооборудования, обеспечивая достаточную безопасность.
В электроустановках применяются следующие технические защитные меры: применение малых напряжений; электрическое разделение сетей; защита от опасности при переходе напряжения с высшей стороны на низшую; контроль и профилактика повреждений изоляции; компенсация емкостной составляющей тока замыкания на землю; защита от случайного прикосновения к токоведущим частям; защитное заземление; зануление; защитное отключение; применение электрозащитных средств.
Применение этих защитных мер регламентируется ПУЭ, ПТЭ, ПТБ и другими правилами.
До начала работы и в процессе ее выполнения необходимо выполнять организационные и технические мероприятия, обеспечивающие безопасность труда.
Работы в действующих электроустановках подразделяются в отношении принятия мер безопасности на три категории.
1. Со снятием напряжения с токоведущих частей.
2. Под напряжением на токоведущих частях с применением электрозащитных средств. В электроустановках напряжением выше 1000 В, а также на ВЛ до 1000 В к этим работам относятся работы, выполняемые на расстояниях от токоведущих частей.
3. Без снятия напряжения на нетоковедущих частях. К ним относятся работы, выполняемые за ограждениями, на корпусах и оболочках электрооборудования.
Организационными мероприятиями, обеспечивающие безопасность работы в электроустановках от 30 до 380 В является:
-оформление работы специальным нарядом-допуском или распоряжением, выдача разрешения на подготовку рабочих мест и допуска бригады к работе, допуск к работе;
-надзор за безопасностью работающих во время выполнения работы, перевод бригады на другое рабочее место;
-оформление перерывов в работе и ее окончания.
Все работы как со снятием напряжения, так и без него вблизи или на токоведущих частях должны выполняться по наряду-допуску или по распоряжению, поскольку обеспечение их безопасного выполнения требует специальной подготовки рабочего места и выполнения определенных мер. Исключение составляют кратковременные и небольшие по объему работы, выполняемые дежурным или оперативно-ремонтным персоналом в порядке текущей эксплуатации. Их продолжительность не должна превышать 1 ч.
По окончании всех работ по наряду рабочее место должно быть убрано ремонтной бригадой и осмотрено руководителем работ.
Включить электроустановку в работу можно только после получения на это разрешения и допуска от лица, выдавшего его на подготовку рабочих мест, или лица, сменившего его. Перед включением должны быть восстановлены постоянные ограждения токоведущих частей, сняты переносные заземления и плакаты, установленные дежурным или оперативно-ремонтным персоналом.
Для безопасного выполнения работ с полным или частичным снятием напряжения в электроустановках станций, подстанций и сетей необходимо выполнить следующие технические мероприятия:
1. Произвести отключения и принять меры, препятствующие случайной подаче напряжения к месту работы.
2. Вывесить на рукоятках коммутационных аппаратов запрещающие плакаты: Не включать - работают люди или Не включать - работа на линии и при необходимости установить временные ограждения не отключенных токоведущих частей.
3. Переносные заземления (закоротки) присоединить к заземляющему устройству, после чего проверить отсутствие напряжения на отключенных для производства работы токоведущих частях, на которые должны быть наложены заземления
4. Наложить на отключенные токоведущие части переносные заземления (сразу после проверки отсутствия напряжения) или включить заземляющие ножи разъединителей.
5. Если работа производится с частичным снятием напряжения, то оборудование, оставшееся под напряжением, оградить, а на ограждении вывесить плакаты «Стой - высокое напряжение!»; на подготовленном к ремонту электрооборудовании вывесить плакат «Работать здесь».
Эти технические мероприятия выполняются дежурным или оперативно-ремонтным персоналом, обслуживающим данную электроустановку станции, подстанции, сети.
6.5. Шум и вибрация.
Шум - это беспорядочное сочетание звуков различной частоты и интенсивности (силы). Шум возникает при механических колебаниях в твердых, жидких и газообразных средах.
Источниками производственного шума на электростанциях могут быть турбо- и гидроагрегаты, электродвигатели собственных нужд, дымососы и вентиляционные установки, дробилки и шаровые мельницы систем пылеприготовления, трансформаторы, станки и тучные пневмо- и электромашины, транспортные средства и др. Механические колебания с частотами 20—20 000 Гц воспринимаются слуховым аппаратом в виде звука. Создаваемые технологическим оборудованием шумы могут возникать при различных процессах: механических (соударения, вибрации, трение), аэродинамических (нестационарные процессы в газах, при истечении сжатого воздуха или газа, при горении жидкого или распыленного топлива в форсунках и др.), гидродинамических (истечение жидкости) и электромагнитных (переменные магнитные поля в электрооборудовании).
Одним из методов уменьшения шума на объектах энергетического производства является снижение или ослабление шума в его источниках - в электрических машинах и трансформаторах, компрессорах и вентиляторах, в машинах топливного пылеприготовления (дробилки, мельницы) и др.
Разработка малошумного производственного оборудования часто представляет собой очень сложную техническую проблему. Тем не менее на практике по возможности следует применять малошумное оборудование.
В машинах часто причиной недопустимого шума является износ подшипников, неточная сборка деталей при ремонтах и т. п. Поэтому в процессе эксплуатации всех видов машин необходимо выполнять соответствующие Правила технической эксплуатации. Ненормальный повышенный шум, создаваемый трансформаторами и электрическими машинами, часто бывает по причине неплотного стягивания пакетов стального сердечника, а в электродвигателях - при их перегрузке или работе при обрыве одного фазного провода в питающей цепи.
Одним из эффективных средств защиты от вибрации рабочих мест, оборудования и строительных конструкций является виброизоляция, представляющая собой упругие элементы, размещенные между вибрирующей машиной и основанием. Амортизаторы вибраций изготовляют обычно из стальных пружин или резиновых прокладок. Пружинные амортизаторы применяют для виброизоляции насосов, дробилок, электродвигателей, двигателей внутреннего сгорания. Виброизолирующая способность резиновых амортизаторов меньше, чем пружинных, но они характеризуются большим внутренним трением, что способствует уменьшению времени затухания свободных колебаний системы.
Для уменьшения вибрации кожухов, ограждений и других деталей, выполненных из стальных листов, применяют вибропоглощение - нанесение на вибрирующую поверхность резины, пластиков, вибропоглощающих мастик, которые рассеивают энергию колебаний. Применением вибропоглощающих покрытий достигается также значительное снижение уровня производственного шума.
В качестве индивидуальной защиты от вибраций, передаваемых человеку через ноги, рекомендуется носить обувь на войлочной или толстой резиновой подошве. Для защиты рук рекомендуются виброгасящие перчатки.
Таблица 8 Значения предельно допустимых уровней шума на рабочих местах производственных предприятий
|
Рабочие места |
Уровни звукового давления (дБ) в октавных полосах со среднегеометрическими частотами, Г ц |
Уровни звука и эквивалентные уровни звука, дБА |
|||||||
|
63 |
125 |
250 |
500 |
1000 |
2000 |
4000 |
8000 |
||
|
Помещения конструкторских бюро, расчетчиков, программистов вычислительных машин, лабораторий для теоретических работ и обработки экспериментальных данных, приема больных в здравпунктах |
71 |
61 |
54 |
49 |
45 |
42 |
40 |
38 |
50 |
|
Помещения управления, рабочие комнаты |
79 |
70 |
68 |
58 |
55 |
52 |
50 |
49 |
60 |
|
Кабины наблюдений и дистанционного управления: а) без речевой связи по телефону |
94 |
87 |
82 |
78 |
75 |
73 |
71 |
70 |
80 |
|
б) с речевой связью по телефону |
83 |
74 |
68 |
63 |
60 |
57 |
55 |
54 |
65 |
|
Постоянные рабочие места и рабочие зоны |
99 |
92 |
86 |
83 |
80 |
78 |
76 |
74 |
85 |
6.6. Микроклимат рабочей зоны.
Оптимальный микроклимат в помещении обеспечивает поддержание теплового равновесия между организмом и окружающей средой. Поддержание на заданном уровне параметров, определяющих микроклимат -температуры, влажности и подвижности воздуха - может осуществляться кондиционированием или с большими допусками вентиляцией. Но вентиляция и даже кондиционирование воздуха не защищают от теплового излучения (лучистой теплоты).
Защита от прямого действия теплового излучения осуществляется в основном экранированием - установкой термического сопротивления на пути теплового потока. Экраны весьма разнообразны, но по принципу их действия они делятся на поглощающие и отражающие лучистую теплоту и могут быть стационарными и подвижными. Экраны не только защищают от тепловых излучений, но и предохраняют от воздействия искр, выплесков расплав-пленного металла, окалины и шлака.
Температура воздуха в помещении не должна превышать 30С, влажность воздуха не должна превышать 75%.
6.7. Пожарная безопасность.
Строительными нормами и правилами, межотраслевыми правилами пожарной безопасности, отраслевыми стандартами и правилами пожарной безопасности, утвержденными министерствами и ведомствами, а также инструкциями по обеспечению пожарной безопасности на отдельных объектах.
Для предотвращения пожара необходимы следующие меры:
а) предотвращение образования горючей среды;
б) предотвращение образования в горючей среде источников зажигания;
в) поддержание температуры и давления горючей среды ниже максимально допустимых по горючести;
г) уменьшение определяющего размера горючей среды ниже максимально допустимого по горючести.
Противопожарную защиту обеспечивают следующие меры
а) максимально возможное применение негорючих и трудногорючих веществ и материалов вместо пожароопасных;
б) ограничение количества горючих веществ и их надлежащее размещение;
в) изоляция горючей среды;
г) предотвращение распространения пожара за пределы очага;
д) применение средств пожаротушения;
е) применение конструкций объектов с регламентированным пределом огнестойкости и горючестью;
ж) эвакуация людей;
з) применение средств коллективной и индивидуальной защиты;
и) применение средств пожарной сигнализации и средств извещения о пожаре;
к) организация пожарной охраны объекта.
Организационными мероприятиями по обеспечению пожарной безопасности являются обучение рабочих и служащих правилам пожарной безопасности; разработка и реализация норм и правил пожарной безопасности, инструкций о порядке работы с пожароопасными веществами и материалами; изготовление и применение средств наглядной агитации по обеспечению пожарной безопасности. Важной мерой по обеспечению пожарной безопасности является организация пожарной охраны объекта, предусматривающей профилактическое и оперативное обслуживание охраняемых объектов.
6.8. Особенности тушения пожара в электроустановках
Если горящая электроустановка не отключена и находится под напряжением, то тушение ее представляет опасность поражения электрическим током. Как правило, тушить ручными средствами пожар электрооборудования следует при снятом с него напряжении. Если почему-либо снять напряжение невозможно, то допускается тушение установки, находящейся под напряжением, но с соблюдение особых мер электробезопасности, которые предусмотрены Инструкцией по тушению пожаров в электроустановках электростанций и подстанций.
Руководителем тушения пожара до прибытия первого пожарного подразделения является старший по смене энергетического объекта - начальник смены, дежурный инженер, диспетчер электросетей, дежурный по подстанции. Отключение присоединений, на которых горит электрооборудование, может производиться дежурным без предварительного разрешения вышестоящего оперативного персонала, но с последующим уведомлением.
Тушение пожаров компактными и распыленными водяными струями без снятия напряжения с электроустановок допускается только в открытых для обзора ствольщика электроустановках, в том числе горящих кабелей при номинальном напряжении до 10 кВ. При этом ствол должен быть заземлен, а ствольщик-работать в диэлектрических ботах и перчатках и находиться на расстоянии от очага не менее 3,5 м цри диаметре спрыска 13 мм и напряжении до 1 кВ включительно и 4,5 м при напряжении до 10 кВ. При диаметре спрыска 19 мм эти расстояния увеличиваются соответственно до 4 и 8 м. При этом применение морской и сильно загрязненной воды не допускается.
Тушение пожаров ручными средствами в сильно задымленных помещениях энергообъектов с проникновением в них без снятия напряжения не допускается.
При загорании обмотки генератора или синхронного компенсатора электрическая машина должна быть отключена от сети и остановлена, после чего следует включить стационарную систему водяного пожаротушения. Применение пенных химических огнетушителей для тушения пожара внутри генератора или синхронного компенсатора инструкцией запрещается.
При загорании водорода в сливных маслопроводах, в зоне выводов и других местах генератора или синхронного компенсатора с водородным охлаждением необходимо остановить турбину генератора (отключить компенсатор от сети), а затем от централизованной системы пожаротушения подать углекислый газ или азот в корпус для вытеснения водорода. Одновременно следует приступить к тушению горящего водорода при помощи углекислотных огнетушителей и других средств пожаротушения.
6.8.1. Ручные огнетушители.
На электростанциях, подстанциях и других объектах электрических сетей применяются ручные огнетушители. С их помощью можно быстро ликвидировать очаг загорания или локализовать огонь до прибытия пожарной команды.
Ручные углекислотные огнетушители типа ОУ-2> ОУ-5 и ОУ-8 (рис. 6.1.) емкостью соответственно 2,5; 5 и 8 л предназначены для тушения небольших загорании всех видов. Они приводятся в действие путем открытия запорного вентиля вращением маховичка. Струя снегообразной углекислоты действует в течение 30 - 40 с на расстоянии до 2 м.
Углекислотно-бромэтиловый огнетушитель типа ОУБ-7 (рис. 6.1.) имеет баллон емкостью 7 л, в котором содержится 97% бромистого этила и 3% жидкой углекислоты. Состав находится под давлением сжатого воздуха. При открывании вентиля из выпускного отверстия выбрасывается огнетушащее вещество в виде туманообразного облака. Время действия огнетушителя около 40 с, дальность выбрасывания вещества 4 - 5 м. Огнетушитель типа ОУБ пригоден для тушения твердых и жидких горючих веществ, а также находящихся под напряжением электроустановок, поскольку бромистый этил не проводит электрический ток.
Порошковый огнетушитель типа ОПС-10 (рис. 6.2) наполнен в качестве огнетушащего средства сухим порошком (кальцинированная или двууглекислая сода, поташ и др.). Огнетушитель состоит из баллона 1 емкостью 10 л, заполненного огнегасящим порошком. К корпусу прикреплен баллон 2 с инертным газом (азот), находящимся под давлением порядка 15 МПа. При открывании вентиля порошок из баллона напором газа выталки-



Рис. 6.1. Огнетушитель ОУ-2
Рис. 6.2. Огнетушитель ОУБ-7
Рис. 6.3. Огнетушитель ОПС-10
вается в шланг 3, а затем через раструб 4 подается к очагу загорания. Продолжительность действия этого огнетушителя около 30 с. Огнетушитель ОПС-10 предназначен для тушения небольших очагов загорания щелочных металлов, тушение которых водой не допускается.
Широко распространен огнетушитель типа ОХП-10, огнетушащее вещество которого образуется в виде химической пены (рис. 6.3). Он состоит из стального сварного корпуса 1, внутри которого находится стакан 2, содержащий смесь сернокислого окисного железа с серной кислотой. Корпус заполняется, растворим двууглекислого натрия (щелочь) с солодковым экстрактом. При повороте на 180° рукоятки 3 шток 4 приподнимает резиновую пробку и при опрокидывании огнетушителя вверх дном кислотная и щелочная части смешиваются. При этом образуется двуокись углерода в виде пены, которая выбрасывается через спрыск и направляется в очаг загорания. Огнетушитель действует эффективно в течение около 60 с и дает струю пены до 8 м. Ручной воздушно-пенный огнетушитель типа ОВП-5 и ОВП-10 (рис. 6.3) имеет резервуар объемом соответственно 5 или 10 л, заполненный 5%-ным раствором пенообразователя ПО-1. При повороте рычага 3 сжатая в баллоне 2 двуокись углерода через пенный насадок 4 выбрасывает раствор пенообразователя в виде высоко кратной пены. Огнетушитель эффективно действует около 20 с; длина пенной струи до 4,5 м.
6.9. Защита от воздействия электромагнитного поля промышленной частоты
Влияние поля на здоровье людей. В процессе эксплуатации электроэнергетических установок - открытых распределительных устройств (ОРУ) и воздушных линий (ВЛ) электропередачи напряжением 400 кВ и выше - отмечено ухудшение состояния здоровья персонала, обслуживающего эти установки. Субъективно это выражается в ухудшении самочувствия работающих - повышенная утомляемость, вялость, головные боли, плохой сон, боли в сердце и т. п.
Специальные наблюдения и исследования, проводимые в Советском Союзе и за рубежом, позволили установить, что фактором, влияющим на здоровье обслуживающего персонала, является электромагнитное поле, возникающее в пространстве вокруг токоведущих частей действующих электроустановок. В электроустановках напряжением менее 400 кВ также возникают электромагнитные поля, но менее интенсивные и, как показывает длительный опыт эксплуатации таких установок, не оказывающие отрицательного влияния на биологические объекты.
Интенсивное электромагнитное поле промышленной частоты вызывает у работающих нарушение функционального состояния центральной нервной системы, сердечной деятельности и системы кровообращения. При этом наблюдаются повышенная утомляемость, снижение точности рабочих движений, изменение кровяного давления и пульса, возникновение болей в сердце, сопровождающихся сердцебиением и аритмией, и т. п.
Эффект воздействия электромагнитного поля на биологический объект принято оценивать количеством электромагнитной энергии, поглощаемой этим объектом при нахождении его в поле. Электромагнитное поле можно рассматривать состоящим из двух полей: электрического и магнитного. Можно также считать, что в электроустановках электрическое поле возникает при наличии напряжения на токоведущих частях, а магнитное - при прохождении тока по этим частям.
При малых частотах, в том числе при 50 Гц, электрическое и магнитное поля практически не связаны между собой, поэтому их можно рассматривать отдельно друг от друга и также отдельно рассматривать влияние, оказываемое ими на биологический объект. Исходя из этого определена поглощаемая телом человека энергия электрического и магнитного полей. При этом в любой точке электромагнитного поля, возникающего в электроустановках промышленной частоты, поглощенная телом человека энергия магнитного поля примерно в 50 раз меньше поглощенной им энергии электрического поля. Вместе с тем измерениями в реальных условиях установлено, что напряженность магнитного поля в рабочих зонах ОРУ и ВЛ напряжением до 750 кВ включительно не превышает 20 - 25 А/м, в то время как вредное действие магнитного поля на биологический объект проявляется при напряженности 150 - 200 А/м.
Это позволило сделать вывод, что отрицательное действие на организм человека электромагнитного поля в электроустановках промышленной частоты обусловлено электрическим полем; магнитное же поле оказывает незначительное биологическое действие и в практических условиях им можно пренебречь.
Электрическое поле электроустановок частотой 50 Гц можно рассматривать в каждый данный момент как электростатическое поле, т. е. применять к нему законы электростатики. Это поле создается между двумя электродами (телами), несущими заряды разных знаков, на которых начинаются и оканчиваются силовые линии.
Поле электроустановок является неравномерным, т. е. напряженность его изменяется вдоль силовых линий. Вместе с тем оно обычно несимметричное, поскольку возникает между электродами различной формы, например между токоведущей частью и землей или металлической заземленной конструкцией.
Поле воздушной линии электропередачи является, кроме того, плоскопараллельным, т.е. форма которого одинакова в параллельных плоскостях, называемых плоскостями поля. В данном случае плоскости поля перпендикулярны оси линии.
Процесс биологического действия электрического поля на организм человека изучен недостаточно. Предполагается, что нарушение регуляции физиологических функций организма - изменение кровяного давления, пульса, нарушение сердечного ритма - обусловлено воздействием поля на различные отделы нервной системы. При этом повышение возбудимости центральной нервной системы происходит за счет рефлекторного действия поля, а тормозной эффект вызывается прямым воздействием поля на структуры головного и спинного мозга. Считается, что кора головного мозга, а также промежуточный мозг особенно чувствительны к воздействию электрического поля.
Предполагается также, что основным материальным фактором, вызывающим такие изменения в организме, является индуцируемый в теле ток и в значительно меньшей мере - электрическое поле.
Наряду с биологическим действием электрическое поле обусловливает возникновение разрядов между человеком и металлическим предметом, имеющим иной потенциал, чем человек.
Если человек стоит непосредственно на земле или на токопроводящем заземленном основании, то потенциал его тела практически равен нулю, а если он изолирован от земли, то тело оказывается под некоторым потенциалом, достигающим иногда нескольких киловольт.
Очевидно, что прикосновение человека, изолированного от земли, к заземленному металлическому предмету, так же как и прикосновение человека, имеющего контакт с землей, к металлическому предмету, изолированному от земли, сопровождается прохождением через человека в землю разрядного тока, который может вызвать болезненные ощущения, особенно в первый момент. Часто прикосновение сопровождается искровым разрядом.
В случае прикосновения к изолированному от земли металлическому предмету большой протяженности (трубопровод, проволочная ограда на деревянных стойках и т. п.) или большого размера (например, крыша деревянного здания) ток через человека может достигать значений, опасных для жизни.
6.10. Режим работы.
Обслуживание электропитающих устройств осуществляется четырмя электромеханиками. Режим работы зависит от состояния или подачи электропитания на станцию для непрерывной работы АТС, т.е. день может быть не нормированнным. Общее количество часов проводимых на рабочем месте в неделю не должно превышать 41 час, или в день 8 часов 12 минут.
Каждый выходной день на станции дежурит один из электромехаников, в состветствии с графиком дежурств составленным инжененром АТС по технике безопасности. Компенсация за часы дежурства или проведенные на устранение аварии является отгул (не режимный выходной).
Режим работы.
Начало работы в 900, конец работы в 1812.Продолжительность рабочего дня 8 часов 12 минут. Продолжительность рабочей недели составит 41 час.
7. Экономика.
7.1. Экономическое обоснование внедрения теристорного выпрямительного устройства типа ВУТ.
Для оценки эффективности технического решения в дипломном проекте требуется определенная система показателей, которые характеризуют объект проектирования комплексно, всесторонне, как с технической, так и с экономической стороны.
При определении экономической эффективности строительства различных станционных сооружений, узлов или блоков. В дипломном проекте необходимо расчетать капитальные затраты, эксплуатационные расходы, объем продукции в денежном отношении, показатели, характеризующие строительство питания АТС (выпрямитель типа ВУТ).
Проанализируем на какие устройства питания АТС были затрачены строительство ВУТ и какую экономическую выгоду принесет теристорный выпрямитель.
7.2. Капитальные вложения.
Капитальные затраты - это затраты на строительство предприятий, систем и сооружений связи, а также на реконструкцию, модернизацию и расширение существующих объектов связи. Для расчета капитальных вложений, идущих на реконструкцию и расширение сооружений АТС (с применением выпрямителей с теристором).
Составим две сводные сметы двух вариантов.
1 вариант - применение в питании АТС выпрямителей типа ВУК;
2 вариант - применение в питании АТС выпрямителей типа ВУТ;
Смета 1.
Таблица 7.1. Капитальные вложения на установку ВУК
|
№ |
Виды работ или |
Единицы |
Число |
Стоимость в тенге |
|
|
п/п |
Оборудования и расходов |
измерения |
единиц |
Ед. |
Общ. |
|
Раздел 1 Строительно-монтажные работы. |
|||||
|
1. |
Установка и монтаж выпрямительного устройства |
шт. |
5 |
2000 |
10000 |
|
Итого по разделу |
10000 |
||||
|
Раздел 2 Выпрямительные устройства типа ВУК. |
|||||
|
2. |
Выпрямительное устройство типа ВУК |
шт. |
5 |
65993 |
329965 |
|
3. |
Плановые накопления 6% |
19797 |
|||
|
Итого по разделу |
349762 |
||||
|
Раздел 3 Наценки. |
|||||
|
4. |
ВУК. Тара и упаковка (0,2%) |
699 |
|||
|
5. |
Наценка главснаба (0,3%) |
1049 |
|||
|
6. |
Заготовительные складские расходы (1,2%) |
4197 |
|||
|
Итого по разделу |
5945 |
||||
|
Итого по смете |
365707 |
Смета 2.
Таблица 7.2. Капитальные вложения на установку ВУТ.
|
№ |
Виды работ или |
Единицы |
Число |
Стоимость в тенге |
|
|
п/п |
Оборудования и расходов |
измерения |
единиц |
Ед. |
Общ. |
|
Раздел 1 Строительно-монтажные работы. |
|||||
|
1. |
Установка и монтаж выпрямительного устройства |
шт. |
5 |
2000 |
10000 |
|
Итого по разделу |
10000 |
||||
|
Раздел 2 Выпрямительные устройства типа ВУТ. |
|||||
|
2. |
Выпрямительное устройство типа ВУТ |
шт. |
5 |
45376 |
226880 |
|
3. |
Плановые накопления 6% |
13612 |
|||
|
Итого по разделу |
240492 |
||||
|
Раздел 3 Наценки. |
|||||
|
4. |
Заготовительные складские расходы (1,2%) |
2722 |
|||
|
Итого по разделу |
2722 |
||||
|
Итого по смете |
240964 |
Сводные сметы 1, на установку выпрямительного устройства типа ВУК, и смета 2, на установку выпрямительного устройства типа ВАТ, позволяют сделать вывод, что капитальные вложения по вариантам составляют:
К>1>=365707 тнг. К>2>=240964 тнг. (7.1)
К>уд>=К/N, где N – удельные вложения на 1 ВУК или ВУТ. (7.2)
К>уд1>=365707/5=73141 тнг.; К>уд2>=240964/5=48192 тнг.; (7.3)
7.3. Эксплуатационные расходы и себестоимость единицы продукции.
Эксплуатационные расходы Э - это текущие расходы предприятия на производство продукции, включающие затраты как живого труда, так и общественного.
Общая величина эксплуатационных расходов при оценки эффективности производственной деятельности предприятия связи, внедрения новой техники используется для расчета себестоимости единицы продукции, срок окупаемости, коэффициент экономической эффективности, приведенных затрат, годового экономического эффекта.
Общая сумма годовых эксплуатационных расходов исчисляется на основе сметы затрат на производство по следующим элементам затрат.
Расчитываем годовой фонд заработной платы по формуле:
Ф>зп>=1,15Р312; (7.4)
Ф>зп1>=1,153782612=324000 тнг.; (7.5)
Ф>зп2>=1,151782612=216000 тнг., (7.6)
где Ф>зп> – годовой фонд, Р – число работников, З – заработная плата определенного вида работника, 1,15 – коэффициент премии и доплат к заработной плате.
2. Отчисления на социальные налоги 21%.
СН>1>=68040 тнг.
СН>2>=45360 тнг.
3. Амортизационные отчисления расчитываем по формуле:
А=ФН>общ>/100 (7.7)
А>1>=2347825/100=5869 тнг. (7.8)
А>2>=78265/100=391 тнг. (7.9)
4. Затраты на материалы и запасные части можно расчитывать зная величину капитальных вложений.
М>1>=К5%=3657075%=18285 тнг. (7.10)
М>2>=К3%=2409643%=10971 тнг. (7.11)
5. Прочие расходы по нашему предприятию составляют 10% от заработной платы основных рабочих и составит:
П>р1>=32400010%=32400 тнг. (7.12)
П>р2>=21600010%=21600 тнг. (7.13)
Общая сумма эксплуатационных расходов по сравниваемой продукции составит:
Э>р1>=448594 тнг.
Э>р2>=294322 тнг.
7.4. Прибыль.
Прибыль является важнейшим обобщающим П-показателем, характеризующим эффективность производственной деятельности предприятия связи.
Прибыль П- эксплуатационного предприятия связи – это чистый доход, который определяется как разность его собственного дохода Д>с> и эксплуатационными расходами.
П=Д>с>-Э>р > (7.14)
В соответствии с конструкцией по определению экономической эффективности в хозяйстве связи при расчете коэффициента экономической эффективности и срока окупаемости капитальных вложений на установку выпрямительного устройства собственные доходы определяются как 60% тарифных доходов, отсюда
Д>с>=N30003400,6 , (7.15)
где N- число задействованных ВУТ и ВУК, 3000 – число абонентов, 340 – абонентская плата.
Д>с1>=530003400,6=3060000 тнг. (7.16)
Д>с2>=530003400,6=3060000 тнг. (7.17)
Отсюда
П>1>=3060000-448594=2611406 тнг. (7.18)
П>2>=3060000-294322=2765678 тнг. (7.19)
Расчитываем показатель абсолютной экономической эффективности
Е>абс>=П/К; (7.20)
Е>абс1>=2611406/365707=7,140. (7.21)
Е>абс2>=2765678/240964=11,477. (7.22)
Расчитываем годовой экономический эффект
С>пр1>=S>1>+ЕК>1>; (7.23)
С>пр2>=S>2>+ЕК>2>; (7.24)
С>пр1>=448594+0,33365707=569277 тнг. (7.25)
С>пр2>=294322+0,33240964=373840 тнг., где Е= 0,33., (7.26)
тогда Э=С>пр1>-С>пр2>=569277-373840=195437 тнг., (7.27)
где Э – средства, которые экономят расходы на эксплуатацию нового выпрямительного устройства типа ВУТ.
На основании приведенных расчетов составляем итоговый аналитический лист.
Таблица 7.3. Итоговая таблица.
|
Показатель |
Цена 1 варианта,тнг. |
Цена 2 варианта, тнг. |
Изменения, тнг. |
|
1. Капитальные вложения |
365707 |
240964 |
124743 |
|
2. Эксплуатационные расходы |
448594 |
294322 |
154272 |
|
3. Удельные капитальные вложения |
73141 |
48192 |
24949 |
|
4. Численность работников |
3 |
2 |
1 |
|
5. Заработная плата |
324000 |
216000 |
108000 |
|
6. Затраты на материал |
18285 |
10971 |
7314 |
|
7. Приведенные затраты |
569277 |
373840 |
195437 |
Вывод.
Анализ данных, приведенных выше, показывает эффективность установки и срок окупаемости и другие показатели во много раз меньше, что и доказывает эффективность проектируемого выпрямителя типа ВУТ.
Литература.
Бакалов В.П. и д.р. Основы теории электрических цепей и электротехники: Учебник для вузов / В.П.Бакалов, А.Н.Игнатов, Б.И.Крук. –М.; Радио и связь, 1989. –528с.:ил.
Сизых Г.Н. Электропитающие устройства связи: Учебник для техникумов –М.: Радио и связь, 1982.- 288с., ил.
Иванов – Цыганов А.И. Электропреобразовательные устройства РЭС: Учебник для вузов по специальности «Радиотехника» –4 издание переработано и дополнено М; Высшая школа 1991г. –272с.: ил.
Техническое описание выпрямительного устройства типа ВУТ 70/600 2Д0.321.068.ТО
Методические указания. Электропитающие устройств связи. Москва 1986г. –82с. ил.
Охрана труда.: Учебник для студентов ВУЗов. Князевский Б.А., Долин П.А., Марусова Т.П. и д.р. переработка и дополнение. – М : Высшая школа, 1982г. – 311с.; ил.