УСИЛИТЕЛЬ ПРИЁМНОГО БЛОКА ШИРОКОПОЛОСНОГО ЛОКАТОРА (работа 2)
Министерство образования Российской Федерации
ТОМСКИЙ ГОСУДАРСТВЕННЫЙ УНИВЕРСИТЕТ
СИСТЕМ УПРАВЛЕНИЯ РАДИОЭЛЕКТРОНИКИ (ТУСУР)
Кафедра радиоэлектроники и защиты информации (РЗИ)
УСИЛИТЕЛЬ ПРИЁМНОГО
БЛОКА ШИРОКОПОЛОСНОГО ЛОКАТОРА
Пояснительная записка к курсовому проекту по дисциплине
Схемотехника и АЭУ
Студент гр. 148-3
__________Воронцов С.А.
24.04.2001
Руководитель
Доцент кафедры РЗИ
_____________Титов А.А.
_____________
2001
Реферат
Курсовой проект 18 с., 11 рис., 1 табл.
КОЭФФИЦИЕНТ УСИЛЕНИЯ (Кu), АМПЛИТУДНОЧАСТОТНЫЕ ХАРАКТЕРИСТИКИ (АЧХ), ТЕРМОСТАБИЛИЗАЦИЯ, РАЗДЕЛИТЕЛЬНЫЕ ЁМКОСТИ, ДРОССЕЛИ, КОМБИНИРОВАННЫЕ ОБРАТНЫЕ СВЯЗИ.
Объектом проектирования является проектирование усилителя приёмного блока широкополосного локатора. Цель работы – приобретение навыков аналитического расчёта усилителя по заданным к нему требованиям. В процессе работы производился аналитический расчёт усилителя и вариантов его исполнения, при этом был произведён анализ различных схем термостабилизации, рассчитаны эквивалентные модели транзистора, рассмотрены варианты коллекторной цепи транзистора.
В результате расчета был разработан широкополосный усилитель с заданными требованиями.
Полученный усилитель может быть использован как усилитель высокой частоты
в приёмных устройствах.
Курсовая работа выполнена в текстовом редакторе Microsoft Word 7.0.
ТЕХНИЧЕСКОЕ ЗАДАНИЕ
на курсовое проектирование по курсу “Аналоговые электронные устройства”
студент гр. 148-3 Воронцов С.А.
Тема проекта: Усилитель приёмного блока широкополосного локатора.
Исходные данные для проектирования аналогового устройства.
1. Диапазон частот от 100 МГц до 400 МГц.
2. Допустимые частотные искажения Мн 3 dB, МВ 3 dB.
3. Коэффициент усиления 15 dB.
4. Сопротивление источника сигнала 50 Ом.
5. Амплитуда напряжения на выходе 1 В.
6. Характер и величина нагрузки 50 Ом.
7. Условия эксплуатации (+10 +50)ºС.
8. Дополнительные требования: согласование усилителя по входу и выходу.
Содержание
1 Введение ------------------------------------------ ----------------------------- 5
2 Основная часть ---------------------------------------------------------------- 6
2.1 Анализ исходных данных -------------------------------------------------- 6
2.2 Расчёт оконечного каскада ----------------------------------------------- 6
2.2.1 Расчёт рабочей точки ---------------------------------------------------- 6
2.2.2 Расчёт эквивалентных схем замещения транзистора ------------- 9
2.2.2.1 Расчёт параметров схемы Джиаколетто -------------------------- 9
2.2.2.2 Расчёт однонаправленной модели транзистора ------------------ 9
2.2.3 Расчёт и выбор схемы термостабилизации --------------------------10
2.2.3.1 Эмитерная термостабилизация -------------------------------------- 10
2.2.3.2 Пассивная коллекторная ---------------------------------------------- 11
2.2.3.3 Активная коллекторная ----------------------------------------------- 12
3 Расчёт входного каскада по постоянному току ------------------------ 13
3.1 Выбор рабочей точки ------------------------------------------------------ 13
3.2 Выбор транзистора --------------------------------------------------------- 13
3.3 Расчёт эквивалентной схемы транзистора------------------------------- 14
3.3.1 Расчёт цепи термостабилизации-----------------------------------------14
4.1 Расчёт полосы пропускания выходного каскада-----------------------15
4.2. Расчёт полосы пропускания входного каскада------------------------ 17
5 Расчёт ёмкостей и дросселей ---------------------------------------------18
6 Заключение --------------------------------------------------------------------20
7 Список использованных источников---------------------------------------- 21
1 Введение
Цель работы – приобретение навыков аналитического расчёта широкополосного усилителя по заданным к нему требованиям.
Всё более широкие сферы деятельности человека не могут обойтись без радиолокации. Следовательно, к устройствам радиолокации предъявляются всё более жёсткие требования. В первую очередь это хорошее согласование по входу и выходу, хорошая повторяемость характеристик усилителей при их производстве, без необходимости подстройки, миниатюризация.
Всеми перечисленными выше свойствами обладают усилители с отрицательными комбинированными обратными связями [1], что достигается благодаря совместному использованию последовательной местной и параллельной обратной связи по напряжению
2 Основная часть
2.1 Анализ исходных данных
Исходя из условий технического задания, наиболее оптимальным вариантом решения моей задачи будет применение комбинированной обратной связи.[2]
Вследствие того, что у нас будут комбинированные обратные связи, которые нам дадут хорошее согласование по входу и выходу, в них будет теряться 1/2 выходного напряжения, то возьмём Uвых в 2 раза больше заданного, т.е. 2В.
2.2 Расчёт оконечного каскада
2.2.1 Расчёт рабочей точки
Возьмём Uвых в 2 раза больше чем заданное, так как часть выходной мощности теряется на ООС.[2]
Uвых=2Uвых(заданного)=2 (В)
Расчитаем выходной ток:
Iвых=
=
=0,04
(А)
Расчитаем каскады с резистором и индуктивностью в цепи коллектора:
Р
асчёт
резистивного каскада при условии
Rн=Rк=50
(Ом) рис(2.2.1.1).
Р
исунок
2.2.1.1- Резистивный каскад Рисунок
2.2.1.2- Нагрузочные прямые.
по переменному току.
Расчитаем выходной ток для каскада с резистором в цепи коллектора:
Iвых~=
=
=0,08
(А)
Расчитаем ток и напряжение в рабочей точке:
Uкэ0=Uвых+Uост, Uост примем равным 2В. (2.2.1)
Iк0=Iвых~+0,1Iвых~ (2.2.2)
Uкэ0=3 (В)
Iк0=0,088 (А)
Расчитаем выходную мощность:
Pвых=
=
=0,04
(Вт)
Напряжение питания тогда будет:
Eп=Uкэ0+URк=Uкэ0+ Iк0Rк=7,4 (В)
Найдём потребляемую и рассеиваемую мощность:
Pрасс=Uкэ0Iк0=0,264 (Вт)
Рпотр= EпIк0=0,651(Вт)
Д
ля
того чтобы больше мощности шло в нагрузку,
в цепь коллектора включаем дроссель.[2]
Р
асчёт
каскада при условии что в цепь коллектора
включен Lк
рис(2.2.1.3).
Рисунок 2.2.1.3- Индуктивный каскад Рисунок 2.2.1.4- Нагрузочные прямые.
по переменному току.
Расчитаем выходной ток для каскада с индуктивностью в цепи коллектора:
Iвых=
=
=0,04
(А)
По формулам (2.2.1) и (2.2.2) расчитаем рабочую точку.
Uкэ0=3 (В)
Iк0=0,044 (А)
Найдём напряжение питания, выходную, потребляемую и рассеиваемую мощность:
Pвых=
=
=0,04
(Вт)
Eп=Uкэ0=3 (В)
Рк расс=Uкэ0Iк0=0,132 (Вт)
Рпотр= EпIк0=0,132 (Вт)
|
Еп,(В) |
Ррасс,(Вт) |
Рпотр,(Вт) |
Iк0,(А) |
|
|
С Rк |
7,4 |
0,264 |
0,651 |
0,088 |
|
С Lк |
3 |
0,132 |
0,132 |
0,044 |
Таблица 2.2.1.1- Характеристики вариантов схем коллекторной цепи
Из энергетического расчёта усилителя видно, что целесообразнее использовать каскад с индуктивностью в цепи коллектора.
Выбор транзистора осуществляется с учётом следующих предельных параметров:
граничной частоты усиления транзистора по току в схеме с ОЭ
;
предельно допустимого напряжения коллектор-эмиттер
;
предельно допустимого тока коллектора
;
предельной мощности, рассеиваемой на коллекторе
.
Этим требованиям полностью соответствует транзистор КТ996А. Его основные технические характеристики приведены ниже.
Электрические параметры:
Граничная частота коэффициента передачи тока в схеме с ОЭ
МГц;Постоянная времени цепи обратной связи
пс;Статический коэффициент передачи тока в схеме с ОЭ
;Ёмкость коллекторного перехода при
В
пФ;Индуктивность вывода базы
нГн;Индуктивность вывода эмиттера
нГн.
Предельные эксплуатационные данные:
Постоянное напряжение коллектор-эмиттер
В;Постоянный ток коллектора
мА;
3.
Постоянная рассеиваемая мощность
коллектора
Вт;
2.2.2 Расчёт эквивалентных схем замещения транзистора.
2
.2.2.1Расчёт
параметров схемы Джиаколетто.
Рисунок 2.2.2.1.1- Эквивалентная схема биполярного
транзистора (схема Джиаколетто).
Найдём параметры всех элементов схемы:[2]
Пересчитаем
ёмкость коллектора из паспортной:
Ск(треб)=Ск(пасп)*
=1,6
=2,92
(пФ)
Найдём
gб=
,
причём rб=
:
rб=
=2,875
(Ом); gб=
=0,347
(Cм);
Для
нахождения rэ
воспользуемся формулой
rэ=
,
где Iк0
в мА:
rэ=
=1,043 (Ом);
Найдём оставшиеся элементы схемы
gбэ=
=0,017,где
ß0=55 по справочнику;
Cэ=
=30,5
(пФ),где fТ=5000Мгц
по справочнику;
Ri=
=100
(Ом), gi=0.01(См),где
Uкэ(доп)=20В
Iко(доп)=200мА.
2.2.2.2Расчёт однонаправленной модели транзистора.
Д
анная
модель применяется в области высоких
частот.
Рисунок 2.2.2.2.1- Однонаправленная модель транзистора.
Параметры эквивалентной схемы расчитываются по приведённым ниже формулам.[2]
Входная индуктивность:
,
(2.2.2.1)
где
–индуктивности
выводов базы и эмиттера.
Входное сопротивление:
,
(2.2.2.2)
где
,
причём
,
и
– справочные данные.
Выходное сопротивление:
.
(2.2.2.3)
Выходная ёмкость:
.
(2.2.2.4)
В соответствие с этими формулами получаем следующие значения элементов эквивалентной схемы:
Lвх= Lб+Lэ=1+0,183=1,183 (нГн);
Rвх=rб=2,875 (Ом);
Rвых=Ri=100 (Ом);
Свых=Ск(треб)=2,92 (пФ);
fmax=fт=5 (ГГц)
2.2.3 Расчёт и выбор схемы термостабилизации.
2.2.3.1 Эмитерная термостабилизация.

Эмитерная термостабилизация
широко используется в маломощных
каскадах, так как потери мощности в ней
при этом не значительны и её простота
исполнения вполне их компенсирует, а
также она хорошо стабилизирует ток
коллектора в широком диапазоне температур
при напряжении на эмиттере более 3В.[1]
Рисунок 2.2.3.1.1- Каскад с эмитерной термостабилизацией.
Рассчитаем параметры элементов данной схемы.
Uэ=4 (В);
Eп=Uкэ0+Uэ=7 (В);
Rэ=
=
=90,91
(Ом);
Rб1=
,
Iд=10Iб,
Iб=
,
Iд=10
=10
=0,008
(А);
Rб1=
=264,1
(Ом);
Rб2=
=534,1
(Ом).
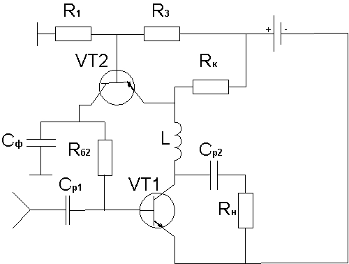
Наряду с эмитерной термостабилизацией используются пассивная и активная коллекторная термостабилизации.[1]
2.2.3.2Пассивная коллекторная термостабилизация:
Ток базы определяется Rб. При увеличении тока коллектора напряжение в точке А падает и следовательно уменьшается ток базы, а это не даёт увеличиваться дальше току коллектора. Но чтобы стал изменяться ток базы, напряжение в точке А должно измениться на 10-20%, то есть Rк должно быть очень велико, что оправдывается только в маломощных каскадах[1].
Р
исунок
2.2.3.2.1- Схема пассивной коллекторной
термостабилизации
Rк=
=159.1(Ом);
URк=7 (В);
Eп=Uкэ0+URк=10 (В);
Iб=
=0.0008(А);
Rб=
=2875 (Ом).
2.2.3.3 Активная коллекторная термостабилизация.
Можно сделать чтобы Rб зависило от напряжения в точке А см. рис.(2.2.3.2.1). Получим что при незначительном уменьшении (увеличении) тока коллектора значительно увеличится (уменьшится) ток базы. И вместо большого Rк можно поставить меньшее на котором бы падало порядка 1В см. рис.(2.2.3.3.1).[1]
=100;
Rк=
=
=22,73
(Ом);
Eп=Uкэ0+UR=4 (В);
Iд2=10Iб2=10
=0.00008
(A);
R3=
=28,75
(кОм);
R1=
=21,25
(кОм);
R2=
=4.75
(кОм).
Р
исунок
2.2.3.3.1- Активная коллекторная
термостабилизация.
Данная схема требует значительное количество дополнительных элементов, в том числе и активных. Если Сф утратит свои свойства, то каскад самовозбудится и будет не усиливать, а генерировать.Основываясь на проведённом выше анализе схем термостабилизации выберем эмитерную.
3 Расчёт входного каскада по постоянному току
3.1 Выбор рабочей точки
При
расчёте требуемого режима транзистора
промежуточных и входного каскадов по
постоянному току следует ориентироваться
на соотношения, приведённые в пункте
2.2.1 с учётом того, что
заменяется на входное сопротивление
последующего каскада. Но, при малосигнальном
режиме, за основу можно брать типовой
режим транзистора (обычно для маломощных
ВЧ и СВЧ транзисторов
мА и
В).
Поэтому координаты рабочей точки выберем
следующие
мА,
В.
Мощность, рассеиваемая на коллекторе
мВт.
3.2 Выбор транзистора
Выбор транзистора осуществляется в соответствии с требованиями, приведенными в пункте 2.2.1. Этим требованиям отвечает транзистор КТ3115А-2. Его основные технические характеристики приведены ниже.
Электрические параметры:
граничная частота коэффициента передачи тока в схеме с ОЭ
ГГц;Постоянная времени цепи обратной связи
пс;Статический коэффициент передачи тока в схеме с ОЭ
;Ёмкость коллекторного перехода при
В
пФ;Индуктивность вывода базы
нГн;Индуктивность вывода эмиттера
нГн.Ёмкость эмиттерного перехода
пФ;
Предельные эксплуатационные данные:
Постоянное напряжение коллектор-эмиттер
В;Постоянный ток коллектора
мА;Постоянная рассеиваемая мощность коллектора
Вт;
3.3 Расчёт эквивалентной схемы транзистора
Эквивалентная схема имеет тот же вид, что и схема представленная на рисунке 2.2.2.2.1 Расчёт её элементов производится по формулам, приведённым в пункте 2.2.2.1
нГн;
пФ;
Ом
Ом;
Ом;
пФ.
3.3 Расчёт цепи термостабилизации
Для входного каскада также выбрана эмиттерная термостабилизация, схема которой приведена на рисунке 3.3.1.

Рисунок 3.3.1
Метод
расчёта схемы идентичен приведённому
в пункте 2.2.3.1
с той лишь
особенностью что присутствует, как
видно из рисунка, сопротивление в цепи
коллектора
.
Эта схема термостабильна при
В
и
мА. Напряжение питания рассчитывается
по формуле
В.
Расчитывая элементы получим:
Ом;
кОм;
кОм;
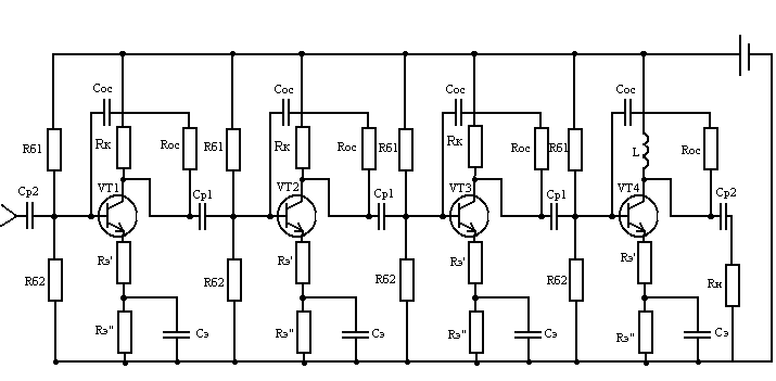
4.1 Расчет полосы пропускания выходного каскада
Поскольку мы будем использовать комбинированные обратные [1], то все соответствующие элементы схемы будут одинаковы, т.е. по сути дела расчёт всего усилителя сводится к расчёту одного каскада.

Рисунок 2.3.1 - Схема каскада с комбинированной ООС
Достоинством схемы является то, что при условиях
> > и > > (4.1.1)
схема оказывается согласованной по входу и выходу с КСВН не более 1,3 в диапазоне частот, где выполняется условие > >0,7. Поэтому практически отсутствует взаимное влияние каскадов друг на друга при их каскадировании [6].
При выполнении условия (1.53), коэффициент усиления каскада в области верхних частот описывается выражением:
> >, (4.1.2)
где > >; (4.1.3)
> >;
> >.
Из (2.3.1), (2.3.3) не трудно получить, что при заданном значении > >
> >. (4.1.4)
При заданном значении > >, > > каскада равна:
> >, (4.1.5)
где > >.
Нагружающие ООС уменьшают максимальную амплитуду выходного сигнала > > каскада, в котором они используются на величину
> >.
При выборе > > и > > из (4.1.3), ощущаемое сопротивление нагрузки транзистора каскада с комбинированной ООС равно > >.
Расчёт Kо:
Для реализации усилителя используем четыре каскада. В этом случае коэффициент усиления на один каскад будет составлять:
Ко=
=4.5дБ
или 1.6 раза
(Ом);
Rэ=
(Ом);
;
;
Общий уровень частотных искажений равен 3 дБ, то Yв для одного каскада примем равным:
;
;
П
одставляя
все данные в (4.1.5) находим fв:
Р
исунок
4.1.1- Усилитель приёмного блока
широкополосного локатора на четырёх
каскадах.
4.2. Расчёт полосы пропускания входного каскада
Все расчёты ведутся таким же образом, как и в пункте 4.1 с той лишь разницей что берутся данные для транзистора КТ3115А-2.Этот транзистор является маломощным,
тем самым, применив его в первых трёх каскадах, где уровень выходного сигнала небольшой, мы добьемся меньших потерь мощности.
(Ом);
Rэ=
(Ом);
;
;
Так каr в усилителе 4 каскада и общий уровень частотных искажений равен 3 дБ, то Yв для одного каскада примем равным:
;
;
Подставляя все данные в (4.1.5) находим fв:


,
Все требования к усилителю выполнены
5 Расчёт ёмкостей и дросселей.
Проводимый ниже расчёт основан на [2].


(нФ);


(мкГн);
На нижних частотах неравномерность АЧХ обусловлена ёмкостями Ср и Сэ, поэтому пусть 1,5 dB вносят Ср и столько же Сэ.
, где
(5.1)
R1 и R2 сопротивления соответственно слева и справа от Ср
Yн допустимые искажения вносимые одной ёмкостью.
(dB),
(раз), для Ср1 и
(раз), для Сэ.
R1=Rвых(каскада), R2=Rвх(каскада)=Rн=50 (Ом), для Ср1 (межкаскадной),
R1=Rг=Rвых(3-го каскада)=50 (Ом), R2=Rвх(каскада)=Rн=50 (Ом), для Ср2,
,
,
,
,
(Ом),
По формуле (2.4.1) рассчитаем Ср.
(пФ),
(пФ),
,
,
(нс),
(нФ).
|
|
||||||||||
|
РТФ КП 468730.001.ПЗ |
||||||||||
|
усилитель приёмного |
Лит |
Масса |
Масштаб |
|||||||
|
Изм |
Лист |
Nдокум. |
Подп. |
Дата |
блока широкополосного |
|||||
|
Выполнил |
Воронцов |
локатора |
||||||||
Проверил |
Титов |
|||||||||
|
Лист |
Листов |
|||||||||
ТУСУР РТФ |
||||||||||
Принципиальная |
Кафедра РЗИ |
|||||||||
|
схема |
гр. 148-3 |
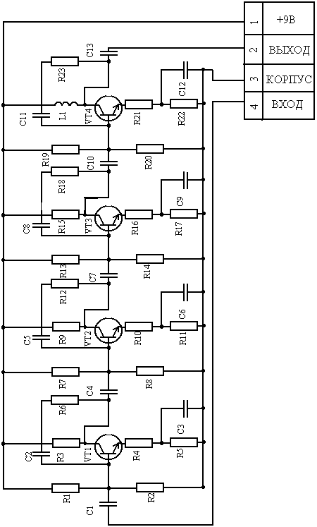
С1,С13 |
КД-2-60 пФ10% |
2 |
||
|
Позиция Обозн. |
Наименование |
Кол |
Примечание |
|
Конденсаторы ОЖ0.460.203 ТУ |
С2,С5,С8,С11 |
КД-2-1200 пФ10% |
4 |
||||||||
|
С3,С6 С9,С12 |
КД-2-0.3 нФ10 |
4 |
||||||||
|
С4,С7, С10 |
КД-2-33 пФ10% |
3 |
||||||||
|
Катушки индуктивности |
||||||||||
|
L1 |
Индуктивность 8 мкГн10% |
1 |
||||||||
|
Резисторы ГОСТ 7113-77 |
||||||||||
|
R19 |
МЛТ–0,125-264 Ом10% |
1 |
||||||||
R20 |
МЛТ–0,125-535 Ом10% |
1 |
||||||||
|
R4,R10 R16,R21 |
МЛТ–0,5-18 Ом10% |
4 |
||||||||
|
R22 |
МЛТ–0,5-73 Ом10% |
1 |
||||||||
|
R6,R12, R18,R23 |
МЛТ–0,25-142 Ом10% |
4 |
||||||||
|
R1,R7, R13 |
МЛТ–0,125-2200 Ом10% |
3 |
||||||||
|
R2,R8, R14 |
МЛТ–0,125-1700 Ом10% |
3 |
||||||||
|
R5,R11, R17 |
МЛТ–0,125-880 Ом10% |
3 |
||||||||
|
Транзисторы |
||||||||||
|
VT3 |
КТ996А |
1 |
||||||||
|
VT1,VT2 VT3 |
КТ3115А-2 |
3 |
||||||||
|
РТФ КП 468730.001 ПЗ |
||||||||||
|
Лит |
Масса |
Масштаб |
||||||||
|
Из |
Лист |
Nдокум. |
Подп. |
Дата |
УСИЛИТЕЛЬ ПРИЁМНОГО БЛОКА |
|||||
|
Выполнил |
Воронцов |
|||||||||
Проверил |
Титов |
ШИРОКОПОЛОСТНОГО ЛОКАТОРА |
||||||||
|
Лист |
Листов |
|||||||||
ТУСУР РТФ |
||||||||||
Перечень элементов |
Кафедра РЗИ |
|||||||||
|
гр. 148-3 |
3 Заключение
В данном курсовом проекте разработан усилитель приёмного блока широкополосного локатора с использованием транзисторов КТ996А и комбинированных обратных связей, имеет следующие технические характеристики: полоса рабочих частот (100-1000) МГц; коэффициент усиления 15 дБ; неравномерность амплитудно-частотной характеристики + 1,5 дБ; максимальное значение выходного напряжения 2 В; сопротивление генератора и нагрузки 50 Ом; напряжение питания 7 В.
Список использованных источников
1 Мамонкин И.Г. Усилительные устройства: Учебное пособие для вузов. – М.: Связь, 1977.
2 Титов А.А. Расчет корректирующих цепей широкополосных усилительных каскадов на биполярных транзисторах – http://referat.ru/download/ref-2764.zip
3 Горбань Б.Г. Широкополосные усилители на транзисторах. – М.: Энергия,
1975.-248с.
4 Проектирование радиопередающих устройств./ Под ред. О.В. Алексеева. – М.: Радио и связь, 1987.- 392с.
5 Зайцев А.А.,Миркин А.И., Мокряков В.В. Полупроводниковые приборы. Транзисторы средней и большей мощности: Cправочник-3-е изд. –М.: КубК-а,
1995.-640с.: ил.
