Управление цикловой автоматикой
М ИНИСТЕРСТВО ОБЩЕГО И ПРОФЕССИОНАЛЬНОГО ОБРАЗОВАНИЯ РОССИЙСКОЙ ФЕДЕРАЦИИ
МОСКОВСКИЙ ГОСУДАРСТВЕННЫЙ ТЕХНОЛОГИЧЕСКИЙ УНИВЕРСИТЕТ «СТАНКИН»
ОТЧЕТ
ПО
Лабораторным работам № 1, 2
ПО КУРСУ
УПРАВЛЕНИЕ ЦИКЛОВОЙ
АВТОМАТИКОЙ
Выполнил ст. гр. КС-9-8:
Копычев Е.А.
Москва 2000
Лабораторная работа № 1
Задача № 1
Напишите управляющую программу, в которой использовалась бы одна кнопка, при нажатии которой загорается лампочка.

Задача № 2
Построить схему RS – триггера.

Лабораторная работа № 2
Задача № 1
Имеется робот. Он включается и выключается кнопкой с фиксацией. У робота есть датчик. Работу датчика имитирует любая кнопка. Датчик следит за тем, чтобы в рабочем пространстве робота не было людей. Если появится человек, то робот автоматически выключается и сигнализирует об этом. Работе робота соответствует включение любого светодиода, сигнализация организуется тоже посредством светодиода.
Напишите УП для робота.

I 0.0 – кнопка включения робота;
I 0.1 – кнопка, имитирующая датчик;
Q 0.0 – светодиод, отражающий работу робота;
Q 0.1 – светодиод сигнализации датчика.
Задача № 2
Напишите УП для манипулятора, который работает по следующему циклу: подача заготовок с рабочего места `А` на рабочее место `Б` и назад – готовых деталей. На месте `А` манипулятор должен простоять 1 сек., пока его разгрузят и загрузят, на месте `Б` – 4 сек., пока будет обработана заготовка. Включается манипулятор и выключается одной кнопкой с фиксацией. Манипулятор узнает о том, что он дошел до места `А` или `Б` по двум конечникам, которые имитируются кнопками с фиксацией. Четыре светодиода должны отображать состояние манипулятора: нахождение на месте `А`, `Б`, движение от `А` к `Б` и от `Б` к `А`. Один светодиод индицирует включение манипулятора.

I 0.0 – кнопка включающая манипулятор;
I 0.1 – кнопка имитирующая конечный выключатель `А`;
I 0.2 – кнопка имитирующая конечный выключатель `Б`;
Q 0.0 – светодиод, отражающий работу манипулятора;
Q 0.1 – светодиод, сигнализирующий о нахождении манип. на месте `А`;
Q 0.2 – светодиод, говорящий о движении манип. от места `А` к месту `Б`;
Q 0.3 – светодиод, говорящий о движении манип. от места `Б` к месту `А`;
Q 0.4 – светодиод, сигнализирующий о нахождении манип. на месте `Б`;
T33 – таймер, осуществляющий задержку манип. на месте `А` на 1 сек.;
T34 – таймер, осуществляющий задержку манип. на месте `Б` на 4 сек.;


М ИНИСТЕРСТВО ОБЩЕГО И ПРОФЕССИОНАЛЬНОГО ОБРАЗОВАНИЯ РОССИЙСКОЙ ФЕДЕРАЦИИ
МОСКОВСКИЙ ГОСУДАРСТВЕННЫЙ ТЕХНОЛОГИЧЕСКИЙ УНИВЕРСИТЕТ «СТАНКИН»
ОТЧЕТ
ПО
Лабораторным работам № 3, 4
ПО КУРСУ
УПРАВЛЕНИЕ ЦИКЛОВОЙ
АВТОМАТИКОЙ
Выполнил ст. гр. КС-9-8:
Копычев Е.А.
Москва 2000
Задача № 1
Имеются две автоматические линии. На пульте управления имеется шесть кнопок.
Существует возможность управления линиями:
первая и вторая кнопки используются для включения и выключения первой линии, соответственно;
третья и четвертая кнопки используются для включения и выключения второй линии, соответственно;
пятая и шестая кнопки используются для включения и выключения, соответственно двух линии одновременно.

Задача № 2
Имеется реверсивный привод, управляемый тремя кнопками:
пуск по часовой стрелке;
пуск против часовой стрелки;
стоп.
Вариант а): Напишите управляющую программу, которая разрешает реверсирование двигателя только через кнопку `Стоп`.

I 0.0 – кнопка включения двигателя по часовой стрелке;
I 0.1 – кнопка включения двигателя против часовой стрелке;
I 0.2 – кнопка выключения двигателя;
Q 0.0 – светодиод, имитирующий работу двигателя по часовой стрелке;
Q 0.1 – светодиод, имитирующий работу двигателя против часовой стрелке.
Вариант б): Напишите УП в которой, реверс двигателя через кнопку `Стоп` был бы возможен только с истечением трехсекундной выдержки, а перезапуск в том же направлении осуществлялся без задержки после остановки кнопкой `Стоп`.

I 0.0 – кнопка включения двигателя по часовой стрелке;
I 0.1 – кнопка включения двигателя против часовой стрелке;
I 0.2 – кнопка выключения двигателя;
Q 0.0 – светодиод, имитирующий работу двигателя по часовой стрелке;
Q 0.1 – светодиод, имитирующий работу двигателя против часовой стрелке;
Q 0.5 – светодиод, говорящий что до нажатия кнопки стоп двигатель вращался по часовой стрелке;
Q 0.6 – светодиод, говорящий что до нажатия кнопки стоп двигатель вращался против часовой стрелки;
T33 – таймер, осуществляющий задержку реверсирования двигателя.
Диаграмма работы двигателя при реверсировании

Вариант
в): Напишите
УП управления двигателем, расширив
условие варианта `б`
так, чтобы двигатель можно было
реверсировать без использования кнопки
`Стоп`:
двигатель запускается в другом н
аправлении
по истечению трехсекундной задержки.
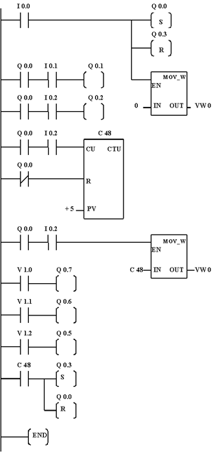
Задача № 3

Тележка
перемещается по рельсам от одного склада
к другому. Тележка за один цикл
должна съездить 5 раз туда – обратно и
остановится. Запускается цикл с помощью
кнопки без фиксации. Конечники имитируются
любыми двумя кнопками. Время стоянки
на усмотрение программиста. Самый
простой вариант с нулевым временем
стоянки. Три светодиода должны индицировать
текущее количество сделанных перемещений
туда – обратно. По окончании цикла
должен гореть только один светодиод,
который не горит во время выполнения
цикла.