Устройство формирования импульсно-временной кодовой группы
Министерство образования Российской Федерации
Государственный университет аэрокосмического приборостроения
Кафедра №41
Курсовой проект
защищен с оценкой:
Преподаватель: Жаринов О.О.
Устройство формирования
импульсно-временной кодовой группы
Пояснительная записка
к курсовому проекту
по дисциплине "Электроника"
41.ЭУ.2201.01.КП
Проект выполнил Цейко П.В. студент гр. 4841
Санкт-Петербург
2000 г
Содержание
Введение…………………………………………………………………5
1. Разработка и выбор функциональной схемы
устройства формирования ИВКГ…..………………………………….6
1.1. Структурная схема на основе дешифраторов и ФИ………….......6
1.2. Структурная схема с использованием ПЗУ..…………………..8
2. Выбор элементной базы…………………………………………….10
3. Разработка принципиальной схемы устройства
формирования ИВКГ……………………………………………………12
4. Разработка конструкции устройства формирования ИВКГ………13
5. Расчет надежности устройства формирования ИВКГ…………….14
6. Заключение…………………………………………………………...15
7. Литература……………………………………………………………16
Задание на курсовое проектирование.
Требуется разработать устройство формирования импульсно-временной кодовой группы со следующими основными характеристиками:
=2мкс;
=3мкс;
=5мкс;
=5мкс;
=7мкс;
Проектируемое устройство должно производить формирование импульсно-временной кодовой группы каждый раз, когда на его вход поступает одиночный импульс, что и показано на рис.1.
U1
t1





















U2
U3
t2











Рис.1 Временная диаграмма устройства.
Список принятых буквенных обозначений
ИВКГ – импульсно-временная кодовая группа
СК – согласующий каскад
Сч – счетчик импульсов
СУ- суммирующий усилитель
ФИ – формирователь импульсов
Введение
Для повышения помехоустойчивости систем передачи и обработки информации широко используется замена одиночных импульсных сигналов так называемыми импульсно-временными кодовыми группами, состоящими из нескольких импульсов, имеющих обычно одинаковые амплитуды, с жестко заданными длительностями и интервалами между импульсами.
Использование подобных групп не только повышает помехозащищенность, но и позволяет в ряде случаев организовать передачу по одной линии связи различных команд, отличающихся параметрами кодовых групп.
Другим, не менее важным, применением устройств, формирующих импульсно-временные кодовые группы, является синхронизация работы различных устройств автоматики и вычислительной техники.
Особенностью устройства, предложенного для курсового проектирования, является то, что начало формирования импульсно-временной кодовой группы (далее ИВКГ) определяется только моментом начала входного сигнала и не зависит от его продолжительности.
Так как в задании на разработку устройства не налагается ограничения на методы, структурную схему и элементарную базу устройства, то очевидно, что вариантов решения поставленной задачи может быть несколько. Рассмотрим наиболее приемлемые из них.
Разработка и выбор функциональной схемы устройства формирования импульсно-временной кодовой группы.
Для разработки и выбора функциональной схемы проектируемого устройства прежде всего необходимо изучить и оценить саму ИВКГ.
Анализ рис.1, где отражены временные соотношения ИВКГ, позволяет сделать некоторые выводы:
длительности всех формируемых импульсов и пауз между ними кратны 1 мкс;
общая длительность ИВКГ равна 16 мкс;
ИВКГ состоит из 5 временных интервалов: 2,3,3,4,4.
Для реализации устройства, формирующего данную ИВКГ, могут быть предложены следующие структурные схемы:
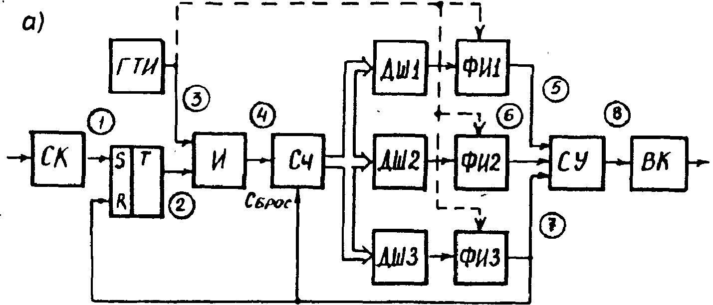
Структурная схема формирователя ИВКГ на основе дешифратора и формирователя импульсов.
Структурная схема формирователя ИВКГ на основе дешифраторов и формирователей импульсов (далее ФИ) и соответствующая ей временная диаграмма представлена на рис.2.
Согласующий каскад преобразует входной сигнал к виду, необходимому для устойчивого срабатывания триггера. Выходной сигнал согласующего каскада (СК) своим передним фронтом запускает триггер, который, в свою очередь, разрешает прохождение на вход СЧ импульсов с выхода ГТИ.
Генератор тактовых импульсов вырабатывает последовательность импульсов с высокостабильным периодом повторения.
На выходе СЧ формируется цифровой код, соответствующий числу поступивших на его вход импульсов ГТИ. Код, соответствующий поступлению первого импульса, вызывает срабатывание ДШ1, который запускает ФИ1, формирующий первый импульс ИВКГ. Срабатывание ДШ2 и запуск ФИ2 произойдут в тот момент, когда выходной код счетчика будет равен интервалу между первым и вторым импульсами. Третий импульс ИВКГ будет сформирован, когда код счетчика соответствует требуемому интервалу между первым и третьим импульсами. Сформированный третий импульс ИВКГ вызовет обратное срабатывание триггера и работа схемы прекратится до появления следующего входного импульса. Как видно из описания работы схемы, триггер предназначен для исключения формирования нескольких ИВКГ в случае, если длительность входного импульса превосходит длительность ИВКГ, что может привести к переполнению счетчика и началу повторного цикла счета. Усилитель суммирующий служит для объединения выходных импульсов всех формирователей и усиления полученного сигнала по амплитуде. Выходной каскад осуществляет согласование усилителя с нагрузкой.
Достоинства данной структурной схемы:
высокая стабильность формируемой ИВКГ;
относительная простота при простых ИВКГ;


Рис.2 Структурная схема формирователя ИВКГ на дешифраторах и ФИ(a) и временная диаграмма ее работы(б)
Недостатки:
невозможность изменения характеристик ИВКГ в процессе эксплуатации устройства;
нестабильность момента начала формирования ИВКГ в пределах одного периода ГТИ.
Структурная схема с использованием ПЗУ.
Такая структурная схема изображена на рис.3.
В рассматриваемой выходной сигнал СК передним фронтом запускает триггер, который, в свою очередь, разрешает прохождение на вход многоразрядного счетчика (СЧ ) импульсов с выхода генератора тактовых импульсов (ГТИ). Счетчик подсчитывает количество пришедших на его вход импульсов и формирует на своих выходах соответствующий двоичный код. В свою очередь этот двоичный код служит адресами выбора ячеек памяти ПЗУ. В каждой из выбираемых ячеек в одном и том же разряде должны быть запрограммированы "0" или "1" в соответствии с требуемой ИВКГ. В другом разряде ПЗУ в конце ИВКГ должен быть записан сигнал установки в исходное состояние всего устройства.
На рис.5 этот сигнал показан на диаграмме с номером 6 в виде импульса положительной полярности.
Недостаток такой схемы заключается в относительной дороговизне ПЗУ и необходимости его программирования на специальном программаторе.
Достоинства такой структурной схемы заключаются в следующем:
можно легко создать ИВКГ значительной сложности путем соответствующего программирования ПЗУ;
возможна выработка одновременно нескольких различных ИВКГ, формируемых программированием нескольких разрядов ПЗУ;
значительное уменьшение аппаратных затрат.
3. Общий вывод:
Исходя из задания курсового проектирования, наиболее целесообразно использовать 2-й вариант структурной схемы, так как ИВКГ имеет наименьшую сложность, и высокою точность ИВКГ.
ГТИ

S
С T
R

СК
И
ВК
ПЗУ
Ст
R
1 2 3 4 5 













6

Рис.3 Структурная схема с использованием ПЗУ.
Временные диаграммы, поясняющие работу этой схемы, показаны на рис.3.


U1





t1 U2
t2
U
3
t3
U4


































t4
U5
t5


U6
Рис.4 Временные диаграммы, поясняющие работу схемы
с использованием ПЗУ
Выбор элементной базы.
Выбор элементной базы осуществляется путем нахождения компромисса между аппаратными затратами и быстродействием. Учитывая быстродействие данной схемы очевидно использование микросхем ТТЛ для всех элементов кроме ПЗУ.
Здесь имеются микросхемы серий 155, 555, 1533 и другие. Так как никаких особых ограничений в данной разработке не предъявляется, то выберем микросхемы серии 155 для основных элементов, наиболее точно подходящие с точки зрения аппаратных затрат. В качестве элементов формирования ИВКГ ПЗУ серии 556, которые могут быть использованы совместно с цифровыми микросхемами ТТЛ типа.
Разработка принципиальной схемы формирования ИВКГ.
Изучив
рис.1 с заданной ИВКГ, можно сделать
вывод, что вся последовательность
укладывается в
периодов
длительностью
или в 17 тактов ГТИ.(17-ый используется
для сбросов счётчика и триггера) Частота
ГТИ должна быть
.
Очевидно, что последовательную работу
на 17 тактах может обеспечить 5-и разрядный
двоичный счетчик или четырехразрядный
счётчик и триггер для считывания и
хранения 17-го импульса.
Временная диаграмма его работы и соответствующая требуемая ИВКГ показана на рис.5 На основе анализа данной временной диаграммы можно составить прошивку ПЗУ(табл.1) для цифрового автомата, в состав которого входят (в соответствии со структурной схемой на рис.3):
триггер (D)
генератор тактовых импульсов (ГТИ)
схема совпадений (И)
счетчик импульсов (СЧ)
постоянное запоминающее устройство (ПЗУ)
Эта таблица истинности
(или таблица функционирования)
разрабатываемого цифрового автомата
приведена ниже. Там буквой
обозначен сигнал снимаемый с инверсного
выхода триггера, а буквой T
- со входа триггера .
Табл.1 Прошивка ПЗУ для заданного устройства.
|
T |
A0 |
A1 |
A2 |
A3 |
|
D0 |
|
|
|
|
0 |
0 |
0 |
0 |
0 |
1 |
1 |
|
|
|
|
0 |
0 |
0 |
0 |
1 |
1 |
1 |
|||
|
0 |
0 |
0 |
1 |
0 |
1 |
0 |
|||
|
0 |
0 |
0 |
1 |
1 |
1 |
0 |
|||
|
0 |
0 |
1 |
0 |
0 |
1 |
0 |
|||
|
0 |
0 |
1 |
0 |
1 |
1 |
1 |
|
|
|
|
0 |
0 |
1 |
1 |
0 |
1 |
1 |
|||
|
0 |
0 |
1 |
1 |
1 |
1 |
1 |
|||
|
0 |
1 |
0 |
0 |
0 |
1 |
0 |
|||
|
0 |
1 |
0 |
0 |
1 |
1 |
0 |
|||
|
0 |
1 |
0 |
1 |
0 |
1 |
0 |
|||
|
0 |
1 |
0 |
1 |
1 |
1 |
1 |
|
||
|
0 |
1 |
1 |
0 |
0 |
1 |
1 |
|||
|
0 |
1 |
1 |
0 |
1 |
1 |
1 |
|||
|
0 |
1 |
1 |
1 |
0 |
1 |
1 |
|||
|
0 |
1 |
1 |
1 |
1 |
1 |
1 |
|||
|
1 |
0 |
0 |
0 |
0 |
0 |
0 |
U0
D0

U1
U2
U3
U4
t0
t1
t2
t3
t4
U5
t5
U6
t6




A3
A2
A1
A0
T

Рис.5 Временная диаграмма работы ИВКГ и счётчика
4. Разработка конструкции устройства формирования ИВКГ.
Наиболее приемлемый вариант выполнения разработанного устройства – на одной плате с одно или двусторонним печатным монтажом. Реальный размер платы, а также тип разъема, определяется конструкцией общего устройства, частью которого является данная разработка. Однако, так как такая информация отсутствует, то примем за основу один из стандартных размеров плат и подходящий для целей подсоединения разработанного устройства разъем. Основные моменты, определяющие конструкцию, следующие:
В устройстве всего 5 микросхем. Все микросхемы выполнены в корпусах типа 238.16-2 Это пластмассовые корпуса с 14 выводами. Шаг между выводами – 2,5мм.
Размер печатной
платы может быть выбран в соответствии
с несколькими стандартами [5]. В частности,
числовые значения основных размеров
печатных плат по рекомендациям МЭК [5]
(международная электротехническая
комиссия) выбираются на основе исходного
типоразмера H>0>>
>В>0>=100
100
мм по смешанной системе мер. Размер
выбирается кратно U=44,45мм в соответствии
с выражением:
Н=Н>0>+nU,
где n=0,1,2,3……
Размер В выбирается в соответствии с выражением:
В=В>0>+n60,
где n=0,1,2,3……
Наиболее распространенные размеры печатных плат:
Н=144,5; 233,35; 322,25; 366,7 мм
В=160; 220; 280; 400 мм
Выберем наименьшие размеры, так как наше устройство вполне свободно может быть размещено на такой плате.
В качестве соединительного разъема выберем СНО51, контакты которого впаиваются непосредственно в плату. Такой выбор обусловлен очень широкой распространенностью этого разъема как в отечественной, так и в зарубежной аппаратуре.
Чертеж конструкции печатной платы с разъемом и эскизным расположением элементов изображен на листе 2 формата А4 . Элементы на плате расположены по принципу функциональной близости. Разводка проводников печатной платы ручным способом является очень трудоемким процессом и в настоящее время выполняется с помощью компьютерных систем автоматизации проектирования печатных плат, например, PCAD.
Расчет надежности устройства формирования ИВКГ.
Для проведения расчета необходимо знать: типы элементов, интенсивность отказов >i> элементов различных типов и количество элементов N>i> каждого типа, входящих в систему. Учет эксплуатационных условий сводится к выбору типов элементов, способных работать в заданных условиях. Расчет выполняют по следующей схеме:
все элементы разбивают на группы с одинаковой интенсивностью отказов внутри группы и подсчитывают количество элементов в группе
по таблицам находят средние интенсивности отказов элементов каждой группы
вычисляют произведение N>i>>i>
рассчитывают общую интенсивность отказов по всем группам элементов:
=
>i>
определяют вероятность безотказной работы за время t=10
P(t)=1-t
Значения интенсивности отказов элементов по группам : ( 10-6)
логические элементы – 0,05
счетчик К155ИЕ4 - 4,2
резистор – 0,25
кварцевый резонатор – 0,3
динамический D триггер – 1,5
Расчет:
Вычисляем произведение N>i>i для каждой из групп:
( 10-6)
2 резистора – 0,5
Один кварцевый резонатор – 0,3
Два триггера – 3
Один двоичный четырехразрядный счетчик –4,2
4 логических элементов – 0,2
Рассчитываем общую интенсивность отказов:
=
=0,5+0,3+3+4,2+0,2=8,2
10-6
Находим вероятность безотказной работы за время:
t=10:P(t)=1 -
t
=1-8,210-6=
0,9999918
Находим время безотказной работы:
Tср=
121951,22ч
6. Заключение.
В результате курсового проектирования:
проанализированы два варианта структурных схем устройства и выбран наиболее приемлемый и экономичный с точки зрения стоимости
проведен анализ логических выражений, определяющих принципиальную схему устройства
разработана принципиальная схема устройства
разработана конструкция устройства
7. Список литературы.
Г.И. Пухальский, Т.Я.Новосельцева. Цифровые устройства: учебное пособие для ВТУЗОВ. СПб.: Политехника, 1996г
Шило В.Л. Популярные микросхемы ТТЛ.- М.: "Аргус". 1993г. Справочник.
Булычев А.П. и другие. Аналоговые интегральные схемы. Справочник. Минск "Беларусь" 1993г
Горбачев Г.Н., Чаплыгин Е.Е. Промышленная электроника. М. Энергоатомиздат. 1988г
Применение интегральных микросхем в электронной вычислительной технике. Под ред. Файдулаева Б.Н. М. "Радио и связь", 1986г






СПбГУАП, гр.4841
Устройство формирования ИВКГ. Сборочный чертеж.
№ докум.
Разраб.
Пров.
Жаринов О.О.
Цейко П.В.
Дата
Лит.
Масса
Масштаб
Лист 1 Листов 1
Подп.
Изм. Лист
1
3
4
5
6
7
0.75

СПбГУАП, гр.4841
Устройство формирования ИВКГ. Спецификация
№ докум.
Разраб.
Пров.
Жаринов О.О.
Цейко П.В.
Дата
Лит.
Масса
Масштаб
Лист 1 Листов 1
Подп.
Изм. Лист
|
Формат |
Зо-на |
Поз. |
Обозначение |
Наименование |
Кол. |
Примечание |
|
Документ |
||||||
|
A4 A4 |
Сборочный чертеж Схема электрическая принципиальная |
1 1 |
||||
|
1 |
DD4 |
Микросхемы К155ЛН1 |
3 |
Инвертор |
||
|
2 |
DD5 |
К155ЛА8 |
1 |
И-НЕ |
||
|
3 |
DD2 |
K155ИЕ4 |
1 |
Счетчик |
||
|
4 |
DD3 |
K556РТ4 |
1 |
ПЗУ |
||
|
5 |
DD1 |
K155ТМ2 |
2 |
D триггер |
||
|
6 |
R1, R2 |
Резисторы МЛТ 0,125 - 1кОм |
2 |
|||
|
7 |
ZQ1 |
Кварцевый резонатор на 1МГц |
1 |
|||
|
8 9 |
Сборочные еденицы Разъем СНО51 Плата |
1 1 |
12
11
9
8
A2
A2
1
2
3
5
6
8
9
1
2
3
4
5
6
7
15
7
9
10
11
12
14
13
A1
СПбГУАП, гр.4841
Устройство формирования ИВКГ. Схема электрическая принципиальная.
№ докум.
Разраб.
Пров.
Жаринов О.О.
Цейко П.В.
Дата
Лит.
Масса
Масштаб
Лист 1 Листов 1
Подп.
Изм. Лист
|
Контакт |
Цепь |
|
1 |
Вход запуска |
|
2 |
Выход |
|
3 |
+5В |
|
4 |
Общий |
A1
1
2
CT2
C0 Q0
C1 Q1
Q2
Q3
R1
R2
&
1
ГТИ
DC ROM
А6
А5 Q0
А4
А3 Q1
А0
А1 Q2
А2
А7 Q3
cs1
cs2
4
1
2
3
R T
Q
D
C
Q
S
R
D
C
S
3
4
ZQ1
1
2
3
4
4
13
R T
Q
D
C
Q
S
R
D
C
S
12
10
14
1
6
R1
R2
1
2
3
4
DD4.1
DD4.2
1
5
6
DD4.3
DD1.1
DD2
DD3
DD5
DD1.2
2
1
3




