Цифровые устройства и микропроцессоры (работа 3)
Òåìà: Öèôðîâûå óñòðîéñòâà è ìèêðîïðîöåññîðû Âîðîíåíæñêèé èíñòèòóò ÌÂÄ ÐÔ Ms Word XP
МИНИСТЕРСТВО ВНУТРЕННИХ ДЕЛ
РОССИЙСКОЙ ФЕДЕРАЦИИ
ВОРОНЕЖСКИЙ ИНСТИТУТ
КОНТРОЛЬНАЯ РАБОТА № 1
по предмету “Цифровые устройства и микропроцессоры”
Вариант 8
Выполнил: слушатель 31 учебной группы
радиотехнического факультета з/о
Оларь Андрей Геннадьевич
шифр 00/72
347800 Ростовская область г. Каменск
ул. Героев-Пионеров д. 71 кв. 72
Проверил:
“_____” _______________ 200__ г.
ВОРОНЕЖ 2002 г.
Задания
стр.
Расставить числа в порядке возрастания и объяснить свой выбор (89>10>, 2Е>16>, 57>8>, 111011>2>) - 4
Выполнить арифметические операции над двоичными числами, используя обратный код: а) 1011101>2>-110111>2>; b)1010111>2>-1110011>2> - 4
Упростить выражение, применив
правила де Моргана и основные тождества
алгебры логики: а)
,
b)
-
4
П
о
таблице работы логического устройства
записать СКНФ: - 5
получить минимальную нормальную форму (мкнф) с помощью метода Квайна;
построить логическую схему устройства в базисе ИЛИ-НЕ;
провести анализ работы полученной схемы при х>1>=1, х>2>=0, х>3>=0.
Нарисовать символическое изображение и таблицу работы синхронного RS-триггера. В какое состояние перейдёт триггер, если на его входы последовательно подавать сигналы: - 6

Построить схему регистра D-триггеров для записи числа 10>10>, начиная с цифры младшего разряда. Составить таблицу состояний его триггеров, показывающую запись отдельных цифр - 7
Частота следования импульсов на выходе второго триггера счётчика – 256 кГц. Сколько триггеров должен иметь счётчик, чтобы на его выходе получить импульс с частотой 32 кГц, 4 кГц - 7
Построить схему суммирующего счётчика Т-триггеров ёмкостью 28 - 8
Разработать логическую схему таймера с прямым отсчётом времени и выдачей звукового сигнала. Частота генератора – 1700 герц. Предусмотреть кнопки пуска, остановки и сброса. Указание: для сравнения заданного времени, следует использовать микросхему сравнения (типа К531СП1) - 8
Найти по справочнику микросхему К555ИР9. Нарисовать её условное изображение и выписать параметры (с учётом обозначения): - 11
а) типоразмер и изображение корпуса; б) напряжение питания и выводы, на которые оно подаётся; в) напряжения логических нуля и единицы; г) ток потребления (потребляемая мощность); д)диапазон рабочих частот; е) интервал рабочих температур; ж)время задержки включения (выключения); з) коэффициент объединения по входу; и) коэффициент разветвления по входу.
Что означают сокращения: ТТЛ, ДТЛ, n-МОП? Указать их основные отличительные характеристики - 12
Назначение и основные функции микропроцессора? - 13
Используя команды типового МП К1804, составить программу в машинных кодах: - 14
выполнить загрузку числа 12 в ячейку Q , а 9 в РОН с адресом 3;
из первого числа вычесть число 8 из шины данных, результат разместить в РОН с адресом первого числа;
третье число сдвинуть на один разряд вправо и сложить с суммой первых двух чисел. Результат разместить в РОН с адресом 9.
Использованная литература - 14
Расставить числа в порядке возрастания и объяснить свой выбор:
(89>10>, 2Е>16>, 57>8>, 111011>2>)
Переведём данные числа в десятичную систему исчисления, кроме 89>10>, так как это число уже является десятичным.
2Е>16> - так как 2Е>16>=2*16+14=46>10>;
57>8> - так как 57>8>=5*8+7=47>10>;
111011>2> - так как 111011>2>=32+16+8+2=59>10>;
89>10>
46<47<59<89
Выполнить арифметические операции над двоичными числами, используя обратный код:
а) 1011101>2>-110111>2>; b) 1010111>2>-1110011>2>
1011101>2>-110111>2>=100110>2> _ 1011101
110111
>+>01011101
11001001
00100110
100110
1010111>2>-1110011>2>=-11011 _ 1010111
1110011
>+> 01010111
10001101
11100100
- 11011
Упростить выражение, применив правила де Моргана и основные тождества алгебры логики:
а)
,
b)





П
о
таблице работы логического устройства
записать СКНФ:
получить минимальную нормальную форму (мкнф) с помощью метода Квайна;
построить логическую схему устройства в базисе ИЛИ-НЕ;
провести анализ работы полученной схемы при х>1>=1, х>2>=0, х>3>=0.
Для данной функции СКНФ будет иметь вид:

получим МКНФ данной функции с помощью метода Квайна:
Сравним попарно все члены функции:
1 и 2 члены не имеют общих импликант; 1 и
3 члены
;
3 и 5 члены
;
4 и 5 члены
.
Составим таблицу:
|
|
|
|
|
|
|
|
|
* |
* |
|||
|
|
* |
* |
|||
|
|
* |
* |
Из таблицы видно, что МКНФ данной функции будет иметь вид:

построить логическую схему устройства в базисе ИЛИ-НЕ;
Л
огическая
схема данного устройства в базисе
ИЛИ-НЕ:
провести анализ работы полученной схемы при х>1>=1, х>2>=0, х>3>=0.
Данное устройство состоит из элементов ИЛИ-НЕ, а на его входе присутствует лог «1» (х>1>=1), то на его выходе тоже будет лог «1», так как для данных логических элементов активным логическим сигналом является «1», следовательно, у(1,0,0) = 1.
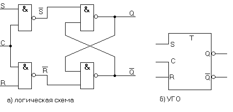
Нарисовать символическое изображение и таблицу работы синхронного RS-триггера. В какое состояние перейдёт триггер, если на его входы последовательно подавать сигналы:

Символическое изображение RS-триггера с инверсными входами:

Таблица работы синхронного RS-триггера:
|
Таблица-1 |
Таблица-2 |
|||||||||
|
S |
R |
C |
Q |
Режим работы |
Входы |
Выходы |
||||
|
Н |
Н |
/ |
|
Инверсия |
C |
S |
R |
Q |
|
|
|
L |
Н |
/ |
Н |
Запись Н |
0 |
0 |
0 |
Q |
|
|
|
Н |
L |
/ |
L |
Запись L |
0 |
1 |
0 |
Q |
|
|
|
L |
L |
/ |
Q* |
Предшествующее состояние |
0 |
0 |
1 |
Q |
|
|
|
0 |
1 |
1 |
Q |
|
||||||
|
1 |
0 |
0 |
Q |
|
||||||
|
1 |
1 |
0 |
1 |
0 |
||||||
|
1 |
0 |
1 |
0 |
1 |
||||||
|
1 |
1 |
1 |
* |
* |
Как видно из таблицы № 2, состояние сигналов на входах S=R=C=1 недопустимо, что обозначено «*» (это является основным недостатком RS-триггеров).
Построить схему регистра D-триггеров для записи числа 10>10>, начиная с цифры младшего разряда. Составить таблицу состояний его триггеров, показывающую запись отдельных цифр
Для записи 4-х разрядного числа, начиная с цифры младшего разряда, целесообразно применить не отдельные D-триггеры (К555ТМ2, ТМ7, ТМ8, ТМ9), а сдвигающий регистр К555ИР11А (смотреть рисунок). Биты 4-х разрядного числа надо подавать на вход D и сдвигать импульсами с входа L.
|
Десятичная запись |
10 |
5 |
2 |
1 |
|
Двоичная запись |
1010 |
101 |
10 |
1 |

Частота следования импульсов на выходе второго триггера счётчика – 256 кГц. Сколько триггеров должен иметь счётчик, чтобы на его выходе получить импульс с частотой 32 кГц, 4 кГц
Каждый триггер счётчика уменьшает частоту в два раза, следовательно, частота на входе счётчика – 210=1024 кГц.
Составим таблицу падения частоты на триггерах счётчика:
|
Частота, кГц |
|
|
Вход счётчика |
1024 |
|
Выход 1-го триггера |
512 |
|
Выход 2-го триггера |
256 |
|
Выход 3-го триггера |
128 |
|
Выход 4-го триггера |
64 |
|
Выход 5-го триггера |
32 |
|
Выход 6-го триггера |
16 |
|
Выход 7-го триггера |
8 |
|
Выход 8-го триггера |
4 |
|
Выход 9-го триггера |
2 |
|
Выход 10-го триггера |
1 |
Из чего следует, что для получения на выходе счётчика импульса с частотой 32 кГц, счётчик должен состоять из 5-ти триггеров. А для получения, на выходе счётчика, импульса с частотой 4 кГц, счётчик должен состоять из 8-ми триггеров.
Частота следования импульсов на выходе второго триггера счётчика – 256 кГц. Сколько триггеров должен иметь счётчик, чтобы на его выходе получить импульс с частотой 32 кГц, 4 кГц
Т – триггеры, в отличие от D и JK – триггеров, выпускаются в интегральной форме не в виде отдельных микросхем, а виде двоичных счётчиков, например: К555ИЕ19 – два 4-х разрядных двоичных счётчика. Ёмкость счётчика 28=4*7. При этом 7>10>=111>2>.
Ниже приведена схема счётчика:

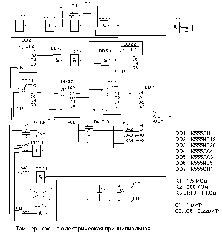
Разработать логическую схему таймера с прямым отсчётом времени и выдачей звукового сигнала. Частота генератора – 1700 герц. Предусмотреть кнопки пуска, остановки и сброса.
Указание: для сравнения заданного времени, следует использовать микросхему сравнения (типа К531СП1)
Частота 1,7 кГц является не стандартной частотой (в большинстве случаев применяются генераторы с кварцевым резонатором частоты, например: 100 кГц, либо с синхронизацией от сети 50 Гц). Если таймер должен отсчитывать время в секундах (в задании это не оговорено), то входную последовательность импульсов необходимо разделить на 1700=17*10*10, что легко может быть реализовано с применением микросхем К555ИЕ19 и К555ИЕ20.
Микросхема К555СП1 позволяет сравнивать без приращения разрядности 4-х разрядные двоичные коды. Так как в задании не оговорен предел измерений таймера, то мы можем ограничиться пределом 16 секунд.
Функциональная и принципиальная схемы таймера представлены ниже:


Найти по справочнику микросхему К555ИР9. Нарисовать её условное изображение и выписать параметры (с учётом обозначения):
а) типоразмер и изображение корпуса; б) напряжение питания и выводы, на которые оно подаётся; в) напряжения логических нуля и единицы; г) ток потребления (потребляемая мощность); д)диапазон рабочих частот; е) интервал рабочих температур; ж)время задержки включения (выключения); з) коэффициент объединения по входу; и) коэффициент разветвления по входу.
Условное изображение ИМС К555ИР9:

Корпус 2103-16.2 (старое обозначение 238.16-1):
шаг выводов 2,5 мм (изображение корпуса приведено на рисунке ниже);

напряжение питания 55% В на 16 вывод, 0 В на 8 вывод;
L – не более 0,4 В; Н – не менее 2,5 В, не более 5,5 В;
ток потребления не более 3 мА;
диапазон рабочих частот не более 25 МГц;
интервал рабочих температур от 100С до 700С;
время задержки включения/выключения 20 нс (С>н>=15 пФ);
коэффициент объединения по входу – 1;
коэффициент разветвления по входу – 10.
Что означают сокращения: ТТЛ, ДТЛ, n-МОП? Указать их основные отличительные характеристики.
ТТЛ – транзисторно-транзисторная логика, ДТЛ – диодно-транзисторная логика, n-МОП – логика на униполярных транзисторах с n-каналом. Все эти сокращения обозначают тип схемотехники и конструкции цифровых микросхем.
В настоящее время ДТЛ не применяется, ТТЛ вытеснены совместимыми с ними по уровням питания и сигналов сериями ТТЛШ (ТТЛ с диодами и транзисторами Шоттки (К555, К1531 и т.д.)), а n-МОП логика вытеснена КМОП (К564, К1564, К1554).
Основными параметрами, которые позволяют производить сравнение базовых ЛЭ различных серий, являются:
напряжение источника питания – определяется величиной напряжения и величиной его изменения. ТТЛ – рассчитаны на напряжение источника питания равное 5 В 5%. Большая часть микросхем на КНОП структурах устойчиво работает при напряжении питания от 3 до 15 В, некоторые – при напряжении 9 В 10%;
уровень напряжения логического нуля и логической единицы – это уровни напряжения, при которых гарантируется устойчивое различение логических сигналов, как нуля, так и единицы. Различают пороговое напряжение логического нуля (U0>пор>) и логической единицы (U1>пор>). Напряжение низкого и высокого уровня на выходе микросхем ТТЛ U0>пор><2,4 В; U1>пор>>0,4 В. Для микросхем на КНОП структурах U0>пор><0,3*U>пит>; U1>пор>>0,7*U>пит>. В тоже время отклонение выходных напряжений от нулевого значения и напряжения питания, достигают всего нескольких милливольт;
нагрузочная способность – характеризуется количеством элементов той же серии, которые можно подключить к выходу элемента без дополнительных устройств согласования и называется коэффициентом разветвления по выходу. Для большинства логических элементов серии ТТЛ составляет 10, а для серии КМОП – до 100;
помехоустойчивость – характеризуется уровнем логического сигнала помехи, которая не вызывает изменения логических уровней сигнала на выходе элемента. Для элементов ТТЛ статическая помехоустойчивость составляет не менее 0,4 В, а для серии КНОП – не менее 30% напряжения питания;
быстродействие
– определяется скорость переключения
логического элемента при поступлении
на его вход прямоугольного управляющего
сигнала требуемой величины. Предельная
рабочая частота микросхем серии ТТЛ
составляет 10 МГц, а микросхем на КНОП
структурах – лишь 1 МГц. Быстродействие
определяется так же, как и среднее время
задержки распространения сигнала:
,
где
и
-
времена задержки распространения
сигнала при включении и выключении.
Для микросхем ТТЛ
составляет
около 20 нс, а для микросхем на КНОП
структурах – 200 нс;
потребляемая микросхемой от источника питания мощность – зависит от режима работы (статистический и динамический). Статистическая средняя мощность потребления базовых элементов ТТЛ составляет несколько десятков милливатт, а у элементов на КНОП структурах она более чем в тысячу раз меньше. Следует учитывать, что в динамическом режиме, мощность, потребляемая логическими элементами, возрастает;
надёжность
– характеризуется интенсивностью
частоты отказов. Средняя частота отказов
микросхем со средним со средним уровнем
интеграции составляет:
1/час.
Для согласования уровня сигналов ТТЛ и КНОП применяют специальные ИМС (например, К564ПУ4).
Назначение и основные функции микропроцессора?
Процессор предназначен для выполнения арифметической и логической обработки информации. Арифметические и логические операции можно выполнять как на дискретных элементах и на основе микросхем малой и средней степени интеграции, что приводит к росту размеров процессора, так и на БИС. В последнем случае говорят о микропроцессоре (МП).
К функциям микропроцессора можно отнести:
выбор из программной памяти ЭВМ команд, дешифрация и выполнение их;
организация обращения к памяти и устройствам ввода-вывода;
выполнение запросов на прерывание;
подача сигналов ожидания для синхронизации работы с медленно действующими устройствами памяти и ввода-вывода информации;
подача сигналов прямого доступа к памяти и другие сигналы;
формирование сигналов управления для обращения к периферийным устройствам.
Работа МП организуется по командам, записанным в памяти и поступающим в МП в порядке возрастания номеров ячеек, в которые они записаны.
Используя команды типового МП К1804, составить программу в машинных кодах:
выполнить загрузку числа 12 в ячейку Q , а 9 в РОН с адресом 3;
из первого числа вычесть число 8 из шины данных, результат разместить в РОН с адресом первого числа;
третье число сдвинуть на один разряд вправо и сложить с суммой первых двух чисел. Результат разместить в РОН с адресом 9.
Программа в машинных кодах
|
М>2> |
Т>8> |
Т>7> |
Т>6> |
М>1> |
Т>2> |
Т>1> |
Т>0> |
С |
Т>5> |
Т>4> |
Т>3> |
А>3> |
А>2> |
А>1> |
А>0> |
В>3> |
В>2> |
В>1> |
В>0> |
D>3> |
D>2> |
D>1> |
D>0> |
|
|
а |
0 |
0 |
0 |
1 |
1 |
1 |
0 |
0 |
0 |
1 |
1 |
0 |
0 |
|||||||||||
|
0 |
1 |
1 |
1 |
1 |
1 |
0 |
0 |
0 |
0 |
0 |
1 |
1 |
1 |
0 |
0 |
1 |
||||||||
|
б |
1 |
0 |
0 |
1 |
1 |
0 |
1 |
0 |
0 |
1 |
0 |
0 |
0 |
1 |
1 |
1 |
0 |
0 |
1 |
0 |
0 |
0 |
||
|
в |
0 |
0 |
0 |
1 |
1 |
0 |
0 |
0 |
0 |
1 |
1 |
1 |
0 |
0 |
||||||||||
|
0 |
0 |
0 |
0 |
0 |
0 |
0 |
0 |
0 |
0 |
1 |
1 |
0 |
0 |
|||||||||||
|
0 |
1 |
1 |
0 |
0 |
0 |
0 |
0 |
0 |
0 |
0 |
0 |
1 |
1 |
1 |
0 |
0 |
1 |
Использованная литература
«Цифровые интегральные микросхемы устройств охранно-пожарной сигнализации», В. Болгов - Воронеж 1997 г.
«Основы микропроцессорной техники», В. Болгов, С. Скрыль, С Алексеенко – Воронеж 1997 г.
«Цифровые устройства и микропроцессоры», учебно-методическое пособие, Болгов В.В. – Воронеж 1998 г.





