ШИРОКОПОЛОСНЫЙ УСИЛИТЕЛЬ КАЛИБРОВКИ РАДИОВЕЩАТЕЛЬНЫХ СТАНЦИЙ (работа 2)
Министерство образования
Российской Федерации
ТОМСКИЙ ГОСУДАРСТВЕННЫЙ УНИВЕРСИТЕТ СИСТЕМ УПРАВЛЕНИЯ И РАДИОЭЛЕКТРОНИКИ (ТУСУР)
Кафедра радиоэлектроники и защиты информации (РЗИ)
ШИРОКОПОЛОСНЫЙ УСИЛИТЕЛЬ КАЛИБРОВКИ РАДИОВЕЩАТЕЛЬНЫХ СТАНЦИЙ
Пояснительная записка к курсовой работе по дисциплине
”Аналоговые электронные устройства (АЭУ)”
Студент гр.148-3
_________Д.В. Коновалов
7.05.2001
Руководитель
доцент каф. РЗИ
_________А.А. Титов
_________
Томск 2001
РЕФЕРАТ
Курсовая работа 43с., 15 рис., 1 табл., 7 источников, 1 приложение.
УСИЛИТЕЛЬНЫЙ КАСКАД, ТРАНЗИСТОР, КОЭФФИЦИЕНТ ПЕРЕДАЧИ, ЧАСТОТНЫЕ ИСКАЖЕНИЯ, ДИАПАЗОН ЧАСТОТ, НАПРЯЖЕНИЕ, МОЩНОСТЬ, ТЕРМОСТАБИЛИЗАЦИЯ, КОРРЕКТИРУЮЩАЯ ЦЕПЬ, ОДНОНАПРАВЛЕННАЯ МОДЕЛЬ.
Объектом исследования в данной курсовой работе являются методы расчета усилительнх каскадов на основе транзисторов.
Цель работы - преобрести практические навыки в расчете усилительных каскадов на примере решения конкретной задачи.
В процессе работы производился расчет различных элементов широкополосного усилителя.
Пояснительная записка выполнена в текстовом редакторе Microsoft Word 7.0.
Техническое задание
Исходные данные для проектирования широкополосного усилителя калибровки радиовещательных станций:
Диапазон частот: 0.5 50МГц.
Допустимые частотные искажения 2дБ.
Коэффициент усиления 30дБ.
Выходная мощность Р>вых.>=20Вт.
Величина нагрузки R>н> =50 Ом.
Сопротивление генератора R>Г> = 50 Ом.
Диапазон рабочих температур: от 0 до +60 градусов Цельсия.
СОДЕРЖАНИЕ
1 Введение……………………………………………………………………………5
2 Определение числа каскадов……………………………………………………..6
3 Распределение искажения на высокой частоте (ВЧ)……………………………6
4 Расчет оконечного каскада……………………………………………………….6
4.1 Расчет рабочей точки………………………………………………………6
4.2 Выбор транзистора………………………………………………………..10
4.3 Расчет эквивалентных схем транзистора………………………………..11
4.3.1 Схема Джиаколетто……………………………………………….11
4.3.2 Однонаправленная модель………………………………………..13
4.4 Расчет схем термостабилизации…………………………………………15
4.4.1 Эмиттерная термостабилизация………………………………….15
4.4.2 Коллекторная термостабилизация………………………………..17
4.4.3 Активная коллекторная термостабилизация…………………….18
4.5 Расчет корректируещих цепей…………………………………………...20
4.5.1 Выходная корректирующая цепь…………………………………20
4.5.2 Межкаскадная корректирующая цепь……………………………21
5 Расчет предоконечного каскада…………………………………………………26
5.1 Расчет рабочей точки …………………………………………………….26
5.2 Расчет эквивлентной схемы транзистора………………………………..26
5.3 Расчет схемы термостабилизации………………………………………..27
5.4 Расчет межкаскадной корректирующей цепи ………….……………….28
6 Расчет входного каскада…………………………………………………………30
6.1 Расчет рабочей точки……………………………………………………..30
6.2 Расчет эквивалентной схемы транзистора………………………………31
6.3 Расчет схемы термостабилизации………………………………………..31
6.4 Расчет входной корректирующей цепи …………………………………32
7 Расчет разделительных и блокировочных конденсаторов……………….……35
8 Заключение………………………………………………………………………..38
Список использованных источников……………………………………………...39
Приложение А Схема принципиальная…………………………………………...40
РТФ КП.468740.001 ПЗ. Перечень элементов……………………………………42
1 ВВЕДЕНИЕ
В настоящее время усилители получили очень широкое распространение практически во всех сферах человеческой деятельности: в промышленности, в технике, в медицине, в музыке, на транспорте и во многих других. Усилители являются необходимым элементом любых систем связи, радиовещания, акустики, автоматики, измерений и управления.
При ремонте усилителей мощности, которые входят в состав радиовещательной станции, либо их поверке используется стандартная измерительная аппаратура с амплитудой выходного сигнала 1 вольт. Поэтому появляется необходимость усиления тестовых сигналов до амплитуды, обеспечивающей стандартный режим работы усилителя мощности радиовещательной станции. По-другому, такой усилитель называют усилителем раскачки, и к нему предъявляются следующие требования: обеспечение заданного уровня выходной мощности; широкополосность; повышенный коэффициент полезного действия; малый уровень нелинейных искажений. При проектировании такого усилителя необходимо использовать мощные биполярные транзисторы и межкаскадные корректирующие цепи, которые позволяют достичь требуемых параметров.
2 Определение числа каскадов
Число каскадов для любого усилителя выбирается исходя из того, какой коэффициент усиления должно обеспечивать заданное устройство. Для того чтобы обеспечить коэффициент усиления 30дБ необходимо соединить последовательно три усилительных каскада, так как одним каскадом невозможно достичь такого усиления, который может выдать примерно 10-12дБ.
3 Распределение искажения на ВЧ
Допустимые частотные искажения по заданию равны 2дБ. Исходя из числа усилительных каскадов найдем искажения приходящиеся на каждый каскад:
(3.1)
где М>общ.> – частотные искажения усилителя;
М>кас.> – частотные искажения одного усилительного каскада;

N – число
усилительных каскадов.
4 Расчет оконечного каскада
4.1 Расчет рабочей точки
Для расчета рабочей точки найдем выходное напряжение, которое должен выдавать усилитель, воспользовавшись следующим соотношением:
(4.1)
Выразим из формулы (4.1) U>вых.>:

П
одставляя
значения R>н>=50(Ом),
Р>вых.>=20(Вт)
получим:
Зная выходное напряжение, найдем выходной ток:
(4.2)
Так как значения выходного напряжения и тока высокие, то с целью максимального использования выходного транзистора усилителя по мощности, на выходе усилителя следует установить трансформатор импедансов 1/9 на длинных линиях [1]. Который уменьшает выходное напряжение в 3 раза и нагрузку в 9 раз.
Р
асчитаем
рабочую точку двумя
способами:
1.При использовании активного сопротивления R>k> в цепи коллектора.
2.При использовании дросселя в цепи коллектора.
1.Расчет рабочей точки при использовании активного сопротивления R>k> в цепи
коллектора.
Рис.4.1- Схема оконечного некорректированного каскада
Выберем R>к>=R>н> =6 (Ом).
Н
айдем
выходной ток I>вых.>.
(4.3)
Ток в рабочей точке найдем по следующей формуле:
(
4.4)
Напряжение в рабочей точке найдем по формуле:
(4.5)
Напряжение питания будет равно:
Построим нагрузочные прямые которые изображены на рисунке 4.2 для этого определим следующие параметры:
(4.6)
(4.7)
Рисунок 4.2 – Нагрузочные прямые по переменному и постоянному току
2. Расчет рабочей точки при использовании дросселя в цепи коллектора.
Схема каскада по переменному току приведена на рисунке 4.2.

Рисунок 4.3.- Схема каскада по переменному току
В
ыходной
ток будет равен:

Найдем
ток и напряжение в рабочей точке:

Напряжение
питания будет равно:
Определим потребляемую и рассеиваемую мощность транзистора:
(
4.8)
(4.9)
Результаты выбора рабочей точки двумя способами приведены в таблице 4.1.
Таблица 4.1.
|
E>п>,> >(В) |
I>ко>, (А) |
U>кэо>, (В) |
P>расс.>,(Вт) |
P>потр.>,(Вт) |
|
|
С R>к> |
50.5 |
5 |
17.5 |
87.5 |
252.5 |
|
Без R>к> |
17.5 |
2.75 |
17.5 |
48.1 |
48.1 |
Из таблицы 4.1 видно, что для данного курсового задания целесообразно использовать дроссель в цепи коллектора.
Построим нагрузочные прямые, которые изображены на рисунке 4.4

Рисунок 4.4 – Нагрузочные прямые по переменному и постоянному току
4.2 Выбор транзистора
Для выбора транзистора необходимо чтобы его параметры удовлетворяли следующим условиям:
(4.10)
где I>кдоп.> – максимально - допустимый ток коллектора;
U>кэдоп.> – максимально – допустимое напряжение на коллектор – эмиттере;
P>кдоп> – максимально – допустимая мощность рассеиваемая на коллекторе;
f>Т> – максимальная граничная частота транзистора.
И
з
неравенства (4.10 ) определим значения
допустимых параметров.



Исходя
из полученных значений, выберем выходной
транзистор КТ930Б с помощью справочника
[2].
Т
ранзистор
имеет следующие допустимые параметры:
4.3 Расчет эквивалентных схем транзистора
4.3.1 Схема Джиаколетто
Многочисленные исследования показывают, что даже на умеренно высоких частотах транзистор не является безынерционным прибором. Свойства транзистора при малом сигнале в широком диапазоне частот удобно анализировать при помощи физических эквивалентных схем. Наиболее полные из них строятся на базе длинных линий и включают в себя ряд элементов с сосредоточенными параметрами. Наиболее распространенная эквивалентная схема- схема Джиаколетто, которая представлена на рисунке 4.5. Подробное
описание схемы можно найти [3].
Рисунок 4.5 – Схема Джиаколетто
Достоинство этой схемы заключается в следующем: схема Джиаколетто с достаточной для практических расчетов точностью отражает реальные свойства транзисторов на частотах f 0.5f>т> ; при последовательном применении этой схемы и найденных с ее помощью Y- параметров транзистора достигается наибольшее единство теории ламповых и транзисторных усилителей.
Расчитаем элементы схемы, воспользовавшись справочными данными и приведенными ниже формулами.
Справочные
данные для транзистора КТ930Б:
п
ри
п
ри
C
>к>-
емкость коллекторного перехода,
>с>- постоянная времени обратной связи,
>о>- статический коэффициент передачи тока в схеме с ОЭ.
Найдем значение емкости коллектора при U>кэ>=10В по следующей формуле:
(4.11)
где U>кэо> – справочное или паспортное значение напряжения;

U>кэо>
– требуемое значение напряжения.
Сопротивление базы будет равно:
(4.12)

Найдем
сопротивление эмиттера по формуле:
(4.13)
где I>ко> – ток в рабочей точке, занесенный в формулу в мА.
Проводимость
база-эмиттер расчитаем по формуле:
(4.14)


Определим
диффузионную емкость по формуле:
(4.15)


Сопротивление
внутреннего источника тока будет равно:
(4.16)
Статический
коэффициент передачи тока в схеме с ОБ
найдем по формуле:
(
4.17)
Крутизну транзистора определим по формуле:
(
4.18)
4.3.2 Однонаправленная модель
Однонаправленная модель, так же как и схема Джиаколетто, является эквивалентной схемой замещения транзистора. Схема представляет собой высокочастотную модель, которая изображена на рисунке 4.6. Полное
описание однонаправленной модели можно найти в [4].

Рисунок 4.6 – Однонаправленная модель
Расчитаем элементы схемы воспользовавшись справочными данными и приведенными ниже формулами.
Справочные данные для транзистора КТ930Б:
L>б> – индуктивность базового вывода;
L>э> – индуктивность эмиттерного вывода;
G>ном1,2>> >– коэффициент усиления по мощности в режиме двустороннего> >
согласования.
Определим
входную индуктивность по следующей
формуле:
(
4.19)
Входное сопротивление равно сопротивлению базы в схеме Джиаколетто:

Выходное
сопротивление найдем по формуле:

(
4.20)


Выходную
емкость найдем по формуле (4.11) при
напряжении в рабочей точке.
Определим частоту f>max> из следующей формулы:
(4.21)
г
де
f –
частота на которой
коэффициент усиления по мощности имеет
значение 3.5.
4.4 Расчет схем термостабилизации
Выбор схемы обеспечения исходного режима транзисторного каскада тесным образом связан с температурной стабилизацией положения рабочей точки. Объясняется это следующим. Важной особенностью транзисторов является зависимость их вольт-амперных характеристик от температуры р-n переходов и, следовательно, от температуры внешней среды. Это явление нежелательно, так как температурные смещения статических характеристик обуславливают не только изменения усилительных параметров транзистора в рабочей точке, но и приводят к перемещению рабочей точки. Изменения в положении рабочей точки в свою очередь сопровождаются дальнейшим изменением усилительных параметров, так как последние зависят от режима. Таким образом, электрические показатели усилителя оказываются подверженными влиянию температуры и при неблагоприятных условиях могут существенным образом отклониться от нормы.
Для сохранения режима работы транзистора в условиях непостоянства температуры окружающей среды в схему каскада вводят специальные
элементы температурной стабилизации. Существует три вида температурной стабилизации: эмиттерная стабилизация, коллекторная стабилизация и активная коллекторная стабилизация.
4.4.1 Эмиттерная термостабилизация
Одной из распространенных схем с обратной связью, предназначенных для стабилизации режима, является схема с эмиттерной стабилизацией [5], которая изображена на рисунке 4.7.

Рисунок
4.7 – Схема эмиттерной термостабилизации
Рассчитаем основные элементы схемы по следующим формулам:
(4.22)
(4.23)
(4.24)
(4.25)
(4.26)
(
4.27)
(4.28)
где I>дел.> – ток делителя;
P>R>>э> – мощность рассеиваемая на резисторе R>э> .

Выберем
напряжение U>э>=3В
и по формуле (4.22) определим
сопротивление R>э>.
Базовый ток найдем из формулы (4.23).

Ток
делителя рассчитываем по формуле (4.24).

Определим
напряжение питания по формуле (4.27).

Значения
сопротивлений базового делителя найдем
из формул (4.25,4.26).

Мощность
рассеиваемая на резисторе R>э>
рассчитаем по формуле (4.28).

4.4.2 Коллекторная термостабилизация
Коллекторная стабилизация является простейшей и наиболее экономичной из всех схем термостабилизации. Стабилизация положения точки покоя осуществляется параллельной отрицательной обратной связью по напряжению, снимаемой с коллектора транзистора. Полное описание и работу схемы можно найти в книге [5]. Схема коллекторной стабилизации представлена на рисунке 4.8.
Рисунок 4.8 – Схема коллекторной термостабилизации
Рассчитаем основные элементы схемы по следующим формулам:
(4.29)
(
4.30)
(4.31)
Выберем напряжение U>R>>к>=7.5В и расчитаем значение сопротивления R>к> по формуле (4.29).

Базовый
ток найдем из формулы (4.23).

Зная
базовый ток расчитаем сопротивление
R>б>
по формуле (4.30).

Определим
рассеиваемую мощность на резисторе R>к>
по формуле (4.31).
4.4.3 Активная коллекторная термостабилизация

В
данном курсовом проекте использована
активная коллекторная термостабилизация,
которая является достаточно эффективной
в мощных усилительных каскадах. Схема
активной коллекторной термостабилизации
изображена на рисунке 4.9.
Рисунок 4.9 – Схема активной коллекторной термостабилизации
VT1 – транзистор КТ814: >о>= 40, U>кэдоп.>=20В, I>к> =2.5А;
VT2 – транзистор КТ930Б.
Рассчитаем элементы схемы по следующим формулам:
(4.32)
(4.33)
(4.34)
(4.35)
(
4.36)
(4.37)
(4.38)
В
ыберем
напряжение U>R4>=1В
и рассчитаем значение резистора R>4>
по формуле (4.32).
Базовый ток транзистора VT2 определим по формуле (4.33).


Напряжение
в рабочей точке для транзистора VT1
найдем по формуле
(4.34).
Значение сопротивления R>2> расчитаем по формуле (4.35).

Базовый
ток транзистора VT2
равен значению тока в
рабочей точке транзистора VT1.

Базовый
ток транзистора VT1
определим из формулы:

Ток
делителя найдем по формуле (4.38).

Значение
сопротивления R>3>
расчитаем по формуле (4.36).

Напряжение
питания будет равно:

Значение
сопротивления R>1>
расчитаем по формуле
(4.37).
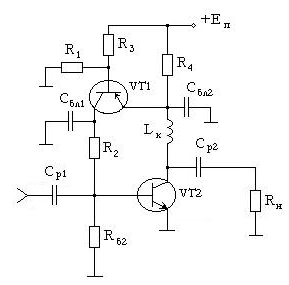
4.5 Расчет корректирующих цепей
4.5.1 Выходная корректирующая цепь

Для
передачи без потерь сигнала от одного
каскада многокаскадного усилителя к
другому используется последовательное
соединение корректирующих цепей (КЦ) и
усилительных элементов [6].
На рисунке 4.10 изображен
пример построения такой схемы усилителя
по переменному току.
Рисунок 4.10 Схема усилителя с корректирующими цепями
Расчеты входных, выходных и межкаскадных КЦ ведутся с использованием эквивалентной схемы замещения транзистора приведенной на рисунке 4.11. Для получения максимальной выходной мощности в заданной полосе частот необходимо реализовать ощущаемое сопротивление нагрузки для внутреннего генератора транзистора, равное постоянной величине во всем рабочем диапазоне частот. Это можно реализовать, включив выходную емкость транзистора в фильтр нижних частот, используемый в качестве выходной КЦ. Схема включения выходной КЦ приведена на рисунке 4.11.

Рисунок 4.11 – Схема выходной корректирующей цепи
Выходную корректирующую цепь можно рассчитать с использованием методики Фано, которая подробно описана в методическом пособии [6]. Зная С>вых> и f>в> можно рассчитать элементы L>1> и C>1> .
Рассчитаем нормированное значение С>выхн> по следующей формуле:
(
4.39)
Исходя из таблицы, которая представлена в методическом пособии [6]. По значению нормированной выходной емкости находим нормированные значения L>1> и C>1>, а так же коэффициент . Получим следующие значения:

Разнормируем
полученные значения. В результате
получим:
(4.40)
(4.41)
(4.42)
4.5.2 Межкаскадная корректирующая цепь
Как упоминалось ранее, для передачи сигнала от одного каскада многокаскадного усилителя к другому, от источника сигнала на вход первого усилительного элемента и от выходной цепи последнего усилительного элемента в нагрузку применяют различные схемы, называемые межкаскадными корректирующими цепями (МКЦ). Эти схемы одновременно служат и для подачи питающих напряжений на электроды усилительных элементов, а также придания усилителю определенных свойств.
Существуем множество различных схем МКЦ, но в данном курсовом проекте используется межкаскадная корректирующая цепь третьего порядка, которая изображена на рисунке 4.12.
Межкаскадная корректирующая цепь третьего порядка обеспечивает достаточно хорошее согласование между усилительными элементами и способствует максимальной отдачи выходной мощности усилительного элемента в нагрузку.
Р
исунок
4.12 – Каскад с межкаскадной корректирующей
цепью
третьего порядка
В качестве усилительного элемента VT2 используется транзистор КТ930А.
Расчет межкаскадной корректирующей цепи третьего порядка производится по следующей методике.
В начале расчета определяют неравномерность амплитудно-частотной характеристики (АЧХ) приходящейся на каждый каскад. Затем из таблицы, которая находится в методическом пособии [6] по неравномерности АЧХ определяют коэффициенты а>1> , а>2>,, а>3>. После находят нормированные значения С>вых.н> , L>вх.н> и R>вх.н> по следующим формулам:
(4.43)
(4.44)
(4.45)
Для нахождения нормированных значений С>1>> >, С>2> , L>1> рассчитывают следующие коэффициенты:
(4.46)
(
4.47)
(4.48)
(4.49)
(4.50)
(4.51)
(4.52)
Нормированные
значения С>1>>
>, С>2>
, L>1>
рассчитывают по формулам:
> >
(4.53)
(4.54)
(4.55)
Коэффициент
усиления определяют по следующей
формуле:
(4.56)
Значения
элементов С>1>>
>, С>2>
, L>1>
, R>1>
рассчитывают по формулам:
(4.57)
(4.58)
(4.59)
(4.60)
Рассчитаем межкаскадную корректирующую цепь между выходным и предоконечным каскадом. Для этого представим схему приведенную на рисунке 4.12 в виде эквивалентной схемы изображенной на рисунке 4.13.
Рассчитаем элементы МКЦ.
Значения выходных параметров транзистора КТ930А возьмем из пункта 5.2, где рассчитана эквивалентная схема этого транзистора.
КТ930А: C>вых.>= 78.42 пФ;. R>вых.>= 8.33 Ом.
Р
исунок
4.13 – Эквивалентная схема каскада
Значения входных параметров транзистора КТ930Б возьмем из пункта 4.3.2.
К
Т930Б:



Неравномерность
АЧХ приходящейся на каждый каскад
составляет 0.7дБ. Из таблицы находящейся
в методическом пособии [6]
коэффициенты а>1>
, а>2>,, а>3> будут
равны:
Нормируем входные и выходные параметры по формулам (4.43, 4.44, 4.45).


Для
нахождения нормированных значений С>1>>
>, С>2>
, L>1>
определим следующие коэффициенты по
формулам (4.46 – 4.52).

Нормированные
значения элементов С>1>>
>, С>2>
, L>1>
найдем по формулам
(4.53-4.55).

Коэффициент
усиления рассчитаем по формуле (4.56).
Значения элементов МКЦ найдем из формул (4.57-4.60).

5
Расчет предоконечного каскада
5.1 Расчет рабочей точки
В предоконечном каскаде используется транзистор КТ930Б. Для того чтобы усилитель имел один источник питания, необходимо напряжение в рабочей точке оставить неизменным, то есть можно записать:

Ток
в рабочей точке изменяется в
соответствии с коэффициентом усиления
межкаскадной корректирующей цепи,
которая рассчитана в пункте 4.5.2.
5.2 Расчет эквивалентной схемы транзистора
В качестве эквивалентной схемы расчитаем однонаправленную модель транзистора.
Рассчитаем элементы схемы, воспользовавшись справочными данными и формулами приведенными в пункте 4.3.2.
Справочные данные [2] для транзистора КТ930А:

Входную
индуктивность определим по формуле
4.19.

Определим
входное сопротивление по формуле (4.12),
для этого найдем С>к>
при напряжении U>кэ>
= 10В воспользовавшись формулой (4.11.)
Выходную емкость найдем из формулы (4.12).


Выходное
сопротивление определим из формулы
(4.20).
Рассчитаем частоту f>max> из формулы (4.21).

5.3 Расчет схемы термостабилизации
В предоконечном каскаде используется схема активной коллекторной термостабилизации.
Рассчитаем элементы схемы воспользовавшись формулами приведенными в пункте 4.4.3 и рисунком 4.9.
Выберем напряжение U>R4>=1В и расчитаем значение резистора R>4> по формуле (4.32).

Базовый
ток транзистора VT2
определим по формуле
(4.33).


Напряжение
в рабочей точке для транзистора VT1
найдем по формуле
(4.34). Значение сопротивления R>2>
расчитаем
по формуле (4.35).

Базовый
ток транзистора VT2
равен значению тока в
рабочей точке транзистора VT1.

Базовый
ток транзистора VT1
определим из формулы:


Ток
делителя найдем по формуле (4.38).

Значение
сопротивления R>3>
расчитаем по формуле (4.36).
Значение сопротивления R>1> расчитаем по формуле (4.37).
5.4 Расчет межкаскадной корректирующей цепи

Расчитаем
межкаскадную корректирующую цепь между
входным и предоконечным каскадом.
Эквивалентная схема изображена на
рисунке 5.1.
Рисунок 5.1 – Эквивалентная схема каскада
В качестве усилительного элемента VT1 используется транзистор КТ916А.
Рассчитаем элементы МКЦ.
Значения выходных параметров транзистора КТ916А возьмем из пункта 6.2, где рассчитана эквивалентная схема этого транзистора.
К
Т916А:
Значения входных параметров транзистора КТ930А возьмем из пункта 5.2.
К
Т930А:

Нагрузкой
для предоконечного
каскада является
параллельное соединение R>вых>>.>
транзистора и R>1>
.Где R>1>–
сопротивление, входящее
в межкаскадную корректирующую цепь,
рассчитанное в пункте 4.5.2.

Нормируем входные и выходные параметры по формулам (4.43, 4.44, 4.45).


Для
нахождения нормированных значений С>1>>
>, С>2>
, L>1>
определим следующие
коэффициенты по формулам (4.46 – 4.52).
Нормированные значения элементов С>1>> >, С>2> , L>1> найдем по формулам (4.53-4.55).
Коэффициент усиления рассчитаем по формуле (4.56).

Значения
элементов МКЦ найдем из формул (4.57-4.60).

6 Расчет входного каскада
6.1 Расчет рабочей точки
В качестве входного каскада используется транзистор КТ916А. Напряжение в рабочей точке будет равно:

Ток
в рабочей точке изменяется в
соответствии с коэффициентом усиления
межкаскадной корректирующей цепи,
которая рассчитана в пункте 5.4.

6.2 Расчет эквивалентной схемы транзистора
В качестве эквивалентной схемы расчитаем однонаправленную модель транзистора.
Рассчитаем элементы схемы, воспользовавшись справочными данными и формулами приведенными в пункте 4.3.2.
Справочные данные [2] для транзистора КТ916А:

Входную
индуктивность определим по формуле
4.19.
Определим входное сопротивление по формуле (4.12), для этого найдем С>к> при напряжении U>кэ> = 10В воспользовавшись формулой (4.11.)

Выходную
емкость найдем из формулы (4.12).


Выходное
сопротивление определим из формулы
(4.20).
Рассчитаем частоту f>max> из формулы (4.21).
6.3 Расчет схемы термостабилизации
В входном каскаде используется схема активной коллекторной термостабилизации.
Рассчитаем элементы схемы воспользовавшись формулами приведенными в пункте 4.4.3 и рисунком 4.9.
Выберем напряжение U>R4>=1В и расчитаем значение резистора R>4> по формуле (4.32).

Базовый
ток транзистора VT2
определим по формуле
(4.33).


Напряжение
в рабочей точке для транзистора VT1
найдем по формуле
(4.34).
Значение сопротивления R>2> расчитаем по формуле (4.35).

Базовый
ток транзистора VT2
равен значению тока в
рабочей точке транзистора VT1.

Базовый
ток транзистора VT1
определим из формулы:

Ток
делителя найдем по формуле (4.38).


Значение
сопротивления R>3>
расчитаем по формуле (4.36).
Значение сопротивления R>1> расчитаем по формуле (4.37).
6.4 Расчет входной корректирующей цепи
В качестве входной корректирующей цепи используется межкаскадная корректирующая цепь третьего порядка. Эквивалентная схема изображена на рисунке 5.1.
Рисунок 5.1 – Эквивалентная схема каскада
Рассчитаем элементы МКЦ.

Выходными
параметрами в данном случае будут
являться параметры генератора.
Значения входных параметров транзистора КТ916А возьмем из пункта 6.2.
К
Т916А:
Нагрузкой для входного каскада является параллельное соединение R>вых>>.> транзистора и R>1>. Где R>1> – сопротивление, входящее в межкаскадную корректирующую цепь, рассчитанное в пункте 5.4.


Нормируем входные и выходные
параметры по формулам (4.43, 4.44, 4.45).
Д
ля
нахождения нормированных значений С>1>>
>, С>2>
, L>1>
определим следующие коэффициенты по
формулам (4.46 – 4.52).
Нормированные значения элементов С>1>> >, С>2> , L>1> найдем по формулам (4.53-4.55).


Коэффициент
усиления рассчитаем по формуле (4.56).
З
начения
элементов МКЦ найдем из формул (4.57-4.60).
7 Расчет разделительных и блокировочных конденсаторов
Рассчитаем разделительные конденсаторы по следующей формуле:
(7.1)
где Y>н> – искажения приходящиеся на каждый конденсатор;
R>1> – выходное сопротивление транзистора;
R>2> – сопротивление нагрузки;
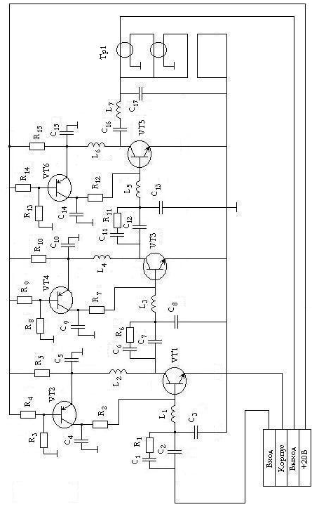
В нашем случае число разделительных конденсаторов будет равно четырем. Расчитаем разделительные конденсаторы С>1> , С>6> , С>11> , С>16> , которые изображены на принципиальной схеме (см. Приложение А). Искажения, приходящиеся на каждый конденсатор, будут равны:
и

ли
Тогда искажения в области низких частот найдем по формуле:

Найдем
значение конденсаторов С>1>
, С>6> , С>11> , С>16>
по формуле (7.1).


Блокировочные
конденсаторы С>4> , С>9>
, С>14> , определим из
следующего условия:
(7.2)
где R – это сопротивление R>2> в схеме активной коллекторной термостабилизации.
Выражая
из соотношения (7.2) емкость С, получим:
(7.3)
Определим значения емкостей С>4> , С>9> , С>14> по формуле (7.3).
Расчитаем дроссель L>к> в цепи коллектора исходя из следующего соотношения:
(7.4)
где (R//C) – параллельное соединение элементов МКЦ.
Выражая из соотношения (7.4) L>к>, получим:
(7.5)
Определим значения индуктивностей L>2> , L>4> , L>6> по формуле (7.5).
Определим
значения блокировочных емкостей С>5>
, С>10> , С>15>
воспользовавшись формулой приведенной
в методическом пособии [7].
8 Заключение
В результате работы был рассчитан усилитель, который имеет следующие параметры:
1.Рабочая полоса частот 0.5 – 50МГц.
2.Допустимые частотные искажения 2дБ.
3.Коэффициент усиления 44дБ.
4.Питание Е>п> =20В.
5.Выходная мощность Р>вых.>=20Вт.
Усилитель имеет запас по усилению 14дБ, это необходимо для того, чтобы в случае ухудшения параметров отдельных элементов коэффициент передачи усилителя не опускался ниже заданного уровня.
Список использованных источников
1 Проектирование радиопередающих устройств./ Под ред.
О.В. Алексеева. – М.: Радио и связь, 1987.- 392с.
2 Полупроводниковые приборы: транзисторы. Справочник / Под ред.
Горюнов Н.Н. – 2-е изд. М.: Энергоатомиздат, 1985-903с.
3 Горбань Б.Г. Широкополосные усилители на транзисторах. – М.:
Энергия, 1975.-248с.
4 Титов А.А., Бабан Л.И., Черкашин М.В. Расчет межкаскадной
согласующей цепи транзисторного полосового усилителя мощности
// Электронная техника СЕР, СВЧ – техника. – 2000. – вып. 1(475).
5 Цыкин Г.С. Усилительные устройства.-М.: Связь, 1971.-367с.
6 Титов А.А. Расчет корректирующих цепей широкополосных
усилительных каскадов на биполярных транзисторах,
http://referat.ru/download/ref-2764.zip.
7 Красько А.С. Проектирование аналоговых электронных устройств.-
Томск: ТУСУР, 2000.-29с.
Приложение А
Принципиальная схема представлена на стр. 41.
Перечень элементов приведен на стр. 42,43.
|
|
||||||||||
|
РТФ КП 468740.001 ПЗ |
||||||||||
|
ШИРОКОПОЛОСНЫЙ |
Лит |
Масса |
Масштаб |
|||||||
|
Изм |
Лист |
Nдокум. |
Подп. |
Дата |
УСИЛИТЕЛЬ ШИРОКОПОЛОСНЫЙ |
|||||
|
Выполнил |
Коновалов |
КАЛИБРОВКИ |
||||||||
Проверил |
Титов |
РАДИОВЕЩАТЕЛЬНЫХ СТАНЦИЙ |
||||||||
|
СТАНЦИЙ |
Лист |
Листов |
||||||||
ТУСУР РТФ |
||||||||||
Принципиальная |
Кафедра РЗИ |
|||||||||
|
Схема |
гр. 148-3 |
|
Поз. Обозна- Чение |
Наименование |
Кол. |
Примечание |
|||||||
|
Транзисторы |
||||||||||
|
VT1 |
КТ916А |
1 |
||||||||
|
VT2 |
КТ814 |
1 |
||||||||
|
VT3 |
КТ930А |
1 |
||||||||
|
VT4 |
КТ814 |
1 |
||||||||
|
VT5 |
КТ930Б |
1 |
||||||||
|
VT6 |
КТ814 |
1 |
||||||||
|
Конденсаторы |
||||||||||
|
С1 |
КД-2-3.5нФ 5 ОЖО.460.203 ТУ |
1 |
||||||||
|
С2 |
КД-2-150пФ 5 ОЖО.460.203 ТУ |
1 |
||||||||
|
С3 |
КД-2-91пФ 5 ОЖО.460.203 ТУ |
1 |
||||||||
|
С4 |
КД-2-1.6нФ 5 ОЖО.460.203 ТУ |
1 |
||||||||
|
С5 |
КД-2-470нФ 5 ОЖО.460.203 ТУ |
1 |
||||||||
|
С6 |
КД-2-5.1нФ 5 ОЖО.460.203 ТУ |
1 |
||||||||
|
С7 |
КД-2-270пФ 5 ОЖО.460.203 ТУ |
1 |
||||||||
|
С8 |
КД-2-130пФ 5 ОЖО.460.203 ТУ |
1 |
||||||||
|
С9 |
КД-2-6.2нФ 5 ОЖО.460.203 ТУ |
1 |
||||||||
|
С10 |
КД-2-2мкФ 5 ОЖО.460.203 ТУ |
1 |
||||||||
|
С11 |
КД-2-6.8нФ 5 ОЖО.460.203 ТУ |
1 |
||||||||
|
С12 |
КД-2-820пФ 5 ОЖО.460.203 ТУ |
1 |
||||||||
|
С13 |
КД-2-430пФ 5 ОЖО.460.203 ТУ |
1 |
||||||||
|
С14 |
КД-2-22нФ 5 ОЖО.460.203 ТУ |
1 |
||||||||
|
С15 |
КД-2-9.1мкФ 5 ОЖО.460.203 ТУ |
1 |
||||||||
|
С16 |
КД-2-82нФ 5 ОЖО.460.203 ТУ |
1 |
||||||||
|
С17 |
КД-2-160пФ 5 ОЖО.460.203 ТУ |
1 |
||||||||
|
Трансформаторы |
||||||||||
|
Тр1 |
Трансформатор |
1 |
||||||||
|
РТФ КП 468740.001 ПЗ |
||||||||||
|
ШИРОКОПОЛОСНЫЙ |
Лит |
Масса |
Масштаб |
|||||||
|
Изм |
Лист |
Nдокум. |
Подп. |
Дата |
УСИЛИТЕЛЬ |
|||||
|
Выполнил |
Коновалов |
КАЛИБРОВКИ |
||||||||
Провер. |
Титов |
РАДИОВЕЩАТЕЛЬНЫХ СТАНЦИЙ |
||||||||
|
СТАНЦИЙ |
Лист |
Листов |
||||||||
ТУСУР РТФ |
||||||||||
Перечень элементов |
Кафедра РЗИ |
|||||||||
|
гр. 148-3 |
|
Поз. Обозна- Чение |
Наименование |
Кол. |
Примечание |
|||||||
|
Катушки индуктивности |
||||||||||
|
L1 |
Индуктивность 82нГн 5 |
1 |
||||||||
|
L2 |
Индуктивность 620мкГн 5 |
1 |
||||||||
|
L3 |
Индуктивность 39нГн 5 |
1 |
||||||||
|
L4 |
Индуктивность 470мкГн 5 |
1 |
||||||||
|
L5, L7 |
Индуктивность 11нГн 5 |
2 |
||||||||
|
L6 |
Индуктивность 20мкГн 5 |
1 |
||||||||
|
Резисторы |
||||||||||
|
R1 |
МЛТ – 0.125 – 200 Ом 10ГОСТ7113-77 |
1 |
||||||||
|
R2 |
МЛТ – 0.125 – 2.2 кОм 10ГОСТ7113-77 |
1 |
||||||||
|
R3 |
МЛТ – 0.125 – 18 кОм 10ГОСТ7113-77 |
1 |
||||||||
|
R4 |
МЛТ – 0.125 – 1.8 кОм 10ГОСТ7113-77 |
1 |
||||||||
|
R5 |
МЛТ – 0.125 – 7.5 Ом 10ГОСТ7113-77 |
1 |
||||||||
|
R6 |
МЛТ – 0.125 – 160 Ом 10ГОСТ7113-77 |
1 |
||||||||
|
R7 |
МЛТ – 0.125 – 620 Ом 10ГОСТ7113-77 |
1 |
||||||||
|
R8 |
МЛТ – 0.125 – 5.1 кОм 10ГОСТ7113-77 |
1 |
||||||||
|
R9 |
МЛТ – 0.125 – 510 Ом 10ГОСТ7113-77 |
1 |
||||||||
|
R10 |
МЛТ – 0.125 – 1.8 Ом 10ГОСТ7113-77 |
1 |
||||||||
|
R11 |
МЛТ – 0.125 – 130 Ом 10ГОСТ7113-77 |
1 |
||||||||
|
R12 |
МЛТ – 0.125 – 150 Ом 10ГОСТ7113-77 |
1 |
||||||||
|
R13 |
МЛТ – 0.125 – 1.3 кОм 10ГОСТ7113-77 |
1 |
||||||||
|
R14 |
МЛТ – 0.125 – 130 Ом 10ГОСТ7113-77 |
1 |
||||||||
|
R15 |
МЛТ – 0.125 – 1 Ом 10ГОСТ7113-77 |
1 |
||||||||
|
РТФ КП 468740.001 ПЗ |
||||||||||
|
ШИРОКОПОЛОСНЫЙ |
Лит |
Масса |
Масштаб |
|||||||
|
Изм |
Лист |
Nдокум. |
Подп. |
Дата |
УСИЛИТЕЛЬ |
|||||
|
Выполнил |
Коновалов |
кАЛИБРОВКИ |
||||||||
Провер. |
Титов |
РАДИОВЕЩАТЕЛЬНЫХ СТАНЦИЙ |
||||||||
|
СТАНЦИЙ |
Лист |
Листов |
||||||||
ТУСУР РТФ |
||||||||||
Перечень элементов |
Кафедра РЗИ |
|||||||||
|
гр. 148-3 |
