Электротехника (работа 1)
Лабораторная работа № 1.
Изучение соединения резисторов.
Цель работы:
Изучить на практике признаки параллельного и последовательного и смешанного соединение резисторов.
Оборудование:
Приборный щит № 1, стенд.
Теоретическое основание:
На практике производят расчет цепей с разными схемами соединения приемников. Если по соединению проходит один и тот же ток, то оно называется последовательным. Ток на отдельных участках имеет одинаковые значение.

Сумма падения напряжение на отдельных участках равна всем цепи:
> >
Напряжения цепи можно представить как, > >, где > >- эквивалентное (общее) сопротивление. Следовательно > >. Общее сопротивление цепи из нескольких последовательных соединение резисторов, равно сумме сопротивлений этих резисторов.
Параллельным называется такое соединение проводников при котором соединение между собой как усл. начала приемников, так и их концы. Для параллельного соединения характерно одно и тоже напряжение на выводах всех приемников > >. Согласно первому закону Кирхгофа > >, а согласно закону Ома можно записать > >. Сокращая общие части неравенства на U получим формулу подчета экв-ной проводимости > >> > или q=q>1+…>+q>n>>.>
Смешанным или последовательно параллельным называется такое соединение, при котором на одних участках электрические цепи они соединены параллельно, а на других последовательно.
Порядок выполнения работы:
Подключим шнур питания к блоку питания
Тумблером «сеть» включить блок питания.
Тумблером поочередно включаем цепи: последовательно, параллельное, смешенное соединения снять показания. Результаты занести в таблицу, произвести нужные расчеты.
И
сследовать
цепи при последовательном соединение
резисторов.
Исследовать при параллельном соединении.

И
сследовать
при смешанном соединении.
Обработка результатов опытов:
Табл.1
|
Данные наблюдений |
Результаты вычислений |
||||||
|
I |
U>1> |
U>2> |
U>3> |
R>1> |
R>2> |
R>общ> |
P |
|
0,16 |
178 |
32 |
210 |
1112,5 |
200 |
1312,5 |
33,6 |
Ом;
Ом;
Ом;
Вт.
Табл.2
|
Данные наблюдений |
Результаты вычислений |
||||
|
I |
U>1> |
R>1> |
R>2> |
R>общ> |
P |
|
0,22 |
220 |
2000 |
2000 |
1000 |
48,4 |
;
;
т.к.
,
то
;
R=2000;
Р=IU=0,22*220=48,4
Вт.
Табл.3
|
Данные наблюдений |
Результаты вычислений |
|||||||
|
I |
U>1> |
U>2> |
U>общ> |
R>1> |
R>2> |
R>3> |
R>общ> |
P |
|
0,14 |
130 |
78 |
208 |
928,6 |
1114,2 |
1114,2 |
1485,7 |
29,12 |
Ом;
Ом;
Ом;
;
Ом;
Ом;
Ом;
;
Вт.
Лабораторная работа № 2.
Проверка закона Ома для участка цепи и всей цепи. Проверка закона Кирхгофа.
Цель работы:
Практически убедится в физических сущности закона Ома для участка цепи. Проверить опытным путем законы Кирхгофа.
Оборудование:
Приборный щит № 1. Стенд.
Теоретическое обоснование:
Расчет и анализ эл.цепей может быть произведен с помощью основных законов эл.цепей закон Ома , первого и второго законов Кирхгофа.
Как
показывают опыты, ток на участке цепи
прямо пропорционально напряжении на
этом участке цепи и обратно пропорционально
сопротивлении того же участка -это закон
Ома

Рассмотрим полную цепь: ток в
этой цепи определяется по формуле
(закон
Ома для полной цепи). Сила тока в эл.цепи
с одной ЭДС прямо пропорционален этой
ЭДС и обратно пропорционален сумме
сопротивлении внешней и внутренней
участков цепи.
Согласно первому закону Кирхгофа, алгебраическая сумма токов ветвей соединений в любой узловой точке эл.цепи равна нулю.
Согласно второго закона Кирхгофа в любой замкнутом контуре эл.цепи, алгебраическая сумма ЭДС равна алгебраической сумме напряжении на всех резисторных элементов контура.
Порядок выполнения работы:
Ознакомится с приборами и стендом, для выполнение работы. Подключим шнур питания к источнику питания.
Источник подключить к стенду, меняя переменным резистором сопротивление цепи измеряем ток, напряжение. Результаты заносим в таблицу. Произвести необходимые расчеты
На стенде «закон Кирхгофа». Меняем сопротивление цепи. Результаты опытов заносим в таблицу. Произвести необходимый расчет
Рис. 1. Закон Ома для участка цепи












R1






Р
R2
ис.2. Первый
закон Кирхгофа







Табл.1
|
Данные наблюдений |
Результаты вычислений |
|||
|
R |
U |
I |
U>общ> |
E |
|
1 |
3 |
3 |
3 |
3,3 |
|
1,5 |
3 |
2 |
3 |
3,2 |
|
3 |
3 |
1 |
3 |
3,1 |
Табл.2
|
Данные наблюдений |
Результаты вычислений |
|||||||
|
R>1> |
R>2> |
I>1> |
I>2> |
I>3> |
I>4> |
I>2>+I>3> |
U>1> |
U>2> |
|
2 |
0,7 |
4 |
1 |
3 |
4 |
4 |
2 |
2,1 |
|
1 |
1 |
4 |
2 |
2 |
4 |
4 |
2 |
2 |
|
0,7 |
2 |
4 |
3 |
1 |
4 |
4 |
2,1 |
2 |

Е>1>=3(1+0,1)=3,3; Е>2>=2(1,5+0,1)=3,2; Е>3>=1(3+0,1)=3,1
U>1>=2*1=2; U>2>=2*1=2; U>1>=3*0,7=2,1; U>2>=1*2=2
Вывод:
Опытным и расчетным путями доказали, что сила тока в эл.цепи с одной ЭДС прямо пропорционален этой ЭДС и обратно пропорционален сумме сопротивлений внешних и внутреннего участка цепи. Согласно первому закону Кирхгофа сила тока на входе цепи равна силе тока на входе цепи. Сумма токов на ветвях цепи равна току на выходе цепи.
Ответы на контрольные вопросы:
Закон Ома для полной цепи рассматривает полное сопротивление всей цепи, а закон Ома для участка цепи рассматривает только данный участок цепи. Оба закона Ома показывают зависимость силы тока от сопротивления – чем больше сопротивление, тем меньше сила тока и ЭДС или наоборот.
Для создания напряжения в цепи необходимо движение зарядов внутри источника тока, а это происходит только под действием сил, приложенных извне. При отсутствии тока в цепи ЭДС равна разности потенциалов источника энергии, поэтому подключенный в эту цепь вольтметр показывает ЭДС , а не напряжение .
- закон Кирхгофа (применяется для расчётов сложных электрических цепей): сумма токов приходящих к узловой точке, равна сумме токов, уходящих от неё, причём направление токов к точке считают положительным, а от неё – отрицательным. Или алгебраическая сумма токов в узловой точке электрической цепи равна нулю.
II – закон Кирхгофа (для любой электрической цепи): алгебраическая сумма всех ЭДС равна алгебраической сумме падений напряжения сопротивления, включенных последовательно.
Е>1>+Е>2>+…+Е>n>=I>1>R>1>+I>2>R>2>+…+I>n>R>n>
Лабораторная работа № 3.
Измерение мощности и энергии.
Цель работы:
На практике изучить измерительные приборы, научится определять мощность электрической цепи и потребляемую энергию.
Теоретическое основание:
Работа произведенная в единицу времени, называется мощностью (Р).

-
работа электрических сил поля.
[Вт]
[Вт]
100 Вт = 1 гектоватт [гВт]
1000 Вт = 1 киловатт [кВт]
1000000 Вт = 1 мегаватт [МВт]
Электрическая мощность измеряется ваттметром
Электрическая энергия измеряется счетчиком электрической энергии.
[Дж]
Схема включения ваттметра:


















С
хема
исследования:

















О
борудование:
Стенд «измерение мощности и энергии», приборный щит № 1
Ход работы:
Подключить блок питания к стенду.
Собрать схему, подключить соединение проводами приборы.
Подать напряжение, измеряя нагрузку с помощью лампового реостата, при тех значениях записать показания приборов в таблицу.
Вычислить мощность цепи для тех случаев и потребляемую энергию.
Табл.1
|
№ опыта |
Данные наблюдений |
Результаты вычислений |
|||||
|
U |
I |
t(c) |
P |
W(энер) |
R |
P>общ> |
|
|
1 |
220 |
0,7 |
600 |
154 |
924 гВт |
314,3 |
704 |
|
2 |
220 |
1,1 |
3,600 |
242 |
8712 гВт |
122,2 |
|
|
3 |
220 |
1,4 |
4900 |
308 |
15092 гВт |
71,4 |
Р=UI=220*0,7 = 154; W>1>=154*600=92400=924 гВт
P>2>=UI>2>=220*1.1 = 242; W>2>=242*3600=871200=8712 гВт
P>3>=UI>3>=220*1.4 = 308; W>3>=308*4900=1509200=15092 гВт



Вывод:
Ознакомились с методикой вычисления электрической мощности и энергии. Научились работать с измерительными приборами.
Ответы на контрольные вопросы:
Мощность – это работа произведённая за единицу времени.
Методы измерения мощности:
а) Для цепи постоянного тока используют электродинамические вольтметры и амперметры.
б) Для цепи переменного тока используют электродинамические и ферродинамические вольтметры.
3. Энергия электрической цепи представляет собой перемещение заряженных частиц.
Лабораторная работа № 4
Определение удельного сопротивления материалов.
Цель работы:
Опытным путем определить удельное сопротивление проводниковых материалов.
Теоретическое основание:
Сопротивление проводника характеризует его способность препятствовать прохождения тока. Для того чтобы при расчетах учесть способность разных проводников проводить ток вводится понятие удельное сопротивление.
Удельное сопротивление – это сопротивление проводника длиной 1м и поперечное сечение 1 мм2

Сопротивление проводника зависит не только от материала, из которого он изготовлен, оно зависит и от его размеров длины и поперечного сечения.

где
-
удельное сопротивление
l - длина
S – площадь поперечного сечения
Схема:

















Оборудование:
приборный щит № 1
амперметр 0 – 1А
Вольтметр 0 – 150 В
Медный провод = 2 мм, l = 3 м
Нихром 1 = 1 мм, l = 1,5 м
Нихром 2 = 0,3 мм, l = 1,5 м
Ход работы:
Подключить блок питания к стенду
Собрать схему, подключить соединить поводами приборы.
Меняя образцы металлов, показания приборов, занести в таблицу, полученные данные.
Табл.1
|
Данные наблюдений |
Результат выполнении |
||||||||
|
№ опыта |
I |
U>2> |
U>общ> |
|
l |
R>общ> |
R>обр> |
|
|
|
л |
R |
||||||||
|
1 Медь |
0,76 |
25 |
0,015 |
36 |
2 |
3 |
32,9 |
0,02 |
0,02 |
|
2 Нихром |
0,76 |
24 |
2,2 |
36 |
1 |
1,5 |
34,5 |
2,9 |
1,2 |
|
3 Нихром |
0,56 |
18 |
18 |
36 |
0,3 |
1,5 |
55,8 |
32,1 |
1,3 |
;

;

;

;

;

;




Вывод:
Опытным путём определили удельное сопротивление меди, нихрома.
Ответы на контрольные вопросы:
Движению электрических зарядов препятствуют молекулы и атомы проводника, а также самого источника энергии. Это противодействие прохождению электрического тока в цепи называется сопротивлением.
Удельное сопротивление – это сопротивление проводника длиной в 1 м. и площадью поперечного сечения в 1мм2. Служит для оценки электрических свойств материала проводника.
Высокой проводимости способствует содержание свободно – заряженных частиц у материалов (металлы, медь, серебро, плазма и т.д.) и противоположность им электрики – вещества в которых мало заряженных частиц (стекло, керосин, парафин).
Лабораторная работа № 5.
Схемы соединение гальванических элементов. Схема включения реостата. Схема включения потенциометра.
Цель работы:
Исследование схем.
Теоретическое обоснование:
Последовательное соединение элементов показано на стенде, а ЭДС батареи Е>бат>, составленной из последовательно соединенных элементов, будет больше ЭДС одного элемента Е в n раз
Е>бат>=Е
Последовательное соединение элементов применяется в тех случаях, когда требуется напряжение больше, чем напряжение одного элемента. Но при любом количестве соединяемых последовательно элементов номинальный ток батареи остается равным номинальному току одного элемента.
I>бат>=I
Параллельное соединение применяется для получения тока, который превышает номинальный ток одного элемента.
I>бат>=I+I+…+I=I>n>
ЭДС батареи в этом случае равна ЭДС одного элемента
Е>бат>=Е
Смешенное соединение применяют в тех случаях, когда требуется батарея с большим значениями ЭДС и тока.
Необходимо помнить, что в батарею должны соединятся элементы с одинаковыми характеристиками.
План работы:
Начертить схемы замещения:
Схемы включения реостата
Схемы включения потенциометра
С

хемы
соединения гальванических элементов.
Вывод :
Из построенных схем и условий каждая цепь имеет своё значение ЭДС на каждой схеме она определяется по разному.
Ответы на контрольные вопросы:
При параллельном соединении: Е>общ>=Е>1>=Е>2>=…=Еn
При последовательном соединении: Е>общ>= Е>1>+Е>2>+…+Еn
При смешанном соединении: Е>общ>=n*Е>1>
Лабораторная работа № 6.
Определение потерь напряжения и мощности в проводах линии и электропередачи.
Цель:
1. Выяснить какое влияние оказывает нагрузка линии и сопротивление её проводов на напряжение приемника.
2. Определить мощность потерь в проводах и КПД линии электропередачи.
Теоретическое обоснование:
Каждый приёмник электрической энергии рассчитан на определённое номинальное напряжение. Так как приёмники могут находиться на значительных расстояниях от питающих их электростанций, то потери напряжения в проводах имеют важное значение. Допустимые потери напряжения в проводах для различных установок не одинаковы, но не превышают 4-6% номинального напряжения.
На рис. приведена схема электрической цепи, состоящая из источника электрической энергии, приёмника и длинных соединительных проводов. При прохождении по цепи электрического тока I показания вольтметра U>1>, включённого в начале линий, больше показаний вольтметра U>2>, включённого в конце линий.
Уменьшение
напряжения в линии по мере удаления от
источника вызвано потерями напряжения
в проводах линии
Ui=U>1>-U>2>
и
численно равно падению напряжения.
Согласно закону Ома, падение напряжения
в проводах линии равно произведению
тока в ней на сопротивление проводов:
Uii=I*R
тогда
Ui=U>1>-U>2>=
Uii=
-
сопротивление проводов линии.
Мощность потерь в линии можно определить двумя способами:
Pi=
Ui*I=(U>1>-U>2>)*I
или
Pii=I*R
Уменьшить потери напряжения и потери мощности в линии электропередачи можно уменьшая силу тока в проводах либо увеличивая сечение проводов с целью уменьшения их сопротивления. Силу тока в проводах можно уменьшить увеличивая напряжение в начале линии.
КПД линии электропередачи определяется отношением мощности, отдаваемой электроприёмнику, к мощности, поступающей в линию, или отношением напряжения в конце линии к напряжению в её начале:

Схема передачи электрической энергии:























Приборы и оборудование:
Два вольтметра и амперметр электромагнитной системы, ламповый реостат, двухполюсный автоматический выключатель, соединительного провода.
Порядок выполнения работы:
Ознакомиться с приборами и оборудованием, предназначенными для выполнения лабораторной работы, записать их технические характеристики.
Подать в цепь напряжение. Изменяя нагрузку с помощью лампового реостата, при трёх её значениях записать показания приборов в таблице.
Вычислить потери двумя способами:
1. Как разность напряжений в конце и начале линий.
2. Как произведение силы тока на сопротивление проводов.
Определить мощность потерь в линии и КПД. Результаты вычислений занести в таблицу.
Таблица изменения числа потребителей:
Изменяем напряжение в начале и конце линий.
|
Данные наблюдений |
Результаты вычислений |
|||||||
|
Лампы, Вт |
U>1> |
U>2> |
I |
|
P>вх> |
Р>вых> |
|
|
|
40 |
150 |
149 |
0,13 |
1 |
19,5 |
19,4 |
0,1 |
99,3 |
|
60 |
148 |
146 |
0,2 |
2 |
29,6 |
29,2 |
0,4 |
98,6 |
|
100 |
150 |
148 |
0,3 |
2 |
45 |
44,4 |
0,6 |
98,7 |
;
;
;
;
;
;
;
;
;
;
;
;
;
;
;
Вывод:
На основе проведённого опыта выяснили, что факторами, влияющими на потери в линиях являются: протяжённость линий; сечение проводника; состав материала и количество потребителей. Чем больше потребителей, тем меньше КПД. . Уменьшить потери напряжения и потери мощности в линии электропередачи можно уменьшая силу тока в проводах либо увеличивая сечение проводов с целью уменьшения их сопротивления.
Ответы на контрольные вопросы:
Разность напряжений в начале и конце линий равна падению напряжения в проводах и называется потерей напряжения.
U=IR
Сопротивление проводов зависит от материала из которого они изготовлены, площади поперечного сечения и длины этих проводов.
КПД линии определяется отношением мощности, отдаваемой электроприемнику, к мощности, поступающей в линию, или отношением напряжения в конце линии к напряжению в ее начале.
5. Чем выше рабочее напряжение, тем ниже сила тока, а следовательно меньше потерь.
Лабораторная работа № 7.
Исследование электрической цепи переменного тока при последовательном соединении.
Цель работы:
1. Проверить практически и уяснить, какие физические явления происходят в цепи переменного тока.
2. Рассчитать параметры отдельных элементов электрической цепи.
3. Построить по опытным данным векторные диаграммы.
Теоретическое обоснование:
При
подведении к зажимам последовательно
соединённых активного сопротивления
R,
индуктивности L
и ёмкости C
синусоидального напряжения U=U>M>sinWt
и
тока
I=I>M>sin(Wt-U).
Сдвиг
фаз между напряжением и током определяется
по формуле
,
где X>L>=2fL,
-
соответственно индуктивное и ёмкостное
сопротивления.
Действующее значение тока в цепи можно найти по закону Ома:
где > >- полное сопротивление цепи.
Если Х>L>>X>C>, то и U>1>>U>2> - ток в этом случае отстаёт от напряжения в сети. В случае X>L><X>C> и U>1><U>2> - ток опережает напряжение. Когда X >L>=X>C>, то U>1> =U>2 >– ток и напряжение совпадают по фазе.
Для цепи с последовательным соединением резистора, индуктивной катушки и конденсатора по измерянным значениям напряжения U>R>,U>C>, U>K>, U, тока I и активной мощности Р можно определить параметры цепи. Сопротивление резистора > >, ёмкостное сопротивление > >. Определив Х>С> и зная промышленную частоту тока f = 50 Гц, можно найти мощность конденсатора > >
Параметры катушки определяются из формулы X>L>=2fL
Определяем индуктивность катушки > >.
Оборудование:
Блок питания.
Стенд для измерения активного и реактивного сопротивлений.
Щит приборный №1.
Ход работы:
Подключить блок питания к стенду.
Собрать схему, подключив приборы, соединительными проводами.
Включив тумблер на стенде, подаём напряжение на схему.
Ставим перемычку на дроссель, замеряем напряжение на резисторе и конденсаторе.
Ставим перемычку на конденсатор, замеряем напряжение на резисторе и дросселе.
Замеряем напряжение в схеме при последовательном соединении резистора конденсатора и дросселя, на каждом элементе.
Результаты опытов занести в таблицу, схемы исследований













Данные изменений |
Результаты измерений |
|||||
|
I |
U>1> |
U>2> |
U>общ> |
X>c> |
R |
Z |
|
0,44 |
210 |
22 |
211 |
50 |
477,3 |
480 |
;
;


Данные изменений |
Результаты измерений |
|||||
|
I |
U>1> |
U>2> |
U>общ> |
X>L> |
R |
Z |
|
0,42 |
210 |
632 |
666 |
1505 |
500 |
1586 |
;
;
;

Данные изменений |
Результаты измерений |
|||||||||
|
I |
U>1> |
U>2> |
U>3> |
U>общ> |
X>L> |
X>C> |
R |
Z |
C |
L |
|
1 |
200 |
50 |
150 |
224 |
150 |
50 |
200 |
224 |
0,16 |
0,48 |
;
;
;
;
;
;

Вывод:
С помощью данной лабораторной работы овладели навыками подключения простейших электрических схем для переменного тока (активное, ёмкостное, индуктивное и реактивное сопротивление), научились строить векторные диаграммы, пользоваться измерительными приборами.
Ответы на контрольные вопросы:
Сдвиг фаз между током и напряжением зависит от наличия в ней индуктивного и ёмкостного сопротивления.
В
цепи переменного тока полное сопротивление
можно рассчитать, из треугольников
сопротивлений, по формулам:
;
;
.
Зная
ёмкостное и индуктивное сопротивления,
частоту тока и силу тока ёмкость и
индуктивность можно определить по
формулам:
;
.
Лабораторная работа № 8.
Исследование полупроводникового диода.
Цель работы:
Изучение свойств плоскостного диода путём практического снятия и исследования его вольтамперной характеристики.
Ход работы:
1. Подключить шнур питания к сети.
2. Тумблером "СЕТЬ" включить стенд - при этом загорается лампочка сигнализации.
3. Тумблер В - 1 поставить в положение 1.
Снять вольтамперную характеристику при изменении напряжения источника потенциометром R при прямом положении, приложенном к диоду. Результаты измерений занести в таблицу № 1.
4. Тумблер В - 1 поставить в положение 2.
Снять вольтамперную характеристику при изменении напряжения источника потенциометром R при прямом положении, приложенном к диоду. Результаты измерений занести в таблицу № 2.
|
|
I, A |
U>обр>, В |
I, A |
|
|
|
10 |
2,5 |
10 |
|
|
0,65 |
15 |
5 |
14 |
|
|
0,7 |
20 |
7 |
20 |
|
|
0,75 |
25 |
9 |
26 |
|
|
0,8 |
80 |
11 |
32 |
Обработка результатов опытов:
По данным таблицы 1, 2 в декартовой системе координат построить вольтамперную характеристику диода.
I>ПР>



U >обр>
U пр

Вывод:
С помощью этой лабораторной работы мы доказали что полупроводниковый диод обладает односторонней проводимостью. Это показывает вольтамперная характеристика диода. При небольшом напряжении U=0,8 B. на зажимах диода в цепи проходит относительно большой ток I=30 МА, а при значительном обратном напряжении U=11 В., ток ничтожно мал I=32 МкА.
Ответы на контрольные вопросы:
1
.
Е - запирающий слой, который препятствует
перемещению электронов и дырок. Контакт
двух полупроводников р - типа и n - типа
называют р - n - переходом.

При таком соединении толщина запирающего слоя уменьшается, увеличивается проводимость, появляется ток прямой или пропускной.

Если изменить полярность источника, то электроны сместятся к положительным электродам, запирающий слой увеличится. Сопротивление р - n - перехода возрастает, а ток уменьшается (в 1000 раз по сравнению с прямым током). Этот ток называется обратным.
2. Точечно-плоскостные полупроводниковые диоды имеют особенность в строении. У этих диодов кристалл германия (кремния) не вплавляется в донорную или акцепторную примесь. В германиевом диоде на пластину с электро проводимостью наклеивается табличка из индия. В процессе изготовления диода, пластину нагревают до 500 0 С, чтобы расплавленные атомы индия внедрились в германий, при этом образуя область с дырочной проводимостью.
3. Выпрямительные полупроводниковые диоды характеризуются током (прямым и обратным) и напряжением электрического поля.
4. Повышение температуры окружающей среды влияет на число свободных электронов и дырок, оно сильно возрастает, а значит увеличивается проводимость.
Лабораторная работа № 9.
Расчёт полупроводникового выпрямителя.
Цель работы:
Научится элементарному расчету выпрямителя.
Теоретическое обоснование:
Однополупериодный выпрямитель. За счет односторонней проводимости диодов ток протекает только в положительные полупериоды напряжения U и следовательно имеет импульсную форму.
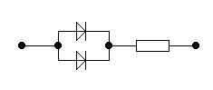
Наиболее широкое распространение получила схема мостового выпрямителя, схема состоит из 4 диодов Д>1> - Д>4>. В положительные полупериоды напряжения U2 открыты диоды Д>1> и Д>3>; в отрицательные полупериоды напряжения U>2> открыты диоды Д>2> - Д>4>.
Трёхфазные выпрямители применяют в устройствах большой и средней мощности.
Вторичные обмотки трёхфазного выпрямителя соединены "Звездой". К фазам А, В, С трансформатора подключены диоды Д>1>, Д>2>, Д>3> катоды которых присоединяют к нулевой точке.
Между нейтральной точкой трансформатора О и О>1> включена нагрузка Рн. Ток через каждый диод может проходить только тогда, когда потенциал на аноде выше потенциала на катоде. это возможно в течении одной трети периода, тогда напряжение в данной фазе, выше напряжения в двух других фазах. Так например, когда открыт диод Д>1>, через него нагрузку Р, течёт ток определяемый. В это время диоды Д>2> и Д>3> заперты.
Пример:
Для питания постоянным током потребителя мощностью Р=300 Вт при напряжении U=20 В необходимо собрать схему однополупериодного выпрямителя, использовав имеющиеся стандартные диоды типа Д 242 А.
Решение:
1. Выписываем из таблицы параметры диода: Iдоп=10 А; Uобр=100 В.
2.
Определяем ток потребителя из формул
Р=UI;

3. Определяем напряжение, действующее на диод в не проводящий период; U=3,14*20=63 В.
4. Проверяем диод по параметрам I>доп> и U>обр>. Для данной схемы диод должен удовлетворять условием > >. В данном случае второе условие не соблюдается, т.к. 10 А < 15 А . Первое условие выполняется т.к. 100 В > 63 В.
5
.
Составляем схему выпрямителя. Для того
чтобы выполнить условие, надо два диода
соединить параллельно, тогда I>доп>=2*10=20
А; 20 > 15 А.
%