Расчет процесса конвективной сушки сыпучего материала в барабанной, вращающейся сушилке
Кафедра технологии строительных материалов
Курсовая работа
По дисциплине: ПАТСИ
ТЕМА: Расчет процесса конвективной сушки сыпучего материала в барабанной, вращающейся сушилке.
Задание:
Рассчитать процесс конвективной сушки сыпучего материала в барабанной, вращающейся сушилке при подогреве воздуха продуктами сгорания отопительного газа при следующих условиях:
Материал – песок;
Производительность сушилки по сухому материалу G>к> = 12000 кг/ч;
Влагосодержание материала:
а) начальное – U>н >= 10%,
б) конечное – U>к> = 0,5%;
Температура, 0С:
а) атмосферного воздуха – 20 0С,
б) газов на входе в сушилку – 300 0С,
в) газов на выходе из сушилки – 80 0С;
Относительная влажность воздуха φ>0> = 70%;
Атмосферное давление – 105 Па;
Теплоемкость материала – 0,8 кДж/кг∙К, плотность – 1200 кг/м3;
Напряженность сушилки по влаги – 85 кг/м3∙ч;
Средний диаметр частицы материала – 1 мм;
Удельные потери тепла в окружающую среду на 1 кг испаренной влаги q>п> = 22,6 кДж/кг, что соответствует примерно 1% тепла затрачиваемого на испарение 1 кг воды.
Перевалочные устройства – подъемнолопастные, степень заполнения – 12%
Состав природного газа:
CH>4> – 98,0 %,
C>2>H>6> – 1,0 %,
C>3>H>8> – 0,2 %,
C>4>H>10> – 0,3 %,
CО – 0,2 %,
H>2> – 0,3 %.
По приведенным данным произвести расчет материального и теплового балансов процесса сушки с помощью диаграммы Рамзина. Произвести расчет габаритов барабанной сушилки. В зависимости от типа материала используются различные перевалочные устройства, зная тип перевалочных устройств можно определить степень заполнения барабана.
Содержание:
Введение…………………………………………………………….…...3
I. Классификация сушилок……………..………………………….……..4
II. Барабанная сушилка ……………………………………………….….5
III. Принципиальная схема барабанной сушилки…..…………….……….6
Глава 1. Расчет параметров топочных газов подаваемых
в сушилку…………………………………………………………..7
Глава 2. Определение параметров отработанных газов,
расхода сушильного агента и расхода тепла на сушку……...….9
Глава 3. Определение основных размеров сушильного барабана……....11
IV. Заключение…………………………………………………………....15
Список литературы…………………………………………...……….16
Введение
Удаление влаги из твердых и пастообразных материалов удешевляет их транспортировку и придает им определенные свойства, а также уменьшению коррозии аппаратуры. Влагу можно удалять механическим способом: отжим, центрифугирование, отстаивание. Однако этими способами влага удаляется частично, более тщательное удаление влаги осуществляется путём тепловой сушки: испарение влаги, удаление паров.
Процесс тепловой сушки может быть естественным и искусственным. Естественная сушка применяется редко. По физической сущности сушка является сложным диффузионным процессом. Его скорость определяется скоростью диффузии влаги из глубинных частей материала к поверхности, а затем в окружающую среду. Удаление влаги при сушке включает не только перенос материала, но и перенос тепла, таким образом является теплообменным и массообменным процессами. По способу подвода тепла к высушиваемому материалу сушку делят:
Контактная – путём передачи тепла от теплоносителя к материалу через разделительную стенку;
Конвективная – путём непосредственного соприкосновения высушиваемого материала с сушильным агентом. В качестве которого используют: подогретый воздух, топочные газы либо топочные газы с воздухом;
Радиационная – путём передачи тепла инфракрасным излучением;
Диэлектрическая – в поле токов высокой частоты;
Сублимационная – в замороженном состоянии в вакууме.
Высушиваемый материал при любом методе сушки находится в контакте с влажным воздухом или газом. При конвективной сушке влажному воздуху отводится основная роль. Поэтому необходимо чётко представлять какими параметрами описывается воздух.
I. Классификация сушилок.
Сушка материалов, полупродуктов или готовых изделий используется практически на всех стадиях производства строительных материалов, изделий и конструкций.
Для сушки применяют разнообразные сушилки, отличающиеся по ряду признаков которые положены в основу классификации, приведённой ниже:
Таблица №1
|
Признак классификации |
Типы сушилок |
|
1. Давление в рабочем пространстве. |
Атмосферные, вакуумные, под избыточным давлением. |
|
2. Режим работы. |
Периодического и непериодического действия. |
|
3. Вид теплоносителя. |
Воздушные, на дымовых или инертных газах, на насыщенном или перегретом паре, на жидких теплоносителях. |
|
4. Направление движения теплоносителя относительно материала. |
Прямоточные, противоточные, с перекрёстным током, реверсивные. |
|
5. Характер циркуляции теплоносителя. |
С естественной и принудительной циркуляцией. |
|
6. Способ нагревания теплоносителя. |
С паровыми воздухонагревателями, с топочными устройствами, с электронагревателями, комбинированные. |
|
7. Краткость использования теплоносителя. |
Прямоточные или рециркуляционные. |
|
8. Способ удаления влаги из сушилки. |
С отходящим теплоносителем, с продувочным воздухом, компенсационные, с химическим поглощением влаги. |
|
9. Способ подвода тепла к материалу. |
Конвективные, контактные, с нагревом токами высокой частоты, с лучистым нагревом, с акустически или ультразвуковым нагревом. |
|
10. Вид высушиваемого материала. |
Для крупно дисперсных, тонкодисперсных, пылевидных, ленточных, пастообразных, жидких растворов или суспензий. |
|
11.Гидродинамический режим. |
С плотным неподвижным слоем, перемешиваемым слоем, взвешаным слоем (псевдосжиженый слой, закрученные потоки), с распылением в потоке теплоносителя. |
|
12. Конструктивный тип сушилки. |
Камерные, шахтные, ленточные, барабанные, трубные и т. д. |
II. Барабанная сушилка.
Она представляет собой сварной цилиндр – барабан, на наружной поверхности которого укреплены бандажные опоры, кольца жесткости и приводной зубчатый венец; Ось барабана может быть наклонена к горизонту на 4о - 6о
Барабанные атмосферные сушилки непрерывного действия предназначены для сушки сыпучих материалов топочными газами или нагретым воздухом.
Внутри барабана устанавливают насадки, конструкция которых зависит от свойств высушиваемого материала. Со стороны загрузочной камеры многозапорная винтовая насадка, с числом спиральных лопастей от шести до шестнадцати в зависимости от диаметра барабана. При сушке материала с большой адгезией к поверхности на начальном участке последнего закрепляют цепи, при помощи которых разрушают камки и очищают стенки барабана. Для этой же цели могут применять ударные приспособления, расположенные с внешней стороны барабана.
В сушилках диаметром 1000 – 1600 мм для материала с хорошей сыпучестью и средним размером частиц до 8 мм устанавливают секторную насадку. В тех же сушилках, для материалов, обладающих повышенной адгезией или сыпучих материалов со средним размером частиц более 8 мм устанавливают подъемно – лопастные устройства. В сушилках диаметром 1000 – 3500 мм для материалов склонных к налипанию, но восстанавливающих сыпучие свойства в процессе сушки сначала устанавливают подъемно – лопастные перевалочные устройства, а затем секторные насадки.
Основной материал для изготовления барабанов сушилок, загрузочных и разгрузочных камер – углеродистые стали. В технически обоснованных случаях дополнительное изготовление барабанов, разгрузочных и разгрузочных камер частично или полностью из жаростойких сталей специальных марок.
Барабанные вакуумные сушилки работают, как правило, периодически и их применяют для сушки термочувствительных материалов от воды и органических растворителей, а также для сушки токсичных материалов. В зависимости от свойств материала и требований к готовой продукции применяют сушилки среднего или глубокого вакуума. Вакуумные барабанные сушилки применяют в основном в производстве полимерных материалов.
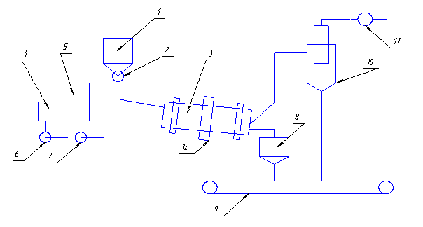
III. Принципиальная схема барабанной сушилки

1 – барабан; 2 – питатель; 3 – сушильный барабан; 4 – топка; 5 – смесительная камера; 6, 7, 11. – вентиляторы; 8 – промежуточный бункер; 9 – транспортёр; 10– циклон; 12 – зубчатая передача.
Влажный материал из бункера 1 с помощью питателя 2 попадает во вращающийся сушильный барабан 3. Параллельно материалу в сушилку подаётся сушильный агент, образующийся от сгорания топлива в топке 4 и смешения газов в смесительной камере 5. Воздух в топку и смесительную камеру подаётся вентиляторами 6,7. Высушеный материал с противоположного конца сушильного барабана 8, а из него на транспортирующее устройство 9.
Отработанный сушильный агент перед выбросом в атмосферу очищается от пыли в циклоне 10. При необходимости производится дополнительное, мокрое пылеулавливание.
Транспортировка сушильного агента через сушильную камеру осуществляется с помощью вентилятора 11. При этом установка находится под небольшим разрежением, что исключает утечку сушильного агента через неплотности упаковки.
Барабан приводится во вращение электродвигателем через зубчатую передачу 12.
Глава 1. Расчет параметров топочных газов подаваемых в сушилку.
В качестве топлива используется природный газ следующего состава (в объемных процентах):
СН>4 >– 98,0 %
С>2>Н>6> – 1,0 %
С>3>Н>8 >– 0,2 %
С>4>Н>10 >– 0,3 %
CO – 0,2 %
H>2> – 0,3 %
Теоретическое количество сухого газа L>0 >затрачиваемого на сжигание одного кг топлива равно:
L>0 >= 138∙(0,0179∙CO + 0,248∙H>2 >+ ∑ [(m+n/4)/(12m+n)]C>m>H>n> ), (1)
где составы горючих газов выражены в объемных долях.
Подставив соответствующие значения, получим:
L>0> = 138∙(0,0179∙0,002 + 0,248∙0,003 + 0,125∙0,98 + 0,116∙0,01 + 0,1136∙0,002 + +0,1121∙0,003) = 17,25 кг/кг
Для определения теплоты сгорания топлива воспользуемся характеристиками горения простых газов.
Таблица 2
|
Газ |
Реакция |
Тепловой эф – фект реакции, кДж/м3 |
|
Водород |
Н>2> + 0,5О>2> = Н>2>О |
10810 |
|
Оксид углерода (11) |
СО + 0,5 О>2> = СО>2> |
12680 |
|
Метан |
СН>4> + 2 О>2> = СО>2>+ 2Н>2>О |
35741 |
|
Ацетилен |
С>2>Н>2> +2,5 О>2> = 2СО>2> + Н>2>О |
58052 |
|
Этилен |
С>2>Н>4> + 3 О>2>= 2СО>2>+ 2Н>2>О |
59108 |
|
Этан |
С>2>Н>6> + 3,5 О>2> = 2СО>2> + 3Н>2>О |
63797 |
|
Пропан |
С>3>Н>8> + 5 О>8> = 3СО>2> + 4Н>2>О |
91321 |
|
Бутан |
С>4>Н>10> + 6.5 O>2> = 4CO>2>+ 5 H>2>O |
118736 |
|
Сероводород |
Н>2>S + 1.5O>2> =S>2>O + H>2>O |
23401 |
Количество тепла Q>V>, выделяющееся при сжигании 1 м3 газа равно:
Q>ν>> >= ∑ φ>i> ∙ H>i> = 0,98∙35741 + 0,01∙63797 + 0,002∙91321 + 0,003∙118736 + 0,002∙12680 +0,003∙10810= 36260,79 (кДж/кг),
где φ>i>> >– объемная доля компонентов газа;
H>i> – тепловой эффект реакции (кДж/м3).
Плотность газообразного топлива:
ρ>t>> >= (∑C>m>H>n>∙M>i>> >/ V>0>)∙(Т>0> / Т>0>+t>т>), (2)
где M>i> - мольная масса топлива (кмоль/кг);
t>т> – температура топлива; t>т> = 20 0 C
V>0> – мольный объем; V>0 >= 22.4 м3/кмоль
Т>0 >= 273 0 К.
ρ>т >= (0,98∙16 + 0,01∙30 + 0,002∙44 + 0,003∙58)∙273 / 22,4∙(273 + 20) = 0,6756 кг/м3
Количество тепла выделяющееся при сжигании 1 кг топлива равно:
Q = Q>ν>> >/ ρ>т> = 36260/0,6756 = 53671,98 Дж∙м3
Масса сухого газа, подаваемого в сушильный барабан, в расчете на 1 кг сжигаемого топлива определяется общим коэффициентом избытка воздуха α, необходимого для сжигания топлива и разбавления топочных газов, до температуры смеси. t>см> = 300 0 C
Значение α находят из уравнений материального и теплового баланса.
– Уравнение материального баланса:
1 + L>0> = L>с.г> + ∑9n/(12m+n)C>m>H>n>, (4)
где L>с.г.> – масса сухих газов образовавшихся при сгорании 1 кг топлива;
C>m>H>n> – массовая доля компонентов, при сгорании которых
образуется вода (кг/кг).
– Уравнение теплового баланса:
Q∙η + c>т>∙t>т> + α∙L>0>∙I>0> = [ L>с.г.>+ L>0>(α – 1)]∙i>с.г.>+ [α∙L>0>∙х>0> + ∑9n/(12m+n)C>m>H>n>], (5)
где η – общий КПД учитывающий эффективность работы топки и потери тепла топкой в окружающую среду; η = 0,95;
с>т> – теплоемкость газообразного топлива при температуре топлива 200 С;
с>т> = 1,34 кДж/(кг∙к);
I>0> – энтальпия свежего воздуха ( кДж/кг); I>0 >= 49 кДж/кг;
i>с.г.> – энтальпия сухих газов;
i>с.г.> = с>с.г.>∙t>c>>.г. >= 1,05∙300 = 315 (кДж/кг),
где с>с.г. >= 1,05 кДж/(кг∙К)
t>с.г.> = 300 0С;
x>0> – влагосодержание свежего воздуха при температуре t>0> = 200С и влажности φ>0> = 70 %, х>0> = 0,0125 кг/кг
i>п> = r>0> + с>n>t>n>> >= 2500 + 1,97∙300 = 3091 (кДж/кг)
где r>0> – теплота испарения воды при температуре 0 0С
r>0> = 2500 кДж/кг
с>п> – средняя теплоемкость водяных паров, с>п>=1,97 кДж/(кг∙К);
t>п >– температура водяных паров
t>п> = t>с.г. >= t>см.> = 300 0C
Решая совместно уравнения 4 и 5, получаем:
α = [Q>п>∙η+c>т>∙t>т>−i>с.г.>(1−∑9n/(12m+n)C>m>H>n>)−i>п>∑9n/(12m+n)C>m>H>n>]/L>0>∙(i>с.г.>+i>п>∙x>0>−I>0>) (6)
Пересчитаем содержание
компонентов топлива при сгорании которых
образуется вода, из объемных долей в
массовые по формуле:
ω(A) = φ(A)∙M(A)∙273 / 22,4∙ρ>т>∙(273+t>0>)
ω(CH>4>) = 0,06157∙0,98∙16 = 0,9654
ω(C>2>H>6>) = 0,06157∙0,01∙30 = 0,0185
ω(C>3>H>8>) = 0,06157∙0,002∙44 = 0,0054
ω(C>4>H>10>) = 0,06157∙0,003∙58 = 0,0107
Количество влаги, выделяющееся при сгорании 1 кг топлива равно:
2,17
+ 0,0333 + 0,00972 + 0,0166 = 2,2296
Коэффициент избытка воздуха находим по уравнению (6):
α=[53671,98∙0,95 + 1,34∙20 − 315(1 − 2,2296) − 3091∙2,2296]/
/17,25(315 + 3091∙0,0125 − 49) = 8,47
Общая удельная масса сухих газов получаемая при сжигании 1 кг топлива и разбавлении топочных газов воздухом до температуры смеси t>c>>м> = 300 0С равна:
,
(7)
G>с.г. >= 1 + 8,47∙17,25 − 2,2296 = 144,878 (кг/кг)
Удельная масса водяных паров в газовой смеси при сжигании 1 кг топлива равна:
,
(8)
G>п >= 8,47∙0,0125∙17,25 + 2,2296 = 4,056 (кг/кг)
Влагосодержание газов на входе в сушилку (х>1> = х>см>) равно:
,
х>1>= 4,056/144,878 = 0,028 кг/кг;
Энтальпия газов на входе в сушилку:
,
(9)
I>1>> >= [53671,98∙0,95 + 1,34∙20 + 8,47∙17,25∙49] / 144,878 = 401,541 (кДж/кг)
Поскольку коэффициент избытка воздуха α велик (α > 1), физические свойства газовой смеси, используемой в качестве сушильного агента, практически не отличаются от физических свойств воздуха. Это дает возможность использовать в расчетах диаграмму состояния влажного воздуха.
Глава 2. Определение параметров отработанных газов, расхода сушильного агента и расхода тепла на сушку
Из уравнения материального баланса сушилки определим расход влаги W, удаляемой из высушенного материала.
,
(10)
W = 3,3∙(10 – 0,5)/(100 – 10) = 0,348 (кг/с)
Запишем уравнение внутреннего теплового баланса сушилки:
,
(11)
где Δ – разность между удельными приходом и расходом тепла непосредственно в сушильной камере;
с – теплоемкость влаги во влажном материале при температуре Θ>1>, кДж/(кг∙К);
q>доп> – удельный дополнительный подвод тепла в сушилку, [кДж/кг∙влаги]; при работе сушилки по нормальному сушильному варианту: q>доп> = 0;
q>т> – удельный расход тепла в сушилке с транспортными средствами, кДж/кг влаги; в рассматриваемом случае: q>т> = 0;
q>м> – удельный расход тепла в сушильном барабане с высушиваемом материалом, кДж/кг∙влаги
= 3,3∙0,8∙(53
– 20)/0,348 = 250,345
(кДж/кг)
С>м> – теплоемкость высушенного материала, кДж/(кг∙К)
Θ>2> – температура высушенного материала на выходе из сушилки, 0С
При испарении поверхностной влаги Θ>2> принимается приблизительно равной температуре мокрого термометра при соответствующих параметрах сушильного агента. Принимая в первом приближении процесс сушки адиабатическим, находим Θ>2> по диаграмме Рамзина по начальным параметрам сушильного агента:
Θ>2>
= 53

q>п> – удельные потери тепла в окружающую среду, кДж/кг влаги; на 1 кг испаренной влаги: q>п> = 22.6 кДж/кг∙влаги;
Подставив соответствующие значения, получим:
Δ =4,19∙20 − (250,345 + 22,6) = -189,145 (кДж/кг∙влаги);
Запишем уравнение рабочей линии сушки
(12)
Для построения рабочей линии сушки на диаграмме Рамзина необходимо знать координаты (x и I) минимум двух точек. Координаты первой точки известны: x>1> = 0,028 (кг/кг), I>1> = 401,541(кДж/кг). Для нахождения координат второй точки зададимся произвольным значением х и определим соответствующее значение I. Пусть х = 0,1 кг влаги/кг сух. возд. Тогда по уравнению 12
I = 401,541 + (-189,145)∙(0,1-0,028) = 387,92
Через 2 точки на диаграмме Рамзина с координатами (х>1>,I>1>) и (x,I) проводим линию сушки до пересечения с заданным конечным параметром
t>2> = 80 0С . В точке пересечения линии сушки с изотермой t находим параметры отработанного сушильного агента:
х>2> = 0,11 (кг/кг)
I>2> = 375 (кДж/кг)
Расход сухого газа L>с.г.> равен:
,
(13) L>с.г.>
= 0,348/(0,11
– 0,028)
= 4,24 (кг/с)
Расход сухого воздуха L равен:
,
(14); L
= 0,348/(0,11
– 0,0125)
= 3,57 (кг/с)
Расход тепла на сушку Q>c> равен:
,
(15) Q>c>
= 4,24∙(401,541
– 49)
= 1494,7
(кВт)
Расход топлива на сушку G>т> равен:
,
G>т
>= 1494,7/53464,794
= 0,028
(кг/с)
Глава 3. Определение основных размеров сушильного барабана
Расчет основных размеров сушильного барабана сводится к определению объема сушильного барабана V>б>, длины и диаметра барабана.
Определив длину и диаметр барабана, выбирают стандартный аппарат.
Объем барабана складывается из объема необходимого для сушки V>суш> и объема для прогрева материала.
V>б> = V>суш> + V>прогр> (16)
Объем необходимый для сушки материала можно определить по формуле:
,
(17)
где К>v> – объемный коэффициент массопередачи, с-1
ΔХ>ср> – средняя движущая сила массопередачи, кг влаги/м3
Движущую силу массопередачи ΔХ>ср> определяем по уравнению:
,
(18)
где

ΔХ>б> = Х>1>* - Х>1 > – движущая сила в начале процесса сушки, кг/м3
ΔХ>м> = Х>2>* – Х>2> – движущая сила в конце процесса сушки, кг/м3
Δр>б> = р>1>* – р>1> – движущая сила в начале процесса сушки, Па
Δр>м> = р>2>* – р>2 > – движущая сила в конце процесса сушки, Па
Х>1>*, Х>2>* – равновесное содержание влаги на входе в сушилку и на выходе из нее, кг/м3
р>1>*, р>2>* – давление насыщенных паров над влажным материалом в начале и конце процесса сушки, Па. Их значения определяются по температуре мокрого термометра сушильного агента в начале t>м1> и в конце t>м2> процесса сушки.
По диаграмме Рамзина найдем:
t>m1> = 57 оC
р>1>* = 18498 (Па),
t>m>>2> = 56 оC
р>2>* =17109 (Па);
р>1>, р>2>– давление водяных паров в газе в начале и конце процесса сушки, Па. Их определяют по формуле:
,
(19)
где Х – влагосодержание на входе или на выходе из сушилки.
Тогда на входе в сушилку
p>1> = (0,028/18∙105) / (1/29 + 0,028/18) = 4321 Па
на выходе из сушилки
р>2> =(0,11/18∙105) / (1/29 + 0,11/18) = 15054 Па
Δp>ср> = ((18498–4321) − (17109 − 15054)) / ln(16,7) = 6276 Па
Откуда ΔХ>ср >по уравнению 18 будет равно:
ΔХ>ср>
= 6276∙18 / (105∙22,4∙((273
+
190)/273)) = 0,029 (кг влаги/м
)
t>ср> = (t>вх> + t>вых>) / 2 = 300 + 80 / 2 = 190 0С
В случае сушки кристаллических материалов, т.е. при удалении поверхностной, свободной влаги и параллельном движении материала и сушильного агента, коэффициент массопередачи К>v> пропорционален коэффициенту массоотдачи β>v>.
Для барабанной сушилки коэффициент массотдачи β>v> может быть вычислен по эмпирическому уравнению:
(20)
где
ρ>ср> – средняя плотность сушильного агента, кг/м3
ρ>ср >= М∙Т>0 >/ (V>0>(T>0> + t>ср>)) = 29∙273 / (22,4∙(273 + 190)) = 0,763 кг/м3
с – средняя теплоемкость сушильного агента,
с = 1 кДж/(кг∙К)
β – степень заполнения барабана высушиваемым материалом, %
р – среднее парциальное давление водяных паров в сушильном барабане, Па
p = (p>1> + p>2>)/2 = (4321 + 15054)/2 = 9687,5(Па)
ω – рабочая скорость сушильного агента в барабане, м/с
n – число оборотов барабана ( изменяется в реальных барабанах от 2 до 12 об/мин)
Уравнение 20 справедливо для значений:
ωρ>ср> = 0,6 … 1,8 кг/м2∙с
n = 1,5 … 5 об/мин
β = 10 … 25 %
Если указанные пределы не соблюдаются, то объем барабана можно рассчитывать по величине объемного напряжения по влаге:
,
(21)
где А>v> - значение объемного напряжения по влаге
Скорость газов в барабанах выбирается в зависимости от размеров частиц и насыпной плотности высушиваемого материала по таблице 3.
Таблица 3 «Выбор рабочей скорости газов в сушильном барабане».
|
Размер частиц, мм |
Значение скорости ω при насыпной плотности |
||||
|
350 |
1000 |
1400 |
1800 |
2200 |
|
|
0,3 – 2 |
0,5 – 1,0 |
2,0 – 5,0 |
3,0 – 7,5 |
4,0 – 8,0 |
5,0 – 10,0 |
|
Более 2-х |
1,0 – 3,0 |
3,0 – 5,0 |
4,0 – 8,0 |
6,0 – 10,0 |
7,0 – 12,0 |
Степень заполнения барабана зависит от конструкции перевалочных устройств:
подъемно – лопастные допускают β = 12 … 14 %;
распределительные с открытыми и закрытыми ячейками – β = 21 … 27 %
Принимаем:
ω = 2,3 м/с
n = 5 об/мин
β = 12 %

Тогда объем сушильного пространства рассчитывается по формуле 17 и равен:
V>суш> = 0,348 / 0,45∙0,029 = 26,6 м3;
Объем барабана необходимый для прогрева влажного материала определяют по уравнению:
,
(22)
где Q>п >– расход тепла на прогрев материала до температуры t>м1>, кВт
Q>п> = G>к>С>м>(t>м1> – Θ>1>) + W>в>С>в>(t>м1> – Θ>1> ) (23)
Q>п> = 3,3 * 0,8 * 37 + 0,348 *4,19 * 37 = 151,63
К>v> – объемный коэффициент теплопередачи, кВт/(м3∙К)

K>v>
= 16(2,3
0,763)0,9
50,7
120,54
= 0,3127кВт/м3*К
Δt>ср> – средняя разность температур, 0С
С>в> – теплоемкость вздуха
Θ>1> – температура влажного материала
Θ>1> = Т>0>
Для вычисления Δt>ср> необходимо найти температуру сушильного агента t>х> до которой он охлаждается, отдавая тепло на нагрев высушиваемого материала до t>м1> .Эту температуру можно определить из уравнения теплового баланса:
Q>n> = L>с.г.>∙(1+X>1> )∙C>г>∙(t>1> – t>х> ) (24)
Откуда:
t>x>
=


t>x> = 267 0С;
Средняя разность температур Δt>ср> равна:
,
(25)
Δt>ср> = ((300 – 20) + (267 – 57)) / 2 = 245 0С;
Подставляем полученные значения в уравнение 22:
V>п> = 151,63 / 0,3127∙245 = 1,98 м3;
Общий объем сушильного барабана равен:
V>б> = V>суш> + V>прогр> = 26,6 + 1,98 = 28,58 м3;
По справочным данным находим основные характеристики барабанной сушилки – длину и диаметр, взяв за основу объем сушильного пространства.
По таблице выбираем барабанную сушилку № 7119 со следующими характеристиками:
Объем V = 30,5 м3,
Диаметр d>вн> = 1,8 м,
Длина l = 12 м,
Частота n = 5 об/мин;
Определим действительную скорость газов в барабане:
,
(26)
где V>г >– объемный расход влажного сушильного агента на выходе из барабана, м3/с
,
(27)
х>ср> – среднее содержание влаги в сушильном агенте, кг/кг

V>г>
=

Тогда:
ω>д> = 6,1 / 0,785∙1,82 = 2,4 м/с;
Принятое: ω = 2,3 м/с
Время пребывания материала в барабане:
,
(28)
где G>м> = Vβρ>м> = 30,5 * 0,12 * 1200 =4392 (29)
Отсюда
τ = 4392 / (3,3 + 0,348/2) = 1264,25 с;
Зная время пребывания, рассчитаем угол наклона барабана α:
,
(30)
α = (30∙12/1,8∙5∙1264,25 + 0,007∙2,4)∙(180/3,14) = 2,80;
Проверим допустимую скорость газов по уносу мелких частиц:
,
(31)
где ρ>ср> – плотность сушильного агента
ρ>ср> = [29∙(105–9687,5)+18∙9687,5]∙273/(22,4∙105∙(273+190)) = 0,735 кг/м3;
Ar = (d3∙ρ>ч>∙ρ>ср>∙g) / µ>ср>2 = [(1∙10-3)3 ∙1200∙0,735∙9,8]/(0,025∙10-3)2 = 34,6∙104;
μ>ср> и ρ>ср> – вязкость и плотность сушильного агента при средней температуре;
d – диаметр частиц материала, м;
ρ>r> – плотность частиц материала.
Скорость уноса равна:
ω
>ун
>= 0,025∙10-3/1∙10-3∙0,735∙[34,6∙106/(18
+ 0,575∙√34,6∙106)]
= 4,6 м/с;
Рабочая скорость сушильного агента в сушилке ω>д> = 2,4 м/с меньше чем скорость уноса частиц ω>ун> = 4,6 м/с, поэтому расчет основных размеров сушильного барабана заканчиваем.
IV. Заключение
По данным условиям мы рассчитали процесс конвективной сушки материала (глины) в барабанной, вращающейся сушилке при подогреве воздуха продуктами сгорания отопительного газа. Так же по приведенным данным произвили расчет материального и теплового балансов процесса сушки с помощью диаграммы Рамзина. По расчетам нашли тип барабанной сушилки – № 7119 и его характиристики: диаметр d>вн> = 1,8 м, длина l = 12 м, объем V = 30,5 м3, частота n = 5 об/мин, угол наклона к горизонту которой составляет α = 50.
Список литературы:
Павлов К.Ф., Романков П.Г., Посков А.А. Примеры и задачи по курсу процессов и аппаратов химической технологии. Л.: Химия, 1981.
Сушильные аппараты и установки. Каталог НИИХИММАШ. 3-е изд., М.:, 1975.
Аппараты с вращающимися аппаратами общего назначения. Основные параметры и размеры. ГОСТ 11875-79.
Касаткин А.Г. Основные процессы и аппараты химической технологии. М.: Химия, 1973.
Лыков М.В. Сушка в химической промышленности. М.: Химия, 1970.