Измерение потерь в дроссе
Московский Энергетический Институт
(технический университет)
кафедра ЭИ
Курсовая работа
По теме: ”Измерение потерь в дросселе.”
Группа: ТФ-13-98
Студент: Поярков М.Ю.
Научный руководитель: Комаров Е.В.
Москва 2002г.
Содержание:
1. Техническое задание____________________________________________3
2. Введение и цель работы__________________________________________3
3. Анализ технического задания_____________________________________4
4. Реализация технического задания. Разработка структурной
схемы ___________________________________________________________7
5. Анализ элементов структурной схемы. Расчет узлов схемы
Измерение мощности потерь _____________________________________9
5.1 Блок управления драйвером________________________________9
5.2 Управление ключами с помощью драйвера___________________10
5.2.1 Ключи ___________________________________________12
5.3 Измерительная схема _____________________________________14
5.3.1 Фильтрация сигнала _______________________________14
6. Выводы _______________________________________________________14
7. Литература ____________________________________________________15
8. Приложение ___________________________________________________16
1.Техническое задание.
Разработать устройство измеряющее потери в дросселе, при следующих параметрах электрической цепи:
ч
Рис 2
астота работы устройства f=(10100) кГц, среднее значение тока I>0>=(120)А,
,индуктивности
катушки дросселя
.



I
Рис 1




I>0>
t
E
T











t





н







еобходимо
обеспечить работу схемы (см рис1) в
импульсном режиме, т.е. ток и напряжение
должны изменяться как показано на рис2.
2. Введение и цель работы.
В настоящее время существует несколько методов оценки потерь в дросселе, при чем, большинство из них могут только качественно оценить потери в дросселе. Для реализации количественной оценки потерь было необходимо большое количество элементов, несколько источников питания.
Целью данной работы является разработка алгоритма и схемы измерения, позволяющей использовать меньшее число элементов и количественно оценить электрические потери, возникающие в дросселе при наличии в нем активного сопротивления. Благодаря появлению новой технической базы это стало возможным.
3. Анализ технического задания.
Для решения данной задачи необходимо рассмотреть несколько случаев, которые характеризуют процессы протекающие в дросселе.
Рис 3
В начале, рассмотрим идеальный случай, когда в дросселе отсутствует активная часть сопротивления. (см рис 3)L L
E E
В данном случае среднее значение тока
,
где
- минимальное значение тока;
-
максимальное значение тока;
;
;


;
; 
Таким образом, при заданных значения i и L, мы можем, изменяя напряжение менять тем самым частоту работы схемы.
Теперь рассмотрим тот же случай при помощи гармонического анализа. Функцию напряжения E(t) (см рис2) можно представить в виде ряда Фурье.


Функцию тока I(t) (cм рис3) также можно представить аналогичным способом.
То есть:
,

,
;


0
T/2
=


После прохождения сигналов I(t), E(t) через усилитель, данные функции примут следующий вид :


Мощность потерь в дросселе определяется следующей формулой:
;
P – это мощность, которая будет на выходе умножителя без сигнала на его входе, т.е. это погрешность нуля.
При
E=24 B, L=10-4
Гн, f>т>>1>
=107
МГц, f>т>>2>
=106 МГц,
;
Для
n=1

Теперь рассмотрим случай, когда дроссель не идеальный, т.е. в дросселе присутствует активная часть сопротивления.
Тогда,
,
где
З
апишем
эту функцию через ряд
Фурье, тогда для 0<t<T/2

>t>
Д
>t>
ля случая n=1

для тех же значений L, E, T, R=10 Ом, >1 >, >2>.
P>1>=14.6751 Вт.
Теперь
рассмотрим следующий промежуток времени
T/2<t<T,0<t<t>2>


>t>



Функция напряжения E(t):



для тех же значений L, E, T, R=10 Ом, >1 >, >2>. P>2>=14.6752 Вт.
P= P>1> +P>2>=29.3503 Вт.
3. Реализация технического задания. Разработка структурной схемы.
Д
Рис 4
ля реализации поставленной задачи необходимо разработать схему, которая обеспечивала бы заданные режимы работы. Эта схема имеет следующий вид(см рис4 ).U

>11>
U>22>

К>3>




R>0>
























Рис. 4.1
К>1>
U>2>
U>1>


X
Фильтр
U
>1>


U>2
>
> >>рис 4.2>
Рассмотрим работу данной схемы:
Ток, протекающий через дроссель, при помощи катушки преобразуется в напряжение с помощью прибора под названием LEM.Это бесконтактный датчик тока. Он сделан на основе влияния магнитного поля на датчик Холла. Провод, по которому течёт ток намагничивания, продевается в отверстие LEM–а, а на выходе получаем напряжение пропорциональное току в проводе.
Это напряжение подается на вход следующего элемента структурной схемы.
Этим элементом является устройство сравнения, в котором сравнивается напряжение с LEM-a с напряжениями U>11> и U>22> , которые соответственно эквиваленты I>1 > и I>2>.
Рис 5
Далее, с устройства сравнения сигнал подается на цифровую микросхему, осуществляющую контроль над состояниями ключей. Эта микросхема называется драйвер. В зависимости от цифровых уровней поступающих на драйвер он либо открывает, либо закрывает ключ. В данном применении ключи открываются и закрываются по очереди, формируя сигнал на дросселе представленный на рис 5.
I, A

T, c
5. Анализ элементов структурной схемы. Расчет узлов схемы.
Измерение мощности потерь.
Электрическая схема прибора изображена в приложении №1.
5.1 Блок управления драйвером.
Схема, реализующая управление драйвером изображена на рис.9. Cигнал с LEM-а приходит на триггеры Шмидта. Триггеры реализованы на компараторах LM311 фирмы National Semiconductor.
Основные параметры компаратора LM311 представлены в таблице 1
|
Табл 1 Параметры |
Значения |
Напряжение питания |
0-36В |
|
Входное напряжение |
15В |
Входной ток |
0-50мA |
Напряжение смещения |
0,7мВ |
Входной ток |
60нА |
Ток смещения |
4нА |
Коэффициент усиления |
200В/мВ |
> >Рис 9
R DD3
S
Q
U>ОС>
> >Q--
U>22>

Для
расчета напряжений срабатывания и
отпускания, найдем коэффициент передачи
LEM-а
,
отсюда мы видим, что
где
.
Теперь мы можем вычислить
номиналы резисторов R>1>
и R>2>
из формулы


> >Таблица 2
RS-триггер, стоящий после триггера Шмидта, выполняет функцию по управлению драйвером. Поочередно изменяя логический сигнал на выходе RS-триггера, мы изменяем значения сигналов на выходе драйвера, т.е. что соответствует поочередному включению и выключению ключей. Зависимость сигнала на выходе RS-триггера от значений сигналов на его входе представлена в таблице 2.|
R |
S |
Q |
Q_ |
|
1 |
0 |
1 |
0 |
|
0 |
1 |
0 |
1 |
|
0 |
0 |
Q>n-1> |
Q>n-1> |
|
1 |
1 |
X |
X |
5.2 Управление ключами с помощью драйвера
Для управления ключами мы выбрали драйвер фирмы Harris Semiconductor. Его основные технические характери
стики представлены в
таблице 3.
-
> >Таблица 3
ПараметрыЗначения
Напряжение питания(V>dd> ,V>сс>)
0-16 В
Выходное напряжение (HO)
V>dd>-0.4 В
Выходное напряжение (LO)
0-V>cc>
Время срабатывания
10нсек
Напряжение логической “1”
9,5-V>dd>В
Напряжение логического “0”
0-6B
Д
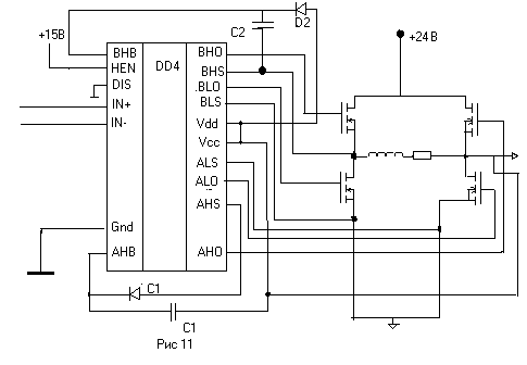
Рис 10
ля пояснения работы драйвера изобразим его временную диаграмму (рис.10).

М
икросхема
используется по стандартной схеме
подключения изображённой на рис.11
Рассчитаем навесные элементы, показанные на рис 11. Элементы С>1> , С>2>, D>1> ,D>2> – соответственно бутстреповская ёмкость и бутстреповский диод (bootstrap). Согласно рекомендации фирмы изготовителя драйвера, выбираем емкости С>1> =С>2 >=30.5 нФ.
К бутстреповскому диоду ставят два условия. Во-первых, он должен полностью блокировать обратное напряжение. Во-вторых, он должен быть быстродействующим. Выбираем диодUF4002, с временем срабатывания 25 нсек.
5.2.1 Ключи
В схеме, мы применяем ключи IRF3205 фирмы International Rectifier. Основные технические характеристики представлены в таблице 4.
Таблица 4
Параметры |
Значения |
Время нарастания переднего фронта I>d>>(>>on>>)> |
14нсек |
Время спада заднего фронта t>d>>(>>off>>)> |
43нсек |
Полный заряд бызы Q>G> |
170нКл |
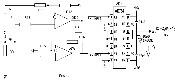
5.3 Измерительная схема, Измерение мощности.
Схема, реализующая измерения потерь в дросселе изображена
на рис. 12.

C 4
C 5
Для измерения потерь в дросселе нам необходимо два сигнала Ux - напряжение на дросселе и Uy – напряжение эквивалентное току проходящему через дроссель.
В качестве перемножителя берем AD734 фирмы Analog Devices. Навесные элементы C>4> =C>5>=0.1 мкФ. Основные технические данные приведены в таблице 5.
Таблица 5
-
Параметры
Значения
Функция преобразования

Статическая ошибка преобразования
0,1%
Входное напряжение
0-10 В
Выходное напряжение
0-10 В
Так как уровень входного напряжения на AD734 равен 10 В, то следовательно:
Ux=24 В усиливать не надо, а наоборот его необходимо уменьшить до уровня в 10 В. Тогда коэффициент усиления K=10/24=0,4.
;
R>11>
= R>13>=
R>у1>,
R>12>
=R>14>
=R>у1
>, тогда
R>у1> /R>у2>=1.2 .Выбираем R>11> = R>13>= R>у1> =12 КОм, R>12> =R>14> =R>у1>=10Ком
Uy=0.2 В, это получается исходя из соображений максимального тока протекающего через дроссель и сопротивления R0=0.01 Ома. Тогда
коэффициент
усиления K=10/0.2=50.
;
R>16>
=50 КОм,
R>15> =1 КОМ.
5.3 Измерительная схема.
5.3.1Фильтрация сигнала.
Так как сигнал после перемножителя будет иметь следующую форму
,
то его надо отфильтровать. После
прохождения сигнала через фильтр
останется только постоянная составляющая.
Частотный фильтр реализован на AD712
фирмы Analog
Devices.
>>T,
следовательно =R>18>
C=103
Ом
1
мкФ=10-3 с
Для перевода результирующего сигнала с земли, принадлежащей измерительной части схемы, на землю общую для элементов, управляющих ключами, мы используем изолированный усилитель ISO124 фирмы BURR- BROWN. Основные технические характеристики представлены в таблице 6.
Таблица 6
-
Параметры
Значения
Напряжение питания
±18 В
Напряжение входа
±100 В
Полоса пропускания
50 КГц
Выводы по работе:
Данный алгоритм и схема измерения позволяют обеспечить заданные режимы работы схемы, которые позволяют определять электрические потери в дросселе с высокой степенью точности.
Литература:
”Аналоговая и цифровая электротехника”, Ю.П. Опадчий, О.П. Гудкин, А.И. Гуров. Москва, “Горячая Линия-Телеком”,2000 г.
“Справочник по математике”, И.Н. Бронштейн,
К.А. Семендяев. Москва,”Наука”, 1980г.
Справочник “Цифровые и аналоговые интегральные микросхемы”, С.В. Якубовский, В.И. Кулешова. Москва “Радио связь”,1990 г.
Datasheet фирм International Rectifier, National Semiconductor, LEM. Application Note фирмы International Rectifier
Конспект лекций Е.В. Комарова ”Физические основы электроники” , 2000-2001г.