ЭТПиМЭ
С О Д Е Р Ж А Н И Е
Ч а с т ь 1
1.1. Упрощение логических выражений.
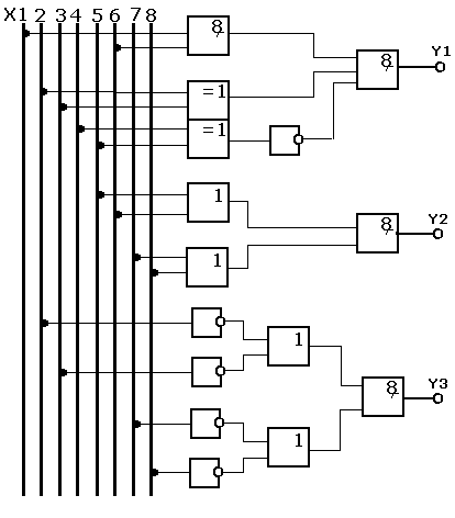
1.2. Формальная схема устройства.
1.3. Обоснование выбора серии ИМС.
1.4. Выбор микросхем.
1.4.1. Логический элемент ИСКЛЮЧАЮЩЕЕ ИЛИ.
1.4.2. Логический элемент 2ИЛИ с мощным открытым коллекторным выходом.
1.4.3. Логический элемент 2И с открытым коллектором.
1.4.4. Логический элемент 2И с повышенной нагрузочной способностью.
1.4.5. Логический элемент НЕ
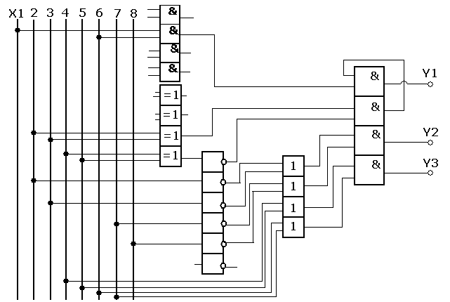
1.5. Электрическая принципиальная схема ЦУ.
1.6. Расчет потребляемой мощности и времени задержки.
1.6.1. Потребляемая мощность.
Время задержки распространения.
Ч а с т ь 2
2.1. Расчет базового элемента цифровой схемы.
2.1.1. Комбинация: Х>1 >= Х>2 >=Х>3 >= Х>4 >= 1.
2.1.2. Комбинация: Х>1 >= Х>2 >=Х>3 >= Х>4 >= 0.
2.1.3. Любая иная комбинация.
2.2. Таблица состояний логических элементов схемы.
2.3. Таблица истинности.
2.4. Расчет потенциалов в точках.
2.4.1. Комбинация 0000.
2.4.2. Комбинация 1111.
2.4.3. Любая иная комбинация.
2.5. Расчет токов.
2.5.1 Комбинация 0000.
2.5.2 Комбинация 1111.
2.6. Расчет мощности рассеиваемой на резисторах.
2.6.1. Комбинация 0000.
2.6.2. Комбинация 1111.
Ч а с т ь 3
3.1. Разработка топологии ГИМС.
3.2. Расчет пассивных элементов ГИМС.
3.3. Подбор навесных элементов ГИМС.
3.4. Топологический чертеж ГИМС (масштаб 10:1).
В А Р И А Н Т № 2

В ы х о д: ОК; ОС; или ОЭ.
Р>пот>> >< 120 мBт
t>з.р.> 60 нс

Ч а с т ь 1
1.1. Упрощение логических выражений.

1
.2.
Формальная схема устройства.
1.3. Обоснование выбора серии ИМС.
Учитывая, что проектируемое цифровое устройство должно потреблять мощность не превышающую 100мВт и время задержки не должно превышать 100 нс для построения ЦУ можно использовать микросхемы серии КР1533 (ТТЛШ) имеющие следующие технические характеристики:
Напряжение питания: 5В> >10%.
Мощность потребления на вентиль: 1мВт.
Задержка на вентиль: 4 нс.
1.4. Выбор микросхем.
1.4.1. Логический элемент ИСКЛЮЧАЮЩЕЕ ИЛИ.
D
1
- KP1533ЛП 5
Параметры:
Р>пот> = Е>пит> I>пот> = 5 5,9 = 29.5 мВт
Е>пит> = 5 В
I>пот> = 5,9 мА
> >
> >1.4.2. Логический элемент 2ИЛИ с мощным открытым коллекторным выходом.
D
2
- КР1533ЛЛ4
Параметры:

I1>пот> = 5 мА
I0>пот> = 10,6 мА


1.4.3. Логический элемент 2И с открытым коллектором.
D3 - KP1533ЛИ2
Параметры:

I1>пот> = 2,4 мА
I0>пот> = 4,0 мА

1.4.3. Логический элемент 2И с повышенной нагрузочной способностью.
D4 - KP1533ЛИ1
Параметры:

I1>пот> = 2,4 мА
I0>пот> = 4 мА


1.4.5. Логический элемент НЕ.
D5 - KP1533ЛН1
Параметры:

I1>пот> = 1,1 мА
I0>пот> = 4,2 мА

1
D1
D2
D4
D5
.5. Электрическая принципиальная схема ЦУ.С
D3

учетом выбранных микросхем внесем в формальную схему некоторые изменения (с целью минимизировать количество микросхем).
1
D1
D2
D3
D4
D5
1
1
1
1
1
1
.6. Расчет потребляемой мощности и времени задержки.1.6.1. Потребляемая мощность.
P>пот >= P>пот>> D1 >+ P>пот>> D2 >+ P>пот>> D3>> >+ P>пот>> D4 >+ P>пот>> D5 >= 29.5 + 39 + 16 + 16 + 13.25 = 113.75 мВт
113.75 < 120 - Условие задания выполняется.
1.6.2. Время задержки распространения.
Для расчета времени задержки возьмем самый длинный путь от входа к выходу. Например от входов х>2>х>3> до выхода y>2>. Тогда:
t>з.р. >= t>з.р. >>D>>5.2>> >+ t>з.р.>> D>>2>>.1 >+ t>з.р.>> D3.2>> >> >= 9.5 + 10.5 + 34.5 = 54,5 мВт
54,5 < 60 - Условие задания выполняется.
Ч а с т ь 2
2.1. Расчет базового элемента цифровой схемы.

Для
трех комбинаций входных сигналов
составим таблицу состояний всех активных
элементов схемы.
2.1.1. Комбинация: Х>1 >= Х>2 >=Х>3 >= Х>4 >= 1.
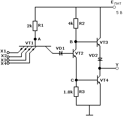
Если на все входы многоэмиттерного транзистора VT>1> поданы напряжения логической 1, то эмиттеры VT>1> не получают открывающегося тока смещения (нет разности потенциалов). При этом ток, задаваемый в базу VT>1> через резистор R>1>> >, проходит от источника E>пит> в цепь коллектора VT>1>, смещенного в прямом направлении, через диод VD>1> и далее в базу VT>2>. Транзистор VT>2> при этом находится в режиме насыщения (VT>2> - открыт) в точке B U>б>=0,2 В (уровень логического нуля). Далее ток попадает на базу VT>4> и открывает VT>4> на выходе схемы 0.
2.1.2. Комбинация: Х>1 >= Х>2 >=Х>3 >= Х>4 >= 0.
Когда на входы многоэмиттерного транзистора VT>1> поданы уровни логического нуля переходы база - эмиттер смещаются в прямом направлении. Ток, задаваемый в его базу через резистор R>1> проходит в цепь эмиттера. При этом коллекторный ток VT>1> уменьшается, поэтому транзистор VT>2> закрывается. Транзистор VT>4> также закрывается (т.к. VT>2> перекрыл доступ тока к базе VT>4>). На выход, через открытый эмиттерный переход VT>3> попадает уровень логической единицы - на выходе 1.
2.1.3. Любая иная комбинация.
Например: Х>1 >= 1; Х>2 >= 0; Х>3 >= 1; Х>4 >= 1
Когда хотя бы на один любой вход многоэмиттерного транзистора VT>1> подан уровень логического нуля соответствующий (тот на который подан 0) В переход база-эмиттер смещается в прямом направлении (открывается) и отбирает базовый ток транзистора VT>2>. Получается ситуация как в пункте 2.1.1.
2.2. Таблица состояний логических элементов схемы.
|
Х>1> |
Х>2> |
Х>3> |
Х>4> |
U>вх1> |
U>вх2> |
U>вх3> |
U>вх4> |
VT>1> |
VT>2> |
VT>3> |
VT>4> |
U>вых> |
Y |
|
1 |
1 |
1 |
1 |
5 |
5 |
5 |
5 |
Закр |
откр |
закр |
откр |
0,2 |
0 |
|
0 |
0 |
0 |
0 |
0,2 |
0,2 |
0,2 |
0,2 |
Откр |
закр |
откр |
закр |
5 |
1 |
|
0 |
0 |
1 |
1 |
0,2 |
0,2 |
5 |
5 |
Откр |
закр |
откр |
закр |
5 |
1 |
2.3. Таблица истинности.
На выходе схемы появится уровень логической единицы при условии, что хотя бы на одном, но не на всех входах 1. Если на всех входах 1, то на выходе 0.
|
Х>1> |
Х>2> |
Х>3> |
Х>4> |
Y |
|
0 |
0 |
0 |
0 |
1 |
|
0 |
0 |
0 |
1 |
1 |
|
0 |
0 |
1 |
0 |
1 |
|
0 |
0 |
1 |
1 |
1 |
|
0 |
1 |
0 |
0 |
1 |
|
0 |
1 |
0 |
1 |
1 |
|
0 |
1 |
1 |
0 |
1 |
|
0 |
1 |
1 |
1 |
1 |
|
1 |
0 |
0 |
0 |
1 |
|
1 |
0 |
0 |
1 |
1 |
|
1 |
0 |
1 |
0 |
1 |
|
1 |
0 |
1 |
1 |
1 |
|
1 |
1 |
0 |
0 |
1 |
|
1 |
1 |
0 |
1 |
1 |
|
1 |
1 |
1 |
0 |
1 |
|
1 |
1 |
1 |
1 |
0 |
- Схема выполняет логическую функциюИ-НЕ.
2.4. Расчет потенциалов в точках.
2.4.1. Комбинация 0000.
При подаче на вход комбинации 0000 потенциал в точке A складывается из уровня нуля равно 0,2 В и падения напряжения на открытом p-n переходе равном 0,7 В. Значит потенциал в точке A U>а >= 0,2 + 0,7 = 0,9 В.
Транзистор VT>2> закрыт (см. п. 2.1.2.) ток от источника питания через него не проходит поэтому потенциал в точке B U>б >= E>пит> = 5 В. Транзистор VT>2> и VT>4 >закрыт, поэтому потенциал в точке C U>с >=0 В. Потенциал в точке D складывается из Е>пит >= 5 В за вычетом падения напряжения на открытом транзис-торе VT>3> равным 0,2 В и падения напряжения на диоде VD>2> = 0,7 В. Напряжение U>d> = 5 - ( 0,2 + 0,7 ) = 4,1 В.
2.4.2. Комбинация 1111.
При подачи на вход комбинации 1111 эмиттерный переход VT>1> запирается, через коллекторный переход протекает ток. На коллекторный переход VT>1> подают напряжение равным 0,7 В. Далее 0,7 В подают на диоде КD>1> и открытом эмитторном переходе транзистора VT>2 >, а также на открытом эмиттерном переходе транзистора VT>4>. Таким образом потенциал в точке a U>a> = 0,7 + 0,7 + 0,7 + 0,7 =2,8 В. Потенциал в точке C U>с> = 0,7 В. (Падение напряжения на эмиттерном переходе VT>4 >).
Потенциал в точке B напряжение базы складывается из потенциала на коллекторе открытого транзистора VT>2> = 0,2 В и падения напряжения на коллекторном переходе транзистора VT>3 >= 0,7 В. Напряжение U>б> = 0,2 + 0,7 = 0,9 В. Потенциал в точке D напряжение U>d> = 0,2 В. (Напряжения на коллекторном переходе открытого эмиттерного перехода VT>4 >).
2.4.3. Любая иная комбинация.
При подачи на вход любой другой комбинации содержащей любое количество нулей и единицу (исключая комбинацию 1111) приведет к ситуации аналогичной п.3.2.1.
2.5. Расчет токов.
2.5.1 Комбинация 0000.
>
>
> >
>
>
2.5.2 Комбинация 1111.
>
>
> >
> >
2.6. Расчет мощности рассеиваемой на резисторах.
2.6.1 Комбинация 0000.
P>R1> = I>R1>> > U> R>>1> = 1,025 (5-0,9)=4,2 мВт
P>R>>2> = I>R>>2 > U> R2> = 0 мВт
P>R>>3> = I>R>>3 > U> R>>3> = 0 мВт
2.6.2 Комбинация 1111.
P>R1> = I>R1>> > U> R>>1> = 0,55 (5-2,8) = 1,21 мВт
P>R>>2> = I>R>>2 > U> R2> = 2,05 (5-0,9) = 8,405 мВт
P>R>>3> = I>R>>3 > U> R>>3> = 0,38 0,7 = 0,266 мВт
Сведем расчеты в таблицу.
|
Х>1> |
Х>2> |
Х>3> |
Х>4> |
U>a> |
U>б> |
U>c> |
U>d> |
I>R1> |
I>R2> |
I>R3> |
P>R1> |
P>R2> |
P>R3> |
|
0 |
0 |
0 |
0 |
0,9 |
5 |
0 |
4,1 |
1,025 |
0 |
0 |
4,2 |
0 |
0 |
|
1 |
1 |
1 |
1 |
2,8 |
0,9 |
0,7 |
0,2 |
0,55 |
2,05 |
0,38 |
1,21 |
8,4 |
0,26 |
|
0 |
0 |
1 |
1 |
0,9 |
5 |
0 |
4,1 |
1,025 |
0 |
0 |
4,2 |
0 |
0 |
Ч а с т ь 3
3. Разработка топологии ГИМС.
В конструктивном отношении гибридная ИМС представляет собой заключенную в корпус плату (диэлектрическую или металлическую с изоляционным покрытием), на поверхности которой сформированы пленочные элементы и смонтированы компоненты.
В качестве подложки ГИМС используем подложку из ситала, 9-го типоразмера имеющего геометрические размеры: 10х12 мм (см[2] стр.171; табл. 4.6). Топологический чертеж ГИМС выполним в масштабе 10:1.
3.1. Расчет пассивных элементов ГИМС.
Для заданной схемы требуется 3 резистора следующих номинальных значений:
R>1>> >= 4 кОм R>2>> >= 2 кОм R>3>> >= 1,8 кОм
Сопротивление резистора определяется по формуле:
> > ,
где:
R>S> - удельное поверхностное сопротивление материала.
> > - длина резистора.
b - ширина резистора.
Для изготовления резисторов возьмем пасту ПР - ЛС имеющую R>S> =1 кОм.
Тогда:
> >=2 мм b = 0,5 мм
R>1> = 1000 ( 2 / 0,5 ) = 4 кОм
> >=1 мм b = 0,5 мм
R>2> = 1000 ( 1 / 0,5 ) = 2 кОм
> >=2,25 мм b = 1,25 мм
R>3> = 1000 ( 2,25 / 1,25 ) = 1,8 кОм
Сведем результаты в таблицу.
|
Номиналы резисторов кОм. |
Материал резистора. |
Материал контакта площадок. |
Удельное сопротивление поверхности R>S>, (Ом/ ) |
Удельная мощность рассеивания (P>0>, Вт/см2). |
Способ напыления пленок. |
> > - длина резистора. (мм). |
B - ширина резистора. (мм). |
|
4 |
ПАСТА ПР-1К |
ПАСТА ПП-1К |
1000 |
3 |
Сетно-графия |
2 |
0,5 |
|
2 |
ПАСТА ПР-1К |
ПАСТА ПП-1К |
1000 |
3 |
Сетно-графия |
1 |
0,5 |
|
1,8 |
ПАСТА ПР-1К |
ПАСТА ПП-1К |
1000 |
3 |
Сетно-графия |
2,25 |
1,25 |
3.2. Подбор навесных элементов ГИМС.
Для данной схемы требуется:
1) один 4-х эмиттерный транзистор.
2) три транзистора n-p-n.
3) два диода.
Геометрические размеры навесных элементов должны быть соизмеримы с размерами пассивных элементов:
1) В качестве 4-х эмиттерного транзистора использован транзистор с геометрическими размерами 1х4 мм и расположением выводов как на рис.1.


Эксплутационные данные:
U>max>> кэ >= 15 В
U>max>> бэ >= 3 В
I> >>к>> max>> >= 20 мА
3) В качестве диодов использован диод 2Д910А-1

Эксплутационные данные:
U>об р >= 5 В
I>пр >= 10 мА
Проверим удовлетворяет ли мощность рассеивания на резисторах максимальной мощности рассеивания для материала из которого изготовлены резисторы, а именно для пасты ПР-1К у которой P>0 >= 3 Вт/см2.
Для R>1>
P>1 max> = 4,2 мВт
S>R1> => > b = 2 b = 2 0,5 = 1 мм2
Необходимо чтобы P>0> P>1 max> , т.е. условие выполняется.
> >
Для R>2>
P>2 max> = 8,4 мВт
S>R2> => > b = 2 b = 1 0,5 = 0,5 мм2
Необходимо чтобы P>0> P>2 max> , т.е. условие выполняется.
> >
Для R>3>
P>3 max> = 0,26 мВт
S>R2> => > b = 2 b = 2,25 1,25 = 2,82 мм2
Необходимо чтобы P>0> P>3 max> , т.е. условие выполняется.
> >
3.3. Топологический чертеж ГИМС (масштаб 10:1).
1