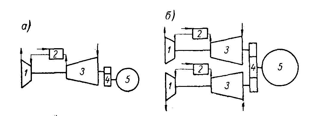
Энергоэкономическая эффективность применения авиационных двигателей на ТЭС
Overview
Свойства газовКомпрессор
Свойства газов (2)
Камера сгорания
Свойства газов (750)
Свойства газов (outlet)
Свойства газов (x)
Газовая турбина
Свойства газов (x) (2)
Техн данные к расчету ГПСВ
Расчет ГПСВ конструктивный
финанализ
Кредит
финанализ с кредитом
финанализ с АБХМ
Кредит с АБХМ
финанализ с АБХМ с кредитом
Sheet 1: Свойства газов
| Изобарная теплоемкость | Вводить только синий текст | gВ | gN2 | gRO2 | gH3O | Продукты сгорания при a | 5,116 | ||||||||
| m | 28,97 | 28,016 | 28,15 | 32 | 44,01 | 18,016 | 28,01 | 2,016 | 0,6615 | 0,2434 | 0,054 | 0,0411 | 1 | ||
| t | 398,06 | 398,06 | 398,06 | 398,06 | 398,06 | 398,06 | 398,06 | 398,06 | 398,06 | 398,06 | 398,06 | 398,06 | 120 | ||
| T | 671,21 | 671,21 | 671,21 | 671,21 | 671,21 | 671,21 | 671,21 | 671,21 | 0,2912 | ||||||
| 8,3142 | возд | N2 | N2' | O2 | CO2 | H3O | CO | H3 | Изобарная теплоемкость | ||||||
| 30,919 | 30,558 | 30,451 | 32,737 | 49,000 | 37,171 | 30,957 | 29,380 | ||||||||
| 1,0673 | 1,0907 | 1,0817 | 1,023 | 1,1134 | 2,0632 | 1,1052 | 14,5734 | 1,0673 | 1,0907 | 1,1134 | 2,0632 | 1,1164 | |||
| Энтальпия | Энтальпия | ||||||||||||||
| 19768,4 | 19716,8 | 19661,9 | 20208,3 | 25702,6 | 23015,2 | 19797,3 | 19361,5 | ||||||||
| 682,37 | 703,77 | 698,47 | 631,51 | 584,02 | 1277,49 | 706,79 | 9603,92 | ||||||||
| 409,14 | 420,49 | 417,09 | 383,76 | 391,93 | 774,70 | 423,23 | 5759,82 | 409,14 | 420,49 | 391,93 | 774,7 | 426 | |||
| 61,9400 | 347,2000 | 632,3 | -223,16 | 426 | 0 | ||||||||||
| Энтропия | Энтропия | ||||||||||||||
| 218,084 | 215,468 | 214,956 | 229,988 | 248,522 | 217,049 | 222,004 | 154,264 | ||||||||
| 7,5279 | 7,6909 | 7,6361 | 7,1871 | 5,6469 | 12,0476 | 7,9259 | 76,5196 | ||||||||
| 0,6201 | 0,9198 | 0,9464 | 0,9388 | 0,8591 | 0,8653 | 1,736 | 0,9516 | 12,9891 | 0,9198 | 0,9464 | 0,8653 | 1,736 | 0,9569 | ||
| 0,8199 | -0,0999 | 0,8818 | 0,0751 | ||||||||||||
| p0 | 24,6420 | 17,9899 | 16,9155 | 103,1538 | 9,5855 | 21,7574 | 39,4875 | 114,2867 | 24,642 | 17,9899 | 9,5855 | 21,7574 | 22,0913 | ||
| Cv | 0,7803 | 0,7940 | 0,7864 | 0,7632 | 0,9245 | 1,6017 | 0,8084 | 10,4493 | 0,7803 | 0,794 | 0,9245 | 1,6017 | 0,8252 | ||
| k | 1,368 | 1,374 | 1,376 | 1,34 | 1,204 | 1,288 | 1,367 | 1,395 | 1,368 | 1,374 | 1,204 | 1,288 | 1,357 | ||
| Внутренняя энергия | 14187,8 | 14136,2 | 14081,3 | 14627,7 | 20122,0 | 17434,6 | 14216,7 | 13780,9 | 14187,825818 | 14136,225818 | 20122,025818 | 17434,625818 | 14629,16 | ||
| 489,74 | 504,58 | 500,22 | 457,12 | 457,21 | 967,73 | 507,56 | 6835,78 | 489,74 | 504,58 | 457,21 | 967,73 | 511,24 | |||
| Газовая постоянная | 0,287 | 0,2968 | 0,2954 | 0,2598 | 0,1889 | 0,4615 | 0,2968 | 4,1241 | 0,287 | 0,2968 | 0,1889 | 0,4615 | 0,2913 |
Sheet 2: Компрессор
| Темп. возд. (ср. годовая) | °С | 15 | ||
| Давление атм. | кПа | 95,3 | 715 | мм. рт. ст. |
| Степень повышения давления | 7,2 | |||
| Давление на выходе из компрессора | кПа | 686,16 | ||
| Энтропия на входе | 0,0536 | по таблицам лист "Свойства газов" | ||
| Энтропия на выходе | 0,6201 | |||
| Темп. возд. на выходе (идеальн) | 231 | по таблицам | ||
| КПД компрессора | 0,87 | принят | ||
| Энтальпия на входе в компрессор | кДж/кг | 15,04 | по таблицам | |
| Энтальпия на выходе из компрессора (идеальн) | кДж/кг | 234,06 | по таблицам | |
| Работа сжатия воздуха в компрессора | кДж/кг | 251,75 | ||
| Действительная энтальпия воздуха на выходе из компрессора | кДж/кг | 266,79 | ||
| Действительная температура на выходе из компрессора | °С | 262,68 |
Sheet 3: Свойства газов (2)
| Изобарная теплоемкость | Вводить только синий текст | gВ | gN2 | gRO2 | gH3O | Продукты сгорания при a | 5,116 | ||||||||
| m | 28,97 | 28,016 | 28,15 | 32 | 44,01 | 18,016 | 28,01 | 2,016 | 0,6615 | 0,2434 | 0,054 | 0,0411 | 1 | ||
| t | 750 | 750 | 750 | 750 | 750 | 750 | 750 | 750 | 750 | 750 | 750 | 750 | 120 | ||
| T | 1023,15 | 1023,15 | 1023,15 | 1023,15 | 1023,15 | 1023,15 | 1023,15 | 1023,15 | 0,2912 | ||||||
| 8,3142 | возд | N2 | N2' | O2 | CO2 | H3O | CO | H3 | Изобарная теплоемкость | ||||||
| 33,190 | 32,850 | 32,715 | 34,979 | 54,643 | 41,600 | 33,327 | 30,292 | ||||||||
| 1,1457 | 1,1725 | 1,1622 | 1,0931 | 1,2416 | 2,3091 | 1,1898 | 15,0258 | 1,1457 | 1,1725 | 1,2416 | 2,3091 | 1,2052 | |||
| Энтальпия | Энтальпия | ||||||||||||||
| 31065,5 | 30886,3 | 30788,8 | 32169,6 | 44045,6 | 36870,2 | 31130,9 | 29837,4 | ||||||||
| 1072,33 | 1102,45 | 1093,74 | 1005,30 | 1000,81 | 2046,53 | 1111,42 | 14800,30 | ||||||||
| 799,10 | 819,17 | 812,36 | 757,55 | 808,72 | 1543,74 | 827,86 | 10956,20 | 799,1 | 819,17 | 808,72 | 1543,74 | 835,11 | |||
| 451,9000 | 347,2000 | 632,3 | 166,8 | 426 | -409,11 | ||||||||||
| Энтропия | Энтропия | ||||||||||||||
| 231,584 | 228,812 | 228,250 | 244,282 | 270,410 | 233,579 | 235,544 | 166,799 | ||||||||
| 7,9939 | 8,1672 | 8,1083 | 7,6338 | 6,1443 | 12,9651 | 8,4093 | 82,7374 | ||||||||
| 0,6201 | 1,3858 | 1,4227 | 1,411 | 1,3058 | 1,3627 | 2,6535 | 1,435 | 19,2069 | 1,3858 | 1,4227 | 1,3627 | 2,6535 | 1,4456 | ||
| 0,8199 | -0,5659 | 0,8818 | 0,5638 | ||||||||||||
| p0 | 124,9835 | 89,5481 | 83,6952 | 575,6205 | 133,3335 | 158,8755 | 201,2451 | 516,1366 | 124,9835 | 89,5481 | 133,3335 | 158,8755 | 118,2024 | ||
| Cv | 0,8587 | 0,8758 | 0,8668 | 0,8333 | 1,0527 | 1,8476 | 0,8930 | 10,9017 | 0,8587 | 0,8758 | 1,0527 | 1,8476 | 0,914 | ||
| k | 1,334 | 1,339 | 1,341 | 1,312 | 1,179 | 1,25 | 1,332 | 1,378 | 1,334 | 1,339 | 1,179 | 1,25 | 1,323 | ||
| Внутренняя энергия | 22558,8 | 22379,6 | 22282,1 | 23662,9 | 35538,9 | 28363,5 | 22624,2 | 21330,7 | 22558,82627 | 22379,62627 | 35538,92627 | 28363,52627 | 23454,71 | ||
| 778,7 | 798,82 | 791,55 | 739,47 | 807,52 | 1574,35 | 807,72 | 10580,72 | 778,7 | 798,82 | 807,52 | 1574,35 | 817,85 | |||
| Газовая постоянная | 0,287 | 0,2968 | 0,2954 | 0,2598 | 0,1889 | 0,4615 | 0,2968 | 4,1241 | 0,287 | 0,2968 | 0,1889 | 0,4615 | 0,2913 |
Sheet 4: Камера сгорания
| Расчет камеры сгорания | ||||||
| Газ | Теплоемкость компонентов | |||||
| СН4 | % | 90,6 | 1,70114 | 1,5412 | ||
| С2Н6 | % | 3,45 | 2,637605 | 0,091 | ||
| С3Н8 | % | 0,9 | 3,739575 | 0,0337 | ||
| С4Н10 | % | 0,38 | 4,984005 | 0,0189 | ||
| С5Н12 | % | 0,3 | 6,18025 | 0,0185 | ||
| Н2S | % | 0,08 | 1,548205 | 0,0012 | ||
| CO2 | % | 2,69 | 0,9569 | 0,0257 | Суммарная теплоемкость, кДж/кг | |
| O2 | % | 1,6 | 0,9473 | 0,0152 | 1,7454 | 2,3179282869 |
| Qрн | кДж/нм3 | 36400 | кДж/кг | 48340 | 8687,3508353222 | |
| Плотность | кг/нм3 | 0,753 | 10151,4 | |||
| Теоретический объем воздуха | м3/м3 | 9,575 | ||||
| Плотность воздуха | кг/нм3 | 1,292 | ||||
| Теоретическая масса воздуха | кг/кг | 16,43 | ||||
| Теор. объем азота | м3/м3 | 7,564 | ||||
| Объем трехатомных газов | м3/м3 | 1,06 | ||||
| Объем водяных паров | м3/м3 | 1,989 | ||||
| Объем дымовых газов | м3/м3 | 10,613 | ||||
| Объемная доля трехатомных газов | 0,1 | |||||
| Объемная доля водяных паров | 0,187 | |||||
| Объемная доля азота | 0,713 | 1 | ||||
| Плотность азота | кг/м3 | 1,250 | ||||
| Плотность трехатомных газов | кг/м3 | 1,963 | ||||
| Количество трехатомных газов | кг/кг | 2,76 | ||||
| Количество водяных паров | кг/кг | 2,12 | ||||
| Количество азота | кг/кг | 12,55 | ||||
| Количество газов | кг/кг | 17,43 | ||||
| Массовая доля вод. паров | 0,122 | |||||
| Массовая доля трехатомных газов | 0,158 | |||||
| Массовая доля азота | 0,72 | |||||
| Температура на выходе из камеры сгорания | °С | 750 | ||||
| Энтальпия вод. паров | кДж/кг | 1543,74 | ||||
| Энтальпия RO2 | кДж/кг | 808,72 | ||||
| Энтальпия азота | кДж/кг | 819,17 | ||||
| Энтальпия продуктов сгорания при a=1 (750°C) | кДж/кг | 905,91644 | ||||
| КПД камеры сгорания | 0,98 | |||||
| Температура топлива | °С | 15 | ||||
| Теплоемкость топлива | кДж/(кг·°С) | 2,318 | ||||
| Энтальпия топлива | кДж/кг | 34,77 | ||||
| Энтальпия воздуха при температуре на выходе из камеры сгорания | кДж/кг | 799,10 | ||||
| Относительное количество воздуха, содержащееся в продуктах сгорания за камерой сгорания | кг/кг | 67,63 | ||||
| Коэффициент избытка воздуха на выходе из камеры сгорания | 5,116 | |||||
| Увеличение удельного расхода рабочего тела в камере сгорания | 0,0119 | |||||
| Масса продуктов сгорания на 1 кг сожженного топлива | кг/кг | 85,06 | ||||
| Массовая доля вод. паров | кг/кг | 0,0249 | ||||
| Массовая доля трехатомных газов | кг/кг | 0,0324 | ||||
| Массовая доля азота | кг/кг | 0,1475 | ||||
| Массовая доля избыточного воздуха | кг/кг | 0,7952 | 1 | |||
| ГОТОВО!!! |
Sheet 5: Свойства газов (750)
| Изобарная теплоемкость | Вводить только синий текст | gВ | gN2 | gRO2 | gH3O | Продукты сгорания при a | 5,116 | ||||||||
| m | 28,97 | 28,016 | 28,15 | 32 | 44,01 | 18,016 | 28,01 | 2,016 | 0,7952 | 0,1475 | 0,0324 | 0,0249 | 1 | ||
| t | 750 | 750 | 750 | 750 | 750 | 750 | 750 | 750 | 750 | 750 | 750 | 750 | 120 | ||
| T | 1023,15 | 1023,15 | 1023,15 | 1023,15 | 1023,15 | 1023,15 | 1023,15 | 1023,15 | 0,2896 | ||||||
| 8,3142 | возд | N2 | N2' | O2 | CO2 | H3O | CO | H3 | Изобарная теплоемкость | ||||||
| 33,190 | 32,850 | 32,715 | 34,979 | 54,643 | 41,600 | 33,327 | 30,292 | ||||||||
| 1,1457 | 1,1725 | 1,1622 | 1,0931 | 1,2416 | 2,3091 | 1,1898 | 15,0258 | 1,1457 | 1,1725 | 1,2416 | 2,3091 | 1,1817 | |||
| Энтальпия | Энтальпия | ||||||||||||||
| 31065,5 | 30886,3 | 30788,8 | 32169,6 | 44045,6 | 36870,2 | 31130,9 | 29837,4 | ||||||||
| 1072,33 | 1102,45 | 1093,74 | 1005,30 | 1000,81 | 2046,53 | 1111,42 | 14800,30 | ||||||||
| 799,10 | 819,17 | 812,36 | 757,55 | 808,72 | 1543,74 | 827,86 | 10956,20 | 799,1 | 819,17 | 808,72 | 1543,74 | 820,91 | |||
| 451,9000 | 347,2000 | 632,3 | 166,8 | 426 | -394,91 | ||||||||||
| Энтропия | Энтропия | ||||||||||||||
| 231,584 | 228,812 | 228,250 | 244,282 | 270,410 | 233,579 | 235,544 | 166,799 | ||||||||
| 7,9939 | 8,1672 | 8,1083 | 7,6338 | 6,1443 | 12,9651 | 8,4093 | 82,7374 | ||||||||
| 0,6201 | 1,3858 | 1,4227 | 1,411 | 1,3058 | 1,3627 | 2,6535 | 1,435 | 19,2069 | 1,3858 | 1,4227 | 1,3627 | 2,6535 | 1,4221 | ||
| 0,8199 | -0,5659 | 0,8796 | 0,5425 | ||||||||||||
| p0 | 124,9835 | 89,5481 | 83,6952 | 575,6205 | 133,3335 | 158,8755 | 201,2451 | 516,1366 | 124,9835 | 89,5481 | 133,3335 | 158,8755 | 120,8712 | ||
| Cv | 0,8587 | 0,8758 | 0,8668 | 0,8333 | 1,0527 | 1,8476 | 0,8930 | 10,9017 | 0,8587 | 0,8758 | 1,0527 | 1,8476 | 0,8921 | ||
| k | 1,334 | 1,339 | 1,341 | 1,312 | 1,179 | 1,25 | 1,332 | 1,378 | 1,334 | 1,339 | 1,179 | 1,25 | 1,328 | ||
| Внутренняя энергия | 22558,8 | 22379,6 | 22282,1 | 23662,9 | 35538,9 | 28363,5 | 22624,2 | 21330,7 | 22558,82627 | 22379,62627 | 35538,92627 | 28363,52627 | 23097,49 | ||
| 778,7 | 798,82 | 791,55 | 739,47 | 807,52 | 1574,35 | 807,72 | 10580,72 | 778,7 | 798,82 | 807,52 | 1574,35 | 802,41 | |||
| Газовая постоянная | 0,287 | 0,2968 | 0,2954 | 0,2598 | 0,1889 | 0,4615 | 0,2968 | 4,1241 | 0,287 | 0,2968 | 0,1889 | 0,4615 | 0,2896 |
Sheet 6: Свойства газов (outlet)
| Изобарная теплоемкость | Вводить только синий текст | gВ | gN2 | gRO2 | gH3O | Продукты сгорания при a | 5,116 | ||||||||
| m | 28,97 | 28,016 | 28,15 | 32 | 44,01 | 18,016 | 28,01 | 2,016 | 0,8035 | 0,1415 | 0,0311 | 0,0239 | 1 | ||
| t | 388,69 | 388,69 | 388,69 | 388,69 | 388,69 | 388,69 | 388,69 | 388,69 | 388,69 | 388,69 | 388,69 | 388,69 | 120 | ||
| T | 661,84 | 661,84 | 661,84 | 661,84 | 661,84 | 661,84 | 661,84 | 661,84 | 0,2895 | ||||||
| 8,3142 | возд | N2 | N2' | O2 | CO2 | H3O | CO | H3 | Изобарная теплоемкость | ||||||
| 30,854 | 30,496 | 30,390 | 32,655 | 48,794 | 37,058 | 30,888 | 29,369 | ||||||||
| 1,065 | 1,0885 | 1,0796 | 1,0205 | 1,1087 | 2,0569 | 1,1027 | 14,568 | 1,065 | 1,0885 | 1,1087 | 2,0569 | 1,0934 | |||
| Энтальпия | Энтальпия | ||||||||||||||
| 19479,0 | 19430,8 | 19376,9 | 19902,0 | 25244,5 | 22667,5 | 19507,5 | 19086,2 | ||||||||
| 672,39 | 693,56 | 688,34 | 621,94 | 573,61 | 1258,19 | 696,45 | 9467,36 | ||||||||
| 399,16 | 410,28 | 406,96 | 374,19 | 381,52 | 755,40 | 412,89 | 5623,26 | 399,16 | 410,28 | 381,52 | 755,4 | 408,7 | |||
| 49,8600 | 349,3000 | 632,3 | -233,14 | 408,7 | 0 | ||||||||||
| Энтропия | Энтропия | ||||||||||||||
| 217,649 | 215,039 | 214,529 | 229,528 | 247,834 | 216,528 | 221,569 | 153,851 | ||||||||
| 7,5129 | 7,6756 | 7,6209 | 7,1728 | 5,6313 | 12,0186 | 7,9104 | 76,3147 | ||||||||
| 0,6201 | 0,9048 | 0,9311 | 0,9236 | 0,8448 | 0,8497 | 1,707 | 0,9361 | 12,7842 | 0,9048 | 0,9311 | 0,8497 | 1,707 | 0,926 | ||
| 0,5281 | -0,3767 | 0,8592 | 0,0668 | ||||||||||||
| p0 | 23,3859 | 17,0852 | 16,0687 | 97,6016 | 8,8242 | 20,4359 | 37,4746 | 108,7483 | 23,3859 | 17,0852 | 8,8242 | 20,4359 | 21,971 | ||
| Cv | 0,7780 | 0,7918 | 0,7842 | 0,7607 | 0,9198 | 1,5955 | 0,8059 | 10,4438 | 0,778 | 0,7918 | 0,9198 | 1,5955 | 0,8039 | ||
| k | 1,369 | 1,375 | 1,377 | 1,342 | 1,205 | 1,289 | 1,368 | 1,395 | 1,369 | 1,375 | 1,205 | 1,289 | 1,363 | ||
| Внутренняя энергия | 13976,3 | 13928,1 | 13874,2 | 14399,3 | 19741,8 | 17164,8 | 14004,8 | 13583,5 | 13976,329872 | 13928,129872 | 19741,829872 | 17164,829872 | 14225,02 | ||
| 482,44 | 497,15 | 492,87 | 449,98 | 448,58 | 952,75 | 499,99 | 6737,86 | 482,44 | 497,15 | 448,58 | 952,75 | 494,71 | |||
| Газовая постоянная | 0,287 | 0,2968 | 0,2954 | 0,2598 | 0,1889 | 0,4615 | 0,2968 | 4,1241 | 0,287 | 0,2968 | 0,1889 | 0,4615 | 0,2895 |
Sheet 7: Свойства газов (x)
| Изобарная теплоемкость | Вводить только синий текст | gВ | gN2 | gRO2 | gH3O | Продукты сгорания при a | 5,116 | ||||||||
| m | 28,97 | 28,016 | 28,15 | 32 | 44,01 | 18,016 | 28,01 | 2,016 | 0,7952 | 0,1475 | 0,0324 | 0,0249 | 1 | ||
| t | 187,7 | 187,7 | 187,7 | 187,7 | 187,7 | 187,7 | 187,7 | 187,7 | 187,7 | 187,7 | 187,7 | 187,7 | 120 | ||
| T | 460,85 | 460,85 | 460,85 | 460,85 | 460,85 | 460,85 | 460,85 | 460,85 | 0,2896 | ||||||
| 8,3142 | возд | N2 | N2' | O2 | CO2 | H3O | CO | H3 | Изобарная теплоемкость | ||||||
| 29,615 | 29,427 | 29,330 | 30,686 | 43,381 | 34,826 | 29,597 | 29,228 | ||||||||
| 1,0223 | 1,0504 | 1,0419 | 0,9589 | 0,9857 | 1,9331 | 1,0567 | 14,498 | 1,0223 | 1,0504 | 0,9857 | 1,9331 | 1,0479 | |||
| Энтальпия | Энтальпия | ||||||||||||||
| 13408,9 | 13418,6 | 13385,1 | 13532,2 | 15946,8 | 15450,6 | 13437,2 | 13199,9 | ||||||||
| 462,85 | 478,96 | 475,49 | 422,88 | 362,34 | 857,60 | 479,73 | 6547,57 | ||||||||
| 189,62 | 195,68 | 194,11 | 175,13 | 170,25 | 354,81 | 196,17 | 2703,47 | 189,62 | 195,68 | 170,25 | 354,81 | 194 | |||
| -159,6800 | 349,3000 | 632,3 | -442,68 | 420,37 | 226,37 | ||||||||||
| Энтропия | Энтропия | ||||||||||||||
| 206,732 | 204,223 | 203,750 | 218,079 | 231,150 | 203,556 | 210,652 | 143,252 | ||||||||
| 7,1361 | 7,2895 | 7,238 | 6,815 | 5,2522 | 11,2986 | 7,5206 | 71,0573 | ||||||||
| 0,6201 | 0,528 | 0,545 | 0,5407 | 0,487 | 0,4706 | 0,987 | 0,5463 | 7,5268 | 0,528 | 0,545 | 0,4706 | 0,987 | 0,5401 | ||
| 0,5281 | 0,0001 | 0,8592 | -0,3191 | ||||||||||||
| p0 | 6,2907 | 4,6520 | 4,3948 | 24,6272 | 1,1863 | 4,2934 | 10,0806 | 30,3935 | 6,2907 | 4,652 | 1,1863 | 4,2934 | 5,8339 | ||
| Cv | 0,7353 | 0,7536 | 0,7466 | 0,6991 | 0,7968 | 1,4716 | 0,7598 | 10,3739 | 0,7353 | 0,7536 | 0,7968 | 1,4716 | 0,7583 | ||
| k | 1,39 | 1,394 | 1,396 | 1,372 | 1,237 | 1,314 | 1,391 | 1,398 | 1,39 | 1,394 | 1,237 | 1,314 | 1,384 | ||
| Внутренняя энергия | 9577,3 | 9587,0 | 9553,5 | 9700,6 | 12115,2 | 11619,0 | 9605,6 | 9368,3 | 9577,30093 | 9587,00093 | 12115,20093 | 11619,00093 | 9711,8 | ||
| 330,59 | 342,2 | 339,38 | 303,14 | 275,28 | 644,93 | 342,93 | 4646,97 | 330,59 | 342,2 | 275,28 | 644,93 | 338,34 | |||
| Газовая постоянная | 0,287 | 0,2968 | 0,2954 | 0,2598 | 0,1889 | 0,4615 | 0,2968 | 4,1241 | 0,287 | 0,2968 | 0,1889 | 0,4615 | 0,2896 |
Sheet 8: Газовая турбина
| КПД турбины (адиабатный) | 0,88 | |||
| Потери давления в турбине | 0,03 | |||
| Степень понижения давления в турбине | 7,2 | |||
| Степень понижения давления в турбине | 6,984 | |||
| Масса продуктов сгорания на 1 кг сожженного топлива | кг/кг | 85,06 | ||
| Массовая доля вод. паров | кг/кг | 0,0249 | ||
| Массовая доля трехатомных газов | кг/кг | 0,0324 | ||
| Массовая доля азота | кг/кг | 0,1475 | ||
| Массовая доля избыточного воздуха | кг/кг | 0,7952 | ||
| Газовая постоянная продуктов сгорания | 0,2896 | |||
| Энтропия на входе в турбину | кДж/(кг·К) | 1,4221 | ||
| Энтропия на выходе из турбины | кДж/(кг·К) | 0,8592 | ||
| Температура на выходе из турбины (теоретическая) | °С | 348,9 | ||
| Энтальпия газов на входе в турбину | кДж/кг | 820,91 | ||
| Энтальпия газов на выходе из турбины | кДж/кг | 365,75 | ||
| Работа расширения газа в турбине | кДж/кг | 400,54 | ||
| Энтальпия на выходе из турбины (действ) | кДж/кг | 420,37 | ||
| Температура на выходе из турбины (действ) | °С | 398,98 | ||
| Средняя температура стенки лопаток | °С | 600 | ||
| Число охлаждаемых венцов | 1 | |||
| a | 1 | |||
| b | 0 | |||
| Средняя температура рабочего тела, при которой отводится теплота охлаждения | °С | 750 | Tq | |
| a* | 0,02 | |||
| Теплоемкость продуктов сгорания при Tq и a | кДж/кг | 1,1817 | ||
| Количество теплоты, отводимой от охлаждаемых элементов проточной части | кДж/кг | 3,55 | qохл | |
| Коэффициент потери работы при закрытом охлаждении | 0,3431 | |||
| Удельная работа расширения газа | кДж/кг | 399,3 | ||
| Энтальпия в конце расширения | кДж/кг | 418,1 | ||
| Средняя температура газа, при которой охладитель вводится в проточную часть | °С | 600 | Tg | |
| Показатель политропы процесса расширения | m'sт | 0,2162 | ||
| Степень понижения давления охладителя | pохл | 3,401 | ||
| Коэффициент использования хладоресурса охладителя | kисп | 0,42 | ||
| Расход воздуха на охлаждение дисков и элементов статора | Dgохл | 0,02 | ||
| Температура воздуха для охлаждения | 262,68 | |||
| Энтальпия | 266,79 | |||
| Расход воздуха на охлаждение | gохл | 0,043 | ||
| Температура (средняя) | 431,34 | |||
| Средняя изобарная теплоемкость охладителя | 1,0753 | |||
| Средняя энтальпия охладителя при выводе в проточную часть | iохл3 | 349,3 | ||
| Средняя температура охладителя | tохл3 | 341,63 | ||
| Политропический КПД расширения газов | hпол | 0,85 | ||
| Энтропия на выходе из турбины (действ) | 0,9438 | |||
| Энтропия охладителя при tохл3 | 0,8267 | |||
| Энтропия охладителя в конце процесса расширения | 0,5281 | |||
| Температура охладителя в конце процесса расширения | tохл4 | 187,7 | ||
| Энтальпия охладителя в конце процесса расширения | iохл4 | 189,62 | ||
| Работа расширения охладителя | Нохл | 6,866 | ||
| Суммарная удельная работа расширения газа и охладителя | Hт | 406,166 | ||
| Расход охладителя, отнесенный к расходу воздуха через компрессор | g'охл | 0,0417 | ||
| Коэффициент избытка воздуха смеси газа и охладителя | aсм | 5,339 | ||
| Энтальпия смеси газа и охладителя за турбиной | i4 | 408,7 | ||
| Температура на выходе из турбины | t4 | 388,69 | ||
| Избыточное количество воздуха на выходе из турбины | gв | 71,29 | ||
| Масса продуктов сгорания на 1 кг сожженного топлива | 88,72 | |||
| Доля RO2 | 0,031 | |||
| Доля N2 | 0,1415 | |||
| Доля вод. паров | 0,0239 | |||
| Доля воздуха | 0,8035 | |||
| Выходные характеристики ГТУ | ||||
| Удельная полезная работа ГТУ | He | 139,27 | ||
| Мех. КПД | 0,98 | |||
| КПД генератора | 0,95 | |||
| Коэффициент полезной работы | j | 0,3536 | ||
| Мощность | МВт | 2,5 | ||
| Расход воздуха при мощности 2,5 МВт | кг/с | 17,95 | ||
| Расход топлива | кг/с | 0,21 | ||
| Расход выхлопных газов | кг/с | 18,16 | ||
| Расход теплоты на турбину | 551,07 | |||
| Электрический КПД ГТУ | 24,0% | |||
| Удельный расход условного топлива на выработанную электроэнергию | гут/(кВт·ч) | 511,81 | ГОТОВО!!! |
Sheet 9: Свойства газов (x) (2)
| Изобарная теплоемкость | Вводить только синий текст | gВ | gN2 | gRO2 | gH3O | Продукты сгорания при a | 5,116 | ||||||||
| m | 28,97 | 28,016 | 28,15 | 32 | 44,01 | 18,016 | 28,01 | 2,016 | 0,8035 | 0,1415 | 0,0311 | 0,0239 | 1 | ||
| t | 116,6 | 116,6 | 116,6 | 116,6 | 116,6 | 116,6 | 116,6 | 116,6 | 116,6 | 116,6 | 116,6 | 116,6 | 120 | ||
| T | 389,75 | 389,75 | 389,75 | 389,75 | 389,75 | 389,75 | 389,75 | 389,75 | 0,2895 | ||||||
| 8,3142 | возд | N2 | N2' | O2 | CO2 | H3O | CO | H3 | Изобарная теплоемкость | ||||||
| 29,311 | 29,221 | 29,126 | 30,005 | 40,907 | 34,182 | 29,305 | 29,148 | ||||||||
| 1,0118 | 1,043 | 1,0347 | 0,9377 | 0,9295 | 1,8973 | 1,0462 | 14,4583 | 1,0118 | 1,043 | 0,9295 | 1,8973 | 1,0348 | |||
| Энтальпия | Энтальпия | ||||||||||||||
| 11314,7 | 11334,3 | 11307,6 | 11375,1 | 12948,3 | 12998,1 | 11343,9 | 11124,2 | ||||||||
| 390,57 | 404,57 | 401,69 | 355,47 | 294,21 | 721,48 | 404,99 | 5517,96 | ||||||||
| 117,34 | 121,29 | 120,31 | 107,72 | 102,12 | 218,69 | 121,43 | 1673,86 | 117,34 | 121,29 | 102,12 | 218,69 | 119,85 | |||
| -231,9600 | 349,3000 | 632,3 | -514,96 | 420,37 | 300,52 | ||||||||||
| Энтропия | Энтропия | ||||||||||||||
| 201,797 | 199,312 | 198,854 | 212,997 | 224,089 | 197,777 | 205,719 | 138,360 | ||||||||
| 6,9657 | 7,1142 | 7,0641 | 6,6562 | 5,0918 | 10,9778 | 7,3445 | 68,6307 | ||||||||
| 0,6201 | 0,3576 | 0,3697 | 0,3668 | 0,3282 | 0,3102 | 0,6662 | 0,3702 | 5,1002 | 0,3576 | 0,3697 | 0,3102 | 0,6662 | 0,3652 | ||
| 0,5281 | 0,1705 | 0,8592 | -0,494 | ||||||||||||
| p0 | 3,4747 | 2,5770 | 2,4389 | 13,3646 | 0,5074 | 2,1425 | 5,5694 | 16,8751 | 3,4747 | 2,577 | 0,5074 | 2,1425 | 3,2236 | ||
| Cv | 0,7248 | 0,7462 | 0,7393 | 0,6778 | 0,7406 | 1,4358 | 0,7494 | 10,3342 | 0,7248 | 0,7462 | 0,7406 | 1,4358 | 0,7453 | ||
| k | 1,396 | 1,398 | 1,4 | 1,383 | 1,255 | 1,321 | 1,396 | 1,399 | 1,396 | 1,398 | 1,255 | 1,321 | 1,39 | ||
| Внутренняя энергия | 8074,2 | 8093,8 | 8067,1 | 8134,6 | 9707,8 | 9757,6 | 8103,4 | 7883,7 | 8074,24055 | 8093,84055 | 9707,84055 | 9757,64055 | 8168,05 | ||
| 278,71 | 288,9 | 286,58 | 254,21 | 220,58 | 541,61 | 289,31 | 3910,59 | 278,71 | 288,9 | 220,58 | 541,61 | 284,63 | |||
| Газовая постоянная | 0,287 | 0,2968 | 0,2954 | 0,2598 | 0,1889 | 0,4615 | 0,2968 | 4,1241 | 0,287 | 0,2968 | 0,1889 | 0,4615 | 0,2895 |
Sheet 10: Техн данные к расчету ГПСВ
| Температура на входе | 388,69 | °С | -219,9478 | |||
| Энтальпия на входе | 408,7 | кДж/кг | ||||
| Температура на выходе | 117 | °С | задано | |||
| Энтальпия на выходе | 119,85 | кДж/кг | ||||
| Расход газов | 18,16 | кг/с | ||||
| Тепловой поток, вносимый уходящими газами | 5245,516 | кДж/с | ||||
| ГПСВ (газовый подогреватель сетевой воды) | ||||||
| Расход воды | 8,33 | кг/с | 30 | т/ч | ||
| Температура воды на входе | 60 | °С | ||||
| Энтальпия воды на входе | 253,23 | кДж/кг | ||||
| Температура воды на выходе | 120 | °С | ||||
| Энтальпия воды на выходе | 505,05 | кДж/кг | ||||
| Расход теплоты в ГПСВ | 2097,6606 | кДж/с | 0,0005010176 | Гкал/с | 1,5030528805 | Гкал/ч |
| Теплота для испарения и перегрева | ||||||
| Расход пара | 1,39 | 5 | 1,3888888889 | |||
| Температура перегретого пара | 250 | °С | ||||
| Давление пара | 14 | ата | ||||
| Энтальпия перегретого пара | 2927,93 | кДж/кг | ||||
| Температура конденсата | 120 | °С | ||||
| Энтальпия конденсата | 505,05 | кДж/кг | ||||
| Расход теплоты в экономайзере, испарителе и перегревателе | 3367,8032 | кДж/с | 0,000804386 | Гкал/с | 2,8957895099 | Гкал/ч |
Sheet 11: Расчет ГПСВ конструктивный
| Диаметр трубы нар | 0,028 | м | |||||
| Диаметр ребра | 0,048 | м | |||||
| Диаметр трубы внут | 0,022 | м | |||||
| Толщина ребра | 0,002 | м | |||||
| Шаг ребра | 0,005 | м | |||||
| Нрб/Н | 0,9005 | ||||||
| Нгл/Н | 0,0995 | ||||||
| Коэффициент-т теплоотдачи конвекцией при поперечном омывании шахматных пучков труб с круглыми ребрами | 55,3802608325 | 64,407 | |||||
| Сz | 1,02 | ||||||
| js - параметр, учитывающий геометрическое расположение труб в пучке | 1,228 | ||||||
| поперечный шаг труб | 0,06 | м | |||||
| отн поперечн шаг труб | 2,143 | ||||||
| продольный шаг труб | 0,045 | м | |||||
| отн продольн шаг труб | 1,607 | ||||||
| средний относительный диагональн шаг труб | 1,931 | ||||||
| l | 0,0336501973 | коэффициент теплопров-ти при средней температуре | |||||
| w | 8,806 | скорость газов | |||||
| u | 4,053666435E-005 | коэффициент кинем вязкости при средней температуре | |||||
| hрб | 0,01 | ||||||
| F | 1,6 | ||||||
| a | 2 | м | |||||
| b | 2 | м | |||||
| Объем газов | 14,09 | м3/с | |||||
| Ср температура газов | 252,65 | ||||||
| Мu | 0,9685 | ||||||
| Ml | 0,9313 | ||||||
| uг | 4,18551E-005 | ||||||
| lг | 0,0361325 | ||||||
| Приведенный коэф-т теплоотдачи | 45,3776442617 | 52,7742002764 | Вт/(м2*К) | ||||
| Е | 0,96 | ||||||
| m | 1 | ||||||
| e | 0 | для газа | |||||
| lм | 36 | ||||||
| b | 36,161 | bhрб | 0,36161 | D/d | 1,7142857143 | ||
| yрб | 0,85 | ||||||
| tб | 272,09 | ||||||
| tм | 60 | ||||||
| P | 0,1825428215 | ||||||
| R | 4,5348333333 | ||||||
| y | 1 | ||||||
| Dtб | 268,69 | ||||||
| Dtм | 56,6 | ||||||
| Dt | 71,26 | ||||||
| H | 1394,828 | ||||||
| Нгл | 138,785 | ||||||
| Нрб | 1256,043 | Кол-во труб | |||||
| Общ длина труб | 2629,5617591677 | 1577,7370555006 | В ширину | В длину | Длина ГПСВ | ||
| Количество труб | 1315 | 34 | 39 | 1326 | 1,755 | м | |
| Газовая часть | |||||||
| Температура на входе | 388,69 | °С | 0,1054 | ||||
| Энтальпия на входе | 408,7 | кДж/кг | |||||
| Температура на выходе | 116,6 | °С | задано | ||||
| Энтальпия на выходе | 119,85 | кДж/кг | |||||
| Расход газов | 18,16 | кг/с | |||||
| Тепловой поток, вносимый уходящими газами | 5245,516 | кДж/с | |||||
| ГПСВ (газовый подогреватель сетевой воды) | |||||||
| Расход воды | 20,83 | кг/с | 75 | т/ч | |||
| Температура воды на входе | 60 | °С | |||||
| Энтальпия воды на входе | 253,23 | кДж/кг | |||||
| Температура воды на выходе | 120 | °С | |||||
| Энтальпия воды на выходе | 505,05 | кДж/кг | |||||
| Расход теплоты в ГПСВ | 5245,4106 | кДж/с | 0,0012528448 | Гкал/с | 4,5102412726 | Гкал/ч | |
| кВт | |||||||
| КПИ | 76,30% | ||||||
| 288,8441960352 | |||||||
| Теплота для испарения и перегрева | |||||||
| Расход пара | 0 | 0 | 0 | ||||
| Температура перегретого пара | 250 | °С | |||||
| Давление пара | 14 | ата | |||||
| Энтальпия перегретого пара | 2927,93 | кДж/кг | |||||
| Температура конденсата | 120 | °С | |||||
| Энтальпия конденсата | 505,05 | кДж/кг | |||||
| Расход теплоты в экономайзере, испарителе и перегревателе | 0 | кДж/с | 0 | Гкал/с | 0 | Гкал/ч |
Sheet 12: финанализ
| АИ-20 | 1 | 2 | 3 | 4 | 5 | 6 | 7 | 8 | 9 | 10 | ||||||
| Nед, МВт | 2,50 | aк | 60 | 25 | 15 | 0 | 0 | 0 | 0 | 0 | 0 | 0 | ||||
| Число часов использ уст мощ-ти | 6 000 | av | 60 | 100 | 100 | 100 | 100 | 100 | 100 | 100 | 100 | 100 | ||||
| Норма амортизации | 0,10 | I этап. Расчет ФЭИП при реализации за счет собственных средств | ||||||||||||||
| Расход на соб нужды % | 5,50 | № пп | Показатель | 0 | 1 | 2 | 3 | 4 | 5 | 6 | 7 | 8 | 9 | 10 | Итого | |
| ФОТ годовой usd/год | 2 400 | 1 | Выручка,% | 0,00 | 60,00 | 100,00 | 100,00 | 100,00 | 100,00 | 100,00 | 100,00 | 100,00 | 100,00 | 100,00 | 960,00 | |
| Ставка дисконтирования | 20% | тыс. $ | 0,00 | 864,90 | 1441,50 | 1441,50 | 1441,50 | 1441,50 | 1441,50 | 1441,50 | 1441,50 | 1441,50 | 1441,50 | 13838,41 | ||
| Прочие отчисления | 0,25 | 2 | Издержки,% | 0,00 | 60,00 | 100,00 | 100,00 | 100,00 | 100,00 | 100,00 | 100,00 | 100,00 | 100,00 | 100,00 | 960,00 | |
| Отчисления соцстрах | 35% | тыс. $ | 0,00 | 537,42 | 895,70 | 895,70 | 895,70 | 895,70 | 895,70 | 895,70 | 895,70 | 895,70 | 895,70 | 8598,73 | ||
| поток наличности | 536 640 | 3 | Прибыль, % | 0,00 | 60,00 | 100,00 | 100,00 | 100,00 | 100,00 | 100,00 | 100,00 | 100,00 | 100,00 | 100,00 | 960,00 | |
| чистая прибыль | 436 640 | тыс. $ | 0,00 | 327,48 | 545,80 | 545,80 | 545,80 | 545,80 | 545,80 | 545,80 | 545,80 | 545,80 | 545,80 | 5239,68 | ||
| капвложения | 1 000 000 | 4 | Чистая прибыль, % | 0,00 | 60,00 | 100,00 | 100,00 | 100,00 | 100,00 | 100,00 | 100,00 | 100,00 | 100,00 | 100,00 | 960,00 | |
| прибыль | 545 800 | тыс. $ | 0,00 | 261,98 | 436,64 | 436,64 | 436,64 | 436,64 | 436,64 | 436,64 | 436,64 | 436,64 | 436,64 | 4191,74 | ||
| налог | 109 160 | 5 | ПН, тыс $ | 0,00 | 321,98 | 536,64 | 536,64 | 536,64 | 536,64 | 536,64 | 536,64 | 536,64 | 536,64 | 536,64 | 5151,74 | |
| выручка | 1 441 501 | 6 | Капитал,% | 0,00 | 60,00 | 25,00 | 15,00 | 0,00 | 0,00 | 0,00 | 0,00 | 0,00 | 0,00 | 0,00 | 100,00 | |
| Расход топлив ГТУ, тут/год | 23 031 | тыс. $ | 0,00 | 600,00 | 250,00 | 150,00 | 0,00 | 0,00 | 0,00 | 0,00 | 0,00 | 0,00 | 0,00 | 1000,00 | ||
| Цена нат. топлива | 40,00 | 7 | ЧПН, тыс. $ | 0,00 | -278,02 | 286,64 | 386,64 | 536,64 | 536,64 | 536,64 | 536,64 | 536,64 | 536,64 | 536,64 | 4151,74 | |
| Qрн, ккал/м3 (ккал/кг) | 8 687 | 8 | ДЧПН при Е=0,2, тыс. $ | 0,00 | -231,68 | 199,06 | 223,75 | 258,80 | 215,66 | 179,72 | 149,77 | 124,81 | 104,00 | 86,67 | 1310,55 | |
| Qур | 7 000 | 9 | Кумулят. ЧПН, тыс. $ | 0,00 | -231,68 | -32,62 | 191,13 | 449,92 | 665,59 | 845,31 | 995,07 | 1119,88 | 1223,88 | 1310,55 | ||
| Цена усл. топлива | 32,23 | 10 | ДЧПН при Е=IRR, тыс. $ | 0,00 | -184,57 | 126,33 | 113,13 | 104,24 | 69,20 | 45,94 | 30,50 | 20,25 | 13,44 | 8,92 | 347,39 | |
| Издержки на топливо | 742 351 | 0,00 | -184,57 | -58,24 | 54,89 | 159,13 | 228,34 | 274,28 | 304,78 | 325,03 | 338,47 | 347,39 | ||||
| Издержки на амортизацию | 100 000 | IRR= | 0,5063 | |||||||||||||
| Издержки на з/п | 16 800 | PBP= | 4,25 | |||||||||||||
| Издержки соцстрах | 5 880 | CP= | 21,933775562 | точка безубыточности | ||||||||||||
| Прочие издержки | 30 670 | Ипер | 742 351 | |||||||||||||
| Суммарные издержки | 895 701 | Ипост | 153 350 | |||||||||||||
| Тариф | $0,030 | За электроэнергию | R | 29 | % | |||||||||||
| Отпущенная электроэнергия | 42 525 | 1 275 750,00 руб. | ||||||||||||||
| Налог на прибыль | 20% | 1 441 501,37 | ||||||||||||||
| Количество работников | 7 | 545 800,04 | ||||||||||||||
| Тепло в час | 4,51 | Гкал | ||||||||||||||
| Тепло в год | 47 357,53 | |||||||||||||||
| Количество часов использования тепловой мощности | 3 500 | |||||||||||||||
| Выручка от тепла | 165 751,37 | |||||||||||||||
| Цена 1 Гкал | 3,50 | долл | ||||||||||||||
| Количество установок | 3 | |||||||||||||||
| Расход топлива на тепло | 7 517,07 | |||||||||||||||
| Расход топлива на э/э | 15 514,38 | |||||||||||||||
| КПД замещаемой котельной | 0,90 | |||||||||||||||
| aэ | 0,67 | |||||||||||||||
| Расчет себестоимости единицы продукции на ТЭЦ | ||||||||||||||||
| №пп | Стадии пр-ва | Ит | Иост | |||||||||||||
| 1 | Тепло | 0,326 | 0,326 | |||||||||||||
| тыс. $ | 242,291 | 50,05 | ||||||||||||||
| 2 | Электроэнергия | 0,674 | 0,674 | |||||||||||||
| тыс. $ | 500,061 | 103,30 | ||||||||||||||
| 3 | Себест-ть э/э, цент/кВт·ч | 1,419 | ||||||||||||||
| 4 | Себест-ть т/э, $/Гкал | 6,173 | ||||||||||||||
Sheet 13: Кредит
| График использования кредитных ресурсов | ||||||||||
| Конец | ||||||||||
| t | 1 | 2 | 3 | 4 | 5 | 6 | 7 | 8 | 9 | 10 |
| Основной долг | 300000 | 425000 | 500000 | 802250 | 687643 | 573036 | 458429 | 343821 | 229214 | 114607 |
| Выплаты основного долга | 0 | 0 | 0 | 114607 | 114607 | 114607 | 114607 | 114607 | 114607 | 114607 |
| Остаток основного долга | 300000 | 425000 | 500000 | 802250 | 687643 | 458429 | 343821 | 229214 | 114607 | 0 |
| rб | 72000 | 102000 | 120000 | 192540 | 165034 | 137529 | 110023 | 82517 | 55011 | 27506 |
| rко | 6000 | 2250 | 0 | 0 | 0 | 0 | 0 | 0 | 0 | 0 |
| SВ% | 78000 | 104250 | 120000 | 192540 | 165034 | 137529 | 110023 | 82517 | 55011 | 27506 |
| Итого | 0 | 0 | 0 | 307147 | 279641 | 252136 | 224630 | 197124 | 169619 | 142113 |
| Срок | 10 | лет | ||||||||
| rб | 24 | % | ||||||||
| %кредита | 50 | % | ||||||||
| К | 1000000 | |||||||||
| Ксоб | 500000 | |||||||||
| Ккр | 500000 | |||||||||
| Тл | 3 | |||||||||
| rко, % | 3 | |||||||||
| Распределение кредитных средств по годам | ||||||||||
| Ккр | 300000 | 125000 | 75000 | |||||||
| Вкр | 114607,142857143 | 500000 |
Sheet 14: финанализ с кредитом
| АИ-20 | 1 | 2 | 3 | 4 | 5 | 6 | 7 | 8 | 9 | 10 | |||||
| Nед, МВт | 2,50 | aк | 60 | 25 | 15 | 0 | 0 | 0 | 0 | 0 | 0 | 0 | |||
| Число часов использ уст мощ-ти | 6 000 | av | 60 | 100 | 100 | 100 | 100 | 100 | 100 | 100 | 100 | 100 | |||
| Норма аморт | 0,10 | I этап. Расчет ФЭИП при реализации за счет собственных средств | |||||||||||||
| Расход на соб нужды % | 5,50 | № пп | Показатель | 0 | 1 | 2 | 3 | 4 | 5 | 6 | 7 | 8 | 9 | 10 | Итого |
| ФОТ годовой usd/год | 2 400 | 1 | Выручка,% | 0,00 | 60,00 | 100,00 | 100,00 | 100,00 | 100,00 | 100,00 | 100,00 | 100,00 | 100,00 | 100,00 | 960,00 |
| Ставка дисконтирования | 20% | тыс. $ | 0,00 | 431,15 | 718,58 | 718,58 | 718,58 | 718,58 | 718,58 | 718,58 | 718,58 | 718,58 | 718,58 | 6898,33 | |
| Прочие отчисления | 0,25 | 2 | Издержки,% | 0,00 | 60,00 | 100,00 | 100,00 | 100,00 | 100,00 | 100,00 | 100,00 | 100,00 | 100,00 | 100,00 | 960,00 |
| Отчисления соцстрах | 35% | тыс. $ | 0,00 | 259,04 | 431,73 | 431,73 | 431,73 | 431,73 | 431,73 | 431,73 | 431,73 | 431,73 | 431,73 | 4144,62 | |
| 3 | Выплаты, тыс. $ | 0,00 | 0,00 | 0,00 | 307,15 | 279,64 | 252,14 | 224,63 | 197,12 | 169,62 | 142,11 | 1572,41 | |||
| поток наличности | 329 476 | 4 | Прибыль, % | 0,00 | 60,00 | 100,00 | 100,00 | 100,00 | 100,00 | 100,00 | 100,00 | 100,00 | 100,00 | 100,00 | 960,00 |
| чистая прибыль | 229 476 | тыс. $ | 0,00 | 172,11 | 286,84 | 286,84 | -20,30 | 7,20 | 34,71 | 62,21 | 89,72 | 117,23 | 144,73 | 1181,30 | |
| капвложения | 1 000 000 | 5 | Чистая прибыль, % | 0,00 | 60,00 | 100,00 | 100,00 | 100,00 | 100,00 | 100,00 | 100,00 | 100,00 | 100,00 | 100,00 | 960,00 |
| прибыль | 286 845 | тыс. $ | 0,00 | 137,69 | 229,48 | 229,48 | -16,24 | 5,76 | 27,77 | 49,77 | 71,78 | 93,78 | 115,79 | 945,04 | |
| налог | 57 369 | 6 | ПН, тыс $ | 0,00 | 197,69 | 329,48 | 329,48 | 83,76 | 105,76 | 127,77 | 149,77 | 171,78 | 193,78 | 215,79 | 1905,04 |
| выручка | 718 576 | 7 | Капитал,% | 0,00 | 60,00 | 25,00 | 15,00 | 0,00 | 0,00 | 0,00 | 0,00 | 0,00 | 0,00 | 0,00 | 100,00 |
| Расход топлив ГТУ, тут/год | 23 031 | тыс. $ | 0,00 | 300,00 | 125,00 | 75,00 | 0,00 | 0,00 | 0,00 | 0,00 | 0,00 | 0,00 | 0,00 | 500,00 | |
| Цена нат. топлива | 15,00 | 8 | ЧПН, тыс. $ | 0,00 | -102,31 | 204,48 | 254,48 | 83,76 | 105,76 | 127,77 | 149,77 | 171,78 | 193,78 | 215,79 | 1405,04 |
| Qрн | 8 687 | 9 | ДЧПН при Е=0,2, тыс. $ | 0,00 | -85,26 | 142,00 | 147,27 | 40,39 | 42,50 | 42,79 | 41,80 | 39,95 | 37,56 | 34,85 | 483,84 |
| Qур | 7 000 | 10 | Кумулят. ЧПН, тыс. $ | 0,00 | -85,26 | 56,73 | 204,00 | 244,39 | 286,90 | 329,69 | 371,48 | 411,43 | 448,99 | 483,84 | |
| Цена усл. топлива | 12,09 | 11 | ДЧПН при Е=IRR, тыс. $ | 0,00 | -34,25 | 22,92 | 9,55 | 1,05 | 0,44 | 0,18 | 0,07 | 0,03 | 0,01 | 0,00 | 0,00 |
| Издержки на топливо | 278 382 | 0,00 | -34,25 | -11,34 | -1,79 | -0,73 | -0,29 | -0,11 | -0,04 | -0,01 | 0,00 | 0,00 | |||
| Издержки на амортизацию | 100 000 | IRR= | 1,9870 | ||||||||||||
| Издержки на з/п | 16 800 | PBP= | 4,25 | ||||||||||||
| Издержки соцстрах | 5 880 | CP= | 34,8368638933 | ||||||||||||
| Прочие издержки | 30 670 | Ипер | 278 382 | ||||||||||||
| Суммарные издержки | 431 732 | Ипост | 153 350 | ||||||||||||
| Тариф | $0,013 | За электроэнергию | |||||||||||||
| Отпущенная электроэнергия | 42 525 | 552 825,00 руб. | |||||||||||||
| Налог на прибыль | 20% | 718 576,37 | |||||||||||||
| 12,61 | сум | 286 844,62 | |||||||||||||
| Тепло в час | 4,51 | ||||||||||||||
| Тепло в год | 47 357,53 | ||||||||||||||
| Количество часов использования тепловой мощности | 3 500 | ||||||||||||||
| Выручка от тепла | 165 751,37 | ||||||||||||||
| Цена 1 Гкал | 3,50 | долл | |||||||||||||
| Количество установок | 3 | ||||||||||||||
Sheet 15: финанализ с АБХМ
| АИ-20 | 1 | 2 | 3 | 4 | 5 | 6 | 7 | 8 | 9 | 10 | ||||||
| Nед, МВт | 2,50 | aк | 60 | 25 | 15 | 0 | 0 | 0 | 0 | 0 | 0 | 0 | ||||
| Число часов использ уст мощ-ти | 6 000 | av | 60 | 100 | 100 | 100 | 100 | 100 | 100 | 100 | 100 | 100 | ||||
| Норма аморт | 0,10 | I этап. Расчет ФЭИП при реализации за счет собственных средств | ||||||||||||||
| Расход на соб нужды % | 7,50 | № пп | Показатель | 0 | 1 | 2 | 3 | 4 | 5 | 6 | 7 | 8 | 9 | 10 | Итого | |
| ФОТ годовой usd/год | 2 400 | 1 | Выручка,% | 0,00 | 60,00 | 100,00 | 100,00 | 100,00 | 100,00 | 100,00 | 100,00 | 100,00 | 100,00 | 100,00 | 960,00 | |
| Ставка дисконтирования | 20% | тыс. $ | 0,00 | 474,40 | 790,66 | 790,66 | 790,66 | 790,66 | 790,66 | 790,66 | 790,66 | 790,66 | 790,66 | 7590,38 | ||
| Прочие отчисления | 0,25 | 2 | Издержки,% | 0,00 | 60,00 | 100,00 | 100,00 | 100,00 | 100,00 | 100,00 | 100,00 | 100,00 | 100,00 | 100,00 | 960,00 | |
| Отчисления соцстрах | 35% | тыс. $ | 0,00 | 270,29 | 450,48 | 450,48 | 450,48 | 450,48 | 450,48 | 450,48 | 450,48 | 450,48 | 450,48 | 4324,62 | ||
| 3 | Выплаты, тыс. $ | 0,00 | 0,00 | 0,00 | 0,00 | 0,00 | 0,00 | 0,00 | 0,00 | 0,00 | 0,00 | 0,00 | ||||
| поток наличности | 387 146 | 4 | Прибыль, % | 0,00 | 60,00 | 100,00 | 100,00 | 100,00 | 100,00 | 100,00 | 100,00 | 100,00 | 100,00 | 100,00 | 960,00 | |
| чистая прибыль | 272 146 | тыс. $ | 0,00 | 204,11 | 340,18 | 340,18 | 340,18 | 340,18 | 340,18 | 340,18 | 340,18 | 340,18 | 340,18 | 3265,76 | ||
| капвложения | 1 150 000 | 5 | Чистая прибыль, % | 0,00 | 60,00 | 100,00 | 100,00 | 100,00 | 100,00 | 100,00 | 100,00 | 100,00 | 100,00 | 100,00 | 960,00 | |
| прибыль | 340 183 | тыс. $ | 0,00 | 163,29 | 272,15 | 272,15 | 272,15 | 272,15 | 272,15 | 272,15 | 272,15 | 272,15 | 272,15 | 2612,61 | ||
| налог | 68 037 | 6 | ПН, тыс $ | 0,00 | 232,29 | 387,15 | 387,15 | 387,15 | 387,15 | 387,15 | 387,15 | 387,15 | 387,15 | 387,15 | 3716,61 | |
| выручка | 790 665 | 7 | Капитал,% | 0,00 | 60,00 | 25,00 | 15,00 | 0,00 | 0,00 | 0,00 | 0,00 | 0,00 | 0,00 | 0,00 | 100,00 | |
| Расход топлив ГТУ, тут/год | 23 031 | тыс. $ | 0,00 | 690,00 | 287,50 | 172,50 | 0,00 | 0,00 | 0,00 | 0,00 | 0,00 | 0,00 | 0,00 | 1150,00 | ||
| Цена нат. топлива | 15,00 | 8 | ЧПН, тыс. $ | 0,00 | -457,71 | 99,65 | 214,65 | 387,15 | 387,15 | 387,15 | 387,15 | 387,15 | 387,15 | 387,15 | 2566,61 | |
| Qрн | 8 687 | 9 | ДЧПН при Е=0,2, тыс. $ | 0,00 | -381,43 | 69,20 | 124,22 | 186,70 | 155,59 | 129,65 | 108,05 | 90,04 | 75,03 | 62,53 | 619,57 | |
| Qур | 7 000 | 10 | Кумулят. ЧПН, тыс. $ | 0,00 | -381,43 | -312,23 | -188,01 | -1,31 | 154,28 | 283,93 | 391,98 | 482,01 | 557,05 | 619,57 | ||
| Цена усл. топлива | 12,09 | 11 | ДЧПН при Е=IRR, тыс. $ | 0,00 | -300,06 | 42,82 | 60,47 | 71,51 | 46,88 | 30,73 | 20,15 | 13,21 | 8,66 | 5,68 | 0,04 | |
| Издержки на топливо | 278 382 | 0,00 | -300,06 | -257,24 | -196,76 | -125,26 | -78,38 | -47,65 | -27,50 | -14,30 | -5,64 | 0,04 | 0,60 | |||
| Издержки на амортизацию | 115 000 | IRR= | 0,5254 | |||||||||||||
| Издержки на з/п | 16 800 | PBP= | 4 | |||||||||||||
| Издержки соцстрах | 5 880 | CP= | 33,5947105753 | |||||||||||||
| Прочие издержки | 34 420 | Ипер | 278 382 | |||||||||||||
| Суммарные издержки | 450 482 | Ипост | 172 100 | |||||||||||||
| Тариф | $0,013 | За электроэнергию | ||||||||||||||
| Отпущенная электроэнергия | 41 625 | 541 125,00 руб. | ||||||||||||||
| Налог на прибыль | 20% | 706 876,37 | ||||||||||||||
| 12,61 | сум | 256 394,62 | ||||||||||||||
| Тепло в час | 4,51 | |||||||||||||||
| Тепло в год | 47 357,53 | |||||||||||||||
| Количество часов использования тепловой мощности | 3 500 | |||||||||||||||
| Выручка от тепла | 165 751,37 | |||||||||||||||
| Цена 1 Гкал | 3,50 | долл | ||||||||||||||
| Количество установок | 3 | |||||||||||||||
| Количество часов использования холодильной мощности | 2 500 | |||||||||||||||
| Цена 1 Гкал холода | 7,565 | $ | ||||||||||||||
| Холодопроизводительность | 4430319 | ккал/ч | ||||||||||||||
| Отпущенное количество холода, Гкал | 11 076 | |||||||||||||||
| Холдильный коэффициент замещаемой электропотребляющей холодильной установки | 2,00 | |||||||||||||||
| Расход электроэнергии на 1 ккал/ч холода в замещаемой установке, квт·ч/(ккал/ч) | 0,00058 | |||||||||||||||
| Выручка от отпущенного холода | 83 788 | |||||||||||||||
Sheet 16: Кредит с АБХМ
| График использования кредитных ресурсов | ||||||||||
| Конец | ||||||||||
| t | 1 | 2 | 3 | 4 | 5 | 6 | 7 | 8 | 9 | 10 |
| Основной долг | 345000 | 488750 | 575000 | 922588 | 790789 | 658991 | 527193 | 395395 | 263596 | 131798 |
| Выплаты основного долга | 0 | 0 | 0 | 131798 | 131798 | 131798 | 131798 | 131798 | 131798 | 131798 |
| Остаток основного долга | 345000 | 488750 | 575000 | 922588 | 790789 | 527193 | 395395 | 263596 | 131798 | 0 |
| rб | 82800 | 117300 | 138000 | 221421 | 189789 | 158158 | 126526 | 94895 | 63263 | 31632 |
| rко | 6900 | 2588 | 0 | 0 | 0 | 0 | 0 | 0 | 0 | 0 |
| SВ% | 89700 | 119888 | 138000 | 221421 | 189789 | 158158 | 126526 | 94895 | 63263 | 31632 |
| Итого | 0 | 0 | 0 | 353219 | 321588 | 289956 | 258325 | 226693 | 195061 | 163430 |
| Срок | 10 | лет | ||||||||
| rб | 24 | % | ||||||||
| %кредита | 50 | % | ||||||||
| К | 1150000 | |||||||||
| Ксоб | 575000 | |||||||||
| Ккр | 575000 | |||||||||
| Тл | 3 | |||||||||
| rко, % | 3 | |||||||||
| Распределение кредитных средств по годам | ||||||||||
| Ккр | 345000 | 143750 | 86250 | |||||||
| Вкр | 131798,214285714 | 575000 |
Sheet 17: финанализ с АБХМ с кредитом
| АИ-20 | 1 | 2 | 3 | 4 | 5 | 6 | 7 | 8 | 9 | 10 | |||||||
| Nед, МВт | 2,50 | aк | 60 | 25 | 15 | 0 | 0 | 0 | 0 | 0 | 0 | 0 | |||||
| Число часов использ уст мощ-ти | 6 000 | av | 60 | 100 | 100 | 100 | 100 | 100 | 100 | 100 | 100 | 100 | |||||
| Норма аморт | 0,10 | I этап. Расчет ФЭИП при реализации за счет собственных средств | |||||||||||||||
| Расход на соб нужды % | 7,50 | № пп | Показатель | 0 | 1 | 2 | 3 | 4 | 5 | 6 | 7 | 8 | 9 | 10 | Итого | ||
| ФОТ годовой usd/год | 2 400 | 1 | Выручка,% | 0,00 | 60,00 | 100,00 | 100,00 | 100,00 | 100,00 | 100,00 | 100,00 | 100,00 | 100,00 | 100,00 | 960,00 | ||
| Ставка дисконтирования | 20% | тыс. $ | 0,00 | 474,40 | 790,66 | 790,66 | 790,66 | 790,66 | 790,66 | 790,66 | 790,66 | 790,66 | 790,66 | 7590,38 | |||
| Прочие отчисления | 0,25 | 2 | Издержки,% | 0,00 | 60,00 | 100,00 | 100,00 | 100,00 | 100,00 | 100,00 | 100,00 | 100,00 | 100,00 | 100,00 | 960,00 | ||
| Отчисления соцстрах | 35% | тыс. $ | 0,00 | 270,29 | 450,48 | 450,48 | 450,48 | 450,48 | 450,48 | 450,48 | 450,48 | 450,48 | 450,48 | 4324,62 | |||
| 3 | Выплаты, тыс. $ | 0,00 | 0,00 | 0,00 | 353,22 | 321,59 | 289,96 | 258,32 | 226,69 | 195,06 | 163,43 | 1808,27 | |||||
| поток наличности | 387 146 | 4 | Прибыль, % | 0,00 | 60,00 | 100,00 | 100,00 | 100,00 | 100,00 | 100,00 | 100,00 | 100,00 | 100,00 | 100,00 | 960,00 | ||
| чистая прибыль | 272 146 | тыс. $ | 0,00 | 204,11 | 340,18 | 340,18 | -13,04 | 18,60 | 50,23 | 81,86 | 113,49 | 145,12 | 176,75 | 1457,49 | |||
| капвложения | 1 150 000 | 5 | Чистая прибыль, % | 0,00 | 60,00 | 100,00 | 100,00 | 100,00 | 100,00 | 100,00 | 100,00 | 100,00 | 100,00 | 100,00 | 960,00 | ||
| прибыль | 340 183 | тыс. $ | 0,00 | 163,29 | 272,15 | 272,15 | -10,43 | 14,88 | 40,18 | 65,49 | 90,79 | 116,10 | 141,40 | 1165,99 | |||
| налог | 68 037 | 6 | ПН, тыс $ | 0,00 | 232,29 | 387,15 | 387,15 | 104,57 | 129,88 | 155,18 | 180,49 | 205,79 | 231,10 | 256,40 | 2269,99 | ||
| выручка | 790 665 | 7 | Капитал,% | 0,00 | 60,00 | 25,00 | 15,00 | 0,00 | 0,00 | 0,00 | 0,00 | 0,00 | 0,00 | 0,00 | 100,00 | ||
| Расход топлив ГТУ, тут/год | 23 031 | тыс. $ | 0,00 | 345,00 | 143,75 | 86,25 | 0,00 | 0,00 | 0,00 | 0,00 | 0,00 | 0,00 | 0,00 | 575,00 | |||
| Цена нат. топлива | 15,00 | 8 | ЧПН, тыс. $ | 0,00 | -112,71 | 243,40 | 300,90 | 104,57 | 129,88 | 155,18 | 180,49 | 205,79 | 231,10 | 256,40 | 1694,99 | ||
| Qрн | 8 687 | 9 | ДЧПН при Е=0,2, тыс. $ | 0,00 | -93,93 | 169,03 | 174,13 | 50,43 | 52,19 | 51,97 | 50,37 | 47,86 | 44,79 | 41,41 | 588,25 | ||
| Qур | 7 000 | 10 | Кумулят. ЧПН, тыс. $ | 0,00 | -93,93 | 75,10 | 249,23 | 299,66 | 351,85 | 403,82 | 454,19 | 502,05 | 546,84 | 588,25 | |||
| Цена усл. топлива | 12,09 | 11 | ДЧПН при Е=IRR, тыс. $ | 0,00 | -35,70 | 24,42 | 9,56 | 1,05 | 0,41 | 0,16 | 0,06 | 0,02 | 0,01 | 0,00 | -0,01 | ||
| Издержки на топливо | 278 382 | 0,00 | -35,70 | -11,28 | -1,72 | -0,67 | -0,25 | -0,09 | -0,04 | -0,02 | -0,01 | -0,01 | 0,60 | ||||
| Издержки на амортизацию | 115 000 | IRR= | 2,1570 | ||||||||||||||
| Издержки на з/п | 16 800 | PBP= | 1,25 | ||||||||||||||
| Издержки соцстрах | 5 880 | CP= | 33,5947105753 | ||||||||||||||
| Прочие издержки | 34 420 | Ипер | 278 382 | ||||||||||||||
| Суммарные издержки | 450 482 | Ипост | 172 100 | ||||||||||||||
| Тариф | $0,013 | За электроэнергию | |||||||||||||||
| Отпущенная электроэнергия | 41 625 | 541 125,00 руб. | |||||||||||||||
| Налог на прибыль | 20% | 706 876,37 | |||||||||||||||
| 12,61 | сум | 256 394,62 | |||||||||||||||
| Тепло в час | 4,51 | ||||||||||||||||
| Тепло в год | 47 357,53 | ||||||||||||||||
| Количество часов использования тепловой мощности | 3 500 | ||||||||||||||||
| Выручка от тепла | 165 751,37 | ||||||||||||||||
| Цена 1 Гкал | 3,50 | долл | |||||||||||||||
| Количество установок | 3 | ||||||||||||||||
| Количество часов использования холодильной мощности | 2 500 | ||||||||||||||||
| Цена 1 Гкал холода | 7,565 | $ | |||||||||||||||
| Холодопроизводительность | 4430319 | ккал/ч | |||||||||||||||
| Отпущенное количество холода, Гкал | 11 076 | ||||||||||||||||
| Холдильный коэффициент замещаемой электропотребляющей холодильной установки | 2,00 | ||||||||||||||||
| Расход электроэнергии на 1 ккал/ч холода в замещаемой установке, квт·ч/(ккал/ч) | 0,00058 | ||||||||||||||||
| Выручка от отпущенного холода | 83 788 | ||||||||||||||||
Overview
КомпрессорКамера сгорания
Газовая турбина
Свойства газов (x) (2)
HRSG - technical data
HRSG - calculation
финанализ
Кредит
финанализ с кредитом
финанализ с АБХМ
Кредит с АБХМ
финанализ с АБХМ с кредитом
Sheet 1: Компрессор
| Темп. возд. (ср. годовая) | °С | 15 | ||
| Давление атм. | кПа | 95,3 | 715 | мм. рт. ст. |
| Степень повышения давления | 7,2 | |||
| Давление на выходе из компрессора | кПа | 686,16 | ||
| Энтропия на входе | 0,0536 | |||
| Энтропия на выходе | 0,6201 | |||
| Темп. возд. на выходе (идеальн) | 231 | |||
| КПД компрессора | 0,87 | |||
| Энтальпия на входе в компрессор | кДж/кг | 15,04 | ||
| Энтальпия на выходе из компрессора (идеальн) | кДж/кг | 234,06 | ||
| Работа сжатия воздуха в компрессора | кДж/кг | 251,75 | ||
| Действительная энтальпия воздуха на выходе из компрессора | кДж/кг | 266,79 | ||
| Действительная температура на выходе из компрессора | °С | 262,68 | ||
| ГОТОВО!!! |
Sheet 2: Камера сгорания
| Расчет камеры сгорания | ||||||
| Газ | Теплоемкость компонентов | |||||
| СН4 | % | 90,6 | 1,70114 | 1,5412 | ||
| С2Н6 | % | 3,45 | 2,637605 | 0,091 | ||
| С3Н8 | % | 0,9 | 3,739575 | 0,0337 | ||
| С4Н10 | % | 0,38 | 4,984005 | 0,0189 | ||
| С5Н12 | % | 0,3 | 6,18025 | 0,0185 | ||
| Н2S | % | 0,08 | 1,548205 | 0,0012 | ||
| CO2 | % | 2,69 | 0,9569 | 0,0257 | Суммарная теплоемкость, кДж/кг | |
| O2 | % | 1,6 | 0,9473 | 0,0152 | 1,7454 | 2,3179282869 |
| Qрн | кДж/нм3 | 36400 | кДж/кг | 48340 | 8687,3508353222 | |
| Плотность | кг/нм3 | 0,753 | 10151,4 | |||
| Теоретический объем воздуха | м3/м3 | 9,575 | ||||
| Плотность воздуха | кг/нм3 | 1,292 | ||||
| Теоретическая масса воздуха | кг/кг | 16,43 | ||||
| Теор. объем азота | м3/м3 | 7,564 | ||||
| Объем трехатомных газов | м3/м3 | 1,06 | ||||
| Объем водяных паров | м3/м3 | 1,989 | ||||
| Объем дымовых газов | м3/м3 | 10,613 | ||||
| Объемная доля трехатомных газов | 0,1 | |||||
| Объемная доля водяных паров | 0,187 | |||||
| Объемная доля азота | 0,713 | 1 | ||||
| Плотность азота | кг/м3 | 1,250 | ||||
| Плотность трехатомных газов | кг/м3 | 1,963 | ||||
| Количество трехатомных газов | кг/кг | 2,76 | ||||
| Количество водяных паров | кг/кг | 2,12 | ||||
| Количество азота | кг/кг | 12,55 | ||||
| Количество газов | кг/кг | 17,43 | ||||
| Массовая доля вод. паров | 0,122 | |||||
| Массовая доля трехатомных газов | 0,158 | |||||
| Массовая доля азота | 0,72 | |||||
| Температура на выходе из камеры сгорания | °С | 750 | ||||
| Энтальпия вод. паров | кДж/кг | 1543,74 | ||||
| Энтальпия RO2 | кДж/кг | 808,72 | ||||
| Энтальпия азота | кДж/кг | 819,17 | ||||
| Энтальпия продуктов сгорания при a=1 (750°C) | кДж/кг | 905,91644 | ||||
| КПД камеры сгорания | 0,98 | |||||
| Температура топлива | °С | 15 | ||||
| Теплоемкость топлива | кДж/(кг·°С) | 2,318 | ||||
| Энтальпия топлива | кДж/кг | 34,77 | ||||
| Энтальпия воздуха при температуре на выходе из камеры сгорания | кДж/кг | 799,10 | ||||
| Относительное количество воздуха, содержащееся в продуктах сгорания за камерой сгорания | кг/кг | 67,63 | ||||
| Коэффициент избытка воздуха на выходе из камеры сгорания | 5,116 | |||||
| Увеличение удельного расхода рабочего тела в камере сгорания | 0,0119 | |||||
| Масса продуктов сгорания на 1 кг сожженного топлива | кг/кг | 85,06 | ||||
| Массовая доля вод. паров | кг/кг | 0,0249 | ||||
| Массовая доля трехатомных газов | кг/кг | 0,0324 | ||||
| Массовая доля азота | кг/кг | 0,1475 | ||||
| Массовая доля избыточного воздуха | кг/кг | 0,7952 | 1 | |||
| ГОТОВО!!! |
Sheet 3: Газовая турбина
| КПД турбины (адиабатный) | 0,88 | |||
| Потери давления в турбине | 0,03 | |||
| Степень понижения давления в турбине | 7,2 | |||
| Степень понижения давления в турбине | 6,984 | |||
| Масса продуктов сгорания на 1 кг сожженного топлива | кг/кг | 85,06 | ||
| Массовая доля вод. паров | кг/кг | 0,0249 | ||
| Массовая доля трехатомных газов | кг/кг | 0,0324 | ||
| Массовая доля азота | кг/кг | 0,1475 | ||
| Массовая доля избыточного воздуха | кг/кг | 0,7952 | ||
| Газовая постоянная продуктов сгорания | 0,2896 | |||
| Энтропия на входе в турбину | кДж/(кг·К) | 1,4221 | ||
| Энтропия на выходе из турбины | кДж/(кг·К) | 0,8592 | ||
| Температура на выходе из турбины (теоретическая) | °С | 348,9 | ||
| Энтальпия газов на входе в турбину | кДж/кг | 820,91 | ||
| Энтальпия газов на выходе из турбины | кДж/кг | 365,75 | ||
| Работа расширения газа в турбине | кДж/кг | 400,54 | ||
| Энтальпия на выходе из турбины (действ) | кДж/кг | 420,37 | ||
| Температура на выходе из турбины (действ) | °С | 398,98 | ||
| Средняя температура стенки лопаток | °С | 600 | ||
| Число охлаждаемых венцов | 1 | |||
| a | 1 | |||
| b | 0 | |||
| Средняя температура рабочего тела, при которой отводится теплота охлаждения | °С | 750 | Tq | |
| a* | 0,02 | |||
| Теплоемкость продуктов сгорания при Tq и a | кДж/кг | 1,1817 | ||
| Количество теплоты, отводимой от охлаждаемых элементов проточной части | кДж/кг | 3,55 | qохл | |
| Коэффициент потери работы при закрытом охлаждении | 0,3431 | |||
| Удельная работа расширения газа | кДж/кг | 399,3 | ||
| Энтальпия в конце расширения | кДж/кг | 418,1 | ||
| Средняя температура газа, при которой охладитель вводится в проточную часть | °С | 600 | Tg | |
| Показатель политропы процесса расширения | m'sт | 0,2162 | ||
| Степень понижения давления охладителя | pохл | 3,401 | ||
| Коэффициент использования хладоресурса охладителя | kисп | 0,42 | ||
| Расход воздуха на охлаждение дисков и элементов статора | Dgохл | 0,02 | ||
| Температура воздуха для охлаждения | 262,68 | |||
| Энтальпия | 266,79 | |||
| Расход воздуха на охлаждение | gохл | 0,043 | ||
| Температура (средняя) | 431,34 | |||
| Средняя изобарная теплоемкость охладителя | 1,0753 | |||
| Средняя энтальпия охладителя при выводе в проточную часть | iохл3 | 349,3 | ||
| Средняя температура охладителя | tохл3 | 341,63 | ||
| Политропический КПД расширения газов | hпол | 0,85 | ||
| Энтропия на выходе из турбины (действ) | 0,9438 | |||
| Энтропия охладителя при tохл3 | 0,8267 | |||
| Энтропия охладителя в конце процесса расширения | 0,5281 | |||
| Температура охладителя в конце процесса расширения | tохл4 | 187,7 | ||
| Энтальпия охладителя в конце процесса расширения | iохл4 | 189,62 | ||
| Работа расширения охладителя | Нохл | 6,866 | ||
| Суммарная удельная работа расширения газа и охладителя | Hт | 406,166 | ||
| Расход охладителя, отнесенный к расходу воздуха через компрессор | g'охл | 0,0417 | ||
| Коэффициент избытка воздуха смеси газа и охладителя | aсм | 5,339 | ||
| Энтальпия смеси газа и охладителя за турбиной | i4 | 408,7 | ||
| Температура на выходе из турбины | t4 | 388,69 | ||
| Избыточное количество воздуха на выходе из турбины | gв | 71,29 | ||
| Масса продуктов сгорания на 1 кг сожженного топлива | 88,72 | |||
| Доля RO2 | 0,031 | |||
| Доля N2 | 0,1415 | |||
| Доля вод. паров | 0,0239 | |||
| Доля воздуха | 0,8035 | |||
| Выходные характеристики ГТУ | ||||
| Удельная полезная работа ГТУ | He | 139,27 | ||
| Мех. КПД | 0,98 | |||
| КПД генератора | 0,95 | |||
| Коэффициент полезной работы | j | 0,3536 | ||
| Мощность | МВт | 2,5 | ||
| Расход воздуха при мощности 2,5 МВт | кг/с | 17,95 | ||
| Расход топлива | кг/с | 0,21 | ||
| Расход выхлопных газов | кг/с | 18,16 | ||
| Расход теплоты на турбину | 551,07 | |||
| Электрический КПД ГТУ | 24,0% | |||
| Удельный расход условного топлива на выработанную электроэнергию | гут/(кВт·ч) | 511,81 | ГОТОВО!!! |
Sheet 4: Свойства газов (x) (2)
| Изобарная теплоемкость | Вводить только синий текст | gВ | gN2 | gRO2 | gH3O | Продукты сгорания при a | 5,116 | ||||||||
| m | 28,97 | 28,016 | 28,15 | 32 | 44,01 | 18,016 | 28,01 | 2,016 | 0,8035 | 0,1415 | 0,0311 | 0,0239 | 1 | ||
| t | 116,6 | 116,6 | 116,6 | 116,6 | 116,6 | 116,6 | 116,6 | 116,6 | 116,6 | 116,6 | 116,6 | 116,6 | 120 | ||
| T | 389,75 | 389,75 | 389,75 | 389,75 | 389,75 | 389,75 | 389,75 | 389,75 | 0,2895 | ||||||
| 8,3142 | возд | N2 | N2' | O2 | CO2 | H3O | CO | H3 | Изобарная теплоемкость | ||||||
| 29,311 | 29,221 | 29,126 | 30,005 | 40,907 | 34,182 | 29,305 | 29,148 | ||||||||
| 1,0118 | 1,043 | 1,0347 | 0,9377 | 0,9295 | 1,8973 | 1,0462 | 14,4583 | 1,0118 | 1,043 | 0,9295 | 1,8973 | 1,0348 | |||
| Энтальпия | Энтальпия | ||||||||||||||
| 11314,7 | 11334,3 | 11307,6 | 11375,1 | 12948,3 | 12998,1 | 11343,9 | 11124,2 | ||||||||
| 390,57 | 404,57 | 401,69 | 355,47 | 294,21 | 721,48 | 404,99 | 5517,96 | ||||||||
| 117,34 | 121,29 | 120,31 | 107,72 | 102,12 | 218,69 | 121,43 | 1673,86 | 117,34 | 121,29 | 102,12 | 218,69 | 119,85 | |||
| -231,9600 | 349,3000 | 632,3 | -514,96 | 420,37 | 300,52 | ||||||||||
| Энтропия | Энтропия | ||||||||||||||
| 201,797 | 199,312 | 198,854 | 212,997 | 224,089 | 197,777 | 205,719 | 138,360 | ||||||||
| 6,9657 | 7,1142 | 7,0641 | 6,6562 | 5,0918 | 10,9778 | 7,3445 | 68,6307 | ||||||||
| 0,6201 | 0,3576 | 0,3697 | 0,3668 | 0,3282 | 0,3102 | 0,6662 | 0,3702 | 5,1002 | 0,3576 | 0,3697 | 0,3102 | 0,6662 | 0,3652 | ||
| 0,5281 | 0,1705 | 0,8592 | -0,494 | ||||||||||||
| p0 | 3,4747 | 2,5770 | 2,4389 | 13,3646 | 0,5074 | 2,1425 | 5,5694 | 16,8751 | 3,4747 | 2,577 | 0,5074 | 2,1425 | 3,2236 | ||
| Cv | 0,7248 | 0,7462 | 0,7393 | 0,6778 | 0,7406 | 1,4358 | 0,7494 | 10,3342 | 0,7248 | 0,7462 | 0,7406 | 1,4358 | 0,7453 | ||
| k | 1,396 | 1,398 | 1,4 | 1,383 | 1,255 | 1,321 | 1,396 | 1,399 | 1,396 | 1,398 | 1,255 | 1,321 | 1,39 | ||
| Внутренняя энергия | 8074,2 | 8093,8 | 8067,1 | 8134,6 | 9707,8 | 9757,6 | 8103,4 | 7883,7 | 8074,24055 | 8093,84055 | 9707,84055 | 9757,64055 | 8168,05 | ||
| 278,71 | 288,9 | 286,58 | 254,21 | 220,58 | 541,61 | 289,31 | 3910,59 | 278,71 | 288,9 | 220,58 | 541,61 | 284,63 | |||
| Газовая постоянная | 0,287 | 0,2968 | 0,2954 | 0,2598 | 0,1889 | 0,4615 | 0,2968 | 4,1241 | 0,287 | 0,2968 | 0,1889 | 0,4615 | 0,2895 |
Sheet 5: HRSG - technical data
| Температура на входе | 388,69 | °С | -219,9478 | |||
| Энтальпия на входе | 408,7 | кДж/кг | ||||
| Температура на выходе | 117 | °С | задано | |||
| Энтальпия на выходе | 119,85 | кДж/кг | ||||
| Расход газов | 18,16 | кг/с | ||||
| Тепловой поток, вносимый уходящими газами | 5245,516 | кДж/с | ||||
| ГПСВ (газовый подогреватель сетевой воды) | ||||||
| Расход воды | 8,33 | кг/с | 30 | т/ч | ||
| Температура воды на входе | 60 | °С | ||||
| Энтальпия воды на входе | 253,23 | кДж/кг | ||||
| Температура воды на выходе | 120 | °С | ||||
| Энтальпия воды на выходе | 505,05 | кДж/кг | ||||
| Расход теплоты в ГПСВ | 2097,6606 | кДж/с | 0,0005010176 | Гкал/с | 1,5030528805 | Гкал/ч |
| Теплота для испарения и перегрева | ||||||
| Расход пара | 1,39 | 5 | 1,3888888889 | |||
| Температура перегретого пара | 250 | °С | ||||
| Давление пара | 14 | ата | ||||
| Энтальпия перегретого пара | 2927,93 | кДж/кг | ||||
| Температура конденсата | 120 | °С | ||||
| Энтальпия конденсата | 505,05 | кДж/кг | ||||
| Расход теплоты в экономайзере, испарителе и перегревателе | 3367,8032 | кДж/с | 0,000804386 | Гкал/с | 2,8957895099 | Гкал/ч |
Sheet 6: HRSG - calculation
| Диаметр трубы нар | 0,028 | м | |||||
| Диаметр ребра | 0,048 | м | |||||
| Диаметр трубы внут | 0,022 | м | |||||
| Толщина ребра | 0,002 | м | |||||
| Шаг ребра | 0,005 | м | |||||
| Нрб/Н | 0,9005 | ||||||
| Нгл/Н | 0,0995 | ||||||
| Коэффициент-т теплоотдачи конвекцией при поперечном омывании шахматных пучков труб с круглыми ребрами | 55,3802608325 | 64,407 | |||||
| Сz | 1,02 | ||||||
| js - параметр, учитывающий геометрическое расположение труб в пучке | 1,228 | ||||||
| поперечный шаг труб | 0,06 | м | |||||
| отн поперечн шаг труб | 2,143 | ||||||
| продольный шаг труб | 0,045 | м | |||||
| отн продольн шаг труб | 1,607 | ||||||
| средний относительный диагональн шаг труб | 1,931 | ||||||
| l | 0,0336501973 | коэффициент теплопров-ти при средней температуре | |||||
| w | 8,806 | скорость газов | |||||
| u | 4,053666435E-005 | коэффициент кинем вязкости при средней температуре | |||||
| hрб | 0,01 | ||||||
| F | 1,6 | ||||||
| a | 2 | м | |||||
| b | 2 | м | |||||
| Объем газов | 14,09 | м3/с | |||||
| Ср температура газов | 252,65 | ||||||
| Мu | 0,9685 | ||||||
| Ml | 0,9313 | ||||||
| uг | 4,18551E-005 | ||||||
| lг | 0,0361325 | ||||||
| Приведенный коэф-т теплоотдачи | 45,3776442617 | 52,7742002764 | Вт/(м2*К) | ||||
| Е | 0,96 | ||||||
| m | 1 | ||||||
| e | 0 | для газа | |||||
| lм | 36 | ||||||
| b | 36,161 | bhрб | 0,36161 | D/d | 1,7142857143 | ||
| yрб | 0,85 | ||||||
| tб | 272,09 | ||||||
| tм | 60 | ||||||
| P | 0,1825428215 | ||||||
| R | 4,5348333333 | ||||||
| y | 1 | ||||||
| Dtб | 268,69 | ||||||
| Dtм | 56,6 | ||||||
| Dt | 71,26 | ||||||
| H | 1394,828 | ||||||
| Нгл | 138,785 | ||||||
| Нрб | 1256,043 | Кол-во труб | |||||
| Общ длина труб | 2629,5617591677 | 1577,7370555006 | В ширину | В длину | Длина ГПСВ | ||
| Количество труб | 1315 | 34 | 39 | 1326 | 1,755 | м | |
| Газовая часть | |||||||
| Температура на входе | 388,69 | °С | 0,1054 | ||||
| Энтальпия на входе | 408,7 | кДж/кг | |||||
| Температура на выходе | 116,6 | °С | задано | ||||
| Энтальпия на выходе | 119,85 | кДж/кг | |||||
| Расход газов | 18,16 | кг/с | |||||
| Тепловой поток, вносимый уходящими газами | 5245,516 | кДж/с | |||||
| ГПСВ (газовый подогреватель сетевой воды) | |||||||
| Расход воды | 20,83 | кг/с | 75 | т/ч | |||
| Температура воды на входе | 60 | °С | |||||
| Энтальпия воды на входе | 253,23 | кДж/кг | |||||
| Температура воды на выходе | 120 | °С | |||||
| Энтальпия воды на выходе | 505,05 | кДж/кг | |||||
| Расход теплоты в ГПСВ | 5245,4106 | кДж/с | 0,0012528448 | Гкал/с | 4,5102412726 | Гкал/ч | |
| кВт | |||||||
| КПИ | 76,30% | ||||||
| 288,8441960352 | |||||||
| Теплота для испарения и перегрева | |||||||
| Расход пара | 0 | 0 | 0 | ||||
| Температура перегретого пара | 250 | °С | |||||
| Давление пара | 14 | ата | |||||
| Энтальпия перегретого пара | 2927,93 | кДж/кг | |||||
| Температура конденсата | 120 | °С | |||||
| Энтальпия конденсата | 505,05 | кДж/кг | |||||
| Расход теплоты в экономайзере, испарителе и перегревателе | 0 | кДж/с | 0 | Гкал/с | 0 | Гкал/ч |
Sheet 7: финанализ
| АИ-20 | 1 | 2 | 3 | 4 | 5 | 6 | 7 | 8 | 9 | 10 | |||||||||
| Nед, МВт | 2,50 | aк | 60 | 25 | 15 | 0 | 0 | 0 | 0 | 0 | 0 | 0 | |||||||
| Число часов использ уст мощ-ти | 6 000 | av | 60 | 100 | 100 | 100 | 100 | 100 | 100 | 100 | 100 | 100 | |||||||
| Норма аморт | 0,10 | I этап. Расчет ФЭИП при реализации за счет собственных средств | |||||||||||||||||
| Расход на соб нужды % | 5,50 | № пп | Показатель | 0 | 1 | 2 | 3 | 4 | 5 | 6 | 7 | 8 | 9 | 10 | Итого | ||||
| ФОТ годовой usd/год | 2 400 | 1 | Выручка,% | 0,00 | 60,00 | 100,00 | 100,00 | 100,00 | 100,00 | 100,00 | 100,00 | 100,00 | 100,00 | 100,00 | 960,00 | ||||
| Ставка дисконтирования | 20% | тыс. $ | 0,00 | 431,15 | 718,58 | 718,58 | 718,58 | 718,58 | 718,58 | 718,58 | 718,58 | 718,58 | 718,58 | 6898,33 | |||||
| Прочие отчисления | 0,25 | 2 | Издержки,% | 0,00 | 60,00 | 100,00 | 100,00 | 100,00 | 100,00 | 100,00 | 100,00 | 100,00 | 100,00 | 100,00 | 960,00 | ||||
| Отчисления соцстрах | 37,2% | тыс. $ | 0,00 | 259,32 | 432,19 | 432,19 | 432,19 | 432,19 | 432,19 | 432,19 | 432,19 | 432,19 | 432,19 | 4149,06 | |||||
| поток наличности | 329 106 | 3 | Прибыль, % | 0,00 | 60,00 | 100,00 | 100,00 | 100,00 | 100,00 | 100,00 | 100,00 | 100,00 | 100,00 | 100,00 | 960,00 | ||||
| чистая прибыль | 229 106 | тыс. $ | 0,00 | 171,83 | 286,38 | 286,38 | 286,38 | 286,38 | 286,38 | 286,38 | 286,38 | 286,38 | 286,38 | 2749,27 | |||||
| капвложения | 1 000 000 | 4 | Чистая прибыль, % | 0,00 | 60,00 | 100,00 | 100,00 | 100,00 | 100,00 | 100,00 | 100,00 | 100,00 | 100,00 | 100,00 | 960,00 | ||||
| прибыль | 286 383 | тыс. $ | 0,00 | 137,46 | 229,11 | 229,11 | 229,11 | 229,11 | 229,11 | 229,11 | 229,11 | 229,11 | 229,11 | 2199,42 | |||||
| налог | 57 277 | 5 | ПН, тыс $ | 0,00 | 197,46 | 329,11 | 329,11 | 329,11 | 329,11 | 329,11 | 329,11 | 329,11 | 329,11 | 329,11 | 3159,42 | ||||
| выручка | 718 576 | 6 | Капитал,% | 0,00 | 60,00 | 25,00 | 15,00 | 0,00 | 0,00 | 0,00 | 0,00 | 0,00 | 0,00 | 0,00 | 100,00 | ||||
| Расход топлив ГТУ, тут/год | 23 031 | тыс. $ | 0,00 | 600,00 | 250,00 | 150,00 | 0,00 | 0,00 | 0,00 | 0,00 | 0,00 | 0,00 | 0,00 | 1000,00 | |||||
| Цена нат. топлива | 15,00 | 7 | ЧПН, тыс. $ | 0,00 | -402,54 | 79,11 | 179,11 | 329,11 | 329,11 | 329,11 | 329,11 | 329,11 | 329,11 | 329,11 | 2159,42 | ||||
| Qрн | 8 687 | 8 | ДЧПН при Е=0,2, тыс. $ | 0,00 | -335,45 | 54,93 | 103,65 | 158,71 | 132,26 | 110,22 | 91,85 | 76,54 | 63,78 | 53,15 | 509,65 | ||||
| Qур | 7 000 | 9 | Кумулят. ЧПН, тыс. $ | 0,00 | -335,45 | -280,51 | -176,86 | -18,15 | 114,11 | 224,33 | 316,17 | 392,71 | 456,50 | 509,65 | |||||
| Цена усл. топлива | 12,09 | 10 | ДЧПН при Е=IRR, тыс. $ | 0,00 | -267,39 | 34,91 | 52,50 | 64,08 | 42,57 | 28,28 | 18,78 | 12,48 | 8,29 | 5,51 | -0,01 | ||||
| Издержки на топливо | 278 382 | 0,00 | -267,39 | -232,49 | -179,99 | -115,91 | -73,34 | -45,06 | -26,28 | -13,80 | -5,52 | -0,01 | |||||||
| Издержки на амортизацию | 100 000 | IRR= | 0,5054 | ||||||||||||||||
| Издержки на з/п | 16 800 | PBP= | 4,25 | ||||||||||||||||
| Издержки соцстрах | 6 250 | CP= | 34,9418174709 | точка безубыточности | |||||||||||||||
| Прочие издержки | 30 762 | Ипер | 278 382 | ||||||||||||||||
| Суммарные издержки | 432 194 | Ипост | 153 812 | ||||||||||||||||
| Тариф | $0,013 | За электроэнергию | R | 20 | % | ||||||||||||||
| Отпущенная электроэнергия | 42 525 | 552 825,00 руб. | |||||||||||||||||
| Налог на прибыль | 20% | 718 576,37 | |||||||||||||||||
| 12,61 | сум | 286 382,62 | |||||||||||||||||
| Тепло в час | 4,51 | Гкал | |||||||||||||||||
| Тепло в год | 47 357,53 | ||||||||||||||||||
| Количество часов использования тепловой мощности | 3 500 | ||||||||||||||||||
| Выручка от тепла | 165 751,37 | ||||||||||||||||||
| Цена 1 Гкал | 3,50 | долл | |||||||||||||||||
| Количество установок | 3 | ||||||||||||||||||
| Расход топлива на тепло | 7 517,07 | ||||||||||||||||||
| Расход топлива на э/э | 15 514,38 | ||||||||||||||||||
| КПД замещаемой котельной | 0,90 | ||||||||||||||||||
| aэ | 0,67 | ||||||||||||||||||
| Расчет себестоимости единицы продукции на ТЭЦ | |||||||||||||||||||
| №пп | Стадии пр-ва | Ит | Иост | ||||||||||||||||
| 1 | Тепло | 0,326 | 0,326 | ||||||||||||||||
| тыс. $ | 90,859 | 50,20 | |||||||||||||||||
| 2 | Электроэнергия | 0,674 | 0,674 | ||||||||||||||||
| тыс. $ | 187,523 | 103,61 | |||||||||||||||||
| 3 | Себест-ть э/э, цент/кВт·ч | 0,685 | |||||||||||||||||
| 4 | Себест-ть т/э, $/Гкал | 2,979 | |||||||||||||||||
Sheet 8: Кредит
| График использования кредитных ресурсов | ||||||||||
| Конец | ||||||||||
| t | 1 | 2 | 3 | 4 | 5 | 6 | 7 | 8 | 9 | 10 |
| Основной долг | 300000 | 425000 | 500000 | 802250 | 687643 | 573036 | 458429 | 343821 | 229214 | 114607 |
| Выплаты основного долга | 0 | 0 | 0 | 114607 | 114607 | 114607 | 114607 | 114607 | 114607 | 114607 |
| Остаток основного долга | 300000 | 425000 | 500000 | 802250 | 687643 | 458429 | 343821 | 229214 | 114607 | 0 |
| rб | 72000 | 102000 | 120000 | 192540 | 165034 | 137529 | 110023 | 82517 | 55011 | 27506 |
| rко | 6000 | 2250 | 0 | 0 | 0 | 0 | 0 | 0 | 0 | 0 |
| SВ% | 78000 | 104250 | 120000 | 192540 | 165034 | 137529 | 110023 | 82517 | 55011 | 27506 |
| Итого | 0 | 0 | 0 | 307147 | 279641 | 252136 | 224630 | 197124 | 169619 | 142113 |
| Срок | 10 | лет | ||||||||
| rб | 24 | % | ||||||||
| %кредита | 50 | % | ||||||||
| К | 1000000 | |||||||||
| Ксоб | 500000 | |||||||||
| Ккр | 500000 | |||||||||
| Тл | 3 | |||||||||
| rко, % | 3 | |||||||||
| Распределение кредитных средств по годам | ||||||||||
| Ккр | 300000 | 125000 | 75000 | |||||||
| Вкр | 114607,142857143 | 500000 |
Sheet 9: финанализ с кредитом
| АИ-20 | 1 | 2 | 3 | 4 | 5 | 6 | 7 | 8 | 9 | 10 | |||||
| Nед, МВт | 2,50 | aк | 60 | 25 | 15 | 0 | 0 | 0 | 0 | 0 | 0 | 0 | |||
| Число часов использ уст мощ-ти | 6 000 | av | 60 | 100 | 100 | 100 | 100 | 100 | 100 | 100 | 100 | 100 | |||
| Норма аморт | 0,10 | I этап. Расчет ФЭИП при реализации за счет собственных средств | |||||||||||||
| Расход на соб нужды % | 5,50 | № пп | Показатель | 0 | 1 | 2 | 3 | 4 | 5 | 6 | 7 | 8 | 9 | 10 | Итого |
| ФОТ годовой usd/год | 2 400 | 1 | Выручка,% | 0,00 | 60,00 | 100,00 | 100,00 | 100,00 | 100,00 | 100,00 | 100,00 | 100,00 | 100,00 | 100,00 | 960,00 |
| Ставка дисконтирования | 20% | тыс. $ | 0,00 | 431,15 | 718,58 | 718,58 | 718,58 | 718,58 | 718,58 | 718,58 | 718,58 | 718,58 | 718,58 | 6898,33 | |
| Прочие отчисления | 0,25 | 2 | Издержки,% | 0,00 | 60,00 | 100,00 | 100,00 | 100,00 | 100,00 | 100,00 | 100,00 | 100,00 | 100,00 | 100,00 | 960,00 |
| Отчисления соцстрах | 37,2% | тыс. $ | 0,00 | 259,32 | 432,19 | 432,19 | 432,19 | 432,19 | 432,19 | 432,19 | 432,19 | 432,19 | 432,19 | 4149,06 | |
| 3 | Выплаты, тыс. $ | 0,00 | 0,00 | 0,00 | 307,15 | 279,64 | 252,14 | 224,63 | 197,12 | 169,62 | 142,11 | 1572,41 | |||
| поток наличности | 329 106 | 4 | Прибыль, % | 0,00 | 60,00 | 100,00 | 100,00 | 100,00 | 100,00 | 100,00 | 100,00 | 100,00 | 100,00 | 100,00 | 960,00 |
| чистая прибыль | 229 106 | тыс. $ | 0,00 | 171,83 | 286,38 | 286,38 | -20,76 | 6,74 | 34,25 | 61,75 | 89,26 | 116,76 | 144,27 | 1176,86 | |
| капвложения | 1 000 000 | 5 | Чистая прибыль, % | 0,00 | 60,00 | 100,00 | 100,00 | 100,00 | 100,00 | 100,00 | 100,00 | 100,00 | 100,00 | 100,00 | 960,00 |
| прибыль | 286 383 | тыс. $ | 0,00 | 137,46 | 229,11 | 229,11 | -20,76 | 5,39 | 27,40 | 49,40 | 71,41 | 93,41 | 115,42 | 937,34 | |
| налог | 57 277 | 6 | ПН, тыс $ | 0,00 | 197,46 | 329,11 | 329,11 | 79,24 | 105,39 | 127,40 | 149,40 | 171,41 | 193,41 | 215,42 | 1897,34 |
| выручка | 718 576 | 7 | Капитал,% | 0,00 | 60,00 | 25,00 | 15,00 | 0,00 | 0,00 | 0,00 | 0,00 | 0,00 | 0,00 | 0,00 | 100,00 |
| Расход топлив ГТУ, тут/год | 23 031 | тыс. $ | 0,00 | 300,00 | 125,00 | 75,00 | 0,00 | 0,00 | 0,00 | 0,00 | 0,00 | 0,00 | 0,00 | 500,00 | |
| Цена нат. топлива | 15,00 | 8 | ЧПН, тыс. $ | 0,00 | -102,54 | 204,11 | 254,11 | 79,24 | 105,39 | 127,40 | 149,40 | 171,41 | 193,41 | 215,42 | 1397,34 |
| Qрн | 8 687 | 9 | ДЧПН при Е=0,2, тыс. $ | 0,00 | -85,45 | 141,74 | 147,05 | 38,21 | 42,36 | 42,67 | 41,70 | 39,86 | 37,48 | 34,79 | 480,41 |
| Qур | 7 000 | 10 | Кумулят. ЧПН, тыс. $ | 0,00 | -85,45 | 56,29 | 203,35 | 241,56 | 283,91 | 326,58 | 368,27 | 408,14 | 445,62 | 480,41 | |
| Цена усл. топлива | 12,09 | 11 | ДЧПН при Е=IRR, тыс. $ | 0,00 | -34,47 | 23,06 | 9,65 | 1,01 | 0,45 | 0,18 | 0,07 | 0,03 | 0,01 | 0,00 | 0,01 |
| Издержки на топливо | 278 382 | 0,00 | -34,47 | -11,40 | -1,75 | -0,74 | -0,29 | -0,11 | -0,03 | -0,01 | 0,00 | 0,01 | |||
| Издержки на амортизацию | 100 000 | IRR= | 1,9750 | ||||||||||||
| Издержки на з/п | 16 800 | PBP= | 4,25 | ||||||||||||
| Издержки соцстрах | 6 250 | CP= | 34,9418174709 | ||||||||||||
| Прочие издержки | 30 762 | Ипер | 278 382 | ||||||||||||
| Суммарные издержки | 432 194 | Ипост | 153 812 | ||||||||||||
| Тариф | $0,013 | За электроэнергию | |||||||||||||
| Отпущенная электроэнергия | 42 525 | 552 825,00 руб. | |||||||||||||
| Налог на прибыль | 20% | 718 576,37 | |||||||||||||
| 12,61 | сум | 286 382,62 | |||||||||||||
| Тепло в час | 4,51 | ||||||||||||||
| Тепло в год | 47 357,53 | ||||||||||||||
| Количество часов использования тепловой мощности | 3 500 | ||||||||||||||
| Выручка от тепла | 165 751,37 | ||||||||||||||
| Цена 1 Гкал | 3,50 | долл | |||||||||||||
| Количество установок | 3 | ||||||||||||||
Sheet 10: финанализ с АБХМ
| АИ-20 | 1 | 2 | 3 | 4 | 5 | 6 | 7 | 8 | 9 | 10 | |||||||
| Nед, МВт | 2,50 | aк | 60 | 25 | 15 | 0 | 0 | 0 | 0 | 0 | 0 | 0 | |||||
| Число часов использ уст мощ-ти | 6 000 | av | 60 | 100 | 100 | 100 | 100 | 100 | 100 | 100 | 100 | 100 | |||||
| Норма аморт | 0,10 | I этап. Расчет ФЭИП при реализации за счет собственных средств | |||||||||||||||
| Расход на соб нужды % | 7,50 | № пп | Показатель | 0 | 1 | 2 | 3 | 4 | 5 | 6 | 7 | 8 | 9 | 10 | Итого | ||
| ФОТ годовой usd/год | 2 400 | 1 | Выручка,% | 0,00 | 60,00 | 100,00 | 100,00 | 100,00 | 100,00 | 100,00 | 100,00 | 100,00 | 100,00 | 100,00 | 960,00 | ||
| Ставка дисконтирования | 20% | тыс. $ | 0,00 | 474,40 | 790,66 | 790,66 | 790,66 | 790,66 | 790,66 | 790,66 | 790,66 | 790,66 | 790,66 | 7590,38 | |||
| Прочие отчисления | 0,25 | 2 | Издержки,% | 0,00 | 60,00 | 100,00 | 100,00 | 100,00 | 100,00 | 100,00 | 100,00 | 100,00 | 100,00 | 100,00 | 960,00 | ||
| Отчисления соцстрах | 37,2% | тыс. $ | 0,00 | 270,57 | 450,94 | 450,94 | 450,94 | 450,94 | 450,94 | 450,94 | 450,94 | 450,94 | 450,94 | 4329,06 | |||
| 3 | Выплаты, тыс. $ | 0,00 | 0,00 | 0,00 | 0,00 | 0,00 | 0,00 | 0,00 | 0,00 | 0,00 | 0,00 | 0,00 | |||||
| поток наличности | 386 777 | 4 | Прибыль, % | 0,00 | 60,00 | 100,00 | 100,00 | 100,00 | 100,00 | 100,00 | 100,00 | 100,00 | 100,00 | 100,00 | 960,00 | ||
| чистая прибыль | 271 777 | тыс. $ | 0,00 | 203,83 | 339,72 | 339,72 | 339,72 | 339,72 | 339,72 | 339,72 | 339,72 | 339,72 | 339,72 | 3261,32 | |||
| капвложения | 1 150 000 | 5 | Чистая прибыль, % | 0,00 | 60,00 | 100,00 | 100,00 | 100,00 | 100,00 | 100,00 | 100,00 | 100,00 | 100,00 | 100,00 | 960,00 | ||
| прибыль | 339 721 | тыс. $ | 0,00 | 163,07 | 271,78 | 271,78 | 271,78 | 271,78 | 271,78 | 271,78 | 271,78 | 271,78 | 271,78 | 2609,06 | |||
| налог | 67 944 | 6 | ПН, тыс $ | 0,00 | 232,07 | 386,78 | 386,78 | 386,78 | 386,78 | 386,78 | 386,78 | 386,78 | 386,78 | 386,78 | 3713,06 | ||
| выручка | 790 665 | 7 | Капитал,% | 0,00 | 60,00 | 25,00 | 15,00 | 0,00 | 0,00 | 0,00 | 0,00 | 0,00 | 0,00 | 0,00 | 100,00 | ||
| Расход топлив ГТУ, тут/год | 23 031 | тыс. $ | 0,00 | 690,00 | 287,50 | 172,50 | 0,00 | 0,00 | 0,00 | 0,00 | 0,00 | 0,00 | 0,00 | 1150,00 | |||
| Цена нат. топлива | 15,00 | 8 | ЧПН, тыс. $ | 0,00 | -457,93 | 99,28 | 214,28 | 386,78 | 386,78 | 386,78 | 386,78 | 386,78 | 386,78 | 386,78 | 2563,06 | ||
| Qрн | 8 687 | 9 | ДЧПН при Е=0,2, тыс. $ | 0,00 | -381,61 | 68,94 | 124,00 | 186,52 | 155,44 | 129,53 | 107,94 | 89,95 | 74,96 | 62,47 | 618,15 | ||
| Qур | 7 000 | 10 | Кумулят. ЧПН, тыс. $ | 0,00 | -381,61 | -312,67 | -188,67 | -2,14 | 153,29 | 282,83 | 390,77 | 480,72 | 555,68 | 618,15 | |||
| Цена усл. топлива | 12,09 | 11 | ДЧПН при Е=IRR, тыс. $ | 0,00 | -300,36 | 42,71 | 60,47 | 71,59 | 46,95 | 30,80 | 20,20 | 13,25 | 8,69 | 5,70 | 0,00 | ||
| Издержки на топливо | 278 382 | 0,00 | -300,36 | -257,65 | -197,19 | -125,60 | -78,64 | -47,85 | -27,65 | -14,40 | -5,71 | 0,00 | 0,60 | ||||
| Издержки на амортизацию | 115 000 | IRR= | 0,5246 | ||||||||||||||
| Издержки на з/п | 16 800 | PBP= | 4 | ||||||||||||||
| Издержки соцстрах | 6 250 | CP= | 33,6848950976 | ||||||||||||||
| Прочие издержки | 34 512 | Ипер | 278 382 | ||||||||||||||
| Суммарные издержки | 450 944 | Ипост | 172 562 | ||||||||||||||
| Тариф | $0,013 | За электроэнергию | |||||||||||||||
| Отпущенная электроэнергия | 41 625 | 541 125,00 руб. | |||||||||||||||
| Налог на прибыль | 20% | 706 876,37 | |||||||||||||||
| 12,61 | сум | 255 932,62 | |||||||||||||||
| Тепло в час | 4,51 | ||||||||||||||||
| Тепло в год | 47 357,53 | ||||||||||||||||
| Количество часов использования тепловой мощности | 3 500 | ||||||||||||||||
| Выручка от тепла | 165 751,37 | ||||||||||||||||
| Цена 1 Гкал | 3,50 | долл | |||||||||||||||
| Количество установок | 3 | ||||||||||||||||
| Количество часов использования холодильной мощности | 2 500 | ||||||||||||||||
| Цена 1 Гкал холода | 7,565 | $ | |||||||||||||||
| Холодопроизводительность | 4430319 | ккал/ч | |||||||||||||||
| Отпущенное количество холода, Гкал | 11 076 | ||||||||||||||||
| Холдильный коэффициент замещаемой электропотребляющей холодильной установки | 2,00 | ||||||||||||||||
| Расход электроэнергии на 1 ккал/ч холода в замещаемой установке, квт·ч/(ккал/ч) | 0,00058 | ||||||||||||||||
| Выручка от отпущенного холода | 83 788 | ||||||||||||||||
Sheet 11: Кредит с АБХМ
| График использования кредитных ресурсов | ||||||||||
| Конец | ||||||||||
| t | 1 | 2 | 3 | 4 | 5 | 6 | 7 | 8 | 9 | 10 |
| Основной долг | 345000 | 488750 | 575000 | 922588 | 790789 | 658991 | 527193 | 395395 | 263596 | 131798 |
| Выплаты основного долга | 0 | 0 | 0 | 131798 | 131798 | 131798 | 131798 | 131798 | 131798 | 131798 |
| Остаток основного долга | 345000 | 488750 | 575000 | 922588 | 790789 | 527193 | 395395 | 263596 | 131798 | 0 |
| rб | 82800 | 117300 | 138000 | 221421 | 189789 | 158158 | 126526 | 94895 | 63263 | 31632 |
| rко | 6900 | 2588 | 0 | 0 | 0 | 0 | 0 | 0 | 0 | 0 |
| SВ% | 89700 | 119888 | 138000 | 221421 | 189789 | 158158 | 126526 | 94895 | 63263 | 31632 |
| Итого | 0 | 0 | 0 | 353219 | 321588 | 289956 | 258325 | 226693 | 195061 | 163430 |
| Срок | 10 | лет | ||||||||
| rб | 24 | % | ||||||||
| %кредита | 50 | % | ||||||||
| К | 1150000 | |||||||||
| Ксоб | 575000 | |||||||||
| Ккр | 575000 | |||||||||
| Тл | 3 | |||||||||
| rко, % | 3 | |||||||||
| Распределение кредитных средств по годам | ||||||||||
| Ккр | 345000 | 143750 | 86250 | |||||||
| Вкр | 131798,214285714 | 575000 |
Sheet 12: финанализ с АБХМ с кредитом
| АИ-20 | 1 | 2 | 3 | 4 | 5 | 6 | 7 | 8 | 9 | 10 | ||||||||
| Nед, МВт | 2,50 | aк | 60 | 25 | 15 | 0 | 0 | 0 | 0 | 0 | 0 | 0 | ||||||
| Число часов использ уст мощ-ти | 6 000 | av | 60 | 100 | 100 | 100 | 100 | 100 | 100 | 100 | 100 | 100 | ||||||
| Норма аморт | 0,10 | I этап. Расчет ФЭИП при реализации за счет собственных средств | ||||||||||||||||
| Расход на соб нужды % | 7,50 | № пп | Показатель | 0 | 1 | 2 | 3 | 4 | 5 | 6 | 7 | 8 | 9 | 10 | Итого | |||
| ФОТ годовой usd/год | 2 400 | 1 | Выручка,% | 0,00 | 60,00 | 100,00 | 100,00 | 100,00 | 100,00 | 100,00 | 100,00 | 100,00 | 100,00 | 100,00 | 960,00 | |||
| Ставка дисконтирования | 20% | тыс. $ | 0,00 | 474,40 | 790,66 | 790,66 | 790,66 | 790,66 | 790,66 | 790,66 | 790,66 | 790,66 | 790,66 | 7590,38 | ||||
| Прочие отчисления | 0,25 | 2 | Издержки,% | 0,00 | 60,00 | 100,00 | 100,00 | 100,00 | 100,00 | 100,00 | 100,00 | 100,00 | 100,00 | 100,00 | 960,00 | |||
| Отчисления соцстрах | 37,2% | тыс. $ | 0,00 | 270,57 | 450,94 | 450,94 | 450,94 | 450,94 | 450,94 | 450,94 | 450,94 | 450,94 | 450,94 | 4329,06 | ||||
| 3 | Выплаты, тыс. $ | 0,00 | 0,00 | 0,00 | 353,22 | 321,59 | 289,96 | 258,32 | 226,69 | 195,06 | 163,43 | 1808,27 | ||||||
| поток наличности | 386 777 | 4 | Прибыль, % | 0,00 | 60,00 | 100,00 | 100,00 | 100,00 | 100,00 | 100,00 | 100,00 | 100,00 | 100,00 | 100,00 | 960,00 | |||
| чистая прибыль | 271 777 | тыс. $ | 0,00 | 203,83 | 339,72 | 339,72 | -13,50 | 18,13 | 49,76 | 81,40 | 113,03 | 144,66 | 176,29 | 1453,05 | ||||
| капвложения | 1 150 000 | 5 | Чистая прибыль, % | 0,00 | 60,00 | 100,00 | 100,00 | 100,00 | 100,00 | 100,00 | 100,00 | 100,00 | 100,00 | 100,00 | 960,00 | |||
| прибыль | 339 721 | тыс. $ | 0,00 | 163,07 | 271,78 | 271,78 | -13,50 | 14,51 | 39,81 | 65,12 | 90,42 | 115,73 | 141,03 | 1159,74 | ||||
| налог | 67 944 | 6 | ПН, тыс $ | 0,00 | 232,07 | 386,78 | 386,78 | 101,50 | 129,51 | 154,81 | 180,12 | 205,42 | 230,73 | 256,03 | 2263,74 | |||
| выручка | 790 665 | 7 | Капитал,% | 0,00 | 60,00 | 25,00 | 15,00 | 0,00 | 0,00 | 0,00 | 0,00 | 0,00 | 0,00 | 0,00 | 100,00 | |||
| Расход топлив ГТУ, тут/год | 23 031 | тыс. $ | 0,00 | 345,00 | 143,75 | 86,25 | 0,00 | 0,00 | 0,00 | 0,00 | 0,00 | 0,00 | 0,00 | 575,00 | ||||
| Цена нат. топлива | 15,00 | 8 | ЧПН, тыс. $ | 0,00 | -112,93 | 243,03 | 300,53 | 101,50 | 129,51 | 154,81 | 180,12 | 205,42 | 230,73 | 256,03 | 1688,74 | |||
| Qрн | 8 687 | 9 | ДЧПН при Е=0,2, тыс. $ | 0,00 | -94,11 | 168,77 | 173,92 | 48,95 | 52,05 | 51,85 | 50,27 | 47,77 | 44,72 | 41,35 | 585,52 | |||
| Qур | 7 000 | 10 | Кумулят. ЧПН, тыс. $ | 0,00 | -94,11 | 74,66 | 248,57 | 297,52 | 349,57 | 401,41 | 451,68 | 499,46 | 544,17 | 585,52 | ||||
| Цена усл. топлива | 12,09 | 11 | ДЧПН при Е=IRR, тыс. $ | 0,00 | -35,89 | 24,54 | 9,64 | 1,03 | 0,42 | 0,16 | 0,06 | 0,02 | 0,01 | 0,00 | 0,00 | |||
| Издержки на топливо | 278 382 | 0,00 | -35,89 | -11,35 | -1,70 | -0,67 | -0,25 | -0,09 | -0,03 | -0,01 | 0,00 | 0,00 | 0,60 | |||||
| Издержки на амортизацию | 115 000 | IRR= | 2,1470 | |||||||||||||||
| Издержки на з/п | 16 800 | PBP= | 1,25 | |||||||||||||||
| Издержки соцстрах | 6 250 | CP= | 33,6848950976 | |||||||||||||||
| Прочие издержки | 34 512 | Ипер | 278 382 | |||||||||||||||
| Суммарные издержки | 450 944 | Ипост | 172 562 | |||||||||||||||
| Тариф | $0,013 | За электроэнергию | ||||||||||||||||
| Отпущенная электроэнергия | 41 625 | 541 125,00 руб. | ||||||||||||||||
| Налог на прибыль | 20% | 706 876,37 | ||||||||||||||||
| 12,61 | сум | 255 932,62 | ||||||||||||||||
| Тепло в час | 4,51 | |||||||||||||||||
| Тепло в год | 47 357,53 | |||||||||||||||||
| Количество часов использования тепловой мощности | 3 500 | |||||||||||||||||
| Выручка от тепла | 165 751,37 | |||||||||||||||||
| Цена 1 Гкал | 3,50 | долл | ||||||||||||||||
| Количество установок | 3 | |||||||||||||||||
| Количество часов использования холодильной мощности | 2 500 | |||||||||||||||||
| Цена 1 Гкал холода | 7,565 | $ | ||||||||||||||||
| Холодопроизводительность | 4430319 | ккал/ч | ||||||||||||||||
| Отпущенное количество холода, Гкал | 11 076 | |||||||||||||||||
| Холдильный коэффициент замещаемой электропотребляющей холодильной установки | 2,00 | |||||||||||||||||
| Расход электроэнергии на 1 ккал/ч холода в замещаемой установке, квт·ч/(ккал/ч) | 0,00058 | |||||||||||||||||
| Выручка от отпущенного холода | 83 788 | |||||||||||||||||
ВЫВОДЫ
В связи с моральным и физическим износом оборудования действующих ТЭС Узбекистана, снижением надежности и качества энергоснабжения потребителей, одним из перспективных направлений развития теплоэнергетики Узбекистана может являться децентрализация источников энергоснабжения, т.е. установка генерирующих установок в непосредственной близости от потребителя или даже на его территории, если это касается промышленных предприятий. Децентрализация энергоснабжения оказывается особенно эффективной, если ее проводить на базе комбинированной выработки тепла и электроэнергии.
Эффективным методом децентрализованного энергоснабжения является применение авиационных двигателей, конвертируемых для нужд энергетики. Эффект от использования АГТД возрастает, если использовать двигатели, отработавшие свой летный ресурс, что позволяет значительно снизить капиталовложения по сравнению с установками, создаваемыми на базе новых АГТД.
Производство подобных установок малой и средней мощности может осуществляться уже в ближайшее время либо за счет средств владельцев, либо на кредитной или лизинговой основе.
Установка собственных электро- и теплогенерирующих мощностей дает дополнительное повышение надежности электро- и теплоснабжения потребителей.
Экономические расчеты показывают, что срок окупаемости капиталовложений в установки комбинированного производства электроэнергии и теплоты с АГТД составляет от 1,5 лет при использовании кредита до 4,5 лет при реализации проектов за собственные средства. При этом срок строительства может составлять от нескольких недель, при монтаже небольших установок электрической мощностью до 5 МВт, до 1,5 лет при вводе установки электрической мощностью 25 МВт и тепловой 39 МВт. Сокращенные сроки монтажа объясняются модульной поставкой электростанций на базе АГТД с полной заводской готовностью.
Таким образом, основные преимущества конвертированных АГТД при внедрении в энергетику сводятся к следующим:
низкие удельные капиталовложения в подобные установки;
малый срок окупаемости;
сокращенные сроки строительства;
возможность полной автоматизации станции.
Следующим этапом развития энергетических установок на базе АГТД являются теплоэлектрохладоцентрали, позволяющие снабжать потребителя всеми видами энергоресурсов (теплота, электроэнергия и холод). Проведенные расчеты показали, что при очевидном усложнении схемы станции, увеличении капиталовложений и потребления электроэнергии на собственные нужды, экономический эффект от применения ТЭХЦ значителен. При этом может незначительно увеличиться срок окупаемости, но в целом ТЭХЦ способствует развитию того региона, или населенного пункта в котором она расположена, и особенно развитию инфраструктуры и повышению производительности труда на предприятиях сельского хозяйства, что особенно важно для условий Узбекистана.
Из вышесказанного можно сделать следующие выводы:
эффективным направлением развития теплоэнергетики Узбекистана является децентрализация энергоснабжения с применением конвертированных АГТД;
наиболее эффективной оказывается комбинированная выработка теплоты и электроэнергии на базе АГТД;
дальнейшим этапом развития применения АГТД в энергетике является создание на их базе ТЭХЦ, решающих проблему снабжения потребителей всеми видами энергоресурсов.
ВВЕДЕНИЕ
В Узбекистане отрасль энергетики развивается преимущественно по пути увеличения единичной мощности и параметров энергоблоков конденсационных электростанций (КЭС) (Ангренская, Ташкентская, Навоийская, Тахиаташская, Сырдарьинская, Ново-Ангренская и Талимарджанская ТЭС). Ряд крупных промышленных регионов снабжается электрической и тепловой энергией от теплоэлектроцентралей (Ферганская и Мубарекская ТЭЦ, Навоийская ТЭС). Однако самые крупные потребители (коммунально-бытовые) снабжаются тепловой энергией преимущественно от районных котельных, а большинство индивидуальных потребителей даже в настоящее время довольствуются печным отоплением. Тем не менее, уровень энергопотребления в республике на душу населения в 3...10 раз ниже, чем в развитых странах.
Об иррациональности сложившейся структуры энергоснабжения свидетельствуют следующие факты:
выработка электроэнергии на КЭС сопровождается технологическими потерями низкопотенциальной теплоты (t ≈ 30 °С) в окружающую среду, составляющими более 65 % энергии сжигаемого топлива;
на нагрев воды до 70...120 °С в котлоагрегатах для отопления и горячего водоснабжения расходуется дефицитный природный газ, сжигаемый с температурой горения ≈ 2000 °С.
Кроме того, электроэнергия, вырабатываемая на КЭС с коэффициентом первичной энергии (КПЭ) 30...35 %, летом в значительных количествах расходуется на бытовые и промышленные кондиционеры, что существенно снижает конечный КПЭ топливоиспользования. Такая система энергоснабжения сложилась вследствие ведомственной разобщенности топливно-энергетического комплекса, низких цен на топливо, отсутствия заинтересованности промышленных предприятий и ведомств во внедрении комбинированных производств электрической и тепловой энергии с высоким КПЭ (до 80...90 %).
Повышение эффективности энергетического производства в республике возможно путем реализации следующих направлений: перевод определенной части конденсационных энергоблоков в теплофикационный режим; использование газовых турбин в составе парогазовых установок, а также в качестве надстройки районных котельных; создание и внедрение автономных (локальных) установок комбинированного производства электрической, тепловой энергии и холода — ТЭХЦ (микро и макро); внедрение энергоустановок, использующих нетрадиционные источники энергии и др.
Переход на рыночные отношения и резкое увеличение цен на энергетическое топливо позволяет считать комбинированное производство тепловой и электрической энергии, а в дальнейшем и холода, в Узбекистане как одно из перспективных направлений.
В широком плане необходима государственная система мер, стимулирующих ведомства и предприятия проводить энергосберегающую политику. При проектировании и строительстве новых предприятий следует предусматривать одновременно и строительство при них автономных энергоустановок для комплексного самообеспечения электрической, тепловой энергией и холодом. Излишки электроэнергии можно было бы направить в объединенную энергосистему по выгодным предприятию ценам. Увеличение потребления энергии можно допускать только при создании энергосберегающих предприятий, т.е. без увеличения потребления топлива. Для такого суждения есть объективные предпосылки.
Повышение эффективности использования энергетического топлива в Узбекистане должно идти за счет повсеместного внедрения комбинированного производства тепловой, электрической энергии и холода путем строительства малых и средних ТЭЦ и ТЭХЦ. Целесообразно максимальное использование газовых турбин промышленного типа, а также конвертированных газотурбинных авиационных двигателей, отработавшие газы которых с температурой 400...550 °С можно утилизировать для получения тепловой энергии и холода. В целях предотвращения коррозии металла и накипеобразования в теплопроводах и на поверхностях нагрева оборудования следует внедрять безотходные технологии водоподготовки, например, с использованием высокоэффективных поверхностно-активных веществ.
Уровень теплового потребления в республике Узбекистан соизмерим с потерями энергии в термодинамическом цикле действующих КЭС, что свидетельствует о наличии объективных предпосылок к резкому увеличению комбинированного производства тепловой и электрической энергии в энергоустановках различной единичной мощности от десятков киловатт до сотен мегаватт. Однако организация комбинированного производства на крупных ТЭС, как правило, проблематична в связи с их удаленностью от больших городов и промышленных объектов с высоким уровнем теплопотребления. небольшие энергоустановки для комбинированного производства тепловой, электрической энергии, а в ряде случаев и холода, могут создаваться в небольших поселках, на промышленных предприятиях, в агропромышленных комплексах и даже в отдельно стоящих жилых и общественных зданиях. Поэтому энергоустановки средней и малой мощности весьма перспективны для комбинированного производства энергии.
Использование новой для Узбекистана технологии производства электрической и тепловой энергии на базе конвертированных авиационных двигателей является особенно актуальным для небольших населенных пунктов сельского типа. Ведь, как отметил И.А. Каримов в своей работе "Прогресс дехканского хозяйства — путь к изобилию", "есть у нас отдаленные кишлаки, которые не обеспечены питьевой водой, теплом, электричеством… Чтобы сделать их благоустроенными, государство должно выделить средства из централизованных фондов. Эта работа и стала бы нашей первой целью".1 Благодаря созданию подобного независимого источника снабжения электроэнергией и теплотой появятся возможности по созданию, во-первых, новых рабочих мест, во-вторых, будут осваиваться новые подходы в области генерирующих источников энергии, в-третьих, качественно повысится уровень жизни населения, из-за появления собственного источника снабжения электричеством и теплом, в-четвертых, будут созданы условия для увеличения производительности труда в сельском хозяйстве. Кроме того, Президент И.А. Каримов в своей работе "Прогресс дехканского хозяйства — путь к изобилию" отметил, что "в сельском хозяйстве кроются безграничные возможности для увеличения производства продукции, повышения его эффективности"2.
Таким образом, из вышесказанного можно сделать вывод, что для Узбекистана, с его большим количеством удаленных от центров производства энергоресурсов населенных пунктов, особенно в сельской местности, где проживает около 60 % населения [Л. 3], эффективным оказывается локальное производство всех видов энергетических ресурсов (электрической и тепловой энергии, а также холода), а осуществляться оно может на базе конвертированных авиационных двигателей, что позволяет снизить удельные капиталовложения в подобные установки и тем самым значительно снизить срок окупаемости денежных средств (от 1 года до 3 — 5 лет).
Глава 1. Литературный обзор
1.1. КОНВЕРТАЦИЯ авиационных газотурбинных ДВИГАТЕЛЕЙ ДЛЯ ЭНЕРГЕТИЧЕСКИХ ЦЕЛЕЙ
Наиболее распространенные типы авиационных газотурбинных двигателей (АГТД) по ряду основных показателей вполне удовлетворяют требованиям, предъявляемым к приводным двигателям электростанций. В частности, АГТД сравнительно просты, так как выполняются по открытому циклу. Они не нуждаются в охлаждающей воде и не имеют вспомогательных систем с автономными приводами. АГТД отличаются быстрым запуском из любого состояния, высокой степенью автоматизации и надежности. По сравнению с энергетическими ГТД они обладают еще меньшими удельными массами и габаритами, компактны и могут работать в любых климатических условиях.
Благодаря крупносерийному выпуску АГТД имеют сравнительно низкую удельную стоимость.
Однако по ряду показателей, как, например, числу оборотов выходного вала, экономичности, моторесурсу, тепловыделениям, они не в полной мере отвечают требованиям, предъявляемым к ГТД электрических станций.
В то же время авиационные ГТД обладают рядом специфических качеств, которые вовсе не обязательны для ГТД энергетического назначения. Поэтому в случае использования того или иного авиационного двигателя в энергетических целях, необходимо его конвертировать, т. е. приспособить для нового назначения. Естественно, что, конвертируя АГТД для энергетики, можно создать установки лишь с такими характеристиками, какие способен обеспечить конкретно выбранный АГТД. Например, для создания газотурбогенератора (ГТГ) можно использовать как ТРД, так и ТВД. В то же время ТВД может быть одновальным или двухвальным. Конструкция и характеристики любого из выбранных двигателей определяются типом самолета или вертолета, для которого он предназначен. Естественно, что все это скажется на характеристиках ГТГ.
В самом деле, используя одновальный или двухзальный ГТД для привода электрического генератора определенной мощности, мы получим ГТГ, существенно отличающиеся по пусковым характеристикам, качеству генерируемого тока и ряду других показателей. Следовательно, выбор типа ГТД для того или иного ГТГ должен определяться технико-экономическими показателями, предъявляемыми к последнему.
В некоторых случаях от использования выбранного двигателя приходится отказываться по той причине, что данный двигатель выпускается малой серией или имеет высокую стоимость. Это заставляет использовать более доступный и дешевый двигатель, что в свою очередь сказывается на технико-экономических показателях ГТГ, созданного на его основе.
Короче говоря, выбор конкретного АГТД для газотурбогенератора необходимо производить, исходя из предъявляемых к данному ГТГ требований и в первую очередь — мощности и назначения станции.
Например, нужно выбрать двигатели для ГТГ аварийной электростанции и электростанции временного обеспечения. Естественно, что в первом случае большее внимание уделяется пусковым характеристикам ГТГ, а во втором — его транспортабельности.
После выбора необходимого ГТД следует определить объем работы, требуемой для его конвертации, возможности ее выполнения и ориентировочные затраты. Только произведя такой всесторонний анализ выбранного ГТД и получив оптимальные данные, можно приступить к разработке проекта и его практической реализации.
В случае использования для ГТГ ТРД необходимо серьезное внимание уделить выбору или созданию силовой газовой турбины нужной мощности. Впрочем, во всех случаях необходимо уделять большое внимание выяснению возможностей комплектации создаваемого ГТГ и всей электростанции необходимым оборудованием.
Как уже было сказано выше, мощность современных АГТД колеблется в широких пределах: от нескольких десятков до нескольких тысяч и даже десятков тысяч киловатт. Поэтому при выборе ГТД для определенного генератора необходимо особое внимание обратить на мощность двигателя. В то время как мощность ГТГ определяется выбранным электрическим генератором (из серийного выпуска промышленности), мощность АГТД определена его целевым назначением. В одних случаях имеющийся в распоряжении конструктора ГТГ приводной двигатель может обладать избыточной, в других — недостаточной мощностью. Выбрать оптимальный по мощности и характеристикам ГТД далеко не всегда возможно.
Возможные варианты применения АГТД для привода электрических генераторов показаны ниже. На рис. 1 представлены два варианта использования ТВД для привода электрических генераторов.
В первом варианте — выходной вал двигателя соединяется непосредственно с ротором электрического генератора. Это возможно в случае выбора ТВД, равного по мощности электрическому генератору Второй вариант предполагает необходимость использования нескольких ТВД для привода одного электрического генератора. В обоих случаях, за редким исключением, возникает необходимость в дополнительном редукторе.

Рис. 1. Варианты использования ТВД для привода электрического генератора: а) использование одного ТВД; б) использование нескольких ТВД
1 — турбина; 2 —камера сгорания; 3 — компрессор; 4 — редуктор;
5 — электрогенератор
Возможные варианты компоновки ГТГ с несколькими ТРД показаны на рис. 2. Варианты а и б осуществимы при работе одного или нескольких ТРД на одну силовую турбину. Вариант в выбирается в том случае, если имеется несколько силовых турбин определенной мощности.

Рис. 2. Варианты использования ТРД для привода электрического генератора: а) использование одного ТРД; б) использование нескольких ТРД и одной силовой турбины; в) использование нескольких ТРД со своими силовыми турбинами
1-компрессор; 2 - камера сгорания; 3-турбина компрессора; 4 –силовая турбина; 5 — электрогенератор
Положительным качеством ГТГ, выполненного по схемам рис. 1, б и рис. 2, б и в, является возможность поддержания сравнительно высокой тепловой экономичности ГТГ при частичных нагрузках за счет работы части ГТД с полной нагрузкой.
1.2. Электростанции на базе АГТД в странах СНГ
Идея использования отечественных ГТД в энергетике впервые была высказана профессорами А. Н. Ложкиным и Р. М. Петриченко [Л. 11].
Первый опытный образец газотурбогенератора на основе отечественного авиационного газотурбинного двигателя был спроектирован под руководством С. Н. Уварова в 1962-63 гг. После всестороннего анализа отечественных ГТД были выполнены технический и рабочий проекты газотурбогенератора на основе турбовинтового двигателя (ТВД) АИ-20.
ГТГ был спроектирован на основе ГТД АИ-20 первой серии и синхронного, трехфазного электрического генератора марки ГС-1612-6, мощностью 1600 кВА и напряжением 400/380 В с пристроенным возбудителем типа ВС-24,5/18 (16,5 кВт, 50 В).
ГТГ предназначен в качестве основного агрегата стационарной электростанции, работающей на электрическую сеть напряжением 380 В и частотой 50 Гц в диапазоне нагрузок от 0 до 1600 кВА. При разработке проекта были по возможности сохранены без изменения системы, штатные приборы и аппараты ГТД. Почти все дополнительные агрегаты и механизмы были выбраны из числа серийно выпускаемых отечественной промышленностью.
Забор воздуха компрессором двигателя производится непосредственно из помещения или по воздухопроводу из атмосферы, а отработавшие газы отводятся за пределы помещения при помощи специального газохода [Л. 11].
По проекту система автоматики и контрольно-измерительных приборов обеспечивала: автоматический запуск и выход на обороты холостого хода; вывод на номинальные обороты и поддержание их в заданных пределах с корректировкой расхода топлива в зависимости от температуры наружного воздуха; автоматическое ограничение максимально допустимой мощности и предельно-допустимого числа оборотов; автоматическую остановку ГТГ в аварийных условиях.
Позже, на базе ТВД АИ-20 были созданы передвижные автономные электростанции ПАЭС-1250, ПАЭС-1600 мощностью 1250 и 1600 кВт соответственно. Оборудование этих электростанций располагалось первоначально в двух прицепах, транспортируемых автоседельными тягачами КрАЗ. В дальнейшем оборудование было размещено в одном прицепе, а для более полного использования мощности ТВД АИ-20 была создана ПАЭС-2500 мощностью 2500 кВт, транспортируемая тягачом КамАЗ и расположенная в одном прицепе. Эта электростанция выпускается и в настоящее время на Украине на ОАО Моторостроительный завод "Сич".
Ее основные технические характеристики:
|
Номинальная мощность |
2500 кВт |
|
Род тока |
Переменный, трехфазный |
|
Частота тока |
50 Гц |
|
Номинальное напряжение |
6300 В |
|
Коэффициент мощности |
0,8 |
|
Двигатель |
газотурбинный, на базе ТВД АИ-20 |
|
Генератор типа СГС-14-100-6УЗ |
синхронный, трехфазный, переменного тока |
|
Топливо для двигателя: |
|
|
Жидкое |
керосин ТС-1; Т-2 по ГОСТ-10227 и их смеси; дизельное топливо по ГОСТ-4749 |
|
Газообразное (при соответствующей замене на двигателе агрегатов топливной системы и автоматики) |
попутный или природный газ давлением 10-12 кг/см2 |
|
Часовой
расход жидкого топлива на |
не более 1100 кг/ч |
|
Часовой
расход масла на |
не более 1,0 литр/час |
|
Часовой расход газообразного топлива на номинальном режиме |
не более 1000 м3/ч |
|
Габаритные размеры: |
|
|
Длина |
Не более 11500 мм |
|
Ширина |
Не более 2500 мм |
|
Высота |
Не более 3700 мм |
|
Вес электростанции |
Не более 30000 кг |
Установки на базе ТВД характеризуются низкими удельными капиталовложениями, на уровне 40 — 250 долл./кВт установленной мощности, при этом они характеризуются компактностью, блочным исполнением, коротким сроком монтажа.
К настоящему времени в России и на Украине накоплен большой опыт создания энергетических установок на базе конвертированных турбореактивных двигателей (ТРД). Работают несколько заводов по проектированию и производству таких газотурбинных установок на базе конвертированных ТРД. Крупнейшие из них это — НПП "Машпроект" (Украина), ОАО “Авиадвигатель” (Россия), СНТК им. Кузнецова (Россия).
Одним из удачных примеров применения АГТД в энергетике является теплофикационная ГТУ 25/39, установленная и находящаяся в промышленной эксплуатации на Безымянской ТЭЦ, расположенной в Самарской области в России, описание которой приведено ниже.
Газотурбинная установка предназначена для выработки электрической и тепловой энергии для нужд промышленных предприятий и бытовых потребителей. Тепловая схема установки приведена на рис. 3.
Электрическая мощность установки - 25МВт, тепловая - 39 МВт. Суммарная мощность установки - 64 МВт. Годовая производительность электроэнергии – 161,574 ГВт∙ч/год, тепловой энергии - 244120 Гкал/год.
Установка отличается применением уникального авиационного двигателя НК-37, обеспечивающего КПД в 36,4%. Такой КПД обеспечивает высокую эффективность установки, недостижимую на обычных тепловых электростанциях, а также ряд других преимуществ.
Установка работает на природном газе с давлением 4,6 МПа с расходом 1,45 кг/с.
Кроме электроэнергии установка производит 40 т/ч пара давлением 14 кгс/см2 и нагревает 100 тонн сетевой воды от 70 до 120°С, что позволяет обеспечить светом и теплом небольшой город.
При размещении установки на территории тепловых станций не требуется дополнительных специальных блоков химводоочистки, сброса воды и т.д.


Рис. 3. Тепловая схема ГТУ 25/39
1 - газотурбинный двигатель, 2 – электрогенератор, 3 - котел-утилизатор, 4 – насос.
Подобные газотурбинные энергетические установки незаменимы для применения в тех случаях, когда
- необходимо комплексное решение проблемы обеспечения электрической и тепловой энергией небольшого города, промышленного или жилого района - модульность установок позволяет легко скомпоновать любой вариант в зависимости от нужд потребителя;
- осуществляется индустриальное освоение новых районов жизни людей, в том числе, с экстремальными условиями жизни, когда особо важна компактность и технологичность установки. Нормальная работоспособность установки обеспечивается в диапазоне температур от -50 до +45°С при действии и всех других неблагоприятных факторов: влажности до 100%, осадках в виде дождя, снега и т.д.;
- важна экономичность установки: высокий КПД обеспечивает возможность производства более дешевой электрической и тепловой энергии и короткий срок окупаемости (около 3,5 лет) при капиталовложениях в строительство установки 10 млн. 650 тыс. долларов США (по данным производителя). График окупаемости приведен на рис. 4.

Рис. 4. График окупаемости ГТУ 25/39
Кроме того, установка отличается экологической чистотой, наличием многоступенчатого шумоподавления, полной автоматизацией процессов управления.
ГТУ 25/39 представляет собой стационарную установку блочно-контейнерного типа размером 21 на 27 м. Для ее функционирования в варианте автономном от существующих станций в комплекте с установкой должны находиться устройства химводоподготовки, открытое распределительное устройство для понижения выходного напряжения до 220 В или 380 В, градирня для охлаждения воды и отдельно стоящий дожимной газовый компрессор. При отсутствии необходимости в воде и паре конструкция установки сильно упрощается и удешевляется.
Сама установка включает в себя авиационный двигатель НК-37 производства СНТК им. Н.Д. Кузнецова, котел-утилизатор типа ТКУ-6 производства АО "Красный котельщик" и турбогенератор.
Полное время монтажа установки - 14 месяцев.
В России выпускается большое количество установок на базе конвертированных АГТД мощностью от 1000 кВт до нескольких десятков МВт, они пользуются спросом. Это подтверждает экономическую эффективность их использования и необходимость дальнейших разработок в этой области промышленности.
Установки, выпускаемые на заводах России и Украины отличаются:
низкими удельными капиталовложениями:
блочным исполнением;
сокращенным сроком монтажа;
малым сроком окупаемости;
возможностью полной автоматизации и др.
1.3. ЗАРУБЕЖНЫЕ ЭЛЕКТРОСТАНЦИИ С АВИАЦИОННЫМИ ГТД
Ряд иностранных фирм в течение продолжительного времени работают над созданием электростанций на основе конвертированных АГТД. К настоящему времени довольно значительное количество стационарных и передвижных электростанций различной мощности находится в длительной эксплуатации.
Одной из первых была спроектирована и построена стационарная электростанция промышленного типа мощностью 3 МВт. Английская фирма "Бристоль" использовала для создания электростанции выпускаемый ею авиационный двигатель. Электростанция предназначена для снятия пиковых нагрузок в зимнее время. Она способна также обеспечивать местное электроснабжение в случае выхода из строя линии электропередачи.
Основными достоинствами ГТГ с авиационными ГТД являются: высокая степень надежности и автоматизации; малые веса и габариты; способность быстро принимать нагрузку; легкость замены приводного двигателя; точная балансировка и отсутствие вибрации.
Электростанция была создана на основе ТВД "Протей". Воздух из атмосферы поступает в компрессор и после сжатия направляется в камеру сгорания. Газы, отработавшие в турбине, выбрасываются наружу. Турбина двигателя двухвальная четырехступенчатая: первые две ступени (т. в. д.) приводят во вращение компрессор, а последние две (т. н. д.) образуют силовую турбину. Вал силовой турбины вращается со скоростью 194 об/сек. Специальный редуктор понижает скорость вращения до рабочих оборотов электрогенератора (16,6 об/сек).
ГТД имеет мощность 3125 кВт и работает на дизельном топливе. Степень повышения давления в компрессоре — 2,3. Температура газов перед т. в. д. равна 850° С. Эффективный к. п. д. двигателя — 23%. Габариты двигателя: длина — 2690 мм, диаметр — 990 мм. Масса двигателя — 1530 кг.
Вспомогательное оборудование двигателя то же, что и в случае использования его на самолете. Его запуск осуществляется стартер-генератором мощностью 15 кВт, получающим питание от аккумуляторной батареи напряжением 110 В.
Электрический генератор переменного тока, трехфазный, с воздушным охлаждением, мощностью 3200 кВА при Cos = 0,9. Напряжение генерируемого тока 11 кВ, частота 50 Гц. Воздух для охлаждения генератора поступает в помещение электростанции через специальную шахту. С вращающимся возбудителем генератор связан жестко. Возбудитель регулируется как вручную, так и автоматически. Масса электрогенератора 11,75 т, а масса ротора генератора — 5 т. Смазка подшипников генератора осуществляется от специального электронасоса.
Использование двигателя с двумя независимыми турбинами оказалось выгодным, так как в этом случае мала потребная для запуска двигателя мощность и облегчается автоматическая синхронизация при включении агрегата в параллельную работу.
ГТГ имеет длину 7,4 м и размещен в кирпичном здании (10,65×7,00×6,70 м) с бетонным полом и сборной фундаментной плитой. Размещение ГТГ в здании показано на рис. 5.
В основном помещении расположен электрогенератор с распределительным устройством, контрольным щитом и кабиной управления. ГТД установлен в отдельном отсеке. Конец его вала проходит в отсек генератора через звукоизолирующую перегородку, собранную из съемных панелей, что обеспечивает легкий демонтаж двигателя в случае необходимости его замены.

Рис. 5. Размещение оборудования в здании
электростанции фирмы "Бристоль"
1 — воздухозаборник; 2 — воздушный фильтр; 3 — глушитель выхлопа;
4 —ТВД; 5 — электрогенератор; 6 — возбудитель
Воздух в отсек двигателя забирается сверху из воздушного короба, расположенного вдоль всего здания над аппаратурой распределительного устройства. Воздушный короб снабжен звукопоглощающими пакетами и фильтрами-пылепоглотителями. Отработавшие газы поступают из двигателя в глушитель через расширяющийся патрубок. Из глушителя газы удаляются через вертикальную трубу наружу.
Помещение станции, за исключением кабины управления, не отапливается. Нормальная температура поддерживается за счет тепла, выделяемого обмотками генератора при работе.
Специальное масло не требует подогрева и позволяет запускать двигатель при температуре наружного воздуха до —40° С.
Управление станцией осуществляется по телефону с помощью специальной системы. Пуск, контроль за работой и останов ГТГ производится на расстоянии 160 км.
Весь процесс запуска ГТГ до принятия нагрузки занимает около двух минут. ГТГ— автономен, в процессе запуска все потребители получают питание от аккумуляторной батареи.
Практика показала, что автоматический пуск происходит более последовательно и надежно, чем ручной.
Система автоматического регулирования спроектирована таким образом, что при работе ГТГ на воздухе с отрицательной температурой (до —1,0° С) его мощность не превышает номинальную. При работе ГТГ на наружном воздухе с плюсовой температурой мощность соответственно ограничивается.
Эксплуатация электростанции характеризуется надежной и безотказной работой ГТГ. Постройка и эксплуатация станции показали также, что, несмотря на сравнительно низкий к. п. д. ГТД, стоимость отпущенного 1 кВт∙ч электроэнергии меньше, чем на базисных электростанциях. Это объясняется небольшими первоначальными затратами на сооружение электростанции и ее полной автоматизацией.
В Англии по заказу Центрального электрического общества были изготовлены несколько ГТГ мощностью по 17,5 МВт. Каждый ГТГ состоит из двух конвертированных ТРД "Эйвон", используемых в качестве генераторов газа, силовой турбины промышленного типа и электрического генератора. ГТГ включаются в работу автоматически при помощи реле понижения частоты или нажатием кнопки "пуск". Они способны принимать полную нагрузку через две минуты. ТРД могут работать на дизельном топливе или природном газе. Проектный к. п. д. ГТГ 28%. Компоновка ГТГ показана на рис. 6.
Интересно отметить, что весь процесс разработки проекта ГТГ до его создания в металле занял 18 месяцев.
Конвертированный ТРД "Эйвон" в составе ГТГ используется со значительно меньшей, чем в условиях эксплуатации на самолетах, мощностью, в результате чего возрастает его моторесурс.
4

Рис. 6. Компоновка ГТГ мощностью 17,5 МВт
1 — выхлопная труба; 2 — ТРД "Эйвон"; 3 — электрогенератор; 4 — возбудитель
Силовая двухступенчатая турбина предназначена для работы на газе с низкой температурой и давлением. Она сконструирована как обычная газовая турбина промышленного типа.
Данный конвертированный ТРД выпускается для использования как на пиковых и аварийных электростанциях, так и на электростанциях, работающих 8000 ч в год. В зависимости от назначения, эти ТРД могут иметь агрегатную мощность от 6000 до 40 000 кВт и работать на керосине, дизельном топливе или природном газе.
Наряду с рассмотренными типами электростанций в настоящее время на основе конвертированных АГТД эксплуатируются и создаются более мощные электростанции. Так например, только в энергосистемах Англии и США эксплуатируются около полутора десятков электростанций с ГТГ мощностью 60—140 МВт.
Основным назначением таких электростанций является выработка электроэнергии для снятия пиков электрической нагрузки, а вспомогательным — создание в энергосистемах резервной мощности.
Обычно одна такая электростанция придается крупному паротурбинному блоку. Считают, что главным достоинством пиковых электростанций такой мощности является низкая, по сравнению с паротурбинными электростанциями, стоимость их строительства.
Компоновочные решения газотурбогенераторов этих электростанций выполнены по вариантам б и в (рис. 2). Некоторой разновидностью компоновочного варианта в является ГТГ электростанции мощностью 56—60 МВт фирмы "Инглиш электрик" (Англия). Электрогенератор данного ГТГ приводится во вращение двумя силовыми турбинами, каждая из которых соединена с одним из концов его ротора. Работу каждой силовой турбины обеспечивают два ТРД.
В настоящее время за рубежом находится в эксплуатации тысячи ГТУ мощностью до 35 МВт, созданных на базе авиационных турбореактивных или турбовентиляторных двигателей. Они состоят из одного или двух компрессоров, приводимых во вращение связанными с ними турбинами, которые вместе с камерой сгорания, расположенной между компрессором и турбиной высокого давления, являются генератором горячих газов. Газы расширяются в турбине полезной мощности (силовой турбине). Показатели наиболее мощных и совершенных зарубежных ГТУ такого типа приведены в таблице 1 [Л. 5].
Наиболее широко (до 1000 однотипных агрегатов) распространены за рубежом установки, созданные на базе ГТД Avon, Olympus, FT4, которые выпускаются уже в течение 25-30 лет. Использование ГТД позволило перенести в промышленность передовой научно-технический опыт, накопленный в авиации, использовать подготовленную технологическую базу и преимущества крупносерийного производства, а также опыт эксплуатации авиационной техники [Л. 5].
|
Таблица 1 Параметры и показатели энергетических ГТУ с промышленными вариантами авиационных ГТД |
|||||||
Параметры ипоказатели |
Фирма-изготовитель и тип ГТД |
||||||
|
Olympus B |
Olympus C |
RB211-24 |
Avon 1535 |
LM2500 |
LM5000 |
FT4C-3F |
|
|
Мощность ГТУ в базовом режиме, МВт |
17,5 |
28,1 |
23,5 |
14,7-16,0 |
19-22,0 |
32,5-35,4 |
30,6 |
|
КПД ГТУ в базовом режиме, % |
26,9 |
30,7 |
33,5 |
28,2-28,9 |
34,2-36,0 |
35,5-37,7 |
31,3 |
|
Мощность ГТУ в пиковом режиме, МВт |
20,0 |
29,6 |
24,5 |
16,3-18,2 |
23,9 |
35-38 |
33,0 |
|
КПД ГТУ в пиковом режиме, % |
27,8 |
31,0 |
33,9 |
28,8-29,6 |
36,6 |
35,9-38,2 |
32,2 |
|
Степень сжатия |
10,3 |
11,0 |
19,2 |
10,1 |
18 |
29-31 |
14,5 |
|
Расход воздуха, кг/с |
108,5 |
109,0 |
94,0 |
79,5-82,2 |
64-67 |
123-127 |
142,5 |
|
Температура газов за турбиной, °С |
490 |
530 |
490 |
475-500 |
490 |
435 |
490 |
|
Число ступеней |
|||||||
|
компрессора |
5+7 |
5+7 |
7+6 |
17 |
16 |
5+14 |
8+8 |
|
турбины ГТД |
1+1 |
1+1 |
1+1 |
3 |
2 |
2+1 |
1+2 |
|
силовой турбины |
2 |
2-3 |
3 |
2 |
2-6 |
2-3 |
3 |
|
Число пламенных труб |
8 |
8 |
Кольцевая |
8 |
Кольцевая |
Кольцевая |
8 |
|
Масса ГТД, т |
2,2 |
2,2 |
2,6 |
1,6 |
— |
3,9 |
— |
|
Масса ГТУ, т |
23 |
25,5 |
23,0 |
20,5 |
21,5-35,5 |
28,5-43 |
19,5 |
|
Длина ГТУ, м |
9,2 |
9,2 |
6,5 |
7,3 |
5,5-6,4 |
8,8-9,8 |
8,8 |
|
Ширина ГТУ, м |
3,1 |
3,4 |
4,0 |
3,4 |
2,1-3,4 |
3,4 |
3,05 |
|
Высота ГТУ, м |
4,0 |
3,4 |
3,9 |
3,1 |
2,1-3,4 |
3,1-3,4 |
2,8 |
Специфическими качествами ГТУ, созданных на базе авиационных двигателей, являются очень малые масса и габариты, быстрота запуска (до 1,5 мин до полной нагрузки в установках мощностью 20-25 МВт) при небольшой пусковой мощности и полной автономности, возможность быстрого восстановления при неполадках путем простой замены ГТД-генератора газа или даже всего агрегата. Недостатки таких ГТУ — более жесткие требования к топливу и эксплуатационному обслуживанию, сложная технология капитальных ремонтов, возможных только в заводских условиях. Используемые в энергетических ГТУ двигатели выпускаются специально для промышленного применения. Для обеспечения эффективной работы в наземных условиях часть их деталей либо переконструирована по сравнению с авиационными прототипами, либо изготовлена по измененной технологии или из других материалов. Параллельно осуществлялись мероприятия по повышению мощности и КПД путем совершенствования турбомашин, увеличения расхода воздуха, степени сжатия и начальной температуры газов и улучшению эксплуатационных качеств: увеличению ресурса деталей, длительности непрерывной работы, ремонтопригодности.
В промышленных ГТУ на базе ГТД третьего поколения "Спей", RB211, TF39 и CF6, выполненных с более высокими степенями сжатия и экономичными системами охлаждения, достигнута существенно более высокая экономичность (см. таблицу 1). Наиболее мощной из этих ГТУ является установка с генератором газа типа LM5000, созданным фирмой General Electric c использованием до 70% деталей турбовентиляторного ГТД CF6. На его конструкции остановимся подробнее.
Вентиляторная ступень ГТД снята и заменена двумя первыми ступенями пятиступенчатого КНД со степенью сжатия 2,5. Далее идет одновальный КВД (14 ступеней), который сжимает воздух до давления 3 МПа.
Камера сгорания — кольцевая с 30 устанавливаемыми извне регистровыми горелками. Зона горения спроектирована с повышенными избытками воздуха, для того чтобы снизить дымление, сократить длину факела и уменьшить количество воздуха, необходимого для охлаждения пламенной трубы. Начальная температура газов составляет 1150-1180 °С.
КВД приводится во вращение двухступенчатой ТВД, все лопатки которой охлаждаются отборным воздухом из КВД. Ротор КВД — ТВД выполнен трехопорным; как обычно, в ГТД используются подшипники качения.
Блок КВД — камера сгорания — ТВД использован в таком же виде в ГТУ LM2500, несколько сотен которых уже выпущено для морского флота и промышленности, некоторые из которых проработали свыше 40 — 50 тыс. ч.
Одноступенчатая ТНД, вращающая вал КНД через соединительный вал, проходящий внутри вала КВД — ТВД, специально спроектирована для ГТУ LM5000. общая длина генератора газа (без силовой турбины) 4,47 м, масса 3,9 т.
Энергетические ГТУ с агрегатом LM5000 спроектированы и выпускаются несколькими фирмами. Они оснащаются трехступенчатой силовой турбиной, ротор и статор которой выполняются охлаждаемыми. Продолжительность нормального пуска до включения электрогенератора в сеть составляет 7, ускоренного — 3 мин.
1 Каримов И.А. Прогресс дехканского хозяйства — путь к изобилию. – Т.: Узбекистан, 1994, с. 6.
2 Каримов И.А. Прогресс дехканского хозяйства — путь к изобилию. – Т.: Узбекистан, 1994, с. 7.
Глава 2. Тепловой расчет газотурбинной
теплоэлектроцентрали на базе АГТД
2.1. Описание газотурбинной ТЭЦ на базе АГТД и ее принципиальная тепловая схема
Газотурбинная теплоэлектроцентраль ГТТЭЦ-7500Т/6,3 с установленной электрической мощностью 7500 кВт состоит из трех газотурбогенераторов с турбовинтовыми двигателями АИ-20 номинальной электрической мощностью 2500 кВт каждый. Принципиальная тепловая схема ГТТЭЦ-7500Т/6,3 показана на рис. 7.
Тепловая мощность ГТТЭЦ 15,7 МВт (13,53 Гкал/ч). За каждым газотурбогенератором установлен газовый подогреватель сетевой воды (ГПСВ) с оребренными трубами для подогрева воды отработавшими газами на нужды отопления, вентиляции и горячего водоснабжения поселка. Через каждый экономайзер проходят отработавшие в авиационном двигателе газы в количестве 18,16 кг/с с температурой 388,7 °С на входе в экономайзер. В ГПСВ газы охлаждаются до температуры 116,6 °С и подаются в дымовую трубу. Для режимов с пониженными тепловыми нагрузками введено байпасирование потока выхлопных газов с выводом в дымовую трубу.
Расход воды через один экономайзер составляет 75 т/ч.
Сетевая вода нагревается от температуры 60 °С до 120 °С и подается потребителям для нужд отопления, вентиляции и горячего водоснабжения под давлением 2,5 МПа.
Часть воды, нагреваемой в ГПСВ из коллектора прямой сетевой воды поступает в горизонтальный вакуумный деаэратор, который работает при абсолютном давлении 0,01 МПа и деаэрирует химически очищенную воду, поступающую с химводоочистки для нужд горячего водоснабжения и для восполнения потерь сетевой воды от утечек к потребителей в количестве 30 т/ч.
Оборудование станции размещено в здании из сборных железобетонных панелей. Размеры здания 30×18 м. Машинный зал разделен звукоизолирующими перегородками на два отсека. Один из них размером 12×18 м — отсек для ГТД и ГПСВ, второй — генераторное помещение площадью 6×18 м.
К машинному залу примыкают вспомогательные помещения. В одном площадью 5×6 м размещается щит управления, в двух других площадью по 3×6 м душевая с раздевалкой и мастерская, в четвертом — площадью 10×12 м — оборудование химводоочистки, а также подпиточные насосы, насосы прямой и обратной сетевой воды, вакуумный деаэратор, шкаф аккумуляторной батареи.
В помещении двигателей установлены масляные блоки, включающие в себя расходные баки масла с соответствующим оборудованием и насосами, а также масляные радиаторы с вентиляторами, всасывающими наружный воздух и выбрасывающими его после прохождения через радиатор за пределы помещения.
Забор воздуха и выброс отработавших газов осуществляется по специальным воздухо- и газопроводам, выведенным выше кровли здания электростанции. На воздухозаборе предусматривается установка глушителей из асбосиликатных плит, снижающих уровень шума до нормы. На всасывающем патрубке предусматривается также установка противопыльных фильтров.
За авиационными двигателями размещены тормозящие решетки, которые снижают скорость газов и создают равномерный поток газов на входе в котел-утилизатор.
Турбовинтовой двигатель АИ-20 закреплен на специальной фундаментной раме, расположенной на жестком основании (платформе).
Крепление двигателя к подмоторной раме при помощи четырех стоек с шарнирами обеспечивает центровку валов и компенсирует температурные напряжения. Подмоторная рама двигателя и генератор жестко крепятся к платформе. Соединение двигателя с электрогенератором СГС-14-100-6УЗ осуществлено при помощи специального вала и соединительной муфты. Длина соединительного вала позволяет установить перегородку между двигателем и электрогенератором, для снижения шума в генераторном отсеке. Конструкция муфты позволяет производить монтаж и демонтаж каждого из агрегатов в отдельности.
На двигателе расположены агрегаты, которые обеспечивают автоматизацию его запуска, подачу и масла, а также защиту двигателя в аварийных режимах.
Масса газотурбогенератора со всеми системами и устройствами в сухом состоянии около 10 т. Общая длина газотурбогенератора составляет 6,4 м, ширина платформы 1,7 м, высота 2,6 м.
На станции установлены синхронные электрические генераторы СГС-14-100-6УЗ переменного тока, трехфазные, с воздушным охлаждением, мощностью 2500 кВт. Напряжение генерируемого тока 6,3 кВ, частота 50 гц. Воздух для охлаждения генератора поступает в помещение электростанции через специальную шахту. С вращающимся возбудителем генератор связан жестко.
Распределительное устройство на 6 кВ комплектуется из девяти шкафов типа КРУН6 наружной установки.
В шкафах размещаются: ввод генератора, трансформатор собственных нужд, разрядники, два отходящих фидера с масляными выключателями, трансформатор напряжения.
Комплектное распределительное устройство оборудовано также блоком автоматической синхронизации с энергосистемой, энергоустановками.
2.2. Тепловой расчет ГТУ на базе двигателя АИ-20
Основные показатели
мощность, МВт 2,5
ГПСВ
КС
Эжектор деаэратора
компрессор
в дымовую
трубу
ГТ

ВД

из ХВО



Коллектор подпиточной воды

ГПСВ

КС

Насос подпи-точной воды
компрессор
ГТ
ГТ
в дымовую
трубу




Насос обратной
сетевой воды


Насос сетевой воды
ГПСВ

КС
компрессор
в дымовую
трубу
ГТ
Рис. 7. Принципиальная тепловая схема ГТТЭЦ-7500Т/6,3.
КС — камера сгорания; ГТ — газовая турбина; ГПСВ — газовый подогреватель сетевой воды; ВД – вакуумный деаэратор
степень повышения давления 7,2
температура газов в турбине,С
на входе 750
на выходе 388,69
расход газов, кг/с 18,21
количество валов, шт 1
температура воздуха перед компрессором, С 15
Расчет компрессора
Найдем теоретическое значение энтропии воздуха на выходе из компрессора. При заданных значениях температуры воздуха на входе в компрессор t>1> = 15 °C и степени повышения давления воздуха в компрессоре >k> = 7,2 оно составит:
0,0536
+ 0,287 ln7,2
= 0,6201
,
здесь R
= 0,287
– газовая постоянная воздуха.
Тогда
теоретическая температура воздуха на
выходе из компрессора составит
C
КПД
компрессора принят равным
.
Тогда действительная работа сжатия в
компрессоре составит:
H>k>
= (i>2>>t>
– i>1>)/>k>
= (234,06 –
15,04)/0,87 = 251,75
,
где
i>2>>t>
= 234,06
– энтальпия воздуха при температуре
t>2>>t>
= 231 °C;
i>1
> = 15,04
– энтальпия воздуха при температуре
t>1>
= 15 °С.
Тогда действительная энтальпия воздуха на выходе из компрессора будет иметь значение:
i>2>
= i>1>
+ H>k>
= 15,04 + 251,75 =
266,79
.
По найденному значению энтальпии на выходе из компрессора найдем действительную температуру воздуха на выходе из компрессора:
t>2> = f(i>2>) = 262,88 С.
Расчет камеры сгорания
Топливо — природный газ Шуртанского месторождения.
Объемный состав газа:
СН>4> – 90,6 %,
С>2>Н>6 >– 3,45 %,
С>3>Н>8> – 0,9 %,
С>4>Н>10> – 0,38 %,
С>5>Н>12> – 0,3 %,
Н>2>S – 0,08 %,
СО>2> – 2,69 %,
О>2> – 1,6 %.
Низшая
теплота сгорания Q
= 48340 кДж/кг.
Физической теплотой вносимой в камеру сгорания пренебрегаем. Примем КПД камеры сгорания >кс> = 0,98. Тогда относительное количество воздуха, содержащееся в продуктах сгорания при температуре t>3> = 750 °C за камерой сгорания составит:
g>в>
= [Q
∙>кс>
+ L>0>∙i>2>
– (L>0>
+ 1)∙i>3(>>>>=1)>]/(i>3>>в>
– i>2>)
=
= [48340∙0,98 + 16,43∙266,79 – (16,43 + 1)∙905,916]/(799,10 – 266,79) =
= 67,63 кг/кг.
Здесь L>0> = 16,43 кг/кг — теоретическая масса воздуха, необходимая для сгорания 1 кг топлива; i>3(>>>>=1)> = f(t>3>) — энтальпия продуктов сгорания при коэффициенте избытка воздуха = 1; i>3>>в> = f(t>3>) — энтальпия воздуха при температуре на выходе из камеры сгорания.
Коэффициент избытка воздуха на выходе из камеры сгорания составит:
= (L>0> + g>в>)/L>0> = (16,43 + 67,63)/16,43 = 5,116.
Удельный расход рабочего тела в камере сгорания увеличился на величину
g>в> = 1/(∙L>0>) = 1/(5,116∙16,43) = 0,0119 кг/кг.
Расчет газовой турбины
Адиабатный КПД турбины принят равным >т> = 0,88; коэффициент потерь давления в турбине = 0,03.
Тогда степень понижения давления в турбине составит
>т> = (1 – )∙>к> = (1 – 0,03)∙7,2 = 6,984.
Теоретическая температура продуктов сгорания на выходе из турбины t>4>>t> определяется с помощью уравнения
S(T>4>>t>)
= S(T>3>)
– R∙ln>т>
= 1,4221 –
0,2896∙ln6,984 = 0,8592
.
Тогда
t>4>>t> = f [S(T>4>>t>), ] = 348,9 °C.
Затем найдем работу расширения газов в турбине из следующего выражения
Н>а> = (i>3> – i>4>>t>)∙>т> = (820,91 –365,75)∙0,88 = 400,54 кДж/кг.
Следовательно, действительная энтальпия газов на выходе из турбины может быть найдена из выражения
i>4а> = i>3> – Н>а> = 820,91 – 400,54 = 420,37 кДж/кг.
Тогда действительная температура газов на выходе из турбины составит
t>4а> = f(i>4а>, ) = 398,98 °С.
Примем
среднюю температуру стенки лопаток t>ст>
= 600 °С; число охлаждаемых
венцов z
= 1. Так как
,
то
a = (z + 1)/(2∙z) = (1 + 1)/(2∙1) = 1;
b = (z – 1)/(3∙z) = (1 – 1)/(3∙1) = 0.
Найдем среднюю температуру рабочего тела, при которой отводится теплота охлаждения из выражения
T>q> = T>3>∙[1 – b∙(T>3> – T>ст>)/T>3>] = 1023∙[1 – 0∙(1023 – 873)/1023] =
= 1023 К = 750 °С.
Принимая коэффициент эффективности охладителя * = 0,02, находим количество теплоты, отводимой от охлаждаемых элементов проточной части из следующего выражения
0,02∙1,1817∙1∙1∙(1023
– 873) =
= 3,55 кДж/кг,
где
— теплоемкость продуктов сгорания.
Коэффициент потери работы при закрытом охлаждении

Удельная работа расширения газа в турбине с учетом потерь от охлаждения
кДж/кг.
Тогда энтальпия газов в конце расширения составит
кДж/кг.
Cредняя температура газа, при которой охладитель выводится в проточную часть турбины,
К = 600 °С.
Для
определения
примем, что процесс расширения газа в
турбине — политропический с показателем
политропы
Тогда степень понижения давления охладителя

Принимая
коэффициент использования хладоресурса
охладителя
,
будем считать, что на охлаждение дисков
и элементов статора потребуется воздуха
.
Тогда расход воздуха на охлаждение

Здесь
с>р,охл>
— средняя изобарная
теплоемкость охладителя:
при t
= (t>ст>
+ t>2>)/2
= (600 + 262,68)/2 = 431,34C
Cредняя
энтальпия охладителя при выводе в
проточную часть
кДж/кг,
тогда
ºС.
Полагая, что политропические КПД процессов расширения газа и охлаждения совпадают, имеем
Энтропию охладителя в конце процесса расширения газа определим с помощью уравнения

тогда энтальпия
охладителя в конце расширения
= 189,62 кДж/кг.
Следовательно, работа расширения охладителя составит
кДж/кг.
Cуммарная удельная работа расширения газа и охладителя
кДж/кг.
Расход охладителя, отнесенный к расходу воздуха через компрессор

Коэффициент избытка воздуха смеси газа и охладителя
.
Энтальпия смеси газа и охладителя за турбиной

тогда температура
смеси газов и охладителя на выходе из
турбины
C.
Выходные характеристики ГТУ
Удельная
полезная работа ГТУ (при
)

Коэффициент полезной работы

Расход воздуха при мощности 2,5 МВт
кг/с.
Расход топлива при мощности 2,5 МВт
G>топ> = G>к>∙g>топ> = 17,95∙0,0119 = 0,21 кг/с.
Суммарный расход выхлопных газов
G>г> = G>к> + G>топ> = 17,95 + 0,21 = 18,16 кг/с.
Удельный расход воздуха в турбине

Удельный расход теплоты в камере сгорания
кДж/кг.
Эффективный КПД ГТУ

Удельный расход условного топлива на выработанную электроэнергию (при КПД генератора >ген> = 0,95) без утилизации тепла выхлопных газов

2.3. Расчет газо-водяного подогревателя сетевой воды
Исходные данные для расчета газо-водяного подогревателя:
Расход сетевой воды через подогреватель - 75 т/ч
Температура воды на входе - 60 °С
Температура воды на выходе - 120 °С
Расход газов через подогреватель - 18,16 кг/с
Температура газов на входе - 388,69 °С
Газо-водяной подогреватель имеет поверхность нагрева в виде поперечно омываемых газами труб с наружным оребрением, расположенными в шахматных пучках. Количество ходов по воде — 3, по газу — 1.
Геометрические параметры подогревателя:
Диаметр труб - 0,028 м
Диаметр ребра - 0,048 м
Внутренний диаметр трубы - 0,022 м
Толщина ребра - 0,002 м
Шаг ребра - 0,005 м
Поперечный шаг труб - 0,06 м
Продольный шаг труб - 0,045 м
Ширина подогревателя - 2 м
Высота подогревателя - 2 м
Для определения температуры газов на выходе из подогревателя составим уравнение теплового баланса подогревателя:
Q>в> = Q>г>,
где Q>в> = G>в>(h" – h') — теплота, воспринимая водой,
здесь
G>в> = 75 т/ч = 20,83 кг/с – расход воды через подогреватель;
h" = 505,05 кДж/кг – энтальпия воды на выходе из подогревателя;
h' = 253,23 кДж/кг – энтальпия воды на входе в подогреватель;
Q>г> = G>г>(i' – i") — теплота, переданная газами воде в подогревателе,
здесь
G>г> = 18,16 кг/с – расход газов через подогреватель;
i' = 408,7 кдж/кг – энтальпия газов на входе в подогреватель.
Тогда энтальпия газов на выходе из подогревателя может быть найдена из следующего выражения
i"
=
=
= 119,85 кДж/кг.
Тогда температура газов на выходе из подогревателя составит " = 116,6 °С.
Задачей расчета является определение необходимой поверхности нагрева подогревателя для обеспечения требуемой тепловой производительности.
Живое сечение поверхности нагрева для прохода газов определяется по следующей формуле
F=

= 1,6 м2.
Здесь
— поперечный шаг труб, м;
d — диаметр несущей трубы, м;
— высота ребра, м;
— шаг ребер, м;
— толщина ребра, м.
Объем газов, проходящих в расчетном сечении, при плотности = 1,292 кг/м3
V>г> = G>г>/ = 18,16/1,292 = 14,09 м3/с.
Скорость газов в расчетном сечении
>г> = V>г>/F = 14,09/1,6 = 8,806 м/с.
Для круглых труб с круглыми ребрами отношение поверхности ребер к полной поверхности с газовой стороны
=
=
=
= 0,9005.
Здесь D — диаметр ребра, м.
Отношение участков несущей поверхности без ребер к полной поверхности с газовой стороны
.
Далее определим коэффициент теплоотдачи конвекцией при поперечном омывании шахматного пучка труб с круглыми ребрами из следующего выражения.
>к> =
0,23С>z>
=
= 0,23∙1,02∙1,2280,2∙
=
= 55,38 ккал/(м2∙ч∙°С)
Здесь
С>z> — поправочный коэффициент, определяется по номограмме 26 [Л. 8];
=
=1,228
— параметр, учитывающий геометрическое
расположение труб в пучке,
здесь
>1> = s>1>/d = 0,06/0,028 = 2,143 — относительный поперечный шаг труб;
s'>2>
=
=1,931
— относительный диагональный шаг труб;
>2> = s>2>/d = 0,045/0,028 = 1,607 — относительный продольный шаг труб;
— коэффициент теплопроводности при средней температуре потока газов, ккал/(м2∙ч∙°С);
— коэффициент кинематической вязкости при средней температуре потока газов, м2/с.
Приведенный коэффициент теплоотдачи с газовой стороны, отнесенный к полной поверхности, определяется по формуле
'>1пр>
=

=
47,89 ккал/(м2∙ч∙°С).
Здесь, Е — коэффициент эффективности ребра, определяемый в зависимости от формы ребер и параметров h>рб> и D/d по номограмме 24 [Л. 8];
=
,;
>м> — коэффициент теплопроводности металла ребер, ккал/(м2∙ч∙°С);
— коэффициент, для ребер постоянной толщины равен 1;
— коэффициент, учитывающий
неравномерную теплоотдачу по поверхности
ребра, для ребер с цилиндрическим
основанием принимается равным 0,85.
— коэффициент загрязнения, при сжигании газа принимается равным 0.
Коэффициент теплопередачи, отнесенный к полной поверхности с газовой стороны, найдем по следующей формуле
k
=
.
Для поверхностей нагрева, в которых нагревается вода, влиянием 1/>2> пренебрегают, т.к. >2> >> >1>. Тогда
k = '>1пр> = 45,38 ккал/(м2∙ч∙°С) = 52,77 Вт/(м2∙К).
Для нахождения необходимой поверхности нагрева подогревателя, необходимо решить уравнение теплового баланса
Q>г> = kHt,
H
=

Далее необходимо определить температурный напор. Для этого составим схему движения сред в подогревателе.
В подогревателе применена трехходовая по воде схема с перекрестным током.
Температурный напор в подогревателе определяется по следующей формуле
t = t>прт> = 1∙71,26 = 71,26 °С.


Рис. 8. Схема движения сред в подогревателе.
Здесь t>прт>
=
=71,26
°С — температурный напор для противоточной
схемы движения сред в подогревателе.
Здесь
=
’
– t”
= 388,69 – 120 = 268,69 °С — наибольшая разность
температур сред на конце поверхности
нагрева,
=
”
– t’
= 116,6 – 60 = 56,6 °С — наименьшая разность
температур сред на конце поверхности
нагрева.
= 1 — коэффициент пересчета от противоточной схемы к перекрестной. Находится по номограмме 31 [Л. 8] в зависимости от параметров Р и R.
Полный перепад температуры газа в подогревателе
>б> = ’ – ” = 388,69 – 116,6 = 272,09 °С
Полный перепад температуры воды в подогревателе
>м> = t” – t’ = 120 – 60 = 60 °С
Параметр Р =

Параметр R
=
.
Тогда, с учетом найденных ранее значений Q>г>, t и k, определим необходимую полную поверхность нагрева подогревателя.
H
=
=
= 1394,828 м2.
Тогда, оребреная поверхность труб будет иметь площадь 1256,043 м2, а гладкая соответственно 138,785 м2. Тогда общая длина труб может быть найдена простыми вычислениями и она составит 2629,56 м.
При заданных геометрических параметрах подогревателя можно найти количество труб в ряду и количество рядов труб. Они составят
количество труб в ряду – 34 шт,
количество рядов – 39 шт.
Геометрические размеры подогревателя при полученном количестве труб в ряду и количестве рядов труб составят (рабочая часть, без учета подводящих и отводящих патрубков по газовой и водяной стороне):
длина — 1,8 м,
ширина — 2 м,
высота — 2 м.
2.4. Тепловой расчет вакУУмного деаэратора
подпиточной воды тепловой сети
Для расчета вакуумного деаэратора подпиточной воды теплосети принимаются следующие исходные данные:
Производительность по деаэрированной воде, D>х.о> — 30 т/ч
Температура поступающей в деаэратор хими- — 30 °С
чески очищенной воды, t>х.о>
Энтальпия химически очищенной
воды, i
—
126 кДж/кг
Температура сетевой воды, t>c>>.в> — 120 °С
Энтальпия сетевой воды, i>с.в> — 505,05 кДж/кг
В соответствии с рекомендациями ЦКТИ расход выпара из деаэратора должен составлять 5 кг на 1 т деаэрируемой воды [Л. 9], или
D>вып> = 5D>х.о>·10-3 = 5·30·10-3 = 0,15 т/ч.
Абсолютное давление пара в
деаэраторе принимается равным
р>д.п> = 10 кПа,
температура деаэрированной воды (при
температуре насыщения) t>д.н> = 45
°С, ее энтальпия i
= 188 кДж/кг, энтальпия сухого насыщенного
пара i>д.н> =
2583 кДж/кг.
Расход греющей среды — сетевой воды в деаэратор определяется из уравнения его теплового баланса, которое в данном случае имеет вид
.
Потери теплоты в окружающую среду учитываются здесь коэффициентом >д> = 0,98. Решая уравнение теплового баланса, находим расход сетевой воды, необходимый для деаэрации подпиточной воды
D>с.в> = 7,568 т/ч = 2,1 кг/с.
2.5. технико-экономические показатели ГТТЭЦ
Установленная электрическая мощность ГТТЭЦ
N>уст> = n·N>гту> = 3·2500 = 7500 кВт,
где п — количество ГТУ на ГТТЭЦ, шт.
Расход электроэнергии на собственные нужды принят равным 5,5 %.
Номинальная тепловая мощность установленных на ГТТЭЦ ГПСВ
Q>ТЭЦ> = n·Q>ГПСВ> = 3·5245,41 = 15736,23 кВт
Коэффициент первичной энергии ГТТЭЦ брутто:
=
=
=
0,763.
Коэффициент первичной энергии ГТТЭЦ нетто:
=
=
= 0,732.
КПД выработки электрической энергии в теплофикационной ГТУ
=
=
=
0,5311,
где
Н>е> — удельная работа газа в ГТУ, кДж/кг;
q>1> — удельный расход теплоты в камере сгорания ГТУ на 1 кг рабочего тела, кДж/кг;
q>т.п> = Q>ГПСВ>/G>г> = 5245,41/18,16 = 288,84 кДж/кг — удельный отвод тепла в ГПСВ от 1 кг уходящих газов ГТУ, где Q>ГПСВ> — тепловая мощность ГПСВ, G>г> — расход газов в ГТУ, кг/с.
Расход условного топлива на выработку электроэнергии в теплофикационной ГТУ
b
= 231,6
.
Часовой расход условного топлива на выработку электроэнергии
B
=
b
·N>гту>
= 0,2316·2500 = 579
кг у.т./ч.
Часовой расход условного топлива в ГТУ
B
=
G>топ>·
·3600
= 0,21·
·3600
= 1246 кг у.т./ч, где G>топ>
— расход натурального топлива в ГТУ,
кг/с.
На выработку теплоты в соответствии с "физическим методом" относится оставшееся количество условного топлива
В
=
B
—
B
=
1246 — 579 = 667 кг у.т./ч
Тогда удельный расход условного топлива на выработку 1 Гкал теплоты в теплофикационной ГТУ составит
b
=
В
/
Q>ГПСВ>
= 667/4,51 = 147,89 кг у.т./Гкал.
ГЛАВА 3. Станция полного энергоснабжения
(теплота, электроэнергия и холод) на базе
конвертированного АГТД
3.1. Особенности создания источника полного энергоснабжения — Теплоэлектрохладоцентрали
Следующим этапом развития газотурбинной теплоэлектроцентрали может стать создание на ее основе источника полного энергоснабжения — газотурбинной теплоэлектрохладоцентрали (ГТТЭХЦ), позволяющей вырабатывать все практически используемые виды энергоресурсов — теплоту, электроэнергию и холод.
Такие установки особенно актуальны для специфических климатических условий Узбекистана, характеризующихся непродолжительной зимой и соответственно непродолжительным отопительным периодом (3000 — 3500 ч), и жарким летом с температурой воздуха, доходящей в некоторых областях Узбекистана до 42 — 46 °С. Даже при таких условиях комбинированная выработка электроэнергии с одновременным отпуском тепловой энергии потребителю оказывается выгодной, что показано в главах 2 и 4 настоящей работы. При этом использование авиационных двигателей, особенно отработавших свой летный ресурс, позволяет значительно сократить сроки монтажа и ввода в эксплуатацию подобных станций, а также сократить капитальные вложения в их строительство.
Для большинства населенных пунктов Узбекистана, расположенных в сельскохозяйственных районах, характерна удаленность от источников снабжения энергоресурсами. Для обеспечения их энергией приходится сооружать ЛЭП, которые характеризуется дополнительными потерями в размере около 15 — 20 % электроэнергии, вырабатываемой на конденсационных электростанциях (КЭС) с КПД не превышающем 30 — 35 %. Теплота для теплоснабжения вырабатывается обычно в местной котельной, имеющей КПД не превышающий 85 %. При этом высокий тепловой потенциал сжигаемого топлива (2000 — 2500 °С) в котельной используется для подогрева воды до 95 — 120 °С и, в лучшем случае, для выработки пара промышленных параметров.
Для обеспечения комфортных условий для проживания, на рабочем месте, широко используются системы местного кондиционирования, потребляющие электроэнергию, опять же производимую на КЭС.
Предприятия сельскохозяйственного комплекса, особенно в животноводстве, характеризуются средними показателями, особенно по таким, как прирост живого веса на фермах. Повышение производительности ферм можно достичь с помощью систем для обеспечения комфортных условий для скота в различное время года: тепла — в зимнее, кондиционирования воздуха — в летнее время. Для хранения продукции сельского хозяйства необходимо создание специальных хранилищ с созданием в них необходимых условий хранения, в том числе и низкой температуры летом.
Обеспечение в летнее время холодом систем кондиционирования воздуха и теплом в зимнее время — систем вентиляции, помогает увеличить производительность труда рабочих на промышленных предприятиях.
Таким образом, видно, что для улучшения качества жизни населения, для повышения производительности как в сельском хозяйстве, так и в промышленном производстве Узбекистана, необходимо снабжение всеми видами энергии, а именно — теплом, электроэнергией и холодом.
Комбинированное производство всех трех видов энергии может быть осуществлено на принципиально новом источнике полного энергоснабжения — теплоэлектрохладоцентрали (ТЭХЦ).
Для создания источника полного энергоснабжения удобно использовать установки на базе АГТД, т.к. они компактны, не требуют больших удельных капиталовложений, поставляются в состоянии заводской готовности и их легко компоновать и создавать на их базе необходимые решения для конкретных нужд потребителя. Для создания на базе АГТД ГТТЭХЦ необходимо ГТТЭЦ, описанную в главе 2, дополнить АБХМ. При этом несколько увеличатся капитальные вложения и незначительно усложнится схема установки за счет появления дополнительных трубопроводов, подающих греющую, охлаждающую и охлаждаемую воду в АБХМ. При этом возрастет расход электроэнергии на собственные нужды, т.к. в состав АБХМ входит насосное оборудование для перекачки слабого и смешанного растворов, рециркулируемой воды. Кроме того, необходимо установить насосы для подачи охлаждающей и охлаждаемой воды в и из АБХМ. В дальнейших расчетах принято, что увеличение расхода электроэнергии на собственные нужды составит 2 % от установленной электрической мощности ГТТЭХЦ.
Схема ГТТЭХЦ на базе конвертированного АГТД АИ-20 (с одной АБХМ, присоединенной к трубопроводу сетевой воды) представлена на рис. 9.
3.2. Расчет тепловых потоков абсорбционной бромисто-литиевой
холодильной машины
Схема машины — с генератором затопленного типа и рециркуляцией слабого раствора и воды соответственно через абсорбер и испаритель. Подача охлаждающей воды в абсорбер и конденсатор параллельная.
Исходные данные
Температура воды, К:
греющей T>h>> > 393
охлаждающей T>w>> >299
охлажденной Т>3 >280
Принятые значения температур и давлений следующие. Высшая температура в конце процесса кипения раствора в генераторе T>4> = T>h> — T>h>> >= = 383 — 28 = 365 К. Температуры конденсации водяного пара T>к>, раствора в конце процесса абсорбции Т>2>, кипения воды в испарителе Т>0> приняты равными

АБХМ
Рис. 9. Принципиальная тепловая схема ГТТЭХЦ-7500Т/6,3.
КС — камера сгорания; ГТ — газовая турбина; ГПСВ — газовый подогреватель сетевой воды; ВД – вакуумный деаэратор; АБХМ – абсорбционная бромисто-литиевая холодильная машина
T>к> = 307 К, Т>2> = 307 К, Т>0> = 277 К. Давления конденсации р>к> и кипения р>0> рабочего тела соответственно будут р>к> = 5,45 кПа, р>0> = 0,83 кПа.
Так как давление конденсации
пара рабочего тела значительно выше
давления его кипения, удельный объем
пара в конденсаторе при данных условиях
почти в шесть раз ниже удельного объема
пара в испарителе. В связи с этим в блоке
генератор — конденсатор скорость
движения пара из генератора в конденсатор
будет низкой и гидравлическими
сопротивлениями прохождению пара между
указанными аппаратами можно пренебречь
и принять давление кипения раствора р>h>
равным давлению конденсации пара р>к>,
т. е. р>h>
= р>к>
= 5,45 кПа. В блоке абсорбер — испаритель
из-за высокого значения удельного объема
пара скорость его движения из испарителя
в абсорбер будет значительной (40 — 50
м/с), вследствие чего необходимо учесть
суммарные гидравлические сопротивления
p
на всех участках движения пара из
испарителя в абсорбер. По опытным данным
в промышленных типах машин величина
p
достигает 0,133 кПа. Тогда давление пара
в абсорбере р>а> = р>0> — p
= 0,83 — 0,133 = 0,697 кПа. Теоретическое значение
концентраций
слабого и
крепкого растворов определяют по -i
диаграмме по соответствующим значениям
Т>2>,
р>а>
и Т>4>,
р>h>:
= 58,6
%,
= 67,5 %. Действительная концентрация
крепкого раствора ниже теоретического
значения
на величину недовыпаривания >r>
раствора, которое в генераторе затопленного
типа возникает в основном из-за
отрицательного влияния на процесс
кипения гидростатического давления
столба кипящего раствора.
По опытным данным в
генераторах затопленного типа
промышленных машин величина >r>
изменяется в зависимости от параметров
работы в пределах 2,5—3,5 %. Тогда >r>
=
— >r>
= 67,5 — 3,5 = 64,0 %. Действительная концентрация
крепкого раствора из-за опасности
его кристаллизации в аппаратах,
трубопроводах и других элементах машины
не должна превышать 64 %.

Рис. 10. Схема АБХМ: а — схема машины; б — процессы в -i диаграмме;
I – конденсатор; II – генератор; III – испаритель; IV, VI, VII – насосы рециркулируемой воды, смешанного и слабого растворов соответственно; V – абсорбер;
VIII – теплообменник
Если >r>>
>> 64 %, то необходимо
изменить температуру Т>4>
крепкого раствора или давление его
кипения р>h>
путем увеличения соответственно величины
T>h>
или температуры конденсации Т>к>.
Можно одновременно изменять T>4>
и Т>к>
до тех пор, пока не будет выполнено
условие >r>
≤ 64 %. Действительная концентрация
слабого раствора >a>
в абсорбере выше теоретического значения
концентрации
на величину недонасыщения >a>
раствора.
Величина >a>
зависит от параметров работы машины и
может изменяться в пределах 0,5—2,5 %.
Тогда >a>
=
+ >a>
= 58,6 + 1,4 = 60,0 %. При наличии конечной
разности T>р>
температур на «холодной» стороне
теплообменника температура крепкого
раствора на выходе из него T>8>
= T>2
>+ T>р>.
Разность температур T>р>
принимается в пределах 15—20 К. Тогда
T>8 >=
307 + 15 = 322 К. Параметры узловых точек
циклов, изображенных на рис. 10,
приведены в таблице 2.
|
Таблица 2 Параметры узловых точек АБХМ |
||||
|
Состояние вещества |
Т, К |
р, кПа |
, % |
i, кДж/кг |
|
Жидкость |
||||
|
Вода после конденсатора |
Т>к >= Т>3 >= 307 |
р>к> = 5,45 |
= 0 |
i>3> = 561,1 |
|
Раствор: |
||||
|
крепкий после генератора |
Т>4> = 365 |
р>h> = 5,45 |
>r> = 64 |
i>4> = 366,8 |
|
слабый после абсорбера |
Т>2> = 307 |
p>a> = 0,697 |
>а> = 60 |
i>2> = 252,9 |
|
крепкий после теплообменника |
Т>8> = 322 |
р>h> = 5,45 |
>r> = 64 |
i>8> = 289,74 |
|
Вода в испарителе |
Т>0> = Т>1> = 277 |
р>0> = 0,83 |
= 0 |
i>1> = 435,5 |
|
Пар |
||||
|
После испарителя |
Т>1’> = 277 |
р>0> = 0,83 |
= 0 |
i>1’> = 2914,2 |
Кратность циркуляции
раствора f*
=
/(
—
)
= 64/(64 — 60) = = 16 кг/кг. Теплота
теплообменника q>т>
= (f
— 1) (i>4>
— i>8>)
= (16 — 1)(366,8 — — 289,74) = 1159,9 кДж/кг.
Энтальпия слабого раствора
после теплообменника i>7>
= i>2>
+ q>т>/f
=
= 252,9 + 1155,9/16 = 325,14 кДж/кг. По величине
i>7>
= 325,14 кДж/кг при >а >= 60%
из -i
диаграммы определяют положение точки
7 и температуру слабого раствора на
выходе из теплообменника: Т>7>
= 345,5 К.
В связи с тем что слабый раствор на входе в генератор недогрет до состояния равновесия, он сначала подогревается в нем до равновесного состояния 5 и затем кипит в процессе 5—4. Температуру Т>5> находят по -i диаграмме по известным значениям р>h> и >а> : Т>5> = 349,5 К. Средняя температура раствора, кипящего в генераторе, Т>р> = (Т>4> + Т>5>)/2 = (365 + 349,5)/2 = 357,25 К. Концентрация раствора, соответствующая температуре Т>р> (точка 5), >р> = 61,8%. Энтальпию перегретого пара на выходе из генератора определяют по -i диаграмме при известных р>h> и >р> : i>3’> = 3067,4 кДж/кг. Теплота генератора q>h> = i>3’> + (f — 1)i>4 >— — fi>7> = 3067,4 + (16—1)366,8 — 16∙325,14 = 3367,1 кДж/кг. Теплота испарителя q>0 >= i>1’> — i>3> = 2914,2 — 561,1 = 2353,1 кДж/кг. Теплота конденсатора q = i>3’> — — i>3> = 3067,4 — 561,1 = 2506,3 кДж/кг. Теплота абсорбера q>a> = i>1’> + (f — 1)i>8> — — fi>2> = 2914,2 + (16— 1)289,74 — 16∙252,9 = 3213,9 кДж/кг. Теплота подведенная q>подв> = q>h> + q>0> = 3367,4 + 2353,1 = 5720,2 кДж/кг. Теплота отведенная q>отв> = q + q>a> = 2506,3 + 3213,9 = 5720,2 кДж/кг. Тепловой баланс q>подв> = q>отв> = = 5720,2 кДж/кг. Тепловой коэффициент = q>0>/q>h> = 2353,1/3367,1 = 0,699.
Найдем производительность по холоду АБХМ, полностью использующую теплоту одного ГПСВ, работающего на номинальных параметрах.
После АБХМ температура греющей воды снизится на 28 °С (задано по расчету АБХМ), тогда температура греющей воды на выходе из АБХМ составит t'' = 120 — 28 = 92 °C. Энтальпия воды при этом составит h'' = 387 кДж/кг. Теплота, вносимая потоком горячей воды при этом составит
Q>г> = G·(h' — h'') = 20,83·(505,05 — 387) = 2459 кДж/с.
Холодопроизводительность АБХМ составит
Q>0> = ·Q>г> = 0,699·2459 = 1718,8 кДж/с или 1476773 ккал/ч.
Кроме того, температура воды после АБХМ позволяет использовать ее на нужды горячего водоснабжения в летний период.
Если на станции установить 3 АБХМ, то имеется возможность получить 1476773·3 = 4430319 ккал/ч холода и отпускать 225 м3/ч сетевой воды с температурой около 90 °С на нужды теплоснабжения, при этом холод вырабатывается с использованием теплоты, полученной за счет утилизации выхлопных газов ГТУ в ГПСВ, то есть без затраты на ее производство дополнительного количества энергии.
Расчет финансовой эффективности ГТТЭХЦ-7500Т/6,3 на базе авиационных турбовинтовых двигателей АИ-20 приведен в главе 4.
Глава 4. Экономическая часть
Введение
Переход к рыночной экономике предполагает преодоление возникающих трудностей при создании необходимых условий для быстрых темпов роста экономики, культуры и улучшения условий жизни народа.
Обретение государственной независимости открыло перед Узбекистаном широкие перспективы для экономического и социального прогресса, культурного и духовного обновления.
Несмотря на трудности экономических реформ в республике сохраняются стабильность, развитие экономики и идет в обстановке взаимного согласия всех народов, проживающих здесь. Это очень важный фактор движения к прогрессу и процветанию. Учитываются региональные особенности нашей республики, в том числе высокие темпы роста населения и трудовых ресурсов. По расчетам демографов к 2005-у году население республики достигнет примерно 27 млн. человек, а к 2010 –32 млн. человек.
Достаточные трудовые ресурсы – это главный фактор расширенного производства и успешного развития производительных сил и всего народного хозяйства. Однако надо иметь в виду, что в условиях многодетности коэффициент иждивенчества в Узбекистане более чем в 2 раза превышает показатели других республик СНГ (за исключением государств Центральной Азии). Это влияет на показатели национального дохода и валового общественного продукта, приходящегося на душу населения. Вот почему, в условиях перехода к рыночной экономике, темпы роста производства материальных благ приобретают еще более важное значение.
Важнейшая региональная особенность Узбекистана определяет необходимость – обеспечить соответствующие темпы роста народного хозяйства, чтобы не допустить диспропорции между потребностями народа и реальным наличием товаров и услуг различных сфер.
Производительные силы и производство материальных благ, прежде всего промышленной и сельскохозяйственной продукции, в сочетании с производственными отношениями являются основой экономического развития. Поэтому необходимо искать пути наиболее эффективного использования ранее созданного производственного потенциала, материальных и трудовых ресурсов, наилучших методов организации производства, на разработку принципов рационального размещения производительных сил, внедрения прогрессивных методов в организацию труда.
Уровень экономического развития страны выражается, в первую очередь степенью развития промышленности и сельского хозяйства, науки и техники, индустриализации процессов всего производства на базе научно-технического прогресса. Внедрения научно-технического прогресса должны осуществляться с учетом региональных особенностей Узбекистана в условиях рыночной экономики.
Узбекистан готовит квалифицированные кадры почти по всем основным направлениям научно-технического прогресса, по всем отраслям, отвечающим требованиям рыночной экономики.
Характерной региональной особенностью Узбекистана является то, что вся экономика, в первую очередь сельское хозяйство, базируется на поливном земледелии. Следовательно, очень важное значение имеет наличие достаточных водных ресурсов, ирригационно-мелиоративной сети для орошения полей.
По протяженности каналов, коллекторов, дренажных сетей, скважин республика занимает видное место среди стран мира. Поливных земель сейчас в республике более 4,2 млн. га. Примерно 60% населения Узбекистана проживают в сельской местности. На долю сельского хозяйства приходится около 26-27% валового общественного продукта и около 45% произведенного национального дохода. [Л. 3]
Узбекистан производит 60-62% хлопка всего СНГ, 65% коконов и 40% каракуля, много овощей, винограда, фруктов и бахчевых [Л. 2].
Наша республика занимает 5 место на мировом рынке хлопка после Китая, США, Пакистана и Индии. По урожайности уступает только Австралии и Турции, что говорит о высокой эффективности использования полевых земель и о мастерстве хлопкоробов.
По запасам минерально-сырьевых ресурсов Узбекистан занимает 5 место в мире. По общему объему производства золота на 8 месте в мире. Ежегодно республика производит более 80000 т меди [Л. 2].
Прекрасные природно-климатические условия республики позволяют выращивать ценные сельскохозяйственные культуры и дают возможность получать два урожая в год .
Особое внимание уделяется укреплению и совершенствованию финансовой и банковской системы. Сейчас в Узбекистане функционируют различные банки.
Большая работа проводится по социальной защите малообеспеченного населения — пенсионеров, многодетных матерей, преподавателей, врачей, работников культуры и науки и т. д. Созданы специальные фонды по оказанию материальной помощи малообеспеченным семьям . Основными источниками этих фондов является республиканский местный бюджет, общественные и благотворительные фонды, средства предприятий и хозяйств, добровольное пожертвования граждан. Адресная помощь проводится через органы самоуправления граждан, поселков, кишлаков, аулов, махаллей. При этом обязательным условием должно быть соблюдение принципа социальной справедливости, открытости, целевого и эффективного использования выделенных средств.
Введение нового вида адресной материальной помощи малообеспеченным семьям является еще одним свидетельством сильной социальной политики государства, важным шагом на пути к формирования современного демократического общества, основанного на широком самоуправлении народа. Это результат новой внутренней политики суверенного государства, направленной на улучшение и повышение жизни всего народа в период перехода к рыночной экономике.
Использование новой для Узбекистана технологии производства электрической и тепловой энергии на базе конвертированных авиационных двигателей является особенно актуальным для небольших населенных пунктов сельского типа. Благодаря созданию подобного независимого источника снабжения электроэнергией и теплотой появляются, во-первых, новые рабочие места, во-вторых, осваиваются новые подходы в области генерирующих источников энергии, в-третьих, качественно повышается уровень жизни населения, из-за появления собственного источника снабжения электричеством, в-четвертых, создаются условия для увеличения производительности труда в сельском хозяйстве.
Ниже приведены технико-экономическая оценка предлагаемой ТЭЦ на базе конвертированного авиационного двигателя АИ-20 и оценка эффективности источника полного энергоснабжения на базе ТВД АИ-20.
Технико-экономическая оценка ТЭЦ на базе ТВД АИ-20
Газотурбинная ТЭЦ состоит из 3 газотурбинных установок на базе конвертированного авиационного двигателя АИ-20 электрической мощностью 2,5 МВт каждая. Каждая ГТУ имеет газо-водяной подогреватель сетевой воды мощностью 4,51 Гкал/ч, утилизирующий теплоту уходящих газов и увеличивающий коэффициент первичной энергии установки в целом.
Для расчета технико-экономических показателей ТЭЦ приняты следующие исходные данные:
1. Количество блоков — 3
2. Топливо — газ
3. Капиталовложения в ТЭЦ — 1 млрд. сум
4. Число часов использования установленной
электрической мощности — 6000 ч/год
5. Число часов использования установленной
тепловой мощности — 3500 ч/год
6. Расход электроэнергии на собственные нужды — 5,5 %
7. Низшая теплота сгорания топлива — 36400 кДж/м3
8. Среднемесячная зарплата — 200 тыс. сум
9. Количество персонала — 7 чел
10. Норма амортизации — 10 %
11. Расчетный период — 10 лет
12. Цена топлива — 15 тыс. сум/тыс. м3
13. Ставка дисконтирования — 20 %
14. Отчисления на социальное страхование — 37,2 %
15. Прочие отчисления — 25 %
16. Тариф на электроэнергию — 13 сум/кВт∙ч
17. Тариф на тепловую энергию — 3500 сум/Гкал =
18. Налог на прибыль — 20 %
Для расчета финансово-экономических показателей было принято следующее распределение инвестиций >к> и выручки >v> по годам осуществления проекта:
|
Год |
1 |
2 |
3 |
4 |
5 |
6 |
7 |
8 |
9 |
10 |
Итого |
|
>к>, % |
60 |
25 |
15 |
0 |
0 |
0 |
0 |
0 |
0 |
0 |
100 |
|
>v>, % |
60 |
100 |
100 |
100 |
100 |
100 |
100 |
100 |
100 |
100 |
960 |
Расчет эксплуатационных расходов
Удельный расход
топлива на выработку электроэнергии
ГТУ, без утилизации тепла уходящих газов
равен
Тогда годовой расход топлива на ТЭЦ
составит:
B>ТЭЦ> = > > 23031 ту.т./год
Цена условного топлива может быть найдена из выражения
Ц>У> = Ц>Н>·> > = 15·> >= 12,09 тыс. сум/т у.т.
Издержки по видам:
издержки на топливо:
И>Т> = Ц>У>·В>ТЭЦ> = 12,09·23031 = 278382·103 сум/год
на амортизацию:
И>А> = Н>А>·К = 0,1·1000000 = 100000·103 сум/год
3) на заработную плату:
И>ЗП> = n>чел>·Ф>мес>·12 = 7·200·12 = 16800·103 сум/год
4) на социальное страхование:
И>С> = >НАЧ>·И>ЗП> = 0,372·16800 = 6250·103 сум/год
5) прочие издержки:
И>ПР> = >ПР>·(И>А> + И>ЗП> + И>С>) = 0,25·(100000 + 16800 + 6250) = 30762·103 сум/год
Суммарные издержки:
И = И>Т> + И>А> + И>ЗП> + И>С> + И>ПР> = 278382 + 100000 + 16800 + 6250 + 30762 =
= 432194·103 сум/год
Расчет прибыли
Годовой отпуск электроэнергии нетто:
W>0> = N>ЕД>·>Э>·(1 –> >/100)·n>БЛ> = 2,5·6000·(1 – 5,5/100) ·3 = 42525 МВт·ч
Годовой отпуск теплоты:
Q>Г> = Q>ГП>·>Т>·n>БЛ> = 4,51·3500·3 = 47357,53 Гкал
Выручка от продажи тепла и электроэнергии:
В = Т>Т>·Q>Г> + Т>Э>·W>0>= 3,5·47357,53·103 + 13·42525·103 = 718576·103 сум/год
Прибыль:
П = В – И = 718576 – 432194 = 286383·103 сум/год
Чистая прибыль:
ЧП = П – НВ = 2868383 – 0,2·286383 = 229106·103 сум/год,
где НВ = 0,2·П — налоговые выплаты
Поток наличности:
ПН = ЧП + И>А> = 229106 + 100000 = 329106·103 сум/год
Расчет себестоимости единицы продукции ТЭЦ
Расход топлива на производство тепловой энергии:
В>Т> = > >=> >= 7517,07 т.у.т.
Здесь >К> — КПД замещаемой котельной.
Расход топлива на производство электроэнергии:
В>Э> = В>ТЭЦ> – В>Т> = 47357,3 – 7517,07 = 15514,38 т.у.т.
Коэффициент находился по следующей формуле:
>Э> = В>Э>/В>ТЭЦ> = 15514,38/47357,3 = 0,674
Издержки на производство каждого вида энергии распределялись соответственно коэффициенту >Э>, т.е. на производство тепла приходится 0,326 от суммарных издержек, а на производство электроэнергии 0,674.
Себестоимость электроэнергии можно найти из следующего выражения
> > => > = 6,85 сум/кВт·ч
Себестоимость тепловой энергии найдена из следующего выражения:
> > = > >= 2,979·103 сум/Гкал.
Определение финансовой эффективности проекта при реализации за счет собственных средств.
Расчет велся с учетом заданного распределения капитальных вложений по годам и с учетом распределения выручки по годам.
Чистый поток наличности определялся для года t по следующей формуле:
ЧПН>t> = ПН>t> – К>t>.
Дисконтированный поток наличности для года t определялся по формуле:
ДЧПН>t> => >.
Чистый дисконтированный доход определялся по формуле:
NPV = > >. При NPV>0 проект является прибыльным.
Точка безубыточности (минимальный объем реализуемой энергии) найдена аналитически по формуле:
CP = > >·100% = > >·100% = 34,94 %
И>ПЕР> = И>Т> = 278382·103 сум/год
И>ПОСТ> = И – И>ПЕР> = 432194 – 278382 = 153350·103 сум/год
Период окупаемости РВР найден из графика NPV в точке пересечения с осью абсцисс.
Внутренняя норма доходности IRR найдена из условия
NPV = > >= 0. При выполнении условия IRR>r>б> проект является прибыльным.
Общая рентабельность ТЭЦ
> >
Финансовые показатели проекта при реализации за счет собственных средств приведены в таблице 3.
График распределения NPV по годам реализации проекта приведен на рис. 11. Из графика видно, что срок окупаемости ТЭЦ составляет 4,2 года при ставке дисконта Е = 0,2. Внутренняя ставка доходности IRR = 50,63 %.
Сводная таблица технико-экономических показателей ТЭЦ на базе
конвертированного АГТД АИ-20. Реализация за счет собственных средств
|
№п/п |
Наименование показателей |
Единица измерения |
Величина |
|
1 |
Установленная электрическая мощность |
МВт |
3> >2,5 |
|
2 |
Капиталовложения |
тыс. сум |
1'000'000 |
|
3 |
Годовой отпуск электроэнергии |
кВтч |
42,525·106 |
|
4 |
Годовой отпуск теплоты |
Гкал |
47'357,53 |
|
5 |
Число часов использования установленной электрической мощности установленной тепловой мощности |
ч ч |
6'000 3'500 |
|
6 |
Себестоимость единицы электроэнергии теплоты |
сум/кВтч сум/Гкал |
6,85 2'979 |
|
7 |
Балансовая (валовая) прибыль |
тыс. сум |
286'845 |
|
8 |
Cрок окупаемости капиталовложений |
лет |
4,2 |
|
9 |
Точка безубыточности |
% |
34,94 |
|
10 |
Рентабельность (общая) |
% |
27,64 |
|
11 |
Внутренняя ставка доходности |
% |
50,54 |
|
Таблица 3 Финансовые показатели реализации проекта ГТТЭЦ за счет собственных средств |
||||||||||||
|
№ пп |
Показатель |
1 |
2 |
3 |
4 |
5 |
6 |
7 |
8 |
9 |
10 |
Итого |
|
1
|
Выручка, % |
60,00 |
100,00 |
100,00 |
100,00 |
100,00 |
100,00 |
100,00 |
100,00 |
100,00 |
100,00 |
960,00 |
|
млн. сум |
431,15 |
718,58 |
718,58 |
718,58 |
718,58 |
718,58 |
718,58 |
718,58 |
718,58 |
718,58 |
6898,33 |
|
|
2
|
Издержки, % |
60,00 |
100,00 |
100,00 |
100,00 |
100,00 |
100,00 |
100,00 |
100,00 |
100,00 |
100,00 |
960,00 |
|
млн. сум |
259,32 |
432,19 |
432,19 |
432,19 |
432,19 |
432,19 |
432,19 |
432,19 |
432,19 |
432,19 |
4149,06 |
|
|
3
|
Прибыль, % |
60,00 |
100,00 |
100,00 |
100,00 |
100,00 |
100,00 |
100,00 |
100,00 |
100,00 |
100,00 |
960,00 |
|
млн. сум |
171,83 |
286,38 |
286,38 |
286,38 |
286,38 |
286,38 |
286,38 |
286,38 |
286,38 |
286,38 |
2749,27 |
|
|
4
|
Чистая прибыль, % |
60,00 |
100,00 |
100,00 |
100,00 |
100,00 |
100,00 |
100,00 |
100,00 |
100,00 |
100,00 |
960,00 |
|
млн. сум |
137,46 |
229,11 |
229,11 |
229,11 |
229,11 |
229,11 |
229,11 |
229,11 |
229,11 |
229,11 |
2199,42 |
|
|
5 |
ПН, млн. сум |
197,46 |
329,11 |
329,11 |
329,11 |
329,11 |
329,11 |
329,11 |
329,11 |
329,11 |
329,11 |
3159,42 |
|
6
|
Капитал,% |
60,00 |
25,00 |
15,00 |
0,00 |
0,00 |
0,00 |
0,00 |
0,00 |
0,00 |
0,00 |
100,00 |
|
млн. сум |
600,00 |
250,00 |
150,00 |
0,00 |
0,00 |
0,00 |
0,00 |
0,00 |
0,00 |
0,00 |
1000,00 |
|
|
7 |
ЧПН, млн. сум |
-402,54 |
79,11 |
179,11 |
329,11 |
329,11 |
329,11 |
329,11 |
329,11 |
329,11 |
329,11 |
2159,42 |
|
8 |
ДЧПН при Е=0,2, млн. сум |
-335,45 |
54,93 |
103,65 |
158,71 |
132,26 |
110,22 |
91,85 |
76,54 |
63,78 |
53,15 |
509,65 |
|
9 |
Кумулят. ЧПН, млн. сум |
-335,45 |
-280,51 |
-176,86 |
-18,15 |
114,11 |
224,33 |
316,17 |
392,71 |
456,50 |
509,65 |
|
|
10 |
ДЧПН при Е=IRR=0,5054, млн. сум |
-267,39 |
34,91 |
52,50 |
64,08 |
42,57 |
28,28 |
18,78 |
12,48 |
8,29 |
5,51 |
-0,01 |
Рис. 11. График распределения NPV по годам реализации проекта ГТТЭЦ при реализации за счет собственных средств
Определение финансовой эффективности проекта с привлечением кредитных ресурсов
В расчете принято, что кредитные средства составляют 50 % от капиталовложений в ТЭЦ.
Собственный капитал:
К>СОБ> = 0,5К = 0,5∙1000000 = 500000·103 сум
Сумма кредита
К>КР> = К – К>СОБ> = 1000000 – 500000 = 500000·103 сум
Кредит распределяется по годам также как и капитал на первом этапе по >К>.
Проценты по кредиту приняты в размере 24 % годовых, проценты за комиссию приняты в размере 3 %. Льготный период равен 3 годам. Кредит выдается на 10 лет с погашением кредита равными долями каждый год плюс выплаты по процентам на основной долг. Кредит начинает погашаться с 4 года.
Распределение кредитных средств по годам
Год, t 1 2 3
К>КР>>t>, тыс. сум 300000 125000 75000
Выплаты основного долга с учетом процентов, накопившихся за льготный период составляют
В>КР> = (500000 + 78000 + 104250 + 120000)/7 = 114607·103 сум/год
График использования кредитных ресурсов приведен в таблице 4.
Финансовые показатели проекта при реализации с привлечением кредитных ресурсов приведены в таблице 5.
График распределения NPV по годам реализации проекта с привлечением кредитных ресурсов приведен на рис. 12. Из графика видно, что срок окупаемости ТЭЦ при использовании кредита составляет 1,5 года. Внутренняя ставка доходности IRR = 197,5 %.
|
Таблица 4 График использования кредитных ресурсов (ГТТЭЦ) |
||||||||||
|
Год |
1 |
2 |
3 |
4 |
5 |
6 |
7 |
8 |
9 |
10 |
|
Основной долг, тыс. сум |
300000 |
425000 |
500000 |
802250 |
687643 |
573036 |
458429 |
343821 |
229214 |
114607 |
|
Выплаты основного долга, тыс. сум |
0 |
0 |
0 |
114607 |
114607 |
114607 |
114607 |
114607 |
114607 |
114607 |
|
Остаток основного долга, тыс. сум |
300000 |
425000 |
500000 |
802250 |
687643 |
458429 |
343821 |
229214 |
114607 |
0 |
|
Проценты по основному долгу, тыс. сум |
72000 |
102000 |
120000 |
192540 |
165034 |
137529 |
110023 |
82517 |
55011 |
27506 |
|
Проценты за комиссию банку, тыс. сум |
6000 |
2250 |
0 |
0 |
0 |
0 |
0 |
0 |
0 |
0 |
|
Суммарные выплаты по процентам по кредиту, тыс. сум |
78000 |
104250 |
120000 |
192540 |
165034 |
137529 |
110023 |
82517 |
55011 |
27506 |
|
Суммарные выплаты по кредиту, тыс. сум |
0 |
0 |
0 |
307147 |
279641 |
252136 |
224630 |
197124 |
169619 |
142113 |
|
Таблица 5 Финансовые показатели реализации проекта ГТТЭЦ с привлечением кредитных ресурсов |
||||||||||||
|
№ пп |
Показатель |
1 |
2 |
3 |
4 |
5 |
6 |
7 |
8 |
9 |
10 |
Итого |
|
1 |
Выручка,% |
60,00 |
100,00 |
100,00 |
100,00 |
100,00 |
100,00 |
100,00 |
100,00 |
100,00 |
100,00 |
960,00 |
|
млн. сум |
431,15 |
718,58 |
718,58 |
718,58 |
718,58 |
718,58 |
718,58 |
718,58 |
718,58 |
718,58 |
6898,33 |
|
|
2 |
Издержки,% |
60,00 |
100,00 |
100,00 |
100,00 |
100,00 |
100,00 |
100,00 |
100,00 |
100,00 |
100,00 |
960,00 |
|
млн. сум |
259,32 |
432,19 |
432,19 |
432,19 |
432,19 |
432,19 |
432,19 |
432,19 |
432,19 |
432,19 |
4149,06 |
|
|
3 |
Выплаты по кредиту, млн. сум |
0,00 |
0,00 |
0,00 |
307,15 |
279,64 |
252,14 |
224,63 |
197,12 |
169,62 |
142,11 |
1572,41 |
|
4 |
Прибыль, % |
60,00 |
100,00 |
100,00 |
100,00 |
100,00 |
100,00 |
100,00 |
100,00 |
100,00 |
100,00 |
960,00 |
|
млн. сум |
171,83 |
286,38 |
286,38 |
-20,76 |
6,74 |
34,25 |
61,75 |
89,26 |
116,76 |
144,27 |
1176,86 |
|
|
5 |
Чистая прибыль, % |
60,00 |
100,00 |
100,00 |
100,00 |
100,00 |
100,00 |
100,00 |
100,00 |
100,00 |
100,00 |
960,00 |
|
млн. сум |
137,46 |
229,11 |
229,11 |
-20,76 |
5,39 |
27,40 |
49,40 |
71,41 |
93,41 |
115,42 |
937,34 |
|
|
6 |
ПН, млн. сум |
197,46 |
329,11 |
329,11 |
79,24 |
105,39 |
127,40 |
149,40 |
171,41 |
193,41 |
215,42 |
1897,34 |
|
7 |
Капитал, % |
60,00 |
25,00 |
15,00 |
0,00 |
0,00 |
0,00 |
0,00 |
0,00 |
0,00 |
0,00 |
100,00 |
|
млн. сум |
300,00 |
125,00 |
75,00 |
0,00 |
0,00 |
0,00 |
0,00 |
0,00 |
0,00 |
0,00 |
500,00 |
|
|
8 |
ЧПН, млн. сум |
-102,54 |
204,11 |
254,11 |
79,24 |
105,39 |
127,40 |
149,40 |
171,41 |
193,41 |
215,42 |
1397,34 |
|
9 |
ДЧПН при Е=0,2, млн. сум |
-85,45 |
141,74 |
147,05 |
38,21 |
42,36 |
42,67 |
41,70 |
39,86 |
37,48 |
34,79 |
480,41 |
|
10 |
Кумулят. ЧПН, млн. сум |
-85,45 |
56,29 |
203,35 |
241,56 |
283,91 |
326,58 |
368,27 |
408,14 |
445,62 |
480,41 |
|
|
11 |
ДЧПН при Е=IRR=1,975, млн. сум |
-34,42 |
23,00 |
9,61 |
1,01 |
0,45 |
0,18 |
0,07 |
0,03 |
0,01 |
0,00 |
0,01 |
Рис. 12. График распределения NPV по годам реализации проекта ГТТЭЦ с привлечением кредитных ресурсов
Технико-экономическая оценка ТЭХЦ на базе ТВД АИ-20
Для расчетов были приняты те же условия, что и для ТЭЦ с некоторыми изменениями, а именно: расход электроэнергии на собственные нужды был принят 7,5 % (из-за включения в состав оборудования АБХМ, потребляющей электроэнергию на привод насосов), капитальные затраты приняты равными 1150 млн. сум (затраты на сооружение трех АБХМ приняты равными 150 млн. сум), число часов использования холодильной мощности принято равным 2500 ч, суммарная холодопроизводительность 4430319 ккал/ч, тариф на холод 7,565 тыс. сум/Гкал.
Годовой отпуск холода от ГТТЭХЦ составит
Q>х.г.> = Q>х.ч.>∙>х> = 4430319∙2500∙10-6 = 11076 Гкал/год.
Выручка от реализации холода за год
В>х> = Q>х.г.>∙T>х> = 11076∙7,565 = 83788 тыс. сум/год.
Годовой отпуск электроэнергии нетто:
W>0> = N>ЕД>·>Э>·(1 –> >/100)·n>БЛ> = 2,5·6000·(1 – 7,5/100) ·3 = 41625 МВт·ч
Годовой отпуск теплоты:
Q>Г> = Q>ГП>·>Т>·n>БЛ> = 4,51·3500·3 = 47357,53 Гкал
Выручка от продажи тепла и электроэнергии:
В = Т>Т>·Q>Г> + Т>Э>·W>0> = 3,5·47357,53·103 + 13·41625·103 = 706876 тыс. сум/год
Суммарная выручка от реализации продукции ГТТЭХЦ составляет
В>ТЭХЦ> = В + В>х> = 706876 + 83788 = 790665 тыс. сум/год.
Далее расчет производился по методике, аналогичной приведенной выше. Расчеты были произведены для варианта с реализацией за счет собственных средств и с привлечением кредитных ресурсов (условия кредитования приняты одинаковыми с вариантом ТЭЦ).
Данные расчетов сведены в таблицы 6 — 8.
Графики распределения NPV по годам реализации проекта приведены на рис. 13 и 14.
При реализации за счет собственных средств внутренняя ставка доходности составила IRR = 0,5246, при реализации с привлечением кредитных ресурсов IRR = 2,147.
Общая рентабельность при реализации за счет собственных средств
R => > %= > > % = 28,61 %
Из графиков видно, что применение принципа полного энергоснабжения от одного источника выгоднее экономически, т.к. кумулятивный чистый дисконтированный поток наличности в этом случае на конец расчетного периода выше, чем при выработке тепла и электроэнергии, несмотря на увеличенные капиталовложения в ГТТЭХЦ по сравнению с ГТТЭЦ.
|
Таблица 6 Финансовые показатели реализации проекта ГТТЭХЦ за счет собственных средств |
||||||||||||
|
№ пп |
Показатель |
1 |
2 |
3 |
4 |
5 |
6 |
7 |
8 |
9 |
10 |
Итого |
|
1
|
Выручка, % |
60,00 |
100,00 |
100,00 |
100,00 |
100,00 |
100,00 |
100,00 |
100,00 |
100,00 |
100,00 |
960,00 |
|
млн. сум |
474,40 |
790,66 |
790,66 |
790,66 |
790,66 |
790,66 |
790,66 |
790,66 |
790,66 |
790,66 |
7590,38 |
|
|
2
|
Издержки, % |
60,00 |
100,00 |
100,00 |
100,00 |
100,00 |
100,00 |
100,00 |
100,00 |
100,00 |
100,00 |
960,00 |
|
млн. сум |
270,57 |
450,94 |
450,94 |
450,94 |
450,94 |
450,94 |
450,94 |
450,94 |
450,94 |
450,94 |
4329,06 |
|
|
3
|
Прибыль, % |
60,00 |
100,00 |
100,00 |
100,00 |
100,00 |
100,00 |
100,00 |
100,00 |
100,00 |
100,00 |
960,00 |
|
млн. сум |
203,83 |
339,72 |
339,72 |
339,72 |
339,72 |
339,72 |
339,72 |
339,72 |
339,72 |
339,72 |
3261,32 |
|
|
4
|
Чистая прибыль, % |
60,00 |
100,00 |
100,00 |
100,00 |
100,00 |
100,00 |
100,00 |
100,00 |
100,00 |
100,00 |
960,00 |
|
млн. сум |
163,07 |
271,78 |
271,78 |
271,78 |
271,78 |
271,78 |
271,78 |
271,78 |
271,78 |
271,78 |
2609,06 |
|
|
5 |
ПН, млн. сум |
232,07 |
386,78 |
386,78 |
386,78 |
386,78 |
386,78 |
386,78 |
386,78 |
386,78 |
386,78 |
3713,06 |
|
6
|
Капитал,% |
60,00 |
25,00 |
15,00 |
0,00 |
0,00 |
0,00 |
0,00 |
0,00 |
0,00 |
0,00 |
100,00 |
|
млн. сум |
690,00 |
287,50 |
172,50 |
0,00 |
0,00 |
0,00 |
0,00 |
0,00 |
0,00 |
0,00 |
1150,00 |
|
|
7 |
ЧПН, млн. сум |
-457,93 |
99,28 |
214,28 |
386,78 |
386,78 |
386,78 |
386,78 |
386,78 |
386,78 |
386,78 |
2563,06 |
|
8 |
ДЧПН при Е=0,2, млн. сум |
-381,61 |
68,94 |
124,00 |
186,52 |
155,44 |
129,53 |
107,94 |
89,95 |
74,96 |
62,47 |
618,15 |
|
9 |
Кумулят. ЧПН, млн. сум |
-381,61 |
-312,67 |
-188,67 |
-2,14 |
153,29 |
282,83 |
390,77 |
480,72 |
555,68 |
618,15 |
|
|
10 |
ДЧПН при Е=IRR=0,5254, млн. сум |
-300,36 |
42,71 |
60,47 |
71,59 |
46,95 |
30,80 |
20,20 |
13,25 |
8,69 |
5,70 |
0,00 |
Рис. 13. График распределения NPV по годам реализации проекта ГТТЭХЦ при реализации за счет собственных средств
|
Таблица 7 График использования кредитных ресурсов (ГТТЭХЦ) |
||||||||||
|
Год |
1 |
2 |
3 |
4 |
5 |
6 |
7 |
8 |
9 |
10 |
|
Основной долг, тыс. сум |
345000 |
488750 |
575000 |
922588 |
790789 |
658991 |
527193 |
395395 |
263596 |
131798 |
|
Выплаты основного долга, тыс. сум |
0 |
0 |
0 |
131798 |
131798 |
131798 |
131798 |
131798 |
131798 |
131798 |
|
Остаток основного долга, тыс. сум |
345000 |
488750 |
575000 |
922588 |
790789 |
527193 |
395395 |
263596 |
131798 |
0 |
|
Проценты по основному долгу, тыс. сум |
82800 |
117300 |
138000 |
221421 |
189789 |
158158 |
126526 |
94895 |
63263 |
31632 |
|
Проценты за комиссию банку, тыс. сум |
6900 |
2588 |
0 |
0 |
0 |
0 |
0 |
0 |
0 |
0 |
|
Суммарные выплаты по процентам по кредиту, тыс. сум |
89700 |
119888 |
138000 |
221421 |
189789 |
158158 |
126526 |
94895 |
63263 |
31632 |
|
Суммарные выплаты по кредиту, тыс. сум |
0 |
0 |
0 |
353219 |
321588 |
289956 |
258325 |
226693 |
195061 |
163430 |
|
Таблица 8 Финансовые показатели реализации проекта ГТТЭХЦ с привлечением кредитных ресурсов |
||||||||||||
|
№ пп |
Показатель |
1 |
2 |
3 |
4 |
5 |
6 |
7 |
8 |
9 |
10 |
Итого |
|
1 |
Выручка,% |
60,00 |
100,00 |
100,00 |
100,00 |
100,00 |
100,00 |
100,00 |
100,00 |
100,00 |
100,00 |
960,00 |
|
млн. сум |
474,40 |
790,66 |
790,66 |
790,66 |
790,66 |
790,66 |
790,66 |
790,66 |
790,66 |
790,66 |
7590,38 |
|
|
2 |
Издержки,% |
60,00 |
100,00 |
100,00 |
100,00 |
100,00 |
100,00 |
100,00 |
100,00 |
100,00 |
100,00 |
960,00 |
|
млн. сум |
270,29 |
450,48 |
450,48 |
450,48 |
450,48 |
450,48 |
450,48 |
450,48 |
450,48 |
450,48 |
4324,62 |
|
|
3 |
Выплаты по кредиту, млн. сум |
0,00 |
0,00 |
0,00 |
353,22 |
321,59 |
289,96 |
258,32 |
226,69 |
195,06 |
163,43 |
1808,27 |
|
4 |
Прибыль, % |
60,00 |
100,00 |
100,00 |
100,00 |
100,00 |
100,00 |
100,00 |
100,00 |
100,00 |
100,00 |
960,00 |
|
млн. сум |
204,11 |
340,18 |
340,18 |
-13,04 |
18,60 |
50,23 |
81,86 |
113,49 |
145,12 |
176,75 |
1457,49 |
|
|
5 |
Чистая прибыль, % |
60,00 |
100,00 |
100,00 |
100,00 |
100,00 |
100,00 |
100,00 |
100,00 |
100,00 |
100,00 |
960,00 |
|
млн. сум |
163,29 |
272,15 |
272,15 |
-10,43 |
14,88 |
40,18 |
65,49 |
90,79 |
116,10 |
141,40 |
1165,99 |
|
|
6 |
ПН, млн. сум |
232,29 |
387,15 |
387,15 |
104,57 |
129,88 |
155,18 |
180,49 |
205,79 |
231,10 |
256,40 |
2269,99 |
|
7 |
Капитал, % |
60,00 |
25,00 |
15,00 |
0,00 |
0,00 |
0,00 |
0,00 |
0,00 |
0,00 |
0,00 |
100,00 |
|
млн. сум |
345,0 |
143,75 |
86,25 |
0,00 |
0,00 |
0,00 |
0,00 |
0,00 |
0,00 |
0,00 |
575,00 |
|
|
8 |
ЧПН, млн. сум |
-112,71 |
243,4 |
300,9 |
104,57 |
129,88 |
155,18 |
180,49 |
205,79 |
231,10 |
256,40 |
1694,99 |
|
9 |
ДЧПН при Е=0,2, млн. сум |
-93,93 |
169,03 |
174,13 |
50,43 |
52,19 |
51,97 |
50,37 |
47,86 |
44,79 |
41,41 |
588,25 |
|
10 |
Кумулят. ЧПН, млн. сум |
-93,93 |
75,10 |
249,23 |
299,66 |
351,85 |
403,82 |
454,19 |
502,05 |
546,84 |
588,25 |
|
|
11 |
ДЧПН при Е=IRR=2,157, млн. сум |
-35,70 |
24,42 |
9,56 |
1,05 |
0,41 |
0,16 |
0,06 |
0,02 |
0,01 |
0,00 |
-0,01 |
Рис. 14. График распределения NPV по годам реализации проекта ГТТЭХЦ с привлечением кредитных ресурсов
Сводная таблица технико-экономических показателей ТЭХЦ на базе
конвертированного АГТД АИ-20. Реализация за счет собственных средств
|
№п/п |
Наименование показателей |
Единица измерения |
Величина |
|
1 |
Установленная электрическая мощность |
МВт |
3> >2,5 |
|
2 |
Капиталовложения |
тыс. сум |
1'150'000 |
|
3 |
Годовой отпуск электроэнергии |
кВтч |
41,625·106 |
|
4 |
Годовой отпуск теплоты |
Гкал |
47'357,53 |
|
5 |
Годовой отпуск холода |
Гкал |
11'076 |
|
6 |
Число часов использования установленной электрической мощности установленной тепловой мощности установленной холодильной мощности |
ч ч ч |
6'000 3'500 2'500 |
|
7 |
Себестоимость единицы электроэнергии теплоты холода |
сум/кВтч сум/Гкал сум/Гкал |
6,85 2'979 4'262 |
|
8 |
Балансовая (валовая) прибыль |
тыс. сум |
339'721 |
|
9 |
Cрок окупаемости капиталовложений |
лет |
4 |
|
10 |
Точка безубыточности |
% |
33,68 |
|
11 |
Рентабельность (общая) |
% |
28,61 |
|
12 |
Внутренняя ставка доходности |
% |
52,46 |
Overview
финанализКредит
финанализ с кредитом
финанализ с АБХМ
Кредит с АБХМ
финанализ с АБХМ с кредитом
Sheet 1: финанализ
| АИ-20 | 1 | 2 | 3 | 4 | 5 | 6 | 7 | 8 | 9 | 10 | ||||||
| Nед, МВт | 2,50 | aк | 100 | 0 | 0 | 0 | 0 | 0 | 0 | 0 | 0 | 0 | ||||
| Число часов использ уст мощ-ти | 6 000 | av | 75 | 100 | 100 | 100 | 100 | 100 | 100 | 100 | 100 | 100 | ||||
| Норма аморт | 0,10 | I этап. Расчет ФЭИП при реализации за счет собственных средств | ||||||||||||||
| Расход на соб нужды % | 5,50 | № пп | Показатель | 0 | 1 | 2 | 3 | 4 | 5 | 6 | 7 | 8 | 9 | 10 | Итого | |
| ФОТ годовой usd/год | 2 400 | 1 | Выручка,% | 0,00 | 75,00 | 100,00 | 100,00 | 100,00 | 100,00 | 100,00 | 100,00 | 100,00 | 100,00 | 100,00 | 975,00 | |
| Ставка дисконтирования | 5% | тыс. $ | 0,00 | 1205,44 | 1607,25 | 1607,25 | 1607,25 | 1607,25 | 1607,25 | 1607,25 | 1607,25 | 1607,25 | 1607,25 | 15670,71 | ||
| Прочие отчисления | 0,30 | 2 | Издержки,% | 0,00 | 75,00 | 100,00 | 100,00 | 100,00 | 100,00 | 100,00 | 100,00 | 100,00 | 100,00 | 100,00 | 975,00 | |
| Отчисления соцстрах | 35% | тыс. $ | 0,00 | 769,00 | 1025,34 | 1025,34 | 1025,34 | 1025,34 | 1025,34 | 1025,34 | 1025,34 | 1025,34 | 1025,34 | 9997,02 | ||
| поток наличности | 660 534 | 3 | Прибыль, % | 0,00 | 75,00 | 100,00 | 100,00 | 100,00 | 100,00 | 100,00 | 100,00 | 100,00 | 100,00 | 100,00 | 975,00 | |
| чистая прибыль | 465 534 | тыс. $ | 0,00 | 436,44 | 581,92 | 581,92 | 581,92 | 581,92 | 581,92 | 581,92 | 581,92 | 581,92 | 581,92 | 5673,69 | ||
| капвложения | 1 950 000 | 4 | Чистая прибыль, % | 0,00 | 75,00 | 100,00 | 100,00 | 100,00 | 100,00 | 100,00 | 100,00 | 100,00 | 100,00 | 100,00 | 975,00 | |
| прибыль | 581 917 | тыс. $ | 0,00 | 349,15 | 465,53 | 465,53 | 465,53 | 465,53 | 465,53 | 465,53 | 465,53 | 465,53 | 465,53 | 4538,96 | ||
| налог | 116 383 | 5 | ПН, тыс $ | 0,00 | 495,40 | 660,53 | 660,53 | 660,53 | 660,53 | 660,53 | 660,53 | 660,53 | 660,53 | 660,53 | 6440,21 | |
| выручка | 1 607 253 | 6 | Капитал,% | 0,00 | 100,00 | 0,00 | 0,00 | 0,00 | 0,00 | 0,00 | 0,00 | 0,00 | 0,00 | 0,00 | 100,00 | |
| Расход топлив ГТУ, тут/год | 23 031 | тыс. $ | 0,00 | 1950,00 | 0,00 | 0,00 | 0,00 | 0,00 | 0,00 | 0,00 | 0,00 | 0,00 | 0,00 | 1950,00 | ||
| Цена нат. топлива | 40,00 | 7 | ЧПН, тыс. $ | 0,00 | -1454,60 | 660,53 | 660,53 | 660,53 | 660,53 | 660,53 | 660,53 | 660,53 | 660,53 | 660,53 | 4490,21 | |
| Qрн | 8 687 | 8 | ДЧПН при Е=0,2, тыс. $ | 0,00 | -1385,33 | 599,12 | 570,59 | 543,42 | 517,55 | 492,90 | 469,43 | 447,08 | 425,79 | 405,51 | 3086,06 | |
| Qур | 7 000 | 9 | Кумулят. ЧПН, тыс. $ | 0,00 | -1385,33 | -786,21 | -215,62 | 327,81 | 845,35 | 1338,25 | 1807,68 | 2254,76 | 2680,54 | 3086,06 | ||
| Цена усл. топлива | 32,23 | 10 | ДЧПН при Е=IRR, тыс. $ | 0,00 | -965,68 | 291,12 | 193,27 | 128,31 | 85,18 | 56,55 | 37,54 | 24,92 | 16,55 | 10,98 | -121,26 | |
| Издержки на топливо | 742 351 | 0,00 | -965,68 | -674,56 | -481,29 | -352,98 | -267,80 | -211,25 | -173,71 | -148,79 | -132,24 | -121,26 | ||||
| Издержки на амортизацию | 195 000 | IRR= | 0,5063 | |||||||||||||
| Издержки на з/п | 16 800 | PBP= | 4,25 | |||||||||||||
| Издержки соцстрах | 5 880 | CP= | 32,718642692 | точка безубыточности | ||||||||||||
| Прочие издержки | 65 304 | Ипер | 742 351 | |||||||||||||
| Суммарные издержки | 1 025 335 | Ипост | 282 984 | |||||||||||||
| Тариф | $0,030 | За электроэнергию | R | 20 | % | |||||||||||
| Отпущенная электроэнергия | 42 525 | 1 275 750,00 руб. | ||||||||||||||
| Налог на прибыль | 20% | 1 607 252,73 | ||||||||||||||
| 29,10 | сум | 581 917,40 | ||||||||||||||
| Тепло в час | 4,51 | Гкал | ||||||||||||||
| Тепло в год | 47 357,53 | |||||||||||||||
| Количество часов использования тепловой мощности | 3 500 | |||||||||||||||
| Выручка от тепла | 331 502,73 | |||||||||||||||
| Цена 1 Гкал | 7,00 | долл | ||||||||||||||
| Количество установок | 3 | |||||||||||||||
| Расход топлива на тепло | 7 517,07 | |||||||||||||||
| Расход топлива на э/э | 15 514,38 | |||||||||||||||
| КПД замещаемой котельной | 0,90 | |||||||||||||||
| aэ | 0,67 | |||||||||||||||
| Расчет себестоимости единицы продукции на ТЭЦ | ||||||||||||||||
| №пп | Стадии пр-ва | Ит | Иост | |||||||||||||
| 1 | Тепло | 0,326 | 0,326 | |||||||||||||
| тыс. $ | 242,291 | 92,36 | ||||||||||||||
| 2 | Электроэнергия | 0,674 | 0,674 | |||||||||||||
| тыс. $ | 500,061 | 190,62 | ||||||||||||||
| 3 | Себест-ть э/э, цент/кВт·ч | 1,624 | ||||||||||||||
| 4 | Себест-ть т/э, $/Гкал | 7,066 | ||||||||||||||
Sheet 2: Кредит
| График использования кредитных ресурсов | ||||||||||
| Конец | ||||||||||
| t | 1 | 2 | 3 | 4 | 5 | 6 | 7 | 8 | 9 | 10 |
| Основной долг | 975000 | 975000 | 975000 | 1267500 | 1086429 | 905357 | 724286 | 543214 | 362143 | 181071 |
| Выплаты основного долга | 0 | 0 | 0 | 181071 | 181071 | 181071 | 181071 | 181071 | 181071 | 181071 |
| Остаток основного долга | 975000 | 975000 | 975000 | 1267500 | 1086429 | 724286 | 543214 | 362143 | 181071 | 0 |
| rб | 97500 | 97500 | 97500 | 126750 | 108643 | 90536 | 72429 | 54321 | 36214 | 18107 |
| rко | 0 | 0 | 0 | 0 | 0 | 0 | 0 | 0 | 0 | 0 |
| SВ% | 97500 | 97500 | 97500 | 126750 | 108643 | 90536 | 72429 | 54321 | 36214 | 18107 |
| Итого | 0 | 0 | 0 | 307821 | 289714 | 271607 | 253500 | 235393 | 217286 | 199179 |
| Срок | 10 | лет | ||||||||
| rб | 10 | % | ||||||||
| %кредита | 50 | % | ||||||||
| К | 1950000 | |||||||||
| Ксоб | 975000 | |||||||||
| Ккр | 975000 | |||||||||
| Тл | 3 | |||||||||
| rко, % | 3 | |||||||||
| Распределение кредитных средств по годам | ||||||||||
| Ккр | 975000 | 0 | 0 | |||||||
| Вкр | 181071,428571429 | 975000 |
Sheet 3: финанализ с кредитом
| АИ-20 | 1 | 2 | 3 | 4 | 5 | 6 | 7 | 8 | 9 | 10 | |||||
| Nед, МВт | 2,50 | aк | 100 | 0 | 0 | 0 | 0 | 0 | 0 | 0 | 0 | 0 | |||
| Число часов использ уст мощ-ти | 6 000 | av | 75 | 100 | 100 | 100 | 100 | 100 | 100 | 100 | 100 | 100 | |||
| Норма аморт | 0,10 | I этап. Расчет ФЭИП при реализации с кредитом | |||||||||||||
| Расход на соб нужды % | 5,50 | № пп | Показатель | 0 | 1 | 2 | 3 | 4 | 5 | 6 | 7 | 8 | 9 | 10 | Итого |
| ФОТ годовой usd/год | 2 400 | 1 | Выручка,% | 0,00 | 75,00 | 100,00 | 100,00 | 100,00 | 100,00 | 100,00 | 100,00 | 100,00 | 100,00 | 100,00 | 975,00 |
| Ставка дисконтирования | 5% | тыс. $ | 0,00 | 567,56 | 756,75 | 756,75 | 756,75 | 756,75 | 756,75 | 756,75 | 756,75 | 756,75 | 756,75 | 7378,34 | |
| Прочие отчисления | 0,30 | 2 | Издержки,% | 0,00 | 75,00 | 100,00 | 100,00 | 100,00 | 100,00 | 100,00 | 100,00 | 100,00 | 100,00 | 100,00 | 975,00 |
| Отчисления соцстрах | 35% | тыс. $ | 0,00 | 155,08 | 206,78 | 206,78 | 206,78 | 206,78 | 206,78 | 206,78 | 206,78 | 206,78 | 206,78 | 2016,08 | |
| 3 | Выплаты, тыс. $ | 0,00 | 0,00 | 0,00 | 307,82 | 289,71 | 271,61 | 253,50 | 235,39 | 217,29 | 199,18 | 1774,50 | |||
| поток наличности | 504 980 | 4 | Прибыль, % | 0,00 | 75,00 | 100,00 | 100,00 | 100,00 | 100,00 | 100,00 | 100,00 | 100,00 | 100,00 | 100,00 | 975,00 |
| чистая прибыль | 439 980 | тыс. $ | 0,00 | 412,48 | 549,97 | 549,97 | 242,15 | 260,26 | 278,37 | 296,47 | 314,58 | 332,69 | 350,80 | 3587,75 | |
| капвложения | 650 000 | 5 | Чистая прибыль, % | 0,00 | 75,00 | 100,00 | 100,00 | 100,00 | 100,00 | 100,00 | 100,00 | 100,00 | 100,00 | 100,00 | 975,00 |
| прибыль | 549 975 | тыс. $ | 0,00 | 329,98 | 439,98 | 439,98 | 193,72 | 208,21 | 222,69 | 237,18 | 251,67 | 266,15 | 280,64 | 2870,20 | |
| налог | 109 995 | 6 | ПН, тыс $ | 0,00 | 378,73 | 504,98 | 504,98 | 258,72 | 273,21 | 287,69 | 302,18 | 316,67 | 331,15 | 345,64 | 3503,95 |
| выручка | 756 753 | 7 | Капитал,% | 0,00 | 100,00 | 0,00 | 0,00 | 0,00 | 0,00 | 0,00 | 0,00 | 0,00 | 0,00 | 0,00 | 100,00 |
| Расход топлив ГТУ, тут/год | 7 677 | тыс. $ | 0,00 | 975,00 | 0,00 | 0,00 | 0,00 | 0,00 | 0,00 | 0,00 | 0,00 | 0,00 | 0,00 | 975,00 | |
| Цена нат. топлива | 15,00 | 8 | ЧПН, тыс. $ | 0,00 | -596,27 | 504,98 | 504,98 | 258,72 | 273,21 | 287,69 | 302,18 | 316,67 | 331,15 | 345,64 | 2528,95 |
| Qрн | 8 687 | 9 | ДЧПН при Е=0,2, тыс. $ | 0,00 | -567,87 | 458,03 | 436,22 | 212,85 | 214,07 | 214,68 | 214,75 | 214,33 | 213,46 | 212,19 | 1822,72 |
| Qур | 7 000 | 10 | Кумулят. ЧПН, тыс. $ | 0,00 | -567,87 | -109,84 | 326,38 | 539,23 | 753,30 | 967,98 | 1182,73 | 1397,07 | 1610,53 | 1822,72 | |
| Цена усл. топлива | 12,09 | 11 | ДЧПН при Е=IRR, тыс. $ | 0,00 | -199,62 | 56,60 | 18,95 | 3,25 | 1,15 | 0,41 | 0,14 | 0,05 | 0,02 | 0,01 | -119,05 |
| Издержки на топливо | 92 794 | 0,00 | -199,62 | -143,02 | -124,07 | -120,82 | -119,67 | -119,27 | -119,13 | -119,08 | -119,06 | -119,05 | |||
| Издержки на амортизацию | 65 000 | IRR= | 1,9870 | ||||||||||||
| Издержки на з/п | 16 800 | PBP= | 4,25 | ||||||||||||
| Издержки соцстрах | 5 880 | CP= | 17,1673298138 | ||||||||||||
| Прочие издержки | 26 304 | Ипер | 92 794 | ||||||||||||
| Суммарные издержки | 206 778 | Ипост | 113 984 | ||||||||||||
| Тариф | $0,030 | За электроэнергию | |||||||||||||
| Отпущенная электроэнергия | 14 175 | 425 250,00 руб. | |||||||||||||
| Налог на прибыль | 20% | 756 752,73 | |||||||||||||
| 29,10 | сум | 549 974,82 | |||||||||||||
| Тепло в час | 4,51 | ||||||||||||||
| Тепло в год | 47 357,53 | ||||||||||||||
| Количество часов использования тепловой мощности | 3 500 | ||||||||||||||
| Выручка от тепла | 331 502,73 | ||||||||||||||
| Цена 1 Гкал | 7,00 | долл | |||||||||||||
| Количество установок | 1 | ||||||||||||||
Sheet 4: финанализ с АБХМ
| АИ-20 | 1 | 2 | 3 | 4 | 5 | 6 | 7 | 8 | 9 | 10 | ||||||
| Nед, МВт | 2,50 | aк | 100 | 0 | 0 | 0 | 0 | 0 | 0 | 0 | 0 | 0 | ||||
| Число часов использ уст мощ-ти | 6 000 | av | 75 | 100 | 100 | 100 | 100 | 100 | 100 | 100 | 100 | 100 | ||||
| Норма аморт | 0,10 | I этап. Расчет ФЭИП при реализации за счет собственных средств | ||||||||||||||
| Расход на соб нужды % | 7,50 | № пп | Показатель | 0 | 1 | 2 | 3 | 4 | 5 | 6 | 7 | 8 | 9 | 10 | Итого | |
| ФОТ годовой usd/год | 2 400 | 1 | Выручка,% | 0,00 | 75,00 | 100,00 | 100,00 | 100,00 | 100,00 | 100,00 | 100,00 | 100,00 | 100,00 | 100,00 | 975,00 | |
| Ставка дисконтирования | 5% | тыс. $ | 0,00 | 478,13 | 637,51 | 637,51 | 637,51 | 637,51 | 637,51 | 637,51 | 637,51 | 637,51 | 637,51 | 6215,71 | ||
| Прочие отчисления | 0,30 | 2 | Издержки,% | 0,00 | 75,00 | 100,00 | 100,00 | 100,00 | 100,00 | 100,00 | 100,00 | 100,00 | 100,00 | 100,00 | 975,00 | |
| Отчисления соцстрах | 35% | тыс. $ | 0,00 | 285,70 | 380,93 | 380,93 | 380,93 | 380,93 | 380,93 | 380,93 | 380,93 | 380,93 | 380,93 | 3714,11 | ||
| 3 | Выплаты, тыс. $ | 0,00 | 0,00 | 0,00 | 0,00 | 0,00 | 0,00 | 0,00 | 0,00 | 0,00 | 0,00 | 0,00 | ||||
| поток наличности | 285 260 | 4 | Прибыль, % | 0,00 | 75,00 | 100,00 | 100,00 | 100,00 | 100,00 | 100,00 | 100,00 | 100,00 | 100,00 | 100,00 | 975,00 | |
| чистая прибыль | 205 260 | тыс. $ | 0,00 | 192,43 | 256,57 | 256,57 | 256,57 | 256,57 | 256,57 | 256,57 | 256,57 | 256,57 | 256,57 | 2501,60 | ||
| капвложения | 800 000 | 5 | Чистая прибыль, % | 0,00 | 75,00 | 100,00 | 100,00 | 100,00 | 100,00 | 100,00 | 100,00 | 100,00 | 100,00 | 100,00 | 975,00 | |
| прибыль | 256 574 | тыс. $ | 0,00 | 153,94 | 205,26 | 205,26 | 205,26 | 205,26 | 205,26 | 205,26 | 205,26 | 205,26 | 205,26 | 2001,28 | ||
| налог | 51 315 | 6 | ПН, тыс $ | 0,00 | 213,94 | 285,26 | 285,26 | 285,26 | 285,26 | 285,26 | 285,26 | 285,26 | 285,26 | 285,26 | 2781,28 | |
| выручка | 637 509 | 7 | Капитал,% | 0,00 | 100,00 | 0,00 | 0,00 | 0,00 | 0,00 | 0,00 | 0,00 | 0,00 | 0,00 | 0,00 | 100,00 | |
| Расход топлив ГТУ, тут/год | 7 677 | тыс. $ | 0,00 | 800,00 | 0,00 | 0,00 | 0,00 | 0,00 | 0,00 | 0,00 | 0,00 | 0,00 | 0,00 | 800,00 | ||
| Цена нат. топлива | 40,00 | 8 | ЧПН, тыс. $ | 0,00 | -586,06 | 285,26 | 285,26 | 285,26 | 285,26 | 285,26 | 285,26 | 285,26 | 285,26 | 285,26 | 1981,28 | |
| Qрн | 8 687 | 9 | ДЧПН при Е=0,2, тыс. $ | 0,00 | -558,15 | 258,74 | 246,42 | 234,68 | 223,51 | 212,87 | 202,73 | 193,07 | 183,88 | 175,12 | 1372,87 | |
| Qур | 7 000 | 10 | Кумулят. ЧПН, тыс. $ | 0,00 | -558,15 | -299,41 | -52,99 | 181,69 | 405,20 | 618,07 | 820,79 | 1013,87 | 1197,75 | 1372,87 | ||
| Цена усл. топлива | 32,23 | 11 | ДЧПН при Е=IRR, тыс. $ | 0,00 | -384,20 | 122,59 | 80,37 | 52,69 | 34,54 | 22,64 | 14,84 | 9,73 | 6,38 | 4,18 | -36,23 | |
| Издержки на топливо | 247 450 | 0,00 | -384,20 | -261,60 | -181,23 | -128,55 | -94,01 | -71,36 | -56,52 | -46,79 | -40,41 | -36,23 | 0,60 | |||
| Издержки на амортизацию | 80 000 | IRR= | 0,5254 | |||||||||||||
| Издержки на з/п | 16 800 | PBP= | 4 | |||||||||||||
| Издержки соцстрах | 5 880 | CP= | 34,2215384387 | |||||||||||||
| Прочие издержки | 30 804 | Ипер | 247 450 | |||||||||||||
| Суммарные издержки | 380 934 | Ипост | 133 484 | |||||||||||||
| Тариф | $0,030 | За электроэнергию | ||||||||||||||
| Отпущенная электроэнергия | 13 875 | 416 250,00 руб. | ||||||||||||||
| Налог на прибыль | 20% | 526 750,91 | ||||||||||||||
| 29,10 | сум | 145 816,47 | ||||||||||||||
| Тепло в час | 4,51 | |||||||||||||||
| Тепло в год | 15 785,84 | |||||||||||||||
| Количество часов использования тепловой мощности | 3 500 | |||||||||||||||
| Выручка от тепла | 110 500,91 | |||||||||||||||
| Цена 1 Гкал | 7,00 | долл | ||||||||||||||
| Количество установок | 1 | |||||||||||||||
| Количество часов использования холодильной мощности | 2 500 | |||||||||||||||
| Цена 1 Гкал холода | 17,458 | $ | ||||||||||||||
| Холодопроизводительность | 4430319 | ккал/ч | ||||||||||||||
| Отпущенное количество холода, Гкал | 11 076 | |||||||||||||||
| Холдильный коэффициент замещаемой электропотребляющей холодильной установки | 2,00 | |||||||||||||||
| Расход электроэнергии на 1 ккал/ч холода в замещаемой установке, квт·ч/(ккал/ч) | 0,00058 | |||||||||||||||
| Выручка от отпущенного холода | 110 758 | |||||||||||||||
| Тариф на 1 Гкал холода | 10 | |||||||||||||||
Sheet 5: Кредит с АБХМ
| График использования кредитных ресурсов | ||||||||||
| Конец | ||||||||||
| t | 1 | 2 | 3 | 4 | 5 | 6 | 7 | 8 | 9 | 10 |
| Основной долг | 400000 | 400000 | 400000 | 520000 | 445714 | 371429 | 297143 | 222857 | 148571 | 74286 |
| Выплаты основного долга | 0 | 0 | 0 | 74286 | 74286 | 74286 | 74286 | 74286 | 74286 | 74286 |
| Остаток основного долга | 400000 | 400000 | 400000 | 520000 | 445714 | 297143 | 222857 | 148571 | 74286 | 0 |
| rб | 40000 | 40000 | 40000 | 52000 | 44571 | 37143 | 29714 | 22286 | 14857 | 7429 |
| rко | 0 | 0 | 0 | 0 | 0 | 0 | 0 | 0 | 0 | 0 |
| SВ% | 40000 | 40000 | 40000 | 52000 | 44571 | 37143 | 29714 | 22286 | 14857 | 7429 |
| Итого | 0 | 0 | 0 | 126286 | 118857 | 111429 | 104000 | 96571 | 89143 | 81714 |
| Срок | 10 | лет | ||||||||
| rб | 10 | % | ||||||||
| %кредита | 50 | % | ||||||||
| К | 800000 | |||||||||
| Ксоб | 400000 | |||||||||
| Ккр | 400000 | |||||||||
| Тл | 3 | |||||||||
| rко, % | 3 | |||||||||
| Распределение кредитных средств по годам | ||||||||||
| Ккр | 400000 | 0 | 0 | |||||||
| Вкр | 74285,7142857143 | 400000 |
Sheet 6: финанализ с АБХМ с кредитом
| АИ-20 | 1 | 2 | 3 | 4 | 5 | 6 | 7 | 8 | 9 | 10 | |||||||
| Nед, МВт | 2,50 | aк | 100 | 0 | 0 | 0 | 0 | 0 | 0 | 0 | 0 | 0 | |||||
| Число часов использ уст мощ-ти | 6 000 | av | 75 | 100 | 100 | 100 | 100 | 100 | 100 | 100 | 100 | 100 | |||||
| Норма аморт | 0,10 | I этап. Расчет ФЭИП при реализации за счет собственных средств | |||||||||||||||
| Расход на соб нужды % | 7,50 | № пп | Показатель | 0 | 1 | 2 | 3 | 4 | 5 | 6 | 7 | 8 | 9 | 10 | Итого | ||
| ФОТ годовой usd/год | 2 400 | 1 | Выручка,% | 0,00 | 75,00 | 100,00 | 100,00 | 100,00 | 100,00 | 100,00 | 100,00 | 100,00 | 100,00 | 100,00 | 975,00 | ||
| Ставка дисконтирования | 5% | тыс. $ | 0,00 | 1330,21 | 1773,61 | 1773,61 | 1773,61 | 1773,61 | 1773,61 | 1773,61 | 1773,61 | 1773,61 | 1773,61 | 17292,74 | |||
| Прочие отчисления | 0,30 | 2 | Издержки,% | 0,00 | 75,00 | 100,00 | 100,00 | 100,00 | 100,00 | 100,00 | 100,00 | 100,00 | 100,00 | 100,00 | 975,00 | ||
| Отчисления соцстрах | 35% | тыс. $ | 0,00 | 847,00 | 1129,34 | 1129,34 | 1129,34 | 1129,34 | 1129,34 | 1129,34 | 1129,34 | 1129,34 | 1129,34 | 11011,02 | |||
| 3 | Выплаты, тыс. $ | 0,00 | 0,00 | 0,00 | 126,29 | 118,86 | 111,43 | 104,00 | 96,57 | 89,14 | 81,71 | 728,00 | |||||
| поток наличности | 790 423 | 4 | Прибыль, % | 0,00 | 75,00 | 100,00 | 100,00 | 100,00 | 100,00 | 100,00 | 100,00 | 100,00 | 100,00 | 100,00 | 975,00 | ||
| чистая прибыль | 515 423 | тыс. $ | 0,00 | 483,21 | 644,28 | 644,28 | 517,99 | 525,42 | 532,85 | 540,28 | 547,71 | 555,14 | 562,56 | 5553,72 | |||
| капвложения | 2 750 000 | 5 | Чистая прибыль, % | 0,00 | 75,00 | 100,00 | 100,00 | 100,00 | 100,00 | 100,00 | 100,00 | 100,00 | 100,00 | 100,00 | 975,00 | ||
| прибыль | 644 279 | тыс. $ | 0,00 | 386,57 | 515,42 | 515,42 | 414,39 | 420,34 | 426,28 | 432,22 | 438,17 | 444,11 | 450,05 | 4442,97 | |||
| налог | 128 856 | 6 | ПН, тыс $ | 0,00 | 592,82 | 790,42 | 790,42 | 689,39 | 695,34 | 701,28 | 707,22 | 713,17 | 719,11 | 725,05 | 7124,22 | ||
| выручка | 1 773 614 | 7 | Капитал,% | 0,00 | 100,00 | 0,00 | 0,00 | 0,00 | 0,00 | 0,00 | 0,00 | 0,00 | 0,00 | 0,00 | 100,00 | ||
| Расход топлив ГТУ, тут/год | 23 031 | тыс. $ | 0,00 | 400,00 | 0,00 | 0,00 | 0,00 | 0,00 | 0,00 | 0,00 | 0,00 | 0,00 | 0,00 | 400,00 | |||
| Цена нат. топлива | 40,00 | 8 | ЧПН, тыс. $ | 0,00 | 192,82 | 790,42 | 790,42 | 689,39 | 695,34 | 701,28 | 707,22 | 713,17 | 719,11 | 725,05 | 6724,22 | ||
| Qрн | 8 687 | 9 | ДЧПН при Е=0,2, тыс. $ | 0,00 | 183,64 | 716,94 | 682,80 | 567,17 | 544,81 | 523,31 | 502,61 | 482,70 | 463,54 | 445,12 | 5112,63 | ||
| Qур | 7 000 | 10 | Кумулят. ЧПН, тыс. $ | 0,00 | 183,64 | 900,57 | 1583,37 | 2150,54 | 2695,35 | 3218,66 | 3721,27 | 4203,97 | 4667,51 | 5112,63 | |||
| Цена усл. топлива | 32,23 | 11 | ДЧПН при Е=IRR, тыс. $ | 0,00 | 61,08 | 79,31 | 25,12 | 6,94 | 2,22 | 0,71 | 0,23 | 0,07 | 0,02 | 0,01 | 175,70 | ||
| Издержки на топливо | 742 351 | 0,00 | 61,08 | 140,38 | 165,50 | 172,44 | 174,66 | 175,37 | 175,60 | 175,67 | 175,69 | 175,70 | 0,60 | ||||
| Издержки на амортизацию | 275 000 | IRR= | 2,1570 | ||||||||||||||
| Издержки на з/п | 16 800 | PBP= | 1,25 | ||||||||||||||
| Издержки соцстрах | 5 880 | CP= | 37,5252599301 | ||||||||||||||
| Прочие издержки | 89 304 | Ипер | 742 351 | ||||||||||||||
| Суммарные издержки | 1 129 335 | Ипост | 386 984 | ||||||||||||||
| Тариф | $0,030 | За электроэнергию | |||||||||||||||
| Отпущенная электроэнергия | 41 625 | 1 248 750,00 руб. | |||||||||||||||
| Налог на прибыль | 20% | 1 580 252,73 | |||||||||||||||
| 29,10 | сум | 450 917,40 | |||||||||||||||
| Тепло в час | 4,51 | ||||||||||||||||
| Тепло в год | 47 357,53 | ||||||||||||||||
| Количество часов использования тепловой мощности | 3 500 | ||||||||||||||||
| Выручка от тепла | 331 502,73 | ||||||||||||||||
| Цена 1 Гкал | 7,00 | долл | |||||||||||||||
| Количество установок | 3 | ||||||||||||||||
| Количество часов использования холодильной мощности | 2 500 | ||||||||||||||||
| Цена 1 Гкал холода | 17,458 | $ | |||||||||||||||
| Холодопроизводительность | 4430319 | ккал/ч | |||||||||||||||
| Отпущенное количество холода, Гкал | 11 076 | ||||||||||||||||
| Холдильный коэффициент замещаемой электропотребляющей холодильной установки | 2,00 | ||||||||||||||||
| Расход электроэнергии на 1 ккал/ч холода в замещаемой установке, квт·ч/(ккал/ч) | 0,00058 | ||||||||||||||||
| Выручка от отпущенного холода | 193 361 | ||||||||||||||||
Литература
Каримов И.А. Наша высшая цель – независимость и процветание Родины, свобода и благополучие народа. Т.: Узбекистон, 2000
Каримов И.А. Узбекистан на пороге XXI века: угрозы безопасности, условия и гарантии прогресса. Т.: Узбекистон, 1997
Каримов И.А. Узбекситан — свой путь обновления и прогресса. Т.: Узбекистон, 1992.
Каримов И.А. Прогресс дехканского хозяйства — путь к изобилию. Т.: Узбекистон, 1994.
Ольховский Г.Г. Энергетические газотурбинные установки. М.: Энергоатомиздат, 1985.
Орлов В.Н., "Газотурбинный двигатель авиационного типа НК-37 для электростанции", Теплоэнергетика, №9, 1992, с. 27 — 31.
Ривкин С.Л. Термодинамические свойства газов. М.: Энергия,1973.
Тепловой расчет котельных агрегатов (нормативный метод). М.: Энергия, 1973.
Рихтер Л.А. и др. Вспомогательное оборудование тепловых электростанций. М.: Энергоатомиздат, 1987.
Соколов Е.Я. Теплофикация и тепловые сети. М.: Издательство МЭИ, 1999.
Уваров С.Н. Авиационные газотурбинные двигатели в энергетике. Л.: Энергия, 1971.
Батенин В.М., Масленников В.М., Цой А.Д. "О роли и месте децентрализованных источников энергоснабжения", Энергосбережение, №1, 2003, с.14 — 18.
Методические рекомендации по оценке эффективности инвестиционных проектов и их отбору для финансирования. М.: Теринвест, 1994.
Анализ и управление проектами. /Под общ. ред. Н.А. Артыкова/. Т.: РИК Узинвестпроект, 2000.
Методические указания по выполнению экономической части выпускной работы для магистрантов энергетических специальностей. Т.: ТГТУ, 2002.
Газотурбинные установки. Конструкции и расчет: Справочное пособие /Под общ. ред. Л.В. Арсеньева и В.Г. Тырышкина/. Л.: Машиностроение. Ленингр. отделение, 1978.
Захидов Р.А., Родимкин С.Е. Теплоэлектрохладофикационные системы. Т.: Фан, 1991
Соколов Е.Я., Бродянский В.М. Энергетические основы трансформации тепла и процессов охлаждения. М.: Энергоиздат, 1981.
Промышленная теплоэнергетика и теплотехника. Справочник /Под обш. ред. В.А. Григорьева и В.М. Зорина/. М.: Энергоатомиздат, 1983.
ОБЩАЯ ХАРАКТЕРИСТИКА РАБОТЫ
Актуальность работы. В настоящее время Узбекистан находится на пути построения правового, демократического государства с рыночной экономикой. В период перехода к рыночным отношениям, усугубившимся разрывом связей с другими республиками бывшего СССР, необходимостью выхода из экономического кризиса, в котором оказался Узбекистан после развала СССР, положение в теплоэнергетике и в энергетической отрасли экономики в целом, характеризуется значительным физическим и моральным износом основного оборудования крупных тепловых электростанций (ТЭС) Узбекистана. Это Ташкентская, Навоийская, Ново-Ангренская, Ангренская и другие ТЭС. Все они были построены еще в советское время и уже отработали от 25 до 40 лет.
В связи с указанными выше причинами качество энергоснабжения отдельных групп потребителей, особенно промышленных с непрерывным процессом производства, ухудшилось, т.к. участились случаи аварийных остановов блоков действующих ТЭС. Это приводит к логичному решению, которое сводится к децентрализации производства энергоресурсов (электроэнергии, теплоты, а в дальнейшем и холода), т.е. расположению небольшого источника энергоснабжения в непосредственной близости от потребителя.
Децентрализация энергоснабжения оказывается выгодной для конечного потребителя, который может быть владельцем независимого источника энергоснабжения.
Одним из способов создания небольшого источника энергоснабжения является конвертация авиационных двигателей и создание на их базе блочных станций заводской готовности. Эффективным оказывается комбинированное производство электроэнергии с выработкой на ее базе тепловой энергии для нужд теплоснабжения.
Тема диссертации является актуальной в силу того, что в ней рассматриваются вопросы создания теплоэлектроцентрали для небольшого населенного пункта на базе турбовинтового двигателя АИ-20, и рассмотрен вариант создания газотурбинной теплоэлектрохладоцентрали для производства всех видов энергии (тепло, холод и электроэнергии) на базе авиационных двигателей. Создание таких установок не требует больших капиталовложений и характеризуется небольшими сроками окупаемости.
Цель работы. Целью работы является обоснование возможности создания теплоэлектроцентрали на базе авиационного газотурбинного двигателя, оценка экономического эффекта от внедрения авиационных двигателей в энергетику, анализ возможных путей дальнейшего развития источников энергоснабжения на базе авиадвигателей в энергетике Узбекистана с учетом социально-экономических факторов нашей республики.
Новизна работы состоит в том, что предлагается новый путь развития генерирующих мощностей в Узбекистане, характеризующийся децентрализацией энергопроизводства путем внедрения локальных источников снабжения потребителй энергоресурсами на базе комбинированной выработки теплоты и электроэнергии с дальнейшим развитием их в источники полного энергоснабжения (теплота, электроэнергия и холод) — теплоэлектрохладоцентрали (ТЭХЦ).
Одним из способов создания децентрализованных источников снабжения энергоресурсами является внедрение в энергетику Узбекистана газотурбинной технологии производства энергии на базе конвертированных авиационных газотурбинных двигателей (АГТД). В работе рассмотрены вопросы создания источника по производству теплоты и электроэнергии на базе АГТД — теплоэлектроцентрали (ТЭЦ), а также рассмотрен вариант по созданию на базе АГТД газотурбинной ТЭХЦ. Проведены сравнительные экономические расчеты двух вариантов, выявившие преимущества создания ТЭХЦ, по сравнению с другими вариантами.
Публикации. По теме настоящей магистерской диссертации было опубликовано 2 статьи.
РЕЦЕНЗИЯ
на магистерскую диссертацию, выполненную на тему:
«Энергоэкономическая эффективность применения авиационных двигателей в энергоснабжении»
Магистерская диссертационная работа магистранта Умирова У.Р. посвящена проблеме создания локального источника энергоснабжения на базе авиационного двигателя, и актуальность темы диссертации обосновывается тем, что с переходом на рыночные отношения крупным промышленным потребителям выгодным оказывается иметь собственный источник энергоснабжения. Особенно выгодной является комбинированная выработка электроэнергии и теплоты.
Данная работа имеет практическую ценность, т.к. в ней намечены подходы по внедрению авиационных двигателей в энергетику Узбекистана. На данный момент в республике ни одного внедрения авиационных двигателей для энергетических нужд проведено не было.
Следует отметить рассмотрение в диссертации источника полного энергоснабжения (теплота, электроэнергия и холод). Этот подход является нетрадиционным в энергетике Узбекистана и характеризует научную новизну рассматриваемой работы. Также следует отметить, что в диссертации рассматривается отличный от нынешнего путь развития энергетики, характеризующийся децентрализацией энергоснабжения.
Диссертационная работа изложена на 81 странице машинописного текста и 6-ти листах графического материала. Содержание работы включает в себя следующие разделы:
Введение;
Литературный обзор;
Тепловой расчет газотурбинной теплоэлектроцентрали на базе АГТД;
Станция полного энергоснабжения (теплота, электроэнергия и холод) на базе конвертированного АГТД;
Экономическая часть;
Выводы;
Литература.
Рассмотренные вопросы соответствуют теме диссертационной работы.
В графической части представлены:
Схемы конвертации АГТД;
Принципиальная тепловая схема ТЭЦ;
Поперечный разрез главного корпуса;
Компоновка главного корпуса;
Графики распределения NPV по годам по вариантам;
Сводная таблица технико-экономических показателей.
Объем выполненной работы отвечает требованиям, предъявляемым к
магистерской диссертации. Стиль и язык изложения доступен и понятен.
К работе имеются следующие замечания, требующие детальной проработки в дальнейшем:
более детальное рассмотрение вопроса использования турбореактивных двигателей для нужд энергетики;
обоснование выбора установки.
В целом выполненная работа соответствует требованиям, предъявляемым к магистерской диссертации, а ее автор Умиров У.Р. заслуживает присвоения степени магистра теплоэнергетики.
Рецензент:
Главный инженер Хошимов И.М.
ДП "Узэнергосозлаш"
РЕЦЕНЗИЯ
на магистерскую диссертацию, выполненную на тему:
«Энергоэкономическая эффективность применения авиационных двигателей в энергоснабжении»
Магистерская диссертационная работа магистранта Умирова У.Р. посвящена проблеме создания локального источника энергоснабжения на базе авиационного двигателя, и актуальность темы диссертации обосновывается тем, что в связи с износом оборудования действующих ТЭС Узбекистана, снизилась надежность обеспечения потребителя энергоресурсами.
Данная работа имеет практическую ценность, т.к. в ней намечены подходы по внедрению авиационных двигателей в энергетику Узбекистана. На данный момент в республике ни одного внедрения авиационных двигателей для энергетических нужд проведено не было.
В работе предложен путь децентрализации источников энергоснабжения и рассмотрен вопрос о возможности создания на базе авиадвигателей локального источника всеми видами энергоресурсов — теплотой, холодом и электроэнергией. В этом заключается научная новизна данной работы.
Диссертационная работа изложена на 81 странице машинописного текста и 6-ти листах графического материала. Содержание работы включает в себя следующие разделы:
Введение;
Литературный обзор;
Тепловой расчет газотурбинной теплоэлектроцентрали на базе АГТД;
Станция полного энергоснабжения (теплота, электроэнергия и холод) на базе конвертированного АГТД;
Экономическая часть;
Выводы;
Литература.
Рассмотренные вопросы соответствуют теме диссертационной работы.
В графической части представлены:
Схемы конвертации АГТД;
Принципиальная тепловая схема ТЭЦ;
Поперечный разрез главного корпуса;
Компоновка главного корпуса;
Графики распределения NPV по годам по вариантам;
Сводная таблица технико-экономических показателей.
Объем выполненной работы отвечает требованиям, предъявляемым к
магистерской диссертации. Стиль и язык изложения доступен и понятен.
К работе имеются следующие замечания, которые было бы желательным осветить в дальнейшем:
учет влияния гидравлического сопротивления подогревателя сетевой воды на характеристики ГТУ;
обоснование выбора установки;
учет влияния роста цен на топливо и рост тарифов на экономическую эффективность станции на базе авиадвигателя.
В целом выполненная работа соответствует требованиям, предъявляемым к магистерской диссертации, а ее автор Умиров У.Р. заслуживает присвоения степени магистра теплоэнергетики.
Рецензент:
Главный инженер Ляпин Э.А.
ОАО "ORGRES"
РЕЦЕНЗИЯ
на магистерскую диссертацию, выполненную на тему:
«Энергоэкономическая эффективность применения авиационных двигателей в энергоснабжении»
Магистерская диссертационная работа магистранта Умирова У.Р. посвящена проблеме создания локального источника энергоснабжения на базе авиационного двигателя. Актуальность темы диссертации очевидна в силу того, что с переходом на рыночные отношения крупным промышленным потребителям, а также предприятиям агропромышленного сектора экономики выгодно иметь собственный источник энергоснабжения.
На данный момент в республике ни одного внедрения авиационных двигателей для энергетических нужд проведено не было. Поэтому данная работа может быть отмечена как имеющая практическую ценность, так как в ней рассмотрены вопросы проектирования источника комбинированной выработки тепла и электроэнергии на базе авиадвигателя. Следует отметить произведенный конструктивный расчет компактного утилизационного газового подогревателя сетевой воды с оребренными трубами.
Вызывает интерес рассмотрение в диссертации источника полного энергоснабжения (теплота, электроэнергия и холод). В диссертации рассматривается отличный от нынешнего путь развития энергетики, характеризующийся децентрализацией энергоснабжения. Эти подходы является нетрадиционными для энергетики Узбекистана и характеризуют научную новизну рассматриваемой работы.
Диссертационная работа изложена на 81 странице машинописного текста и 6-ти листах графического материала. Содержание работы включает в себя следующие разделы:
Введение;
Литературный обзор;
Тепловой расчет газотурбинной теплоэлектроцентрали на базе АГТД;
Станция полного энергоснабжения (теплота, электроэнергия и холод) на базе конвертированного АГТД;
Экономическая часть;
Выводы;
Литература.
Рассмотренные вопросы соответствуют теме диссертационной работы.
В графической части представлены:
Схемы конвертации АГТД;
Принципиальная тепловая схема ТЭЦ;
Поперечный разрез главного корпуса;
Компоновка главного корпуса;
Графики распределения NPV по годам по вариантам;
Сводная таблица технико-экономических показателей.
Объем выполненной работы отвечает требованиям, предъявляемым к
магистерской диссертации. Стиль и язык изложения доступен и понятен.
Было бы полезным рассмотреть в работе следующие вопросы:
рассмотрение вопроса создания станции на базе турбореактивных двигателей;
учет влияния роста тарифов на энергоресурсы и снижения расчетной мощности в межремонтный период на экономическую эффективность станции.
В целом выполненная работа соответствует требованиям, предъявляемым к магистерской диссертации, а ее автор Умиров У.Р. заслуживает присвоения степени магистра теплоэнергетики.
Рецензент:
Главный инженер Малышев В.П.
ОАО "Иссикликэлектрлойиха"
РЕЦЕНЗИЯ
на магистерскую диссертацию, выполненную на тему:
«Энергоэкономическая эффективность применения авиационных двигателей на ТЭС»
Магистерская диссертационная работа магистранта Умирова У.Р. посвящена проблеме создания локального источника энергоснабжения на базе авиационного двигателя, и актуальность темы диссертации обосновывается тем, что с переходом на рыночные отношения крупным промышленным потребителям выгодным оказывается иметь собственный источник энергоснабжения. Особенно выгодной является комбинированная выработка электроэнергии и теплоты.
Данная работа имеет практическую ценность, т.к. в ней намечены подходы по внедрению авиационных двигателей в энергетику Узбекистана. На данный момент в республике ни одного внедрения авиационных двигателей для энергетических нужд проведено не было.
Следует отметить рассмотрение в диссертации источника полного энергоснабжения (теплота, электроэнергия и холод). Этот подход является нетрадиционным в энергетике Узбекистана и характеризует научную новизну рассматриваемой работы. Также следует отметить, что в диссертации рассматривается отличный от нынешнего путь развития энергетики, характеризующийся децентрализацией энергоснабжения.
Диссертационная работа изложена на 81 странице машинописного текста и 6-ти листах графического материала. Содержание работы включает в себя следующие разделы:
Введение;
Литературный обзор;
Тепловой расчет газотурбинной теплоэлектроцентрали на базе АГТД;
Станция полного энергоснабжения (теплота, электроэнергия и холод) на базе конвертированного АГТД;
Экономическая часть;
Выводы;
Литература.
Рассмотренные вопросы соответствуют теме диссертационной работы.
В графической части представлены:
Схемы конвертации АГТД;
Принципиальная тепловая схема ТЭЦ;
Поперечный разрез главного корпуса;
Компоновка главного корпуса;
Графики распределения NPV по годам по вариантам;
Сводная таблица технико-экономических показателей.
Объем выполненной работы отвечает требованиям, предъявляемым к
магистерской диссертации. Стиль и язык изложения доступен и понятен.
К работе имеются следующие замечания, требующие детальной проработки в дальнейшем:
более детальное рассмотрение вопроса использования турбореактивных двигателей для нужд энергетики;
обоснование выбора установки.
В целом выполненная работа соответствует требованиям, предъявляемым к магистерской диссертации, а ее автор Умиров У.Р. заслуживает присвоения степени магистра теплоэнергетики.
Рецензент:
Главный инженер Хошимов И.М.
ДП "Узэнергосозлаш"
РЕЦЕНЗИЯ
на магистерскую диссертацию, выполненную на тему:
«Энергоэкономическая эффективность применения авиационных двигателей на ТЭС»
Магистерская диссертационная работа магистранта Умирова У.Р. посвящена проблеме создания локального источника энергоснабжения на базе авиационного двигателя, и актуальность темы диссертации обосновывается тем, что в связи с износом оборудования действующих ТЭС Узбекистана, снизилась надежность обеспечения потребителя энергоресурсами.
Данная работа имеет практическую ценность, т.к. в ней намечены подходы по внедрению авиационных двигателей в энергетику Узбекистана. На данный момент в республике ни одного внедрения авиационных двигателей для энергетических нужд проведено не было.
В работе предложен путь децентрализации источников энергоснабжения и рассмотрен вопрос о возможности создания на базе авиадвигателей локального источника всеми видами энергоресурсов — теплотой, холодом и электроэнергией. В этом заключается научная новизна данной работы.
Диссертационная работа изложена на 81 странице машинописного текста и 6-ти листах графического материала. Содержание работы включает в себя следующие разделы:
Введение;
Литературный обзор;
Тепловой расчет газотурбинной теплоэлектроцентрали на базе АГТД;
Станция полного энергоснабжения (теплота, электроэнергия и холод) на базе конвертированного АГТД;
Экономическая часть;
Выводы;
Литература.
Рассмотренные вопросы соответствуют теме диссертационной работы.
В графической части представлены:
Схемы конвертации АГТД;
Принципиальная тепловая схема ТЭЦ;
Поперечный разрез главного корпуса;
Компоновка главного корпуса;
Графики распределения NPV по годам по вариантам;
Сводная таблица технико-экономических показателей.
Объем выполненной работы отвечает требованиям, предъявляемым к
магистерской диссертации. Стиль и язык изложения доступен и понятен.
К работе имеются следующие замечания, которые было бы желательным осветить в дальнейшем:
учет влияния гидравлического сопротивления подогревателя сетевой воды на характеристики ГТУ;
обоснование выбора установки;
учет влияния роста цен на топливо и рост тарифов на экономическую эффективность станции на базе авиадвигателя.
В целом выполненная работа соответствует требованиям, предъявляемым к магистерской диссертации, а ее автор Умиров У.Р. заслуживает присвоения степени магистра теплоэнергетики.
Рецензент:
Главный инженер Ляпин Э.А.
ОАО "ORGRES"
РЕЦЕНЗИЯ
на магистерскую диссертацию, выполненную на тему:
«Энергоэкономическая эффективность применения авиационных двигателей на ТЭС»
Магистерская диссертационная работа магистранта Умирова У.Р. посвящена проблеме создания локального источника энергоснабжения на базе авиационного двигателя. Актуальность темы диссертации очевидна в силу того, что с переходом на рыночные отношения крупным промышленным потребителям, а также предприятиям агропромышленного сектора экономики выгодно иметь собственный источник энергоснабжения.
На данный момент в республике ни одного внедрения авиационных двигателей для энергетических нужд проведено не было. Поэтому данная работа может быть отмечена как имеющая практическую ценность, так как в ней рассмотрены вопросы проектирования источника комбинированной выработки тепла и электроэнергии на базе авиадвигателя. Следует отметить произведенный конструктивный расчет компактного утилизационного газового подогревателя сетевой воды с оребренными трубами.
Вызывает интерес рассмотрение в диссертации источника полного энергоснабжения (теплота, электроэнергия и холод). В диссертации рассматривается отличный от нынешнего путь развития энергетики, характеризующийся децентрализацией энергоснабжения. Эти подходы является нетрадиционными для энергетики Узбекистана и характеризуют научную новизну рассматриваемой работы.
Диссертационная работа изложена на 81 странице машинописного текста и 6-ти листах графического материала. Содержание работы включает в себя следующие разделы:
Введение;
Литературный обзор;
Тепловой расчет газотурбинной теплоэлектроцентрали на базе АГТД;
Станция полного энергоснабжения (теплота, электроэнергия и холод) на базе конвертированного АГТД;
Экономическая часть;
Выводы;
Литература.
Рассмотренные вопросы соответствуют теме диссертационной работы.
В графической части представлены:
Схемы конвертации АГТД;
Принципиальная тепловая схема ТЭЦ;
Поперечный разрез главного корпуса;
Компоновка главного корпуса;
Графики распределения NPV по годам по вариантам;
Сводная таблица технико-экономических показателей.
Объем выполненной работы отвечает требованиям, предъявляемым к
магистерской диссертации. Стиль и язык изложения доступен и понятен.
Было бы полезным рассмотреть в работе следующие вопросы:
рассмотрение вопроса создания станции на базе турбореактивных двигателей;
учет влияния роста тарифов на энергоресурсы и снижения расчетной мощности в межремонтный период на экономическую эффективность станции.
В целом выполненная работа соответствует требованиям, предъявляемым к магистерской диссертации, а ее автор Умиров У.Р. заслуживает присвоения степени магистра теплоэнергетики.
Рецензент:
Главный инженер Малышев В.П.
ОАО "Иссикликэлектрлойиха"
СОДЕРЖАНИЕ
Введение 5
Глава 1. Литературный обзор 9
Конвертация авиационных газотурбинных двигателей
для энергетических целей 9
1.2. Электростанции на базе АГТД в странах СНГ 12
1.3. Зарубежные электростанции с авиационными ГТД 18
Глава 2. Тепловой расчет газотурбинной теплоэлектроцентрали
на базе АГТД 27
2.1. Описание газотурбинной ТЭЦ на базе АГТД
и ее принципиальная тепловая схема 27
2.2. Тепловой расчет ГТУ на базе двигателя АИ-20 29
2.3. Расчет газо-водяного подогревателя сетевой воды 38
2.4. Тепловой расчет вакуумного деаэратора подпиточной
воды тепловой сети 44
2.5 Технико-экономические показатели ГТТЭЦ 45
Глава 3. Станция полного энергоснабжения (теплота, электро-
энергия и холод) на базе конвертированного АГТД 47
3.1. Особенности создания источника полного
энергоснабжения — теплоэлектрохладоцентрали 47
3.2. Расчет тепловых потоков абсорбционной бромисто-литиевой
холодильной машины 49
Глава 4. Экономическая часть 55
Выводы 78
Литература 80
Министерство высшего и среднего специального образования
Республики Узбекистан
Ташкентский Государственный Технический Университет им. Абу Райхана Беруни
На правах рукописи
Умиров Умид Рустамович
Энергоэкономическая эффективность применения авиационных двигателей на ТЭС
Специальность: 5А520104
«Тепловые электрические станции»
Диссертация
на соискание степени магистра теплоэнергетики
Работа рассмотрена и Научный руководитель
допускается к защите доц. Родимкин С.Е.
_________________
Зав. кафедрой «Тепловые Научный консультант
электрические станции» проф. Соколова Л.А.
доц. Алимов Х.А. _________________
____________________
«___»__________2003 г.