Взаимозаменяемость, стандартизация и технические измерения (работа 2)
Министерство образования Российской Федерации
Уральский государственный технический университет
КУРСОВАЯ РАБОТА
по предмету “Взаимозаменяемость, стандартизация
и технические измерения”
Студент:
Преподаватель:
г. Екатеринбург
2001 год
Часть 1. ЧЕТЫРЕ ПОСАДКИ
|
Вариант |
Посадки |
|||
|
15 |
20H7/g6 |
45H6/m5 |
60H6/p5 |
80D9/h9 |
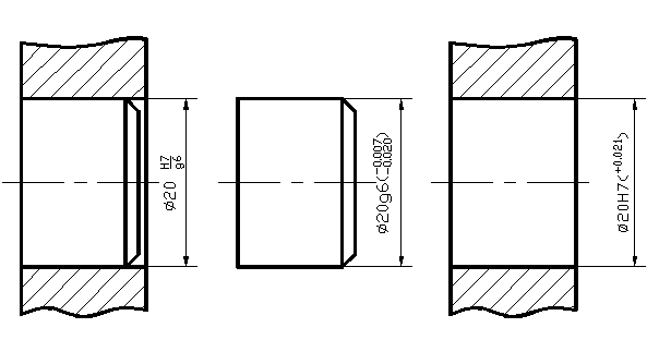
1) Определить наибольшие, наименьшие предельные размеры и допуски размеров деталей, входящих в соединение;
1.1 Для посадки 20H7/g6
20H7: ES = +21 мкм EI = 0 мкм
20g6: es = -7 мкм ei = -20 мкм
Предельные размеры отверстия:
D>max> = D + ES = 20 + 0,021 = 20,021 мм
D>min> = D + EI = 20 + 0 = 20,000 мм
Допуск на размер отверстия:
T>D >= D>max> - D>min> = 20,021 – 20,000 = 0,021 мм
Предельные размеры вала:
d>max> = d + es = 20 + (-0,007) = 19,993 мм
d>min> = d + ei = 20 + (-0,020) = 19,980 мм
Допуск на размер вала:
T>d> = d>max> - d>min> = 19,993 – 19,080 = 0,013 мм
1.2 Для посадки 45H6/m5
45H6: ES = +16 мкм EI = 0 мкм
45m5: es = +20 мкм ei = +9 мкм
Предельные размеры отверстия:
D>max> = D + ES = 45 + 0,016 = 45,016 мм
D>min> = D + EI = 45 + 0 = 45,000 мм
Допуск на размер отверстия:
T>D >= D>max> - D>min> = 45,016 – 45,000 = 0,016 мм
Предельные размеры вала:
d>max> = d + es = 45 + 0,020 = 45,020 мм
d>min> = d + ei = 45 + 0,009 = 45,009 мм
Допуск на размер вала:
T>d> = d>max> - d>min> = 45,020 – 45,009 = 0,011 мм
1.3 Для посадки 60H6/p5
60H6: ES = 19 мкм EI = 0 мкм
60p5: es = +45 мкм ei = +32 мкм
Предельные размеры отверстия:
D>max> = D + ES = 60 + 0,019 = 60,019 мм
D>min> = D + EI = 60 + 0 = 60,000 мм
Допуск на размер отверстия:
T>D >= D>max> - D>min> = 60,019 – 60,000 = 0,019 мм
Предельные размеры вала:
d>max> = d + es = 60 + 0,045 = 60,045 мм
d>min> = d + ei = 60 + 0,032 = 60,032 мм
Допуск на размер вала:
T>d> = d>max> - d>min> = 60,045 – 60,032 = 0,013 мм
1.4 Для посадки 80D9/h9
80D9: ES = +174 мкм EI = +100 мкм
80h9: es = 0 мкм ei = -74 мкм
Предельные размеры отверстия:
D>max> = D + ES = 80 + 0,174 = 80,174 мм
D>min> = D + EI = 80 + 100 = 80,100 мм
Допуск на размер отверстия:
T>D >= D>max> - D>min> = 80,174 – 80,100 = 0,074 мм
Предельные размеры вала:
d>max> = d + es = 80 + 0 = 80,000 мм
d>min> = d + ei = 80 + (-0,074) = 79,926 мм
Допуск на размер вала:
T>d> = d>max> - d>min> = 80,000 – 79,926 = -0,074 = 0,074 мм
2) Определить наибольшие, наименьшие, средние зазоры и натяги и допуски посадок;
2.1 Для посадки 20H7/g6
Зазоры:
S>max> = D>max> - d>min> = 20,021 - 19,980 = 0,041 мм
S>min> = D>min> - d>max> = 20,000 - 19,993 = 0,007 мм
S>m> = (S>max> + S>min>)/2 = (0,041+0,007)/2 = 0,024 мм
Допуск посадки:
TS = S>max> - S>min> = 0,041 - 0,007 = 0,034 мм
2.2 Для посадки 45H6/m5
Максимальный зазор:
S>max> = D>max> - d>min> = 45,016 – 45,009 = 0,007 мм
Максимальный натяг:
N>max> = d>max> - D>min> = 45,020 – 45,000 = 0,020 мм
Допуск посадки:
TS(TN) = T>D> + T>d> = 0,016 - 0,011 = 0,027 мм
2.3 Для посадки 60H6/p5
Натяги:
N>max> = d>max> - D>min> = 60,045 – 60,000 = 0,045 мм
N>min> = d>min> - D>max> = 60,032 – 60,019 = 0,013 мм
N>m> = (N>max> - N>min>)/2 = (0.045 – 0.013)/2 = 0,016 мм
Допуск посадки:
TN = N>max> - N>min> = 0.045 – 0.013 = 0,032 мм
2.4 Для посадки 80D9/h9
Зазоры:
S>max> = D>max> - d>min> = 80,174 - 79,926 = 0,248 мм
S>min> = D>min> - d>max> = 80,100 - 80,000 = 0,100 мм
S>m> = (S>max> + S>min>)/2 = (0,248+0,100)/2 = 0,174 мм
Допуск посадки:
TS = S>max> - S>min> = 0,248 - 0,100 = 0,148 мм
полученные данные занести в таблицу (мм);

3) Построить схемы расположения полей допусков деталей, входящих в соединения;

4) Назначить средства для контроля (измерения) размеров деталей, входящих в соединения (тип производства назначает и обосновывает студент);
Назначаем тип производства – серийное
Тогда:
для контроля размера вала 20H7+0.021 будем использовать калибр - пробку с проходными и непроходными губками.
для контроля размера отверстия 20g6-0.007 будем использовать пневматический ротаметр. -0.020
5) выполнить эскиз одного из 4 соединений (по выбору студента) с обозначением посадки в соединении и эскизы деталей, входящих в это соединение, с указанием на них обозначения точности размеров (номинальный размер, обозначение поля допуска и квалитета, предельные отклонения).

Часть 2. ФОРМА И РАСПОЛОЖЕНИЕ ПОВЕРХНОСТЕЙ
1) Изобразить эскиз детали с указанием на заданных поверхностях обозначений отклонений формы и расположения поверхностей;

2) Охарактеризовать заданные поверхности;
а) – плоская, полуоткрытая поверхность
b) – цилиндрическая, внутренняя, открытая поверхность
3) Расшифровать обозначения отклонений формы и расположения заданных поверхностей , в том числе указать размерность числовых отклонений;

Допуск перпендикулярности – обозначает наибольшее допускаемое значение отклонения от перпендикулярности (мм).

Допуск параллельности – обозначает наибольшее допускаемое значение отклонения от параллельности.
Размерность допусков формы и расположения поверхностей задается в миллиметрах.
4) По допуску формы или расположения установить степень точности;
Определяем по справочнику табл. 2.11 [3, стр. 381]

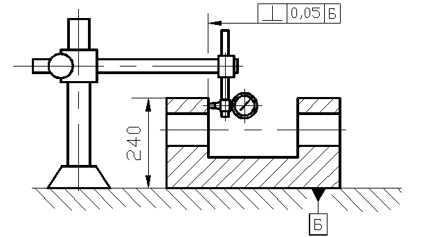
При h = 240 степень точности – 9

При L = 380 степень точности – 10
5) Изобразить схемы измерения отклонений;
Для контроля допуска перпендикулярности:

Для контроля допуска параллельности:

Часть 3. ШЕРОХОВАТОСТЬ ПОВЕРХНОСТИ
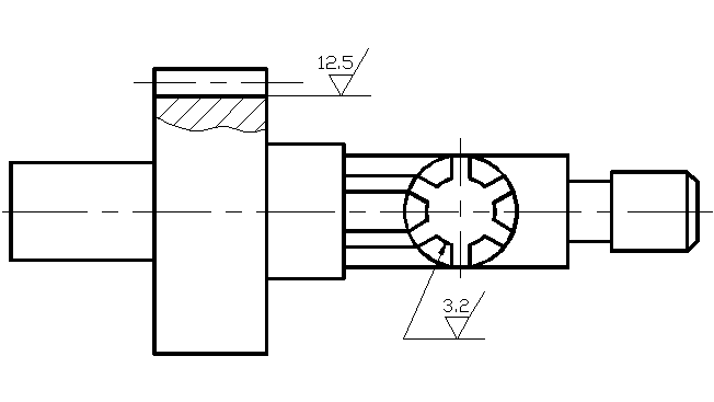
1. Изобразить эскиз детали с указанием заданных обозначений шероховатости поверхностей;

2. Охарактеризовать заданную поверхность;
Наружная полуоткрытая поверхность заданного профиля
3. Расшифровать обозначение шероховатости поверхностей и в том числе указать размерность числового значения шероховатости;
Такое обозначение шероховатости предъявляет следующее требование к поверхности: поверхность должна быть образована удалением слоя материала, при этом шероховатость поверхности по Ra не должна превышать соответственно 12,5 и 3,2 (мкм).
Размерность задается в микрометрах.
4. Указать - предпочтительные или нет числовые значения шероховатости поверхностей;
Соответственно ГОСТ 2789-73 параметры шероховатости 12,5 и 3,2 являются предпочтительными.
5. Указать метод обработки для получения шероховатости.
Для получения параметра шероховатости 12,5 выбираем фрезерование, а для параметра 3,2 выбираем – зубодолбление.
Часть 4. РАСЧЕТ ПОСАДОК ПОДШИПНИКОВ КАЧЕНИЯ

Исходные данные:
|
Обозначение подшипника |
– 6 |
|
Размеры d x D |
– 90 x 160 мм |
|
Радиальная нагрузка |
– 6000 Н |
1) Установить вид нагружения каждого кольца подшипника;
По чертежу наружное кольцо воспринимает радиальную нагрузку, постоянную по направлению и ограниченную участком окружности дорожки качения и передает ее соответствующему ограниченному участку посадочной поверхности корпуса, следовательно характер нагружения – местный.
Внутреннее кольцо воспринимает радиальную нагрузку последовательно всей окружностью дорожки качения и передает ее последовательно всей посадочной поверхности вала, следовательно характер нагружения – циркуляционный.
2) Для кольца, имеющего циркуляционное нагружение, рассчитать интенсивность радиальной нагрузки по учебнику [1, с.237-239] или по справочнику [3, с.283];
По табл.4.92 [3, с.287] или по табл. 9.3 и 9.4 [1, с.238] установить поле допуска для вала или корпуса;
Интенсивность нагрузки подсчитывают по формуле

где F>f> — радиальная нагрузка на опору; k>1>, k>2>, k>3> — коэффициенты; b — рабочая ширина посадочного места; b = В — 2 r (В — ширина подшипника; r — координата монтажной фаски внутреннего или наружного кольца подшипника).
Динамический коэффициент посадки k1 зависит от характера нагрузки: при перегрузке до 150 %, умеренных толчках и вибрации K>1> = 1; при перегрузке до 300 %, сильных ударах и вибрации k>1> = 1,8.
Коэффициент k>2 > учитывает степень ослабления посадочного натяга при полом вале или тонкостенном корпусе: при сплошном вале k>2> = 1.
Коэффициент k>3> учитывает неравномерность распределения радиальной нагрузки F>f> между рядами роликов в двухрядных конических роликоподшипниках или между сдвоенными шарикоподшипниками при наличии осевой нагрузки F>f>> >на опору.
В нашем случае k>1> = k>2> = k>3> = 1
По ГОСТ 8338-75 определяем для нашего подшипника 90 х 160:
В = 30мм; r = 1.5мм
Рассчитываем интенсивность нагрузки:

По табл. 9.3 из справочника [1, с.238] устанавливаем поле допуска для вала: 90js6(0.011)
3) Для кольца, имеющего местное нагружение, поле допуска присоединительной поверхности (вал или корпус) выбрать по табл. 4.89 справочника [3, с.28б] или табл. 9.6 [1, c.239];
По табл. 9.6 из справочника [1, c.239] устанавливаем поле допуска для корпуса: 160H7(+0.025)
4) В случае колебательного нагружения кольца подшипника поле допуска присоединительной поверхности (вал или корпус) устанавливается также по табл. 4.95 справочника [3, с.289-290];
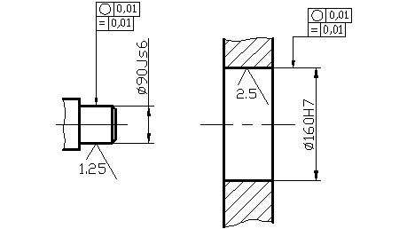
–
5) Построить схему расположения полей допусков колец подшипника и присоединительных поверхностей вала и корпуса. Числовые значения предельных отклонений посадочных размеров колец подшипников берутся из таблиц справочника [3, c.273-281] или из других справочников по подшипникам качения;
Предельные отклонения:
-
для внутреннего кольца
– 90(>-0,020>)
для наружного кольца
– 160(>-0,025>)
6)
Выполнить эскизы посадочных мест вала
и корпуса. Шероховатость поверхности
вала и корпуса и допуски формы и
расположения поверхности берутся
из справочника [3, с.288-296] или из другой
справочкой литературы по подшипникам
качения.

Эскизы посадочных мест

Часть 5. НАЗНАЧЕНИЕ И ОБОСНОВАНИЕ ПОСАДОК
ШПОНОЧНОГО СОЕДИНЕНИЯ И ЕГО КОНТРОЛЬ

Исходные данные:
|
Шпоночное соединение |
– 16 |
|
Номин. размер соединения |
– 8 мм |
1) Установить и обосновать тип шпоночного соединения (свободное, нормальное или плотное);
Устанавливаем тип соединения – нормальное т.к. производство – серийное.
2) Назначить поля допусков и квалитеты для деталей, входящих в соединение: шпонка, паз вала, паз втулки. Для этого воспользоваться рекомендациями в [1, с.334] или [3, с.237,238];
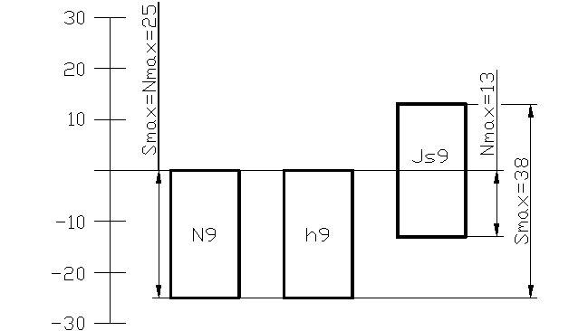
По табл. 4.64 справочника [3, с.235] выбираем сечение шпонки для диаметра вала 8 – bh = 22 мм.
По табл. 4.65 справочника [3, с.237] выбираем предельные отклонения:
|
- для ширины шпонки |
- h9 |
es = 0, ei = -25 мкм |
|
- для ширины паза на валу |
- N9 |
ES = 0, EI = -25 мкм |
|
- для ширины паза во втулке |
- Js9 |
ES = +13, EI = -13 мкм |

Вычисляем предельные зазоры и натяги.
В соединении шпонки с пазом вала (N9/h9)
S>max>= ES – ei = 0 – (-25) = 25 мкм
N>max>= es – EI = 0 – (-25) = 25 мкм
В соединении шпонки с пазом втулки (Js9/h9)
S>max>= ES – ei = 13 – (-25) = 38 мкм
N>max>= es – EI = 0 – (-13) = 13 мкм
3) Вычертить в масштабе (поперечный разрез) вал и втулку с указанием номинального размера по ширине шпоночных пазов, квалитета, поля допуска и предельных отклонений, а также шероховатости, допусков формы и расположения поверхностей;
4) Назначить средства для контроля деталей шпоночного соединения. Калибры для шпоночных соединений установлены в ГОСТ 24109-80, 24121-80, рекомендации по контролю даны в [3, с.248,249].
Контроль шпоночных соединений в серийном и массовом производстве осуществляют специальными предельными калибрами: ширина пазов вала и втулки Ь проверяется пластинами, имеющими проходную и непроходную сторону (рис. а); размер (d + t>2> у отверстия) — пробками со ступенчатой шпонкой (рис. б); глубина паза вала (размер t1) — кольцевыми калибрами, имеющими стержень с проходной и непроходной ступенью (рис. в). Допуски этих типов калибров принимаются равными допускам гладких калибров, имея и виду зависимые допуски расположения.
Симметричность пазов относительно осевой плоскости проверяют комплексными калибрами: у отверстия — пробкой со шпонкой (рис. г), а у вала — накладной призмой с контрольным стержнем (рис. д).
Проектирование комплексных калибров для шпоночных соединений необходимо производить с учетом максимальных размеров сопрягаемых деталей.
После сборки контроль шпоночного соединения производят путем установления биения охватывающей детали, покачиванием охватывающей детали на валу и перемещением охватывающей детали вдоль вала (в случае подвижного соединения).

Часть 5. НАЗНАЧЕНИЕ ПОСАДОК ШЛИЦЕВЫХ СОЕДИНЕНИЙ
И ИХ КОНТРОЛЬ

Исходные данные:
|
Шлицевое соединение |
– 9 |
|
Размер 2dD |
– 104252 мм |
1) Назначить метод центрирования соединения;
Назначаем неподвижное центрирование по наружному диаметру.
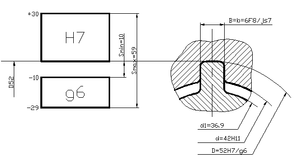
2) Назначить посадки по центрирующим и не центрирующим элементам соединения. Посадку выбирают из табл. 4.72, 4.73, 4.74, 4.75 справочника [3,c.252-253] в зависимости от принятого метода центрирования и характера соединения (подвижное или неподвижное), в первую очередь назначить предпочтительные посадки;
Для
центрирующего диаметра D=52
выбираем посадку

По
боковым сторонам зубьев b=6
выбираем посадку

Для не центрирующего диаметра втулки d=42 выбираем посадку H11, а диаметр вала d>1>=36,9.
Предельные отклонения сводим в таблицу:
|
Предельные отклонения и допуски шлицевых соединений, мкм |
||||||
|
Втулка |
Вал |
|||||
|
D=52H7 |
B=5F8 |
d=42H21 |
D=52g6 |
b=6js7 |
d>1 > d |
|
|
Верхнее отклонение |
ES=+30 |
ES=+28 |
ES=+160 |
es=-10 |
es=+6 |
d>1>=36.9 |
|
Нижнее отклонение |
EI=0 |
EI=+10 |
EI=0 |
ei=-29 |
ei=-6 |
|
|
Допуск |
TD=30 |
TB=18 |
Td=160 |
Td=19 |
Tb=12 |
3) Построить схемы расположения полей допусков шлицевых деталей по соединяемым элементам;
Вычисляем зазоры по центрирующим и нецентрирующим поверхностям:
|
По D: |
S>max> = ES - ei = 30 – (-29) = 59 мкм |
|
S>min> = EI - es = 0 – (-10) = 10 мкм |
|
|
По d: |
S>max> = d>max>вт – d>1> = 42 + 0.160 – 36.9 = 5.26 мм |
|
По b: |
S>max> = ES - ei = 28 – (-6) = 32 мкм |
|
S>min> = EI - es = 10 – 6 = 4 мкм |


4) Выполнить чертеж шлицевого соединения (поперечный или продольный разрез) и нанести на нем условное обозначение соединения по ГОСТ 1139-80. Чертеж выполняется на листах формата А4;
5) Выбрать средства для контроля заданных шлицевых деталей.
Для контроля шлицевого вала выбираем комплексный проходной колибр.

Часть 5. РАСЧЕТ СБОРОЧНЫХ РАЗМЕРНЫХ ЦЕПЕЙ

Исходные данные:
|
Предельные отклонения А>> |
А>>> >= 0, ES = +1.1, EI = +0.3 |
|
Размер d |
= 40 |
|
Подшипники качения |
ES = 0, EI = -120 мкм |
|
Толщина прокладок |
= 2>-0.1> мм |
|
Толщина стопорных колец |
= 3>–0.1> мм |
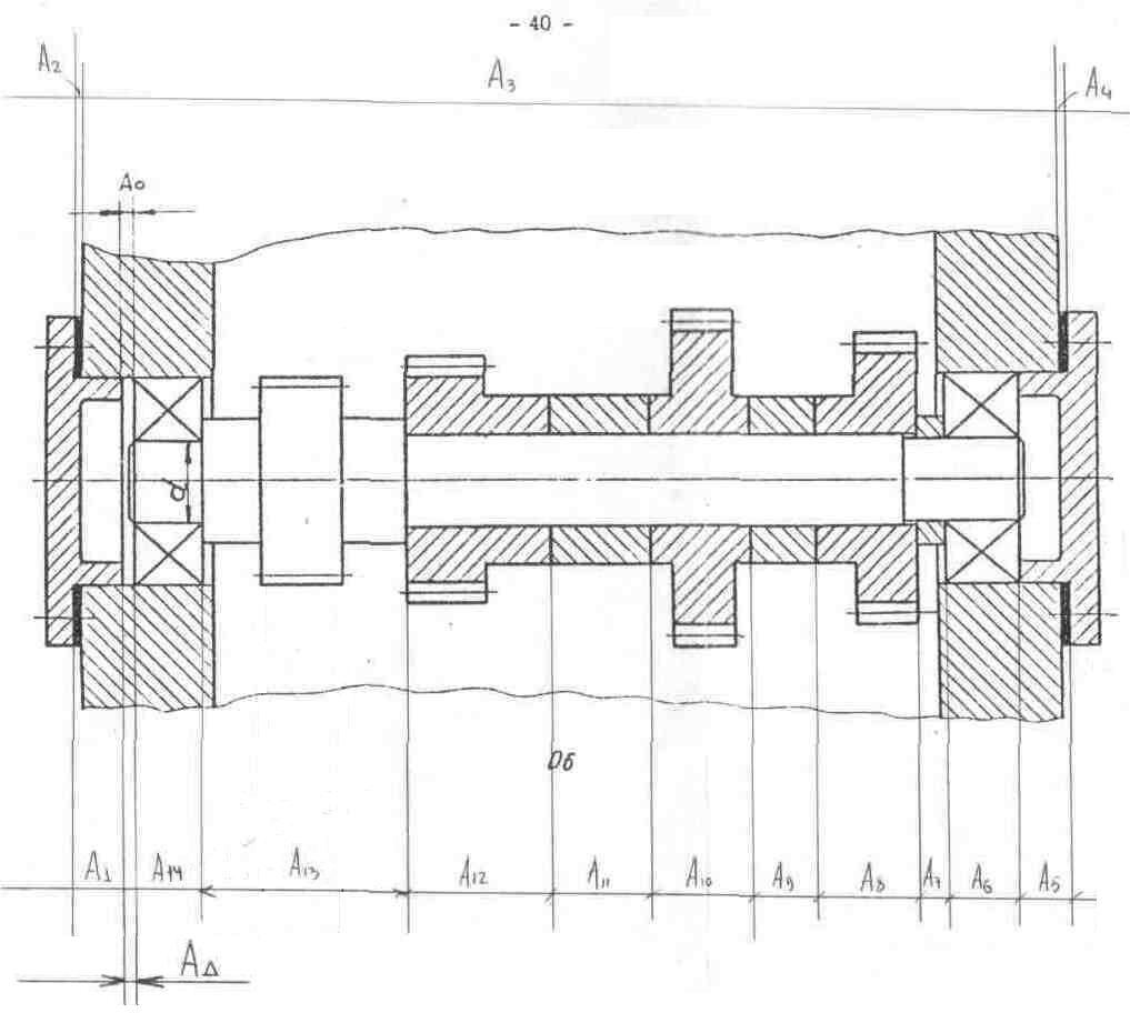
1. Определяем масштаб рисунка:
М = d / x = 40 / 12 = 3,3
2. Определяем увеличивающие (А>2>, А>3>, А>4>) и уменьшающие (А>1>, А>5>, А>6>, А>7>, А>8>, А>9>, А>10>, А>11>, А>12>, А>13>, А>14>) звенья, обозначив их начиная с А>> по часовой стрелке от А>1> до А>n> (у нас А>14>)

Общее число звеньев размерной цепи равно 15. Замыкающее звено А>> = 0, ES = +1,1, EI = +0,3. Составляющие звенья размерной цепи определяем согласно масштаба: А>1>=26, А>2>=2>-0,1>, А>3>=500, А>4>=2>-0,1>, А>5>=26, А>6>=36>-0,12>, А>7>=15, А>8>=53, А>9>=32, А>10>=50, А>11>=50, А>12>=71, А>13>=100, А>14>=10.
Согласно схемам размерных цепей:
,
где
– номинальный размер замыкающего звена,
и
–
номинальные размеры увеличивающих и
уменьшающих размерных звеньев цепи.

Но у нас А>>= 0
Для выполнения равенства корректируем звено А>3>:

3. Определим число единиц допуска
При решении задачи способом допусков одного квалитета предполагаем, что все составляющие цепь размеры выполняются по одному и тому же квалитету точности. А каждому квалитету точности соответствует вполне определенное число единиц допуска а. То есть а одинаково для всех звеньев размерной цепи.
Величина допуска каждого составляющего размера

где:
a>j> - число единиц допуска соответствующего звена размерной цепи;
i>j> - единица допуска. Величина i зависит от интервала размеров, в котором располагается соответствующий размер, и может быть определена по таблицам.
Так как по условии задачи принято одинаковое число единиц допуска для каждого звена, то среднее число единиц допуска для каждого звена можно обозначить a>m>.
Для определения a>m> используем формулу:

4. Определяем квалитет точности.
Принимаем a>m> =16, тогда квалитет точности – 7.
5. Назначаем допуски.
Назначаем допуски согласно 7-го квалитета точности по табли-цам допусков и вносим их в графу [5] табл.1.
В графу [6] записываем размер звена с отклонениями, в графу [7] – середину поля допуска, [8] и [9] соответственно – верхнее и нижнее отклонения.
Табл.1
|
Исходные данные |
Категория звена: увеличив. уменьш. |
Единица допуска |
Категория звена: вал, отверстие, уступ. |
Допуск звена (по ГОСТ 25347-82), мм |
Размер звена с отклоне-ниями, мм |
Середина поля допуска, мм |
Верхнее откло-нение, мм |
Нижнее откло-нение, мм |
|
1 |
2 |
3 |
4 |
5 |
6 |
7 |
8 |
9 |
|
А>1>=26 |
Умен. |
1,31 |
Уступ |
0,021 |
260,0105 |
0 |
+0,0105 |
-0,0105 |
|
А>2>=2 >–0,1> |
Увел. |
– |
Вал |
0,1 |
2 >-0,1> |
-0,05 |
0 |
-0,1 |
|
А>3>=489 |
Увел. |
3,89 |
Вал |
0,063 |
489 >-0,063> |
-0,0315 |
0 |
-0,063 |
|
А>4>=2 >–0,1> |
Увел. |
– |
Вал |
0,1 |
2 >-0,1> |
-0,05 |
0 |
-0,1 |
|
А>5>=26 |
Умен. |
1,31 |
Уступ |
0,021 |
260,0105 |
0 |
+0,0105 |
-0,0105 |
|
А>6>=36>-0,12> |
Умен. |
– |
Вал |
0,12 |
36 >-0,12> |
-0,06 |
0 |
-0,12 |
|
А>7>=15 |
Умен. |
1,08 |
Вал |
0,018 |
15 >-0,018> |
-0,009 |
0 |
-0,018 |
|
А>8>=53 |
Умен. |
1,86 |
Вал |
0,030 |
53 >-0,030> |
-0,015 |
0 |
-0,030 |
|
А>9>=32 |
Умен. |
1,56 |
Вал |
0,025 |
32 >-0,025> |
-0,0125 |
0 |
-0,025 |
|
А>10>=50 |
Умен. |
1,56 |
Вал |
0,025 |
50 >-0,025> |
-0,0125 |
0 |
-0,025 |
|
А>11>=50 |
Умен. |
1,56 |
Вал |
0,025 |
50 >-0,025> |
-0,0125 |
0 |
-0,025 |
|
А>12>=71 |
Умен. |
1,86 |
Вал |
0,030 |
71 >-0,030> |
-0,015 |
0 |
-0,030 |
|
А>13>=100 |
Умен. |
2,17 |
Вал |
0,035 |
100 >-0,035> |
-0,0175 |
0 |
-0,035 |
|
А>14>=34>-0,12> |
Умен. |
– |
Вал |
0,12 |
34 >-0,12> |
-0,06 |
0 |
-0,12 |
|
А>>= |
Умен. |
– |
– |
0,8 |
|
+0,7 |
+1,1 |
+0,3 |
|
А>РЕГ>=50 |
Умен. |
1,56 |
Вал |
0,092 |
|
-0,63 |
-0,584 |
-0,676 |
6. Предварительная проверка решения.
Проверим зависимость замыкающего звена от составляющих:


7. Назначение регулирующего звена.
По
предварительной проверке
хотя
при методе максимума-минимума,
обеспечивающем полную взаимозаменяемость,
должна была получиться максимальная
величина допуска
.
Причиной разницы заданной и расчетной
величин ТАд является отличие
среднего расчетного числа единиц допуска
(a>m>
=19,72)
и стандартного числа единиц допуска
для выбранного квалитета (a>m>
=16).
Для компенсации разницы в расчетном и табличном числе единиц допуска при расчете размерных цепей вводится регулирующее звено. В качестве регулирующего звена целесообразно использовать наиболее легко выполнимое звено, мы выбираем звено А>3>.
8. Определение допусков и предельных отклонений регулирующего эвена.
Допуск регулирующего звена можно определить из зависимости (2), если представить ее в виде:

Отсюда:


Для
определения положения поля допуска
регулирующего звена определим координату
середины поля допуска этого звена
по
зависимости:

где
- координата середины поля допуска
замыкающего звена;
и
координаты середины поля допуска
увеличивающих и уменьшающих звеньев
размерной цепи;
n - число увеличивающих звеньев размерной цепи;
Р - число уменьшающих звеньев размерной цепи.
Из зависимости (2) для регулирующего звена, назначенного из числа уменьшающих звеньев:


9. Определяем верхнее и нижнее предельные отклонения
регулирующего звена:


10. Решение проверочной (обратной) задачи
Решение обратной задачи начинается с проверки правильности назначения допусков по зависимости:



Равенство выдерживается. Допуски назначены правильно. Для расчета предельных отклонений используем зависимости:
Для верхнего предельного отклонения замыкающего эвена:

где:
-
верхнее отклонение замыкающего эвена;
-
верхние
отклонения увеличивающих звеньев
размерной цепи;
>
>-
нижние отклонения уменьшающих звеньев
размерной цепи.

Равенство соблюдается.
Для нижнего предельного отклонения замыкающего ввена:


Равенство соблюдается.
Расчет размерной цепи полностью завершен.

