Высокомоментные двигатели
5
ВВЕДЕНИЕ
Электрические моментные двигатели постоянного тока широко используются в качестве исполнительных элементов в современных системах автоматики, телемеханики, измерительной техники.
Теория, разработка и применение этих двигателей в последние годы получили значительное развитие.
Разработчики различных систем управления при выборе исполнительного двигателя сталкиваются с рядом задач. Это –определение целесообразности применения моментных двигателей, которые наряду с крупными достоинствами нередко имеют значительно большие энергопотребление и массу, чем быстроходные двигатели с редуктором. Кроме того, это выбор структуры и значений параметров системы управления при условии сравнительно большой электромеханической постоянной времени. При проектировании моментных двигателей для конкретной системы необходимо выбирать технические данные на его разработку по известным характеристикам нагрузки и входного воздействия, а также, исходя из требований к системе, выбирать конструкцию двигателя, выполнять необходимые расчеты.
Целью настоящего проекта является разработка универсального лабораторного стенда для исследования высокомоментного двигателя.
1 ОСНОВНЫЕ ПОЛОЖЕНИЯ
Моментным двигателем (МД) называется электромеханический преобразователь, на вход которого подается электрический сигнал постоянного или переменного тока, а выходом является электромагнитный момент, при котором в рабочем режиме ротор либо неподвижен, либо вращается с весьма малой скоростью.

Рисунок 1
Область применения МД
В коррекционных устройствах гидросистем (для компенсации возмущающих моментов, вызывающих прецессию оси гироскопа).
В стабилизирующих устройствах (система управления положением разных более крупных объектов: антенна, прицел и т.п.).
В устройствах силовой компенсации (в системах с отрицательными о.с.).
Используются в качестве электрических пружин.
Используют в качестве натяжных устройств, чтобы регулировать или сохранять неизменной силу натяжения провода, ленты, цепи и т.п.
В качестве поворотных электромагнитов управляющих заслонками, клапанами, тормозными устройствами и т.п.
В тиристорных, транзисторных электроприводах (далее ЭП) и в приводах подач металлорежущих станков.
Основные требования к МДПМ
Заданный диапазон углов поворота ротора1.
Заданная зависимость момента от положения ротора1.
Заданная зависимость момента от сигнала, подаваемого в ОУ. В большинстве случаев эта зависимость линейная.
Отношение
,
что особенно важно при маломощных
источниках питания. С увеличением M>эм>
и размеров МДПМ потребляемая мощность
на единицу момента обычно уменьшается.
При отсутствии тока в ОУ, остаточный момент должен быть весьма мал (вообще отсутствовать).
T>эм>, T>э> должны быть как можно меньше. Большие постоянные времени снижают быстродействие и могут привести к неустойчивости следящей системы.
Чувствительность, определяемая наименьшей мощностью сигнала, на которую система начинает реагировать, должна быть высокой.
Масса и габариты min.
Устойчивость по отношению к внешним воздействиям (температура, вибрация, удары, давление, влажность, ускорение, радиация и т.п.).
Достоинства высокомоментного двигателя
Благодаря отсутствию обмотки возбуждения (ОВ) и потерь в этих обмотках машины с постоянными магнитами имеют по сравнению с машинами электромагнитного возбуждения более высокий КПД, облегченные условия охлаждения.
Малые габариты и масса.
Более стабильное возбуждение (поток постоянных магнитов не зависит ни от частоты вращения ни от напряжения ни от температуры).
Простота конструктивного исполнения, когда магнитная система представляет собой намагниченное определенным образом кольцо из магнитотвердого материала.
Наличие постоянных магнитов (ПМ) обеспечивает высокие значения углового ускорения в переходных режимах работы.
Наличие ПМ обеспечивает равномерный ход при малых частотах вращения.
Наличие ПМ обеспечивает способность выдерживать большую перегрузку по току без размагничивания магнитной системы.
Недостатки высокомоментного двигателя
Напряжение генераторов и частоту вращения двигателей невозможно регулировать изменением поля возбуждения.
При мощности более десятков ватт они уступают по габаритным размерам, массе и стоимости машинам электромагнитного возбуждения.
Материалы, входящие в состав сплавов для ПМ дефицитны.
Технология изготовления и намагничивания ПМ отличается большой сложностью.
Существенное размагничивающее действие МДС якоря.
Запрещается в МДПМ вытаскивать ротор без замены его на какое-нибудь металлическое тело таких же размеров.
1.5 Конструктивные разновидности высокомоментного двиателя
Следует отметить, что у некоторых МД с неограниченным углом поворота ротора частота вращения в установившемся режиме может оказаться довольно значительной (в таких случаях нельзя провести четкую грань между МД и тихоходным двигателем). Однако если этот МД используется в следящей системе, и он, работая в режиме частых пусков и реверсов, в основном вращается с малой частотой; следовательно, и в этом случае также можно считать, что энергия, подводимая из сети, почти полностью выделяется в виде тепла в обмотках. МД постоянного тока широко применяются в качестве исполнительных элементов в современных системах автоматики, телемеханики, измерительной техники. Эти двигатели используются в гироскопах и акселерометрах, в приводах антенн, телескопов, фотоаппаратов, солнечных и звездных датчиков, роботов и манипуляторов; в автоматических построителях графиков; в качестве силовых компенсаторов в измерительных системах; в качестве элементов электрогидравлических и электропневматических приводов; в качестве электрических пружин поворотных электромагнитов и т. д. .
Если МД работает в режиме слежения, то его роль аналогична роли быстроходного исполнительного двигателя в сочетании с редуктором. Однако МД, нередко обладая большими, чем у редукторного привода, энергопотреблением, массой и электромеханической постоянной времени, имеет по сравнению с редукторным приводом весьма существенные преимущества. К ним относятся высокая разрешающая способность МД вследствие отсутствия неизбежных в редукторе МД постоянного тока широко применяются в качестве исполнительных элементов в современных системах автоматики, телемеханики, измерительной техники. Эти двигатели используются в гироскопах и акселерометрах, в приводах антенн, телескопов, фотоаппаратов, солнечных и звездных датчиков, роботов и манипуляторов; в автоматических построителях графиков; в качестве силовых компенсаторов в измерительных системах; в качестве элементов электрогидравлических и электропневматических приводов; в качестве электрических пружин поворотных электромагнитов и т. д. .
Если МД работает в режиме слежения, то его роль аналогична роли быстроходного исполнительного двигателя в сочетании с редуктором. Однако МД, нередко обладая большими, чем у редукторного привода, энергопотреблением, массой и электромеханической постоянной времени, имеет по сравнению с редукторным приводом весьма существенные преимущества. К ним относятся высокая разрешающая способность МД вследствие отсутствия неизбежных в редукторе люфтов и трений, стабильность механических свойств при изменении условии окружающей среды, высокая резонансная частота, возможность установки на одном валу и в общем корпусе с исполнительным механизмом, простота конструкции, более высокая надежность.
МД выпускаются на моменты от нескольких десятитысячных до нескольких тысяч ньютон-метров при потребляемой мощности от долей ватт до десятков киловатт, массе до сотен килограммов, длине до 0,3 м и выше и диаметре до 1,2 м.
Качество МД тем выше, чем больше отношения момента, развиваемого МД, к объему, массе, потребляемой мощности, мощности управления, чем меньше электромагнитная и электромеханическая постоянные времени, а также чем меньше остаточный момент (момент трогания) при нулевом сигнале, возникающий в МД вследствие трения, гистерезиса, неравномерности воздушного зазора, неоднородности магнитных материалов и несбалансированности ротора.
МД могут классифицироваться по их назначению, принципу действия, роду тока, а также по конструктивному выполнению: одноименнополюсные или разноименнополюсные, с радиальным воздушным зазором или торцевые, с неподвижной (барабанной, кольцевой) или подвижной обмоткой, с зубцовопазовой зоной или беспазовые (с гладким якорем), коллекторные или вентильные, с ограниченным или неограниченным углом поворота и т. д. .
Ниже приведены классификация МД в зависимости от их назначения и краткие сведения об областях их применения.
В гироскопах, акселерометрах и в других устройствах широко применяются коррекционные МД. В указанных устройствах, находящихся, например, на борту летательного аппарата (ЛА), ось ротора гироскопа под влиянием механических сопротивлений, изменения в процессе полета географических координат положения летательного аппарата и из-за вращения Земли может изменить свое положение относительно заданного. Задача коррекционного МД заключается в том, чтобы компенсировать соответствующие моменты, вызывая прецессию оси гироскопа, или создать прецессию оси, обеспечивающую неизменность положения оси гироскопа относительно неподвижной системы координат. Момент коррекционных МД невелик и обычно составляет от нескольких десятитысячных до нескольких тысячных, а иногда до нескольких сотых ньютон-метра. Для уменьшения компонента остаточного момента, вызванного гистерезисом, коррекционные МД постоянного тока с электромагнитным возбуждением в некоторых гироскопических системах снабжаются размагничивающими обмотками переменного тока.
В многочисленных системах управления положением различных более крупных объектов (антенны, телескопа, фотоаппарата, солнечного или звездного датчика, роботов, манипуляторов и т. д.) применяются стабилизирующие МД, развивающие значительно большие моменты. При отклонении объекта от заданного положения МД создает момент, воздействующий на какую-либо ось или платформу н возвращающий объект в нужное положение. Иногда такие МД одновременно выполняют функции поворотных элементов при переводе объекта из одного углового положения в другое.
Нередко МД используются в качестве силовых компенсаторов в измерительных системах с отрицательной обратной связью. Так, в некоторых манометрах изменение положения мембраны под влиянием повышения или понижения контролируемого давления преобразуется в электрический сигнал, который после усиления подается в обмотку управления (ОУ). При этом в МД возникает момент, удерживающий мембрану в нейтральном положении. По величине тока подаваемого в ОУ, можно судить о значении контролируемого давления.
В некоторых системах измерения и автоматики МД используются в качестве электрических пружин, заменяя собой механические. Нередко МД применяются в качестве натяжных устройств, позволяющих регулировать или сохранять неизменной силу натяжения ленты, пленки и т. д. Некоторые МД используются в автоматических построителях графиков.
МД широко применяются в различных пневмо- и гидросистемах, где oни обычно работают в пропорциональном режиме (на ротор МД помимо электромагнитной силы влияет противодействующая сила, создаваемая механической пружиной или электромагнитным способом, так что каждому значению сигнала, подаваемого в ОУ, соответствует определенное положение ротора).
Нередко МД используются в качестве поворотных (или линейных) электромагнитов, управляющих различными кранами, защелками и т. д. При подаче сигнала в ОУ такие МД обычно осуществляют перемещения, строго зафиксированные по значению.
Наконец, к МД относятся электромеханические узлы многих измерительных, оптических и других приборов, у которых момент, развиваемый двигателем, уравновешивается механической пружиной, а выходом прибора является угол поворота, зависящий от сигнала, подаваемого в ОУ.
В зависимости от принципа действия МД могут выполняться как момент двигатели с постоянными магнитами (магнитоэлектрические), как реактивные (с электромагнитным или комбинированным возбуждением) и как электродинамические. Принцип работы моментного двигателя с постоянными магнитами (МДПМ) основан на взаимодействии между током в ОУ и полем постоянного магнита (ПМ). Существенным достоинством МДПМ является сравнительно малое потребление мощности на единицу момента, так как основной магнитный поток этого двигателя обеспечивается с помощью ПМ. Зависимость электромагнитного момента МДПМ от сигнала, подаваемого в ОУ, близка к линейной. Обмотка управления МДПМ питается постоянным током; при изменении полярности питающего напряжения меняется знак момента. МДПМ без магнитно-мягких полюсных наконечников постоянных магнитов обладает малой электромагнитной постоянной времени, так как поток ОУ должен проходить через зоны большого магнитного сопротивления; в целях уменьшения электромагнитной постоянной времени (а также зубцовой пульсации момента) используют гладкий статор с беспазовой активной зоной. К недостаткам МДПМ следует отнести некоторую сложность конструкции.
Электромагнитный МД имеет явнополюсный ротор, выполненный из магнитно-мягкого материала, и по принципу действия является реактивным. При подаче тока в ОУ такого электродвигателя ротор начинает поворачиваться в сторону максимальной проводимости магнитному потоку. Принцип действия электромагнитного МД налагает ограничения на значение углового смещения ротора относительно статора, хотя при соответствующем конструктивном исполнении оно может достигать 150 градусов. Потребление мощности на единицу момента такого МД обычно больше, чем у МДПМ (за исключением электромагнитов с весьма малым углом поворота ротора). Конструктивно электромагнитный МД достаточно прост, однако обеспечить линейную зависимость его момента от сигнала, подаваемого в ОУ, невозможно. Нельзя осуществить и строгое постоянство момента по углу поворота ротора. Индуктивность ОУ велика, вследствие чего велика и электромагнитная постоянная времени. Знак момента не зависит от направления тока в ОУ, поэтому МД нередко нуждается в возвратной пружине или в сдвоенной конструкции. Питание ОУ может выполняться как постоянным, так н переменным током.
У поляризованного МД поток в зонах взаимодействия статора и ротора создается совместно с ПМ и ОУ. Явнополюсный ротор выполняется магнитно-мягким или же содержит ПМ. В одних воздушных зазорах моментных двигателей МДС ПМ и ОУ, а следовательно, и соответствующие индукции направлены согласно, а в других—встречно; в результате возникает реактивный вращающий момент, направленный в сторону уменьшения магнитного сопротивления тех воздушных зазоров, в которых индукции складываются. Питание ОУ осуществляется постоянным током: для реверсирования МД надо изменить направление тока в ОУ. Диапазон углов поворота ротора обычно составляет несколько градусов. При небольших отклонениях ротора от среднего положения момент пропорционален току ОУ и мало зависит от угла поворота ротора. Так как основная доля в суммарном потоке такого МД приходится на поток постоянного магнита, потребляемая мощность на единицу момента, а также электромагнитная постоянная времени значительно меньше, чем у электромагнитного МД.
Принцип действия электродинамических МД основан на взаимодействии двух обмоток с током, при этом если хотя бы одна из обмоток размещена на сердечнике из магнитно-мягкого материала, то МД называют ферродинамическими. Эти МД отличаются сравнительно большим потреблением мощности на единицу момента. Обмотки таких МД могут питаться как постоянным, так и переменным током. Зависимость момента от тока ОУ линейна. Для изменения знака момента МД, питаемого постоянным током, надо изменить полярность напряжения, подаваемого на ОУ, а момента МД, питаемого переменным током, — фазу этого напряжения.
Наибольшее распространение среди МД постоянного тока получили МДПМ.
МДПМ с ограниченным углом поворота ротора характеризуется тем, что ось МДС обмотки управления при различных положениях ротора меняет свое положение по отношению к оси ПМ.
Конструктивно МДПМ могут выполняться как нормального (ОУ размещается под индуктором), так и обращенного исполнения, при этом ОУ может находиться как на роторе, так и на статоре. Зависимость электромагнитного момента от сигнала, подаваемого в ОУ, достаточно близка к линейной. За счет полюсных наконечников или геометрии воздушного зазора можно в случае необходимости получить требуемую закономерность изменения момента по углу поворота ротора. В частности, можно добиться практической независимости момента от положения ротора при данном сигнале в ОУ. При разнополярном симметричном потоке в воздушном зазоре в МДПМ с р парами полюсов и условии независимости момента от положения ротора диапазон углов поворота ротора не может превышать 360°/2p (практически при р=1 не более 120— 130 градусов). При однополярном потоке соответствующий диапазон углов может достигать 260—270 градусов. Если угол поворота ротора не превышает нескольких градусов, то МДПМ может быть выполнен по типу обычного двигателя постоянного тока, но с питанием якорной обмотки через гибкие токопроводы.
МДПМ с неограниченным углом поворота ротора характеризуется тем, что ось МДС обмотки управления при различных положениях ротора сохраняет
почти неизменное положение по отношению к оси ПМ за счет коммутации токов в секциях ОУ. Момент линейно зависит от сигнала в ОУ и почти не зависит от положения ротора.
Примером МДПМ с неограниченным углом поворота ротора может служить многополюсная магнитоэлектрическая коллекторная машина с обмоткой якоря волнового типа. Недостатки коллекторных электродвигателей, которые, как правило, связывают с малой надежностью щеточно-коллекторного узла и радиопомехами, вызываемыми искрением из-под щеток при коммутации секций, в отношении коллекторных МДПМ, работающих в заторможенном режиме, не так явно выражены. Применение волновой обмотки позволяет установить любое (вплоть до р) число пар щеток, что обеспечивает достаточно высокую надежность МД даже при значительных вибрациях и тряске. Естественная многофазность коллекторных МДПМ делает их самыми точными (с точки зрения угловой стабильности момента) среди моментных приводов на постоянном токе.
В тех случаях, когда по условиям эксплуатации применение коллекторных МДПМ недопустимо, находят широкое применение вентильные МД, секции которых подключаются к сети с помощью полупроводниковых ключей (вентилей). Указанные электродвигатели имеют, как правило, обращенное исполнение с размещснием индуктора на роторе. Коммутация токов в секциях ОУ вентильных МДПМ может осуществляться как дискретно, так и непрерывно. Дискретная МДПМ может осуществляться как дискретно, так и непрерывно. Дискретная коммутация осуществляется с помощью датчиков положения ротора (датчиков Холла, трансформаторных, индукционных и др.), управляющих полупроводниковыми ключами, которые подключают к сети постоянного тока трех- или четырехфазную статорную обмотку. Однако у таких МД имеют место значительные пульсации момента по углу поворота ротора (достигающие 10—15 %), вызываемые как коммутационными процессами при переключении фаз, так и дискретными ми поворотами МДС статора. При увеличении количества тактов за один оборот ротора пульсации момента уменьшаются, однако возрастает число датчиков положения или усложняется схема. Непрерывная коммутация осуществляется с помощью синусно-косинусных вращающихся трансформаторов (СКВТ), управляющих токами ОУ МДПМ через фазочувствительные усилители-преобразователи (ФЧУП). В некоторых случаях для непрерывной коммутации используются датчики Холла или емкостные датчики.
Ротором МДПМ с ограниченным или неограниченным углом поворота может быть сама ОУ, размещенная на каркасе из немагнитного материала; в этом случае электромеханическая, а также электромагнитная постоянные времени МДПМ весьма малы, а момент, обусловленный гистерезисом или неравномерностью воздушного зазора, отсутствует. При этом в связи с большим воздушным зазором уменьшается индукция в зазоре и возрастает поток рассеяния.
1.6 Математическое описание ВМД в электромеханических системах
1.7 Принцип действия ВМД
Источником поля возбуждения в ВМД ПТ (МДПМ) является постоянный магнит. На обмотку статора (ротора) подводят постоянное напряжение.
Ток, протекающий в обмотке двигателя, взаимодействуя с магнитным полем постоянного магнита, создает вращающий момент. Когда M>э>>M>с> двигатель начнет вращаться.
1.8 НАГРЕВ ДПТ.
При работе двигателя из-за потерь повышается его внутренняя температура. После запуска ЭД и приложения к нему постоянной нагрузки его температура возрастает по закону, близкому к экспоненциальному и достигает установившегося значения, как это показано на рисунке 1.8.1 .
Время, за которое температура достигает 63 процента от своего максимального значения называется тепловой постоянной времени.
Превышение температуры Т определяется разностью между Т>дв> и Т>охл.ср.>:


Рисунок 1.8.1 - График роста температуры во время работы электродвигателя.
При значительном увеличении температуры ЭД происходит ускоренное старение его изоляции, а также могут выйти из строя подшипники и коллектор. Предельное Т определяется классом изоляции двигателя согласно таблице 1.8.1 .
Свойства изоляции ухудшаются по трем основным причинам:
– За счет нагрева.
Связь между температурой и сроком службы изолятора апроксимируется следующими выражениями:
,
где L – срок службы, лет;
Q – температура изоляции, С
а,m – константы, зависящие от материала.
– За счет нагрева.
Коэффициент поверхностного сопротивления уменьшается, а утечка тока увеличивается, когда поверхность электроизоляционного материала впитывает воду. При впитывании воды диэлектриком, уменьшается коэффициент его объемного сопротивления, а потери увеличиваются. Высокая влажность вызывает также химическую деформацию материала из-за растяжения, разбухания и роста плесени, что в свою очередь, способствует дальнейшему ухудшению свойств изоляции.
Таблица 1.8.1 – Классы изоляции
|
Класс изоляции |
Т,С |
Предельно допустимая температура, С |
Материал изоляции |
|
A |
50-60 |
105 |
Хлопок, шелк, бумага, поливинил |
|
E |
65-75 |
120 |
Эмалевая или полистирольная пленка |
|
B |
70-80 |
130 |
Слюда, стекловолокно с соответствующим клеем |
|
F |
85-100 |
155 |
Стекловолокно и др. с температурно-резистивным клеем |
|
H |
105-125 |
180 |
Стекловолокно и др. с кремниевой смолой или с хорошо клеящимся материалом |
|
C |
- |
свыше 180 |
Керамические материалы |
– За счет циклического охлаждения и нагрева.
При циклическом нагреве и охлаждении свойства изоляции ухудшаются гораздо быстрее за счет механических напряжений от растяжения и сжатия, а также от нагрева.
Повышение температуры работающего двигателя продолжается до тех пор, пока выделяемое тепло не станет равным рассеиваему теплу.
Обозначим переменные:
Q – тепло, выделяемое двигателем;
С – средняя мощность двигателя;
Н – коэффициент теплового рассеивания;
Т – превышение температуры;
t – время с момента пуска ЭД.
Уравнение теплового баланса:
(1.8.1),
где Qdt – количество тепла, выделяемого двигателем за dt,
CdТ – количество тепла на нагрев двигателя,
HТdt – количество тепла, рассеиваемого в охлаждающую среду.
Решением уравнения (1.8.1) является:
(1.8.2).
Постоянная интегрирования A определяется из начальных условий:

Тогда уравнение (1.8.2) за время t
или 

1.9 Регулирование скорости
1.9.1 Реостатное регулирование скорости.
(1.9.1.1),
(1.9.1.2).

Рисунок 1.9.1.1
(1.9.1.3),
(1.9.1.4),
(1.9.1.5).





Рисунок 1.9.1.2
Подставим (1.9.1.5) в (1.9.1.3):
.
Отсюда:
(1.9.1.6).
Подставим (1.9.1.2) и (1.9.1.6) в (1.9.1.4):
.
Выразим скорость
(1.9.1.7),
(1.9.1.8).

Рисунок 1.9.1.3 - Механические характеристики
Изображенные на рисунке 1.9.1.3 величины >oe >и >oи> равны соответственно
,
.
Способ используют, где надо снизить скорость, но сохранить жесткость на искусственных характеристиках.

Рисунок 1.9.1.4 – Искусственные механические характеристики
1.9.2 Импульсное реостатное регулирование скорости.

Рисунок 1.9.2.1

Рисунок 1.9.2.2 - Механические характеристики

Рисунок 1.9.2.3
- скважность управляющих импульсов:
.
Соответственно может принимать значения 0...1.
,
где
.
Для осуществления способа используют транзисторные или тиристорные ключи.
1.9.3 Регулирование скорости изменением U>a >.

Рисунок 1.9.3.1 - Механические характеристики
Скорость
,
Причем
и
.
1.9.4 Регулирование скорости путем изменения потока возбуждения.
В связи с тем, что поле возбуждения создается постоянным магнитом, регулирование скорости путем уменьшения потока Ф неосуществимо.
1.10 Расчет потерь энергии.
Потери энергии в установившемся режиме определяются
.
Потери энергии во время переходных процессов определяются
.
1.10.1 Пуск двигателя.

Рисунок 1.10.1.1
При M>c>=0.
Значение динамического момента
.
,
.

Рисунок 1.10.1.2
При M>c>=const.
;
.


F>П>

Если М>с> – мал, то

1.10.2 Динамическое торможение.
М>с>=0 .


M>c>=const.


2 ВЫБОР ВМД И ТАХОГЕНЕРАТОРА ДЛЯ ЛАБОРАТОРНОГО СТЕНДА. РАЗРАБОТКА ИМПУЛЬСНОГО ИСТОЧНИКА ПИТАНИЯ. ВЫБОР ПРИБОРОВ И УСТРОЙСТВ ИЗМЕРЕНИЯ И КОНТРОЛЯ
2.1 Выбор вмд и тахогенератора для лабораторного стенда
В зависимости от поставленной цели (задачи) определяем необходимую мощность, величину момента, который развивает двигатель и доступные к использованию источники питания, а также конструктивное исполнение высокомоментного двигателя, отвечающего требованиям данной задачи. Исходя из указанных параметров, а также учитывая располагаемое разработчиками оборудование, был выбран коллекторный моментный двигатель с неограниченным углом поворота ротора серии PIVT 6/3A.
Поскольку в данной лабораторной работе предусмотрен рпыт снятия механических характеристик, то необходим тахогенератор. Достоинством выбранной машины является то, что ее конструкция содержит тахогенератор в одном корпусе с двигателем.
2.2 Требуется рассчитать основные параметры широтно-импульсного модулятора, нагрузкой которого является цепь якоря двигателя постоянного тока. Номинальное напряжение якорной цепи двигателя 30 вольт.
Широтно-импульсный преобразователь предназначен для преобразования входного сигнала в прямоугольные импульсы. Схема ШИПа представлена в приложении.
На вход генератора пилообразного напряжения (далее ГПН), изображенного в приложении 3, подается напряжение минус 15 вольт. В основе ГПН лежит компаратор. При подаче сигнала емкость С9 начинает заряжаться и на выходе компаратора DA5 формируется линейно нарастающий сигнал. В начальный момент времени транзистор VT9 заперт. Далее этот нарастающий сигнал поступает на вход компаратора DA6, где он сравнивается с напряжением задания (оно задается R36). В момент совпадения напряжений, на выходе компаратора DA6 появится импульс отрицательной полярности, который ограничивается стабилитронами VS1 и VS2. Этот импульс подается на базу транзистора VT12, который в начальный момент времени был открыт. Транзистор VT12 при поступлении сигнала закроется. Вследствие этого база транзистора VT9 окажется подключенной к источнику плюс 15 вольт. Транзистор VT9 откроется и емкость С9 окажется зашунтированной через VT9. В результате ГПН перестанет вырабатывать линейно нарастающий сигнал. Компаратор DA6 поменяет сигнал на выходе и откроется транзистор VT12. Транзистор VT9 снова окажется закрытым и ГПН опять начнет вырабатывать «пилу». Далее процесс повторяется.
Пилообразное напряжение с ГПН подается на компаратор DA7, где оно сравнивается с напряжением управления (скважность) и на выходе компаратора DA7 формируется сигнал положительной и отрицательной полярности. Эти разнополярные сигналы будут отпирать транзисторы VT10 и VT11. В результате напряжения плюс и минус 15 вольт подаются на светодиоды гальванической развязки, основанной на оптоэлектронной интегральной микросхеме. С фотоприемника этот сигнал поступает на составной транзистор (схема Уилтона) VT18, VT22; VT21, VT17; VT23, VT19; VT24, VT20, где он усиливается и подается на базы транзисторов VT13, VT16 и VT15, VT14. Транзисторы VT13, VT16 и VT14, VT15 открываются попарно, подключая цепь якоря двигателя к источнику питания. С помощью изменения скважности сигнала (это делается переменным резистором R32) можно регулировать продолжительность по времени положительных и отрицательных импульсов.
2.3 Выбор элементов ШИПа
В качестве операционных усилителей DA6 и DA7 возьмем микросхему К157УД2. Операционный усилитель DA7 возьмем типа К140УД7.
Гальваническая развязка в силовой части осуществляется с помощью оптоэлектрических интегральных микросхем типа К262КП1Б (оптронный повторитель). Транзисторы в силовой цепи VT13VT16 выбираем типа КТ503В с данными:
I>к>> max >>и>=350mA,
h>21>>э>=40…120,
U>кэ>> max>=40В,
n-p-n – типа.
Выбираем диоды типа Д7А а данными:
I>max>=300mA,
U>обр>> max>=50В.
Все нерегулируемые резисторы типа МЛТ, регулируемые резисторы типа СПО-2.Конденсаторы типа К10У-5.
2.4 Выбор приборов и устройств измерения и контроля
В лабораторном стенде для снятия необходимых характеристик требуется наличие приборов измерения и контроля:
амперметр на два предела измерения (1,5 и 15 ампер);
вольтметр с пределом измерения 30 вольт;
индикатор скорости на 3000 оборотов в минуту.
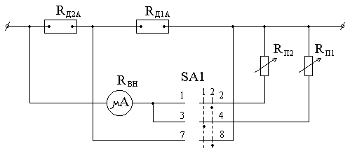
2.4.1 Для изготовления амперметра двух пределов измерения, берем за основу измерительную головку микроамперметра. Включая добавочные сопротивления, как это показано на рисунке 2.4.1, получаем необходимое измерительное устройство.

Рисунок 2.4.1
Расчет добавочных сопротивлений производится по формуле
(2.4.1)
где R>Д> – величина добавочного сопротивления;
В – требуемый предел измерения;
Д – число делений микроамперметра;
R>ВН> – внутреннее сопротивление прибора.
Рассчет предела на 15 ампер

Данное сопротивление изготовлено из манганиновой проволоки.
Рассчет предела на 1,5 ампера

Это сопротивление изготовлено из хромалевой проволоки.
Для обеспечения точности показаний, в схему включены подстроечные переменные резисторы, как это показано на рисунке 2.4.1 .
2.4.2 Вольтметр и измеритель скорости были изготовлены на базе измерительной головки микроамперметра, аналогично тому, что применен для изготовления амперметра.
Включая добавочные сопротивления, как это показано на рисунке 2.4.2, получили необходимые измерительные устройства.

Рисунок 2.4.2
Расчет добавочных сопротивлений производится по формуле 2.4.1


Эти сопротивления набраны из резисторов типа ОМЛТ, укаанных в приложении 1.
Для обеспечения точности показаний, в схему включены подстроечные переменные резисторы, как это показано на рисунке 2.4.2 .
2.4.3 Величина момента, развиваемого двигателем, фиксируется с помощью проградуированной шкалы и стрелки.
3 РАЗРАБОТКА И ИЗГОТОВЛЕНИЕ ПЕЧАТНОЙ ПЛАТЫ ШИРОТНО-ИМПУЛЬСНОГО ПРЕОБРАЗОВАТЕЛЯ
Под изготовлением печатной платы подразумевается ряд действий, посредством которых, при наличии электрической принципиальной схемы необходимого устройства (или его части), выбранных элементах схемы и известных источниках питания, получаем печатную плату этого устройства (или его части), работающая в соответствии с расчетными параметрами. Изготовление печатной платы было произведено в соответствии со следующим планом.
Разработка схем электрических принципиальных.
Трассировка плат (прокладка электропроводящих дорожек, соединяющих навесные элементы платы).
Для трассировки был использован автоматический трассировщик печатных плат PCAD 8.51. Разработанную схему набираем в редакторе схем программы PCAD 8.51 с указанием заранее рассчитанных типов и номиналов навесных элементов и подводимого питания. Результатом работы автотрассировщика являются чертежи лицевых и обратных сторон двухсторонних печатных плат с произведенной разводкой дорожек.
Подготовка подложки плат.
В соответствии с размерами будущих печатных плат (выясняется по чертежам, полученным автотрассировщиком), изготовляются заготовки из текстолита фольгированного двухстороннего. Эти заготовки тщательно обрабатываются мелкой наждачной бумагой. При этом преследуются две цели. Во-первых, необходимо снять окислы с медной фольги, покрывающей стеклотекстолит и во-вторых это делается для того, чтобы нанести микроцарапины на поверхность этой фольги. Зачем это нужно, будет понятно из дальнейшего описания.
Следующим шагом является изготовление штампов, по которым будут изготовлены платы.
Данная технология подразумевает использование одноразовых бумажных штампов. Они изготавливаются следующим образом. Готовые чертежи плат с произведенной разводкой печатаются лазерным принтером на плотной глянцевой бумаге, имеющей некоторую прозрачность (для возможности совмещения лицевых и обратных сторон). При этом необходимо учесть, что лицевые стороны должны быть распечатаны в зеркальном отображении. Распечатка должна производиться именно на лазерном принтере. У такого типа принтеров используется тонер, который имеет свойства размягчаться при высокой температуре. При падении температуры он спекается и в таком состоянии может долго сопротивляться агрессивным средам. Эти его свойства используются в данной технологии изготовления печатных плат. Затем распечатки тщательно совмещают на просвет и скрепляют с двух-трех сторон.
Подготовка заготовки для травления.
Помещаем в скрепленные штампы стеклотекстолитовую заготовку платы, протертую медицинским спиртом, и проводим термическую обработку полученного пакета. Это делается для того, чтобы тонер на штампах размягчился и перешел на поверхность медной фольги, покрывающей стеклотекстолит. Такую обработку удобно производить утюгом, положив пакет на гладкую поверхность. При этом бумага плотно склеивается с фольгой спекшимся тонером. Этот пакет кладут в воду на 20-30 минут. По прошествии этого времени бумага размякает и свободно отстает от фольги, оставив на ней четкий рисунок дорожек, контактных площадок и надписей будущих плат.
Травление.
Травление это удаление лишней фольги с заготовки химическим способом. При этом используется реакция замещения
FeCl>3>+CuCuСl>3>+Fe
Продукты химической реакции осадком выпадают на дно ванны, в которой производится травление и в результате мы имеем плату, на которой медная фольга осталась только на тех участках, где она покрыта тонером лазерного принтера. Этот тонер смывается растворителем и мы получаем готовую печатную плату.
МЕХАНИЧЕСКАЯ ЧАСТЬ СТЕНДА
Механическая часть стенда представлена в приложении 1.
Исследуемый двигатель 17 типа PIVT 6 – 25 / 3 A . Нагрузочный генератор 7 типа СЛ 525.
Электрические машины закреплены на корпусе лабораторного стенда с помощью стоек 4,12,17,19. При этом нагрузочный генератор установлен на стойках таким образом, что его статор может свободно поворачиваться. Это достигнуто следующим образом: к корпусу нагрузочного генератора крепятся фланцы 2,9. На фланцы надеты подшипники 6,10. В свою очередь на подшипники надеты крышки 5,11 , которые крепятся к стойкам.
Испытуемый двигатель и нагрузочный генератор соединены между собой с помощью двух полумуфт 13,15. Полумуфты разъединены между собой резиновой прокладкой 14.
Статор и ротор нагрузочного генератора могут фиксироваться между собой с помощью винта.
В качестве противовеса при измерениях момента использован груз 19 , прикрепленный к корпусу нагрузочного генератора с помощью хомута 8.
Величина момента фиксируется проградуированной шкалой 3 и стрелкой 1 , закрепленной на фланце.
Корпус лабораторного стенда представляет собой параллелепипед со стеклотекстолитовым основанием.
Электрические машины, измерительные приборы и элементы управления расположены на лицевой стороне стенда.
Внутренняя часть корпуса содержит электрические приборы защиты, электрические платы, соединительные провода.
5 ТЕХНИКО-ЭКОНОМИЧЕСКИЙ РАСЧЕТ
5.1 Расчет капитальных затрат
Расчет материальных затрат состоит из расчета затрат на приобретение сырья и основных материалов, комплектующих изделий, а также из расчета заработной платы производственных рабочих, непосредственно связанных с технологическим процессом изготовления изделия.
Расчеты затрат на приобретение сырья, основных материалов, комплектующих изделий, а также стоимость электромонтажных работ сведены в таблице – 5.1 .
Р
(5.1.1)
асходы на доставку и хранение покупного сырья и материалов составляют 35 процентов от стоимости покупного сырья. Стоимость материалов, с учетом расходов на доставку и хранение рассчитываются по формуле

где С>пм> – стоимость материалов из таблицы - 5.1, С>пм> =639,5 рублей;
К>мат> – транспортные и складские расходы, К>мат> =35 %;
К – коэффициент перевода восстановительной стоимости в ценах на 01.01.2000 г., К=6,776.

Таблица 5.1 – Локальная смета на приобретение и монтаж лабораторного стенда «Исследование высокомоментного
двигателя»
Сметная стоимость 1620,7 рублей
В том числе:
оборудование 867,2 рублей
монтажные работы: 482,9 рублей
сметная заработная плата: 270,57 рублей
Стоимость оборудования в ценах 1994 года
|
Наименование оборудования и монтажных работ |
Еди-ницы изме-рения |
Ко-личе-ство, ед |
Стоимость единицы, р |
Общая стоимость, р |
||||||
|
Обо-рудо-вания |
Монтажных работ |
Обо-рудо-вания |
Монтажных работ |
|||||||
|
Трудоем-кость, ч |
Часовая тарифная ставка |
Заработ-ная плата |
Трудоем-кость, ч |
Часовая тарифная ставка |
Заработ-ная плата |
|||||
|
Стеклотексто-лит СТЭФ-1 |
м2 |
0,24 |
200 |
— |
— |
— |
48 |
— |
— |
— |
Продолжение таблицы 5.1
|
Наименование оборудования и монтажных работ |
Еди-ницы изме-рения |
Ко-личе-ство, ед |
Стоимость единицы, р |
Общая стоимость, р |
||||||
|
Обо-рудо-вания |
Монтажных работ |
Обо-рудо-вания |
Монтажных работ |
|||||||
|
Трудоем-кость, ч |
Часовая тарифная ставка |
Заработ-ная плата |
Трудоем-кость, ч |
Часовая тарифная ставка |
Заработ-ная плата |
|||||
|
Резка стек-лотекстолита |
— |
2 |
— |
1,2 |
8,193 |
9,832 |
— |
2,4 |
8,193 |
19,7 |
|
Провод МГШВ |
м |
10 |
2 |
— |
— |
— |
20 |
— |
— |
— |
|
Заготовка монтажных проводов |
— |
50 |
— |
0,2 |
8,193 |
1,639 |
— |
10 |
8,193 |
81,93 |
|
Сталь листовая |
кг |
4,5 |
15 |
— |
— |
— |
67,5 |
— |
— |
— |
Продолжение таблицы 5.1
|
Наименование оборудования и монтажных работ |
Еди-ницы изме-рения |
Ко-личе-ство, ед |
Стоимость единицы, р |
Общая стоимость, р |
||||||
|
Обо-рудо-вания |
Монтажных работ |
Обо-рудо-вания |
Монтажных работ |
|||||||
|
Трудоем-кость, ч |
Часовая тарифная ставка |
Заработ-ная плата |
Трудоем-кость, ч |
Часовая тарифная ставка |
Заработ-ная плата |
|||||
|
Изготовление лицевых панелей |
— |
1 |
— |
3 |
8,193 |
24,58 |
— |
3 |
8,193 |
24,58 |
|
Сверление отверстий |
— |
115 |
— |
0,02 |
8,193 |
0,164 |
— |
2,3 |
8,193 |
18,8 |
|
Уголок 20x20 |
— |
28 |
18 |
— |
— |
— |
504 |
— |
— |
— |
|
Винты ЛАТ 3x6 |
— |
115 |
0,2 |
— |
— |
— |
23 |
— |
— |
— |
|
Травление плат |
— |
2 |
45 |
0,42 |
8,193 |
3,44 |
90 |
0,84 |
8,193 |
6,9 |
|
Диод Д7А |
— |
41 |
2 |
0,06 |
8,193 |
0,492 |
82 |
0,18 |
8,193 |
20,15 |
Продолжение таблицы 5.1
|
Наименование оборудования и монтажных работ |
Еди-ницы изме-рения |
Ко-личе-ство, ед |
Стоимость единицы, р |
Общая стоимость, р |
||||||
|
Обо-рудо-вания |
Монтажных работ |
Обо-рудо-вания |
Монтажных работ |
|||||||
|
Трудоем-кость, ч |
Часовая тарифная ставка |
Заработ-ная плата |
Трудоем-кость, ч |
Часовая тарифная ставка |
Заработ-ная плата |
|||||
|
Диод КД212А |
— |
8 |
4,5 |
0,06 |
8,193 |
0,492 |
36 |
0,18 |
8,193 |
3,93 |
|
Стабилитрон 2С515А |
— |
6 |
2 |
0,06 |
8,193 |
0,492 |
12 |
0,06 |
8,193 |
2,95 |
|
Оптронный повторитель К262КП1Б |
— |
4 |
9,1 |
0,1 |
8,193 |
0,819 |
36,4 |
0,3 |
8,193 |
3,27 |
|
Микросхема К140УД7 |
— |
2 |
20 |
0,42 |
8,193 |
3,44 |
40 |
0,84 |
8,193 |
6,88 |
|
Микросхема К157УД2 |
— |
2 |
5 |
0,42 |
8,193 |
3,44 |
10 |
1,26 |
8,193 |
6,88 |
Продолжение таблицы 5.1
|
Наименование оборудования и монтажных работ |
Еди-ницы изме-рения |
Ко-личе-ство, ед |
Стоимость единицы, р |
Общая стоимость, р |
||||||
|
Обо-рудо-вания |
Монтажных работ |
Обо-рудо-вания |
Монтажных работ |
|||||||
|
Трудоем-кость, ч |
Часовая тарифная ставка |
Заработ-ная плата |
Трудоем-кость, ч |
Часовая тарифная ставка |
Заработ-ная плата |
|||||
|
Конденсатор К50-5-0,5 |
— |
3 |
0,5 |
0,06 |
8,193 |
0,492 |
1,5 |
0,54 |
8,193 |
1,476 |
|
Конденсатор К50-5-36 |
— |
4 |
0,5 |
0,06 |
8,193 |
0,492 |
2 |
0,06 |
8,193 |
1,968 |
|
Конденсатор К50-5-2 |
— |
4 |
0,5 |
0,06 |
8,193 |
0,492 |
2 |
0,06 |
8,193 |
1,968 |
|
Конденсатор К50-5-0,15 |
— |
5 |
0,5 |
0,06 |
8,193 |
0,492 |
2,5 |
0,06 |
8,193 |
2,46 |
|
Резистор ОМЛТ-0,125-300 Ом |
— |
4 |
0,1 |
0,06 |
8,193 |
0,492 |
4,4 |
0,06 |
8,193 |
1,968 |
Продолжение таблицы 5.1
|
Наименование оборудования и монтажных работ |
Еди-ницы изме-рения |
Ко-личе-ство, ед |
Стоимость единицы, р |
Общая стоимость, р |
||||||
|
Обо-рудо-вания |
Монтажных работ |
Обо-рудо-вания |
Монтажных работ |
|||||||
|
Трудоем-кость, ч |
Часовая тарифная ставка |
Заработ-ная плата |
Трудоем-кость, ч |
Часовая тарифная ставка |
Заработ-ная плата |
|||||
|
Резистор ОМЛТ-0,125-30 Ом |
— |
4 |
0,5 |
0,06 |
8,193 |
0,492 |
2 |
0,36 |
8,193 |
1,968 |
|
Резистор ОМЛТ-0,25-10 Ом |
— |
4 |
0,1 |
0,06 |
8,193 |
0,492 |
0,4 |
0,9 |
8,193 |
1,968 |
|
Резистор ОМЛТ-0,125-100 Ом |
— |
12 |
0,5 |
0,06 |
8,193 |
0,492 |
6 |
0,06 |
8,193 |
5,9 |
Продолжение таблицы 5.1
|
Наименование оборудования и монтажных работ |
Еди-ницы изме-рения |
Ко-личе-ство, ед |
Стоимость единицы, р |
Общая стоимость, р |
||||||
|
Обо-рудо-вания |
Монтажных работ |
Обо-рудо-вания |
Монтажных работ |
|||||||
|
Трудоем-кость, ч |
Часовая тарифная ставка |
Заработ-ная плата |
Трудоем-кость, ч |
Часовая тарифная ставка |
Заработ-ная плата |
|||||
|
Резистор ОМЛТ-0,125-200 Ом |
— |
4 |
0,5 |
0,06 |
8,193 |
0,492 |
2 |
0,54 |
8,193 |
3,27 |
|
Резистор ОМЛТ-0,125-100 кОм |
— |
7 |
0,5 |
0,06 |
8,193 |
0,492 |
3,5 |
0,36 |
8,193 |
3,44 |
|
Резистор ОМЛТ-0,125-5,1 кОм |
— |
3 |
0,5 |
0,06 |
8,193 |
0,492 |
1,5 |
0,06 |
8,193 |
1,476 |
Продолжение таблицы 5.1
|
Наименование оборудования и монтажных работ |
Еди-ницы изме-рения |
Ко-личе-ство, ед |
Стоимость единицы, р |
Общая стоимость, р |
||||||
|
Обо-рудо-вания |
Монтажных работ |
Обо-рудо-вания |
Монтажных работ |
|||||||
|
Трудоем-кость, ч |
Часовая тарифная ставка |
Заработ-ная плата |
Трудоем-кость, ч |
Часовая тарифная ставка |
Заработ-ная плата |
|||||
|
Резистор ОМЛТ-0,25-10 кОм |
— |
5 |
0,5 |
0,06 |
8,193 |
0,492 |
2,5 |
0,36 |
8,193 |
2,46 |
|
Резистор ОМЛТ-0,125-20 кОм |
— |
4 |
0,5 |
0,06 |
8,193 |
0,492 |
2 |
1,08 |
8,193 |
3,27 |
|
Резистор ОМЛТ-0,125-1 кОм |
— |
1 |
0,5 |
0,06 |
8,193 |
0,492 |
0,5 |
0,36 |
8,193 |
0,492 |
Продолжение таблицы 5.1
|
Наименование оборудования и монтажных работ |
Еди-ницы изме-рения |
Ко-личе-ство, ед |
Стоимость единицы, р |
Общая стоимость, р |
||||||
|
Обо-рудо-вания |
Монтажных работ |
Обо-рудо-вания |
Монтажных работ |
|||||||
|
Трудоем-кость, ч |
Часовая тарифная ставка |
Заработ-ная плата |
Трудоем-кость, ч |
Часовая тарифная ставка |
Заработ-ная плата |
|||||
|
Резистор ОМЛТ-0,125-2 кОм |
— |
2 |
0,5 |
0,06 |
8,193 |
0,492 |
1 |
0,06 |
8,193 |
0,984 |
|
Резистор СПО-2-300 Ом |
— |
3 |
6 |
0,06 |
8,193 |
0,492 |
18 |
0,18 |
8,193 |
1,476 |
|
Резистор СПО-2-3 кОм |
— |
1 |
6 |
0,06 |
8,193 |
0,492 |
6 |
0,06 |
8,193 |
0,492 |
Продолжение таблицы 5.1
|
Наименование оборудования и монтажных работ |
Еди-ницы изме-рения |
Ко-личе-ство, ед |
Стоимость единицы, р |
Общая стоимость, р |
||||||
|
Обо-рудо-вания |
Монтажных работ |
Обо-рудо-вания |
Монтажных работ |
|||||||
|
Трудоем-кость, ч |
Часовая тарифная ставка |
Заработ-ная плата |
Трудоем-кость, ч |
Часовая тарифная ставка |
Заработ-ная плата |
|||||
|
Тиристор КУ201Е |
— |
4 |
3 |
0,1 |
8,193 |
0,819 |
12 |
0,3 |
8,193 |
3,27 |
|
Транзистор КТ315В |
— |
11 |
2 |
0,1 |
8,193 |
0,819 |
22 |
0,3 |
8,193 |
9,01 |
|
Транзистор КТ361Б |
— |
1 |
2 |
0,1 |
8,193 |
0,819 |
2 |
1,2 |
8,193 |
0,82 |
|
Транзистор КТ815А |
— |
4 |
4 |
0,1 |
8,193 |
0,819 |
16 |
0,3 |
8,193 |
3,28 |
Продолжение таблицы 5.1
|
Наименование оборудования и монтажных работ |
Еди-ницы изме-рения |
Ко-личе-ство, ед |
Стоимость единицы, р |
Общая стоимость, р |
||||||
|
Обо-рудо-вания |
Монтажных работ |
Обо-рудо-вания |
Монтажных работ |
|||||||
|
Трудоем-кость, ч |
Часовая тарифная ставка |
Заработ-ная плата |
Трудоем-кость, ч |
Часовая тарифная ставка |
Заработ-ная плата |
|||||
|
Транзистор КТ819АМ |
— |
4 |
18 |
0,1 |
8,193 |
0,819 |
72 |
0,8 |
8,193 |
3,28 |
|
Трансформа-тор ТПП246 |
— |
1 |
30 |
0,2 |
8,193 |
1,64 |
30 |
0,2 |
8,193 |
1,64 |
|
Микроампер-метр |
— |
3 |
30 |
0,33 |
8,193 |
2,7 |
90 |
0,33 |
8,193 |
8,1 |
Расходы на доставку и хранение покупных комплектующих изделий составляют 20 процентов от их стоимости. Стоимость комплектующих изделий с учетом расходов на доставку и хранение расчитываются по формуле
(5.1.2)

где С>ПК> – стоимость покупных комплектующих изделий из таблицы 5.1, С>ПК> = 531,2 рублей.
К>ком> – транспортно-складские расходы, К>ком>=20 процентов;
К – коеффициент перевода восстановительной стоимости в ценах на 01.01.2000 г., К=6,776.
(5.1.3)

Трудоемкость регулировочно-наладочных работ Т>НР> определяется как 40 процентов от суммарной трудоемкости остальных работ
(5.1.4)

где Т>ПР> – трудоемкость подготовительных работ из таблицы 5.1, Т>ПР> = 18,54 часов;
Т
(5.1.5)
>МР> – трудоемкость монтажных работ из таблицы 5.1, Т>МР>=11,41 часов.

Затраты на регулировочно-наладочные работы
(5.1.6)

где Е – часовая тарифная ставка лаборанта пятого разряда, Е=8,193 рублей.

Итоговая заработная плата будет складываться из заработной платы рабочих за подготовительные, монтажные и наладочные работы с учетом коэффициента заработной платы.
Расчетный коэффициент заработной платы
(5.1.7)

где К>1> – районный коэффициент, К>1> =1,3;
К>2> – коэффициент, учитывающий работу на высоте, К>2> =1;
К>3> – дальневосточный коэффициент, К>3> =1,25;
К>4> – надбавка за выслугу лет, К>4> =1,1;
К>5> – премиальный коэффициент, К>5> =1,25;
К>НР> – коэффициент накладных расходов, К>НР> =1,85.

Итоговая заработная плата
(5.1.8)

где ЗП>П> – заработная плата рабочих зп подготовленный период из таблицы – 5.1, ЗП>П> =151,9 рублей;
ЗП>Н> - заработная плата за монтажные работы из таблицы – 5.1, ЗП>Н> =110,42 рублей.

Расчет заработной платы произведен по методике, изложенной в [15].
Общие капитальные затраты
(5.1.9)


5.2 Определение эксплуатационных затрат при работе стенда
Амортизационные отчисления
(5.2.1)

где К – капитальные затраты, принимаемые равными себестоимости изделия, К = 1170,7 рублей;
На – норма амортизации, выбираем по [15] приложение 9 пункт 6, На = 0,045.

Затраты на оплату за потребленную электроэнергию рассчитываются по формуле
(5.2.2)

где P>2> – потребляемая активная мощность, P>2> = 0,1 кВт;
К>М> – коэффициент учета загрузки по мощности, К>М> = 0,7;
К>Т> - коэффициент учета загрузки по времени, К>Т> = 0,8;
К>П> - коэффициент учета потерь электроэнергии в сети, К>П>=1,05;
Ц>Э> – стоимость одного киловатт-часа электроэнергии по данным ДВГТУ, Ц>Э> = 0,7 рублей за киловатт-час;
Т>Э> – эффективный фонд времени работы электропривода в планируемом периоде (за год)
(5.2.3)

где Д – число дней работы в год, Д = 322 = 64 дня;
n – сменность работы электропривода, n = 1;
t – средняя продолжительность смены, t = 4 часа;
– планируемые потери рабочего времени на ремонт и обслуживание электропривода, = 0,039 (3,9 процента).


З
(5.2.4)
атраты на ремонт и межремонтное обслуживание определяются по формуле
где С>РС> – затраты на ремонт единицы ремонотной сложности, С>РС> = 271 рублей;
R – сумма ремонтных сложностей.
(5.2.5)

где К>1> – коэффициент производства схемы, К>1> = 1;
R>У1> – суммарная ремонтосложность плат на микросхемах.
(5.2.6)

где К>З> – коэффициент типа платы, К>З> = 1;
n>1> – количество микросхем, n>1> = 9.

(5.2.6)
R>У2> – суммарная ремонтосложность плат на дискретных элементах
где n>2> – число дискретных элементов, n>2> = 31.

Тогда


Для расчета затрат на заработную плату ремонтников составляется график ППР для лабораторной установки, представленный в виде таблицы-5.2 .
Условно принимаем ремонтный цикл 120 месяцев.
Таблица – 5.2 График ППР
|
Наименова-ние оборудова-ния |
Группа ремонтной сложности |
Сменность |
Виды ремонта и трудоемкость |
|||||||||||
|
I |
II |
III |
IV |
V |
VI |
VII |
VIII |
IX |
X |
XI |
XII |
|||
|
Лаборатор-ный стенд «Исследо-вание высоко-моментного двигателя» |
0,49 |
1 |
– |
– |
– |
– |
– |
0 |
– |
– |
– |
– |
– |
Ч |
|
– |
– |
– |
– |
– |
0 |
– |
– |
– |
– |
– |
Ч |
|||
|
– |
– |
– |
– |
– |
0 |
– |
– |
– |
– |
– |
Ч |
|||
|
– |
– |
– |
– |
– |
0 |
– |
– |
– |
– |
– |
Ч |
|||
|
– |
– |
– |
– |
– |
0 |
– |
– |
– |
– |
– |
Ч |
|||
|
– |
– |
– |
– |
– |
0 |
– |
– |
– |
– |
– |
Ч |
|||
|
– |
– |
– |
– |
– |
0 |
– |
– |
– |
– |
– |
Ч |
|||
|
– |
– |
– |
– |
– |
0 |
– |
– |
– |
– |
– |
Ч |
|||
|
– |
– |
– |
– |
– |
0 |
– |
– |
– |
– |
– |
Ч |
|||
|
– |
– |
– |
– |
– |
0 |
– |
– |
– |
– |
– |
Ч |
|||
|
– |
– |
– |
– |
– |
0 |
– |
– |
– |
– |
– |
Ч |
|||
|
– |
– |
– |
– |
– |
0 |
– |
– |
– |
– |
– |
Ч |
Трудоемкость ремонтов рассчитываем по формулам
(5.2.7)

где n>0> – количество осмотров за ремонтный цикл, n>0> =12;
n>Р0> – норматив ремонта, n>Р>>0> = 0,15.

(5.2.8)

где n>Ч> – количество чисток за ремонтный цикл, n>Ч> = 12;
n>РЧ> – норматив ремонта, n>РЧ> =0,2.

Суммарная трудоемкость ремонтов
(5.2.9)

где - коэффициент, учитывающий вспомогательное время на ремонтные работы, = 1,1;
- коэффициент, учитывающий увеличение объемов работ на неплановые работы, = 1,1.

Среднегодовая трудоемкость ремонтов
(5.2.10)

Затраты на заработную плату ремонтников определяются по формуле
(5.2.11)
где З>ПЛ> – заработная плата лаборанта без надбавок для лаборанта пятого разряда лаборатории АУТС, З>ПЛ> = 8,193 рублей в час;
Р>СТР> – страховой тариф в фонд обеспечения, Р>СТР>=39 процентов;
Р>Д.З> – отчисления на дополнительную заработную плату, Р>Д.З> = 7 процентов.

Общая сумма эксплуатационных расходов складывается из вышеперечисленных
(5.2.12)

5.3 Общие затраты на стенд
Определим общие затраты на изготовление и эксплуатацию стенда
(5.2.13)


Основным фактором окупаемости затрат на изготовление и эксплуатацию стенда являются практические знания, полученные студентом во время работы со стендом, а также возможность использования стенда при проведении лабораторных работ по курсу «Электрические машины».
6 ОХРАНА ТРУДА И ТЕХНИКА БЕЗОПАСНОСТИ
Операции, выполняемые на стенде
В соответствии с темой дипломного проекта разрабатывается универсальный лабораторный стенд исследования высоко моментного
двигателя. Этот стенд предназначен для проведения лабораторных работ по исследованию основных характеристик высокомоментного двигателя.
6.2 Приборы и оборудование
Рабочее место человека – оператора – это место в системе человек-машина, оснащенное средствами отображения информации, органами управления и вспомогательными инструментами, где осуществляется трудовая деятельность человека, оно может быть индивидуальными и коллективным.
Рабочее место человека-оператора характеризуется рабочей средой, то есть совокупностью факторов внешней среды. К ним относятся физические, химические, биологические, информационные, социально-психологические и эстетические свойства среды, воздействующие на человека.
Комфортной рабочей средой рабочего места человека-оператора называется такое состояние внешней среды на рабочем месте, которое обеспечивает оптимальную динамику работоспособности оператора, хорошее самочувствие и сохранение его здоровья. Организация рабочего места заключается в том, что нужно выполнить ряд мероприятий, обеспечивающих рациональный и безопасныйтрудовой процесс и эффективное использование орудий и предметов труда, что повышает производительность труда и способствует снижению утомляемости работающих.
Размер зоны приложения труда зависит от характера труда и может ограничиваться площадью основным технологическим и вспомогательным оборудованием, технологической оснасткой, инструментами и приспособлениями, а также в ряде случаев пультом или щитом управления. Рациональное устройство рабочего места учитывает оптимальную его планировку, степень механизации и автоматизации, выбор рабочей позы оператора и расположения органов управления и инструментов. Оптимальная планировка обеспечивает удобство при выполнении работы, экономию сил и времени оператора, правильное использование производственных рабочих площадей, безопасные условия работы.
При расположении элементов рабочего места необходимо предусматривать средства защиты оператора от опасных и вредных факторов. Взаимное расположение элементов рабочего места должно способствовать оптимальному режиму труда и отдыха, снижению утомляемости, предупреждению ошибочных действий. Взаимное расположение пульта управления, органов управления и средств отображения информации должно соответствовать антропометрическим данным оператора, структуре его деятельности, психофизическим и биомеханическим характеристикам человека-оператора. Для экономии движения рук оператора рекомендуется определенная рабочая зона, в пределах которой и следует размещать органы управления.
Удобное и рациональное расположение инструментов и приспособлений должно исключить лишние, непроизвольные движения. Инструменты следует располагать на рабочем месте с учетом частоты их употребления: более часто употребляемые размещаются в оптимальной рабочей зоне достигаемости рук без наклона туловища, редко употребляемые – в более отдаленной зоне. Этот принцип применим и к технологической документации.
6.3 Опасные и вредные факторы
При проведении испытаний могут возникнуть различные повреждения (пробой изоляции, нарушение блокировок, обрыв заземления), которые могут быть причиной воздействия на человека электрического тока, разряда и дуги, частей изделия, нагревающихся до высоких температур, шума и вибрации. В результате этого могут возникнуть аварии и несчастные случаи с людьми.
Кроме того, нарушение инструкций и правил техники безопасности персоналом в процессе эксплуатации установки могут явиться причинами возниновения пожара от электрической дуги.
Основным опасным фактором при эксплуатации стенда является возможность поражения электрическим током. В рассмотренном случае человек-оператор рискует получить несколько видов поражения электрическим током:
– электрический удар;
– электрический ожог;
– металлизация кожи.
Среди причин электротравматизма можно выделить:
– случайное касание токоведущих частей при работе с устройством, находящимся под напряжением (при потере ориентации, принезнании схем электроснабжения);
– появление напряжения на отключаемых токоведущих частях при включении сети посторонними лицами;
– появление напряжения на металлических нетоковедущих частях при нарушении сопротивления изоляции, попадании посторонних предметов в устройство.
6.4 Меры безопасности при обслуживании стенда
При проведении замеров и настройки в открытом блоке, находящемся под напряжением огорожены все ближайшие заземленные металлические части, если в силу неблагоприятных условий работы возможно случайное касание металлических частей настройщиком. Стенд имеет заземление с общей заземленной шиной лаборатории. Также стенд оборудован защитой.
В целях обеспечения безопасности выполняемых работ работающие должны быть обеспечены контрольно-измерительными приборами, заключенными в пластмассовые корпуса.
Движущиеся части лабораторного стенда (валы электрических машин, полумуфты на валах), к которым возможен доступ обслуживающего персонала, должны быть ограждены.
Защитные ограждения должны быть снабжены приспособлениями для надежного удерживания их в закрытом (рабочем) положении. Конструкция ограждения должна быть такой, чтобы его удаление или перемещение в случае необходимости было возможным лишь с помощью инструмента. Ограждение следует изготавливать из металлических листов, сетки и других прочных материалов. В сетчатых ограждениях размер ячейки должен быть выбран таким, чтобы исключался доступ к огражденным частям лабораторного стенда.
Выключатели, рубильники и другие коммутационные электрические аппараты, применяемые в лабораторном стенде, должны быть в защищенном исполнении.
Защита электрических сетей и электроустановок должна быть обеспечена с помощью предохранителей с калиброванными плавкими вставками или автоматических выключателей.
Установку снятых предохранителей, включение отключенных сетей, а также снятие на время оборудования, плакатов «Не включать! Работают люди!» осуществляет оперативный персонал, или, по его разрешению, руководитель работ.
Проверка знаний по умению обращаться с устройствами должна производиться периодически один раз в год для персонала, непосредственно обслуживающего устройства, один раз в три года для инженерно-технических работников.
Освещение в помещении, где будут производиться испытания и лабораторные работы должно отвечать требованиям безопасности труда.
На обратной стороне стенда должна быть вывешена табличка: «Осторожно! Высокое напряжение!».
Также в устройстве, в целях защиты предусмотрено закрытие всех частей, находящихся под напряжением, защитными щитами.
Следует регулярно производить профилактические осмотры, текущий и средний ремонт.
В объем профилактических осмотров входит :
– чистка от пыли всех частей лабораторного стенда ;
– проверка затяжки болтовых соединений токоведущих цепей и установки электрических машин.
В объем текущего ремонта входит :
– профилактический осмотр ;
– осмотр ячеек управления на отсутствие дефектов в пайке, монтаже и внешних признаков выхода элементов из строя. Текущий ремонт следует производить раз в полгода.
Средний ремонт включает в себя :
– работы в объеме текущего ремонта ;
– полный осмотр всех силовых блоков.
Средний ремонт должен производиться не реже одного раза в год.
При возникновении пожара запрещается применять воду. Тушение пожара следует производить с помощью огнетушителей типа ОУ-2, ОУ-5 [14].
6.5 Организационные мероприятия. Инструкция по безопасной работе на стенде
При проведении всех видов работ на стенде должны выполняться требования по технике безопасности проведения работ и меры по защите от поражения электрическим током.
До начала работ ответственный руководитель обязан проверить у производителя работ знание правил техники безопасности и соответствующие группы электробезопасности. Допуск к работе на стенде осуществляет ответственный руководитель.
Прежде чем приступить к работе на стенде руководитель обязан проверить:
– ответствие освещенности рабочего места норме;
– необходимую чистоту рабочего места и стенда;
– отсутствие в лаборатории паров взрывоопасных и пожароопасных веществ;
– заземление силового блока и блока нагрузки;
– наличие на рабочем месте защитных приспособлений;
– наличие схемы соединений и другой необходимой документации.
При техническом обслуживании стенда допускается включение напряжения на стенд и блок управления, замена предохранителей и сигнальных ламп. Работник, осуществляющий техническое обслуживание, обнаружив неисправность, обязан:
– непосредственно на стенде уточнить характер возникшей неисправности;
– устранить неисправность, если она входит в число операций, разрешенных выполнить единолично;
– после устранения неисправности или отключения неисправного участка стенда, произвести запись о случившемся и принятых мерах в специальном журнале.
ЗАКЛЮЧЕНИЕ
В данном дипломном проекте рассмотрена часть вопросов, касающихся разработки и создания универсального лабораторного стенда для исследования высокомоментного двигателя.
В дипломном проекте рассмотрены различные способы управления высокомоментного двигателя, а также произведен анализ его работы.
Произведен расчет и выбор элементов стенда.
Разработаны основные блоки стенда:
широтно-импульсный преобразователь;
управляемый выпрямитель.
Произведен расчет системы автоматического регулирования напряжения обмотки возбуждения нагрузочного генератора.
В экономической части проекта рассчитаны капитальные и эксплуатационные затраты на приобретение, монтаж и эксплуатацию стенда.
В разделе «Меры безопасности при работе на стенде» проанализирована конструкция стенда, вредные и опасные факторы при работе со стендом, перечислены меры безопасности при проведении лабораторных работ.
Разработанный лабораторный стенд решает задачи ознакомления студентов с основными характеристиками высокомоментного двигателя при питании его от широтно-импульсного преобразователя и от регулируемого аналогового источника питания, а также позволяет закрепить теоретический материал приобрести практические навыки при экспериментальных исследованиях.
ЛИТЕРАТУРА
Справочник по проектированию автоматизированных электроприводов и систем управления технологическими процессами / под редакцией В.И.Круповича, Ю.Г.Барыбина, М.Л.Самовера.
Р.М.Терещук, К.М.Терещук, С.А.Седов. Полупроводниковые приемоусилительные устройства: Справочник, 1981. – 670 с.
Полупроводниковые приборы: Справочник / А.Б.Гитцевич, А.А.Зайцев, В.В.Мокряков и др. . Под редакцией А.В.Голомедова. – М.: Радио и связь, 1988 – 528 с.; ил.
Справочник по интегральным микросхемам / Под ред. Б.В.Тарабрина. – 2-е изд., перераб. и доп. – М.: Энергия, 1981. – 816с., ил.
О.А.Чебовский, Л.Г.Моисеев, Р.Г.Недошивин. Силовые полупроводниковые прмборы: Справочник. – 3-е изд. перераб. и доп. 35 с.: ил.
М.А.Бедрековский. Интегральные микросхемы: Взаимозаменяемость и аналоги: Справочник / М.А.Бедрековский, А.А.Косырбасов, П.П.Мальцев. – М.: Энергоатомиздат, 1991. – 272 с.: ил.
7. Л.И.Столов, Б.Н. Зыков. Моментные двигатели с постоянными магнитами. - М.: Энергия, 1977.
8. А.В. Иванов-Смоленский. Электрические машины: Учебник для вузов. – М.: Энергия, 1980. – 928 с., ил.
Справочник по электрическим машинам: в 2 т. т.2 / С 74 Под общей редакцией И.П.Копылова, Б.К.Клокова. – М.: Энергоатомиздат, 1989. – 688 с.: ил.
Кенио Т., Нагамори С. Двигатели постоянного тока с постоянными магнитами: Пер. с англ. – М.: Энергоатомиздат, 1989. – 184 с.: ил.
Л.И.Столов, К.Н.Афанасьев. Моментные двигатели постоянного тока. – М.: Энергия, 1985. – 235 с.: ил.
В.И.Дьяков Типовые расчеты по электрооборудованию: Мет. пособие. – 6-е изд., перераб. и доп. – М.: Высш. шк., 1985. – 143 с., ил.
Б.А.Князевский, П.А.Долин. Охрана труда: Учебное пособие для вузов. – М.: Высшая школа, 1992. – 353 с.
Г.И.Смелков. Пожарная опасность электропроводок при аварийных режимах. – М.: Энергоатомиздат, 1984. – 353 с.
В.И.Водопьянов. Организация, планирование и управление предприятием: Мет. пособие.: ДВГТУ, 1992. – 40 с.
1 для МДПМ с ограниченным углом поворота ротора
1