Конспект лекций по дисциплине Метрология и стандартизация. Часть 1. Метрология
Днепропетровский государственный технический университет железнодорожного транспорта
Кафедра теплотехники
Арестов А.П.
Конспект лекций по дисциплине «Метрология и стандартизация».
Часть 1. Метрология.
Днепропетровск – 1998
1.Предмет и задачи метрологии.
Основные термины, применяемые в метрологии.
Термин «метрология» произошел от греческих слов : метрос – мера, логос – учение, слово. В современном понимании это наука об измерениях, методах и средствах обеспечения их единства и способах достижения требуемой точности. К основным направлениям метрологии относятся : общая теория измерений; единицы физических величин и их системы; методы и средства измерений; методы определения точности измерений; основы обеспечения единства измерений и единообразия средств измерения; эталоны и образцовые средства измерений; методы передачи размеров единиц от эталонов и образцовых средств измерений рабочим средствам измерений. Часть из них имеют научный характер. Другая часть относится к законодательной метрологии. Законодательный характер метрологии обуславливает стандартизацию ее терминов и определений.
Физическая величина – свойство, общее в качественном отношении многим физическим объектам, но в количественном отношении индивидуальное для каждого объекта.
Измерение – нахождение значения физической величины опытным путем с помощью специальных технических средств. Под измерением понимается процесс экспериментального сравнения данной физической величины с однородной физической величиной, значение которой принято за единицу.
Единица физической величины – физическая величина, которой по определению присвоено значение, равное 1.
Единицы физической величины представляют собой вспомогательный аппарат, применимый при изучении объектов природы. Принципиально можно представить бесконечное множество единиц физических величин. Но практика выдвигает требование единства измерений, которое можно обеспечить при любой системе единиц. Однако для сопоставления результатов измерений без пересчетов (при переходе от одной системы единиц к другой) необходимо, чтобы результаты измерений выражались в узаконенных единицах.
Единство измерений – состояние измерений, при котором их результаты выражены в узаконенных единицах и погрешности измерений известны с заданной вероятностью. Как ясно из определения, это понятие включает не только выполнение условия единства используемых единиц физических величин, но и значение погрешности измерения.
Средство измерений – техническое средство, используемое при измерениях и имеющее нормированные метрологические свойства. По техническому назначению средства измерений подразделяются на меры, измерительные приборы, измерительные преобразователи, вспомогательные средства измерений, измерительные установки и измерительные системы.
Мера – средство измерений, предназначенное для воспроизведения физической величины заданного размера (кварцевый генератор является мерой частоты электрических колебаний). Мера, воспроизводящая ряд одноименных величин различного размера, называется многозначной (конденсатор постоянной емкости выполняет роль однозначной меры, а конденсатор переменной емкости – многозначной). Часто используется набор мер – специально подобранный комплект мер, применяемых не только отдельно, но и в различных сочетаниях для воспроизведения ряда одноименных величин различного размера.
Измерительный прибор – средство измерений, предназначенное для выработки сигнала измерительной информации в форме, доступной для непосредственного восприятия наблюдателем. Измерительные приборы бывают аналоговые и цифровые, показывающие и регистрирующие.
Измерительный преобразователь – средство измерений, предназначенное для выработки сигнала измерительной информации, удобной для передачи, дальнейшего преобразования, обработки и хранения, но не поддающейся непосредственному восприятию наблюдателем. Первичным называется преобразователь, являющийся первым в электрической цепи и к которому непосредственно подводится измеряемая величина. Передающий измерительный преобразователь предназначен для дистанционной передачи сигнала измерительной информации; масштабный измерительный преобразователь – для изменения измеряемой величины в заданное число раз.
Вспомогательное средство измерений – средство измерения величин, влияющих на метрологические свойства другого средства измерений при его применении. Эти средства применяют для контроля за поддержанием значений влияющих величин в заданных пределах.
Измерительная установка – совокупность функционально объединенных средств измерений (мер, измерительных преобразователей) и вспомогательных устройств, предназначенная для выработки сигналов измерительной информации в форме, удобной (для автоматической обработки, передачи и использования в АСУ) для непосредственного восприятия наблюдателем и расположенная в одном месте.
Измерительная система – совокупность средств измерений (мер, И.П., И.Пр.) и вспомогательных устройств соединенных между собой каналами связи, предназначенная для выработки сигналов измерительной информации в форме удобной для автоматической обработки, передачи и использования в АСУ.
Классификация измерений.
По характеру зависимости измеряемой величины от времени измерения делятся на статические и динамические.
Статические измерения соответствуют случаю, когда измеряемая величина остается постоянной.
Динамические – когда измеряемая величина изменяется.
По способам получения результатов различают прямые, косвенные, совокупные и совместные измерения.
Прямыми называются измерения, при которых искомое значение величины находят непосредственно из опытных данных. При этом измеряемую величину сравнивают с мерой измерительными приборами, градуированными в требуемых единицах (сила тока – А – метром).
При косвенных измерениях искомое значение величины находят на основании известной зависимости между этой величиной и величинами, подвергаемыми прямым измерениям. Косвенные измерения широко распространены в тех случаях, когда искомую величину невозможно или сложно измерить непосредственно или когда прямое измерение дает менее точный результат.
При совокупных измерениях одновременно измеряют несколько однотипных величин и искомые значения величин находят решая систему уравнений, полученных при прямых измерениях различных сочетаний этих величин.
Совместные измерения – производимые одновременно измерения двух или нескольких одноименных величин для нахождения зависимости между ними.
По способу выражения результатов измерений различают абсолютные и относительные измерения.
Абсолютное измерение основано на прямых измерениях одной или нескольких основных величин и (или) использовании значений физических констант (измерение напряжения в Вольтах).
Относительным называется измерение отношения величины к одноименной величине, играющей роль единицы, или изменения величины по отношению к одноименной величине, принимаемой за исходную.
По используемому методу измерения – совокупности приемов использования принципов и средств измерений различают :
Метод непосредственной оценки, в котором значение величины определяется непосредственно по отсчетному устройству измерительного преобразователя прямого действия.
Метод сравнения с мерой, в котором измеряемую величину сравнивают с величиной, воспроизводимой мерой. Этот метод имеет следующие модификации : противопоставления, дифференциальный, нулевой, замещения, совпадений.
Метод противопоставления – измеряемая величина и величина, воспроизводимая мерой, одновременно воздействуют на прибор сравнения с помощью которого устанавливаются соотношения между этими величинами.
Метод дифференциальный – на измерительный прибор воздействует разность измеряемой величины и известной величины, воспроизводимой мерой.
Метод нулевой – результирующий эффект воздействия величин на прибор сравнения доводят до нуля.
Метод замещения – измеряемую величину замещают известной величиной, воспроизводимой мерой.
Метод совпадений – разность между измеряемой величиной и величиной, воспроизводимой мерой, измеряют, используя совпадения отметок шкал или периодических сигналов.
Основные характеристики измерений.
Принцип измерений – физическое явление или совокупность физических явлений, положенных в основу измерений.
Погрешность измерений – отклонение результата измерения от истинного значения измеряемой величины.
Истинное значение физической величины идеальным образом отражало бы в качественном и количественном отношениях соответствующие свойства объекта, но оно остается неизвестным, поэтому с помощью измерений находят такое действительное значение, настолько приближающееся к истинному, что для данной цели может быть использовано вместо него.
Точность измерения – качество измеряемой величины, отражающее близость к нулю систематической погрешностей результатов (т.е. таких погрешностей, которые остаются постоянными или закономерно изменяются при повторных измерениях одной и той же величины). Правильность измерений зависит от того, насколько были верны средства измерений, используемые при эксперименте.
Достоверность измерения – степень доверия к результатам измерений. Измерения для которых известны вероятные характеристики отклонения результатов от истинного значения относятся к достоверным. Наличие погрешности ограничивает достоверность измерений, так как вносит ограничение в число достоверных значащих цифр числового значения измеряемой величины и определяет точность измерений.
Сходимость измерений – качество измерений, отражающее близость друг к другу результатов измерений, выполняемых в одинаковых условиях.
Воспроизводимость измерений – качество измерений, отражающее близость друг к другу результатов измерений, выполненных в различных условиях (в различное время, в различных местах).
Физические величины и единицы.
Комиссия по разработке единой Международной системы единиц разработала проект Международной системы единиц, который был утвержден 9-й генеральной конференцией по мерам и весам. Принятая система была названа Международная система единиц СИ (SI – System International). Специалисты исходили из того, чтобы охватить системой все области науки и техники; принять удобные для практики размеры основных единиц, уже получившие распространение; выбрать в качестве основных единиц таких величин, воспроизведение которых возможно с наибольшей точностью.
В системе СИ в качестве основных единиц приняты :
Метр – единица длины, килограмм – единица массы, кельвин – единица температуры, кандела – единица сила света, ампер – единица силы тока, секунда – единица времени, моль – количество вещества.
Остальные единицы являются производными.
Для измерения результатов измерений в узаконенных единицах, размер последних должен либо хранится или воспроизводится на месте, либо передаваться каким-то образом с места хранения или воспроизведения. В зависимости от этого различают централизованное и децентрализованное воспроизведение единиц физических величин. В первом случае оно осуществляется с помощью специальных технических средств, называемых эталонами, а для передачи размера единиц используются образцовые средства измерений. Во втором случае единица производной физической величины (например площади) воспроизводится на месте через единицы основных физических величин. Последние хранятся и воспроизводятся только централизованно в соответствии с их определением.
Главной задачей современной метрологии является создание полной системы взаимосвязанных естественных эталонов на основе использования фундаментальных физических констант и высокостабильных квантовых явлений. Важный шаг в решении этой задачи сделан 18-й Генеральной конференцией по мерам и весам, принявшей в 1983 году новое определение метра – как длины пути, проходимого светом в вакууме за промежуток времени равный 1/299792458 с.
При таком подходе единица длины может воспроизводится децентрализовано, с помощью фундаментальной физической константы – скорости света и единицы времени секунды, определяемой через период эталонной частоты, передаваемой по радио. Единицы времени и частоты воспроизводятся сейчас с наименьшей погрешностью.
Эталоны и образцовые средства измерений.
Чтобы обеспечить единство измерений, необходима тождественность единиц, в которых проградуированы все средства измерений одной и той же физической величины. Для этого применяют средства измерений, хранящие и воспроизводящие установленные единицы физических величин и передающие их соответствующим средствам измерений. Высшим звеном в метрологической передачи размеров единиц являются эталоны.
Эталон единицы – средство измерений (или комплекс средств) обеспечивающее воспроизведение и(или) хранение единицы с целью передачи ее размера нижестоящим по поверочной схеме средствам измерений, выполненное по особой спецификации и официально утвержденное в установленном порядке в качестве эталона.
Эталон, обеспечивающий воспроизведение единицы с наивысшей в стране (по сравнению с другими эталонами той же единицы) точностью, называется первичным.
Специальный эталон воспроизводит единицу в особых условиях и заменяет при этих условия первичный эталон.
Первичный или специальный эталон, официально утвержденный в качестве исходного для страны, называется государственным.
Примеры: государственный первичный эталон единицы ЭДС (ГОСТ 8.027-75); специальный эталон единицы напряжения - тока в диапазонах частот 100...1500 Мгц (ГОСТ 8072-73 и 8075-73).
Государственные эталоны утверждаются Госкомитетом по стандартам.
В Харьковском центре метрологии хранится государственный эталон времени и частоты.
В метрологической практике широко используют вторичные эталоны, значения которых устанавливается по первичным эталонам. Вторичные эталоны являются частью подчиненных средств хранения единиц и передачи их размера. Они создаются и утверждаются в тех случаях, когда это необходимо для обеспечения наименьшего износа государственного эталона.
Вторичные эталоны по своему назначению делятся на эталоны-копии, эталоны сравнения, эталоны-свидетели и рабочие эталоны.
Эталон-копия предназначен для передачи размеров единиц рабочим эталонам. Он не всегда является физической копией государственного эталона.
Эталон-свидетель предназначен для проверки сохранности государственного эталона и для замены его в случае порчи или утраты.
Эталон сравнения применяют для сличения эталонов, которые по тем или иным причинам не могут быть непосредственно сличаемы друг с другом (пример : т.н. нормальный элемент, используемый для сличения государственного эталона Вольта с эталоном Вольта Международного бюро мер и весов).
Рабочий эталон применяют для передачи размера единицы образцовым средствам измерений высшей точности, а в отдельных случаях – наиболее точным средствам измерений.
Образцовое средство измерения – мера, измерительный прибор или измерительный преобразователь, служащий для поверки по ним других средств измерений и утвержденные в качестве образцовых.
Поверка средств измерений – определение метрологическим органом погрешности средств измерений и установления его пригодности к применению.
Образцовые средства измерений могут иметь разные разряды. Между ними существует соподчиненность : образцовые средства измерений первого разряда поверяют, как правило, непосредственно по рабочим эталонам, образцовые средства измерений второго и последующих разрядов подлежат поверке по образцовым средствам измерений непосредственно предшествующих разрядов. Для разных видов измерений устанавливаются, исходя из требований практики, различное число разрядов образцовых средств измерений.
Рабочее средство измерений – применяют для измерений, не связанных с передачей размеров единиц.
2. Средства измерений и их характеристики.
2.1 Классификация средств измерений.
Средство измерений – техническое средство, используемое при измерений и имеющее нормированные метрологические характеристики.
Метрологическими называются характеристики, оказывающие влияние на результат и погрешность измерения. Они входят в состав технических характеристик, определяющих другие свойства средств измерений (диапазоны частот, габаритные размеры, вид элементов питания).
Под нормированием метрологических характеристик понимается количественное задание определенных номинальных значений и допустимых отклонений от этих значений. Нормирование метрологических характеристик позволяет оценить погрешность измерения, достичь взаимозаменяемости средств измерений, обеспечить возможность сравнения средств измерений между собой и оценку погрешностей измерительных систем и установок на основе метрологических характеристик входящих в их состав средств измерений. Именно нормирование метрологических характеристик отличает средство измерений от других подобных технических средств (например, измерительный трансформатор от силового трансформатора …)
Уже указывалось, что в соответствии с ГОСТ все средства измерений делятся на шесть видов : меры, измерительные преобразователи, измерительные приборы, вспомогательные средства измерений, измерительные установки и измерительные системы. Наиболее многочисленной группой средств измерений являются измерительные приборы и преобразователи, которые обобщенно называются измерительными устройствами (ИУ). В силу большого разнообразия их классифицируют по различным признакам :
По используемым физическим процессам ИУ разделяют на механические, электромеханические, электронные, оптоэлектронные и т.п.
По физической природе измеряемой величины различают вольтметры, амперметры, термометры, манометры, уровнемеры, влагомеры и т.д.
По виду измеряемой величины или сигнала измерительной информации, а также по способу обработки сигнала приборы делятся на аналоговые и цифровые. В аналоговых приборах показания являются непрерывной функцией измеряемой величины, т.е. могут также, как и измеряемая величина, принимать бесконечное множество значений. При этом во время показания могут быть как непрерывной, так и дискретной (прерывистой) функцией измеряемой величины, т.е. различают приборы непрерывного и дискретного действия.
В цифровом приборе непрерывная по размеру и во времени величина преобразуется в дискретную, квантуется, кодируется и цифровой код отображается на цифровом отсчетном устройстве. В результате показания цифрового прибора являются дискретными во времени и квантованными по размеру, т.е. могут принимать лишь конечное число значений.
Внешним признаком аналоговых или цифровых приборов является наличие аналогового или цифрового показывающего или регистрирующего устройства. Соответственно приборы принято также разделять на показывающие, допускающие только отсчитывание показаний, и регистрирующие, в которых предусмотрена автоматическая регистрация показаний. Среди последних, в свою очередь, различают самопишущие и печатающие. В самопишущих приборах (являющихся аналоговыми) показания измеряемых значений величины записываются в виде графика осциллограммы, показывающей изменение значения величины во времени. В печатающих приборах (являющихся цифровыми) результаты измерений печатаются в цифровой форме.
Аналоговые показывающие устройства электронных приборов обычно представляют из себя электромеханический преобразователь и аналоговое отсчетное устройство. Последнее состоит из шкалы, проградуированной с помощью меры и играющей роль меры при измерении, и указателя, совершающего линейное или угловое перемещение. В качестве указателя используются либо стрелка, либо луч света.
Роль показывающего устройства может выполнять и электронно-лучевая трубка (ЭЛТ), обладающая весьма малой инерционностью, что позволяет наблюдать высокочастотные процессы (до сотен мегагерц, до наносекунд импульсы).
В качестве аналогово-регистрационных устройств в диапазоне частот до 10 Гц используются самописцы, содержащие электромеханический преобразователь, обеспечивающий перемещение записывающего узла со специальным пером. Запись осуществляется специальными чернилами (пастами) на бумаге, движущейся перпендикулярно направлению перемещения пера. В некоторых случаях используются термо-, электро-, и химочувствительные бумаги. В диапазоне до 20 КГц применяют светолучевые осциллографы, в которых запись осуществляется с помощью специальных гальванометров лучом света на фотобумаге или фотопленке, а также ультрафиолетовым лучом на специальной бумаге, самопроявляющейся на свету. Хорошая точность, чувствительность, многоканальность (до 10 и более), малые габаритные размеры являются причиной широкого применения этих приборов. Для регистрации более высокочастотных процессов используют электронно-лучевые осциллографы с фотографированием процесса с экрана ЭЛТ.
Для
регистрации однократных процессов
применяют также специальные запоминающие
ЭЛТ, позволяющие хранить изображение
десятки часов.
Цифровое
отсчетное устройство
обычно состоит из цифровых знаковых
индикаторов, обеспечивающих воспроизведение
десятичных цифр, и алфавитных индикаторов,
позволяющих указать единицу измеряемой
величины. В цифровых регистрирующих
приборах, как правило, осуществляется
печатание показаний с помощью
алфавитно-цифровых печатающих устройств
со скоростью до 103
знаков в секунду. Для долговременного
хранения информации используются также
различные виды запоминающих устройств.
Цифровое отсчетное или регистрирующее устройство никак не ограничивает точность цифрового прибора, так как цифровой код без какой-либо погрешности может быть изображен на цифровом отсчетном устройстве.
Точность аналоговых приборов ограничивается погрешностями измерительных преобразователей, создающих перемещение указателя, погрешностями шкалы и личными (субъективными) погрешностями, вносимыми оператором (из-за конечной толщины указателя, длины деления шкалы и разрешающей способности глаза, из-за параллакса, из-за погрешности интерполирования при положении указателя между отметками делений шкалы). В результате погрешность аналоговых приборов составляет обычно 0,5 %. В то же время погрешность цифровых приборов удается уменьшить до 10-6 %, а при измерении частотно-временных параметров и менее.
Однако не всегда цифровое отсчетное или регистрирующее устройство лучше аналогового. При большом числе одновременно измеряемых величин (контроль сложного объекта) показания аналоговых приборов воспринимаются легче, так как независимо от цифр на шкале пространственное положение указателя и характер его перемещения или осциллограмма регистрируемого процесса позволяет более оперативно проводить анализ контролируемого процесса.
Подтверждением большей информативности аналогово-отсчетных устройств является разработка для некоторых цифровых приборов шкалы в виде расположенных в линию светодиодов, управляемых цифровой схемой. Эта шкала воспринимается оператором как аналоговая, хотя прибор является целиком цифровым.
Наряду с точностью важной характеристикой является быстродействие измерительного устройства, характеризуемое числом измерений (преобразований) в единицу времени либо временем одного измерения. При измерении изменяющихся во времени величин повышение быстродействия играет важную роль. В общем случае повышение быстродействия измерительного прибора ограничивается быстродействием используемой элементной базы.
Для показывающих приборов обычно не требуется высокого быстродействия в силу ограниченности возможностей оператора при приеме информации.
Для регистрационных приборов, а также измерительных преобразователей требование быстродействия является существенным особенно когда обработка информации осуществляется с помощью ЭВМ. В этом случае цифровые измерительные устройства обеспечивают большее быстродействие, так как цифровой код может непосредственно, без участия оператора вводится в цифровые ЭВМ, исключения составляют электронные осциллографы позволяющие наблюдать и проводить анализ формы столь быстр протекающих процессов, преобразование которых в цифровой код сопряжен с большей погрешностью, либо вообще невозможно из-за ограниченного быстродействия цифровых средств измерений (параллельная обработка), но они приводят к усложнению прибора. К недостаткам цифровых приборов относят их сравнительно высокую стоимость.
П
о
структурному принципу различают
измерительные устройства прямого
действия (преобразования); в котором
реализуется метод непосредственной
оценки, измерительные устройства,
работа которая основана на методе
сравнения. В измерительных приборах
прямого действия (см. рис. 1) преобразование
сигнала происходит в одном направлении
последовательно. Здесь П>1>
и П>2>
– преобразователи с коэффициентами
передачи К>1>
и К>2>.
Если выходной сигнал У получается в
форме, доступной для непосредственного
восприятия, рассматриваемая структурная
схема характеризует прибор, если для
дальнейшей обработки и хранения, -
преобразователь. На рис. 2 представлена
структурная схема преобразователя,
построенного на методе сравнения.
Операция сравнения осуществляется с
помощью сравнивающего устройства (СУ),
в котором обычно одна величина вычитается
из другой. Используя выходной сигнал
СУ, с помощью преобразователя П можно
управлять мерой и реализовать нулевой
метод сравнения. В связи с тем, что в
измерительных устройствах, основанных
на методе сравнения, измеряемая величина
уравновешивается (компенсируется)
величиной, воспроизводимой мерой, их
также называют измерительными
устройствами с уравновешивающим
(компенсационным) преобразователем.
Измерительные устройства в общем случае
имеют более высокую точность за счет
использования меры. Отмечают также
различие требований к отдельным
преобразователям измерительных
устройств с точки зрения обеспечения
измерительных устройств. Так в ИУ
непосредственной оценки общий коэффициент
передачи К=К>1>К>2>
и его точность определяется соответствующей
точностью всех преобразователей. В ИУ
сравнения имеется отрицательная
обратная связь и К=k/(1+k),
где k,
– коэффициенты передачи прямой и
обратной цепей.
При
k>>1
получают К=1/и
точность ИУ тогда определяется главным
образом точностью преобразователей в
цепи обратной связи (т.е. меры), в то
время как коэффициент передачи k
может быть нестабильным, лишь бы было
большим k
–
петлевое усиление.
Приборы
сравнения могут быть выполнены с
развертывающим или следящим
уравновешиванием.
По структурным признакам ИУ также можно классифицировать по числу каналов и по временной последовательности преобразований входных сигналов. В зависимости от числа входных сигналов, несущих информацию об измеряемой величине, ИУ бывают с одним (например – вольтметр), двумя (фазометр) и более входами, т.е. соответственно одно-, двух- (рис. 3. слева) и многоканальными (рис. 3. справа). В зависимости от временной последовательности преобразований входных сигналов (если их более чем 2) различают ИУ с одновременным (параллельным) и последовательным преобразованием. При последовательном преобразовании сигналы обрабатываются поочередно, причем за цикл измерения каждый сигнал через входное переключающее устройство (коммутатор) подается на вход преобразователя один раз. Разновидностью последовательного преобразователя является периодическое устройство, когда за время одного цикла измерения сигналы переключаются многократно. Последовательное преобразование позволяет уменьшить аппаратурные затраты за счет перехода от многоканальной структуры к одноканальной с входным коммутатором. Кроме того, одноканальная структура ИУ позволяет уменьшить ряд погрешностей, обычно вызываемых неидентичностью характеристик разных каналов.
По точности ИУ делят на образцовые, используемые для поверки других ИУ и утвержденные в качестве образцовых, и рабочие, используемые непосредственно в практических измерениях, не связанных с передачей размера единиц.
По частотному диапазону ИУ делят на низкочастотные (НЧ), высокочастотные (ВЧ) и сверхвысокочастотные (СВЧ), по ширине полосы частот – на широкополосные и избирательные (селективные).
По месту использования ИУ делят на лабораторные и производственные, которые резко отличаются по условиям эксплуатации, по техническим и метрологическим характеристикам.
Дополним классификацию измерительных преобразователей. Их многообразие определяется различием требуемых видов преобразователей.
Преобразователи физического рода сигнала используются тогда, когда измеряемая величина неудобна для непосредственного измерения. Так многие неэлектрические величины предварительно преобразовываются в электрические (механическое перемещение или угловое вращение в электрическую величину) или одни электрические величины в другие (сопротивление в напряжение). Название таких преобразователей определяется либо принципом действия, либо родом входного и выходного сигналов (например, термоэлектрический преобразователь, преобразователь напряжение-частота)
Функциональные преобразователи обеспечивают необходимую зависимость между информативными параметрами входного и выходного сигналов. Такие преобразователи называют : дифференцирующий, интегрирующий, суммирующий, логарифмирующий и т.п.
Согласование по уровню (размеру) входного сигнала осуществляется с помощью масштабных преобразователей. К ним относятся : делитель, усилитель, трансформатор тока (напряжения).
Согласование по сопротивлению обеспечивается с помощью согласующих преобразователей (согласующий трансформатор, эмиттерный повторитель).
По месту включения в общей цепи преобразователи делят на первичные, к которым подводится измеряемая величина, промежуточные и передающие, предназначенные для дистанционной передачи сигналов.
По виду характеристики преобразования преобразователи делят на линейные и нелинейные.
2.2 Метрологические характеристики средств измерений и их нормирование.
Для каждого вида средств измерений (СИ), исходя из их специфики и назначения, нормируется определенный комплекс метрологических характеристик, указываемый в нормативно-технической документации на СИ. В этот комплекс должны включатся такие характеристики, которые позволяют определить погрешность данного СИ в известных рабочих условиях его применения. Общий перечень основных нормируемых метрологических характеристик СИ, формы их представления и способы нормирования установлены в ГОСТ 8.009-72. В него входят :
пределы измерений, пределы шкалы;
цена деления равномерной шкалы аналогового прибора или многозначной меры, при неравномерной шкале – минимальная цена деления;
выходной код, число разрядов кода, номинальная цена единицы наименьшего разряда цифровых СИ;
номинальное значение однозначной меры, номинальная статическая характеристика преобразования измерительного преобразователя;
погрешность СИ;
вариация показаний прибора или выходного сигнала преобразователя ;
полное входное сопротивление измерительного устройства;
полное выходное сопротивление измерительного преобразователя или меры;
неинформативные параметры выходного сигнала измерительного преобразователя или меры;
динамические характеристики СИ;
функции влияния;
наибольшие допустимые изменения метрологических характеристик СИ в рабочих условиях применения.
Нормирование метрологических характеристик необходимо для решения следующих задач :
придания всей совокупности однотипных СИ требуемых одинаковых свойств и уменьшения их номенклатуры;
обеспечение возможности оценки инструментальных погрешностей и сравнения СИ по точности;
обеспечение возможности оценки погрешности измерительных систем по погрешностям отдельных СИ. Погрешности, присущие конкретным экземплярам СИ, устанавливаются только для образцовых СИ при их аттестации.
Рассмотрим указанные характеристики, а также ряд важных понятий, связанных с ними.
О
тсчетные
устройства приборов. На рис. 4 показано
отсчетное устройство аналогового
прибора.
Деление шкалы – промежуток l между двумя соседними отметками шкалы. Длина деления шкалы – расстояние между осями двух соседних отметок. Цена деления шкалы – разность значений величины, соответствующих двум соседним отметкам шкалы.
Шкалы бывают равномерными и неравномерными. Равномерная шкала в отличие от неравномерной – шкала с делениями постоянной длины и с постоянной ценой деления.
Отсчетом называется число, определенное по отсчетному устройству.
Показание прибора – значение величины, определяемое по отсчетному устройству и выраженное в принятых единицах этой величины.
В многопредельных приборах, где одна и та же шкала используется для на разных пределах измерения, показание прибора равно отсчету, умноженному на цену деления для соответствующего предела измерения. В некоторых случаях показание определяется с помощью отсчета, по прилагаемой к прибору градуированной характеристике – зависимости между отсчетом и значением величины на входе прибора, представленной в виде таблицы, графика или формулы.
Диапазон показаний (ДП) – область значений шкалы, ограниченная конечным (наибольшим) и начальным (наименьшим) значениями физической величины, указанными на шкале.
Диапазон измерений (ДИ) – область значений измеряемой величины, для которой нормирована погрешность средства измерений.
Предел измерений – наибольшее или наименьшее значение диапазона измерений. Диапазон показаний и диапазон измерений могут не совпадать (см. рис. 4).
Отсчетное устройство цифрового прибора характеризуется числом десятичных разрядов и ценой (деления) единицы младшего разряда, которая, очевидно, не может быть меньше шага квантования. Цифровое отсчетное устройство эквивалентно равномерной шкале, так как одинаковому цифрового кода соответствует одинаковое приращение показаний. Поэтому наличие нелинейности преобразования измеряемой величины в код приводит к погрешности цифрового прибора. Соответственно к преобразователям цифровых приборов предъявляется требование высокой линейности. В то же время в аналоговом приборе нелинейная зависимость перемещения указателя от изменения измеряемой величины может быть учтена введением соответствующей нелинейности (неравномерности) шкалы.
Параметры входного и выходного сигналов СИ, влияющие величины, функции влияния.
Входной и выходной сигналы СИ характеризуются информативными и неинформативными параметрами. Информативный параметр входного сигнала является самой измеряемой величиной или величиной, функционально связанной с измеряемой. Неинформативный параметр не связан функционально с измеряемой величиной, но влияет на метрологические характеристики СИ (в частности, на погрешность). Например. При измерении амплитуды напряжения информативным параметром является амплитуда сигнала, а неинформативным – его частота. Выходной сигнал преобразователя также может быть охарактеризован информативными и неинформативными параметрами.
На метрологические характеристики СИ сильно влияют внешние физические воздействия (климатические, механические, электромагнитные) и изменения параметров источников питания – влияющие величины.
По условиям применения СИ, различают нормальные и рабочие условия. Они отличаются диапазоном изменения неинформативных параметров входного сигнала и влияющих величин.
Нормальными называются условия, для которых нормируется основная погрешность СИ. При этом влияющие величины и неинформативные параметры входного сигнала имеют нормальные значения. Например, для генератора определенного типа установлены нормальные температурные условия +10..+35 С. В этом температурном диапазоне гарантируется основная погрешность прибора, указанная в его паспорте. Но прибор может работать и в более широком диапазоне температур, например, от 0 до +40 С. Этот диапазон называется рабочим. Для нормальных условий нормируется основная погрешность СИ, для рабочих – дополнительная.
Условия эксплуатации СИ оговаривают в соответствующих стандартах и делят на группы, различающиеся значениями влияющих величин.
Функция влияния – зависимость изменения метрологической характеристики СИ от изменения влияющей величины или неинформативного параметра входного сигнала в пределах рабочих условий эксплуатации. Функция влияния может нормироваться в виде формулы, графика или таблицы.
Наряду с условиями применения для всех СИ задаются предельные условия транспортирования и хранения, не изменяющие метрологические свойства СИ после его возвращения в рабочие условия.
Характеристики преобразования. Быстродействие СИ.
Статическая характеристика преобразования – связь, выражающая зависимость информативного параметра выходного сигнала от постоянного информативного параметра входного сигнала. Ее можно представить в аналитическом виде, графическом или табличном. В аналитическом виде характеристика преобразования - уравнения y=F(x), которое может быть может быть линейным (рис. 5-а.) или нелинейным (рис. 5-б., 5-в.).
З
аметим,
что для прибора, шкала которого
проградуирована в значениях измеряемой
величины, всегда y=x
и графическая характеристика
преобразования представляет прямую
линию под углом 45 градусов относительно
оси х.
В то же время угол отклонения указателя
аналогового отсчетного устройства
этого прибора при наличии нелинейных
преобразователей (например, в квадратичном
вольтметре) будет нелинейной функцией
х.
В цифровых приборах из-за квантования
сигнала характеристика преобразователя
является ступенчатой функцией (рис.
6-г.), определяемой выражением у=nx,
где у
– показания прибора,x
– шаг квантования, n
– цифровой код измеряемой величины х.
При нелинейных преобразователях
необходимо линеаризовать характеристики
преобразования прибора. В аналоговых
приборах для этого используют шкалу с
соответствующей неравномерностью. В
цифровых приборах отсчетное устройство
эквивалентно равномерной шкале. Для
линеаризации характеристики преобразования
необходимо в прибор вводить аналоговые
линеаризирующие преобразователи либо
вычислительные средства, выполняющие
необходимое преобразование цифрового
кода.
Динамические характеристики СИ определяют инерционные свойства СИ и представляют собой зависимость информативного параметра выходного сигнала от меняющихся во времени параметров входного сигнала. К числу динамических характеристик относятся : импульсная g(t), является реакцией преобразователя на дельта – функцию (t); переходная h(t) – реакция на единичный ступенчатый сигнал; дифференциальное уравнение СИ; передаточная функция, является отношением операторных изображений выходной величины к входной К(р) = y(p)/x(p); амплитудно-частотная и фазо-частотная.
Динамические свойства СИ характеризуются также быстродействием – скоростью и временем измерения (временем установления показаний). Скорость измерения (преобразования) определяется максимальным числом измерений (преобразований) в единицу времени, выполняемых с нормированной погрешностью. Время измерения (преобразования) – время, прошедшее с момента начала измерения (преобразования) до получения результата с нормированной погрешностью.
Чувствительность, порог чувствительности, разрешающая способность СИ.
Ч
увствительностью
СИ называется отношение изменения
выходной величины (информативного
параметра) к вызывающему его изменению
входной величины (информативного
параметра входного сигнала). Различают
абсолютную и относительную чувствительность.
Абсолютная чувствительность равна
производной от характеристики
преобразования СИ : S
= dy/dx = x/y
.
Приближенное равенство для определения
чувствительности через конечные
приращения х
и у
используется при экспериментальном
определении чувствительности. Для
линейных СИ (y=kx)
чувствительность
постоянна
S=k
и
может быть определена как S=x/y
(рис. 6-а.) для нелинейных чувствительность
зависит от входного сигнала (рис. 6-б и
6-в.).
Для показывающих приборов признаком линейности или нелинейности характеристики преобразования является равномерность или неравномерность шкалы. В ряде случаев (например, в электрических мостах) для характеристики чувствительности используется относительная чувствительность S= y/(x/x), где x/x – относительное изменение входной величины. Наименьшее значение входной величины, которое можно обнаружить с помощью данного СИ, называется его порогом чувствительности.
Разрешающей способностью СИ называется наименьшее различаемое с помощью данного СИ изменение измеряемой величины, или наименьшее различимое отличие друг от друга двух одноименных величин. Порог чувствительности и разрешающая способность имеют размерность измеряемой величины и обычно определяются уровнем его внутренних шумов и нестабильностью элементов. У цифровых приборов порог чувствительности и разрешающая способность, как правило, равны цене единицы младшего разряда.
Погрешность средств измерений.
Погрешность прибора характеризует отличие его показаний от истинного или действительного значения измеряемой величины. Погрешность преобразователя определяется отличием номинальной (т.е. приписываемой преобразователю) характеристики преобразования или коэффициента преобразования от их истинного значения.
Погрешность меры характеризует отличие номинального значения меры от истинного значения воспроизводимой ею величины.
Точность СИ – качество, отражающее близость к нулю его погрешности. Например, при погрешности прибора =10-4 (0,01 %) точность – 104. Возникновение погрешности СИ объясняется рядом причин, в том числе приближенным расчетом характеристик, отличием параметров элементов и узлов прибора от требуемых расчетных значений, старением элементов и узлов, паразитными параметрами элементов, внутренними шумами, изменением влияющих величин и неинформативных параметров входного сигнала и др. Погрешности СИ оцениваются при его поверке.
Поверка СИ – определение метрологической организацией погрешностей СИ и установление его пригодности к применению. Поскольку погрешность во времени может изменяться, поверку проводят с определенной периодичностью.
По способу выражения различают погрешности :
абсолютная погрешность прибора – разность между показаниями прибора x>п> и истинным значением измеряемой величины x : = x>п> – x.
относительная погрешность прибора – отношение абсолютной погрешности прибора к истинному (действительному) значению измеряемой величины : = /x или в процентах = 100/x, где если x >> , то вместо x с достаточной степенью точности можно использовать x>п> .
приведенная погрешность прибора – отношение в процентах абсолютной погрешности прибора к нормирующему значению : = 100/x>норм>.
В соответствии с ГОСТ 8.401-80 x>норм> принимается равным :
большему из пределов измерений или большему из модулей пределов измерений для СИ с равномерной или степенной шкалой, если нулевая отметка находится на краю или вне диапазона измерений;
арифметической сумме модулей пределов измерений, если нулевая отметка находится внутри диапазона измерений;
установленному номинальному значению для СИ с установленным номинальным значением измеряемой величины.
Всей длине шкалы для приборов с существенно неравномерной шкалой, при этом абсолютные погрешности также выражают в единицах длины.
Во всех остальных случаях нормирующее значение устанавливается стандартами для соответствующих видов СИ.
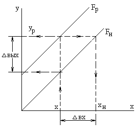
Для преобразователей определение абсолютных и относительных погрешностей несколько сложнее. Они определяются по входу вх и выходу вых и характеризуют отличие реальной характеристики преобразования y>p> = F>p>(x) от номинальной y>н>=F>н>(x). (см. рис. 7.)
Д
ля
оценки погрешности по выходу находят
значения y>р>
и
y>н>
при заданной величине x. Тогда вых
=
y>р>-
y>н
>,
а относительная погрешность =
вых/y>р>.
По входу вх
=
x>н>-
x; где
x>н>
=F>н>-1(y>р>)
определяется через значение y>р>
и функцию, обратную
F>н
>,
т.е.
x>н>
– такое значение x,
которое при номинальной характеристики
дало бы на входе значение y>р>;
=вх/x
– относительная
погрешность.
Уже отмечалось, что в зависимости от условий применения СИ погрешности делятся на основную (при нормальных условиях) и дополнительную (при рабочих условиях).
В зависимости от поведения измеряемой величины во времени различают статическую и динамическую погрешности, а также погрешность в динамическом режиме.
Статическая погрешность СИ (ст) – погрешность СИ, используемого для измерения постоянной величины (например, амплитуды периодического сигнала). Погрешность в динамическом режиме (дин.р.) – погрешность СИ, используемого для измерения переменной во времени величины.