Конструирование микросхемы, разработка топологии
I. Анализ электрической схемы
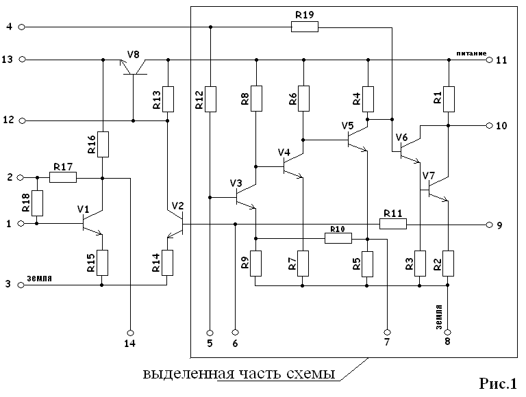
Расчёт мощностей рассеяния P>i>
Д
ля
упрощения расчётов P>i>
резисторов R>4>,
R>5>,
R>8>,
R>9>,
R>10>,
R>12>
и
R>19>
преобразуем
выделенную часть схемы рис.1 (только те
ветви, на которых находятся вышеуказанные
резисторы) в эквивалентную (рис.2).
Рассчитываем токи в контурах эквивалентной
схемы рис.2 методом контурных токов.

330I>111>-147I>222>-33I>444>=0
-1470I>111>+1517I>222>-47I>333>=0
-47I>222>+67I>333>-10I>444>=0
-3300I>111>-100I>333>+3400I>444>=5
I>111>(R>4>+R>19>+R>8>+R>12>)-I>222>(R>19>+R>12>)-I>444>R>4>=0
I>222>(R>19>+R>12>+R>10>)-I>111>(R>19>+R>12>)-I>333>R>10>=0
I>333>(R>10>+R>5>+R>9>)-I>222>R>10>-I>444>R>5>=0
I>444>(R>4>+R>5>)-I>111>R>4>-I>333>R>5>=E
= 111059850000 – 49237209000 – 11055924000 = 50766717000




= 345450 + 16405950 = 16751400 ;
I>111 >= = 0,000329968 A




= 775500 + 16250850 = 17026350 ;

I>222> = = 0,000335384 A


= 25030500 – 10804500 + 11399850 = 25625850 ;

I>333> = = 0,00050478 A


= 164059500 – 72390150 = 91669350 ;
I>444> = = 0,0018057 A
Зная контурные токи, мы можем рассчитать:
I>4> = I>444> – I>111> = 0,0018057 - 0,000329968 = 0,001475732 A
I>5> = I>444> – I>333> = 0,0018057 - 0,00050478 = 0,00130092 A
I>8> = I>111> = 0,000329968 A
I>9> = I>333> = 0,00050478 A
I>10> = I>333> – I>222> = 0,00050478 - 0,000335384 = 0,000169396 A
I>12> = I>1>>9> = I>222> – I>111> = 0,000335384 - 0,000329968 = 0,000005416 A
Теперь рассчитываем токи на остальных резисторах:







Д
ля
расчёта тока на резисторах R>11>,
R13 и
R14 представим
конденсатор на 9-ом выводе
как резистор с самым большим сопротивлением,
которое только имеем на схеме УПЧ и
схеме его включения (R>добавочное>=22000+22000=44000
Om см.
паспорт МС), т.е.:


Для более точного подсчёта I>15> – I>18> подробнее рассмотрим транзистор V1:
г




де
- коэффициент передачи тока (>КТ31>>7>>А
>
70)







II. Разработка маршрутного технологического процесса изготовления микросхемы.
Наиболее простым способом формирования рисунка микросхемы является напыление элементов через свободные маски. Если при этом зазор между маской и подложкой отсутствует, линейные размеры элементов строго соответствуют размерам щелей в маске (метод контактной маски). Наличие зазора между подложкой и маской, устранить который полностью невозможно, приводит к образованию «зоны размытости» рисунка. Причём размер этой зоны, как показывает практика, увеличивается с ростом толщины маски и клинообразности профиля её вырезов. С уменьшением же толщины снижается жёсткость маски и увеличивается её «провисание» над подложкой, что, в свою очередь, также приводит к росту зоны размытости.
Напыление резистивных и проводниковых плёнок выполняется в одной вакуумной камере в непрерывном процессе. Для сублимации применяют резистивный испаритель, покрытый гальваническим слоем сублимируемого вещества либо стержень из спрессованного и спёченного порошка сублимируемого вещества, а вещества, плохо взаимодействующие с тугоплавкими материалами испаряют из жидкого состояния. Напыления ведут на подогретые подложки, температуру которых регулируют изменением тока нагревателя. При достижении требуемой температуры подложек испаритель подводят на позицию испарения и подают на него напряжение. При нагреве испарителя вакуум в камере ухудшается, так как с поверхности испарителя происходит выделение газов. После окончания газовыделения и восстановления вакуума открывают заслонку и напыляют пленку сублимируемого вещества. При достижении требуемой толщины плёнки заслонку закрывают, на позицию переводят следующую подложку и так процесс продолжают для напыления плёнки на все подложки.
Нанесение Нанесение проводников
резистивного слоя и контактных площадок
М
аска
П


одложка
III. Расчёт геометрических размеров плёночных элементов.
П
режде
всего, для расчёта геометрических
размеров резисторов нужно найти мощность
P,
рассеиваемую каждым резистором.
Рассеиваемая мощность
на резисторе находится по формуле:
(1), где i – номер элемента.
Применяя формулу (1) найдём P>i> для каждого резистора (см. таблицу 1).
Так как резисторы R>1>, R>5>, R>7>, R>9>, R>10>, R>14>, R>15>, R>18> меньше 1000 Ом, то размещать их будем на другом слое.
Теперь, для того, чтобы выбрать
материал, из которого будут изготавливаться
резистивные плёнки, проводники и
контактные площадки нужно найти удельное
поверхностное сопротивление резистивной
плёнки для каждого слоя по формуле
(значения R>опт> см.
таблицу 1):
Зная R>опт> для каждого слоя, можем выбрать материал резистивной плёнки, контактных площадок и проводников, а также температурный коэффициент сопротивления и допустимую удельную мощность рассеяния P>0> соответствующий выбранному материалу:
I слой: резистивная плёнка – нихром, проволока Х20Н80 (ГОСТ 12766-67)
Контактные площадки
и проводники - медь
= 110-4
P>0> = 2 Вт/см2
II слой: резистивная плёнка – кермет К-50С (ЕТО.021.013 ТУ)
Контактные площадки
и проводники - золото с подслоем хрома (нихрома)
= -410-4
P>0> = 2 Вт/см2
Зная величину каждого резистора и R>о> слоя, в котором он находятся, можно найти коэффициент формы для каждого резистора данного слоя:

где К>ф> – коэффициент формы плёночного элемента (значения К>ф> см. в таблице 1).
Т



еперь
рассчитаем погрешность коэффициента
формы:
Таблица 1.
|
Номер R |
I |
Pi |
Резистор |
Ri |
1/Ri |
Rопт |
Kф |
|
1 |
0,0034543 |
0,008113888 |
R1 |
680 |
0,0014706 |
245,636 |
2,76832341 |
|
2 |
0,002651 |
0,007027801 |
R2 |
1000 |
0,001 |
4918,03 |
0,20333344 |
|
3 |
0,0008033 |
0,00212946 |
R3 |
3300 |
0,000303 |
4918,03 |
0,67100036 |
|
4 |
0,00147573 |
0,00718669 |
R4 |
3300 |
0,000303 |
4918,03 |
0,67100036 |
|
5 |
0,00130092 |
0,000169239 |
R5 |
100 |
0,01 |
245,636 |
0,40710638 |
|
6 |
0,00047755 |
0,002280587 |
R6 |
10000 |
0,0001 |
4918,03 |
2,03333441 |
|
7 |
0,00047755 |
0,000107188 |
R7 |
470 |
0,0021277 |
245,636 |
1,9134 |
|
8 |
0,00032997 |
0,001633183 |
R8 |
15000 |
6,667E-05 |
4918,03 |
0,20333344 |
|
9 |
0,00050478 |
2,54803E-05 |
R9 |
100 |
0,01 |
245,636 |
1,9134 |
|
10 |
0,0001694 |
1,34867E-05 |
R10 |
470 |
0,0021277 |
245,636 |
1,9134 |
|
11 |
3,4178E-06 |
1,16814E-08 |
R11 |
1000 |
0,001 |
4918,03 |
0,20333344 |
|
12 |
5,416E-06 |
1,37865E-07 |
R12 |
4700 |
0,0002128 |
4918,03 |
0,95566717 |
|
13 |
0,00032308 |
0,00156571 |
R13 |
15000 |
6,667E-05 |
4918,03 |
3,05000161 |
|
14 |
0,00032723 |
5,03286E-05 |
R14 |
470 |
0,0021277 |
245,636 |
1,9134 |
|
15 |
0,00100583 |
5,15964E-05 |
R15 |
51 |
0,0196078 |
245,636 |
0,20762426 |
|
16 |
0,00100583 |
0,004754962 |
R16 |
4700 |
0,0002128 |
4918,03 |
0,95566717 |
|
17 |
1,4167E-05 |
3,01056E-06 |
R17 |
15000 |
6,667E-05 |
4918,03 |
3,05000161 |
|
18 |
1,4167E-05 |
1,24436E-07 |
R18 |
620 |
0,0016129 |
245,636 |
2,52405958 |
|
19 |
5,416E-06 |
2,93331E-07 |
R19 |
10000 |
0,0001 |
4918,03 |
2,03333441 |
1).Для резисторов с 1 K >Ф > 10
Р

ассчитываем
ширину резистора:
Р
ассчитываем
длину резисторов:

г
де
h – длина
перекрытия для плёночных элементов,
расположенных в разных слоях (h
0,2 мм).
2).Для резисторов с 0,1 K>Ф> 1
Рассчитываем длину резисторов:





Р
ассчитываем
ширину резисторов:

Площадь резисторов равна:
Значения ширины, длины и площади каждого резистора см. таблицу 2.
Проверка:

1
).
Таблица 2.
|
Номер R |
Bточн/Lточн |
Bp |
Bрасч |
Lp |
Lрасчётн |
Lполн |
Sсм |
Проверка P0' |
Проверка |
Проверка |
|
1 |
0,37293958 |
0,038 |
0,37294 |
1,43242 |
0,005 |
1,518871 |
0,033795 |
11,070295 |
||
|
2 |
1,09593152 |
5,38982 |
0,02673 |
1,09593 |
1,49593 |
0,081 |
0,087163 |
0,00854 |
11,06254 |
|
|
3 |
0,46116892 |
0,68729 |
0,02673 |
0,46117 |
0,86117 |
0,006 |
0,359786 |
0,026162 |
11,080162 |
|
|
4 |
0,46116892 |
0,68729 |
0,0491 |
0,46117 |
0,86117 |
0,006 |
1,214237 |
0,026162 |
11,080162 |
|
|
5 |
0,94694806 |
2,32605 |
0,00587 |
0,94695 |
1,34695 |
0,031 |
0,005402 |
0,011723 |
11,048223 |
|
|
6 |
0,27625982 |
0,024 |
0,27626 |
0,96173 |
0,003 |
0,858374 |
0,046596 |
11,100596 |
||
|
7 |
0,41715887 |
0,005 |
0,41716 |
1,19819 |
0,005 |
0,021445 |
0,032318 |
11,068818 |
||
|
8 |
1,09593152 |
5,38982 |
0,01289 |
1,09593 |
1,49593 |
0,081 |
0,020256 |
0,00854 |
11,06254 |
|
|
9 |
0,41715887 |
0,003 |
0,41716 |
1,19819 |
0,005 |
0,005098 |
0,032318 |
11,068818 |
||
|
10 |
0,41715887 |
0,002 |
0,41716 |
1,19819 |
0,005 |
0,002698 |
0,032318 |
11,068818 |
||
|
11 |
1,09593152 |
5,38982 |
3,4E-05 |
1,09593 |
1,49593 |
0,081 |
1,45E-07 |
0,00854 |
11,06254 |
|
|
12 |
0,378961 |
0,39654 |
0,00026 |
0,37896 |
0,77896 |
0,003 |
4,46E-05 |
0,038056 |
11,092056 |
|
|
13 |
0,24590161 |
0,016 |
0,2459 |
1,15 |
0,003 |
0,553671 |
0,049362 |
11,103362 |
||
|
14 |
0,41715887 |
0,004 |
0,41716 |
1,19819 |
0,005 |
0,010069 |
0,032318 |
11,068818 |
||
|
15 |
1,59353231 |
7,67508 |
0,00231 |
1,59353 |
1,99353 |
0,153 |
0,000337 |
0,006319 |
11,042819 |
|
|
16 |
0,378961 |
0,39654 |
0,04767 |
0,37896 |
0,77896 |
0,003 |
1,539372 |
0,038056 |
11,092056 |
|
|
17 |
0,24590161 |
7E-04 |
0,2459 |
1,15 |
0,003 |
0,001065 |
0,049362 |
11,103362 |
||
|
18 |
0,38251703 |
2E-04 |
0,38252 |
1,3655 |
0,005 |
2,38E-05 |
0,033466 |
11,069966 |
||
|
19 |
0,27625982 |
3E-04 |
0,27626 |
0,96173 |
0,003 |
0,00011 |
0,046596 |
11,100596 |

2).


3).
Р
езультаты
проверки см. в таблице 2.
