Конструкции из дерева и пластмасс. Жилое здание из дерева в г.Купянск
МІНІСТЕРСТВО ОСВІТИ ТА НАУКИ УКРАЇНИ
КІРОВОГРАДСЬКИЙ ДЕРЖАВНИЙ
ТЕХНІЧНИЙ УНІВЕРСИТЕТ
Кафедра: «Будівельних, дорожніх машин та будівництва»
Курсова робота
з курсу «Конструкції з дерева і пластмаси»
Виконав: студент гр.ПБ-98-2
Свінцицький С.О..
Прийняв: к.т.н. доцент
Настоящий В.А.
Кіровоград 2001 р.
1. Вступ
Даний проект розроблено на основі завдання № 32 виданого кафедрою “Будівельні, дорожні машини та будівництво”.
2. Призначення будівлі
Проектуєма будівля призначена для житлових цілей в м. Купянск.
3. Розрахункова частина
3.1. Розрахунок покрівлі


В якості огороджувальних конструкції покриття приймаємо дощато-цвяхові щити з дошок третього сорту розміром в плані 2,0х1,5 м, які опирається на нерозрізні спарені прогони з другого сорту деревини. По дощатим щитам вкладають по шару рубероїда, утеплювач, асфальтова стяжка і троьохшаровий рубероїдний килим.
В якості утеплювача приймаємо 2 шара мінераловатних плит товщиною по 5 см кожна з об’ємною массою =350 кг/м3.
Відповідно класу відповідальності будівлі призначаємо коєфіцієнт надійності за призначенням >n>=0.95
3.1.1. Збір навантажень
При співвідношенні
коефіцієнт надійності для снігового
навантаження складає >f>=1.4
Таблиця 1 – навантаження на 1 м2 горизантальной проекції покриття.
|
№ |
Вид навантаження |
Нормативне навантаження кН/м |
Коефіцієнт наванта-ження >f> |
Розрахун-кове наван-таження кН/м |
|
1. |
Рулоний троьхшаровий килим |
0.10 |
1.3 |
0.13 |
|
2. |
Асфальтна стяжка =1 см, S=1800 кг/м3
|
0.18 |
1.3 |
0.23 |
|
3. |
Мінераловатні плити =10 см, S=350 кг/м3
|
0.35 |
1.3 |
0.46 |
|
4. |
Шар пароізоляції |
0.03 |
1.2 |
0.04 |
|
5. |
Дошки робочого настилу =19 мм, =700 кг/м3
|
0.133 |
1.1 |
0.15 |
|
6. |
Продольні діогональні бруски |
0.07 |
1.1 |
0.08 |
|
Всього постійне навантаження |
0.86 |
1.09 |
||
|
Спарені прогони перерізом 2х4.0х17.5 |
0.091 |
1.1 |
0.1 |
|
|
Тимчасове навантаження – сніг
|
0.7 |
1.4 |
0.98 |
|
|
Всього |
1.62 |
2.13 |
Покрівельний щит розраховуємо, як двох прольотну нерозрізну балку.
3.1.2. Розрахунок на постійне і тимчасове снігове навантаження.
Розрахунковий опір згину і модуль пружності деревини берези третього сорту з урахуванням коефіцієента умов роботи m>в> і коефіцієнта надійності по призначенню >n>:


де
- розрахунковий опір деревини.
Погоне навантаження на полосу щита шириною 1 м:
нормативне

розрахункове

Розрахунковий згинаючий момент:

Момент опору і момент інерції полоси 1 м:


Напруження

В зв’язку з малим напруженням зменьшуємо товщину дошок робочого настилу до = 16 мм, після чого слідує що:

Погоне навантаження становить:
нормативне

розрахункове

Згинаючий момент:

Геометричні характеристики:


Напруження:


Потоншення далі не можливе.
Перевіряємо жорсткість:

3.1.3. Розрахунок на зосереджений вантаж
PH=1 кН З коефіцієнтом надійності >f>=1.2 і постійне навантаження.
Розрахунковий згинаючий момент:

В зв’язку з наявності в щиті розкісної підшивки, зосереджений вантаж розподіляється на полосу настила шириною 0.5 м. Враховуючи це,

Напруження


де m>н> =1.2 – коефіцієнт умов роботи при дії монтажного навантження.
3.1.4. Розрахунок прогона
При відстані між прогонами 1 м навантаження на 1 м прогона:
нормативне

розрахункове

Розрахунковий згинаючий момент на опорах нерозрізного прогона прольотом 4.5 м

Потрібний момент опору

де
- для деревини береза другого сорту
Приймаємо прогон з двох дошок перерізом 40х175 мм, для якого:


Напруження:

Відносний прогин

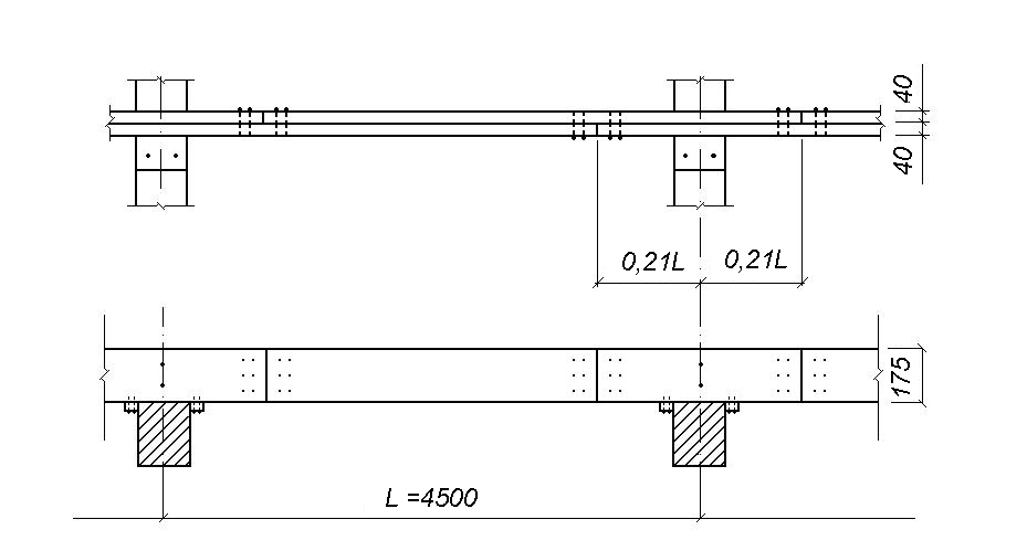
3.1.5. Розрахунок стику прогона
Стик дошок прогона розташовують в розбіжку на відстані 0.21L выд осі опор.
Для сполучення двох дошок між собою приймаємо цвях діаметром 4 мм і довжиною 120 мм.
Несуча спроможність одного цвяха для однозрізних сполучень:



де

Розрахункова несуча
спроможність

Необхідна кількість цвяхів з кожного боку стика

Приймаємо 6 штук.
3.2. Розрахунок кроквяної балки
Проектуємо клеефанерну балку з плоскими стінками з березової клееної фанери марки ФСФ. Уклон верхнього пояса балки приймаємо i=1:10. Верхній пояс проектуємо з дошок берези третього сорту перерізом 169х33 мм (після остружки дошок 175х40 мм) з пропилами, нижній з таких же дошок другого сорту. Переріз балки приймаємо коробчатий з трьома фанерними стінками товщиною 9 мм кожна.
3.2.1. Навантаження на балку
Навантаження на один кв.метр горизонтальної проекції від захисних конструкцій покриття і покрівлі.
, 
Нормативне снігове навантаження

де =1 – коефіцієнт переходу від снігового навантаження на поверхні землі до навантаження по покритті.
Власна вага балки

де k>вв> – коефіцієнт власної ваги балки

Розрахункове снігове навантаження
де

при

Погонне навантаження на балку:
нормативне

розрахункове

де a – крок несучих конструкцій.
3.2.2. Конструктивний розрахунок
Висоту поперечного перерізу балки в середині прольота – приймаємо: h=152.5 см, що відповідає стандартної ширині фанерного листа.
При уклоні покрівлі i=1:10 висота перерізу на опорі буде

Потрібна ширина перерізу балки визначається з виразу:

де
-
розрахунковий опір клеєної деревини
берези другого сорту розтягу вздовж
волокон.
Приймаємо пояса балки
з двох дошок з занальною шириною
.
Тоді загальна ширина балки

Розрахунковими перерізами балки будуть перерізи з координатами:
де

розрахунок по нормальним напруженням і на стійкість фанерної стінки;
x>2 >= 1.1 м (відстань від опори до першого стика)
розрахунок фанерних стінок по головним напруженням;
x>3 >= 0.55 м (відстань від осі опори до середини первої панелі балки)
розрахунок фанерної стінки на стійкість
x>4 >= 0 (опорний переріз)
розрахунок на зріз фанерної стінки і на сколювання між поясом і стінкою
x>5 >= l/2 – розрахунок по деформаціям
Для цих перерізів обчислюються:
згинаючий момент і поперечна сила

висота перерізу, відстань між центрами поясів, висота стіни в просвіті

приведені до фанери геометр. хар-ки
а) момент інерції

де
- коефіцієнт приведення
k>ф> – коефіцієнт, який враховує підвищення модуля пружності фанери при згині в площині листа.
б) момент опору

в) статичний момент площі на рівні внутрішньої кромки

Для перерізу

де
,
маємо








Для іншіх перерізів всі необхідні параметри обчислюють аналогічно. Результати обчислень зведені в табл.2
Таблиця 2.
|
№ пере-різу |
коор-дината x, м |
Зусилля |
Висота перерізу, см |
Приведені до фанери геометричні характеристики |
|||||
|
M, кНм |
Q, кН |
h>x> |
h>x> |
h>cт> |
I>пр>, см4 |
W>пр>, см3 |
S>пр>, см3 |
||
|
1. |
4.6 |
163.9 |
13.5 |
138.5 |
121.6 |
104.7 |
1366245 |
19729 |
9054 |
|
2. |
1.1 |
57.7 |
47.2 |
103.5 |
86.6 |
69.7 |
641647 |
12399 |
6448 |
|
3. |
0.55 |
30.3 |
52.5 |
98 |
81.1 |
64.2 |
556324 |
11354 |
6038 |
|
4. |
0 |
- |
57.8 |
92.5 |
75.6 |
58.7 |
478128 |
- |
5629 |
|
5. |
6.0 |
- |
- |
152.5 |
135.6 |
118.7 |
1752650 |
- |
- |
Перевірка напружень
Переріз 1
а) розтягуючі напруження і нижньому поясі

б) розтягуючі напруження в фанернії стінці:

де
- разрохун-ковий опір фанери розтягу
вздовж волокон зовнішніх шарів.
m>ф> = 0.8 – коефіцієнт, який враховує зниження розрахункового опору фанери, стикованої на вус при роботі його на згин в площині листа.
в) напруження стиску в верхньому поясі
При розкріпленні верхнього поясу з площини панелями покриття через 1.5 м гнучкість:

коефіцієнт поздовжнього згину:

Напруження:

де
- розрахунковий опір деревини берези
третього сорту стиску вздовж волокон.
Перевірка стійкості фанерної стінки.
Відстань між ребрами в
просвіті a=130
см. Висота фанерної стінки h>ст>=104.7.
Так, як
,
необхідна перевірка стійкості.
При
по графікам для фанери знаходимо k>u>;
k>>=3.5
Нормальні і дотичні напруження в фанерній стінці на рівні внутрішньої кромки поясів:


-
стійкість забезпечена
Переріз 2
В зоні першого від опори стика фанерних листів перевіряємо стінки на дію головних розтягуючих напружень. Нормальні і дотичні напруження в даній стінці на рівні внутрішньої кромки розтянутого пояса


Головне напруження розтягу

де

-
розрахунковий опір фанери розтягу під
кутом до напряму волокон зовнішніх
шарів при

Переріз 3
Перевіряємо стійкість фанерних стінок в опорній панелі. Відстань між ребрами жорсткості в просвіті а>0> = 100 см, висота факерної стінки h>ст >= 64.2 см
Так як
,
то потрібна перевірка стійкості.
При
находимо k>u
>= 19, k>>
= 3.4
Нормальні і дотичні напруження в фанерній стінці на рівні внутрішній кромкі поясів.


- стійкість забезпечена.
Переріз 4
а) Напруження зрізу в фанерній стінці на рівні нейтральної осі.

де
- розрахунковий опір фанери зрізу
перпендикулярно площині листа.
б) Напруження сколювання по вертикальним швам між поясами і стінкою

де
- розрахунковий опір фанери сколюванню
в площині листа поперек волокон зовнішніх
шарів.
Переріз 5
Прогин клеєфанерної балки в середині прольота визначаємо згідно

де

- модуль пружності фанери
- коефіцієнт, який враховує вплив
дотичних напружень на прогин

- коефіцієнт, який враховує
зміність перерізу по висоті.
Відносний прогин балки

3.3. Розрахунок опорного вузла балки
Опорна реакція балки передається на два вклеєні стержні. Необхідна довжина частини стержня, що заправляється:

де
- розра-хунковий опір сколюванню. n
– кількість стержнів, що вклеються.
Приймаємо l>H>>
> = 15 см.
3.4. Розрахунок колон будівлі
Приймаємо клеєні колони прямокутного перерізу висотою 9 м з деревини берези другого сорту.
3.4.1. Навантаження на колону
Постійний розрахунковий тиск на колону від покриття
де
Р>покр>, Р>вв>
– навантаження на 1 м2 горизонтальнлї
проекції від захисних конструкцій
покриття і власної ваги балки.
Тимчасове снігове навантаження

Тимчасове навантаження від стінового огородження

де Р>ст> – навантаження від 1 м2 стінового огородження.
Вітрове навантаження на колони:
ліву


праву


де W>0> = 0.30 кН/м2 швидкістний тиск вітру для району будівництва.
k – крефіцієнт, що враховує зміну вітрового тиску на висоті.
с>1>, с>3> – аеродінамічний коефіцієнт
>f> = 1.4 – коефіцієнт надійності по вітровому навантаженню
h>0> – висота стін вище відмітки колон.
Ширину перерізу колон приймаємо b = 16 см
Необхідну висоту перерізу визначаємо з виразу:

де


- розрахунковий опір стисканню
вздовж волокон деревини берези другого
сорту.
Приймаємо h = 62.7 см (19 шарів по 33 мм)
Навантаження від власної ваги колони

де
кН/м3 – об’ємна
вага деревини.
- коефіцієнт надійності по
навантаженню від власної ваги.
Рама являється один раз статично невизначеною системою. За зайву невідому приймаємо поздовжнє зусилля x в ригелі визначаємо його окремо від кожного виду навантаження.

де

h>n> – товщина панелі стінового огородження



Внутрішні зусилля в заправленні колон.
Згинаючі моменти


де
- коефіцієнт поєднання двох тимчасових
навантажень – снігового і вітрового.
Поперечні сили


Поздовжні сили

Розрахункове значення зусиль

3.4.2. Конструктивний розрахунок
Розрахунковим перерізом буде переріз ослаблений отворами під болти для кріплення сталевих накладок d>б >=16 мм.
Геометричні характеристики розрахункового перерізу
площа:

момент опору

де 0.8 – коефіцієнт, що враховує ослаблення в розрахунковому перерізі
Гнучкість колони в площині згину

де - умова закріплення.
Коефіцієнт

Напруження в поперечному перерізі

Сколюючі напруження в клеєному шві

де
- розрахунковий опір сколюванню при
згині клеєних елементів.
Перевіряємо стійкість площинної форми деформування.
Гнучкість із площини згину

коефіцієнт поздовжнього згину

де
- коефіцієнт підтримуючої дії закріплень
по розтягнутому від дії моменту ребру.
Коефіцієнт

де

k>ф> – коефіцієнт, що залежить від форми епюри згинаючих елементів.
Так як >м>, > у> – більше одиниці, стійкість площиної форми деформування забезпечена.
3.5. Розрахунок анкерного кріплення
Розрахунок анкерних болтів
виконуємо за максимальним розтягуючим
моментом. Зусилля при дії постійного
навантаження з коефіцієнтом надійності
замість
і вітровому навантаженні
П
оздовжня
сила
З
гинаючий
момент

де
Напруження на поверхні фундаменту



Розміри ділянок епюри напружень
д

е
S – відстань
від грані колони до вісі анкерного
болта.

Зусилля
розтягування в анкерних болтах

Необхідна
площа перерізу болта із сталі Вст3 кл2
д
е
- розрахунковий опір фундаментних болтів розтягуванню;
m>a> = 0.85 – коефіцієнт, що враховує нерівномірність навантаження болтів.
Приймаємо анкерні болти діаметром 22 мм і А>вп> = 3.8 см2
Необхідна кількість двух різних болтів діаметром 18 мм, що приєднують сталеві накладки до колони.
д
е
Т>роз> – розрахункова несуча
спроможність одного зрізу (болта), що
визначається як найменьше із значень


Приймаємо
шість болтів
Металеві елементи приймаємо із сталі ВСт3 пс товщиною 8 мм. Вважаючи на очевидний запас міцності їх розрахунок не виконуємо.
4. Захист від гниття і займання
Дії, направленні на забезпеченнія довговічності та пожарної безпеки дерев’яних конструкцій ділеться на два вида: конструктивні та хімічні. Конструктивні дії передбочають використання сухих пиломатеріалів для виготовлення конструкцій, устрою гідроізоляції від грунтової води, захист конструкції від атмосферних осадків та ін. (захист від гниття); проектування конструкції масивного поперечного перерізу без пустот та виступів, добра остружка поверхні (захист від возгорання).
Наряду з конструктивними діями, необхідно застосовувати хімічні засоби захисту конструкції від гниття та возгорання.
Деякі з них зводяться в табл.3
Таблиця 3
|
Конструкції та їх елементи |
Заходи захистной обробки |
Засіб |
|
Несущі конструкції: клеєні неклеєні Огороджуючі конструкції, деталі каркаса, та внутрішні поверхні обшивок 3. Места соприкасання клеєних елементів з бетоном, камнем, металом |
Окраска вологозахистними матеріалами Пропитка розчином антиперена (50кг/м3) та антисептика (2.5…3.6 кг/м3) Поверхнева обробка комбінованими розчинами солей Нанесення паст антисептичних після чого с нанесенням гідроізоляції рулоними матеріалами |
Пентафталева емаль ПФ-115, порхлорвінілові фарби 11ХВО 3% розчин фтористогонатрія, 20% розчин сульфата аммонія 3% розчин фтористого натрія, 20% розчин сульфата аммонія Паста антисептична на латексі марки 200 |
5. Література
Настоящий В.А., Яцун В.В., Лізунков О.В. Методичні вказівки до практичних розрахунків з дисципліни “Будівельні конструкції” розділ “Дерев’яні конструкції” для студентів спеціальності 7.092101 Кіровоград. РВЛ КДТУ. 2000. 47 с.
СНиП-25-30 Деревянные конструкции. Нормы проектирования. Госстрой СССР – М.: Стройиздат 1982 – 65 с.
СниП 201.07-85 Нагрузки и воздействия М.: Госстрой СССР, 1988 – 35 с.
Клименко В.З. Проектування дерев’яних конструкцій. Київ. 1993. 120 с.
Конструкции из дерева и пластмасс. Типовая программа и методические указания по курсу и выполнение курсового проекта./ Н.Т.Андрейко, Ю.А.Бедржицкий, А.Е.Соган и др. Полтава. Полт.ИСИ.1989.70с.
Зміст
1. Вступ 2
2. Призначення будівлі 2
3. Розрахункова частина 2
3.1. Розрахунок покрівлі 2
3.1.1. Збір навантажень 4
3.1.2. Розрахунок на постійне і тимчасове снігове навантаження. 5
3.1.3. Розрахунок на зосереджений вантаж 6
3.1.4. Розрахунок прогона 7
3.1.5. Розрахунок стику прогона 8
3.2. Розрахунок кроквяної балки 9
3.2.1. Навантаження на балку 9
3.2.2. Конструктивний розрахунок 10
3.3. Розрахунок опорного вузла балки 16
3.4. Розрахунок колон будівлі 17
3.4.1. Навантаження на колону 17
3.4.2. Конструктивний розрахунок 19
3.5. Розрахунок анкерного кріплення 21
4. Захист від гниття і займання 23
5. Література 25



