Математическое моделирование технологического процесса изготовления ТТЛ-инвертора
Министерство образования Российской Федерации
Новгородский государственный университет
имени Ярослава Мудрого
Кафедра физики твёрдого тела и микроэлектроники
Математическое моделирование технологического процесса изготовления ТТЛ-инвертора
Курсовая работа по дисциплине:
Математическое моделирование технологических процессов полупроводниковых приборов и ИМС
Принял:
доцент кафедры ФТТМ
___________ Б.М. Шишлянников
“_____” _________ 2000 г.
доцент кафедры ФТТМ
___________ В.Н. Петров
“_____” _________ 2000 г
Выполнил:
Студент гр. 6031
___________ Д.С. Бобров
“_____” _________ 2000 г.
Великий Новгород
2000
Техническое задание
1 Предложить топологический вариант и представить режим технологического процесса изготовления биполярной структуры интегральной схемы полагая, что локальное легирование производиться методом диффузии.
2 Представить распределение примесей в отдельных областях структуры. Процессы сегрегации примеси при окислении можно не учитывать.
3 Рассчитать параметры модели биполярного транзистора, исходя из значений слоевых сопротивлений и толщины слоев структуры.
4 Рассчитать входные и выходные характеристики биполярного транзистора.
5 Рассчитать основные параметры инвертора, построенного на базе биполярного транзистора (напряжения логических уровней, пороговые напряжения, помехоустойчивость схемы, времена задержки и средний потребляемый ток схемы).
6
Рассчеты провести для номинальных
значений режимов процесса диффузионного
легирования и для двух крайних значений,
определяемых с точностью поддержания
температур при легировании области
эмиттера Т=
1.5
0С.
7 Разрешается аргументированная корректировка параметров технологического процесса или заданных слоев, с тем чтобы получить приемлемые характеристики схемы.
Таблица 1- Исходные данные
Вариант |
Эмиттер |
База |
Коллектор |
||||
|
Примесь |
Т>ДИФ>, 0С |
Х>Je>>, >мкм |
Примесь |
N>S>>,> > >см -3 |
Толщина, мкм |
N>b,> см -3 |
|
|
3 |
мышьяк |
1100 |
0,4 |
бор |
2ּ10 18 |
0,6 |
1,5ּ10 16 |
Содержание
Введение 5
1Расчет режимов технологического процесса и распределение примесей после диффузии 6
1.1 Распределение примесей в базе 6
1.2 Расчет режимов базовой диффузии 6
1.3 Распределение примесей в эмиттере 8
1.4 Расчет режимов эмиттерной диффузии 8
2 Расчет слоевых сопротивлений биполярного транзистора 13
3 Расчет основных параметров инвертора 15
Заключение 18
Список используемой литературы 19
Реферат
Целью данной работы является моделирование технологического процесса изготовления биполярной структуры, затем ТТЛ-инвертора на базе этой структуры. В ходе работы необходимо рассчитать основные параметры схемы.
Пояснительная записка содержит:
-страниц………………………………………………………………..20;
-рисунков………………………………………………………………..4;
-таблиц…………………………………………………………………..3;
-приложений…………………………………………………………...10.
Введение
Развитие микроэлектроники и создание новых БИС и СБИС требует новых методов автоматизированного проектирования, основой которого является математическое моделирование всех этапов разработки микросхемы.
Необходимость внедрения гибких систем автоматизированного проектирования очевидна, поскольку проектирование микросхем сложный и длительный процесс. В настоящее время используется сквозное моделирование микросхем, которое включает в себя расчет и анализ характеристик и параметров на следующих уровнях:
-технологическом;
-физико-топологическом;
-электрическом;
-функционально-логическом.
В ходе данной работы нам необходимо осуществить сквозное проектирование схемы ТТЛ-инвертора на трех первых уровнях.
Расчеты предусматривается произвести с использование программы расчета параметров модели биполярного транзистора Biptran и программы схемотехнического моделирования PSpice.
1Расчет режимов технологического процесса и распределение примесей после диффузии
1.1 Распределение примесей в базе
Распределение примесей в базе описывается кривой Гаусса и определяется формулой:
,
(1)
где: N>S>- поверхностная концентрация акцепторов;
D- коэффициент диффузии примеси;
t- время диффузии;
-
глубина залегания коллекторного p-n
перехода.
Поверхностная концентрация определяется по формуле:
,
(2)
Из формулы 1 выражаем D>2>t>2>:

Тогда имеем следующее выражение для распределения примеси в базе:
,
(3)
Результаты расчета распределения примеси в базе приведены в таблице 1, а сама кривая представлена на рисунке 1.
1.2 Расчет режимов базовой диффузии
К основным параметрам диффузионного процесса относят время диффузии и температуру диффузии.
Из выражения 2 найдём произведение D>1>t>1> для первого этапа диффузии (загонки) по формуле:

где
В результате получим:

Коэффициент диффузии примеси определяется из выражения Аррениуса:
,
(4)
где
=5.1
(для бора) – постоянная диффузии,
=3.7
(для бора) – энергия активации,
k – постоянная Больцмана,
Т – температура процесса диффузии.
Таким образом для бора получаем следующее выражение:

Температуру базовой диффузии при загонке выберем равной 1073К (800С), а при разгонке 1373К (1100С) тогда:



1.3 Распределение примесей в эмиттере
Эмиттерную диффузию ведут в одну стадию и распределение примеси описывается erfc-функцией:

(5)
где
- концентрация предельной растворимости
мышьяка в кремнии при заданной температуре
(1100С);
-
глубина залегания эмиттерного p-n
перехода.
Диффузия мышьяка идёт в неоднородно легированную базовую область, поэтому расчётная формула усложняется:

(6)
где
при 1100С;
.
Подставив
эти значения в выражение 6 получим:
.
Подставляя это значение в выражение 5 получим распределение мышьяка в эмиттерной области после диффузии. График распределения представлен на рисунке 1.
1.4 Расчет режимов эмиттерной диффузии
Найдём,
по аналогии с базовой диффузией, для
эмиттерной время и температуру процесса.
В данном случае температура процесса
задана (1100С)
и необходимо найти только время диффузии.
Для этого необходимо сначала определить
коэффициент диффузии, который находится
из выражения 4. Постоянная диффузии D>0>
энергия активации
для фосфора равны 10,5 и 4,08 соответственно.
Тогда получаем:

Решив это уравнение получим:
;
t=98мин 33сек.
Так как эмиттерная диффузия проходит при высоких температурах, то она оказывает влияние на диффузию бора в базовой области. Необходимо учитывать это влияние. Учесть эмиттерную диффузию при базовой можно по следующей формуле:
.
(7)
Таким образом время разгонки при базовой диффузии с учётом влияния эмиттерной диффузии t>2>=53мин 44сек.. В таблице 2 представлены все основные параметры диффузионных процессов.
Таблица 2 – Параметры диффузионных процессов
|
Параметр |
Эмиттерная диффузия |
Базовая диффузия |
|
|
Загонка |
Разгонка |
||
|
Dt,
|
|
|
|
|
D,
|
|
|
|
|
t |
98мин 33с |
15мин 48с |
53мин 44с* |
* - время разгонки, представленное в таблице, уже с учётом эмиттерной диффузии
Совмещённое распределение примесей определяется выражением:

(8)
где
,
,
- концентрации эмиттерной, базовой и
коллекторной областей соответственно,
в данной точке.
График совмещённого распределения примесей представлен на рисунке 2.
Таблица 3-Распределение примесей в транзисторной структуре
|
Глубина залегания примеси |
Распределение примеси в эмиттере |
Распределение примеси в базе |
Суммарное распределение |
|
x, см |
N(x), см -3 |
N(x), см -3 |
N(x), см -3 |
|
0 |
1,6ּ10 21 |
2ּ10 18 |
1,59ּ10 21 |
|
4ּ10 –6 |
1,17ּ10 21 |
1,98ּ10 18 |
1,17ּ10 21 |
|
8ּ10 –6 |
7,81ּ10 20 |
1,94ּ10 18 |
7,79ּ10 20 |
|
1,2ּ10 –5 |
4,83ּ10 20 |
1,86ּ10 18 |
4,81ּ10 20 |
|
2,8ּ10 –5 |
2,59ּ10 19 |
1,36ּ10 18 |
2,45ּ10 19 |
|
3,2ּ10 –5 |
9,13ּ10 18 |
1,21ּ10 18 |
7,98ּ10 18 |
|
3,6ּ10 –5 |
3,13ּ10 18 |
1,06ּ10 18 |
2,05ּ10 18 |
|
4,8ּ10 –5 |
6,47ּ10 17 |
6,32ּ10 17 |
|
|
5,6ּ10 -5 |
4,31ּ10 17 |
4,16ּ10 17 |
|
|
6,4ּ10 –5 |
2,69ּ10 17 |
2,54ּ10 17 |
|
|
7,2ּ10 –5 |
1,58ּ10 17 |
1,43ּ10 17 |
|
|
8ּ10 –5 |
8,73ּ10 16 |
7,23ּ10 16 |
|
|
8,8ּ10 –5 |
4,52ּ10 16 |
3,02ּ10 16 |
|
|
9,6ּ10 –5 |
2,02ּ10 16 |
7,02ּ10 15 |
|
|
1,05ּ10 –4 |
9,08ּ10 15 |
5,91ּ10 15 |
|
|
1,1ּ10 –4 |
5,37ּ1015 |
9,62ּ10 15 |
|
|
1,15ּ10 –4 |
3,09ּ10 15 |
1,19ּ10 16 |
|
|
1,2ּ10 –4 |
1,74ּ10 15 |
1,33ּ10 16 |
|
|
1,3ּ10 –4 |
5,13ּ10 14 |
1,44ּ10 16 |
|
|
1,4ּ10 -4 |
1,36ּ10 14 |
1,48ּ10 16 |
|
|
1,5ּ10 –4 |
3,31ּ10 13 |
1,49ּ10 16 |

1- Распределение мышьяка в эмиттерной области после диффузии;
2- Распределение бора в базовой области после диффукзии;
3- Концентрация примеси в коллекторе
Рисунок 1-Профиль распределения примесей в эмиттере и базе

Рисунок 2- Суммарное распределение примесей эмиттера и базы
2 Расчет слоевых сопротивлений биполярного транзистора
Слоевые сопротивления для базовой и эмиттерной областей рассчитываем по следующей формуле:
,
(9)
где q = 1.6ּ10 -19 Кл – заряд электрона;
N(x,t) – распределение примеси в данной области транзисторной структуры;
μ(N(x,t)) – зависимость подвижности от концентрации примеси.
Зависимость подвижности от концентрации примеси определяется по формулам:

(10)

(11)
Таким образом, слоевое сопротивление эмиттера рассчитываем по формуле:
,
(12)
где N>ЭМ>(x,t) – распределение примеси в эмиттере рассчитанное по формуле 5.
Теперь произведём расчёт слоевого сопротивления базы по формуле:
,
(13)
где N>БАЗ>(x,t) – распределение бора в базовой области рассчитанное по формуле 1.
Для расчёта слоевых сопротивлений воспользуемся пакетом программ Mathcad 5.0 Plus, в результате расчёта получили следующие значения слоевых сопротивлений:
= 7.16
Ом/кв;
=
795 Ом/кв.
Произведём также расчёт слоевых сопротивлений для двух крайних значений, определённых с точностью поддержания температур при легировании области эмиттера Т=±1,5°С. В результате расчётов получим следующие значения слоевых сопротивлений:
при
Т = 1101,5°С
= 6.07 Ом/кв.
при
Т = 1098,5°С
=
7.37 Ом/кв.
Затем с помощью программы Biptran рассчитаем параметры моделей транзисторов при номинальной температуре и для двух крайних значений, определённых с точностью поддержания температур при легировании области эмиттера Т=±1,5°С.
В результате расчётов получаем следующие модели транзисторов (см. Приложение ).
3 Расчет основных параметров инвертора
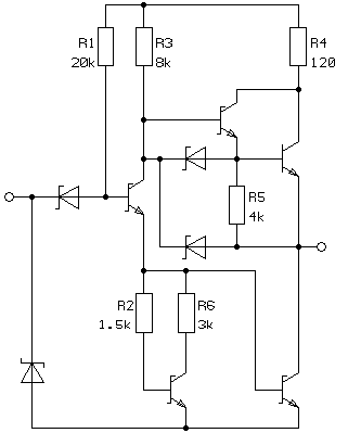
Схема инвертора представлена на рисунке 3.

Рисунок 3-Схема инвертора
В данной курсовой работе необходимо определить следующие параметры инвертора:
напряжение логических уровней;
пороговое напряжение;
времена задержки;
помехоустойчивость схемы;
среднюю потребляемую мощность.
Прежде чем приступить к расчету основных параметров инвертора, учтем влияние технологического процесса на номиналы резисторов. В данной работе мы будем выполнять высокоомные резисторы на основе базового слоя, а низкоомные на основе эмиттерного слоя, то естественно, что изменение температуры будет сказываться на номиналах резисторов.
Это связано с тем, как было описано выше, слоевое сопротивление изменяется с изменением температуры. Учитывая все выше сказанное и выражение:
,
где: l,b – геометрические размеры резисторов.
Тогда:
,
где: R’ – сопротивление с учетом температуры.
Таблица 4 – Сопротивления резисторов при различных температурах
|
R, Ом |
Т=1100 0С |
Т=1101,5 0С |
Т=1098,5 0С |
R1 |
20ּ103 |
19.8ּ103 |
20.20ּ103 |
|
R2 |
1.5ּ103 |
1.48ּ103 |
1.51ּ103 |
|
R3 |
8ּ103 |
7.98ּ103 |
8.08ּ103 |
|
R4 |
120 |
101.7 |
123.52 |
|
R5 |
3ּ103 |
2.97ּ103 |
3.03ּ103 |
При сравнении номиналов резисторов можно сделать вывод, что при увеличении температуры номиналы резисторов уменьшаются, а при уменбшении-увеличиваются.
Напряжение логических уровней определяем по передаточной характеристики ТТЛШ – инвентора, построенной при помощи пакета программ Pspice, которая представленаа в Приложении .
Напряжения логических нулей равны:
U° =B;
U' =B.
Для
того, чтобы найти пороговое напряжения
необходимо продифференцировать
,
тогда в соответствии с Приложением :
U°пор = 0.5B,
U'пор = 1.73B.
Зная напряжения логических уровней и пороговые напряжения, можно определить помехоустойчивость схемы:
Uпом = min(U0пом,U1пом)
U0пом = U0пор – U0
U1пом = U1 – U1пор
U0пом = В
U1пом
Uпом = В
Время задержки легко определить, сравнением входного и выходного импульсов (Приложение ) = В




Средняя потребляемая мощность определяется из графика в Приложении 10:




Таким образом, получим потребляемую мощность:

При расчёте выяснилось что у схемы маленькая помехоустойчивость. В связи с этим рекомендуется уменьшить сопротивление коллекторов у выходных транзисторов схемы (Q4 и Q5).
Это приведёт к уменьшению напряжения логического нуля, что в свою очередь приведёт к повышению помехоустойчивости схемы.
Заключение
В ходе данной работы было произведено сквозное проектирование ТТЛШ – инвертора. В результате были рассчитаны параметры биполярного транзистора. Профили распределения примесей в биполярной структуре представлены на графиках в Приложениях 1,2,3, а модели транзисторов в Приложении 6.
Кроме того мы рассчитали такие параметры ТТЛШ – инвертора, как напряжение логических уровней, пороговые напряжения, помехоустойчивость схемы, время задержки, среднюю потребляемую мощность. Результаты расчётов представлены в пункте 3 и приложениях 7,8,9,10. Полученные результаты удовлетворяют требованиям ТТЛШ – микросхем.
Расчёты представленные в этой работе являются приближёнными, так как для более точных расчётов необходимы более мощные средства автоматического проектирования.
В ходе работы мы пренебрегли процессами сегрегации примеси при окислении, а также зависимостью коэффициента диффузии от концентрации.
В результате работы мы получим математическую модель технологического процесса ТТЛШ –инвертора.
Список используемой литературы
1 Курносов А.И., Юдин В.В. Технология производства полупроводниковых приборов.- Москва.: Высшая школа, 1974. – 400с.: ил.
2 Черняев В.Н. Физико-химические процессы в технологии РЭА: Учебное пособие для вузов.- Москва.: Высшая школа, 1982. 224 с.: ил.
3 Матсон Э.А. Крыжановский Д.В. Справочное пособие по конструированию микросхем. –Мн.: Высшая школа, 1983. –271 с.: ил.
4
Коледов Л.А. Конструирование и технология
микросхем. курсовое проектирование:
Учебное пособие для вузов.- Москва.:
Высшая школа, 1984. –231с.: ил.







