Проект модернизации электропривода скребкового конвейера ОАО «Нойзидлер Сыктывкар»
МИНИСТЕРСТВО ОБРАЗОВАНИЯ РОССИЙСКОЙ ФЕДЕРАЦИИ
СЫКТЫВКАРСКИЙ ЦЕЛЛЮЛОЗНО-БУМАЖНЫЙ ТЕХНИКУМ
Дипломный проект
Тема: «Проект модернизации электропривода скребкового конвейера ОАО «Нойзидлер Сыктывкар»»
Группа: МЭ-41
Студент: Богомолов П.А.
Руководитель проекта: Чесноков Б.В.
Сыктывкар 2004 г.
СОДЕРЖАНИЕ
Стр.
1.
ВВЕДЕНИЕ……………………………………………………………………4
Лесопромышленный
комплекс «Нойзидлер Сыктывкар».
Общий обзор.
2. ОБЩАЯ ЧАСТЬ.
2.1. Общая характеристика производства…………………………………………6
2.2. Описание технологического процесса РОЦ……...…………………………..7
2.3. Актуальность темы дипломного проектирования…………………………...8
3. СПЕЦИАЛЬНАЯ ЧАСТЬ.
3.1. Требования к электроприводу скребкового конвейера применительно к условиям данного цеха……………………………………………………………10
3.2. Расчет и выбор электродвигателя…………….……………………………..11
3.3. Выбор частотного преобразователя. Обоснование выбора.……………….15
3.4. Описание принципа работы частотного преобразователя Vacon…………18
3.5 Расчет и выбор коммутационных аппаратов, силовых кабелей, защиты и автоматики…………………………………………………………………………20
3.6.Конструкторская разработка………………………………………………….25
4.ОРГАНИЗАЦИЯ ПРОИЗВОДСТВА.
4.1. Структурная схема электротехнической службы и отдельных
цехов……….…………………………………………………………………..27
4.2. Организация пусконаладочных работ после монтажа эл.оборудования….28
4.3.Организация эксплуатации управляемых электроприводов.………………32
5. ЭКОНОМИЧЕСКАЯ ЧАСТЬ.
5.1. Расчет затрат на модернизацию электропривода.………………………….33
5.2. Организация труда и заработной платы электромонтеров………………...37
5.3. Определение затрат на содержание электрооборудования………………..42
5.4. Технико-экономические показатели проекта……………………………….45
6. МЕРОПРИЯТИЯ ПО ТЕХНИКЕ БЕЗОПАСНОСТИ И
ПРОТИВОПОЖАРНОЙ ТЕХНИКЕ.
6.1. Опасные и вредные факторы.………………………………………………..46
6.2. Электробезопасность…………………………………………………………46
6.3. Пожарная безопасность………………………………………………………48
ЗАКЛЮЧЕНИЕ……………………………………………………………………51
СПИСОК ИСПОЛЬЗУЕМОЙ
ЛИТЕРАТУРЫ………………………………….53
Схемы
1) Схема электрическая принципиальная управления скребковым конвейером………………………………………………………………………...55
2) Принципиальная блок схема преобразователя частоты «Vacon»…………..56
3) Общая схема присоединений преобразователя частоты «Vacon»………….57

1. ВВЕДЕНИЕ
Лесопромышленный комплекс «Нойзидлер Сыктывкар».
Общий обзор.
ОАО "Нойзидлер Сыктывкар" – один из крупнейших производителей бумаги и целлюлозы в России с общим объёмом производства около 700 тысяч тонн продукции в год. Комплекс имеет интеграцию с рядом лесных холдинговых компаний, ТЭЦ и линиями производства целлюлозы. Ассортимент продукции включает офсетную и газетную бумагу, картон для упаковки жидких продуктов и упаковочный топ-лайнер.
"Нойзидлер Сыктывкар" считается устойчивым предприятием, относительно экономического роста в отрасли, увеличивая объёмы производства благодаря сочетанию новой продукции и экспорта. День 25 июня 1969 года стал днём официального рождения комбината. С этого момента идёт отчёт времени становления и развития этого уникального предприятия, освоение передовых технологий и новых видов продукции, совершенствования инженерных кадров. Совокупность технологий по глубокой химической и механической переработке древесины позволяет полностью и комплексно перерабатывать древесное сырьё и производить продукцию, пользующуюся неизменным спросом. Комплекс действующих производств включает оборудование, технологии, опыт известных зарубежных фирм Австрии, Германии, Италии. Жизнедеятельность предприятия обеспечивается собственной энергетикой, связанной с энергетической системой России, наличием на предприятии всех необходимых вспомогательных и ремонтных служб.
О
собенностью
целлюлозно-бумажной промышленности
является энергоёмкость, по потреблению
электроэнергии и расходу тепла которая
является одной из самой энергоёмкой
отраслей промышленности нашей страны,
и занимает соответственно шестое и
четвёртое место.
"Нойзидлер Сыктывкар" имеет собственную ТЭЦ, работающую на природном газе. Она вырабатывает 436 МВт электроэнергии и 3200 тонн пара в час. ТЭЦ обеспечивает до 200% потребителей комбината, что позволяет использовать избыток тепла и электроэнергии на нужды Сыктывкара.
Приобретённые за годы работы квалификация, опыт и усилия специалистов управленческого персонала и рабочих, обеспечили эффективное производство, и устойчивое финансовое состояние предприятия.
2. ОБЩАЯ
ЧАСТЬ.
2.1. Общая характеристика производства.
Цех подготовки древесного сырья (ЦПДС) ОАО «Нойзидлер Сыктывкар» предназначен для получения технологической щепы из древесины, приёма привозной щепы, автомобильной поставки и подачи щепы в производство. Цех подготовки древесного сырья обеспечивает сырьём варочный цех, цех полуфабрикатов высокого выхода. Проектная мощность – 3000 тыс.пл.м³ щепы в год. ЦПДС состоит из 3-х участков: участок выгрузки древесины, распиловочно-окорочный участок, древесно-сырьевой участок.
Участок выгрузки древесины занимается транспортировкой древесины в плотах и секциях, расформировкой её и подготовкой к выкатке из воды. Древесина мостовыми кранами поднимается из воды и выгружается с автотранспорта, далее подаётся через приёмные столы роспуска на переработку, или же складируется на площадках хранения древесины.
Распиловочно-окорочный участок состоит из 2-х цехов: распиловочно-окорочный цех (РОЦ) и древесно-подготовительный цех (ДПЦ-2).
Древесно-сырьевой участок состоит из 3-х потоков, один из которых оснащён корообдирочным станком. Древесина, поставляемая по железной дороге, или автомобильным транспортом окаривается, рубится, сортируется и поступает пневмотранспортом на хвойный и лиственный потоки ХТММ, в бункер №3 3Сщ для ТММ или конвейером в бункера 3СЩ для последующей транспортировки пневмотранспортом или ленточными транспортёрами через галерею №5 в варочно-промывной цех.
2
.2.
Описание технологического процесса
распиловочно-окорочного
цеха (РОЦ).
В распиловочно-окорчном цехе древесина поднимается из воды и выгружается с автотранспорта при помощи 2-х мостовых кранов, распиливается на балансы длиной 1,5 метра. Далее балансы окариваются в двухсекционных окорочных барабанах КБС-425, вращающихся со скоростью 6 об/мин или 9 об/мин, в зависимости от установленных электродвигателей. Балансы окариваются за счет трения об окорочные балки барабанов и друг от друга. В зимнее время в торец глухой секции барабанов подается пар при температуре 150° - 170°С. Степень окорки зависит от степени загрузки окорочного барабана (должно быть 50 - 60 % } и его производительности. Производительность КБС-425 регулируется положением гидравлически перемещаемой шандоры на высоте барабана. При достижении степени окорки 95%, производительность не более 60 пл. мЗ/час при 6 об/мин и 85 пл. мЗ/час при 9 об/мин. Расход пара при температуре выше 25 °С 55 кг/пл. Проваливающиеся через прорези открытой секции барабана кородревесные отходы конвейером транспортируются на площадку хранения, или, через корорубки в емкости закрытого склада щепы и на сжигание в утилизационных котлах ТЭЦ. Окоренные балансы конвейером подаются на рубительные машины №10,11 - МРН 300. Щепа может конвейером подаваться на площадку временного хранения, или пневмотранспортом на кучевое хранение, либо на сортирование в ДПЦ-1.
В распиловочно-окорчном цехе используется мехочищенная вода и пожарная вода поступающая с водоочистительной станции (ВОС) производства водопропускных сооружений (ПВПС).
Мехочищенная вода с давлением 3,8 - 4,2 кгс / см2 используется на технологические нужды - охлаждение воздуходувок, рубительных машин, на спрыски транспортерных лент, уборку помещений.

После использования мехочищенная вода ( ~50 % ), содержащая кору и щепу поступает на станцию биологической очистки (СБО) через насосные станции № 9, 4, 5. Мехочищенная вода, используемая на охлаждение оборудования (~ 50 % ) поступает в ливневую канализацию. Общий расход воды за год ~ 5108000м3.
Пожарная вода с давлением 4,2 - 4,5 кгс / см 2 используется на тушение пожаров, учебно - тренировочные занятия ВПЧ, на проверку системы на водоотдачу. Вода поступает по восьми вводам ( 6 вводов диаметром 159 мм и 2 ввода по 100 мм ) на 28 гидранта, в летнее время дополнительно подключается 32 гидранта и 144 лафетные установки. Общий расход воды за год ~ 53400м3 (18400м3 в зимнее время + 35000 м3 в летнее время).
2.3. Актуальность темы
дипломного проектирования.
Скребковый конвейер предназначен
для подачи коры с открытой площадки
хранения на ленточный конвейер, по
которому кора транспортируется в ТЭЦ
для сжигания её в котлах. По технологии
объём подачи коры необходимо регулировать,
поэтому для привода скребкового конвейера
применяем электропривод с регулированием
скорости вращения.
В ходе дипломного проектирования по вышеуказанной теме происходит знакомство с приоритетным в настоящее время современным электроприводом с частотным регулированием, система управления которого реализована на микропроцессорной базе. Входы и выходы таких приводов легко согласуются с входами и выходами современных автоматических систем управления технологическими процессами (АСУ ТП), в связи с чем эти приводы широко применяются для управления технологическим оборудованием. Частотно-регулируемый привод с микропроцессорной системой управления позволяет использовать простой по конструкции, высоконадёжный и экономичный асинхронный двигатель (АД) с короткозамкнутым ротором (КЗР) с характеристиками, не уступающим характеристикам двигателей постоянного тока (ДПТ).

3.
СПЕЦИАЛЬНАЯ ЧАСТЬ.
3.1 Требования к электроприводу скребкового конвейера применительно к условиям данного цеха.
При проектирование электрооборудования и устройств автоматики следует учесть что, цех РОЦ является производством, где технологические процессы связаны с выделением древесно-содержащей пыли, потреблением воды, а также пара.
Требования предъявляемые к электроприводу и автоматике:
1. Режим работы – продолжительный (круглосуточный);
2. Исполнение и степень защиты:
-для оборудования, установленного в цехе или вне цеха (эл. дв. IP44,
IP54);
-для оборудования, установленного в эл. помещении (пр. IP54).
3. Охлаждение – предпочтительно с самообдувом.
4. В отношении управляемых приводов:
- обратная связь в системе регулирования отсутствует.
Распиловочно-окорочный цех является пожароопасным, а также из-за применения пара производством с повышенной влажностью, поэтому при конструировании электрооборудования для таких предприятий и при проектировании электроприводов механизмов необходимо учитывать неблагоприятные условия данного производства. Обычно пользуются следу -
ю
щими
способами, обеспечивающими безопасное
и надежное исполь зование электрооборудования
на предприятиях с неблагоприятными
условиями окружающей среды: вынесение
электрооборудования в отдельные
электротехнические помещения с
благоприятными условиями. Это наиболее
радикальное средство защиты
электрооборудования, хотя в ряде случаев
оно сопряжено с увеличением капитальных
вложений на строительство специальных
помещений. Следует иметь в виду, что при
этом не могут быть вынесены электродвигатели,
сигнальные устройства оперативного
управления (кнопки, ключи, сигнальные
лампы) и датчики. Применение
электрооборудования в конструктивном
исполнение, точно соответствующем
условиям окружающей среды.
3.2. Расчет и выбор электродвигателя.
Основным требованием, предъявляемым рабочими механизмами к приводным двигателям, является обеспечение заданной производительности механизма при надлежащей надежности и экономичности их работы. Это требование может быть удовлетворено лишь при условии выбора двигателя соответствующей мощности.
В основном электродвигатели выбирают по следующим параметрам:
1. Величине напряжения.
2. Роду тока.
3. Частоте вращения вала двигателя.
4. Условиям окружающей среды.
5. Характеру и значению нагрузки.
В
нашем
случае выбор электродвигателя будем
производить в зависи-
мости от характера нагрузки и мощности, а также от частоты вращения вала двигателя.
Выбор электродвигателя по частоте вращения.
Прямое соединение электродвигателя с машиной с помощью муфты возможно только при совпадении частот вращения вала двигателя и вала приводного механизма. Если частоты не совпадают, то подбирают двигатель с большей частотой вращения вала и применяют соответствующий тип редуктора. Тип передачи выбирают в зависимости от необходимого передаточного числа и конструктивных особенностей производственной установки.
При выборе электродвигателя по номинальной частоте вращения учитывают и технические показатели. Масса и стоимость быстроходных двигателей меньше, а номинальные КПД и коэффициент мощности Cos φ больше.
Технико-экономические расчёты и практический опыт показывают, что в большинстве случаев наиболее экономичны двигатели с частотой вращения 1500 мин -1. Двигатели на 3000 мин -1 применяют для приводов центробежных насосов и вентиляторов большого напора. Двигатели на 1000 мин -1 используют для привода поршневых компрессоров, вентиляторов среднего напора большой производительности и в других случаях, когда возможно соединение с валом рабочей машины.
Технические данные скребкового конвейера: потребляемая мощность на валу рабочего механизма: P = 10 кВт. Коэффициент загрузки механизма: Кз.м. = 0,9.
В
ыбор
электродвигателя в зависимости
от характера и мощности нагрузки.
Мощность двигателя для привода рабочей машины определяют по мощности, потребляемой на её валу (Рпотр.), и режиму работы.
При выборе электродвигателя по мощности возможно два случая:
1. Потребляемая мощность на валу рабочей машины известна (приводится в технической характеристике машины).
2. Потребляемая мощность на валу машины не известна.
Во втором случае для определения потребляемой мощности нужно использовать нагрузочные диаграммы, снятые каким-либо регистрирующим прибором, нормативы, учитывающие расход энергии и выход вырабатываемой продукции.
Если известна потребляемая мощность, то электродвигатели выбирают следующим образом.
Определим расчетную мощность электродвигателя для привода по формуле:
Ррасч = Рнагр*ηп
Где Рнагр - мощность, потребляемая на валу машины при номинальном режиме работы, кВт.
Рнагр = 10 кВт
ηп - КПД передачи.
ηп = 0,9-0,93, т.к. тип передачи через редуктор.
Ррасч = 10*0,95 = 9,5 кВт.
2. По расчетной мощности из каталога выбираем электродвигатель с паспортной мощностью Рном ≥ Ррасч: 4А132М2СУ3 со следующими техническими данными:
●
Pн……………………………………………………………………..11кВт
● Iн……………………………………………………………………….22А
● Uн……………………………………………………………………..380В
● Частота вращения……………………....................................1500 об/мин
● Cosφ……………………………………………………………………..0,9
● К.П.Д…………………………………………………………………..0,88
● Iп/Iном = (Кi)…………………………………………………………...7,5
● Мmax/Mном……………………………………....................................2,2
3. Вычислим коэффициент каталожной нейвязки:
Кк.н. = Ррасч / Рном = 9,5 / 11 = 0,86
4. Расчитаем коэффициент загрузки электродвигателя:
Кз.д.= Кк.н. * Кз.м.
Где: Кз.м.- коэффициент загрузки механизма, для поточно-транспортных систем = 0,9.
Кз.д.= 0,86 * 0,9 = 0,77.
5. Определим мощность, присоединенную к сети Рприс. в кВт:
Рприс. = Рн / ηдв = 11 / 0,88 = 12,5 кВт
6. Определим потребляемую мощность электропривода с учетом
коэффициента загрузки:
Рпотр = Рприс * Кз.д. = 12,5 * 0,77 = 9,62 кВт.
3
.3
Выбор частотного преобразователя.
Обоснование выбора.
Принципиальная возможность регулирования угловой скорости асинхронного двигателя изменением частоты питающего напряжения вытекает из формулы ω = 2πf (1-s)/p. При регулировании частоты также возникает необходимость регулирования амплитуды напряжения источника, что следует из выражения U ≈ Е = kФf. Если при неизменном напряжении изменять частоту, то поток будет изменяться обратно пропорционально частоте. Так, при уменьшении частоты поток возрастает, и это приведет к насыщению стали машины и как следствие к резкому увеличению тока и превышению температуры двигателя; при увеличении частоты поток будет уменьшаться и как следствие будет уменьшаться допустимый момент.
Для наилучшего использования асинхронного двигателя при регулирова-
нии угловой скорости изменением частоты необходимо регулировать напряжение одновременно в функции частоты и нагрузки, что реализуемо только в замкнутых системах электропривода. В разомкнутых системах напряжение регулируется лишь в функции частоты по некоторому закону, зависящему от вида нагрузки.
Из всех возможных способов регулирования этот способ позволяет плавно изменять угловую скорость в наиболее широком диапазоне (до 10 : 1, а иногда и более). Для его осуществления требуется, чтобы двигатель (или группа двигателей) получал питание от отдельного источника. В качестве такого источника могут быть использованы электромеханические или статические преобразователи частоты. В связи с развитием полупроводнико-
вой техники в настоящее время наиболее предпочтительными являются полупроводниковые статические преобразователи фирмы Vacon.
О
боснование
выбора преобразователя.
Компактные преобразователи частоты Vacon серии CXL перекрывают диапазон мощностей 0,55 кВт – 1,5 МВт для трехфазных напряжений 200/400/500/690 В. Преобразователи частоты Vacon удовлетворяют самым жестким требованиям директив по электромагнитной совместимости, установленных ЕС.
Высокая помехоустойчивость и небольшое излучение электромагнитных помех достигнуты за счет специальной оболочки, встроенного дросселя переменного тока, фильтра радиочастотных помех, а также других техничес-
ких решений. Входной дроссель снижает также уровень высших гармоник, генерируемых преобразователем частоты в питающую сеть. Современная технология векторного управления без датчиков обратной связи по скорости, быстродействующая интегрированная цепь управления, а также непосредственное измерение тока в трех фазах гарантируют качественное управление электродвигателем и адаптируемость преобразователя частоты даже к самым сложным условиям применения. С другой стороны, благодаря подробным руководствам, удобной панели управления и специализированным программным продуктам для персонального компьютера работа с преобразователями частоты Vacon во всех случаях не представляет сложностей.
● Преобразователи частоты Vacon ориентированы на мировой рынок. Они изготовляются в соответствии с европейскими нормами, специалистами с высокой квалификацией и богатым производственным опытом.
● Высокое качество обеспечивает выбором лучших технических решений и комплектующих.
● Каждый преобразователь частоты подвергается выходному контролю и испытаниям в предельных условиях эксплуатации.
● К
каждому преобразователю частоты
прилагается акт испытаний.
● Преобразователя имеют разнообразные функции.
● Предусматривается блокировка параметров, повышающая безопасность изделия во время эксплуатации.
● Расчетный срок службы преобразователя частоты ─ более 500.000 часов.
Срок службы в предельных условиях эксплуатации (100% нагрузка, мак-
симальная температура окружающей среды, непрерывная работа в течении 24 часов полную неделю) составляет 50.000 часов.
Преобразователи частоты Vacon имеют малые габариты и легко встраивает ся в различные системы.
Построенные по блочно-модульному принципу макропрограммы облегчают ввод в эксплуатацию преобразователя частоты на различных объектах. Помимо базовой макропрограммы в распоряжении пользователя имеются:
● Стандартная макропрограмма.
● Макропрограмма “Местное / дистанционное управление”.
● Макропрограмма с набором фиксированных скоростей.
● Макропрограмма с ПИ-регулированием.
● Универсальная макропрограмма.
● Макропрограмма управления насосами и вентиляторами (с функцией
выравнивания моторесурса агрегатов).
Преобразователи частоты Vacon отличаются большой простотой в эксплуатации.
● Подробные руководства на русском языке, а также более чем на 20
языках.
● Благодаря макропрограммам количество параметров
настройки сведено к минимуму.
● Специализированные программные продукты и руководства можно
получать из Интернета.
● Простые
в эксплуатации панели управления
(стандартные, буквенно-цифровые,
графические).
● Предварительная установка основных параметров: достаточно ввести в
преобразователь частоты данные двигателя, указанные в заводской бир-
ке; остальное Vacon сделает сам.
● Удобные присоединения цепей ввода-вывода, разъемные клеммники.
● Выход RS232C для персонального компьютера.
● Сетевые адаптеры для всех локальных промышленных сетей.
Все эти преимущества делают преобразователь частоты Vacon удобным и надёжным в эксплуатации и предоставляющим неограниченные возможности в регулировании скорости различных производственных механизмов, в нашем случае, скребкового конвейера.
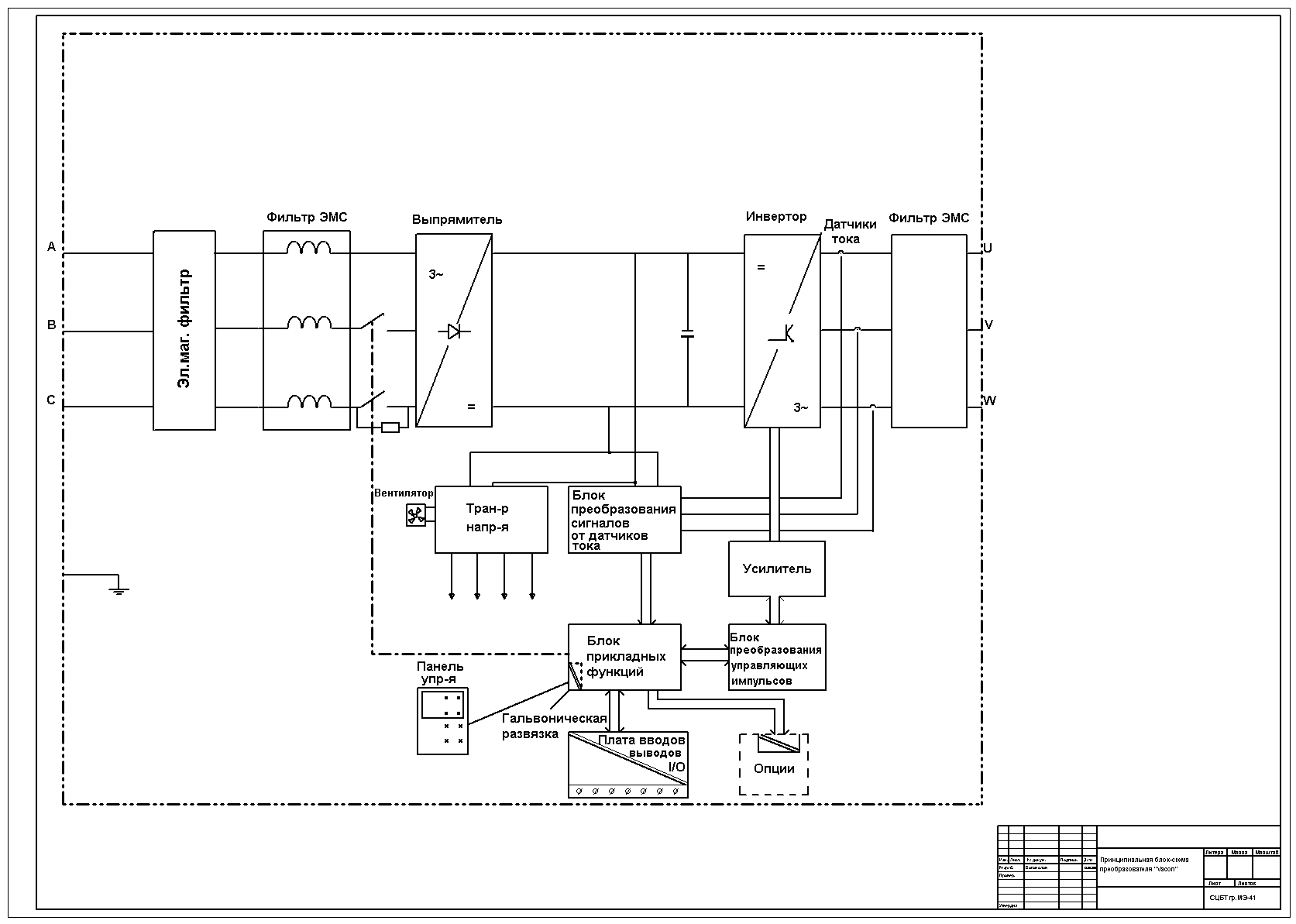
3.4 Описание принципа работы частотного преобразователя Vacon.
В основе частотного преобразователя Vacon лежит технология векторного управления без обратной связи, связанная с адаптивной моделью двигателя и специализированной интегральной схемой. Работа математической модели двигателя базируется на данных о величине тока, измеряемого в каждой фазе и уровня рабочего напряжения, выдаваемого цепями блока управления. В модели автоматически идентифицируются параметры электродвигателя, как для бездатчикового векторного режима, так и для скалярного управления, при этом отслеживаются текущие изменения параметров во времени. Векторное управление основывается на системе координат вектора потока статора, которая слабо восприимчива к небольшим отклонениям в измерениях показателей и параметров двигателя, что упрощает расчёты. Цепи блока управления также осуществляют контроль за обменом информацией по внутренним шинам и отдельными внешними функциями, тем самым высвобождая процессор для решения других задач.
Принцип
работы преобразователя заключается в
следующем: трёхфазный дроссель переменного
тока с конденсатором промежуточного
звена постоянного тока образует
индуктивно-ёмкостной фильтр, который
совместно с диодным мостом обеспечивает
постоянное напряжение на входе инвертора
на транзисторах IGBT
(биполярные транзисторы с изолированным
затвором). Дроссель переменного тока
фильтрует также высокочастотные помехи
приходящие из сети в преобразователь
и генерируемые преобразователем в сеть.
Кроме того, он улучшает форму кривой
тока, подаваемого на преобразователь.
Инверторный мост на транзисторах формирует симметричное трёхфазное напряжение регулируемое методом широтно-импульсной модуляции, подаваемого на электродвигатель. Мощность, потребляемая из сети является практически активной.
Блок прикладных функций и управления двигателем реализован с использованием микропроцессорных средств. Микропроцессор управляет двигателем в соответствии с замеренными значениями, уставками соответствующих параметров, а также управляющими командами, формируемыми цепями платы ввода-вывода и панелью управления. Блок прикладных функций в свою очередь выдаёт команды на блок управления двигателем, который определяет параметры коммутации транзисторов IGBT. Драйверы усиливают управляющие сигналы, обеспечивая коммутацию IGBT модулей.
Панель управления обеспечивает связь между оператором и преобразователем частоты. С помощью панели управления оператор может устанавливать параметры, читать информацию о состоянии оборудования и формировать управляющие команды.

3.5 Расчет и выбор коммутационных аппаратов, силовых кабелей, защиты и автоматики.
Для увеличения срока работы электродвигателей необходимо технически грамотно выбрать аппаратуру управления и защиты. Выбрать аппарат ─ это значит отобрать из многих однотипных аппаратов самый экономичный, технические данные которого полностью соответствуют условиям окружающей среды. Кроме этого, необходимо учитывать требования техники безопасности.
Методика выбора аппаратов управления и защиты установлена руководящими техническими материалами РТМ «Методика выбора элементов пускорегулирующей и защитной аппаратуры электроприводов машин». Согласно этому документу аппараты управления и защиты выбирают в зависимости от установленной мощности и режима работы электроприемника, условий внешней среды, технических требований и монтажного исполнения.
Выбор аппаратов защиты начинают с определения вида (принципа действия) защиты. Неправильный выбор вида защиты может способствовать интенсивному старению изоляции и сокращению срока службы электроприемников, возникновению пожаров, а так же поражению людей электрическим током.
Выбор автоматов управления (магнитных пускателей, контакторов, автоматических выключателей, рубильников) и защиты (предохранителей, автоматических выключателей, тепловых реле) производится по номинальному току нагрузки, номинальному напряжению и роду тока питающей сети. Чтобы предохранители и выключатели надежно защищали электроприемники и сети от коротких замыканий и перегрузок, они проверяются по номинальному току плавкой вставки и соответственно току срабатывания расцепителя. Кроме того, они должны быть проверены на селективность. Эксплуатационные требования и условия среды в месте установки аппаратов так же должны учитываться при их выборе.
Для
управления электродвигателями длительного
и повторно-кратковременного режимов
работы рекомендуется применять магнитные
пускатели и контакторы, обеспечивающие
защиту их от перегрузки и нулевую защиту.
Они предназначены для частых коммутаций
рабочих токов и редких отключений при
токах перегрузки. Длительная эксплуатация
аппаратов обеспечивается в условиях
не только включения, но и отключения
пусковых токов. Для группы электродвигателей,
служащих приводом одной машины или же
ряда машин, осуществляющих единый
технологический процесс, следует, как
правило, применять общую аппаратуру
управления, в остальных случаях каждый
электродвигатель должен иметь отдельные
аппараты управления и защиты.
При управлении из нескольких мест необходимо предусматривать аппараты (выключатели, переключатели), не дающие возможность дистанционного пуска механизма или линии, остановленных на ремонт. В случаях, когда оператор проектируемого механизма не сможет определить по состоянию аппарата управления, включена или отключена главная цепь электродвигателя, рекомендуется применять световую сигнализацию.
Аппараты управления следует располагать ближе к электродвигателям в местах, удобных для обслуживания. Если с места, где установлен аппарат управления электродвигателем, не виден приводимый им механизм и если этот механизм имеет постоянный обслуживающий персонал, необходимо предусмотреть следующие мероприятия для предотвращения несчастных случаев:
установку кнопки пуска электродвигателя непосредственно у механизма;
сигнализацию или звуковое оповещение о предстоящем пуске механизма;
у
становку
вблизи электродвигателя и приводимого
механизма аппаратов для аварийного
отключения электродвигателя, исключающих
возможность пуска.
Применение установочных автоматических выключателей рекомендуется в цеховых распределительных устройствах на щитах подстанций для защиты отходящих линий, если иные выключатели применять нельзя. Защиту электродвигателей от коротких замыканий рекомендуется осуществлять с помощью предохранителей или автоматических выключателей, а от перегрузок - с помощью тепловых реле.
Расчёт и выбор автоматического выключателя.
Автоматические выключатели предназначены для автоматического размыкания электрических цепей при аварийных режимах (КЗ и перегрузках), для редких оперативных переключений (три – пять в час) при нормальных режимах, а также для защиты электрических цепей при недопустимых снижениях напряжения.
В нашем случае роль автоматического выключателя сводится к защите преобразователя частоты со стороны питающей сети, т.к. все защиты электродвигателя (перегрузка, обрыв фазы, заклинивание, тепловая защита, защита от работы с недогрузкой, защита от сверхтока) реализуются и контролируются преобразователем.
Технические данные преобразователя частоты Vacon 18,5 CXL4:
Pном.пр……………………………………………………..18,5 кВт.
Iном.пр. ……………………………………………………… 42А
Uном……….………….………………………………………400В.
Найдем
ток теплового расцепителя:
Iт.расц..≥
Iном.пр.
Iт.расц. = 1,1*Iн [A];
Iт.расц. = 1,1*42 = 46,2 А
Кратность тока уставки автомата Iном.пр. / Iт.расц.:
К = 42 / 46,2 = 0,9.
По этим условиям выбираем по справочнику (с.604 Федоров) автоматический выключатель типа: АЕ2040.
Параметры выключателя:
Uн = 380 В
Iн = 50 А
Iт.расц = 46,2 А .
Для питания частотного преобразователя по схеме необходимо выбрать магнитный пускатель.
Магнитные пускатели предназначены главным образом для дистанционного управления асинхронным электродвигателем с короткозамкнутым ротором мощностью до 100кВт; для пуска непосредственным подключением к сети и останова электродвигателя (нереверсивные пускатели); для пуска, останова и реверса электродвигателя (реверсивные пускатели). В исполнении с тепловым реле пускатели также защищают управляемые электродвигатели от перегрузок. Магнитный пускатель представляет собой трехполюсный контактор переменного тока с прямоходовой магнитной системой.
Пускатели выбирают по следующим условиям:
Напряжение втягивающей катушки должно быть равно напряжению сети.
Номинальный ток пускателя должен
быть больше или равным силе тока нагрузки.
Пускатель должен обеспечивать нормальные условия коммутации.
Исполнение и степень защиты должны соответствовать условиям окружающей среды.
Выбираем по таблице 3.6 (с.143 Коновалова) исходя из номинального тока преобразователя магнитный пускатель типа ПМЛ-3600 с параметрами:
Параметры пускателя:
Uн = 380 В.
Iн = 63 А.
Uкат. = 220В.
Пускатель на условия коммутации проверять не нужно, так как разгон двигателя осуществляется плавно и пусковые токи, характерные при прямом пуске отсутствуют.
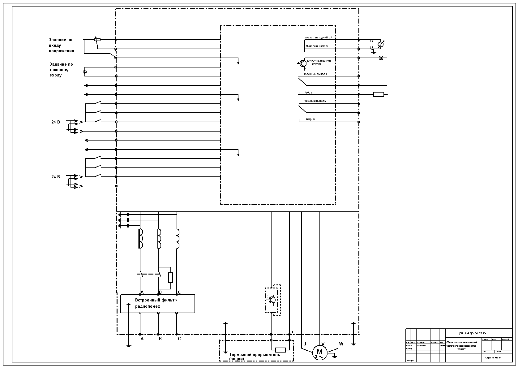
Сетевой кабель и кабель для подключения электродвигателя выбираем в соответствии с руководством эксплуатации преобразователя и рекомендациями завода-изготовителя для подключения частотных преобразователей Vacon: кабели рассчитаны по номинальному току преобразователя.
По таблице руководства выбираем четырёхжильные экранированные медные кабеля с сечением 10 мм2 ( КВВГэ - 4 *10).
Прокладка кабелей должна вестись как можно дальше от информационных кабелей связи, если такие применяются на производстве, для наименьшего наведения помех в них.
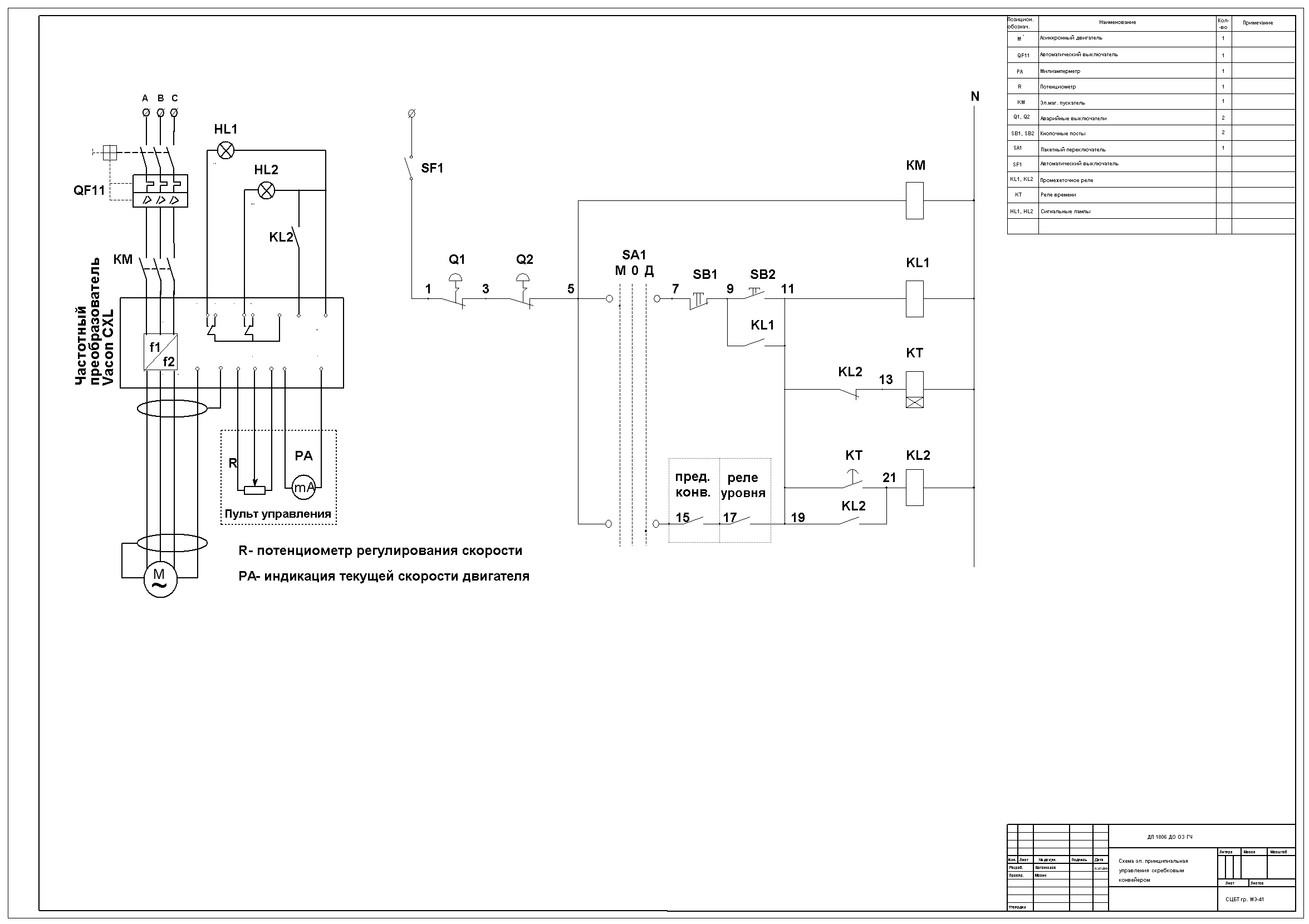
3
.6.Конструкторская
разработка
В качестве конструкторской разработки необходимо разработать схему управления скребковым конвейером. Схема должна осуществлять дистанционное управление включением и выключением частотного преобразователя. В схему управления необходимо ввести потенциометр, позволяющий регулировать напряжение в необходимых пределах, которое подаётся на вход преобразователя для ручного регулирования скорости, а также миллиамперметр для индикации скорости электродвигателя на пульту управления оператора. Данная схема должна быть построена таким способом, чтобы исключить пуск двигателя, когда не выполнены ниже перечисленные условия:
• Переключатель местного и дистанционного управления не должен находиться в положении “0”
• Скребковый конвейер транспортирует кору на другой ленточный конвейер, поэтому, чтобы не произошло засыпания последнего, они должны быть сблокированны.
• Так же в схеме должно быть предусмотрено реле уровня коры в циклоне, которое в случае закупорки коры в последнем, отключает весь механизм.
• По «Правилам устройства
электроустановок» (ПУЭ) при наличии
дистанционного управления электродвигателем
какого-либо механизма вблизи последнего
должен быть установлен аппарат аварийного
отключения, исключающий возможность
дистанционного или автоматического
пуска электродвигателя до принудительного
возврата этого аппарата в исходное
положение.
• По ПУЭ вблизи
электродвигателей, которые управляются
дистанционно, должна быть предусмотрена
звуковая и световая сигнализация для
оповещения технологического персонала
о том, что на данную электроустановку
будет подано напряжение.
Разработанная
схема представлена в графической части.

4
.
ОРГАНИЗАЦИОННО -ТЕХНОЛОГИЧЕСКАЯ ЧАСТЬ.
4.1. Структурная схема электротехнической службы производства.
Управление энергетики.
Начальник
управления энергетики.
Заместитель
начальника управления энергетики.
Начальник центральной
электрической службы.
Заместитель
начальника центральной электрической
службы.
Начальник участка ВВС.
Начальник смены ВВС.
Начальник ЭТЛ.
Мастер ЭТЛ.
Мастер по ремонту ВВ
оборудования.
Служба регулируемых приводов.
Начальник службы регулируемых
приводов.
Начальник участка КДМ-21.
Начальник участка БДМ-11.
Начальник
участка БДМ-14.
Начальник участка
ППВ.
Начальник участка ремонтно-механического
завода.
Электромонтажный участок.
Начальник
электромонтажного участка.
Мастер
электромонтажного участка.

4.2. Организация пусконаладочных работ после монтажа электрооборудования
Работы по наладке электроустановок являются завершающей частью комплекса электромонтажных работ и выполняются той организацией, которая проводит основные электромонтажные работы и несет за них ответственность.
Целью наладочных работ является обеспечение электрических параметров и режимов работы электрооборудования, заданных проектом технических показателей и надежности работы.
Порядок выполнения работ:
1. До начала пусконаладочных работ должны быть выполнены следующие подготовительные мероприятия:
изучение технической документации заводов-поставщиков электрооборудования;
произведены проверочные расчеты и согласование уставок реле управления и защиты;
подобраны необходимые инструкции и техническая литература.
2. На месте производства работ руководитель наладочных работ обеспечивает выполнение следующих подготовительных мероприятий:
определяет производственные помещения для лабораторий;
совместно с руководителем монтажных работ устанавливает время начала наладочных работ.
3. В соответствии с объемом и сроками выполнения наладки, определяется сеть участков, бригад и звеньев на объекте.
4
.
Каждый участок, бригада, звено должны
получить определенное задание и срок
выполнения работ.
5. Проверяется организация и экипировка рабочих мест бригады, каждое рабочее место размещается в непосредственной близости от налаживаемого оборудования. На рабочем месте должны быть необходимые измерительные приборы и инструменты.
6. Временные питающие электрические сети должны соответствовать всем правилам техники безопасности. Рабочее место должно иметь достаточное освещение.
7. Обязанности руководителя наладочных работ по объекту определяют в специальных должностных инструкциях.
Во время проведения наладочных работ, ведутся оперативные записи результатов измерений и испытаний по ходу работ в соответствующий бланк протокола, для последующей подготовки технической отчетной документации.
В проект производства наладочных работ должен быть включен отдельным пунктом объем наладочных работ, предназначенных для выполнения монтажа электрооборудования на объекте в специально отведенных помещениях находящихся в близи объекта.
Порядок выполнения работ:
1. Работы, проводимые вне зоны монтажа при наличии крупных партий сложного электрооборудования, если это предусмотрено проектом производства работ, производится предварительная наладка электрооборудования до готовности строительно-монтажных работ и передачи его в монтажную зону. При этом должны быть выполнены:
проверка и наладка всех блоков системы автоматического управления;
п
роверка
и наладка релейно-контактной аппаратуры
и приборов релейной защиты;
проверка и наладка силовой части агрегата.
2. Наладочные работы, выполняемые по совместному графику с монтажными работами:
к началу наладочных работ непосредственно на объекте должны быть установлены все системы управления и защиты агрегата, а также цепи сигнализации и распределительные устройства.
Состояние помещений, на которых смонтировано электрооборудование, подлежащее наладке, должно обеспечивать координальные и безопасные условия производства работ.
При совмещенном проведении наладочных и монтажных работ выполняются только те наладки, которые не требуют подачи напряжения в монтируемые электрические установки.
к моменту полного окончания монтажа, электроустановки до подачи напряжения по постоянной схеме, должны быть устранены все выявленные в ходе наладки дефекты и недоделки монтажа, и выполнены следующие работы:
а) отчищены и покрашены помещения и электрооборудование;
б) сделаны необходимые надписи на электрооборудовании в соответствии с правилами;
в) закончена ревизия всего электрооборудования.
к моменту окончания наладочных работ, по совместному графику с монтажными работами, наладочной организацией должны быть выполнены следующие работы:
а) закончена проверка правильности выполнения монтажа первичных и вторичных цепей;
б
)
проверена вся аппаратура, сняты
необходимые характеристики и выполнены
установки;
в) проведены испытания повышенным напряжением изоляция кабелей, распределительных устройств и другого оборудования;
г) проверено функционирование отдельных элементов схем и узлов;
д) подготовлена документация, дающая основание для подачи напряжения по постоянной схеме.
с момента подачи напряжения в оперативные и силовые цепи по постоянной схеме на электроустановке вводится эксплуатационный режим.
после введения эксплуатационного режима наладочной организацией должно быть выполнено следующее:
а) опробование электроприводов на ручном управлении;
б) проверка оборудования на различных нагрузках и имитации возможных режимов для опробования схем защиты и блоков сигнализации;
в) снятие основных характеристик работы электроприводов;
г) обработка отчетной документации.
во время опытно-промышленной эксплуатации на сложных объектах производится режимная наладка, обеспечивающая получение заданных параметров по производительности, надежности и режимам работы.
По окончании опытно-промышленной эксплуатации производится сдача объекта в промышленную эксплуатацию, приемно-сдаточные испытания оформляются актом специальной комиссии, организуемой заказчиком.

4.3. Организация эксплуатации управляемых электроприводов.
Общие вопросы организации ремонта.
При осмотрах двигателей выявляется механическое состояние, производится замена отдельных износившихся деталей, очистка от грязи и пыли доступных частей и, в случае необходимости, назначаются сроки ремонта.
При планово-предупредительном ремонте производится полная разборка двигателей, тщательный осмотр, проверка и чистка всех частей, замена изношенных деталей, проводятся необходимые профилактические испытания. Для нормальной организации планово-предупредительного ремонта, необходимо обеспечивать достаточное количество запасных деталей и сменного оборудования. Такая организация позволяет осуществить ремонт в кратчайший срок и с хорошим качеством. Количество запасного оборудования и деталей определяется специальными нормами.
При капитальном ремонте производится замена или перемотка обмоток статоров и роторов двигателей, замена изношенных контактных колец или коллекторов и т.д. Капитальный ремонт требует более продолжительного времени и более квалифицированного персонала.
Сроки проведения осмотров, планово-предупредительных и капитальных ремонтов электрооборудования зависят от условий работы электрооборудования, его конструкции и характера нагрузки.
5
.
Экономическая часть.
5.1. Расчет затрат на модернизацию электропривода.
Расчет трудоемкости обслуживания и ремонтов электрооборудования:
Скребковый конвейер работает в три смены. Учитывая трехсменную работу скребкового конвейера и то, что его не останавливают во время пересменок – его работа в год составляет 8000 часов.
Мощность привода конвейера составляет 11кВт. Характер работы конвейера – продолжительный. Учитывая условия эксплуатации электрообо- рудования относим скребковый конвейер к третьей группе режима работы.
Целью обслуживания электрооборудования является бесперебойная работа технологического оборудования, его надежность, безопасность, эксплуатационные качества и эффективность его работы.
При обслуживании скребкового конвейера цеха подготовки древесного сырья, необходимо следить за выполнением сроков испытаний всех подлежащих испытанию узлов и агрегатов группы, их своевременная чистка, смазка и замена, а также оперативный ремонт.
Учитывая, что в дипломном проекте рассматриваем электрооборудование только скребкового конвейера, а не всего ЦПДС, определяем трудоёмкость его обслуживания, а не штат рабочих.
Годовая трудоёмкость обслуживания электрооборудования определяется по формуле:
u
Тоб
=
Nоб
n
1
где Nоб - норматив годовой трудоёмкости обслуживания единицы
электрооборудования, чел - час;
n - количество оборудования одного типа, шт;
u - количество наименований электрооборудования.
Этот расчёт рационально представлен в табличной форме
Таблица 1.
Трудоёмкость обслуживания
|
Наименование электрооборудования и аппаратуры управления |
Кол- во, шт. |
Тип, марка |
Норматив трудоёмкости, чел-час |
Трудоём- кость обслужива- ния, чел-час |
|
Электродвигатель Частотный преобразователь Автоматический выключатель Пакетный переключатель
Пускатель эл.маг. Реле Всего Неучтенное оборуд. Итого |
1
1 1 1 3 1 1 1 3 8 8 |
4А132М2СУ3Vacon CXLАЕ2040
ВП2-16 ПМЛ 3600 Finder 40.52.8 |
63,4 70,4 4,1 7,3
8,7 2,2 |
63,4 70,4 4,1 7,3 8,7 6,6 160,5 16 176,5 |
На производстве принята система ППР. Под системой ППР понимают комплекс мероприятий, выполняемых по плану для обеспечения бесперебойной работе всего оборудования. Соблюдение этой системы повышает работоспособность оборудования, удлиняет срок его службы,
с
пособствует
улучшению качества продукции, снижению
себестоимости изделий и, в конечном
счете, повышению рентабельности
производства.
Одним из основных документов для планирования ремонтов является годовой график планово-предупредительного ремонта электрооборудования.
В дипломном проекте планово-предупредительный ремонт составляем по стандартным нормативам положения о ППР.
Расчёт графика ППР представлен в табличной форме (см. табл.2).
Чтобы рассчитать трудоёмкость ремонтов, запланированных на год графиком ППР, нужно определить годовую трудоёмкость по формуле:
u
Тр = NрМn , (5.1.2.)
1
где Nр - норматив трудоёмкости одного ремонта, чел-час;
М - количество однотипных ремонтов для данного электрооборудования, шт.
Расчёт представлен в табличной форме.
Таблица 2.
График ППР
|
Наименование электрооборудования и аппаратов управления |
Тип, марка |
Место установ. |
Дата установки |
Группа режима работы |
Межремонтный период |
2004 г. |
Количество ремонтов |
|||||||||||||
|
Т мес. |
К годы. |
1 |
2 |
3 |
4 |
5 |
6 |
7 |
8 |
9 |
10 |
11 |
12 |
Т |
К |
|||||
|
Электродвигатель |
4А132М2СУ3 |
ЦПДС |
20.08.03 |
3 |
4 |
3 |
Т |
Т |
Т |
3 |
-- |
|||||||||
|
Частотный преобразователь |
Vacon CXL |
ЦПДС |
20.08.03 |
3
|
12 |
6 |
Т |
1 |
-- |
|||||||||||
|
Автоматический выключатель |
АЕ 2040 |
ЦПДС |
20.08.03 |
3 |
6 |
-- |
Т |
Т |
2 |
-- |
||||||||||
|
Пакетный переключатель |
ВП2-16 |
ЦПДС |
20.08.03 |
3 |
3 |
-- |
Т |
Т |
Т |
Т |
4 |
-- |
||||||||
|
Пускатель эл.маг. |
ПМЛ 2100 |
ЦПДС |
20.08.03 |
3 |
6 |
-- |
Т |
Т |
2 |
-- |
||||||||||
|
Реле |
Finder 40.52.8 |
ЦПДС |
20.08.03 |
3 |
2 |
-- |
Т |
Т |
Т |
Т |
Т |
Т |
6 |
-- |

Таблица 3
Трудоёмкость ремонтов
|
№ |
Наименование электрооборудования и аппаратуры управления |
Кол-во, шт., 100 м. |
Количество ремонтов |
Трудоёмкость одно ремонта, чел-час |
Трудоём-кость ремонтов чел-час |
||
|
мес Т |
год К |
Т |
К |
||||
|
1 2 3 4 5 6 |
Электродвигатель Частотный преобразователь Автоматический выключатель Пакетный переключатель Пускатель эл.маг. Реле Всего Неучтённое оборудование Итого |
1 1 1 1 1 3 8 10% |
3 1 2 4 2 6 |
-- -- -- -- -- -- |
30,4 24 8 6,5 4,8 1,5 |
67,8 50 -- -- -- -- |
91,2 24 16 26 9,6 27 148,3 19,3 213,1 |
5.2 Организация труда и заработной платы электромонтёров
Рациональная организация труда и зарплаты рабочих, обслуживающих электрооборудование - залог снижения трудоёмкости ремонтов, гарантия качества работ.
Существуют следующие виды оплаты труда: сдельная и повремённая.
Исходя из условий работы, выбираем оплату труда повремённо-премиальную.
В дипломном проекте принимаем премии:
дежурному персоналу – 60%
ремонтному персоналу – 60%
Учитывая
режим работы цеха, научную организацию
труда, трудовое законодательство,
составляем баланс рабочего времени
одного рабочего в течении года, который
необходим для последующего расчёта
фонда заработной платы.
Таблица 4
Баланс рабочего времени одного рабочего в год
|
Наименование |
Ед. измер |
Показатели |
|
|
Для трёхсменных работ |
Для односменных работ |
||
|
1. Календарный фонд рабочего времени |
Дни |
365 |
365 |
|
2. Нерабочие дни – всего В том числе: - праздничные - выходные |
Дни |
96 -- 96 |
115 11 104 |
|
3. Номинальный фонд рабочего времени |
Дни |
269 |
250 |
|
4. Невыходы на работу – всего в том числе: - очередные отпуска - дополнительные отпуска - по болезни - выполнение государственных и общественных обязанностей - прочие неявки предусмотренные законом |
Дни |
43 24 15 3 1 1 |
45 24 15 4 1
1 |
|
5. Эффективный фонд рабочего времени |
Дни |
227 |
205 |
|
6. Номинальная продолжительность рабочего дня |
Дни |
8 |
8 |
|
7. Внутрисменные недоработки |
Дни |
- |
0.3 |
|
8. Эффективная продолжительность рабочего дня |
Дни |
8 |
7.7 |
|
9. Эффективный фонд рабочего времени одного рабочего в год |
Дни |
1816 |
1578,5 |

Для расчёта годового фонда заработной платы необходимо рассчитать тарифный фонд заработной платы дежурного и ремонтного персонала.
Расчёт приводится в табличной форме (табл. 5).
Таблица 5
|
Профессии рабочих |
Разряд |
Часовая тарифная ставка, руб. |
Трудоём-кость работ, чел-час |
% распреде-ления работ по разрядам |
Тарифный фонд заработной платы, руб. |
|
Дежурный персонал |
5 |
20,99 |
176,5 |
100 |
3704,74 |
|
Итого |
3704,74 |
||||
|
Ремонтный персонал |
5 6 |
20,99 24,55 |
213,1 |
70 30 |
3131,08 1702,05 |
|
Итого |
4833,13 |
||||
|
Всего |
8537,87 |
Зная тарифный фонд зарплаты, и определив всё необходимое для расчёта годового фонда зарплаты рабочих, рассчитаем его.
Расчёт представлен в табличной форме (см. табл.6).
Тарифный фонд зарплаты получен в предыдущей таблице.
В доплаты до часового фонда зарплаты включаются:
за работу в вечернее и ночное время;
за работу в праздничные дни;
руководство бригадой неосвобожденным бригадиром;
обучение учеников.
В доплаты до дневного фонда зарплаты включаются выплаты:
з
а
сокращённый рабочий день подростков;
оплата женщинам, имеющим укороченный рабочий день в связи с кормлением ребёнка.
В доплаты до годового фонда зарплаты включаются выплаты:
очередных отпусков;
дополнительных отпусков учащимся;
выполнение государственных и общественных обязанностей;
доплаты по районному коэффициенту (северные).
Далее рассчитаем отчисления на социальное страхование. Процент в социальное страхование установлен в размере 35,6% от годового фонда заработной платы.
Ос.ст=
Фг.зп 35,6
/ 100 [руб.]
где: Фг.зп – годовой фонд заработной платы, руб
Ос.ст = 24500,4638.5 / 100 = 8722,16(руб)
Теперь рассчитаем среднемесячный заработок рабочего:
Зср. = Фг.зп228 / (Тоб+Тр) [руб.] (5.2.2.)
где 22 - среднемесячное количество рабочих дней в году;
8 - длительность рабочего дня, установленая законом.
Зср = 24500,46228 / (176,5+213,1) = 11067,97(руб.)
5.3. Определение затрат на
содержание
электрооборудования
Для того, чтобы определить затраты на содержание электрооборудования, необходимо рассчитать затраты на его приобретение, монтаж и текущую эксплуатацию.
При выполнении расчёта составляем смету затрат на приобретение и монтаж оборудования. Стоимость единицы электрооборудования определяем по прейскурантам цен на предприятии. Данные взяты с производства.
Таблица 7
Смета затрат на приобретение и монтаж электрооборудования
|
Наименование электрооборудования |
Количествошт., м. |
Сметная стоимость; руб. |
|
|
За единицу |
Общая |
||
|
1.Электродвигатель |
1 |
10860 |
10860 |
|
2.Частотный преобразователь |
1 |
160000 |
160000 |
|
3.Автоматический выключатель |
1 |
520 |
520 |
|
4.Пакетный переключатель |
1 |
440 |
440 |
|
5.Пускатель эл.маг. |
1 |
580 |
580 |
|
6.Реле |
3 |
1050 |
3150 |
Итого 175550
5
.Транспортные
расходы 10 %
17555
6.Итого стоимость электрооборудования 193105
7.Строительно-монтажные работы 25 % 48276,25 .Заготовительно-складские расходы 1,2 % 2317,26
9.Плановые накопления строительно-монтажных
организаций 8% 15448,4
10.Итого стоимость строительно-монтажных работ 66041,91 11.Всего капитальные затраты составили 241591,91
Годовые амортизационные отчисления рассчитываем по формуле:
Агод = КНа / 100 , (5.3.1.)
где: К - сумма затрат на приобретение и монтаж
электрооборудования;
На - общая норма амортизационных отчислений.
На = 9%
Агод = 241591,91 9/100 = 21743,27(руб)
Расчитаем расход электроэнергии по формуле:
Wг = P Тг Ки , (5.3.2.)
где: Р - активная мощность, кВт;
Тг - число часов работы в год, ч;
Ки -коэффициент использования.
Wг = 11,580000,9 = 82800 (кВтч)
Определим потери мощности в двигателе по формуле:
Pд.(г) = Pн.д.(г) ( 1-н.д.(г) ) / н.д.(г) , (5.3.3.)
где: Pд.(г) - номинальная мощность двигателя, кВт;
н.д.(г) - номинальный КПД двигателя.
Pд.(г)
= 11,5
(1-0,87) / 0,87 = 1,718(кВт)
Годовые потери активной электроэнергии составят
Wп.г.= P Тг , (5.3.4.)
где: P - потери мощности, кВт;
Тг - число часов работы в год, ч.
Wп.г.= 1,718 8000 = 13747,126(кВтч)
Определим стоимость годового расхода активной электроэнергии по формуле:
Сг = Wг С , (5.3.4.)
где: С - стоимость одного кВтч электроэнергии, принимаем равным 1,6 руб.
Сг = 82800 1,6 = 132480 (руб)
Расчёт вспомогательных материалов и запасных частей, необходимых для обслуживания и ремонта электрооборудования, производится по формуле:
См = а Рнв , (5.3.5.)
где Рн - номинальная мощность двигателя;
а; в - коэффициенты для различных потребителей.
Принимаем а = 750 руб/кВт; в = 0,5.
См = 750 11,5^0,5 = 2543,37(руб)
Полученные данные сводим в таблицу 8.
|
Наименование статей затрат |
Сумма затрат, руб. |
Примечание |
|
Заработная плата основная Заработная плата дополнительная Отчисления на социальное страхование Амортизация основных фондов Электроэнергия Вспомогательные материалы и запасные части Итого |
12731,86 11505,94 8722,16 21743,27 132480 2543,37 181258,11 |
табл. 6 табл. 6 пункт 5.2. пункт 5.3. пункт 5.3. пункт 5.3. |
аблица 8.
Смета эксплуатационных расходов на содержание
электрооборудования
5.4. Технико-экономические показатели
дипломного проекта
Все расчёты, полученные в дипломном проекте, сводим в таблицу 9, приведённую ниже.
Таблица 9.
Технико-экономические показатели дипломного проекта
|
Наименование показателей |
Единицы измерения |
Показатель |
|
Наименование и характеристика электродвигателя Сумма затрат на приобретение и монтаж электрооборудования Трудоёмкость обслуживания и ремонта Расход электроэнергии Потери электроэнергии Сумма эксплуатационных расходов Среднемесячный заработок электромонтёра |
кВт руб чел-час чел-час кВтч кВтч руб руб |
4А132М2СУ3 Р = 11,5 241591,91 176,5 213,1 82800 13747,126 181258,11 11067,97 |
Лист
Лист
Лист
Лист
13
6. МЕРОПРИЯТИЯПО ТЕХНИКЕ
БЕЗОПАСНОСТИ И ПРОТИВОПОЖАРНОЙ
ТЕХНИКЕ.
6.1. Опасные и вредные факторы.
Для цехов ЦПДС характерны
следующие производственные условия;
-
ряд установок на открытом воздухе
(участок выгрузки древесины, площадки
складирования древесины и щепы, устройства
для подачи древесины в рубку, узел
выгрузки леса из железнодорожных вагонов
и автомобилей) подвергаются воздействию
атмосферных явлений, повышенный уровень
шума;
- наличие большого количества
движущихся механизмов (ленточные
транспортёры, скребковые конвейера) и
передвигающихся предметов
- незащищённые
подвижные элементы оборудования;
-
возможность зависания щепы в бункерах;
-
наличие древесной пыли.
6.2 Электробезопасность.
Для обеспечения электробезопасности персонала на производстве применяются специальные электрозащитные средства.
Электрозащитные средства – средства, служащие для защиты людей, работающих с электрическим током, от воздействия электрической дуги и электромагнитного поля.
В
электроустановках применяются различные
технические способы и средства
электрозащиты такие как:
изоляция токоведущих частей и ее непрерывный контроль;
- компенсация емкостной составляющей тока, замыкания на землю;
- оградительные устройства;
- предупредительная сигнализация и блокировка;
- защитное заземление;
- зануление;
- электрическое разделение сетей;
-средства индивидуальной электрической защиты;
- защитное отключение;
Помещение цеха, где расположен скребковый конвейер, относится к категории с повышенной опасностью, так как возможно одновременное прикосновение человека к имеющим соединение с землей металлическим конструкциям зданий, технологическим аппаратам, механизмам с одной стороны и к металлическим корпусам электрооборудования с другой. Так как имеется напряжение 380 В переменного тока и помещение цеха относится к классу помещений с повышенной опасностью, то по ПУЭ заземление необходимо. Кроме того двигатель конвейера питается от трехфазной сети, трехпроводной с изолированной нейтралью, что также обуславливает необходимость заземления. Заземлению подлежит корпуса электродвигателей, трансформаторов, шкафов преобразователей, пульты управления и другое оборудование которое в следствии неисправности или повреждения изоляции или других причин могут оказаться под напряжением. Заземление – преднамеренное электрическое соединение с землей или ее эквивалентом металлических нетоковедущих частей, которые могут оказаться под напряжением в следствии замыкания на корпус и по другим причинам.

6.3. Пожарная безопасность
Пожарная безопасность электрооборудования, электроустановок, а также зданий и сооружений, в которых они размещены, должна удовлетворять требованиям действующих типовых правил пожарной безопасности для промышленных предприятий.
На их основе разрабатываются отраслевые правила, которые учитывают особенности пожарной опасности отдельных производств. В соответствии с законодательством, ответственность за обеспечение пожарной безопасности, предприятия и организации, несут руководители этих объектов.
Ответственность за пожарную безопасность отдельных цехов, лабораторий и других производственных участков несут их руководители, а в то время, когда они отсутствуют, ответственность перекладывается на работников, которые замещают их или исполняют их обязанности.
На каждом предприятии должен быть установлен противопожарный режим. Выполнены противопожарные мероприятия, которые бы учитывали особенности производства.
В соответствии с правилами пожарной безопасности в каждом цехе, лаборатории, мастерской и других подразделениях предприятия, должна быть разработана инструкция о конкретных мерах пожарной безопасности и противопожарном режиме.
Инструкция
о мерах пожарной безопасности
разрабатывается руководителем
подразделений, согласовывается с
органами местной пожарной охраны и
утверждается руководителем предприятия.
Инструкция вывешивается на видном месте.
Каждый работник должен чётко знать и выполнять требования правил пожарной безопасности и противопожарный режим, на объекте, не допускать действия, которые, впоследствии, могут привести к пожару или возгоранию.
Лица, виновные в нарушении действующих правил пожарной безопасности, в зависимости от характера нарушений и их последствий, несут ответственность на основании действующего законодательства.
Все работники предприятия должны проходить противопожарный инструктаж (вводный и вторичный), занятия по пожарно - техническому минимуму. Эти занятия проводятся по программе, утверждённой руководителем предприятия. По окончании обучения, работники должны сдать зачёты.
Электротехнический персонал должен проходить периодические проверки знаний правил пожарной безопасности одновременно с проверкой знаний правил безопасности труда при эксплуатации электроустановок.
По каждому происшедшему на объекте пожару или возгоранию проводится расследование комиссией. Эта комиссия создаётся руководителем предприятия или вышестоящей организацией. Результаты расследования оформляются актом. При расследовании устанавливаются
п
ричина
и виновники возникновения пожара,
определяются нанесённые убытки. По
результатам расследования разрабатываются
противопожарные мероприятия, препятствующие
возникновению подобных случаев.
В случае причастности электроустановки к причинам происшедших на предприятии пожаров, в комиссии по расследованию принимают участие работники органов ГОСЭНЕРГОНАДЗОРА.
ЗАКЛЮЧЕНИЕ.
При выполнении дипломного проекта были использованы теоретические знания, полученные в ходе обучения в техникуме, по специальности техник-электрик, по ряду дисциплин:
Спецтехнологии - принцип работы, выбор, расчёт, компоновка электрооборудования.
Техническое черчение-разработка и оформление технической документации, выполнение графической части проекта на основе требований стандартов единой системы конструкторской документации (ЕСКД).
Экономика - основы экономической целесообразности использования технологического оборудования, его эксплуатации и ремонта, основы расчёта зарплаты обслуживающему персоналу.
Охрана труда - включая правила техники безопасности, правила пожарной безопасности при обслуживании электрооборудования; требования к персоналу и его подготовке.
Полученные знания по этим и другим дисциплинам были использованы на практике при дипломном проектировании.
В ходе преддипломной практики и выполнения дипломного проекта мною были изучены основы технологий, применяемых в производственных процессах ОАО "Нойзидлер Сыктывкар".
Ознакомился с оборудованием, применяемым в технологической цепочке производства бумаги.
При выполнении дипломного проекта, выполнены положения поставленного задания: " Проект модернизации электропривода скребкового конвейера ОАО «Нойзидлер Сыктывкар»
Изучено оборудование электропривода скребкового конвейера, на примере ЦПДС.
Спроектировано и рассчитано основное, и вспомогательное оборудование необходимое для работы привода скребкового конвейера.
Выбрано по справочной литературе оборудование, выпускаемое отечественной и зарубежной промышленностью.
Рассчитаны экономические затраты на приобретение, доставку, монтаж, эксплуатацию и содержание электрооборудования необходимого для работы скребкового конвейера.
Расписаны мероприятия по охране труда, технике безопасности и пожарной безопасности при эксплуатации электрооборудования.
Графическая часть выполнена в заданном объёме. Пояснительная записка и графическая часть проекта выполнены в соответствии с требованиями стандартов ЕСКД.
Пояснительная записка была набрана, отредактирована и отпечатана с применением персонального компьютера (ПК), что позволило на практике применить знания, полученные по курсу информатики. Дополнительно получил навык работы с ПК и некоторыми разделами программного продукта "Windows XP" и «Microsoft Word»
Эти
работы были выполнены при содействии
руководителя проекта и персонала группы
наладки привода.
СПИСОК ИСПОЛЬЗУЕМОЙ ЛИТЕРАТУРЫ.
1. Электрические машины. Кацман М. М.
2-е изд. М., «Высшая школа», 1990г.
Электротехнический справочник. А.А. Чунихин
Энергоиздат Москва, 1986г.
3. Электропривод машин целлюлозно-бумажной промышленности.
Куликовский П.К., Шустов А.Д.
Госэнергоиздат Москва, 1962г.
4. Безопасность жизнедеятельности. Безопасность технологических
процессов и производств (Охрана труда).
П.П. Кукин, В.Л. Лапин, Н.Л. Пономарёв и др.
2-е изд. М., «Высшая школа», 2001г.
5. Электротехнический
справочник. Том 2
В.Г. Герасимов.
Энергоиздат Москва, 1981г.
6. Электроснабжение промышленных предприятий и установок.
Л.Л. Коновалова, Л.Д. Рожкова.
Энергоатомиздат Москва, 1989г.
7. Система планово-предупредительного ремонта энергооборудования
промышленных предприятий. Н.Н. Синягин, Н.А. Афанасьев, С.А.
Новиков. Энергия Москва, 1975г.
8. Каспаров Г.Б., Алексеева А.Н. « Экономика, организация и
планирование целлюлозно-бумажного производства «
9. Синягин Н.Н., Афанасьев Н.А. « Система планово-предупредительного
ремонта энергооборудования промышленных предприятий «
Энергия Москва, 1975г
10. " Электротехнический справочник " А.А. Чуних Энергоиздат Москва,
1986 г.
Таблица 6
Расчёт годового фонда заработной платы рабочих
|
Наименование |
Тарфный фонд зарплаты руб. |
Премии по положению |
Доплаты до часового фонда зарплаты |
Фонд часовой (основной) зарплаты, руб. |
Доплаты до дневного фонда зарплаты |
Фонд дневной зарплаты руб. |
Доплаты до годового фонда зарплаты |
Фонд дополнительной зарплаты руб. |
Годовой фонд зарплаты руб. |
||||
|
% |
руб. |
% |
руб. |
% |
руб. |
% |
руб. |
||||||
|
Дежурный персонал |
3704,74 |
35 |
1296,66 |
19,5 |
722,42 |
5723,82 |
-- |
-- |
5723,82 |
85,75 |
4908,06 |
4908,06 |
10631,74 |
|
Ремонтный персонал |
4833,13 |
40 |
1933,25 |
5 |
241,66 |
7008,04 |
3,75 |
262,8 |
7270,84 |
87,13 |
6335,08 |
6597,88 |
13868,74 |
|
Итого |
8537,87 |
12731,86 |
11505,94 |
24500,46 |

