Проектирование аналогового измерительного преобразователя мощности
T
МЭИ
Кафедра
Релейной защиты
и автоматизации
энергосистем
Пояснительная записка
к курсовому проекту
по курсу
Элементы автоматических устройств энергосистем
Проектирование аналогового
измерительного преобразователя мощности
Группа Э-12-94
Студент Тонких Е. В.
Консультант Овчаренко Н. И.
1997 год.
1. Задание на расчет
Выбрать и рассчитать схему аналогового измерительного преобразователя активной мощности по следующим исходным данным:
входные напряжение и ток содержат свободные апериодическую и колебательные и принужденные гармонические составляющие кратных промышленной частот;
допустимое
время установления выходного сигнала

допустимые
частотные погрешности преобразования
мощности
при

относительная
остаточная амплитуда гармонической
составляющей на выходе ИПАМ

2. Способ технической реализации
Входные величины
проектируемого ИПАМ, напряжение
и ток, содержат помехи в виде как свободных
апериодической и колебательных
составляющих, так и принужденных
составляющих кратных промышленной
частот, допустимое время установления
выходного сигнала
,
поэтому указанным исходным данных
соответствуют две схемы:
на одном интегральном перемножителе АХ с входными ZF1, ZF2 и
выходным ZF3 частотными фильтрами;

на двух интегральных перемножителях АХ1, АХ2 с входными ZF1, ZF2, ZF3, ZF4 частотными фильтрами и сумматором AW.

Рассмотрим вначале функциональную схему ИПАМ на одном интегральном перемножителе, как наиболее простую, из двух предложенных, по технической реализации, поскольку интегральный перемножитель является наиболее трудно реализуемым элементом функциональных схем, требующим большой точности исполнения и длительной наладки. Рассмотрение схемы с двумя интегральными перемножителями излишне, если функциональная схема с одним интегральным перемножителем обеспечит допустимые частотные погрешности преобразования мощности и остаточную амплитуду гармонической составляющей на выходе соответствующие исходным данным.
3. Пример проектирования аналогового ИПАМ
Назначением измерительного преобразователя активной мощности (ИПАМ) переменного токов является формирование электрических сигналов об активной мощности синхронных генераторов и компенсаторов, линий электропередач переменного и постоянного токов и других управляемых объектов электроэнергетических систем.
Основные особенности ИПАМ автоматических устройств электроэнергетических систем обуславливаются предъявленными к ним требованиям и условиями функционирования. Главное из требований-быстродействие, обеспечивающее эффективность автоматических устройств, особенно противоаварийного управления. Однако принципиально возможное его достижение затрудняется функционированием ИПАМ в условиях электромагнитных и электромеханических переходных процессов в электроэнергетической системе, обусловливающих интенсивные помехи в виде свободных апериодической и колебательных и принужденных гармонических составляющих кратных промышленной частот входных напряжений и токов,




Поэтому неизбежны затраты времени на выделение входными частотными фильтрами входных сигналов в виде принужденных составляющих промышленной частоты.
3.1. Расчет входных частотных фильтров
В
качестве входных фильтров целесообразно
применить полосовые частотные
фильтры (ПЧФ) второго порядка с
равноволновой амплитудно-частотной
характеристикой (АЧХ) (фильтр Чебышева),
но с резонансной угловой частотой равной
промышленной


Выбирается
их постоянная времени. Она определяется
тем, что заданное время установления
выходного сигнала обуславливается
переходными процессами в двух
последовательно соединенных частотных
фильтрах-входном
ПЧФ и выходном. При этом целесообразно
исходить из одинаковых постоянных
времени входных ПЧФ
и выходного фильтра
,
при которых время установления сигнала
(при нулевых начальных условиях переходных
процессов в них) составляет
.
По известным резонансной угловой частоте
и постоянной времени
определяется угловая частота собственного
колебательного переходного процесса

Активному ПЧФ второго порядка соответствует передаточная функция
где

которая
определяется заданной АЧХ при
:
отсюда

Коэффициент
передачи ПФЧ на угловой резонансной
частоте равен единице
поэтому

Амплитудно–частотная характеристика входных ПЧФ:


Передаточная функция ПЧФ через параметры схемы определяется выражением
где

Из
данных соотношений по известным
определяются сопротивления резисторов
и емкости конденсаторов:

где М
–
коэффициент (М>1
и М>
).
При этом, поскольку неизвестных больше, чем уравнений, зададимся некоторыми из них, исходя из условий реализуемости ПЧФ. Можно, например, принять емкости конденсаторов
и

то есть задаться коэффициентом М:

При указанном коэффициенте М сопротивления резисторов получаются равными:

Сопротивления резисторов и емкости конденсаторов второго входного ПЧФ равны соответствующим сопротивлениям резисторов и емкостям конденсаторов первого входного ПЧФ, а именно

Перемножитель
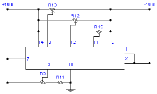
Аналоговые измерительные преобразователи активной мощности осуществляются на основе аналогового перемножения мгновенных значений непрерывно изменяющихся напряжения и тока. Выходное напряжение зависит от каждой из входных величин (напряжения или тока) при постоянном значении второй из них. Указанная зависимость реализуется в интегральном перемножителе типа К525ПС2, который представляет собой четырехквадрантный аналоговый перемножитель сигналов, на основе использования свойств электронно–дырочных переходов транзистора и диода, а именно: пропорциональности тока коллектора току базы; экспоненциальной и логарифмической зависимостей тока коллектора от напряжения на эмиттерном переходе транзистора и напряжения на диоде от его прямого тока соответственно.

Умножение
осуществляет дифференциальный каскад
на транзисторах
Перекрестные связи коллекторов этих
транзисторов обеспечивают инверсию
сигналов, необходимую для четырехквадрантного
умножения. Входные каскады на транзисторах
преобразуют входные напряжения в токи.

где

Произведение мгновенных значений напряжения и тока представляет собой, как известно, мгновенную мощность, в частности при синусоидальном токе промышленной частоты, равную

Постоянная составляющая данного выражения и есть выходной сигнал ИПАМ, поэтому аналоговые ИПАМ формируют выходной сигнал в виде пропорционального активной мощности постоянного напряжения.
Гармоническая составляющая удвоенной промышленной частоты данного выражения представляет собой внутреннюю помеху, генерируемую при измерительном преобразовании мощности. Она обычно задерживается аналоговым выходным фильтром.
Расчет выходного частотного фильтра
В качестве выходного фильтра целесообразно применить фильтр нижних частот (ФНЧ) с плоской АЧХ (фильтр Баттерворта), имеющий максимальный коэффициент передачи постоянной составляющей напряжения на выходе перемножителя (выходного сигнала).

По
известной постоянной времени
определяется частота свободной
колебательной составляющей переходного
процесса

Активному ФНЧ соответствует передаточная функция
где

которая
определяется заданной АЧХ при
:
отсюда

Коэффициент
передачи постоянной составляющей ФНЧ
равен единице
поэтому

АЧХ выходного ФНЧ:


Коэффициент передачи фильтром гармонической составляющей удвоенной промышленной частоты

то
есть
,
что соответствует исходным данным.
Передаточная функция ФНЧ через параметры схемы определяется выражением

где

Из
данных соотношений по известным
определяются сопротивления резисторов
и емкости конденсаторов:

где М
–
коэффициент (М=1.5…2.5).
При этом, поскольку неизвестных
больше, чем уравнений, зададимся
некоторыми из них, исходя из условий
реализуемости ФНЧ. Можно, например,
принять емкость конденсатора
и коэффициент М=2.0.
Другие параметры схемы ФНЧ получаются
равными




Поскольку коэффициент преобразования ИПАМ равен произведению коэффициентов передачи двух ПЧФ (в цепи напряжения и тока), то относительная погрешность преобразования при изменениях промышленной частоты определяется как

где
,
то есть

В частности при
погрешность составляет
а при
соответственно
Погрешности укладываются в заданные
допустимые значения.
Расчет вторичных измерительных преобразователей
Коэффициент
трансформации
вторичного измерительного трансформатора
TLV определяется
по
и
ограничиваемом допустимым мгновенным
значением входного напряжения ПЧФ,
равным
,
то есть


Сопротивление
трансреактора TAV
определяется тем же
условием. При
и


Сопротивление
вторичной обмотки трансреактора



4. Список используемой литературы
Овчаренко Н. И. Проектирование аналоговых и цифровых измерительных преобразователей мощности. М.: Издательство МЭИ, 1994.
Овчаренко Н. И. Аналоговые и цифровые измерительные преобразователи мощности автоматических устройств противоаварийного управления электроэнергетическими системами. М.: Издательство МЭИ, 1994.
Овчаренко Н. И. Элементы автоматических устройств энергосистем. В 2-х томах. М.: Энергоатомиздат, 1995.
Овчаренко Н. И. Аналоговые и цифровые элементы автоматических устройств энергосистем. М.: Энергоатомиздат, 1989.
Темкина Р. В., Дорогунцев В. Г. Активные измерительные преобразователи на интегральных операционных усилителях. Под ред. Овчаренко Н. И. М.: Издательство МЭИ, 1986.
Атаев Д. И., Болотников В. А. Аналоговые интегральные микросхемы для бытовой радиоаппаратуры. Справочник. М.: Издательство МЭИ, 1991.
Справочник по печатным схемам. Под ред. К. Ф. Кумбза. Нью-Йорк, 1967. Пер. с английского, под ред. Б. Н. Файзулаева и В. Н. Квасницкого. М.: Советское радио, 1972.
Справочник по интегральным микросхемам. Б. В. Тарабрин, С. В. Якубовский, Н. А. Барканов и др.; Под ред. Б. В. Тарабрина. М.: Энергия, 1981.
Краткий справочник конструктора радиоэлектронной аппаратуры. Под ред. Р. Г. Варламова. М.: Советское радио, 1972.
Конструкторская документация на печатные платы. А. Н. Бедерова, Л. С. Калошкина, Е. Г. Кузьмина, О. Н. Сафонова. Под ред. К. К. Александрова. М.: Издательство МЭИ, 1990.
Оглавление
Задание на расчет ¼¼¼¼¼¼¼¼¼¼¼¼¼¼¼¼¼¼¼¼¼¼¼¼¼..2
Способ технической реализации ¼¼¼¼¼¼¼¼¼¼¼¼¼¼¼¼¼¼¼.3
Пример проектирования аналогового ИПАМ ¼¼¼¼¼¼¼¼¼¼¼¼¼...5
Расчет входных частотных фильтров ¼¼¼¼¼¼¼¼¼¼¼¼¼¼¼..5
Перемножитель ¼¼¼¼¼¼¼¼¼¼¼¼¼¼¼¼¼¼¼¼¼¼¼¼.8
Расчет выходного частотного фильтра ¼¼¼¼¼¼¼¼¼¼¼¼¼¼...9
Расчет вторичных измерительных преобразователей ¼¼¼¼¼¼¼¼.11
4. Список используемой литературы ¼¼¼¼¼¼¼¼¼¼¼¼¼¼¼¼¼...12
T