Проектирование виброметра
Введение
Измерительная техника- один из важнейших факторов ускорения научно-технического прогресса практически во всех областях народного хозяйства.
При описании явлений и процессов, а также свойств материальных тел используются различные физические величины, число которых достигает нескольких тысяч: электрические, магнитные, пространственные и временные, механические, акустические, оптические, химические, биологические и другие.
При этом указанные величины отличаются не только качественно, но и количественно и оцениваются различными числовыми значениями.
Установление числового значения физической величины осуществляется путём измерения.
Результатом измерения является количественная характеристика в виде именованного числа с одновременной оценкой степени приближения полученного значения измеряемой величины к истинному значению физической величины.
При реализации любого процесса измерения необходимы технические средства, осуществляющие восприятия, преобразование и представление числового значения физических величин.
На практике при измерении физических величин применяют электрические и неэлектрические методы.
Электрические методы измерений получили наиболее широкое распространение, так как с их помощью достаточно просто осуществлять преобразование, передачу, обработку, хранение, представление и ввод измерительной информации в ЭВМ.
Получение и обработка измерительной информации предназначены не только для достижения требуемого качества продукции, но и организации производства, учёта и составления баланса количества вещества и энергии. В настоящее время важной областью применения измерительной техники является автоматизация научно-технических экспериментов.
Для повышения экономичности проектируемых объектов, механизмов и машин большое значение имеют экспериментальные исследования, проводимые на их физических моделях. При этом задача получения и обработки измерительной информации усложняется настолько, что её эффективное решение становится возможным лишь на основе применения специализированных измерительно-вычислительных средств.
Широкие возможности открылись перед измерительной техникой в связи с появлением микропроцессоров и микроЭВМ. Благодаря им значительно расширились области применения средств измерительной техники, улучшились их технические характеристики, повысились надёжность и быстродействие, открылись пути реализации задач, которые ранее не могли быть решены.
По широте и эффективности применения микропроцессоров одно из первых мест занимает измерительная техника, причём всё более широко применяются микропроцессоры в системах управления. Трудно переоценить значение микропроцессоров и ЭВМ при создании автоматизированных средств измерений, предназначенных для управления, исследования, контроля и испытаний сложных объектов.
Развитие науки и техники требует постоянного совершенствования средств измерительной техники, роль которой неуклонно возрастает.
Техническое задание на проектирование виброизмерительного прибора.
Наименование и область применения
Одной из актуальных проблем современной техники является измерение параметров вибраций, ударов и шумов. Сегодня нельзя назвать практически ни одного объекта контроля или производственного процесса, который не испытывал бы воздействие вибрационных, ударных или акустических нагрузок. Исследования колебательных процессов представляют большой интерес для всех отраслей народного хозяйства – металлургии, энергетического машиностроения, ракетной техники и так далее. Разрабатываются способы борьбы с вредным воздействием вибраций, ударов и шумов в технике и природе. Интенсивно изучаются землетрясения, представляющие собой эпизодические колебания, вызванные освобождением потенциальной энергии упругих деформаций земной коры, происходящих в момент её разрывов в местах концентрации напряжений. Тщательно контролируются вращающиеся или перемещающиеся в различных направлениях с большой скоростью узлы и механизмы крупных сооружений и агрегатов, такие как : электрогенераторы тепла и гидростанции, гребные винты кораблей, авиационные и ракетные двигатели и тому подобное, являющиеся источником возникновения интенсивных периодических и непериодических вибрационных процессов. Особую опасность представляют известные умножения колебаний, возникающие на резонансных частотах упругих конструкций. Возникающие при вибрациях и ударах инерционные силы могут вызвать напряжения, превышающие предел прочности конструкции, или относительные перемещения деталей в недопустимых пределах. Из-за вибраций значительно снижается срок службы оборудования, ухудшается качество его работы.
Вредное воздействие на человека оказывает и шум, представляющий собой акустические колебания в воздушной среде.
Вибрационные процессы могут служить источником информации для диагностики машин и механизмов как средство раннего обнаружения их неисправности. Общеизвестны акустические приборы, определяющие дефекты, размеры и физико-математические свойства материалов и изделий без их разрушения.
Технические характеристики:
Количество контролируемых точек 8
Частотный диапазон, Гц 0 – 500
Диапазон преобразуемых перемещений, мм 0 – 2.0
Основная систематическая погрешность 1%
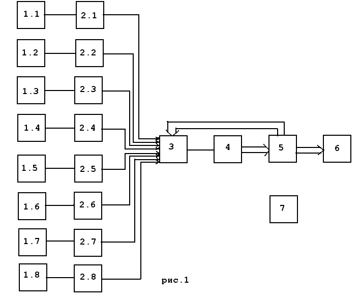
Структурная схема устройства.
На рисунке 1 изображена структурная схема электронного виброизмерительного прибора.

- виброизмерительные датчики
- усилители напряжений
- коммутатор
- аналого-цифровой преобразователь
– микропроцессорная система
– устройство индикации
– блок питающих напряжений
Расчёт параметров блоков структурной схемы.
Виброизмерительный датчик.
В качестве виброизмерительного датчика выберем тензорезистивный преобразователь СЕТТ1
Технические характеристики преобразователя:
Диапазон выходных перемещений, мм 0…2
Диапазон входных напряжений, мВ 0…6
Рабочий диапазон частот, Гц 0–500
Погрешность преобразования, не более 0.2%
Температурный уход нулевого сигнала
в рабочем диапазоне ±0.3% / 10°С
Напряжение питания, В 15
Рабочий диапазон температур, °С -40…..+60
Относительная влажность окружающего
воздуха при 25°С до 98
Габаритные размеры, мм 65x44x33
Масса, кг 0.33
Срок службы (часов), не менее 5000
Чувствительным элементом виброизмерительного датчика являются тензорезисторы. Действие тензорезистивных измерительных преобразователей основано на использовании тензоэффекта, который заключается в том, что под действием приложенной растягивающей или сжимающей силы проводниковые материалы изменяют удельную электрическую проводимость.
В ненагруженном состоянии сопротивление R проводника, имеющего длину ℓ, определяется его сечением q и удельным сопротивлением


При растяжении проводника его длина становится равной ( ℓ+∆ℓ ), а сечение q(1-2μ∙∆ℓ / ℓ), где μ=0.3 –коэффициент Пуассона, тогда

Тензоэффект характеризуется тензочувствительностью материала.

Где R , ℓ - длина и сопротивление материала
∆R, ∆ℓ - приращение длины и сопротивления материала вследствие приложения внешних сил.
Выберем тензорезистор проволочный в виде плоской беспетлевой решётки, выполненный из тонкой проволоки диаметром 10мкм из константана на бумажной основе, типа ПКБ-10-200
Технические характеристики тензорезистора:
Номинальное сопротивление 200Ом
Рабочий диапазон температур -50 до +50 ˚С
Активная база, мм 10
Габаритные размеры, мм 25x4.5
Коэффициент тензочувствительности 2,0±0.2
Номинальный рабочий ток, мА 30
Предел измерения относительных деформаций 0.0003
Поперечная чувствительность от продольной 2%
Электрическая схема виброизмерительного преобразователя с тензорезисторами.

Условия равновесия моста:
1)
2)

Коэффициент тензочувствительности:
, где
-коэффициент
тензочувствительности.
Для
константана
;
-длина
активной базы;
Для
ПКБ-10-200
мм
R – сопротивление тензорезистора
R=200 Ом
Допустим
мм


|
мм |
0 |
0.3 |
0.6 |
0.9 |
1.2 |
1.5 |
1.8 |
2.0 |
|
|
0 |
12 |
24 |
36 |
48 |
60 |
72 |
80 |
Пусть

, тогда
по условию равновесия:

|
мм |
0 |
0.3 |
0.6 |
0.9 |
1.2 |
1.5 |
1.8 |
2.0 |
|
мВ |
0 |
0.9 |
1.8 |
2.7 |
3.6 |
4.5 |
5.4 |
6 |

Усилитель напряжения.
Выходное напряжение с виброизмерительного датчика необходимо усилить. Для этого используем микросхему операционного усилителя К140УД15.

Технические характеристики усилителя:
,
В +15
,
В -15
,
мА, не более 12
???
,
мА, не более 9
,
мВ, не более ±7.5
,
мкА, не более ±1.7
,
дБ, не более 60
,
В 5
,
кОм, не менее 4
,
кОм, не менее 700
Коммутатор
Коммутатор предназначен для подключения одного из вибродатчиков на вход аналого-цифрового преобразователя. Управление коммутатором осуществляется микропроцессорной системой, которая передаёт на него код с номером коммутируемого канала.
Выберем микросхему КР590КН1, которая представляет собой 8-канальный коммутатор с дешифратором на МОП-транзисторах для коммутации напряжений от –5 до +5 В.
Корпус прямоугольный пластмассовый.
238.16.2

Микросхема КР590КН1 имеет следующие параметры:
,
В +15
,
В -15
Коммутируемое напряжение, В -5…+5
Коммутируемый ток, мА, не более 10
каналов
Помехозащищённость, В 0.4
Погрешность, % 0.1
Аналого-цифровой преобразователь.
Для реализации аналого-цифрового преобразования выходного сигнала коммутатора выбрана микросхема К1113ПВ1А, которая представляет собой функционально законченный 10-разрядный преобразователь, сопрягаемый с микропроцессором. Микросхема обеспечивает преобразование как однополярного (униполярного) напряжения в диапазоне 0…9.95 В, так и биполярного напряжения в диапазоне
-4.9…+4.9 В в параллельный двоичный код.
В состав ИС входят ЦАП, компаратор напряжения, регистр последовательного приближения (РПП), источник опорного напряжения (ИОН), генератор тактовых импульсов (ГТИ), выходной буферный регистр с тремя состояниями, схемы управления.
Выходные каскады с тремя состояниями позволяют считывать результат преобразования непосредственно на шину данных микропроцессора, по уровням входных и выходных логических сигналов сопрягаются с транзисторно-транзисторной логикой (ТТЛ) схемами. В измерительных системах выходной ток цифро-аналогового преобразователя (ЦАП) сравнивается с током входного резистора от источника питания (ИП) и формируется логический сигнал регистра последовательного приближения (РПП). Стабилизация разрядных токов цифро-аналогового преобразователя (ЦАП) осуществляется встроенным источником опорного напряжения (ИОН). Тактирование регистра последовательного приближения (РПП) обеспечивается импульсами встроенного генератора тактовых импульсов (ГТИ). Установка регистра последовательного приближения (РПП) в исходное состояние и запуск его в режим преобразования производится по внешнему сигналу “гашение и преобразование”. По окончанию преобразования аналого-цифровой преобразователь (АЦП) вырабатывает сигнал “готовность данных ” и информация из регистра последовательного приближения (РПП) поступает на цифровые выходы через каскады с тремя состояниями.
Корпус : металлокерамический типа 23818-1, масса не более 2.5 г.

Назначение выводов :
1 – девятый разряд
– восьмой разряд
– седьмой разряд
– шестой разряд
– пятый разряд
– четвёртый разряд
– третий разряд
– второй разряд
– первый разряд
– напряжение питания
– гашение и преобразование
– напряжение питания
– аналоговый
– аналоговая “земля”
– управление сдвигом нуля
- цифровая “земля”
– готовность данных
– десятый разряд (младший)
Электрические параметры:
Номинальное значение питания:
Uп1 5 В±5%
Uп2 -15 В±5%
Напряжение смещения нуля на входе -0.3…+0.3% ПШ
Выходное напряжение высокого уровня ≤ 2.4В
Выходное напряжение низкого уровня ≥ 0.4В
Ток потребления в режиме “гашение”
При Uп1 ≤ 10мА
Uп2 ≤ 18мА
Входной ток высокого (низкого ) уровня, мкА -40…+40
Ток утечки на выходе, мкА -40…+40
Время преобразования, мкс ≤30
Нелинейность -0.1…+0.1% П
Дифференциальная нелинейность -0.1…+0.1% ПШ
Абсолютная погрешность преобразования
в конечной точке шкалы -0.2…+0.2% ПШ
ПШ – от полной шкалы
Микропроцессорная система.
Микропроцессорная система предназначена для управления аналого-цифровым преобразователем (АЦП), приёма с него информации в виде цифрового кода, её обработки, хранения и вывода на индикаторное устройство и для управления внешним устройством через интерфейс связи.
В качестве микропроцессорной системы выбрана микросхема 8-разрядной однокристальной ЭВМ с РПЗУ КМ1816ВЕ751А
Это позволяет получить лучшие массогабаритные показатели прибора, более высокую надёжность и меньшее энергопотребление. Это возможно благодаря тому, что микросхема объединяет в себе все узлы, необходимые для автономной работы:
центральный 8-разрядный процессор
память программ объёмом 4 Кбайт с возможностью увеличения до 64 Кбайт за счёт подключения внешних микросхем памяти
память данных объёмом 128 байт с возможностью увеличения до 64 Кбайт
четыре 8-разрядных программируемых порта ввода-вывода, отдельные выводы которых могут выполнять специализированную функцию
два 16-байтовых многорежимных таймера / счётчика
система прерываний с пятью векторами и двумя уровнями
последовательный интерфейс
тактовый генератор
Условное обозначение микросхемы КМ1816ВЕ751А:
Рис. микросхемы.
Рис. микросхемы.

Назначение выводов.
|
№ вывода |
Обозначение |
Назначение вывода |
Тип вывода |
|
1-8 |
Р1.0-Р1.7 |
8-разрядный двунаправленный порт Р1. Вход адреса А0-А7 при проверке внутр.ПЗУ |
вход/выход |
|
9 |
RST |
Сигнал общего сброса |
вход |
|
10-17 |
Р3.0-Р3.7 |
8-разрядный порт с дополнительными функциями |
вход/выход |
Р3.0 |
Данные приёмника последовательного интерфейса RxD |
вход |
|
Р3.1 |
Данные передатчика последовательного интерфейса ТxD |
выход |
|
Р3.2 |
Вход внешнего запро- са на прерывание 0 |
вход |
|
Р3.3 |
Вход внешнего запро- са на прерывание 1 |
вход |
|
Р3.4 |
Вход таймера/счётчика 0 |
вход |
|
Р3.5 |
Вход Таймера/счётчика 1 |
вход |
|
Р3.6 |
Выход стробирующе- го сигнала при чте- нии из внешней памяти данных |
выход |
|
Р3.7 |
Выход стробирующе- го сигнала при чте- нии из внешней памяти данных |
выход |
|
|
18 |
BQ2 |
Выводы для подклю-чения кварцевого резо-натора |
выход |
|
19 |
BQ1 |
вход |
|
|
20 |
CND |
Общий вывод |
---- |
|
21-28 |
Р2.0-Р2.7 |
8-разрядный двунаправленный порт Р2. Вход адреса А8-А15 в режиме работы с внешней памятью |
Вход/выход |
|
29 |
РМЕ |
Разрешение программирования памяти |
выход |
|
30 |
АLE |
Выходной сигнал разрешения фиксации адреса. При программировании ПЗУ-сигнал PROG |
Вход/выход |
|
31 |
DEMA |
Блокировка работы с внешней памятью. При программировании ПЗУ подаётся сигнал Upr |
Вход/выход |
|
32-39 |
P0.0-p0.7 |
8-разрядный двунаправленный порт Р0. Шина данных/адреса при работе с внешней памятью. Выход данных в режиме проверки внутреннего ПЗУ |
Вход/выход |
|
40 |
Ucc |
Напряжение питания +5В |
Электрические параметры микросхемы КМ1816ВЕ751А
Номинальное напряжение питания 5 В±5%
Выходное напряжение низкого уровня ≤0.5 В
Выходное напряжение высокого уровня ≥2.4 В
Ток потребления, мА ≤220
Входной ток низкого уровня, мкА ≤500
Входной ток высокого уровня, мА ≤|-2.5|
Ток утечки сигналов РО (0…7) ≤100мк
Потребляемая мощность, Вт 1.4
Время задержки сигнала РМЕ относительно
Сигналов адреса А7… А0 ≥0
Период следования импульсов BQ2 83.3…286 нс
Время фронта нарастания или спада сигнала BQ2 ≤20 нс
Время хранения информации в выключенном состоянии>5 лет
Время хранения информации во включенном
состоянии >20 тыс.часов
Время выполнения короткой программы 1 мкс
4.6 Дешифратор.
Для того чтобы вывести на экран индикатора выходной сигнал с микропроцессорной системы требуется декодер для перехода двоично-десятичного кода в семисегментный код.
Выберем дешифратор двоично-десятичного кода в семисегментный типа К555ИД18. Данный дешифратор имеет четыре информационных входа D1, D2, D3, D4 и семь выходов с третьим состоянием Z. Дешифратор имеет выходы с открытым коллектором (3).
Сопротивления, которые подключаются к выходам дешифратора,
R12-R17, вычисляются по формуле
Где Uпит =+5 В -напряжение питания.
Uдш –напряжение на выходе дешифратора (0 В)
I˚вых –выходной ток при логическом нуле (4,5 мА)
Рассеиваемая мощность
Р = (I˚вых)² · R = 0.022 Вт
Выберем резистор типа МЛТ-0.125 Вт-11 кОм ± 10%
4.7 Устройство индикации.
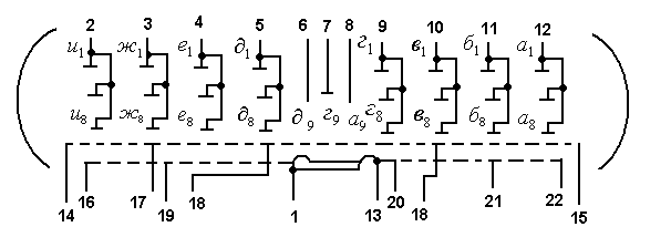
В качестве устройства индикации выберем индикатор цифровой многоразрядный вакуумный люминесцентный ИВ-18, который предназначен для отображения информации в виде цифр от 0 до 9 и десятичного знака в каждом из 8-ми цифровых разрядов и вспомогательной информации на одном служебном разряде в средствах отображения информации индивидуального и группового пользования.
Корпус цилиндрический, стеклянный, выводы гибкие. Масса не боле 30 г.

Назначение выводов:
катод, проводящий слой внутренней поверхности баллона
–
аноды
– сегменты с 1-го по 8-й разряд
ж1…ж8 – аноды – сегменты
е1…е8 – аноды – сегменты
-
аноды – сегменты
–
анод
– сегмент 9-го разряда
–
анод
– сегмент 9-разряда
а9 - анод – сегмент 9-разряда
9-12 – аноды – сегменты
13- катод
14- сетка 9-го разряда
15- сетка 1-разряда
16- сетка 3-разряда
17- сетка 5-разряда
18- сетка 8-разряда
19- сетка 7-разряда
20- сетка 6-разряда
21- сетка 4-разряда
22- сетка 2-разряда
Подключение выводов для формирования цифр и знаков:
Цифры: Выводы: Цифры: Выводы:
0 12,11,3,5,4,10 9 9,11,12,10,4,3
1 10,4 точка 2
2 12,10,9,5,3 черта 6
3 12,10,9,4,3 минус 7
4 11,9,10,4
5 12,11,9,4,3
6 12,11,5,3,4,9
7 12,10,4
8 12,11,9,4,3,5,10
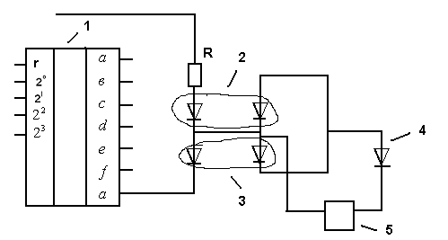
Схема управления:

дешифратор
2,3 –оптроны
4- индикатор
5- источник питания
Эквивалентная схема:

Основные данные ИВ-18:
Цвет свечения зелёный
Яркость индикатора, кд/м², не менее
одного цифрового разряда 900
служебного разряда 200
Напряжение накала, В 85±10
Ток накала, мА 50
Напряжение анода – сегмента, В 45
Ток анодов – сегментов суммарный, мА
для девяти разрядов 50
Скважность 10±1
Минимальная наработка, ч 10000
Срок хранения, лет, не менее 4
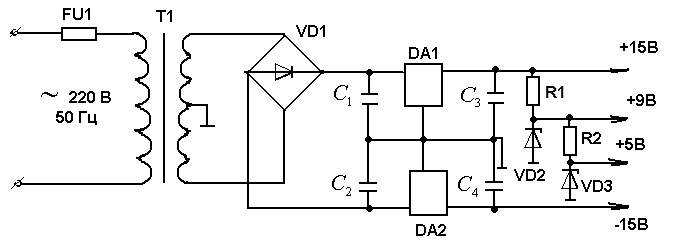
Блок питающих напряжений.
Выбор оптимального источника питания для виброизмерительного прибора – ответственная задача, поэтому прежде всего следует определить необходимое и достаточное качество его выходного напряжения .
Источник питания должен обеспечить питание для аналоговых микросхем:
К140УД15: +15 В…-15 В
КР590КН1: +15 В…-15 В
К1113ПВ1А: +5 В…-15 В
КМ1816ВЕ751А: +5 В
К555ИД18: +5 В
Выберем трансформатор ТПТ259 127 / 220-50, мощностью 31 В·А с бролевым сердечником ШМЛ 25*32 и напряжением вторичных обмоток 5;10;1.34 В.
Для выпрямления напряжения используем диодный мост КУ401Г
(Iпот max = 0.5 А)
При стабилизации напряжения питания будем использовать :
Для Uпит1 =+15 В –микросхему К142ЕН48
Для Uпит2 =-15 В – микросхему К142ЕН1
Для Uпит3 = +9 В – стабилитрон КС190Г
(Iст3=10 мА)
для Uпит4 = +5 В - стабилитрон КС156А
(Iст4=5 мА)
Определим номиналы сопротивлений : R1 и R2
И
з
номинального ряда возьмём


Конденсаторы
возьмём по 100 мкФ

5. Метрологическое качество измерений.
Результирующая погрешность средства измерений складывается из отдельных составляющих, которые могут быть определены расчётным или экспериментальным путём.
А также суммировать погрешности часто необходимо при анализе и синтезе средств измерений, оценке погрешностей сложных измерительных устройств, когда известны погрешности отдельных его блоков, при определении его блоков, при определении требований к точности средств измерений, если изв6етна допустимая погрешность результата измерений.
Суммарная погрешность виброизмерительного прибора:
,
где
-
погрешность вибродатчика СЕТТ1
-
погрешность усилителя напряжений
-
погрешность коммутатора
-
погрешность АЦП

,
где
-
допустимая погрешность, следовательно
прибор отвечает качеству измерений.
Заключение.
На основе технического задания был разработан измерительный прибор, основанный на действии вибродатчика СЕТТ1 (на тензорезисторах), который применяется, как правило, для измерения относительного перемещения.
В ходе выполнения работы не была учтена экономическая часть, что может отразиться на высокой стоимости прибора.
Список рекомендуемой учебной и справочной литературы:
Гусев В.Г., Гусев Ю.М. Электроника: Учебное пособие для приборостроительных спец.вузов. М: Высшая .школа., 1991.- 622с.
Гусев
В.Г., Мулик А.В. Проектирование
электронных аналоговых
измерительных
устройств: Учеб. пособие.-Уфа: УАИ,
1990.-97с.
Гусев В.Г., Мулик А.В. Аналоговые измерительные устройства: Учеб. пособие.-Уфа: УГАТУ, 1996.-147с.
Опадчий Ю.Ф. и др. Аналоговая и цифровая электроника (Полный курс):Учебник для вузов/Ю.Ф. Опадчий,О.П.Глудкин,А.И.Гуров;Под ред .О.П.Глудкина.-М: Горячая линия-Телеком, 1999.-768с.
Клюев В.В. Приборы и системы для измерения вибрации, шума и удара. Справочник “Измерения в промышленности”. М: “Металлургия”, 1990г.
Хоровиц
П., Хилл У. Искусство схемотехники=Тпе
аи оГ е1ес1гошсз:В Зт./
Перевод
с англ. Б.Н.Бронина и др.-4-е изд., перераб.
и доп.-М.:Мир.
Цифровые
интегральные микросхемы: Справочник/
[П.П.Мальцев и др.].-М.:
Радио
и связь, 1994.-239с.
Цифровые
интегральные микросхемы: Справочник
/ М.И.Богданович,
И.Н.Грель,
С.А.Дубинина, В.А.Прохоренко, В.В.Шамило.-2-е
изд.,перераб. и доп.-Минск:
Беларусь, Полымя, 1996.-605с.
Аналоговые
и цифровые интегральные микросхемы:
Справочное пособие / под
ред. С.В.Якубовского.-2-е изд., перераб.
и доп.-М.:Радио и связь,
1985.-432с.
Интегральные
микросхемы: Операционные усилители:
Справочник /
А.В.Перебаскин,
А.А.Бахметьев, С.О.Колосов и др.- М.:
Физматлит. Т.1.- 1993.-240с.
Интегральные микросхемы: Справочник.- М.:ДОДЭКА; Вып.Г: Микросхемы для аналого-цифрового преобразования и средств мультимедиа.-1996.-384с.
Однокристальные
микроЭВМ: Справочник / Боборыкин
А.В. и др. -
М..-МИКАП.
1994.-400с.
,
,
Ом
,